
Przed pierwszym uruchomieniem agregatów 30HXC i 30GX osoby zaangażowane w uruchomienie, obsługę i konserwację powinny dokładnie zapoznać się z niniejszą instrukcją i innymi niezbędnymi danymi dotyczącymi pracy. Ta książka zawiera przegląd, dzięki któremu możesz zapoznać się z systemem sterowania przed wykonaniem procedur uruchamiania. Procedury w niniejszej instrukcji są ułożone w kolejności wymaganej do prawidłowego uruchomienia i obsługi maszyny.
Agregaty chłodnicze cieczy 30HXC i 30GX zostały zaprojektowane w celu zapewnienia bezpiecznej i niezawodnej pracy, gdy są eksploatowane zgodnie ze specyfikacjami projektowymi. Podczas obsługi tego sprzętu należy kierować się zdrowym rozsądkiem i zachowywać środki ostrożności, aby uniknąć uszkodzenia sprzętu i mienia lub obrażeń personelu.
Upewnij się, że rozumiesz i przestrzegasz procedur i środków ostrożności zawartych w instrukcjach maszyny, a także tych wymienionych w tym przewodniku.
NIE WOLNO ODPROWADZAĆ zaworów bezpieczeństwa czynnika chłodniczego wewnątrz budynku. Wylot z zaworu bezpieczeństwa musi być skierowany na zewnątrz. Nagromadzenie się czynnika chłodniczego w zamkniętej przestrzeni może wyprzeć tlen i spowodować uduszenie lub wybuch.
ZApewnij odpowiednią wentylację, szczególnie w zamkniętych pomieszczeniach i pomieszczeniach o niskim stropie. Wdychanie wysokich stężeń oparów jest szkodliwe i może powodować zaburzenia rytmu serca, utratę przytomności lub śmierć. Opary są cięższe od powietrza i zmniejszają ilość tlenu dostępnego do oddychania. Produkt powoduje podrażnienie oczu i skóry. Produkty rozkładu są niebezpieczne.
NIE UŻYWAJ TLENU do przedmuchiwania przewodów lub do zwiększania ciśnienia w maszynie w jakimkolwiek celu. Gazowy tlen gwałtownie reaguje z olejem, smarem i innymi powszechnie występującymi substancjami.
NIGDY NIE PRZEKRACZAJ określonych ciśnień próbnych, SPRAWDŹ dopuszczalne ciśnienie próbne, sprawdzając instrukcję i ciśnienia projektowe na tabliczce znamionowej urządzenia.
NIE UŻYWAJ powietrza do testowania szczelności. Używaj tylko czynnika chłodniczego lub suchego azotu.
NIE ZAMYKAJ ŻADNEGO urządzenia zabezpieczającego.
PRZED uruchomieniem jakiejkolwiek maszyny UPEWNIJ SIĘ, że wszystkie urządzenia upustowe są prawidłowo zainstalowane.
NIE WOLNO SPAWAĆ ANI CIĄĆ PŁOMIENIEM żadnego przewodu lub zbiornika czynnika chłodniczego, dopóki cały czynnik chłodniczy (ciekły i gazowy) nie zostanie usunięty z agregatu chłodniczego. Ślady oparów należy usunąć za pomocą suchego azotu, a miejsce pracy powinno być dobrze wentylowane. Czynnik chłodniczy w kontakcie z otwartym płomieniem wytwarza toksyczne gazy.
NIE WOLNO pracować na urządzeniach pod napięciem, chyba że jesteś wykwalifikowanym elektrykiem.
NIE WOLNO PRZYSTĘPOWAĆ DO PRACY z elementami elektrycznymi, w tym z panelami sterowania, przełącznikami, przekaźnikami itp., dopóki nie upewnisz się, że CAŁE ZASILANIE JEST WYŁĄCZONE, a napięcie resztkowe może wyciekać z kondensatorów lub elementów półprzewodnikowych.
ZABLOKUJ W POZYCJI OTWARTEJ I OZNACZ obwody elektryczne podczas serwisowania. JEŚLI PRACA ZOSTANIE PRZERWANA, przed wznowieniem pracy sprawdź, czy wszystkie obwody są odłączone od zasilania.
NIE WOLNO odsysać czynnika chłodniczego.
UNIKAJ ROZLANIA ciekłego czynnika chłodniczego na skórę lub dostania się go do oczu. UŻYWAJ OKULARÓW OCHRONNYCH. Rozlany czynnik chłodniczy należy zmyć ze skóry wodą z mydłem. Jeśli ciekły czynnik chłodniczy dostanie się do oczu,
NATYCHMIAST PRZEPŁUKAJ OCZY wodą i skonsultuj się z lekarzem.
NIGDY NIE NALEŻY stosować otwartego płomienia lub pary pod ciśnieniem do pojemnika z czynnikiem chłodniczym. Może to spowodować niebezpieczne nadciśnienie. Jeśli konieczne jest podgrzanie czynnika chłodniczego, należy używać wyłącznie ciepłej wody.
NIE WOLNO PONOWNIE UŻYWAĆ jednorazowych (niezwrotnych) butli ani próbować ich ponownie napełniać. Jest to NIEBEZPIECZNE I NIELEGALNE. Po opróżnieniu butli należy usunąć pozostałe ciśnienie gazu, poluzować kołnierz, odkręcić i wyrzucić trzpień zaworu. NIE WOLNO SPALAĆ.
SPRAWDŹ RODZAJ CZYNNIKA CHŁODNICZEGO przed dodaniem czynnika chłodniczego do maszyny. Wprowadzenie niewłaściwego czynnika chłodniczego może spowodować uszkodzenie lub nieprawidłowe działanie maszyny.
NIE WOLNO PRÓBOWAĆ ZDEJMOWAĆ złączek, elementów itp., gdy maszyna jest pod ciśnieniem lub gdy pracuje. Przed rozłączeniem połączenia czynnika chłodniczego upewnij się, że ciśnienie wynosi 0 kPa.
DOKŁADNIE SPRAWDZAJ wszystkie urządzenia upustowe, PRZYNAJMNIEJ RAZ W ROKU. Jeśli maszyna pracuje w środowisku korozyjnym, sprawdzaj urządzenia częściej.
NIE WOLNO PODEJMOWAĆ PRÓB NAPRAWY LUB REGENERACJI żadnego urządzenia upustowego, gdy w korpusie zaworu lub mechanizmie stwierdzono korozję lub nagromadzenie się ciał obcych (rdzy, brudu, zgorzeliny itp.). Wymień urządzenie.
NIE WOLNO instalować urządzeń upustowych szeregowo lub tyłem do przodu.
NIE WOLNO DEPTAĆ po przewodach czynnika chłodniczego. Zerwane przewody mogą się odchylić i uwolnić czynnik chłodniczy, powodując obrażenia ciała.
NIE WOLNO wspinać się na maszynę. Użyj platformy lub rusztowania.
UŻYWAJ SPRZĘTU MECHANICZNEGO (dźwigu, wciągnika itp.) do podnoszenia lub przenoszenia ciężkich elementów. Nawet jeśli elementy są lekkie, używaj sprzętu mechanicznego, gdy istnieje ryzyko poślizgnięcia się lub utraty równowagi.
NALEŻY PAMIĘTAĆ, że niektóre automatyczne układy rozruchowe MOGĄ WŁĄCZYĆ WENTYLATOR WIEŻY LUB POMPY. Otwórz odłącznik przed wentylatorami wieży lub pompami.
UŻYWAJ tylko części zamiennych lub zamienników, które spełniają wymagania kodeksu oryginalnego sprzętu.
NIE WOLNO ODPROWADZAĆ ANI SPUSTOSZAĆ skrzynek wodnych zawierających solanki przemysłowe bez zgody właściwego organu.
NIE WOLNO LUZOWAĆ śrub skrzynki wodnej, dopóki skrzynka wodna nie zostanie całkowicie opróżniona.
NIE WOLNO LUZOWAĆ nakrętki dławika uszczelniającego przed sprawdzeniem, czy nakrętka ma prawidłowe zazębienie gwintu.
OKRESOWO SPRAWDZAJ wszystkie zawory, złączki i rury pod kątem korozji, rdzy, wycieków lub uszkodzeń.
ZApewnij połączenie ODPŁYWOWE w przewodzie odpowietrzającym w pobliżu każdego urządzenia upustowego, aby zapobiec gromadzeniu się kondensatu lub wody deszczowej.
30HXC080
30HXC090
30HXC100
30HXC110

Wlot wody
Wylot wody
Zasilanie
kg: całkowita masa robocza
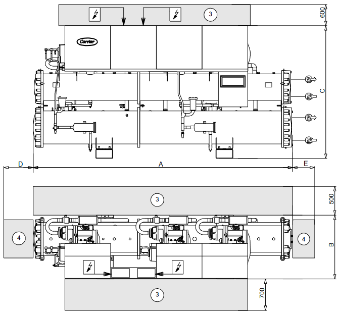
| A mm | B mm | C mm | D mm | E mm | kg | |
| 30HXC080 30HXC090 30HXC100 |
2705 | 950 | 1850 | 2360 | 1000 | 2447 2462 2504 |
| 30HXC110 | 2705 | 950 | 1900 | 2360 | 1000 | 2650 |
| 30HXC120 30HXC130 30HXC140 30HXC155 |
3535 | 950 | 1875 | 3220 | 1000 | 2846 2861 2956 2971 |
| 30HXC175 30HXC190 |
3550 | 950 | 2000 | 3220 | 1000 | 3283 3438 |
UWAGA: Podczas projektowania instalacji należy zapoznać się z certyfikowanymi rysunkami wymiarowymi dostarczonymi z urządzeniem.

Wlot wody
Wylot wody
Zasilanie
kg: całkowita masa robocza
| A mm | B mm | C mm | D mm | E mm | kg | |
| 30HXC200 | 3975 | 980 | 2035 | 3620 | 1000 | 4090 |
| 30HXC230 30HXC260 30HXC285 |
3995 | 980 | 2116 | 3620 | 1000 | 4705 4815 4985 |
| 30HXC310 30HXC345 30HXC375 |
4490 | 980 | 2163 | 4120 | 1000 | 5760 5870 6105 |
UWAGA: Podczas projektowania instalacji należy zapoznać się z certyfikowanymi rysunkami wymiarowymi dostarczonymi z urządzeniem.
30GX-082
30GX-092
30GX-102
30GX-112
30GX-122
30GX-132
30GX-152
30GX-162
30GX-182


Wlot wody
Wylot wody
Zasilanie
Wylot powietrza - nie zasłaniać
kg: całkowita masa robocza
| A mm | B mm | kg | |
| 30GX082 30GX092 30GX102 |
2970 | 2215 | 3116 3157 3172 |
| 30GX112 30GX122 30GX132 |
3427 | 2045 | 3515 3531 3633 |
| 30GX152 30GX162 |
4342 | 2835 | 3920 3936 |
| 30GX182 | 5996 | 1820 | 4853 |


Uwagi:
UWAGA: Podczas projektowania instalacji należy zapoznać się z certyfikowanymi rysunkami wymiarowymi dostarczonymi z urządzeniem.
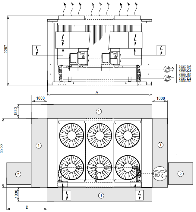
30GX-207
30GX-227
30GX-247
30GX-267
30GX-298
30GX-328
30GX-358

Wlot wody
Wylot wody
Zasilanie
Wylot powietrza - nie zasłaniać
kg: całkowita masa robocza
| A mm | B mm | kg | |
| 30GX207 30GX227 |
5996 | 2895 | 5540 5570 |
| 30GX247 30GX267 |
6911 | 2470 | 6134 6365 |
| 30GX298 | 7826 | 2220 | 7354 |
| 30GX328 30GX358 |
8741 | 1250 | 7918 8124 |


Uwagi:
UWAGA: Podczas projektowania instalacji należy zapoznać się z certyfikowanymi rysunkami wymiarowymi dostarczonymi z urządzeniem.
| 30HXC | 080 | 090 | 100 | 110 | 120 | 130 | 140 | 155 | 175 | 190 | 200 | 230 | 260 | 285 | 310 | 345 | 375 | |
| Net cooling capacity (Netto wydajność chłodnicza) | kW | 292 | 321 | 352 | 389 | 426 | 464 | 514 | 550 | 607 | 663 | 716 | 822 | 918 | 996 | 1119 | 1222 | 1326 |
| Operating weight (Waga robocza) | kg | 2447 | 2462 | 2504 | 2650 | 2846 | 2861 | 2956 | 2971 | 3283 | 3438 | 4090 | 4705 | 4815 | 4985 | 5760 | 5870 | 6105 |
| Refrigerant (Czynnik chłodniczy) Circuit A/B (Obwód A/B) |
HFC-134a | |||||||||||||||||
| kg | 39/36 | 39/36 | 37/32 | 38/38 | 57/55 | 59/50 | 56/50 | 59/52 | 58/61 | 60/70 | 110/58 | 118/63 | 120/75 | 120/75 | 108/110 | 110/110 | 110/120 | |
| Oil (Olej) Circuit A/B (Obwód A/B) |
Polyolester oil CARRIER SPEC: PP 47-32 | |||||||||||||||||
| l | 15/15 | 15/15 | 15/15 | 15/15 | 15/15 | 15/15 | 15/15 | 15/15 | 15/15 | 15/15 | 30/15 | 30/15 | 30/15 | 30/15 | 30/30 | 30/30 | 30/30 | |
| Compressors (Sprężarki) | Hermetic twin-screw Power3 | |||||||||||||||||
| Circ. A, nom. size per compressor** (Obw. A, nom. wielkość na sprężarkę**) | 39 | 46 | 46 | 56 | 56 | 66 | 80 | 80 | 80 | 80+ | 66/56 | 80/56 | 80/80 | 80+/80+ | 80/66 | 80/80 | 80+/80+ | |
| Circ. B, nom. size per compressor** (Obw. B, nom. wielkość na sprężarkę**) | 39 | 39 | 46 | 46 | 56 | 56 | 56 | 66 | 80 | 80+ | 66 | 80 | 80 | 80+ | 80/66 | 80/80 | 80+/80+ | |
| Control type (Typ sterowania) | PRO-DIALOG Plus control | |||||||||||||||||
| Number of capacity steps (Liczba stopni wydajności) | 6 | 6 | 6 | 6 | 6 | 6 | 6 | 6 | 6 | 6 | 8 | 8 | 8 | 8 | 10 | 10 | 10 | |
| Minimum capacity (Minimalna wydajność) | % | 19 | 19 | 21 | 19 | 21 | 19 | 17 | 19 | 21 | 21 | 14 | 14 | 14 | 14 | 10 | 10 | 10 |
| Evaporator (Parownik) | Shell and tube type, with internally finned copper tubes (Typ płaszczowo-rurowy, z wewnętrznie ożebrowanymi rurami miedzianymi) | |||||||||||||||||
| Net water volume (Netto objętość wody) | l | 65 | 65 | 73 | 87 | 81 | 81 | 91 | 91 | 109 | 109 | 140 | 165 | 181 | 181 | 203 | 229 | 229 |
| Water connections (Przyłącza wody) | Factory-supplied flat flange, to be welded on site (Dostarczony fabrycznie płaski kołnierz, do spawania na miejscu) | |||||||||||||||||
| Inlet and outlet (Wlot i wylot) | in. | 4 | 4 | 4 | 5 | 5 | 5 | 5 | 5 | 5 | 5 | 6 | 6 | 6 | 6 | 8 | 8 | 8 |
| Drain and vent (NPT) (Odwodnienie i odpowietrznik (NPT)) | in. | 3/8 | 3/8 | 3/8 | 3/8 | 3/8 | 3/8 | 3/8 | 3/8 | 3/8 | 3/8 | 3/8 | 3/8 | 3/8 | 3/8 | 3/8 | 3/8 | 3/8 |
| Max. water-side operating pressure (Maks. ciśnienie robocze po stronie wody) | kPa | 1000 | 1000 | 1000 | 1000 | 1000 | 1000 | 1000 | 1000 | 1000 | 1000 | 1000 | 1000 | 1000 | 1000 | 1000 | 1000 | 1000 |
| Condensers (Skraplacze) | Shell and tube type, with internally finned copper tubes (Typ płaszczowo-rurowy, z wewnętrznie ożebrowanymi rurami miedzianymi) | |||||||||||||||||
| Net water volume (Netto objętość wody) | l | 58 | 58 | 58 | 58 | 92 | 92 | 110 | 110 | 132 | 132 | 162 | 208 | 208 | 208 | 251 | 251 | 251 |
| Water connections (Przyłącza wody) | Factory-supplied flat flange, to be welded on site (Dostarczony fabrycznie płaski kołnierz, do spawania na miejscu) | |||||||||||||||||
| Inlet and outlet (Wlot i wylot) | in. | 5 | 5 | 5 | 5 | 5 | 5 | 5 | 5 | 6 | 6 | 6 | 6 | 6 | 6 | 8 | 8 | 8 |
| Drain and vent (NPT) (Odwodnienie i odpowietrznik (NPT)) | in. | 3/8 | 3/8 | 3/8 | 3/8 | 3/8 | 3/8 | 3/8 | 3/8 | 3/8 | 3/8 | 3/8 | 3/8 | 3/8 | 3/8 | 3/8 | 3/8 | 3/8 |
| Max. water-side operating pressure (Maks. ciśnienie robocze po stronie wody) | kPa | 1000 | 1000 | 1000 | 1000 | 1000 | 1000 | 1000 | 1000 | 1000 | 1000 | 1000 | 1000 | 1000 | 1000 | 1000 | 1000 | 1000 |
* Standardised Eurovent conditions: evaporator entering/leaving water temperatures = 12°C/7°C, condenser water entering/leaving water temperatures = 30°C/35°C Net cooling capacity: Gross cooling capacity minus the water pump heat against the internal evaporator pressure drop. ** The compressor size corresponds to the nominal capacity in tons (1 ton = 3.517 kW). (Ustandaryzowane warunki Eurovent: temperatury wody wlotowej/wylotowej parownika = 12°C/7°C, temperatury wody wlotowej/wylotowej skraplacza = 30°C/35°C Netto wydajność chłodnicza: Brutto wydajność chłodnicza pomniejszona o ciepło pompy wodnej przeciwko wewnętrznemu spadkowi ciśnienia parownika. ** Rozmiar sprężarki odpowiada nominalnej wydajności w tonach (1 tona = 3,517 kW).)
| 30HXC | 080 | 090 | 100 | 110 | 120 | 130 | 140 | 155 | 175 | 190 | 200 | 230 | 260 | 285 | 310 | 345 | 375 | |
| Obwód zasilania | ||||||||||||||||||
| Nominalne zasilanie* | V-ph-Hz | 400-3-50 | ||||||||||||||||
| Zakres napięć | V | 360-440 | ||||||||||||||||
| Zasilanie obwodu sterowania | Obwód sterowania jest zasilany przez transformator zainstalowany fabrycznie | |||||||||||||||||
| Nominalny pobór mocy* | kW | 59 | 67 | 74 | 83 | 88 | 99 | 112 | 123 | 135 | 146 | 156 | 179 | 201 | 219 | 245 | 274 | 298 |
| Nominalny pobór prądu* | A | 98 | 111 | 124 | 139 | 148 | 166 | 186 | 204 | 226 | 242 | 259 | 291 | 335 | 367 | 408 | 456 | 498 |
| Maks. pobór mocy** | kW | 76 | 83 | 91 | 101 | 111 | 121 | 135 | 145 | 158 | 181 | 187 | 214 | 237 | 272 | 290 | 316 | 362 |
| Obwód A | kW | - | - | - | - | - | - | - | - | - | - | 121 | 135 | 158 | 181 | 145 | 158 | 181 |
| Obwód B | kW | - | - | - | - | - | - | - | - | - | - | 66 | 79 | 79 | 91 | 145 | 158 | 181 |
| Współczynnik mocy, jednostka przy pełnym obciążeniu | 0.87 | 0.87 | 0.87 | 0.87 | 0.87 | 0.87 | 0.87 | 0.87 | 0.87 | 0.87 | 0.87 | 0.87 | 0.87 | 0.87 | 0.87 | 0.87 | 0.87 | |
| Maks. pobór prądu (Un - 10%)*** | A | 138 | 152 | 166 | 184 | 202 | 221 | 245 | 264 | 288 | 330 | 341 | 389 | 432 | 495 | 528 | 576 | 660 |
| Obwód A | A | - | - | - | - | - | - | - | - | - | - | 221 | 245 | 288 | 330 | 264 | 288 | 330 |
| Obwód B | A | - | - | - | - | - | - | - | - | - | - | 120 | 144 | 144 | 165 | 264 | 288 | 330 |
| Maksymalny pobór prądu (Un)*** | A | 125 | 138 | 151 | 167 | 184 | 201 | 223 | 240 | 262 | 300 | 310 | 354 | 393 | 450 | 480 | 524 | 600 |
| Obwód A | A | - | - | - | - | - | - | - | - | - | - | 201 | 223 | 262 | 300 | 240 | 262 | 300 |
| Obwód B | A | - | - | - | - | - | - | - | - | - | - | 109 | 131 | 131 | 150 | 240 | 262 | 300 |
| Maks. prąd rozruchowy, jedn. std. (Un)**** | A | 172 | 197 | 209 | 235 | 252 | 283 | 318 | 335 | 357 | 420 | 806 | 938 | 977 | 1156 | 1064 | 1108 | 1306 |
| Obwód A | A | - | - | - | - | - | - | - | - | - | - | 697 | 807 | 846 | 1006 | 824 | 846 | 1006 |
| Obwód B | A | - | - | - | - | - | - | - | - | - | - | 605 | 715 | 715 | 856 | 824 | 846 | 1006 |
| Maks. prąd rozruchowy/maks. współczynnik poboru prądu, jednostka | 1.37 | 1.42 | 1.39 | 1.41 | 1.37 | 1.41 | 1.43 | 1.40 | 1.36 | 1.40 | 2.60 | 2.65 | 2.49 | 2.57 | 2.22 | 2.12 | 2.18 | |
| Maks. prąd rozruchowy/maks. współczynnik poboru prądu, obwód A | - | - | - | - | - | - | - | - | - | - | 3.47 | 3.62 | 3.23 | 3.35 | 3.43 | 3.23 | 3.35 | |
| Maks. prąd rozruchowy/maks. współczynnik poboru prądu, obwód B | - | - | - | - | - | - | - | - | - | - | 5.55 | 5.46 | 5.46 | 5.71 | 3.43 | 3.23 | 3.35 | |
| Maks. prąd rozruchowy - zredukowany rozruch prądu (Un) **** | A | std. | std. | std. | std. | std. | std. | std. | std. | std. | std. | 601 | 643 | 682 | 760 | 769 | 813 | 910 |
| Obwód A | A | std. | std. | std. | std. | std. | std. | std. | std. | std. | std. | 492 | 512 | 551 | 610 | 529 | 551 | 610 |
| Obwód B | A | std. | std. | std. | std. | std. | std. | std. | std. | std. | std. | 330 | 370 | 370 | 385 | 529 | 551 | 610 |
| Maks.prąd rozruchowy - czerw. rozruch prądu/ maks. współczynnik poboru prądu, jednostka | std. | std. | std. | std. | std. | std. | std. | std. | std. | std. | 1.94 | 1.82 | 1.74 | 1.69 | 1.60 | 1.55 | 1.52 | |
| Obwód A | std. | std. | std. | std. | std. | std. | std. | std. | std. | std. | 2.45 | 2.30 | 2.10 | 2.03 | 2.20 | 2.10 | 2.03 | |
| Obwód B | std. | std. | std. | std. | std. | std. | std. | std. | std. | std. | 3.03 | 2.83 | 2.83 | 2.57 | 2.20 | 2.10 | 2.03 | |
| Trójfazowy prąd zwarciowy | kA | 25 | 25 | 25 | 25 | 25 | 25 | 25 | 25 | 25 | 25 | N/A | N/A | N/A | N/A | N/A | N/A | N/A |
| Obwód A | kA | - | - | - | - | - | - | - | - | - | - | 25 | 25 | 25 | 25 | 25 | 25 | 25 |
| Obwód B | kA | - | - | - | - | - | - | - | - | - | - | 15 | 15 | 15 | 15 | 25 | 25 | 25 |
| Pojemność rezerwowa klienta, jednostka lub obwód A, dla podłączeń pompy wody parownika† | kW | 8 | 8 | 8 | 11 | 11 | 11 | 15 | 15 | 15 | 15 | 15 | 18 | 18 | 30 | 30 | 30 | 30 |
* Standardowe warunki Eurovent: Temperatura wody wchodzącej/wychodzącej z parownika 12°C i 7°C. Temperatura wody wchodzącej/wychodzącej ze skraplacza 30°C/35°C.
** Pobór mocy, sprężarka, przy granicach roboczych jednostki (temperatura wody wchodzącej/wychodzącej z parownika = 15°C/10°C, temperatura wody wchodzącej/wychodzącej ze skraplacza = 40°C/45°C) i nominalnym napięciu 400 V (dane podane na tabliczce znamionowej jednostki).
*** Maksymalny prąd roboczy jednostki przy maksymalnym poborze mocy przez jednostkę.
**** Maksymalny chwilowy prąd rozruchowy (maksymalny prąd roboczy najmniejszej sprężarki(ek) + prąd zablokowanego wirnika lub zredukowany prąd rozruchowy największej sprężarki)
† Prąd i pobór mocy nie są uwzględnione w powyższych wartościach.
N/A Niedostępne
| Odniesienie | Rozmiar | I nom. | MHA | LRA | LRA (Y) | LRA (S) 1 cp. | LRA (S) 2 cp. |
| 06NW2146S7N | 39 | 48 | 69 | 344 | 109 | 125 | - |
| 06NW2174S7N | 46 | 58 | 83 | 423 | 134 | 154 | - |
| 06NW2209S7N | 56 | 71 | 101 | 506 | 160 | 260 | 350 |
| 06NW2250S7N | 66 | 87 | 120 | 605 | 191 | 330 | 400 |
| 06NW2300S5N | 80 | 104 | 144 | 715 | 226 | 370 | 420 |
| 06NW2300S5E | 80+ | 111 | 165 | 856 | 270 | 385 | 460 |
Legenda:
| 06NW | Sprężarka do jednostek chłodzonych wodą |
| N | Sprężarka bez ekonomizera |
| E | Sprężarka z ekonomizerem |
| INOM | Średni pobór prądu przez sprężarkę w warunkach Eurovent |
| MHA | Musi utrzymać ampery (maksymalny prąd roboczy) przy 360 V |
| LRA | Prąd zablokowanego wirnika przy rozruchu bezpośrednim |
| LRA (Y) | Prąd zablokowanego wirnika przy zredukowanym prądzie (tryb rozruchu gwiazda/trójkąt) |
| LRA (S) 1 cp. | Rozruch ze zredukowanym prądem za pomocą rozrusznika elektronicznego (czas trwania rozruchu maks. 3 sekundy) dla jednej sprężarki na obwód |
| LRA (S) 2 cp. | Rozruch ze zredukowanym prądem za pomocą rozrusznika elektronicznego (czas trwania rozruchu maks. 3 sekundy) dla dwóch sprężarek na obwód |
Opcje 30HXC 150 i 150A
| 30HXC | 080 | 090 | 100 | 110 | 120 | 130 | 140 | 155 | 175 | 190 | 200 | 230 | 260 | 285 | 310 | 345 | 375 | |
| Obwód zasilania | ||||||||||||||||||
| Nominalne zasilanie* | V-ph-Hz | 400-3-50 | ||||||||||||||||
| Zakres napięć | V | 360-440 | ||||||||||||||||
| Zasilanie obwodu sterowania | Obwód sterowania jest zasilany przez fabrycznie zainstalowany transformator | |||||||||||||||||
| Maks. pobór mocy** | kW | 104 | 117 | 131 | 145 | 159 | 174 | 194 | 211 | 230 | 263 | 271 | 310 | 345 | 395 | 422 | 460 | 526 |
| Obwód A | kW | - | - | - | - | - | - | - | - | - | - | 175 | 195 | 230 | 263 | 211 | 230 | 263 |
| Obwód B | kW | - | - | - | - | - | - | - | - | - | - | 96 | 115 | 115 | 132 | 211 | 230 | 263 |
| Maks. pobór prądu (Un - 10%)*** | A | 190 | 215 | 240 | 265 | 290 | 320 | 355 | 385 | 420 | 480 | 495 | 564 | 630 | 720 | 770 | 840 | 960 |
| Obwód A | A | - | - | - | - | - | - | - | - | - | - | 320 | 355 | 420 | 480 | 385 | 420 | 480 |
| Obwód B | A | - | - | - | - | - | - | - | - | - | - | 175 | 210 | 210 | 240 | 385 | 420 | 480 |
| Maksymalny pobór prądu (Un)*** | A | 173 | 195 | 218 | 241 | 264 | 291 | 323 | 350 | 382 | 436 | 450 | 514 | 573 | 655 | 700 | 764 | 873 |
| Obwód A | A | - | - | - | - | - | - | - | - | - | - | 291 | 323 | 382 | 436 | 350 | 382 | 436 |
| Obwód B | A | - | - | - | - | - | - | - | - | - | - | 159 | 191 | 191 | 218 | 350 | 382 | 436 |
| Maks. prąd rozruchowy, jedn. std. (Un)**** | A | 277 | 312 | 335 | 379 | 402 | 435 | 519 | 546 | 578 | 618 | 1251 | 1549 | 1608 | 1701 | 1735 | 1799 | 1920 |
| Obwód A | A | - | - | - | - | - | - | - | - | - | - | 1092 | 1358 | 1417 | 1483 | 1385 | 1417 | 1483 |
| Obwód B | A | - | - | - | - | - | - | - | - | - | - | 960 | 1226 | 1226 | 1265 | 1385 | 1417 | 1483 |
| Maks. prąd rozruchowy/maks. stosunek poboru prądu, jednostka | 1.61 | 1.60 | 1.54 | 1.57 | 1.52 | 1.49 | 1.61 | 1.56 | 1.51 | 1.42 | 2.78 | 3.02 | 2.81 | 2.60 | 2.48 | 2.36 | 2.20 | |
| Maks. prąd rozruchowy/maks. stosunek poboru prądu, obwód A | - | - | - | - | - | - | - | - | - | - | 3.75 | 4.21 | 3.71 | 3.40 | 3.96 | 3.71 | 3.40 | |
| Maks. prąd rozruchowy/maks. stosunek poboru prądu, obwód B | - | - | - | - | - | - | - | - | - | - | 6.03 | 6.42 | 6.42 | 5.80 | 3.96 | 3.71 | 3.40 | |
| Maks. prąd rozruchowy - rozruch zredukowanym prądem (Un) **** | A | std. | std. | std. | std. | std. | std. | std. | std. | std. | std. | N/A | N/A | N/A | N/A | N/A | N/A | N/A |
| Trójfazowy prąd zwarciowy | kA | 25 | 25 | 25 | 25 | 25 | 25 | 25 | 25 | 25 | 25 | N/A | N/A | N/A | N/A | N/A | N/A | N/A |
| Obwód A | kA | - | - | - | - | - | - | - | - | - | - | 25 | 25 | 25 | 25 | 25 | 25 | 25 |
| Obwód B | kA | - | - | - | - | - | - | - | - | - | - | 15 | 15 | 15 | 15 | 25 | 25 | 25 |
| Zdolność rezerwowa klienta, jednostka lub obwód A, dla podłączeń pompy wody parownika† | kW | 8 | 8 | 8 | 11 | 11 | 11 | 15 | 15 | 15 | 15 | 15 | 18 | 18 | 30 | 30 | 30 | 30 |
** Pobór mocy, sprężarka, przy granicach pracy urządzenia (temperatura wody wchodzącej/wychodzącej z parownika = 15°C/10°C, temperatura wody wchodzącej/wychodzącej ze skraplacza = 40°C/45°C) i nominalnym napięciu 400 V (dane podane na tabliczce znamionowej urządzenia).
*** Maksymalny prąd roboczy urządzenia przy maksymalnym poborze mocy urządzenia.
**** Maksymalny chwilowy prąd rozruchowy (maksymalny prąd roboczy najmniejszej sprężarki(ek) + prąd zablokowanego wirnika lub zredukowany prąd rozruchowy największej sprężarki)
† Prąd i pobór mocy nie są uwzględnione w powyższych wartościach.
N/A Niedostępne
Urządzenia 30HXC 080-375 dla wysokich temperatur kondensacji pochodzą bezpośrednio od modeli standardowych. Ich zakres zastosowań jest taki sam jak w przypadku urządzeń standardowych, ale umożliwia pracę przy temperaturach wody wychodzącej ze skraplacza do 63°C. Sterownik PRO-DIALOG oferuje wszystkie zalety urządzeń standardowych, a dodatkowo sterowanie temperaturą wody wychodzącej ze skraplacza.
Główne modyfikacje to:
Urządzenia te są przeznaczone do tradycyjnych zastosowań dla urządzeń chłodzonych wodą, ale dla wyższych temperatur wody wychodzącej ze skraplacza niż 45°C.
Podobnie jak urządzenia standardowe, są one wyposażone w czujniki wody wchodzącej i wychodzącej ze skraplacza, zainstalowane na rurociągu.
Możliwe jest sterowanie maszyną na wylocie wody ze skraplacza, co wymaga zmiany konfiguracji fabrycznej i zastosowania urządzenia odwracającego wlot ogrzewania/chłodzenia.
Urządzenia te są przeznaczone do pomp ciepła woda-woda.
Są one fabrycznie skonfigurowane jako pompy ciepła (sterowanie ogrzewaniem/chłodzeniem w funkcji zdalnego urządzenia odwracającego). Skraplacz zawiera izolację termiczną, która jest identyczna jak w przypadku parownika.
Wszystkie informacje są identyczne jak w przypadku standardowych urządzeń 30HXC, z wyjątkiem poniższych akapitów.
Nie ma nominalnych warunków dla tego typu urządzenia. Wyboru dokonuje się za pomocą aktualnego katalogu elektronicznego.
Są one identyczne jak w przypadku standardowych urządzeń 30HXC. Jedyna różnica dotyczy średnicy przyłącza przewodów zasilających, opisanej w rozdziale "Zalecany wybór". Przed przystąpieniem do okablowania należy zapoznać się z rysunkami wymiarowymi tych urządzeń.
Zobacz tabelę sprężarek 30GX.
Wszystkie opcje dostępne dla standardowych urządzeń 30HXC są kompatybilne, z wyjątkiem:
| Opcja 5, jednostka solanki | Jednostka specjalna |
| Opcja 25, łagodny rozruch, urządzenia 30HXC 200-375 | Niedostępne |
Uwaga:
Jeśli urządzenia mają dwa różne tryby pracy - jeden z wysoką temperaturą kondensacji, a drugi z niską temperaturą kondensacji - a przejście odbywa się podczas pracy urządzenia, temperatura nie może zmieniać się o więcej niż 3 K na minutę. W przypadkach, gdy nie jest to możliwe, zaleca się przejście przez przełącznik start/stop urządzenia (zdalny start/stop dostępny dla standardowych urządzeń).
| 30GX | 082 | 092 | 102 | 112 | 122 | 132 | 152 | 162 | 182 | 207 | 227 | 247 | 267 | 298 | 328 | 358 | ||
| Netto moc chłodnicza | kW | 285 | 309 | 332 | 388 | 417 | 450 | 505 | 536 | 602 | 687 | 744 | 810 | 910 | 1003 | 1103 | 1207 | |
| Masa eksploatacyjna | kg | 3116 | 3157 | 3172 | 3515 | 3531 | 3633 | 3920 | 3936 | 4853 | 5540 | 5570 | 6134 | 6365 | 7354 | 7918 | 8124 | |
| Ilość czynnika chłodniczego | HFC-134a | |||||||||||||||||
| Obwód A/B | kg | 55/55 | 58/50 | 54/53 | 55/53 | 60/57 | 63/60 | 75/69 | 75/75 | 80/80 | 130/85 | 130/85 | 155/98 | 170/104 | 162/150 | 162/165 | 175/175 | |
| Olej | Olej poliestrowy CARRIER SPEC: PP 47-32 | |||||||||||||||||
| Obwód A/B | l | 20/20 | 20/20 | 20/20 | 20/20 | 20/20 | 20/20 | 20/20 | 20/20 | 20/20 | 40/20 | 40/20 | 40/20 | 40/20 | 40/40 | 40/40 | 40/40 | |
| Sprężarki | Hermetyczna dwuśrubowa Power3 | |||||||||||||||||
| Obw. A, nom. wielkość na sprężarkę** | 46 | 46 | 56 | 56 | 66 | 66 | 80 | 80 | 80+ | 66/56 | 80/66 | 80/80 | 80+/80+ | 80/80 | 80/80 | 80+/80+ | ||
| Obw. B, nom. wielkość na sprężarkę** | 39 | 46 | 46 | 56 | 56 | 66 | 66 | 80 | 80+ | 80 | 80 | 80 | 80+ | 66/66 | 80/802 | 80+/80+ | ||
| Typ sterowania | Sterowanie PRO-DIALOG Plus | |||||||||||||||||
| Liczba stopni wydajności | 6 | 6 | 6 | 6 | 6 | 6 | 6 | 6 | 6 | 8 | 8 | 8 | 8 | 10 | 10 | 10 | ||
| Minimalna wydajność | % | 19 | 21 | 19 | 21 | 19 | 21 | 19 | 21 | 21 | 16 | 14 | 14 | 14 | 9 | 10 | 10 | |
| Parownik | Typ płaszczowo-rurowy, z wewnętrznie ożebrowanymi rurami miedzianymi | |||||||||||||||||
| Netto objętość wody | l | 65 | 73 | 73 | 87 | 87 | 101 | 91 | 91 | 109 | 140 | 140 | 165 | 181 | 203 | 229 | 229 | |
| Przyłącza wody | Dostarczany fabrycznie płaski kołnierz, do spawania na miejscu | |||||||||||||||||
| Wlot i wylot | in. | 4 | 4 | 4 | 5 | 5 | 5 | 5 | 5 | 5 | 6 | 6 | 6 | 6 | 8 | 8 | 8 | |
| Odpływ i odpowietrznik (NPT) | in. | 3/8 | 3/8 | 3/8 | 3/8 | 3/8 | 3/8 | 3/8 | 3/8 | 3/8 | 3/8 | 3/8 | 3/8 | 3/8 | 3/8 | 3/8 | 3/8 | |
| Maks. ciśnienie robocze po stronie wodnej | kPa | 1000 | 1000 | 1000 | 1000 | 1000 | 1000 | 1000 | 1000 | 1000 | 1000 | 1000 | 1000 | 1000 | 1000 | 1000 | 1000 | |
| Skraplacze | Rury miedziane i żebra aluminiowe | |||||||||||||||||
| Wentylatory | Wentylator osiowy FLYING BIRD 2 z obrotową osłoną | |||||||||||||||||
| Ilość | 4 | 4 | 4 | 6 | 6 | 6 | 8 | 8 | 8 | 10 | 10 | 12 | 12 | 14 | 16 | 16 | ||
| Prędkość | r/s | 15.8 | 15.8 | 15.8 | 15.8 | 15.8 | 15.8 | 15.8 | 15.8 | 15.8 | 15.8 | 15.8 | 15.8 | 15.8 | 15.8 | 15.8 | 15.8 | |
| Całkowity przepływ powietrza | l/s | 21110 | 21110 | 21110 | 31660 | 31660 | 31660 | 42220 | 42220 | 42220 | 52770 | 52770 | 63330 | 63330 | 73880 | 84440 | 84440 | |
* Standaryzowane warunki Eurovent: temperatury wody wchodzącej/wychodzącej z parownika = 12°C/7°C, temperatura powietrza zewnętrznego = 35°C Netto moc chłodnicza: Brutto moc chłodnicza pomniejszona o ciepło pompy wody przeciwko wewnętrznemu spadkowi ciśnienia parownika.
** Rozmiar sprężarki odpowiada nominalnej wydajności w tonach (1 tona = 3,517 kW).
| 30HXC | 082 | 092 | 102 | 112 | 122 | 132 | 152 | 162 | 182 | 207 | 227 | 247 | 267 | 298 | 328 | 358 | ||
| Obwód zasilania | ||||||||||||||||||
| Nominalne zasilanie* | V-ph-Hz | 400-3-50 | ||||||||||||||||
| Zakres napięć | V | 360-440 | ||||||||||||||||
| Zasilanie obwodu sterowania | Obwód sterowania jest zasilany przez transformator zainstalowany fabrycznie | |||||||||||||||||
| Nominalny pobór mocy* | kW | 98 | 109 | 123 | 133 | 150 | 166 | 179 | 196 | 214 | 246 | 281 | 292 | 332 | 364 | 394 | 449 | |
| Nominalny pobór prądu* | A | 180 | 200 | 223 | 256 | 273 | 290 | 326 | 352 | 388 | 449 | 492 | 528 | 582 | 642 | 704 | 776 | |
| Maks. pobór mocy** | kW | 127 | 141 | 154 | 175 | 191 | 207 | 234 | 253 | 286 | 319 | 355 | 380 | 429 | 462 | 506 | 572 | |
| Obwód A | kW | - | - | - | - | - | - | - | - | - | 193 | 228 | 253 | 286 | 253 | 253 | 286 | |
| Obwód B | kW | - | - | - | - | - | - | - | - | - | 127 | 127 | 127 | 143 | 209 | 253 | 286 | |
| Współczynnik mocy, urządzenie przy pełnym obciążeniu | 0.85 | 0.85 | 0.85 | 0.85 | 0.85 | 0.85 | 0.86 | 0.86 | 0.86 | 0.86 | 0.86 | 0.86 | 0.86 | 0.86 | 0.86 | 0.86 | ||
| Maks. pobór prądu (Un - 10%)*** | A | 237 | 262 | 287 | 323 | 353 | 383 | 429 | 464 | 524 | 585 | 650 | 696 | 786 | 847 | 928 | 1048 | |
| Obwód A | A | - | - | - | - | - | - | - | - | - | 353 | 418 | 464 | 524 | 464 | 464 | 524 | |
| Obwód B | A | - | - | - | - | - | - | - | - | - | 232 | 232 | 232 | 262 | 383 | 464 | 524 | |
| Maksymalny pobór prądu (Un)*** | A | 217 | 240 | 263 | 297 | 324 | 351 | 394 | 426 | 480 | 537 | 596 | 639 | 721 | 777 | 852 | 961 | |
| Obwód A | A | - | - | - | - | - | - | - | - | - | 324 | 383 | 426 | 480 | 426 | 426 | 480 | |
| Obwód B | A | - | - | - | - | - | - | - | - | - | 213 | 213 | 213 | 240 | 351 | 426 | 480 | |
| Maks. prąd rozruchowy, jedn. std.**** (Un) | A | 334 | 357 | 401 | 435 | 468 | 495 | 590 | 622 | 662 | 1338 | 1631 | 1674 | 1767 | 1812 | 1887 | 2008 | |
| Obwód A*** | A | - | - | - | - | - | - | - | - | - | 1125 | 1418 | 1461 | 1527 | 1461 | 1461 | 1527 | |
| Obwód B*** | A | - | - | - | - | - | - | - | - | - | 1248 | 1248 | 1248 | 1287 | 1152 | 1461 | 1527 | |
| Maks. prąd rozruchowy/maks. współczynnik poboru prądu, jednostka | 1.54 | 1.49 | 1.53 | 1.47 | 1.44 | 1.41 | 1.50 | 1.46 | 1.38 | 2.49 | 2.74 | 2.62 | 2.45 | 2.33 | 2.22 | 2.09 | ||
| Maks. prąd rozruchowy/maks. współczynnik poboru prądu, obwód A | - | - | - | - | - | - | - | - | - | 3.47 | 3.70 | 3.43 | 3.18 | 3.43 | 3.43 | 3.18 | ||
| Maks. prąd rozruchowy/maks. współczynnik poboru prądu, obwód B | - | - | - | - | - | - | - | - | - | 5.86 | 5.86 | 5.86 | 5.36 | 3.28 | 3.43 | 3.18 | ||
| Maks. prąd rozruchowy - zredukowany start prądu (Un) **** | A | std. | std. | std. | std. | std. | std. | std. | std. | std. | 878 | 955 | 998 | 1102 | 1136 | 1211 | 1343 | |
| Obwód A | A | std. | std. | std. | std. | std. | std. | std. | std. | std. | 665 | 742 | 785 | 862 | 785 | 785 | 862 | |
| Obwód B | A | std. | std. | std. | std. | std. | std. | std. | std. | std. | 572 | 572 | 572 | 622 | 692 | 785 | 862 | |
| Maks.prąd rozruchowy - czerw. start prądu/ maks. współczynnik poboru prądu, jednostka | std. | std. | std. | std. | std. | std. | std. | std. | std. | 1.64 | 1.60 | 1.56 | 1.53 | 1.46 | 1.42 | 1.40 | ||
| Obwód A | std. | std. | std. | std. | std. | std. | std. | std. | std. | 2.05 | 1.94 | 1.84 | 1.79 | 1.84 | 1.84 | 1.79 | ||
| Obwód B | std. | std. | std. | std. | std. | std. | std. | std. | std. | 2.69 | 2.69 | 2.69 | 2.39 | 1.97 | 1.84 | 1.79 | ||
| Trójfazowy prąd zwarciowy | kA | 25 | 25 | 25 | 25 | 25 | 25 | 25 | 25 | 25 | N/A | N/A | N/A | N/A | N/A | N/A | N/A | |
| Obwód A | kA | - | - | - | - | - | - | - | - | - | 25 | 25 | 25 | 25 | 25 | 25 | 25 | |
| Obwód B | kA | - | - | - | - | - | - | - | - | - | 25 | 25 | 25 | 25 | 25 | 25 | 25 | |
| Zdolność czuwania klienta, jednostka lub obwód A, dla podłączeń pompy wody parownika† | kW | 4 | 4 | 4 | 5.5 | 5.5 | 5.5 | 7.5 | 7.5 | 7.5 | 7.5 | 9 | 9 | 9 | 15 | 15 | 15 | |
* Standardowe warunki Eurovent: Temperatura wody wchodzącej/wychodzącej z parownika 12°C i 7°C. Temperatura powietrza zewnętrznego 35°C.
** Pobór mocy, sprężarka i wentylator, przy granicach pracy urządzenia (temperatura wody wchodzącej/wychodzącej z parownika = 15°C/10°C, temperatura powietrza zewnętrznego = 46°C) i nominalnym napięciu 400 V (dane podane na tabliczce znamionowej urządzenia).
*** Maksymalny prąd roboczy urządzenia przy maksymalnym poborze mocy przez urządzenie.
**** Maksymalny chwilowy prąd rozruchowy (maksymalny prąd roboczy najmniejszej sprężarki (sprężarek) + prąd wentylatora + prąd zablokowanego wirnika lub zredukowany prąd rozruchowy największej sprężarki).
† Prąd i pobór mocy nie są uwzględnione w powyższych wartościach
N/A Niedostępne
| Odniesienie | Rozmiar | I nom. | MHA | LRA | LRA (Y) | LRA (S) 1 cp. | LRA (S) 2 cp. |
| 06NA2146S7N | 39 | 70 | 95 | 605 | 191 | 220 | - |
| 06NA2174S7N | 46 | 90 | 120 | 715 | 226 | 260 | - |
| 06NA2209S7N | 56 | 113 | 145 | 856 | 270 | 330 | 420 |
| 06NA2250S7N | 66 | 130 | 175 | 960 | 303 | 380 | 500 |
| 06NA2300S5N | 80 | 156 | 210 | 1226 | 387 | 445 | 550 |
| 06NA2300S5E | 80+ | 174 | 240 | 1265 | 400 | 460 | 600 |
Legenda:
| 06NA | Sprężarka do urządzeń chłodzonych powietrzem |
| N | Sprężarka bez ekonomizera |
| E | Sprężarka z ekonomizerem |
| INOM | Średni pobór prądu przez sprężarkę w warunkach Eurovent |
| MHA | Musi utrzymać ampery (maksymalny prąd roboczy) przy 360 V |
| LRA | Prąd zablokowanego wirnika przy starcie bezpośrednim |
| LRA (Y) | Prąd zablokowanego wirnika przy zredukowanym prądzie (tryb startu gwiazda/trójkąt) |
| LRA (S) 1 cp. | Uruchomienie ze zredukowanym prądem za pomocą rozrusznika elektronicznego (czas uruchomienia maks. 3 sekundy) dla jednej sprężarki na obwód |
| LRA (S) 2 cp. | Uruchomienie ze zredukowanym prądem za pomocą rozrusznika elektronicznego (czas uruchomienia maks. 3 sekundy) dla dwóch sprężarek na obwód |
| Parownik (Evaporator) | Minimum (Minimalny) | Maximum (Maksymalny) | |
| Temperatura wody wlotowej do parownika (Evaporator entering water temperature) | °C | 6.8* | 21 |
| Temperatura wody wylotowej z parownika (Evaporator leaving water temperature) | °C | 4** | 15 |
| Skraplacz (chłodzony wodą) (Condenser (water-cooled)) | Minimum (Minimalny) | Maximum (Maksymalny) | |
| Temperatura wody wlotowej do skraplacza (Condenser entering water temperature) | °C | 20*** | 42 |
| Temperatura wody wylotowej ze skraplacza (Condenser leaving water temperature) | °C | 25 | 45 |
| Zewnętrzna temperatura otoczenia podczas pracy 30HXC (Outside ambient operating temperature 30HXC) | °C | 6 | 40 |
| Skraplacz (chłodzony powietrzem) (Condenser (air-cooled)) | Minimum (Minimalny) | Maximum (Maksymalny) | |
| Zewnętrzna temperatura otoczenia podczas pracy (Outdoor ambient operating temperature) | °C | 0 | 46 |
| Dostępne ciśnienie statyczne (Available static pressure) | kPa | 0 |
Uwagi (Notes):
* W przypadku zastosowań wymagających pracy w temperaturze poniżej 6,8°C, należy skontaktować się z Carrier s.a. w celu doboru urządzenia za pomocą elektronicznego katalogu Carrier.
** W przypadku zastosowań wymagających pracy w temperaturze poniżej 4°C, urządzenia wymagają stosowania płynu niezamarzającego.
*** Urządzenia chłodzone wodą (30HXC) pracujące przy pełnym obciążeniu i temperaturze wody wlotowej do skraplacza poniżej 20°C wymagają zastosowania regulacji ciśnienia w głowicy za pomocą analogowych zaworów regulacji przepływu wody (patrz paragraf dotyczący regulacji ciśnienia w głowicy).
W tymczasowych trybach pracy (rozruch i przy częściowym obciążeniu) urządzenie może pracować z temperaturą powietrza wlotowego do skraplacza wynoszącą 13°C.
Minimalny przepływ schłodzonej wody jest pokazany w tabeli na następnej stronie. Jeśli przepływ jest mniejszy niż ten, przepływ przez parownik może być recyrkulowany, jak pokazano na schemacie. Temperatura mieszanki opuszczającej parownik nigdy nie może być o więcej niż 2,8 K niższa niż temperatura wody wlotowej.

DLA MINIMALNEGO PRZEPŁYWU SCHŁODZONEJ WODY
Maksymalny przepływ schłodzonej wody jest ograniczony przez maksymalny dopuszczalny spadek ciśnienia w parowniku. Jest on podany w tabeli na następnej stronie. Jeśli przepływ przekracza wartość maksymalną, możliwe są dwa rozwiązania:

DLA MAKSYMALNEGO PRZEPŁYWU SCHŁODZONEJ WODY
Zmienny przepływ przez parownik może być stosowany w standardowych chillerach 30HXC i 30GX. Chillery utrzymują stałą temperaturę wody wylotowej we wszystkich warunkach przepływu. Aby tak się stało, minimalny przepływ musi być wyższy niż minimalny przepływ podany w tabeli dopuszczalnych przepływów i nie może zmieniać się o więcej niż 10% na minutę. Jeśli przepływ zmienia się szybciej, system powinien zawierać minimum 6,5 litra wody na kW zamiast 3,25 l/kW.
Niezależnie od systemu, minimalna pojemność pętli wodnej jest określona wzorem:
Pojemność (Capacity) = Moc (Cap) (kW) x N Litrów
| Zastosowanie (Application) | N |
| Normalna klimatyzacja (Normal air conditioning) | 3.25 |
| Chłodzenie procesowe (Process type cooling) | 6.5 |
Gdzie Cap to nominalna moc chłodnicza systemu (kW) w nominalnych warunkach pracy instalacji.
Ta objętość jest niezbędna do stabilnej pracy i dokładnej kontroli temperatury.
Często konieczne jest dodanie zbiornika buforowego do obwodu, aby osiągnąć wymaganą objętość. Sam zbiornik musi być wewnętrznie przegrodzony, aby zapewnić prawidłowe mieszanie cieczy (wody lub solanki). Zobacz przykłady poniżej.
UWAGA (NOTE): Sprężarka nie może uruchamiać się ponownie częściej niż 6 razy na godzinę.


| 30HXC | Min.* | Max.** | ||
| 080-090 | 5.7 | 22.7 | ||
| 100 | 6.0 | 24.1 | ||
| 110 | 6.9 | 27.5 | ||
| 120-130 | 8.3 | 33.0 | ||
| 140-155 | 10.0 | 39.5 | ||
| 175-190 | 10.7 | 42.7 | ||
| 200 | 13.4 | 53.7 | ||
| 230 | 13.4 | 60.6 | ||
| 260-285 | 17.0 | 68.1 | ||
| 310 | 19.4 | 77.8 | ||
| 345-375 | 21.3 | 85.3 | ||
| 30GX | Min.* | Max.** | ||
| 082 | 5.7 | 22.7 | ||
| 092-102 | 6.0 | 24.1 | ||
| 112-122 | 6.9 | 27.5 | ||
| 132 | 8.4 | 33.7 | ||
| 152-162 | 10.0 | 39.9 | ||
| 182 | 10.7 | 42.7 | ||
| 207-227 | 13.4 | 53.7 | ||
| 247 | 15.1 | 60.6 | ||
| 267 | 17.0 | 68.1 | ||
| 298 | 19.4 | 77.8 | ||
| 328-358 | 21.3 | 85.3 | ||
* W oparciu o prędkość wody 0,9 m/s.
** W oparciu o prędkość wody 3,6 m/s.
| 30HXC | Min.* Obieg zamknięty (Closed loop) | Obieg otwarty (Open loop) | Max.** |
| 080-110 | 2.5 | 7.5 | 29.9 |
| 120-130 | 3.1 | 9.3 | 37.3 |
| 140-155 | 3.8 | 11.4 | 45.5 |
| 175-190 | 4.6 | 13.8 | 55.2 |
| 200 | 5.0 | 14.9 | 59.6 |
| 230-285 | 6.7 | 20.1 | 80.3 |
| 310-375 | 7.3 | 22.0 | 88.0 |
* W oparciu o prędkość wody 0,3 m/s w obiegu zamkniętym i 0,9 m/s w obiegu otwartym.
** W oparciu o prędkość wody 3,6 m/s


Obowiązkowe jest zainstalowanie wyłącznika przepływu chłodnicy, a także podłączenie blokady pompy wody lodowej w urządzeniach 30HXC i 30GX. Niezastosowanie się do tej instrukcji spowoduje unieważnienie gwarancji Carrier.
Kontroler wyłącznika przepływu chłodnicy jest fabrycznie dostarczany i okablowany w urządzeniach 30HXC i 30GX.
Postępuj zgodnie z instrukcjami producenta dotyczącymi instalacji.
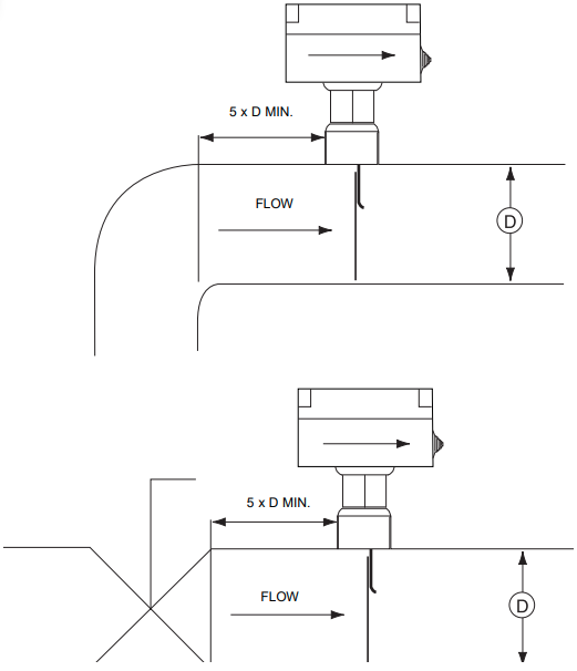
Wyłącznik przepływu może być zamontowany w rurze poziomej lub pionowej z przepływem cieczy do góry. Nie należy go używać, gdy przepływ cieczy jest skierowany w dół.
Zamontuj w odcinku rury, gdzie znajduje się prosty odcinek o długości co najmniej pięciu średnic rury po każdej stronie wyłącznika przepływu. Nie umieszczaj w pobliżu zaworów, kolanek lub kryz. Łopatka nigdy nie może dotykać rury ani żadnych zwężeń w rurze. Wkręć wyłącznik przepływu w pozycji, w której płaska część łopatki znajduje się pod kątem prostym do przepływu. Strzałki na pokrywie i na dole, wewnątrz obudowy, muszą wskazywać kierunek przepływu. Wyłącznik powinien być zamontowany tak, aby zaciski były łatwo dostępne do łatwego okablowania.
Zaciski 34 i 35 są przewidziane do instalacji na miejscu blokady pompy wody lodowej (styk pomocniczy stycznika pompy wody lodowej).
(Przyłącze rurowe: 1" NPT)

Wyłącznik przepływu skraplacza jest urządzeniem instalowanym na miejscu.
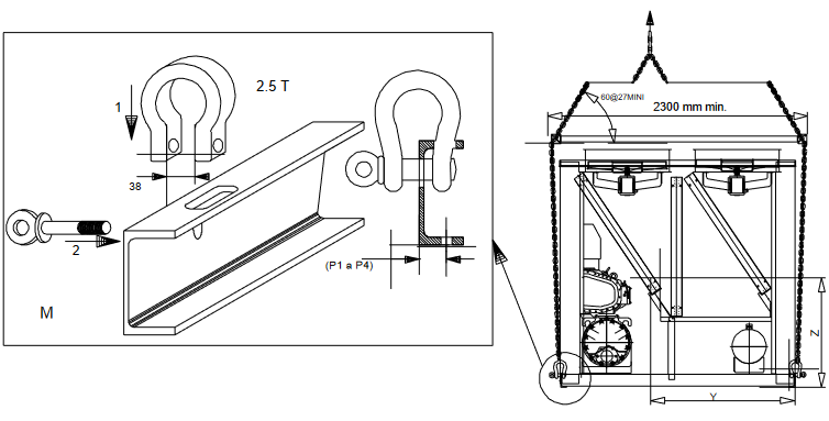
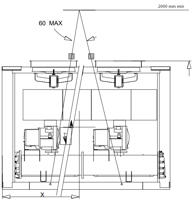
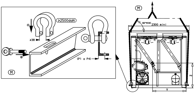
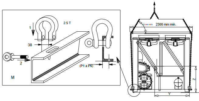
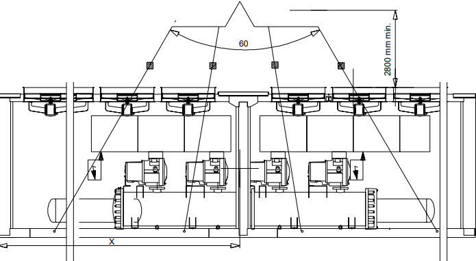
Nie zdejmuj płóz, palet ani opakowań ochronnych, dopóki urządzenie nie znajdzie się w ostatecznej pozycji. Przesuń agregat chłodniczy za pomocą rur lub rolek, albo podnieś go, używając zawiesi o odpowiedniej nośności.
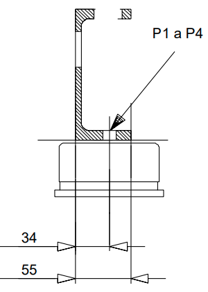
(30HXC)
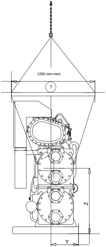
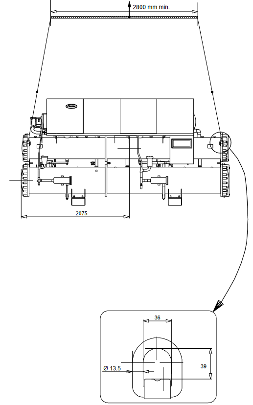
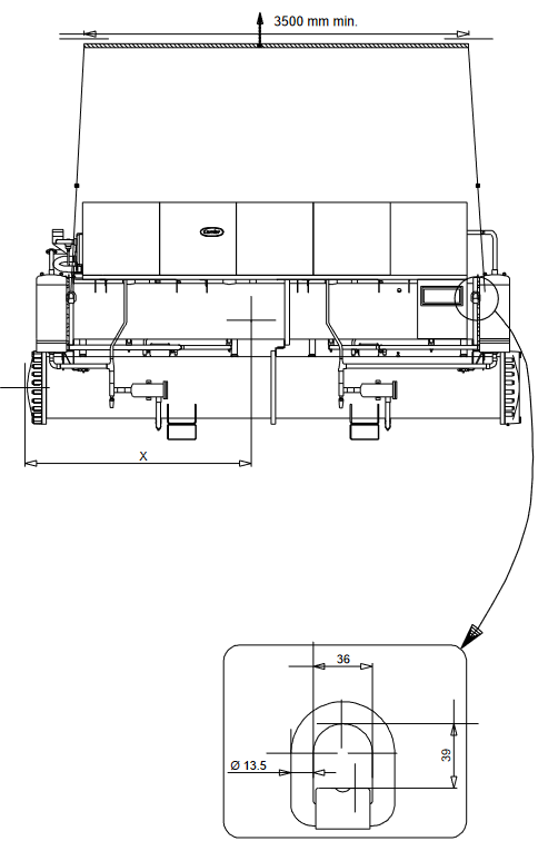
Używaj zawiesi tylko w wyznaczonych punktach podnoszenia, które są oznaczone na urządzeniu, na górze wymiennika ciepła chłodnicy. Podnoszenie z dolnej części wymiennika ciepła spowoduje niebezpieczne podniesienie urządzenia. Może dojść do obrażeń ciała lub uszkodzenia urządzenia. Postępuj zgodnie z instrukcjami dotyczącymi podnoszenia podanymi na certyfikowanym rysunku wymiarowym dołączonym do urządzenia.
Zawsze zapoznaj się z rozdziałem "Wymiary i odstępy", aby upewnić się, że jest wystarczająco dużo miejsca na wszystkie połączenia i czynności serwisowe. Informacje na temat współrzędnych środka ciężkości, położenia otworów montażowych urządzenia i punktów rozkładu ciężaru można znaleźć na certyfikowanym rysunku wymiarowym dołączonym do urządzenia.
Zalecamy instalowanie tych agregatów chłodniczych w piwnicy lub na poziomie gruntu. Jeśli urządzenie ma być zainstalowane powyżej poziomu gruntu, należy najpierw sprawdzić, czy dopuszczalne obciążenie podłogi jest wystarczające oraz czy podłoga jest wystarczająco mocna i pozioma. W razie potrzeby wzmocnij i wyrównaj podłogę.
Po umieszczeniu agregatu chłodniczego w ostatecznym miejscu zdejmij płozy i inne urządzenia używane do jego przemieszczania. Wyrównaj urządzenie za pomocą poziomicy i przymocuj je śrubami do podłogi lub cokołu. Działanie tych urządzeń może być utrudnione, jeśli nie są one wypoziomowane i bezpiecznie przymocowane do swoich mocowań. W razie potrzeby użyj podkładek izolacyjnych pod urządzeniem, aby wspomóc izolację wibracji.
Ten schemat jest przedstawiony wyłącznie w celach informacyjnych. Należy zapoznać się z "certyfikowanymi rysunkami".

| X mm | Y mm | Z mm | |
| 30HXC080 30HXC090 30HXC100 |
1345 | 402 | 903 |
| 30HXC110 | 1368 | 397 | 935 |
| 30HXC120 30HXC130 30HXC140 30HXC155 |
1731 | 392 | 879 |
| 30HXC175 | 1703 | 386 | 947 |
| 30HXC190 | 1705 | 398 | 955 |


UWAGA
Po zakończeniu wszystkich operacji podnoszenia i ustawiania zaleca się poprawienie wszystkich powierzchni, z których została usunięta farba na uchwytach do podnoszenia.
Ten schemat jest przedstawiony wyłącznie w celach informacyjnych. Należy zapoznać się z "certyfikowanymi rysunkami".




| X mm | Y mm | Z mm | |
| 30HXC310 | 2195 | 425 | 1085 |
| 30HXC345 | 2195 | 425 | 1085 |
| 30HXC375 | 2205 | 435 | 1025 |
UWAGA
Po zakończeniu wszystkich operacji podnoszenia i ustawiania zaleca się poprawienie wszystkich powierzchni, z których została usunięta farba na uchwytach do podnoszenia.
Ten schemat jest przedstawiony wyłącznie w celach informacyjnych. Należy zapoznać się z "certyfikowanymi rysunkami".



| X mm | Y mm | Z mm | PTkg | |
| 30GX082 | 1440 | 1460 | 900 | 3115 |
| 30GX092 | 1440 | 1460 | 900 | 3156 |
| 30GX102 | 1440 | 1460 | 900 | 3170 |
| 30GX112 | 1650 | 1460 | 900 | 3574 |
| 30GX122 | 1650 | 1460 | 900 | 3527 |
| 30GX132 | 1650 | 1460 | 900 | 3634 |
| 30GX152 | 2155 | 1430 | 900 | 3938 |
| 30GX162 | 2155 | 1430 | 900 | 3954 |



| X mm | Y mm | Z mm | PTkg | |
| 30GX182 | 3030 | 1370 | 875 | 4853 |
UWAGA
Po zakończeniu wszystkich operacji podnoszenia i ustawiania zaleca się poprawienie wszystkich powierzchni, z których została usunięta farba na uchwycie do podnoszenia.
Ten schemat jest przedstawiony wyłącznie w celach informacyjnych. Należy zapoznać się z "certyfikowanymi rysunkami".



| X mm | Y mm | Z mm | PTkg | |
| 30GX207 | 2870 | 1440 | 890 | 5536 |
| 30GX227 | 2870 | 1440 | 890 | 5572 |
| 30GX247 | 3320 | 1430 | 927 | 6131 |
| 30GX267 | 3300 | 1420 | 886 | 6363 |



| X mm | Y mm | Z mm | PTkg | |
| 30GX298 | 3630 | 1420 | 890 | 7353 |
| 30GX328 | 4360 | 1455 | 920 | 7840 |
| 30GX358 | 4360 | 1445 | 930 | 8045 |
UWAGA
Po zakończeniu wszystkich operacji podnoszenia i ustawiania zaleca się poprawienie wszystkich powierzchni, z których została usunięta farba na uchwytach do podnoszenia.
Rozmiary i położenie wszystkich przyłączy wlotowych i wylotowych wody podano na certyfikowanych rysunkach wymiarowych. Rury wodne nie mogą przenosić żadnej siły promieniowej ani osiowej na wymienniki ciepła ani żadnych wibracji na rurociągi lub budynek.
Należy przeanalizować dopływ wody i wbudować odpowiednie filtry, urządzenia do uzdatniania, sterowania, zawory odcinające i odpowietrzające oraz obwody, w zależności od potrzeb. Należy skonsultować się ze specjalistą od uzdatniania wody lub zapoznać się z odpowiednią literaturą na ten temat.
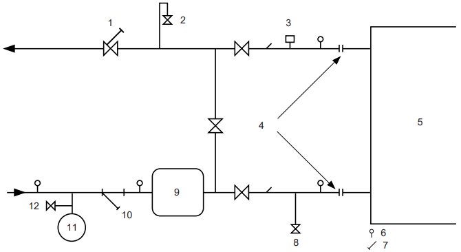
Obieg wody powinien być zaprojektowany tak, aby miał jak najmniejszą liczbę kolanek i poziomych odcinków rur na różnych poziomach. Należy wykonać następujące podstawowe czynności kontrolne (patrz również ilustracja typowego obwodu hydraulicznego poniżej).
Parownik i skraplacz są typu płaszczowo-rurowego z wieloma rurami i zdejmowanymi skrzynkami wodnymi, co ułatwia czyszczenie rur.
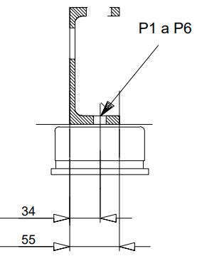
Przed wykonaniem podłączeń wodnych dokręć śruby w obu głowicach do niższego momentu obrotowego pokazanego na rysunku, zgodnie z opisaną metodą. Dokręcaj parami i w kolejności wskazanej w zależności od rozmiaru śruby (patrz tabela), używając wartości momentu obrotowego z dolnego zakresu podanego zakresu.
Zdejmij fabrycznie zamontowany płaski kołnierz ze skrzynki wodnej przed przyspawaniem rur do kołnierza. Niezdejmowanie kołnierza może spowodować uszkodzenie czujników i izolacji.
UWAGA
Zalecamy opróżnienie układu i odłączenie rurociągów, aby upewnić się, że śruby głowic, do których podłączone są rurociągi, są prawidłowo i równomiernie dokręcone.
Ochrona parownika i skraplacza chłodzonego wodą
Jeśli agregat chłodniczy lub rurociąg wodny znajduje się w miejscu, w którym temperatura otoczenia może spaść poniżej 0°C, zaleca się dodanie roztworu przeciw zamarzaniu, aby chronić urządzenie i rurociąg wodny do temperatury 8 K poniżej najniższej temperatury. Należy używać wyłącznie roztworów przeciw zamarzaniu zatwierdzonych do pracy z wymiennikami ciepła. Jeśli system nie jest chroniony roztworem przeciw zamarzaniu i nie będzie używany podczas mrozu, obowiązkowe jest opróżnienie chłodnicy i rurociągów zewnętrznych. Uszkodzenia spowodowane zamarzaniem nie są objęte gwarancją.

Legenda

Legenda
Norma EN 60204-1 jest dobrym sposobem na spełnienie wymagań Dyrektywy Maszynowej § 1.5.1. Normatywna rekomendacja IEC 364 jest ogólnie uznawana za spełniającą wymagania przepisów instalacyjnych.
Załącznik B normy EN 60204-1 może być użyty do opisania charakterystyki elektrycznej, w jakich pracują maszyny.
(1) Norma ochrony wymagana w odniesieniu do tej klasyfikacji to IP21B (zgodnie z dokumentem referencyjnym IEC 529). Wszystkie 30HXC mają normę ochrony IP23C i dlatego spełniają to wymaganie ochrony.
Kompetencje personelu: klasyfikacja BA4(2) (personel wykwalifikowany zgodnie z IEC 364).
(2) Norma ochrony wymagana w odniesieniu do tej klasyfikacji to IP43BW (zgodnie z dokumentem referencyjnym IEC 529). Wszystkie 30GX mają normę ochrony IP45CW i dlatego spełniają to wymaganie ochrony.
UWAGA: Jeśli szczególne aspekty instalacji wymagają charakterystyk innych niż wymienione powyżej (lub charakterystyk, o których tutaj nie wspomniano), skontaktuj się z przedstawicielem firmy Carrier.
Zasilanie musi być zgodne ze specyfikacją na tabliczce znamionowej agregatu chłodniczego. Napięcie zasilania musi mieścić się w zakresie określonym w tabeli danych elektrycznych.
Informacje o podłączeniach znajdują się na schematach elektrycznych.
Praca agregatu chłodniczego z nieprawidłowym napięciem zasilania lub nadmiernym brakiem równowagi faz stanowi nadużycie, które unieważni gwarancję Carrier. Jeśli brak równowagi faz przekracza 2% dla napięcia lub 10% dla prądu, należy natychmiast skontaktować się z lokalnym dostawcą energii elektrycznej i upewnić się, że agregat chłodniczy nie zostanie włączony, dopóki nie zostaną podjęte działania naprawcze.
100 x maks. odchylenie od średniego napięcia
Średnie napięcie
Przykład:
W przypadku zasilania 400 V - 3 ph - 50 Hz zmierzono następujące napięcia poszczególnych faz:
AB = 406 V; BC = 399; AC = 394 V
| Średnie napięcie | = (406 + 399 + 394)/3 = 1199/3 |
| = 399.7 powiedzmy 400 V |
Oblicz maksymalne odchylenie od średniej 400 V:
(AB) = 406 - 400 = 6
(BC) = 400 - 399 = 1
(CA) = 400 - 394 = 6

Maksymalne odchylenie od średniej wynosi 6 V. Największe odchylenie procentowe wynosi:
100 x 6/400 = 1.5 %
Jest to mniej niż dopuszczalne 2% i dlatego jest akceptowalne.
Dobór przekroju przewodu leży po stronie instalatora i zależy od charakterystyki i przepisów obowiązujących w danym miejscu instalacji. Poniższe informacje należy traktować jedynie jako wskazówkę i w żaden sposób nie czynią one firmy Carrier odpowiedzialną. Po doborze przekroju przewodu, korzystając z certyfikowanego rysunku wymiarowego, instalator musi zapewnić łatwe podłączenie i określić wszelkie modyfikacje niezbędne na miejscu.
Złącza standardowo dostarczane dla kabli zasilających doprowadzanych z zewnątrz do głównego wyłącznika/izolatora są przeznaczone dla liczby i rodzaju przewodów wymienionych w poniższej tabeli.
Obliczenia opierają się na maksymalnym prądzie maszyny (patrz tabele danych elektrycznych).
Do projektowania zastosowano następujące znormalizowane metody instalacji, zgodnie z IEC 364, tabela 52C:
Obliczenia opierają się na kablach izolowanych PVC lub XLPE z rdzeniem miedzianym lub aluminiowym. Maksymalna temperatura wynosi 40°C dla jednostek 30HX i 46°C dla jednostek 30GX.
Podana długość przewodu ogranicza spadek napięcia do < 5%.
| Unit (Jednostka) | Min. (mm2) by phase (Min. (mm2) na fazę) | Wire type (Typ przewodu) | L (m) | Max. (mm2) by phase (Max. (mm2) na fazę) | Wire type (Typ przewodu) | L (m) |
| 30HX 080 | 1 x 35 | XLPE Cu | 140 | 1 x 120 | PVC Al | 260 |
| 30HX 090 | 1 x 50 | XLPE Cu | 160 | 1 x 120 | PVC Al | 260 |
| 30HX 100 | 1 x 50 | XLPE Cu | 160 | 1 x 95 | XLPE Al | 195 |
| 30HX 110 | 1 x 70 | XLPE Cu | 170 | 1 x 120 | XLPE Al | 205 |
| 30HX 120/130 | 1 x 70 | XLPE Cu | 170 | 1 x 150 | XLPE Al | 210 |
| 30HX 140 | 1 x 95 | XLPE Cu | 180 | 1 x 185 | XLPE Al | 220 |
| 30HX 155 | 1 x 95 | XLPE Cu | 180 | 1 x 240 | XLPE Al | 225 |
| 30HX 175 | 1 x 120 | XLPE Cu | 185 | 1 x 240 | XLPE Al | 225 |
| 30HX 190 | 1 x150 | XLPE Cu | 190 | 2 x 95 | XLPE Al | 195 |
| 30HX 200 ckt A | 1 x 70 | XLPE Cu | 170 | 2 x120 | PVC Al | 325 |
| 30HX 230 ckt A | 1 x 95 | XLPE Cu | 180 | 2 x 120 | PVC Al | 325 |
| 30HX 260 ckt A | 1 x 120 | XLPE Cu | 185 | 1 x 240 | XLPE Al | 225 |
| 30HX 285 ckt A | 1 x 150 | XLPE Cu | 190 | 2 x 150 | XLPE Al | 265 |
| 30HX 200 ckt B | 1 x 35 | XLPE Cu | 140 | 1 x 95 | PVC Al | 250 |
| 30HX 230 ckt B | 1 x 35 | XLPE Cu | 140 | 1 x 120 | PVC Al | 260 |
| 30HX 260 ckt B | 1 x 35 | XLPE Cu | 140 | 1 x 120 | PVC Al | 260 |
| 30HX 285 ckt B | 1 x 50 | XLPE Cu | 160 | 2 x 70 | PVC Al | 285 |
| 30HX 310 ckt A & B | 1 x 95 | XLPE Cu | 180 | 1 x 240 | XLPE Al | 225 |
| 30HX 345 ckt A & B | 1 x 120 | XLPE Cu | 185 | 1 x 240 | XLPE Al | 225 |
| 30HX 375 ckt A & B | 1 x 150 | XLPE Cu | 190 | 2 x 150 | XLPE Al | 265 |
| 30GX 082 | 1 x 95 | XLPE Cu | 190 | 2 x 185 | PVC Al | 420 |
| 30GX 092 | 1 x 120 | XLPE Cu | 195 | 2 x 185 | PVC Al | 420 |
| 30GX 102 | 1 x 120 | XLPE Cu | 195 | 2 x 240 | PVC Al | 450 |
| 30GX 112 | 1 x 150 | XLPE Cu | 200 | 2 x 150 | XLPE Al | 300 |
| 30GX 122 | 1 x 185 | XLPE Cu | 205 | 2 x 185 | XLPE Al | 315 |
| 30GX 132 | 1 x 185 | XLPE Cu | 205 | 2 x 240 | XLPE Al | 330 |
| 30GX 152 | 1 x 240 | XLPE Cu | 205 | 3x 185 | XLPE CU | 430 |
| 30GX 162 | 2 x 95 | XLPE Cu | 190 | 3x 240 | XLPE CU | 440 |
| 30GX 182 | 2 x 120 | XLPE Cu | 200 | 3x 240 | XLPE CU | 440 |
| 30GX 207 ckt A | 1 x 185 | XLPE Cu | 205 | 3x 185 | XLPE Al | 445 |
| 30GX 227 ckt A | 1 x 240 | XLPE Cu | 205 | 3x 240 | XLPE Al | 470 |
| 30GX 247/298/328 ckt A | 2 x 120 | XLPE Cu | 225 | 3x 185 | XLPE CU | 490 |
| 30HX 267/358 ckt A | 2 x 150 | XLPE Cu | 230 | 3x 240 | XLPE CU | 505 |
| 30GX 207/227/247 ckt B | 1 x 95 | XLPE Cu | 190 | 2 x 240 | PVC Al | 560 |
| 30HX 267 ckt B | 1 x 120 | XLPE Cu | 200 | 2 x 185 | XLPE AL | 395 |
| 30GX 298 ckt B | 1 x 185 | XLPE Cu | 205 | 3x 240 | XLPE AL | 470 |
| 30GX 328 ckt B | 2 x 120 | XLPE Cu | 225 | 3x 185 | XLPE CU | 490 |
| 30GX 358 ckt B | 2 x 150 | XLPE Cu | 230 | 3x 240 | XLPE CU | 505 |
Przed podłączeniem głównych kabli zasilających (L1 - L2 - L3) do listwy zaciskowej, konieczne jest sprawdzenie prawidłowej kolejności 3 faz przed przystąpieniem do podłączenia do listwy zaciskowej lub głównego wyłącznika/izolatora.
Zapoznaj się z Controls IOM i certyfikowanym schematem okablowania dostarczonym z urządzeniem, aby uzyskać informacje na temat okablowania sterowania polowego dla następujących funkcji:
Zalecane przekroje przewodów dla urządzeń z wysokimi temperaturami skraplania (400 V - 3 ph - 50 Hz)
| Urządzenie, opcje 150 + 150A 400 V - 3 ph - 50 Hz | Min. (mm2) na fazę | Typ przewodu | L (m) | Max. (mm2) na fazę | Typ przewodu | L (m) |
| 30HXC 080 OPT. 150 | 1 x 50 | XLPE Cu | 150 | 2 x 70 | PVC Al | 230 |
| 30HXC 090 OPT. 150 | 1 x 70 | XLPE Cu | 160 | 2 x 95 | PVC Al | 260 |
| 30HXC 100 OPT. 150 | 1 x 70 | XLPE Cu | 160 | 2 x 95 | PVC Al | 250 |
| 30HXC 110 OPT. 150 | 1 x 95 | XLPE Cu | 170 | 2 x 120 | PVC Al | 265 |
| 30HXC 120 OPT. 150 | 1 x 120 | XLPE Cu | 180 | 2 x 120 | XLPE Al | 205 |
| 30HXC 130 OPT. 150 | 1 x 120 | XLPE Cu | 160 | 2 x 120 | XLPE Al | 210 |
| 30HXC 140 OPT. 150 | 1 x 150 | XLPE Cu | 175 | 2 x 120 | XLPE Al | 205 |
| 30HXC 155 OPT. 150 | 1 x 185 | XLPE Cu | 185 | 2 x 150 | XLPE Al | 215 |
| 30HXC 175 OPT. 150 | 1 x 240 | XLPE Cu | 185 | 2 x 150 | XLPE Al | 210 |
| 30HXC 190 OPT. 150 | 2 x 95 | XLPE Cu | 175 | 2 x 240 | XLPE Al | 220 |
| 30HXC 200 OPT. 150 circ. A | 1 x 120 | XLPE Cu | 170 | 2 x 150 | XLPE Al | 270 |
| 30HXC 230 OPT. 150 circ. A | 1 x 150 | XLPE Cu | 180 | 2 x 185 | XLPE Al | 270 |
| 30HXC 260 OPT. 150 circ. A | 1 x 185 | XLPE Cu | 180 | 2 x 240 | XLPE Al | 295 |
| 30HXC 285 OPT. 150 circ. A | 1 x 240 | XLPE Cu | 170 | 2 x 185 | XLPE Cu | 265 |
| 30HXC 310 OPT. 150 circ. A | 1 x 185 | XLPE Cu | 180 | 2 x 240 | XLPE Al | 300 |
| 30HXC 345 OPT. 150 circ. A | 1 x 185 | XLPE Cu | 170 | 2 x 240 | XLPE Al | 280 |
| 30HXC 375 OPT. 150 circ. A | 1 x 240 | XLPE Cu | 170 | 2 x 185 | XLPE Cu | 265 |
| 30HXC 200 OPT. 150 circ. B | 1 x 35 | XLPE Cu | 125 | 2 x 95 | PVC Al | 320 |
| 30HXC 230 OPT. 150 circ. B | 1 x 50 | XLPE Cu | 140 | 2 x 95 | PVC Al | 310 |
| 30HXC 260 OPT. 150 circ. B | 1 x 50 | XLPE Cu | 140 | 2 x 95 | PVC Al | 310 |
| 30HXC 285 OPT. 150 circ. B | 1 x 70 | XLPE Cu | 160 | 2 x 120 | PVC Al | 325 |
| 30HXC 310 OPT. 150 circ. B | 1 x 150 | XLPE Cu | 180 | 2 x 185 | XLPE Al | 275 |
| 30HXC 345 OPT. 150 circ. B | 1 x 185 | XLPE Cu | 185 | 2 x 240 | XLPE Al | 305 |
| 30HXC 375 OPT. 150 circ. B | 1 x 185 | XLPE Cu | 160 | 2 x 240 | XLPE Al | 280 |
Filtr oleju
Sprężarka śrubowa 06N ma filtr oleju zintegrowany z obudową sprężarki. Filtr ten można wymienić w terenie.
Czynnik chłodniczy
Sprężarka śrubowa 06N jest specjalnie zaprojektowana do użytku tylko w systemie R134 a.
Środek smarny
Sprężarka śrubowa 06N jest zatwierdzona do użytku z następującym środkiem smarnym:
CARRIER MATERIAL SPEC PP 47-32
Elektrozawór dopływu oleju
Elektrozawór dopływu oleju jest standardem w sprężarce, aby odizolować sprężarkę od przepływu oleju, gdy sprężarka nie pracuje.
Elektrozawór oleju można wymienić w terenie.
Sita ssawne i ekonomizera
Aby zwiększyć niezawodność sprężarki, wloty ssawne i ekonomizera sprężarki zostały standardowo wyposażone w sito.
System odciążania
Sprężarka śrubowa 06N posiada system odciążania, który jest standardem we wszystkich sprężarkach. Ten system odciążania składa się z dwóch stopni odciążania, które zmniejszają wydajność sprężarki poprzez przekierowanie częściowo sprężonego gazu z powrotem do ssania.
Agregaty chłodnicze 30HXC i 30GX wykorzystują zalewany parownik. Woda krąży w rurach, a czynnik chłodniczy znajduje się na zewnątrz w płaszczu. Jeden zbiornik służy do obsługi obu obiegów czynnika chłodniczego. Znajduje się tam środkowa ścianka sitowa, która oddziela dwa obiegi czynnika chłodniczego. Rury mają średnicę 3/4" i są wykonane z miedzi z ulepszoną powierzchnią wewnątrz i na zewnątrz. Jest tylko jeden obieg wody i w zależności od wielkości agregatu chłodniczego mogą być dwa lub trzy przejścia wody. Czujnik poziomu cieczy w chłodnicy zapewnia zoptymalizowaną kontrolę przepływu.
Na górze chłodnicy znajdują się dwie rury ssące, po jednej w każdym obiegu. Każda z nich ma przyspawany kołnierz, a sprężarka jest zamontowana na kołnierzu.
Agregat chłodniczy 30HXC wykorzystuje zbiornik, który jest kombinacją skraplacza i separatora oleju. Jest on zamontowany poniżej chłodnicy. Gaz wylotowy opuszcza sprężarkę i przepływa przez zewnętrzny tłumik do separatora oleju, który jest górną częścią zbiornika. Wchodzi do górnej części separatora, gdzie olej jest usuwany, a następnie przepływa do dolnej części zbiornika, gdzie gaz jest skraplany i przechładzany. Jeden zbiornik służy do obsługi obu obiegów czynnika chłodniczego. Znajduje się tam środkowa ścianka sitowa, która oddziela dwa obiegi czynnika chłodniczego. Rury mają średnicę 3/4" lub 1" i są wykonane z miedzi z ulepszoną powierzchnią wewnątrz i na zewnątrz. Jest tylko jeden obieg wody z dwoma przejściami wody.
W jednostkach chłodzonych powietrzem separator oleju jest zbiornikiem ciśnieniowym, który jest zamontowany pod zewnętrznymi pionowymi wężownicami skraplacza. Gaz wylotowy wchodzi do górnej części separatora, gdzie większość oleju oddziela się i spływa na dno. Następnie gaz przepływa przez sito z siatki drucianej, gdzie pozostały olej jest oddzielany i spływa na dno.
Mikroprocesor steruje EXD za pomocą modułu sterującego EXV. EXD będzie albo EXV, albo ekonomizerem. Wewnątrz obu tych urządzeń znajduje się liniowy silnik krokowy siłownika. Ciecz chłodnicza pod wysokim ciśnieniem wpływa do zaworu od dołu. Wewnątrz zespołu kryzy znajduje się szereg kalibrowanych szczelin. Gdy czynnik chłodniczy przechodzi przez kryzę, ciśnienie spada, a czynnik chłodniczy zmienia się w stan dwufazowy (ciecz i para). Aby kontrolować przepływ czynnika chłodniczego dla różnych warunków pracy, tuleja porusza się w górę i w dół nad kryzą, zmieniając w ten sposób efektywny obszar przepływu urządzenia rozprężnego. Tuleja jest poruszana przez liniowy silnik krokowy. Silnik krokowy porusza się skokowo i jest sterowany bezpośrednio przez moduł procesora. Gdy silnik krokowy obraca się, ruch jest przenoszony na ruch liniowy przez śrubę pociągową. Dzięki silnikowi krokowemu i śrubom pociągowym uzyskuje się 1500 dyskretnych kroków ruchu. Duża liczba kroków i długi skok skutkują bardzo dokładną kontrolą przepływu czynnika chłodniczego. Każdy obieg ma czujnik poziomu cieczy zamontowany pionowo w górnej części płaszcza chłodnicy. Czujnik poziomu składa się z małej elektrycznej grzałki oporowej i trzech termistorów połączonych szeregowo, umieszczonych na różnych wysokościach wewnątrz korpusu studzienki. Grzałka jest zaprojektowana tak, aby termistory wskazywały około 93,3°C w suchym powietrzu. Gdy poziom czynnika chłodniczego wzrasta w chłodnicy, rezystancja najbliższego termistora (termistorów) znacznie się zmienia. Ta duża różnica rezystancji pozwala sterownikowi dokładnie utrzymać określony poziom. Czujnik poziomu monitoruje poziom cieczy chłodniczej w chłodnicy i przesyła te informacje do PSIO-1. Przy początkowym uruchomieniu pozycja EXV wynosi zero. Następnie mikroprocesor dokładnie śledzi pozycję zaworu, aby wykorzystać te informacje jako dane wejściowe dla innych funkcji sterowania. Robi to, inicjując EXV przy uruchomieniu. Procesor wysyła do zaworu wystarczającą liczbę impulsów zamykających, aby przesunąć go z pozycji całkowicie otwartej do całkowicie zamkniętej, a następnie resetuje licznik pozycji do zera. Od tego momentu, aż do inicjalizacji, procesor zlicza całkowitą liczbę kroków otwierania i zamykania, które wysłał do każdego zaworu.
Ekonomizery są instalowane w 30HXC 190, 285 i 375 oraz 30GX 182, 267 i 358.
Ekonomizer poprawia zarówno wydajność, jak i sprawność agregatu chłodniczego, a także zapewnia chłodzenie silnika sprężarki. Wewnątrz ekonomizera znajduje się zarówno liniowy silnik krokowy EXV, jak i zawór pływakowy. EXV jest sterowany przez PIC w celu utrzymania żądanego poziomu cieczy w chłodnicy (jak to się robi w przypadku agregatów chłodniczych bez ekonomizera). Zawór pływakowy utrzymuje poziom cieczy w dolnej części ekonomizera. Ciecz chłodnicza jest doprowadzana ze skraplacza do dolnej części ekonomizera. Gdy czynnik chłodniczy przechodzi przez EXV, jego ciśnienie jest redukowane do poziomu pośredniego około 500 kPa. Ciśnienie to jest utrzymywane wewnątrz płaszcza ekonomizera. Następnie czynnik chłodniczy przepływa przez zawór pływakowy, jego ciśnienie jest dalej redukowane do wartości nieco powyżej ciśnienia w chłodnicy. Wzrost wydajności jest realizowany, gdy część czynnika chłodniczego przechodzącego przez EXV odparowuje, dodatkowo przechładzając ciecz utrzymywaną na dnie ekonomizera. Ten wzrost przechłodzenia zapewnia dodatkową wydajność. Ponieważ do osiągnięcia tego celu nie jest wymagana dodatkowa moc, sprawność maszyny również się poprawia. Para, która odparowuje, unosi się do ekonomizera, gdzie przechodzi do sprężarki i jest wykorzystywana w razie potrzeby do chłodzenia silnika. Po przejściu przez uzwojenia silnika czynnik chłodniczy ponownie wchodzi do obiegu w porcie pośrednim w cyklu sprężania.
Agregaty chłodnicze śrubowe 30GX/HXC wykorzystują jedną, montowaną na zewnątrz pompę oleju do wstępnego smarowania na obieg. Pompa ta jest uruchamiana w ramach sekwencji rozruchowej.
UWAGA:
Temperatura robocza wężownicy może osiągnąć 80°C. W pewnych warunkach tymczasowych (szczególnie podczas uruchamiania w niskiej temperaturze zewnętrznej lub niskiej temperaturze pętli skraplacza) pompa oleju może zostać ponownie aktywowana.
W jednostkach 30GX pompy są zamontowane na szynach podstawy po stronie separatora oleju jednostki. Pompy są zamontowane na wsporniku na skraplaczach jednostek 30HXC. Gdy obieg ma zostać uruchomiony, sterowniki najpierw włączą pompę oleju, aby sprężarka uruchomiła się z prawidłowym smarowaniem. Jeśli pompa wytworzyła wystarczające ciśnienie oleju, sprężarka będzie mogła się uruchomić. Po uruchomieniu sprężarki pompa oleju zostanie wyłączona. Jeśli pompa nie była w stanie wytworzyć wystarczającego ciśnienia oleju, sterownik wygeneruje alarm.
Temperatury uzwojeń silnika sprężarki są kontrolowane do optymalnego punktu nastawy. Sterownik osiąga to poprzez cykliczne włączanie i wyłączanie elektrozaworu chłodzenia silnika, aby umożliwić przepływ cieczy chłodniczej przez uzwojenia silnika w razie potrzeby. W jednostkach wyposażonych w ekonomizery gaz odparowany opuszcza górną część ekonomizera i stale przepływa do uzwojeń silnika. Cały czynnik chłodniczy używany do chłodzenia silnika ponownie wchodzi do wirników przez port umieszczony w połowie cyklu sprężania i jest sprężany do ciśnienia wylotowego.
Jednostki wykorzystują termistory (w tym dwa termistory temperatury silnika) i dwa termistory poziomu oraz przetworniki ciśnienia do monitorowania i sterowania pracą systemu.
Płyn opuszczający parownik
Ta temperatura jest używana do pomiaru temperatury płynu opuszczającego parownik (woda lub solanka). Temperatura jest używana do kontroli temperatury płynu opuszczającego i do ochrony przed zamarznięciem chłodnicy. Znajduje się w dyszy płynu parownika.
Płyn wchodzący do parownika
Ten czujnik jest używany do pomiaru temperatury płynu wchodzącego do parownika. Znajduje się w dyszy wlotowej parownika. Jest używany do zapewnienia automatycznej kompensacji temperatury dla kontroli temperatury płynu opuszczającego z kompensacją płynu wchodzącego.
Temperatura gazu wylotowego (obiegi A i B)
Ten czujnik służy do pomiaru temperatury gazu wylotowego i kontroli przegrzania temperatury wylotowej. Znajduje się na rurze wylotowej każdego obiegu (30HXC) lub na górze separatora oleju (30GX).
UWAGA: Nie ma tulei termostatu.
Temperatura silnika
Moduł ochrony sprężarki (Compressor Protection Module - CPM) monitoruje temperaturę silnika. Zaciski termistorów znajdują się w skrzynce przyłączeniowej sprężarki.
Poziom cieczy w parowniku (obiegi A i B)
Termistor poziomu cieczy w parowniku służy do zapewnienia zoptymalizowanej kontroli przepływu w parowniku. Jest zainstalowany w górnej części parownika.
Płyn wchodzący do skraplacza (30HXC)
Ten czujnik służy do pomiaru temperatury płynu wchodzącego do skraplaczy chłodzonych wodą. Znajduje się we wspólnym przewodzie płynu wchodzącym do skraplaczy (instalowany w terenie). W maszynach grzewczych jest używany przez procedurę kontroli wydajności. W skraplaczach chłodzonych wodą jest używany tylko do monitorowania temperatury płynu skraplacza.
Płyn opuszczający skraplacz (opcjonalnie w 30HXC)
Ten czujnik służy do pomiaru temperatury płynu opuszczającego skraplacze chłodzone wodą. Znajduje się we wspólnym przewodzie płynu opuszczającym skraplacze (instalowany w terenie). W maszynach grzewczych jest używany przez procedurę kontroli wydajności. W skraplaczach chłodzonych wodą jest używany tylko do monitorowania temperatury płynu skraplacza.

GX082/102

GX112/132

GX152/162

GX182

GX207/227

GX247/267

GX298

GX328/358
Urządzenia te są przeznaczone do użytku wyłącznie z czynnikiem R-134a.
NIE UŻYWAĆ ŻADNEGO INNEGO czynnika chłodniczego w tych urządzeniach.
Podczas dodawania lub usuwania czynnika, należy przez cały czas przepuszczać wodę przez skraplacz (HX) i chłodnicę, aby zapobiec zamarzaniu. Uszkodzenia spowodowane zamarzaniem są traktowane jako niewłaściwe użytkowanie i mogą spowodować unieważnienie gwarancji Carrier.
NIE PRZEŁADOWYWAĆ układu. Przeładowanie powoduje wyższe ciśnienie tłoczenia, większe zużycie płynu chłodzącego, możliwe uszkodzenie sprężarki i większe zużycie energii.
UWAGA
Aby sprawdzić niski poziom czynnika chłodniczego w 30HXC, należy wziąć pod uwagę kilka czynników. Migający wziernik cieczy niekoniecznie wskazuje na niedostateczny poziom czynnika. Istnieje wiele stanów układu, w których migający wziernik występuje podczas normalnej pracy. Urządzenie dozujące 30HXC jest zaprojektowane do prawidłowej pracy w tych warunkach.
UWAGA
Migający wziernik cieczy w warunkach pracy innych niż wymienione powyżej niekoniecznie wskazuje na niski poziom czynnika chłodniczego.
Temperatury te służą do pomiaru temperatury w pomieszczeniu lub temperatury powietrza zewnętrznego odpowiednio do sterowania resetowaniem w oparciu o opcje resetowania temperatury powietrza zewnętrznego lub temperatury w pomieszczeniu.
Ciśnienie tłoczenia (obwody A i B)
To wejście służy do pomiaru ciśnienia po stronie wysokiego ciśnienia każdego obwodu urządzenia.
Służy do dostarczania ciśnienia w celu zastąpienia manometru ciśnienia tłoczenia i do sterowania ciśnieniem w głowicy.
Ciśnienie ssania (obwody A i B)
To wejście służy do pomiaru ciśnienia po stronie niskiego ciśnienia urządzenia. Służy do dostarczania ciśnienia w celu zastąpienia manometru ciśnienia ssania.
Ciśnienie oleju (każda sprężarka)
To wejście służy do pomiaru ciśnienia oleju każdej sprężarki urządzenia. Znajduje się na porcie ciśnienia oleju każdej sprężarki.
Ciśnienie ekonomizera (obwody A i B)
To wejście służy do monitorowania różnicy ciśnień oleju doprowadzanego do sprężarki.
NIE dodawaj oleju w żadnym innym miejscu, ponieważ może to spowodować nieprawidłowe działanie urządzenia.
Podczas przenoszenia czynnika chłodniczego do jednostki magazynującej, olej może być przenoszony, gdy urządzenie nie pracuje. Najpierw ponownie użyj całej ilości przeniesionego czynnika chłodniczego. Po spuszczeniu oleju, naładuj tylko spuszczoną ilość (nadmierny ładunek oleju może pogorszyć prawidłowe działanie urządzenia).
Zintegrowany filtr oleju w sprężarce śrubowej 06N jest zaprojektowany w celu zapewnienia wysokiego poziomu filtracji (3 µ), wymaganego dla długiej żywotności łożysk. Ponieważ czystość układu ma kluczowe znaczenie dla niezawodnego działania układu, w przewodzie olejowym na wylocie separatora oleju znajduje się również filtr wstępny (7 µ).
Numer części zamiennego wkładu zintegrowanego filtra oleju to:
Numer części Carrier (w tym filtr i O-ring): 06NA 660016S
Filtr należy sprawdzić po pierwszych 500 godzinach pracy, a następnie co 2000 godzin. Filtr należy wymienić w dowolnym momencie, gdy różnica ciśnień na filtrze przekroczy 2,1 bara.
Spadek ciśnienia na filtrze można określić, mierząc ciśnienie na porcie serwisowym filtra i porcie ciśnienia oleju. Różnica między tymi dwoma ciśnieniami będzie spadkiem ciśnienia na filtrze, zaworze zwrotnym i zaworze elektromagnetycznym. Spadek ciśnienia na zaworze zwrotnym i zaworze elektromagnetycznym wynosi około 0,4 bara, który należy odjąć od dwóch pomiarów ciśnienia oleju, aby uzyskać spadek ciśnienia na filtrze oleju. Spadek ciśnienia na filtrze oleju należy sprawdzić po każdym wyłączeniu sprężarki z powodu bezpieczeństwa niskiego ciśnienia oleju.
Prawidłowy obrót sprężarki jest jednym z najważniejszych aspektów aplikacji. Odwrotny obrót, nawet przez bardzo krótki czas, uszkadza sprężarkę.
Schemat ochrony przed odwrotnym obrotem musi być w stanie określić kierunek obrotu i zatrzymać sprężarkę w ciągu 300 milisekund. Odwrotny obrót najprawdopodobniej wystąpi, gdy przewody do zacisków sprężarki zostaną naruszone.
Aby zminimalizować możliwość odwrotnego obrotu, należy zastosować następującą procedurę. Podłącz ponownie kable zasilające do kołka zaciskowego sprężarki tak, jak były pierwotnie podłączone.
W przypadku wymiany sprężarki do sprężarki dołączony jest wyłącznik niskiego ciśnienia. Ten wyłącznik niskiego ciśnienia powinien być tymczasowo zainstalowany jako twarde zabezpieczenie na części wysokiego ciśnienia sprężarki. Celem tego wyłącznika jest ochrona sprężarki przed błędami w okablowaniu na kołku zaciskowym sprężarki. Styk elektryczny wyłącznika byłby połączony szeregowo z wyłącznikiem wysokiego ciśnienia. Wyłącznik pozostanie na miejscu, dopóki sprężarka nie zostanie uruchomiona i kierunek obrotu nie zostanie zweryfikowany; w tym momencie wyłącznik zostanie usunięty.
Wyłącznik, który został wybrany do wykrywania odwrotnego obrotu, to numer części Carrier HK01CB001. Jest on dostępny jako część "Zestawu instalacyjnego sprężarki" (nr części 06NA 660 013). Ten wyłącznik otwiera styki, gdy ciśnienie spadnie poniżej 50 mm Hg próżni. Wyłącznik jest typu z ręcznym resetem, który można zresetować po ponownym wzroście ciśnienia powyżej 70 kPa. Kluczowe jest, aby wyłącznik był typu z ręcznym resetem, aby zapobiec krótkotrwałemu cyklicznemu działaniu sprężarki w kierunku przeciwnym.
Wykonaj poniższe kroki, aby zdiagnozować i naprawić problemy z EXD/ekonomizerem.
W urządzeniach 30HXC/GX z ekonomizerami sprawdź, czy zawór rurki pęcherzykowej (na dole ekonomizera) jest otwarty. Najpierw sprawdź działanie silnika EXD (patrz procedura w Controls IOM). Powinieneś być w stanie wyczuć ruch siłownika, kładąc rękę na korpusie EXD lub ekonomizera (siłownik znajduje się mniej więcej w połowie do dwóch trzecich wysokości od dołu obudowy ekonomizera). Powinieneś poczuć mocne uderzenie dochodzące z siłownika, gdy osiągnie on górną granicę swojego skoku (można to usłyszeć, jeśli otoczenie jest stosunkowo ciche). Siłownik powinien uderzyć, gdy osiągnie dolną granicę swojego skoku. Jeśli uważa się, że zawór nie działa prawidłowo, skontaktuj się z działem serwisowym Carrier w celu dalszych kontroli:


Zatwierdzenie systemu zarządzania środowiskowego
Nr zamówienia: 13173-76, 03 1999 - Zastępuje nr: 13173-76, marzec 1998
Producent zastrzega sobie prawo do zmiany specyfikacji produktu bez powiadomienia.
Producent: Carrier s.a., Montluel, Francja.
Wydrukowano w Holandii na papierze bezchlorowym.
