Allen-Bradley PowerFlex 525 - Ayarlanabilir Frekanslı AC Sürücü Kılavuzu

Montaj Hususları
- Sürücüyü düz, dikey ve seviye bir yüzeye dik olarak monte edin.
Çerçeve Vida Boyutu Vida Torku A M5 (#10...24) 1,56...1,96 N•m (14...17 lb•in) B M5 (#10...24) 1,56...1,96 N•m (14...17 lb•in) C M5 (#10...24) 1,56...1,96 N•m (14...17 lb•in) D M5 (#10...24) 2,45...2,94 N•m (22...26 lb•in) E M8 (5/16 inç) 6,0...7,4 N•m (53...65 lb•in) - Toz veya metalik parçacıkları önleyerek soğutma fanını koruyun.
- Korozif bir ortama maruz bırakmayın.
- Nemden ve doğrudan güneş ışığından koruyun.
Minimum Montaj Boşlukları
Dikey montaj gösterilmiştir. Yatay olarak monte ediliyorsa, uygun hava akışı sağlamak için muhafazanın üstünden ve altından 50 mm (2,0 inç) boşluk ekleyin.

- Yalnızca Fan Kiti ile Çerçeve E için 95 mm (3,7 inç) boşluk gereklidir.
- Yalnızca Fan Kiti ile Çerçeve E için 12 mm (0,5 inç) boşluk gereklidir.
Ortam Çalışma Sıcaklıkları
| Montaj | Muhafaza Derecesi(1) | Ortam Sıcaklığı | |||
| Min. | Maks. (Düşürmesiz) | Maks. (Düşürme)(2) | Fan Kiti ile Maks. (Düşürme)(3)(5) | ||
| Dikey | IP 20/Açık Tip | -20°C (-4°F) | 50°C (122°F) | 60°C (140°F) | 70°C (158°F) |
| IP 30/NEMA 1/UL Tip 1 | 45°C (113°F) | 55°C (131°F) | – | ||
| Dikey, Sıfır İstifleme | IP 20/Açık Tip | 45°C (113°F) | 55°C (131°F) | 65°C (149°F) | |
| IP 30/NEMA 1/UL Tip 1 | 40°C (104°F) | 50°C (122°F) | – | ||
| Yatay, Kontrol Modülü Fan Kiti ile(4)(5) | IP 20/Açık Tip | 50°C (122°F) | – | 70°C (158°F) | |
| Yatay, Kontrol Modülü Fan Kiti ile Sıfır İstifleme(4)(5) | IP 20/Açık Tip | 45°C (113°F) | – | 65°C (149°F) | |
- IP 30/NEMA 1/UL Tip 1 derecesi, PowerFlex 520 Serisi IP 30/NEMA 1/UL Tip 1 opsiyon kitinin, 25-JBAx katalog numarasının takılmasını gerektirir.
- 25B-D1P4N104 ve 25B-E0P9N104 katalogları için, Maks. (Düşürme) sütunu altında listelenen sıcaklık, tüm montaj yöntemleri için 5°C (9°F) azaltılır.
- 25B-D1P4N104 ve 25B-E0P9N104 katalogları için, Fan Kiti ile Maks. (Düşürme) sütunu altında listelenen sıcaklık, yalnızca dikey ve dikey sıfır istifleme montaj yöntemleri için 10°C (18°F) azaltılır.
- 25B-D1P4N104 ve 25B-E0P9N104 katalogları, yatay montaj yöntemlerinden herhangi biri kullanılarak monte edilemez.
- PowerFlex 520 Serisi Kontrol Modülü Fan Kitinin, 25-FANx-70C katalog numarasının takılmasını gerektirir.
Sürücü Boyutları
PowerFlex 525 Çerçeveleri
Değerler kW ve (HP) cinsindendir.
| Çerçeve | 1 Fazlı 100...120V | 1 Fazlı 200...240V | 1 Fazlı 200...240V Filtreli | 3 Fazlı 200...240V | 3 Fazlı 380...480V | 3 Fazlı 380...480V Filtreli | 3 Fazlı 525...600V |
| A | 0,4 (0,5) | 0,4...0,75 (0,5...1,0) | 0,4...0,75 (0,5...1,0) | 0,4...2,2 (0,5...3,0) | 0,4...2,2 (0,5...3,0) | 0,4...2,2 (0,5...3,0) | 0,4...2,2 (0,5...3,0) |
| B | 0,75...1,1 (1,0...1,5) | 1,5...2,2 (2,0...3,0) | 1,5...2,2 (2,0...3,0) | 3,7 (5,0) | 4,0 (5,0) | 4,0 (5,0) | 3,70 (5,00) |
| C | – | – | – | 5,5 (7,5) | 5,5...7,5 (7,5...10,0) | 5,5...7,5 (7,5...10,0) | 5,5...7,5 (7,5...10,0) |
| D | – | – | – | 7,5 (10,0) | 11,0...15,0 (15,0...20,0) | 11,0...15,0 (15,0...20,0) | 11,0...15,0 (15,0...20,0) |
| E | – | – | – | 11,0...15,0 (15,0...20,0) | – | 18,5...22,0 (25,0...30,0) | 18,5...22,0 (25,0...30,0) |
IP20/Açık Tip
Boyutlar mm ve (inç) cinsindendir. Ağırlıklar kg ve (lb) cinsindendir.

| Çerçeve | A | B | C | D | E | Nakliye Ağırlığı |
| A | 72 (2,83) | 152 (5,98) | 172 (6,77) | 57,5 (2,26) | 140 (5,51) | 1,1 (2,4) |
| B | 87 (3,43) | 180 (7,09) | 172 (6,77) | 72,5 (2,85) | 168 (6,61) | 1,6 (3,5) |
| C | 109 (4,29) | 220 (8,66) | 184 (7,24) | 90,5 (3,56) | 207 (8,15) | 2,3 (5,0) |
| D | 130 (5,12) | 260 (10,24) | 212 (8,35) | 116 (4,57) | 247 (9,72) | 3,9 (8,6) |
| E | 185 (7,28) | 300 (11,81) | 279 (10,98) | 160 (6,30) | 280 (11,02) | 12,9 (28,4) |
EMC Filtreleri
EMC Direktifi'ne uyma talimatları için PowerFlex 525 Kullanıcı Kılavuzuna bakın.
Boyutlar mm ve (inç) cinsindendir.

| Çerçeve | A | B | C | D | E | F | G | H | I |
| A | 55,0 (2,17) | 72,0 (2,83) | 234,0 (9,21) | 30,0 (1,18) | 223,0 (8,78) | 54,0 (2,13) | 20,0 (0,79) | 23,0 (0,91) | 5,5 (0,22) |
| B | 70,0 (2,76) | 87,0 (3,43) | 270,0 (10,63) | 35,0 (1,38) | 258,0 (10,16) | 58,0 (2,28) | 25,0 (0,98) | 24,0 (0,94) | 5,5 (0,22) |
| C | 70,0 (2,76) | 109,0 (4,29) | 275,0 (10,83) | 37,0 (1,46) | 263,0 (10,35) | 76,0 (2,99) | 25,0 (0,98) | 28,0 (1,10) | 5,5 (0,22) |
| D | 80,0 (3,15) | 130,0 (5,12) | 310,0 (12,20) | 33,0 (1,30) | 298,0 (11,73) | 90,0 (3,54) | 33,0 (1,30) | 28,0 (1,10) | 5,5 (0,22) |
| E | 80,0 (3,15) | 155,0 (6,10) | 390,0 (15,35) | 32,0 (1,26) | 375,0 (14,76) | 110,0 (4,33) | 33,0 (1,30) | 28,0 (1,10) | 5,5 (0,22) |
Sigortalar ve Devre Kesiciler

Bu sürücü için normal ve ağır hizmet dereceleri mevcuttur.- Sürücü, daha düşük amper değerlerine sahip motorları kontrol ederken, sürücü giriş akımı değeri için sürücü etiketine bakın.
- Bülten 140M Motor Koruma Devre Kesicilerinin AIC değerleri değişebilir. Bülten 140M Motor Koruma Devre Kesicileri Uygulama Değerlerine bakın.
- Ayarlanabilir akım aralığına sahip Bülten 140M, cihazın açılmayacağı minimum aralığa ayarlanmalıdır.
- Manuel Kendinden Korumalı (Tip E) Kombinasyon Motor Kontrol Cihazı, 208 Wye veya Delta, 240 Wye veya Delta, 480Y/277 veya 600Y/347 için UL listelidir. 480V veya 600V Delta/Delta, köşe topraklaması veya yüksek dirençli topraklama sistemlerinde kullanım için UL listesinde yer almamaktadır.
Güç Kablolaması
Önerilen Korumalı Kablo
| Konum | Değerlendirme/Tip |
| Standart (Seçenek 1) | 600V, 90°C (194°F) XHHW2/RHW-2 Anixter B209500-B209507, Belden 29501-29507 veya eşdeğeri |
| Standart (Seçenek 2) | Tava sınıfı 600V, 90°C (194°F) RHH/RHW-2 Anixter OLF-7xxxxx veya eşdeğeri |
| Sınıf I ve II; Bölüm I ve II | Tava sınıfı 600V, 90°C (194°F) RHH/RHW-2 Anixter 7V-7xxxx-3G veya eşdeğeri |
Güç Terminal Bloğu

| Terminal | Açıklama |
| L1/R, L2/S, L3/T | Giriş Hattı Gerilimi Bağlantısı |
| T1/U, T2/V, T3/W | Motor Fazı Bağlantısı = İleri yönü değiştirmek için herhangi iki motor kablosunu değiştirin.![]() |
| DC+, DC- | DC Veriyolu Bağlantısı |
| BR+, BR- | Dinamik Fren Direnci Bağlantısı |
![]() | Güvenlik Topraklaması – PE |
Terminal vidaları nakliye sırasında gevşeyebilir. Sürücüye güç uygulamadan önce tüm terminal vidalarının önerilen torkta sıkıldığından emin olun.
Güç Terminal Bloğu Özellikleri
| Çerçeve | Maksimum Kablo Boyutu(1) | Minimum Kablo Boyutu(1) | Tork |
| A | 5,3 mm2 (10 AWG) | 0,8 mm2 (18 AWG) | 1,76...2,16 Nm (15,6...19,1 lb-in.) |
| B | 8,4 mm2 (8 AWG) | 2,1 mm2 (14 AWG) | 1,76...2,16 Nm (15,6...19,1 lb-in.) |
| C | 8,4 mm2 (8 AWG) | 2,1 mm2 (14 AWG) | 1,76...2,16 Nm (15,6...19,1 lb-in.) |
| D | 13,3 mm2 (6 AWG) | 5,3 mm2 (10 AWG) | 1,76...2,16 Nm (15,6...19,1 lb-in.) |
| E | 26,7 mm2 (3 AWG) | 8,4 mm2 (8 AWG) | 3,09...3,77 Nm (27,3...33,4 lb-in.) |
- Terminal bloğunun kabul edeceği maksimum/minimum boyutlar – bunlar öneriler değildir.
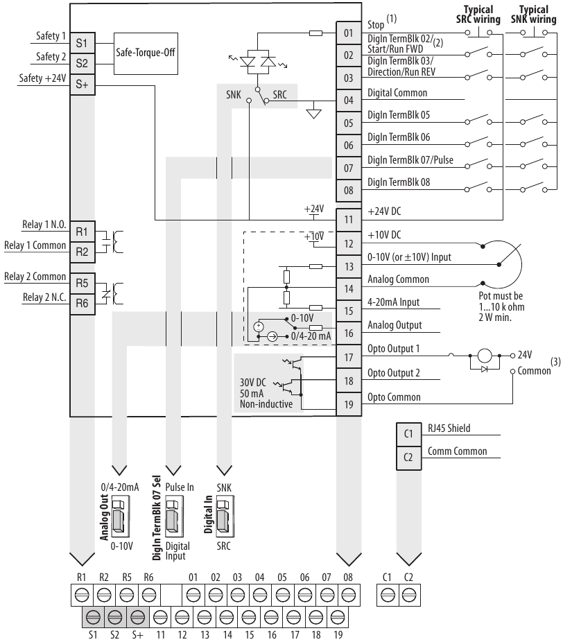
Kontrol Terminal Bloğu
Kontrol G/Ç Kablolama Blok Şeması

G/Ç Terminali 01 her zaman bir durdurma girişidir. Durdurma modu, sürücü ayarı tarafından belirlenir. Sürücü, G/Ç Terminalleri 01 ve 11 arasına takılı bir jumper ile birlikte gönderilir. G/Ç Terminali 01'i bir durdurma veya etkinleştirme girişi olarak kullanırken bu jumper'ı çıkarın.- İki kablolu kontrol gösterilmiştir. Üç kablolu kontrol için bir anlık giriş
komutunu bir başlatma komutu vermek için G/Ç Terminali 02'de kullanın. Yönü değiştirmek için G/Ç Terminali 03 için korunan bir giriş
kullanın. - Bir röle gibi endüktif bir yükle bir opto çıkış kullanırken, çıkışa zarar gelmesini önlemek için, gösterildiği gibi röleye paralel olarak bir kurtarma diyotu takın.
Genel Topraklama Gereksinimleri

Sürücü topraklanmamış (IT şebekesi) veya dirençli topraklanmış bir dağıtım sistemine takılıysa, toprağa giden MOV jumper'ı çıkarılmalıdır. Jumper çıkarıldıktan sonra vidayı sıkın.
Sürücü Başlatmaya Hazırlık
DİKKAT: Aşağıdaki başlatma prosedürlerini gerçekleştirmek için sürücüye güç verilmelidir. Mevcut voltajların bazıları gelen hat potansiyelindedir. Elektrik çarpması tehlikesini veya ekipman hasarını önlemek için, yalnızca kalifiye servis personeli aşağıdaki prosedürü uygulamalıdır. Başlamadan önce prosedürü iyice okuyun ve anlayın. Bu prosedürü uygularken bir olay meydana gelmezse, Devam Etmeyin. Kullanıcı tarafından sağlanan kontrol voltajları dahil Tüm Gücü Kesin. Ana AC gücü sürücüye uygulanmadığında bile kullanıcı tarafından sağlanan voltajlar mevcut olabilir. Devam etmeden önce arızayı giderin.
QuickView Teknolojisine Sahip LCD Ekran
QuickView® teknolojisi, metnin PowerFlex 520 serisi sürücünün LCD ekranında kaydırılmasını sağlar. Bu, ayrı bir cihaz kullanmadan parametreleri kolayca yapılandırmanıza, hataları gidermenize ve tanılama öğelerini görüntülemenize olanak tanır.

| Menü | Parametre Grubu ve Açıklama |
![]() | Temel Ekran Yaygın olarak görüntülenen sürücü çalışma koşulları. |
![]() | Temel Program Yaygın olarak kullanılan programlanabilir fonksiyonlar. |
![]() | Terminal Blokları Programlanabilir terminal fonksiyonları. |
![]() | İletişim Programlanabilir iletişim fonksiyonları. |
![]() | Mantık Programlanabilir mantık fonksiyonları. |
![]() | Gelişmiş Ekran Gelişmiş sürücü çalışma koşulları. |
![]() | Gelişmiş Program Kalan programlanabilir fonksiyonlar. |
![]() | Hata ve Tanılama Belirli hata koşulları için kod listesinden oluşur. |
![]() | Değiştirilmiş Değerleri varsayılandan değiştirilen diğer gruplardaki fonksiyonlar. |
![]() | Ağ Yalnızca bir iletişim kartı kullanıldığında gösterilen ağ fonksiyonları. |
![]() | AppView ve CustomView Diğer gruplardaki belirli uygulamalar için düzenlenen fonksiyonlar. |
| No. | Ekran/LED (Renk) |
![]() | ENET (Sabit) – Adaptör ağa bağlı ve sürücü Ethernet üzerinden kontrol ediliyor. ENET (Yanıp Sönen) – Adaptör ağa bağlı ancak sürücü Ethernet üzerinden kontrol edilmiyor. |
| LINK (Sabit) – Adaptör ağa bağlı ancak veri iletilmiyor. LINK (Yanıp Sönen) – Adaptör ağa bağlı ve veri iletiyor. | |
![]() | Hata Durumu (Kırmızı) |
| Tuş | Ad |
![]() | Çıkış |
![]() | Yukarı Ok Aşağı Ok |
![]() | Seç |
![]() | Giriş |
![]() | Durdur |
![]() | Başlat |
![]() | Geri |
![]() | Potansiyometre |
AppView Parametre Grupları
AppView® parametre gruplarındaki parametreler, aşağıdakileri yaparak CustomView™ parametre grubuna hızlıca eklenebilir:
| Adım | Tuş(lar) | Örnek Ekranlar | |
| 1 | Bir AppView grubuna (G1...G8) gitmek için Yukarı Ok veya Aşağı Ok tuşuna basın. | ![]() veya ![]() | |
| 2 | Bir gruba girmek için Enter veya Sel tuşuna basın. O grupta en son görüntülenen parametrenin en sağdaki rakamı yanıp sönecektir. | ![]() veya ![]() | |
| 3 | G1 → GC komutuna gitmek için Yukarı Ok veya Aşağı Ok tuşuna basın. | ![]() veya ![]() | ![]() |
| 4 | Bu AppView grubundaki tüm parametreleri CustomView grubuna eklemek için Enter veya Sel tuşuna basın. LCD ekranda bir onay görüntülenecektir. | ![]() veya | ![]() |
CustomView Parametre Grubu
Yukarıda gösterildiği gibi bir AppView parametre grubunun tamamını CustomView parametre grubuna kopyalayabilir veya aşağıda gösterildiği gibi tek tek parametreler ekleyebilirsiniz.
| Adım | Tuş(lar) | Örnek Ekranlar | |
| 1 | CustomView grubuna (GC) gitmek için Yukarı Ok veya Aşağı Ok tuşuna basın. | ![]() veya ![]() | ![]() |
| 2 | CustomView grubuna eklenebilecek parametreleri görüntülemek için Enter tuşuna basın. | ![]() | ![]() |
| 3 | Parametreler listesinde gezinmek için Yukarı Ok veya Aşağı Ok tuşuna basın. | ![]() veya ![]() | ![]() |
| 4 | Parametreyi CustomView grubuna eklemek için Enter tuşuna basın. LCD ekranında bir onay görüntülenecektir. | ![]() | ![]() |
CustomView parametre grubundan parametreleri silmek için:
| Adım | Tuş(lar) | Örnek Ekranlar | |
| 1 | CustomView grubuna (GC) gitmek için Yukarı Ok veya Aşağı Ok tuşuna basın. | ![]() veya ![]() | ![]() |
| 2 | CustomView grubunda bulunan parametreleri görüntülemek için Enter tuşuna basın. | ![]() | ![]() |
| 3 | GC--- komutuna gitmek için Yukarı Ok veya Aşağı Ok tuşuna basın. | ![]() veya | ![]() |
| 4 | CustomView grubunda depolanan parametreleri görüntülemek için Enter veya Sel tuşuna basın. | ![]() veya | ![]() |
| 5 | Parametreler listesinde gezinmek için Yukarı Ok veya Aşağı Ok tuşuna basın. | ![]() veya ![]() | ![]() |
| 6 | Parametreyi CustomView grubundan silmek için Enter tuşuna basın. LCD ekranında bir onay görüntülenecektir. | ![]() | ![]() |
Hata Kodları
Bir hatayı temizlemek için – P045 [Durdurma Modu] 0...3 arasında bir değere ayarlanmışsa Stop (Durdur) tuşuna basın, gücü kapatıp açın, A551 [Hata Temizleme] değerini 1 veya 2 olarak ayarlayın veya t062, t063, t065...t068 [DigIn TermBlk xx] 13 olarak ayarlanmışsa dijital girişi kapatıp açın.
| No. | Hata | Açıklama |
| F000 | Hata Yok | – |
| F002(1) | Yardımcı Giriş | Uzak kabloları kontrol edin. Kasıtlı hata için iletişim programlamasını doğrulayın. |
| F003 | Güç Kaybı | Düşük voltaj veya hat gücü kesintisi için gelen AC hattını izleyin. Giriş sigortalarını kontrol edin. Yükü azaltın. |
| F004(1) | Düşük Voltaj | Düşük voltaj veya hat gücü kesintisi için gelen AC hattını izleyin. |
| F005(1) | Aşırı Voltaj | Yüksek hat voltajı veya geçici durumlar için AC hattını izleyin. Bus aşırı voltajına motor rejenerasyonu da neden olabilir. Yavaşlama süresini uzatın veya dinamik fren direnci takın. |
| F006(1) | Motor Durdu | P041, A442, A444 veya A446 [Hızlanma Süresi x] değerini artırın veya sürücü çıkış akımının A484 veya A485 [Akım Limiti x] parametresiyle ayarlanan akımı aşmaması için yükü azaltın. Revizyon yükünü kontrol edin. |
| F007(1) | Motor Aşırı Yükü | Aşırı bir motor yükü var. Sürücü çıkış akımının P033 [Motor OL Akımı] parametresiyle ayarlanan akımı aşmaması için yükü azaltın. A530 [Takviye Seçimi] ayarını doğrulayın. |
| F008(1) | Isı Emici Aşırı Sıcaklığı | Tıkanmış veya kirli ısı emici kanatlarını kontrol edin. Ortam sıcaklığının nominal ortam sıcaklığını aşmadığını doğrulayın. Fanı kontrol edin. |
| F009(1) | CC Aşırı Sıcaklığı | Ürün ortam sıcaklığını kontrol edin. Hava akışı tıkanıklığını kontrol edin. Kir veya kalıntı olup olmadığını kontrol edin. Fanı kontrol edin. |
| F012 | HW Aşırı Akım | Programlamayı kontrol edin. Aşırı yükü, yanlış A531 [Takviye Seçimi] ayarını, çok yüksek ayarlanmış DC fren voltajlarını veya aşırı akımın diğer nedenlerini kontrol edin. |
| F013(2) | Topraklama Hatası | Motoru ve sürücü çıkış terminallerine giden harici kabloları topraklanmış bir durum için kontrol edin. |
| F015 | Yük Kaybı | Motor ve yük arasındaki bağlantıları doğrulayın. Seviye ve zaman gereksinimlerini doğrulayın. |
| F021(1) | Çıkış Fazı Kaybı | Motor kablolarını ve motoru doğrulayın. |
| F029(1) | Analog Giriş Kaybı | Bir analog giriş, bir sinyal kaybında hata verecek şekilde yapılandırılmıştır. Bir sinyal kaybı meydana geldi. Girişlerdeki kopmuş/gevşek bağlantıları kontrol edin. Parametreleri kontrol edin. |
| F033 | Otomatik Yeniden Başlatma Denemeleri | Hataya neden olan nedeni düzeltin ve manuel olarak temizleyin. |
| F038 | Faz U - Gnd | Sürücü ve motor arasındaki kabloları kontrol edin. Topraklanmış faz için motoru kontrol edin. Hata temizlenemezse sürücüyü değiştirin. |
| F039 | Faz V - Gnd | |
| F040 | Faz W - Gnd | |
| F041 | Faz UV Kısa | Motoru ve sürücü çıkış terminali kablolarını kısa devre durumu için kontrol edin. Hata temizlenemezse sürücüyü değiştirin. |
| F042 | Faz UW Kısa | |
| F043 | Faz VW Kısa | |
| F048(1) | Parametreler Varsayılan Olarak Ayarlandı | Sürücüye EEPROM'a varsayılan değerler yazması komutu verildi. Hatayı temizleyin veya sürücünün gücünü kapatıp açın. Gerekirse sürücü parametrelerini programlayın. |
| F059(1) | Güvenlik Açık | Güvenlik girişlerinin (Güvenlik 1, Güvenlik 2) her ikisi de etkin değil. Güvenlik giriş sinyallerini kontrol edin. Güvenlik kullanmıyorsanız, G/Ç terminalleri S1, S2 ve S+ için atlama telini doğrulayın ve sıkın. |
| F063(1) | SW Aşırı Akım | Motor ve yük arasındaki bağlantıları doğrulayın. Seviye ve zaman gereksinimlerini doğrulayın. |
| F064 | Sürücü Aşırı Yükü | Yükü azaltın veya Hızlanma Süresini uzatın. |
| F070 | Güç Ünitesi | Maksimum ortam sıcaklığının aşılmadığını kontrol edin. Gücü kapatıp açın. Hata temizlenemezse sürücüyü değiştirin. |
| F071 | DSI Ağ Kaybı | Gücü kapatıp açın. İletişim kablolarını kontrol edin. Modbus veya DSI ayarını kontrol edin. Modbus veya DSI durumunu kontrol edin. |
| F072 | Opt Ağ Kaybı | Gücü kapatıp açın. İletişim kablolarını kontrol edin. Ağ adaptörü ayarını kontrol edin. Harici ağ durumunu kontrol edin. |
| F073 | EN Ağ Kaybı | Gücü kapatıp açın. İletişim kablolarını kontrol edin. EtherNet/IP™ ayarını kontrol edin. Harici ağ durumunu kontrol edin. |
| F080 | Otomatik Ayarlama Arızası | Otomatik ayarlama işlevi kullanıcı tarafından iptal edildi veya başarısız oldu. Prosedürü yeniden başlatın. |
| F081 | DSI İletişim Kaybı | Gücü kapatıp açın. İletişim kablolarını kontrol edin. Modbus veya DSI ayarını kontrol edin. Modbus veya DSI durumunu kontrol edin. C125 [İletişim Kaybı Eylemi] kullanılarak değiştirin. G/Ç terminalleri C1 ve C2'yi toprağa bağlamak gürültü bağışıklığını artırabilir. Kabloları, Modbus ana cihazını veya kontrol modülünü değiştirin. |
| F082 | Opt İletişim Kaybı | Gücü kapatıp açın. Seçenek kartını sürücüye yeniden takın. C125 [İletişim Kaybı Eylemi] kullanılarak değiştirin. Kabloları, bağlantı noktası genişleticiyi, seçenek kartını veya kontrol modülünü değiştirin. |
| F083 | EN İletişim Kaybı | Gücü kapatıp açın. EtherNet/IP ayarını kontrol edin. Sürücünün Ethernet ayarlarını ve tanılama parametrelerini kontrol edin. C125 [İletişim Kaybı Eylemi] kullanılarak değiştirin. Kabloları, Ethernet anahtarını veya kontrol modülünü değiştirin. |
| F091 | Enkoder Kaybı | Kabloları kontrol edin. P047, P049 veya P051 [Hız Referansıx] = 16 "Konumlandırma" ve A535 [Motor Geri Besleme Tipi] = 5 "Dörtlü Kontrol" ise, Enkoder kanal girişlerini değiştirin veya herhangi iki motor kablosunu değiştirin. Enkoderi değiştirin. |
| F094 | İşlev Kaybı | Terminale girişi kapatın ve gücü kapatıp açın. |
| F100 | Parametre Kontrol Toplamı | P053 [Varsayılanlara Sıfırla] değerini 2 "Fabrika Sıfırlaması" olarak ayarlayın. |
| F101 | Harici Depolama | P053 [Varsayılanlara Sıfırla] değerini 2 "Fabrika Sıfırlaması" olarak ayarlayın. |
| F105 | C Bağlantı Hatası | Hatayı temizleyin ve tüm parametre ayarlarını doğrulayın. Güç uygulanırken kontrol modülünü çıkarmayın veya takmayın. |
| F106 | Uyumsuz C-P | Kontrol modülü, güç modülünü tanıyamadı. Gücü kapatıp açın. Daha yeni bir üretici yazılımı sürümüyle flaşlayın. Hata temizlenemezse sürücüyü değiştirin. |
| F107 | Değiştirilmiş C-P | Kontrol modülü, farklı bir güç değerine sahip bir güç modülüne monte edildi. P053 [Varsayılanlara Sıfırla] değerini herhangi bir sıfırlama seçeneğine ayarlayın. |
| F109 | Uyuşmazlık C-P | Kontrol modülü, farklı bir sürücü tipi güç modülüne monte edildi. P053 [Varsayılanlara Sıfırla] değerini herhangi bir sıfırlama seçeneğine ayarlayın. |
| F110 | Tuş Takımı Membranı | Tuş takımı membran arızası/bağlantısı kesildi. Gücü kapatıp açın. Hata temizlenemezse kontrol modülünü değiştirin. |
| F111 | Güvenlik Donanımı | Güvenlik girişi etkinleştirme donanım arızası. Güvenlik girişlerinden biri etkin değil. Güvenlik giriş sinyallerini kontrol edin. Güvenlik kullanmıyorsanız, G/Ç terminalleri S1, S2 ve S+ için atlama telini doğrulayın ve sıkın. Hata temizlenemezse kontrol modülünü değiştirin. |
| F114 | uC Arızası | Gücü kapatıp açın. Hata temizlenemezse kontrol modülünü değiştirin. |
| F122 | G/Ç Kartı Arızası | Gücü kapatıp açın. Hata temizlenemezse sürücüyü veya kontrol modülünü değiştirin. |
| F125 | Flaş Güncellemesi Gerekli | Geçerli bir üretici yazılımı kümesi yükleme girişiminde bulunmak için bir üretici yazılımı flaş güncelleme işlemi gerçekleştirin. |
| F126 | Kurtarılamayan Hata | Hatayı temizleyin veya sürücünün gücünü kapatıp açın. Hata temizlenemezse sürücüyü veya kontrol modülünü değiştirin. |
| F127 | DSIFlaşGüncellemesiGerekli | Geçerli bir üretici yazılımı kümesi yükleme girişiminde bulunmak için DSI iletişimlerini kullanarak bir üretici yazılımı flaş güncelleme işlemi gerçekleştirin. |
- Bu hata, otomatik yeniden başlatma rutini tarafından temizlenebilir ve A541 [Otomatik Yeniden Başlatma Denemeleri] parametresinde ayarlanan değere göre birkaç kez denenecektir.
- Bu hata, otomatik yeniden başlatma rutini tarafından temizlenebilir ve yalnızca bir kez denenecektir. A541 [Otomatik Yeniden Başlatma Denemeleri] parametresinde ayarlanan değeri yoksayar.
Teknik Özellikler
| Giriş/Çıkış Değerleri | Çıkış Frekansı: 0...500 Hz (Programlanabilir) Verimlilik: %97,5 (Tipik) |
| Dijital Kontrol Girişleri (Giriş Akımı = 6 mA) | SRC (Kaynak) Modu: 18...24V = AÇIK 0...6V = KAPALI |
| SNK (Sink) Modu: 0...6V = AÇIK 18...24V = KAPALI | |
| Analog Kontrol Girişleri | 4-20 mA Analog: 250 Ω giriş empedansı 0-10V DC Analog: 100 kΩ giriş empedansı Harici Pot: 1...10 kΩ, 2 W min. |
| Kontrol Çıkışı | Programlanabilir Çıkış, Form A ve Form B Direnç Değeri: 3,0 A @ 30V DC, 125V AC ve 240V AC Endüktif Değer: 0,5 A @ 30V DC, 125V AC ve 240V AC |
| Opto Çıkışları 30V DC, 50 mA Endüktif olmayan | |
| Analog Çıkışlar (10 bit) 0-10V: 1 kΩ min. 4-20 mA: 525 Ω max. | |
| Sigortalar ve Devre Kesiciler | Önerilen Sigorta Tipi: UL Sınıfı J, T veya Tip BS88; 600V (550V) veya eşdeğeri. Önerilen Devre Kesiciler: HMCP veya eşdeğeri. |
| Koruyucu Özellikler | Motor Koruması: I2t aşırı yük koruması – 60 s için %150, 3 s için %200 (Sınıf 10 koruması sağlar) |
| Aşırı Akım: %200 donanım sınırı, %300 anlık arıza | |
| Aşırı Gerilim: 100...120V AC Girişi – Tetikleme @ 405V DC bara voltajında gerçekleşir (150V AC gelen hatta eşdeğer) 200...240V AC Girişi – Tetikleme @ 405V DC bara voltajında gerçekleşir (290V AC gelen hatta eşdeğer) 380...480V AC Girişi – Tetikleme @ 810V DC bara voltajında gerçekleşir (575V AC gelen hatta eşdeğer) 525...600V AC Girişi – Tetikleme @ 1005V DC bara voltajında gerçekleşir (711V AC gelen hatta eşdeğer) | |
| Düşük Gerilim: 100...120V AC Girişi – Tetikleme @ 190V DC bara voltajında gerçekleşir (75V AC gelen hatta eşdeğer) 200...240V AC Girişi – Tetikleme @ 190V DC bara voltajında gerçekleşir (150V AC gelen hatta eşdeğer) 380...480V AC Girişi – Tetikleme @ 390V DC bara voltajında gerçekleşir (275V AC gelen hatta eşdeğer) 525...600V AC Girişi – P038 = 3 "600V" ise tetikleme @ 487V DC bara voltajında gerçekleşir (344V AC gelen hat); – P038 = 2 "480V" ise tetikleme @ 390V DC bara voltajında gerçekleşir (275V AC gelen hat) | |
| Kontrol İdamesi: Minimum idame 0,5 sn'dir - tipik değer 2 sn | |
| Hatasız Güç İdamesi: 100 ms |
Rockwell Automation Desteği
Destek bilgilerine erişmek için bu kaynakları kullanın.
| Teknik Destek Merkezi | Nasıl yapılır videoları, SSS'ler, sohbet, kullanıcı forumları ve ürün bildirim güncellemeleriyle ilgili yardım bulun. | rok.auto/support |
| Bilgi Tabanı | Bilgi Tabanı makalelerine erişin. | rok.auto/knowledgebase |
| Yerel Teknik Destek Telefon Numaraları | Ülkeniz için telefon numarasını bulun. | rok.auto/phonesupport |
| Literatür Kitaplığı Kurulum talimatlarını, kılavuzları bulun, | broşürler ve teknik veri yayınları. | rok.auto/literature |
| Ürün Uyumluluk ve İndirme Merkezi (PCDC) | Ürün yazılımını, ilişkili dosyaları (AOP, EDS ve DTM gibi) indirin ve ürün sürüm notlarına erişin. | rok.auto/pcdc |
Belgeleme Geri Bildirimi
Yorumlarınız, belgeleme ihtiyaçlarınızı daha iyi karşılamamıza yardımcı olur. İçeriğimizi nasıl iyileştireceğinize dair herhangi bir öneriniz varsa, rok.auto/docfeedback adresindeki formu doldurun.
Referanslar
Destek | Rockwell Automation
Rockwell Automation Tech Support ... 7/24 tüm dünyada!
Telefon/Yerinde Destek
Literatür Kitaplığı | Rockwell AutomationRockwell Automation'dan Ürün Uyumluluk ve İndirme Merkezi
Yayın Geri Bildirim Formu | Rockwell Automation
Kılavuzu indir
Burada kılavuzun tam PDF sürümünü indirebilirsiniz, ek güvenlik talimatları, garanti bilgileri, FCC kuralları vb. içerebilir.
Allen-Bradley PowerFlex 525 - Ayarlanabilir Frekanslı AC Sürücü Kılavuzu indir
Bu sürücü için normal ve ağır hizmet dereceleri mevcuttur.

komutunu bir başlatma komutu vermek için G/Ç Terminali 02'de kullanın. Yönü değiştirmek için G/Ç Terminali 03 için korunan bir giriş
kullanın.


































