Návod k použití spínače přiblížení Orbis DICROMAT+, DICROMAT 2+
- 1 Přehled zařízení
- 2 POPIS
- 3 OBSAH BALENÍ
- 4 INSTALACE
- 5 MONTÁŽ
- 6 UVEDENÍ DO PROVOZU. NASTAVENÍ
- 7 NASTAVENÍ DETEKČNÍHO POLE
- 8 INDIKÁTORY DETEKCE
- 9 NASTAVENÍ JASU (pouze v hlavním senzoru)
- 10 NASTAVENÍ ZPOŽDĚNÍ ODPOJENÍ (pouze v hlavním senzoru)
- 11 TECHNICKÉ CHARAKTERISTIKY
- 12 ROZMĚRY
- 13 SCHÉMA ZAPOJENÍ SENZORU
- 14 Reference
- 15 Stáhnout návod
- 16 V jiných jazycích

Přehled zařízení

POPIS
Spínač přiblížení DICROMAT + detekuje neviditelné infračervené záření vycházející z lidí a jiných zdrojů tepla, aniž by sám vyzařoval jakýkoli druh záření.
K DICROMAT + lze připojit několik senzorů detekce pohybu (další senzory) k jednomu napájecímu modulu.
Když se zdroj tepla pohybuje pod jakýmkoli senzorem spínače přiblížení, jeho výstupní obvody se aktivují, a když přestane detekovat pohyb, deaktivují se po uplynutí doby zpoždění nastavitelné pouze v hlavním senzoru.
Obvod DICROMAT +, stejně jako obvod 1 DICROMAT 2+, reaguje pouze tehdy, když jsou světelné podmínky pod úrovní zvolenou v hlavním senzoru. Obvod 2 DICROMAT 2+ vždy reaguje nezávisle na regulovaném jasu. DICROMAT + není vhodný pro poplašné systémy.
OBSAH BALENÍ
- 1 napájecí modul
- 1 hlavní senzor.
- 1 prodlužovací kabel 50 cm pro senzory.
- 1 omezovač detekční oblasti.
INSTALACE
Instalaci a montáž elektrických spotřebičů by měl provádět autorizovaný instalatér.
Spotřebič je interně chráněn proti rušení bezpečnostním obvodem. Nicméně, některá obzvláště silná elektromagnetická pole mohou ovlivnit jeho provoz, proto by neměl být montován v blízkosti indukčních zátěží (motory, transformátory atd.).
Při instalaci DICROMAT + je třeba mít na paměti, že detekce probíhá při překřížení jeho detekčních paprsků, a proto, pokud je zdroj tepla, který má být detekován, rovnoběžný s paprsky (nepřekračuje je), bude detekován na menší vzdálenost, protože paprsky nepřekříží, dokud není velmi blízko senzoru.
Na obrázcích šipka označuje směr, kterým se osoba nebo objekt, který má být detekován, pohybuje.

Okolní teplota krytu, ve kterém je DICROMAT + instalován, má významný vliv na citlivost detekce a tedy i na detekční vzdálenost. Citlivost je menší při vyšších teplotách, protože spotřebič pracuje s pohybem zdroje tepla. Čím bližší je okolní teplota 36 ºC (ve většině případů je 36 ºC teplota lidského těla), tím horší je detekce.
Mlha nebo déšť mohou zhoršit detekční pole. Oblečení snižuje tepelný příspěvek do krytu a tím snižuje citlivost detekce.
Pokud jsou dva DICROMAT + připojeny ve stejném krytu, lampa napájená jedním z nich by neměla být v detekčním poli druhého.
MONTÁŽ
Zapustit do stropu, vyhýbat se přítomnosti vysoce reflexních povrchů (kapaliny), prvků podléhajících náhlým změnám teploty (topení, klimatizace) nebo zdrojů světla a předmětů, které se mohou pohybovat ve větru (záclony, malé stromy atd.) v jeho detekční oblasti. Vyvrtejte otvor o průměru 65 mm. Tloušťka stropu by měla být mezi 5 a 25 mm.
PŘED ZAHÁJENÍM INSTALACE A ZAPOJENÍ ODPOJTE NAPĚTÍ. OBNOVTE NAPĚTÍ, KDYŽ JE ZAŘÍZENÍ ZCELA NAINSTALOVÁNO.
Otevřete kryt svorkovnice napájecího modulu.
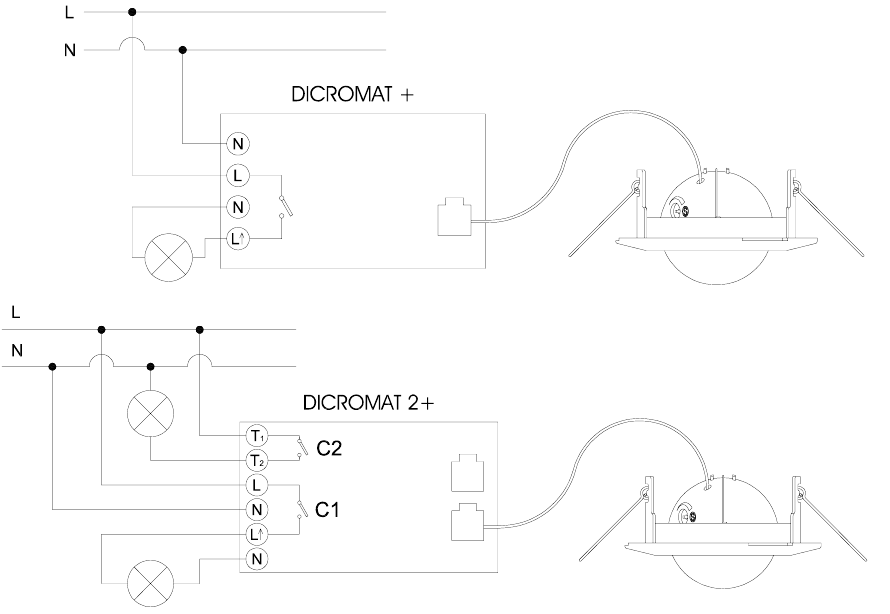
Připojte napájení a zátěž podle následujících schémat:

Pečlivě zkontrolujte provedená připojení.
Zavřete kryt svorkovnice.
Otevřete kryt svorkovnice senzoru napájecího modulu. |
Připojte DICROMAT + a DICROMAT SENSOR + podle SCHÉMATU ZAPOJENÍ SENZORU umístěného na konci tohoto návodu.
Zavřete kryt svorkovnice senzoru napájecího modulu.
Zasuňte napájecí modul otvorem vyvrtaným ve stropě.
Zajistěte senzor ve stropě. Umístěte nožičky na vnitřní stranu otvoru ve stropě. |
Pevně zatlačte, dokud okraj senzoru nebude v jedné rovině se stropem.

UVEDENÍ DO PROVOZU. NASTAVENÍ
Při prvním připojení nebo při delších výpadcích proudu zůstane zařízení aktivní po dobu 30 sekund, poté přejde do normálního provozu.
Úplným otočením hlavy detektoru senzoru na jednu stranu se odkryjí voliče nastavení "Time 1" (Čas 1) a jasu.
Otočením na opačnou stranu se objeví volič nastavení vzdálenosti a ve verzi DICROMAT 2+ se objeví volič nastavení "Time 2" (Čas 2).

NASTAVENÍ DETEKČNÍHO POLE
Pro nastavení detekčního pole postupujte následovně:
Pro nastavení detekčního pole otočte volič vzdálenosti do maximální polohy (7 m), volič jasu do polohy "
" a voliče "Time 1" (Čas 1) a "Time 2" (Čas 2) do minimální polohy.
Pohybujte se v mezích detekčního pole a zkontrolujte pokrytí. Limity tohoto pole lze měnit pomocí voliče vzdálenosti (S) až do průměru 7 metrů se zařízením umístěným ve výšce 2,5 metru.
DICROMAT + je dodáván s omezovačem detekční oblasti rozděleným do 12 sektorů se dvěma výškami, které lze oříznout. Chcete-li vyloučit sektor pole, zakryjte odpovídající část objektivu omezovačem přizpůsobeným vašim potřebám. Každý sektor blokuje oblast 30 stupňů.

Hlava senzoru se může naklonit kolem jedné ze svých os, pokud je žádoucí posunout detekční oblast.

INDIKÁTORY DETEKCE
Uvnitř senzorů je červená LED, která se rozsvítí při detekci. Tuto LED lze použít k usnadnění nastavení detekčního pole bez nutnosti připojení zátěže.
NASTAVENÍ JASU (pouze v hlavním senzoru)
Obvod DICROMAT +, stejně jako obvod 1 DICROMAT 2+, lze nastavit tak, aby reagoval pouze tehdy, když jsou světelné podmínky pod zvolenou úrovní. Otočením voliče jasu do polohy "
" budou reagovat za jakýchkoli světelných podmínek. Otočením voliče jasu do polohy "e" reagují pouze za špatných světelných podmínek. Obvod 2 (T1-T2) DICROMAT 2+ vždy reaguje nezávisle na regulovaném jasu.
Aby se změny provedené v potenciometrech při nastavování zařízení projevily, je nutné odejít z detekční oblasti a počkat, až se instalace vypne.
NASTAVENÍ ZPOŽDĚNÍ ODPOJENÍ (pouze v hlavním senzoru)
Otočením voličů "Time 1" (Čas 1) a "Time 2" (Čas 2) se nastaví zpoždění odpojení obvodů.
TECHNICKÉ CHARAKTERISTIKY
| Napájení: | 230 V~ 50 Hz |
| Spínací výkon: | μ 10 A 230 V~ Cos φ = 1 |
| Doporučené špičkové zatížení: | |
Žárovky | 2200 W |
Zářivky | 400 VA |
Nízkonapěťové halogeny (12V) | 2000 VA |
Halogeny (230V) | 2200 W |
Nízkoenergetické žárovky (CFL) | 400 VA |
Nízkoenergetické žárovky (Downligts) | 400 VA |
LED žárovky | 400 VA |
| Vlastní spotřeba: | DICROMAT +: 7 VA kapacitní (cca 1,1 W) DICROMAT 2+: 4,2 VA kapacitní (cca 3,1 W) |
| Rozsah jasu: | 2 – 2000 LUX |
| Časový rozsah: | DICROMAT + (L ): Od 1 s do 10 min. DICROMAT 2+: -ČAS obvod 1 (L ): Od 1 s do 10 min. -ČAS obvod 2 (T1-T2): Od 10 s do 15 min. |
| Úhel detekce: | 360° |
| Detekční pole: | Až 7 m v průměru ve výšce 2,5 m |
| Provozní teplota: | -10°C až +45°C |
| Typ ochrany: | IP20 podle EN 60529 |
| Třída ochrany: | II za správných montážních podmínek |
ROZMĚRY

SCHÉMA ZAPOJENÍ SENZORU

ORBIS TECNOLOGÍA ELÉCTRICA, S.A.
Lérida, 61
E–28020 MADRID
Teléfono: + 34 91 5672277;
Fax: +34 91 5714006
E-mail: info@ orbis.es
http://www.orbis.es

Reference
Stáhnout návod
Zde si můžete stáhnout úplnou verzi návodu ve formátu pdf, může obsahovat další bezpečnostní pokyny, informace o záruce, pravidla FCC atd.
Stáhnout Návod k použití spínače přiblížení Orbis DICROMAT+, DICROMAT 2+
Žárovky
Zářivky
Nízkonapěťové halogeny (12V)
Halogeny (230V)
Nízkoenergetické žárovky (CFL)
Nízkoenergetické žárovky (Downligts)
LED žárovky