Grasslin talento 471/472/791/792/881/882/ PRO - Timer Manual
- 1 Safety Instructions
- 2 Information about the device
- 3 Installation and mounting
-
4
Operation and configuration
- 4.1 Display and function keys
- 4.2 Menu structure
- 4.3 Select menu language
- 4.4 Set date and time
- 4.5 Switchover summertime/wintertime
- 4.6 Create weekly program
- 4.7 Create annual program
- 4.8 Creating an ASTRO program
- 4.9 Sunset ON / Sunrise OFF
- 4.10 Creating a holiday program
- 4.11 View and edit program
- 4.12 Delete program
- 4.13 Random switching program
-
4.14
Configuration
- 4.14.1 ASTRO – Astro settings
- 4.14.2 TAXIMODE – Transmission of programs
- 4.14.3 LIGHT – Background illumination
- 4.14.4 PIN – Set PIN
- 4.14.5 HCOUNTER – Set hour counter
- 4.14.6 HCOUNTER – Set service counter
- 4.14.7 EXT I/P – External input & I/P COUNT - Pulse counter
- 4.14.8 EXT O/R – Manual switch
- 4.14.9 COUNTDOWN – Countdown timer
- 4.15 Automatic/Manual mode
- 5 Maintenance and repair
- 6 References
- 7 Download manual
- 8 In Other Languages

Safety Instructions
Risk of electric shock!
- Installation must be carried out by a professional electrician!
- To avoid injuries, the device must be installed by a skilled electrician only!
- Before changing the battery, the device must be disconnected from the power supply!
- Please observe the national regulations and safety instructions.
- Interferences and changes to the device will invalidate the warranty and guaranty rights.
- Minimum diameter of the flexible lines for the terminals: 1 mm Maximum diameter: 4 mm2
Read and observe these instructions to guarantee a perfect function of the device and a safe operation.
Information about the device
Description of the device
Universal digital timer
- 100 or 400 memory locations 1)
- Date-based programming
- Pulse, cycle program
- P C-assisted program generation
- Weekly program / annual program / holiday program / 1) astro program 1)
Designated use
- The timer is used for
- lighting in private homes and commerce
- advertising / street lighting / shop window lighting
- controlling devices, motors and pumps
- controlling shutters and blinds
- Presence simulation
- Mounting only on DIN rail.
- Suitable for use in dry rooms only!
- Do not install in the vicinity of devices having inductive discharges (motors, transformers, etc.)
Technical data
| Dimensions Hx W x D (mm) | 45 x 35 x 60 |
| Weight g (approx.) | 220 |
| Main voltage | See rating plate |
| Protection class | || |
| Power consumption | 1 VA |
Switching capacity
| 16 A / 250 V AC 10 A / 250 V AC 2600 W 1000 W 3700 W / 750 W |
| Switching contacts | Change-over contact |
| Ambient temperature | -10°C... + 55°C |
| Accuracy | Type ± 0,3 sec./day at +20°C |
| Shortest switching interval | 1 sec.. |
| Switching state display | Yes |
| Sealable | Yes |
Installation and mounting
Risk of electric shock!
- Installation must be carried out by a professional electrician!
Mounting on DIN rail
Put the device slightly inclined on top of the rail. Then push it backwards until it engages.
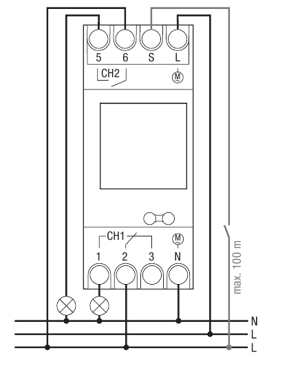
Connection diagram

CH1 = channel 1
CH2 = channel 2 1)
S = external input
A momentary action push-button can be assigned to remotely operate one of the channels. See separate section headed EXT I/P.
Operation and configuration
Display and function keys
- Switch-off commands have a higher priority than switch-on commands.
- The central line of the display, in which the adjusted values and selected menu items are displayed, is displayed larger.
- Flashing means that an entry is required. If you do not enter anything within two minutes, the timer switches back to automatic operation.
- "MAINSOFF" appears on the display when the device is not supplied with power.
- "LOW BATT" appears on the display when a battery change is required within the next two weeks.
- The programs are retained after a reset, although you will need to readjust date and time. Press all 4 buttons at the same time to reset the device.
Display

- Function displays of the two left keys
- Switching state displays (ON/ OFF/OVR/FIX)
- 3 display lines
- Weekdays The assignment can be changed in the DATETIME menu, for example to 1 = Sunday. Default setting 1 = Monday
- Programmed switching times
- Radio antenna
- Display of summer/winter time
- Function displays of the two right keys
Keys/Interfaces
- Right keys
- Infrared interface
- Left keys with manual switch function in Automatic mode
Function displays of the two left keys
Scroll upwards in the menu
Scroll downwards in the menu
Accept selection/proposal
+ Brief key press = +1 / long key press (about 2 sec) = fast forward
- Brief key press = -1 / long key press (about 2 sec) = fast forward
Function displays of the two right keys
MENU Leaves Automatic mode and enters Programming mode
ESC Brief key press = one step backward Long key press (about 2 sec) = Back to Automatic mode
OK Make a selection and accept
EDT Change programs in "Read mode"
NO Do not execute command
YES Execute command
DEL Delete
1) Function not available for all products.
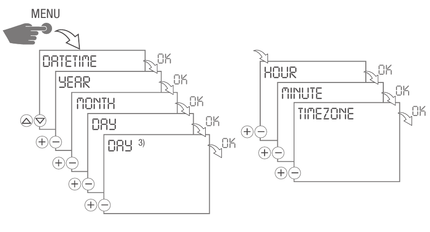
Menu structure

Select menu language

When delivered, the timer is in automatic mode with preset time, date (CET) and menu in English. Press the Menu button to make settings. Then select the desired setting.
Set date and time

Switchover summertime/wintertime

The following settings are possible:
AUTO
In-factory default setting as specified by law (USA or EU). It will be recalculated every year.
NO
No changeover.
CALIBR 1 (AUTO)
Manual Programming. The programmed summer/winter time will be recalculated automatically for each year.
- The change-over always takes place on the first Sunday of the selected month, if the entered date lies between 1. and 15.
- The change-over always takes place on the last Sunday of the selected month, if the entered date lies between 16. and 31.
- The time change-over (summertime/wintertime) occurs on the respective Sunday at 1 o'clock UTC (Coordinated Universal Time).
Create weekly program

2) Available only if individual days have been selected for the ON command.
3) Set the weekday in accordance with the current date.
4) Only appears when the Astro-settings are not set.
ON/OFF programming

- Confirm ON/OFF by pressing OK.
- Free memory locations are briefly displayed.
- When prompted, select channels and confirm by pressing
![]()
OK - The weekday display is flashing.
ON command:
- Select the desired days
and confirm by pressing ![]()
OK - Enter hour (+/-)
OK - Enter minutes (+/-)
OK
OFF command:
- When prompted, select desired days
and confirm by pressing ![]()
OK - Enter hour (+/-)
OK - Enter minutes (+/-)
OK - The program is saved.
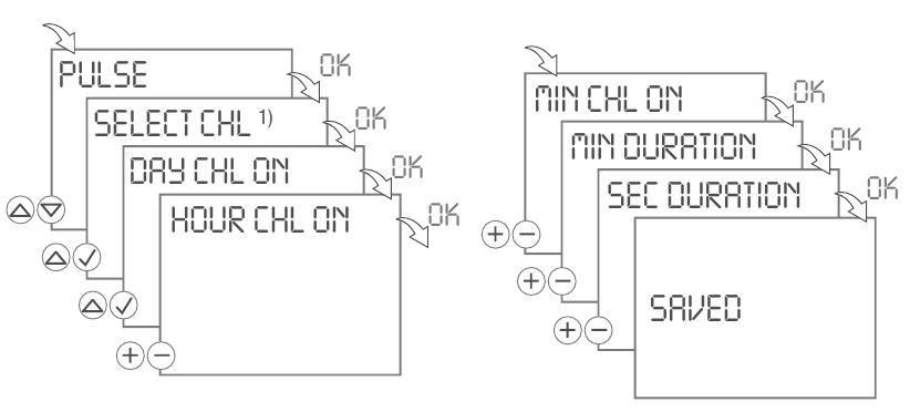
Pulse programming

A pulse switching command consists of:
- Start time
- Duration = ON switching duration
shortest ON switching duration = 1 sec.
longest ON switching duration = 59 min., 59 sec.
Example:
ON command for channel 1 daily from Monday to Friday at 3.00 pm.
ON switching duration 15 minutes.

- Confirm PULSE by pressing OK.
- Free memory locations are briefly displayed.
- When prompted, select channels
and confirm by pressing ![]()
OK - The weekday display is flashing.
ON command:
- Select the desired days
and confirm by pressing
OK - Enter hour (+/-)
OK - Enter minutes (+/-)
OK
Duration:
- Enter minutes or seconds (+/-) and confirm by pressing OK.
- The program is saved.
Cycle programming

The cycle duration must not be less than the period. No nesting of cycle programs is allowed.
A cycle switching command consists of:
- Start time
- Duration = ON switching duration
- Period = ON switching duration + pause
- Cycle duration = time between channel ON and channel OFF
- Stop time
Example:
Channel 1 is switched on every 30 minutes for 10 minutes, starting on Monday 9.00 am.
The stop time is Friday 7.00 pm.
| Start time Monday | 09.00 am |
| Duration | 10 min. |
| Period | 40 min. |
| Stop time Friday | 07.00 pm |

- Confirm CYCLE by pressing OK.
- Free memory locations are briefly displayed.
- When prompted, select channels and confirm by pressing
.
OK - The weekday display is flashing.
ON command:
- Select the desired days
and confirm by pressing ![]()
OK - Enter hour (+/-)
OK - Enter minutes (+/-)
OK
Period:
- Enter days, hours, minutes or seconds (+/-) and confirm by pressing OK.
Duration:
- Enter days, hours, minutes or seconds (+/-) and confirm by pressing OK.
OFF command:
- When prompted, select desired days
and confirm by pressing ![]()
OK - Enter hour (+/-)
OK - Enter minutes (+/-)
OK - The program is saved.
Create annual program

- NO REPEAT
Switching once. Start and stop date (year, month, day,) are set by you. - REPEAT
Recurring program. This is done each year at the same time until you remove the program in the menu under Program
Delete.
NO REPEAT - ON/OFF programming

- Confirm ON/OFF by pressing OK.
- Free memory locations are briefly displayed.
- When prompted, select channels
and confirm by pressing
.
OK - The weekday display is flashing.
ON command:
- Select the desired days
and confirm by pressing
OK - Enter start date (year, month and day) in the relevant box (+/-)
OK - Enter stop date (year, month and day) in the relevant box (+/-)
OK - Enter hour (+/-)
OK - Enter minutes (+/-)
OK
OFF command:
- When prompted, select desired days and confirm by pressing
OK - Enter hour (+/-)
OK - Enter minutes (+/-)
OK - The program is saved.
For CYCLE and PULSE, you also have to set the duration and/ or period. The procedure is the same as for creating a weekly program.
REPEAT - ON/OFF programming

- Confirm ON/OFF by pressing OK.
- Free memory locations are briefly displayed.
- When prompted, select channels
and confirm by pressing
.
OK - The weekday display is flashing.
ON command:
- Select the desired days
and confirm by pressing ![]()
OK - Enter start date (month and day) in the relevant box (+/-)
OK - Enter stop date (month and day) in the relevant box (+/-)
OK - Enter hour (+/-)
OK - Enter minutes (+/-)
OK
OFF command:
- When prompted, select desired days and confirm by pressing
![]()
OK - Enter hour (+/-)
K - Enter minutes (+/-)
OK - The program is saved.
For CYCLE and PULSE, you also have to set the duration and/ or period. The procedure is the same as for creating a weekly program.
Creating an ASTRO program

The following settings are possible:
| SUNSET ON SUNRISE OFF | The time switch switches ON at sunset and switches OFF at sunrise |
| SUNSET OFF SUNRISE ON | The time switch switches OFF at sunset and switches ON at sunrise |
| SUNRISE PULSE | The time switch switches ON at sunrise for a certain time (pulse) |
| SUNSET PULSE | The time switch switches ON at sunset for a certain time (pulse)) |
| SUNRISE SUNSET PULSE | The time switch switches ON at sunrise and sunset for a certain time (pulse) |
Sunset ON / Sunrise OFF

- Confirm SUNSET ON / SUNRISE OFF by pressing OK.
- Free memory locations are briefly displayed.
- When prompted, select Astro-settings.
- When prompted, select channels
and confirm by pressing
.
OK - The weekday display is flashing.
ON command:
- Select the desired days
and confirm by pressing ![]()
OK - Enter start date (month and day) in the relevant box (+/-)
OK - Enter stop date (month and day) in the relevant box (+/-)
OK
![Grasslin - talento 881 pro - Sunset ON / Sunrise OFF - Step 2 Sunset ON / Sunrise OFF - Step 2]()
- Enter minutes for the OFFSET (+/-)
![]()
OK Offset can be used to offset the ON and OFF switching times of the Astro program. This is done in order to adapt them to the local conditions.
Example SUNSET ON / SUNRISE OFF: Offset = + 00:15 The time switch switches ON 15 minutes after the calculated sunset and switches OFF 15 minutes after the calculated sunrise. - Select the OFF PERIOD: YES or NO
- Select YES to set the time period (hours and minutes) during which the time switch should switch off, e.g. night-time switch-off from 23 - 5 h.
- Select NO to set no OFF period.
OFF period: YES
- Enter hour and minute for the OFF command (+/-)
OK - When prompted, select desired days and confirm by pressing
OK
- Select CHANNEL ON: YES or NO
- Select YES to set the time period (hours and minutes) during which the time switch should switch on again.
![]()
- Select NO if the night-time switch-off should last to the next sunset.
![Grasslin - talento 881 pro - Sunset ON / Sunrise OFF - Step 3 Sunset ON / Sunrise OFF - Step 3]()
- Select YES to set the time period (hours and minutes) during which the time switch should switch on again.
Channel ON: YES
- Enter hour and minute for the ON command (+/-)
OK - The program is saved.
Creating a holiday program

ON/OFF programming

For CYCLE and PULSE, you also have to set the duration and/or period. If ON is set, you can select the days of the week on which the time switch is switched off during holidays.
The procedure is the same as for creating a weekly program.
View and edit program
Weekly, yearly, holiday and astro programs can be viewed and edited separately.
- Press
to scroll through the different program steps. - Press EDT to edit a program. This procedure is similar to creating a new program.
![Grasslin - talento 881 pro - View and edit program View and edit program]()
Delete program
Delete all programs
- Press YES to delete all programs.
- Press NO to delete individual programs.
![Grasslin - talento 881 pro - Delete all programs Delete all programs]()
Delete individual programs
- Press
to scroll through the different program steps.
![Grasslin - talento 881 pro - Delete individual programs Delete individual programs]()
Random switching program

The programmed switching command is delayed by a variable (random) period of 0-30 minutes..
- Press OK to start the random switching program.
- RANDOM flashes.
Finish random switching program

- Press DEL to finish the random switching program.
- The timer returns to Automatic mode.
Configuration

ASTRO – Astro settings

Click the COUNTRY menu item to select the desired country and city. The longitudes and latitudes are generated automatically. If the desired city is not included in the list, you can manually set the longitudes and latitudes via the LAT/LON menu item.
TAXIMODE – Transmission of programs
- A handheld programming device can be used to exchange programs via the IR interface. To do so, the device must be in the TAXIMODE and connected to power.
- Press ESC to finish the TAXIMODE..
![Grasslin - talento 881 pro - TAXIMODE – Transmission of programs TAXIMODE – Transmission of programs]()
Operation of handheld programming device:
- Press PROG to select the program number.
- Press IN to read in a program. Press OUT to read out a program.
- Hold the handheld programming device vertically over the IR interface.
- Pressing IN or OUT again will start the transmission.
A wrong transmission is shown by Er2. For further information, see the separate operating manual "handheld programming device".
LIGHT – Background illumination
- Select FIX ON to set the background lighting permanently.
- Select 2 MIN if you want the background lighting to be automatically switched off 2 minutes after your last input.
![Grasslin - talento 881 pro - LIGHT – Background illumination LIGHT – Background illumination]()
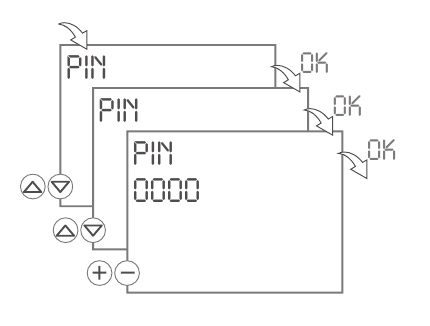
PIN – Set PIN
- Press + - to set a numeric value.
- Press OK to set the next number.
- Select NO PIN, to remove the PIN.
![Grasslin - talento 881 pro - PIN – Set PIN PIN – Set PIN]()
HCOUNTER – Set hour counter
- Press to
select the channels. - Select REVIEW to check the hour counter.
- Press
to scroll through the different program steps - Press RES to reset the hour counter for this channel.
![Grasslin - talento 881 pro - HCOUNTER – Set hour counter HCOUNTER – Set hour counter]()
HCOUNTER – Set service counter
You can set the number of operating hours after which a service message is to appear. It will be shown on the display as soon as the counter has reached the number of hours set by you.
- Press
to select the channels. - Press + - to set a numeric value.
![Grasslin - talento 881 pro - HCOUNTER – Set service counter HCOUNTER – Set service counter]()
EXT I/P – External input & I/P COUNT - Pulse counter

Select I/P COUNT to check the pulse counter. It will count how many times the external button was pressed. Press RES to reset the pulse counter to zero and confirm by pressing YES.
EXT O/R – Manual switch

Select EXT O/R to assign a channel to an external button.
Upon pressing the button, an override switching command will be executed. It will be in effect until the next time the button is pressed or until the next automatic switching command.
COUNTDOWN – Countdown timer

Select COUNTDOWN to set the time for a countdown timer.
Upon pressing the button, an ON switching command will be carried out. It switches the selected channel ON for the set time. Pressing the button again will start the countdown timer again at the set time.
If a program is already running on the selected channel, no switching command will be executed! After the time has expired, the timer returns to Automatic mode.
Shortest ON switching duration: 30 seconds
Longest ON switching duration: 90 minutes
Countdown timer and manual switch cannot be selected at the same time! The function selected last always applies.
Automatic/Manual mode
- Manual switch: Duration ON / Duration OFF / OVR / Automatic mode
- Left button = channel 1 / Right button = channel 2
![Grasslin - talento 881 pro - Automatic/Manual mode Automatic/Manual mode]()
Press 1x = FIX ON = Duration ON
Press 2x = FIX OFF = Duration OFF
Press 3x = OVR = Override mode
Press 4x = Automatic mode
Override mode
The Override function (temporary program overwrite) allows the user to switch ON or OFF early. This depends on the current channel status. The Override function applies only to the current program and remains active until the next program change. After that, the timer returns to Automatic mode.
Maintenance and repair
Battery change
Before changing the battery, the device must be disconnected from the power supply! Date and time will be lost!
- Lift the battery compartment using a screwdriver.
- Take the battery out of the support.
- Insert new (Lithium battery type CR2450) battery into support. Observe polarity of the battery!
- Push battery support downward until it engages.
- Dispose of the battery in an environmentally friendly manner.
![Grasslin - talento 881 pro - Battery change Battery change]()
Grässlin GmbH
Bundesstraße 36 D-78112 St. Georgen
Germany
Phone: +49 (0) 7724 / 933-0
Fax: +49 (0) 7724 / 933-240
www.graesslin.de
info@graesslin.de

References
Download manual
Here you can download full pdf version of manual, it may contain additional safety instructions, warranty information, FCC rules, etc.
Download Grasslin talento 471/472/791/792/881/882/ PRO - Timer Manual

OK
and confirm by pressing 
OK
and confirm by pressing 
OK
and confirm by pressing
.
OK
and confirm by pressing
Delete.
and confirm by pressing
.
OK
OK
and confirm by pressing
.
OK 
OK
and confirm by pressing
.
OK
and confirm by pressing 
OK
OK
OK

OK
to scroll through the different program steps.





select the channels.
to scroll through the different program steps


