Manual de Gold's Gym Stride Trainer 380
- 1 UBICACIÓN DE LA CALCOMANÍA DE ADVERTENCIA
- 2 PRECAUCIONES IMPORTANTES
- 3 ANTES DE COMENZAR
- 4 MONTAJE
- 5 CÓMO USAR LA ELÍPTICA
- 6 MANTENIMIENTO Y RESOLUCIÓN DE PROBLEMAS
- 7 PAUTAS DE EJERCICIO
- 8 DIBUJO DESPIEZADO
- 9 LISTA DE PIEZAS
- 10 PEDIDO DE PIEZAS DE REPUESTO
- 11 GARANTÍA LIMITADA
- 12 Referencias
- 13 Descargar manual
- 14 En otros idiomas

Modelo No. GGEL62808.0
Escriba el número de serie para referencia.
¿PREGUNTAS?
Si tiene preguntas, o si las piezas están dañadas o faltan, NO SE COMUNIQUE CON LA TIENDA; comuníquese con Atención al Cliente.
Por favor, registre este producto (vea la garantía limitada en la contraportada de este manual) antes de comunicarse con Atención al Cliente.
LLAME GRATIS AL:
1-877-776-4777
Lun.–Vie. 6 a.m.–6 p.m. MT
Sáb. 8 a.m.–4 p.m. MT
EN LA WEB:
www.workoutwarehouse.com
Lea todas las precauciones e instrucciones en este manual antes de usar este equipo. Guarde este manual para futuras consultas.
UBICACIÓN DE LA CALCOMANÍA DE ADVERTENCIA
Este dibujo muestra la(s) ubicación(es) de la(s) calcomanía(s) de advertencia. Si falta una calcomanía o es ilegible, consulte la portada de este manual y solicite una calcomanía de reemplazo gratuita. Aplique la calcomanía en la ubicación que se muestra. Nota: Es posible que la(s) calcomanía(s) no se muestren en el tamaño real.

- El uso incorrecto de esta máquina puede provocar lesiones graves.
- Lea el manual del usuario antes de usarlo y siga todas las advertencias e instrucciones.
- No permita que haya niños sobre o alrededor de la máquina.
- Los pedales continúan girando cuando deja de pedalear.
- Los pedales giratorios pueden causar lesiones.
- Reduzca la velocidad del pedal de forma controlada.
- El peso del usuario no debe exceder los 250 libras.
- Reemplace la etiqueta si está dañada, es ilegible o se ha quitado.
PRECAUCIONES IMPORTANTES
Para reducir el riesgo de lesiones graves, lea todas las precauciones importantes e instrucciones en este manual y todas las advertencias en su elíptica antes de usarla. ICON no asume ninguna responsabilidad por lesiones personales o daños a la propiedad sufridos por o mediante el uso de este producto.
- Antes de comenzar cualquier programa de ejercicios, consulte a su médico. Esto es especialmente importante para personas mayores de 35 años o personas con problemas de salud preexistentes.
- Use la elíptica solo como se describe en este manual.
- Es responsabilidad del propietario asegurarse de que todos los usuarios de la elíptica estén adecuadamente informados de todas las precauciones.
- La elíptica está destinada solo para uso doméstico. No use la elíptica en un entorno comercial, de alquiler o institucional.
- Mantenga la elíptica en interiores, lejos de la humedad y el polvo. No coloque la elíptica en un garaje o patio cubierto, ni cerca del agua.
- Coloque la elíptica sobre una superficie nivelada, con al menos 3 pies (0.9 m) de espacio libre en la parte delantera y trasera de la elíptica y 2 pies (0.6 m) a cada lado. Para proteger el piso o la alfombra de daños, coloque una alfombra debajo de la elíptica.
- Inspeccione y apriete correctamente todas las piezas con regularidad. Reemplace cualquier pieza desgastada de inmediato.
- Mantenga a los niños menores de 12 años y a las mascotas alejados de la elíptica en todo momento.
- La elíptica no debe ser utilizada por personas que pesen más de 250 lbs. (113 kg).
- Use ropa adecuada mientras hace ejercicio; no use ropa suelta que pueda quedar atrapada en la elíptica. Siempre use zapatos deportivos para proteger los pies mientras hace ejercicio.
- Sujete los manubrios o los brazos de la parte superior del cuerpo al subir, bajar o usar la elíptica.
- El sensor de pulso no es un dispositivo médico. Varios factores pueden afectar la precisión de las lecturas de frecuencia cardíaca. El sensor de pulso está diseñado solo como una ayuda para el ejercicio para determinar las tendencias generales de la frecuencia cardíaca.
- La elíptica no tiene rueda libre; los pedales seguirán moviéndose hasta que se detenga el volante. Reduzca su velocidad de pedaleo de forma controlada.
- Mantenga la espalda recta mientras usa la elíptica; no arquee la espalda.
- Hacer ejercicio en exceso puede provocar lesiones graves o la muerte. Si se siente débil o si experimenta dolor mientras hace ejercicio, deténgase de inmediato y enfríe.
ANTES DE COMENZAR
Para su beneficio, lea este manual cuidadosamente antes de usar la elíptica. Si tiene preguntas después de leer este manual, consulte la portada de este manual. Para ayudarnos a asistirlo, anote el número de modelo del producto y el número de serie antes de contactarnos. El número de modelo y la ubicación de la calcomanía del número de serie se muestran al principio de este manual.
Antes de seguir leyendo, familiarícese con las piezas que están etiquetadas en el siguiente dibujo.

*La botella de agua no está incluida
MONTAJE
Para contratar a un técnico de servicio autorizado para ensamblar la elíptica, llame al 1-800-445-2480.
El montaje requiere dos personas. Coloque todas las piezas de la elíptica en un área despejada y retire todos los materiales de embalaje; no deseche los materiales de embalaje hasta que se complete el montaje.
Además de la(s) herramienta(s) incluida(s), el montaje requiere un destornillador Phillips
, una llave ajustable
y un mazo de goma
.
Consulte los dibujos a continuación para identificar las piezas pequeñas necesarias para el montaje. El número entre paréntesis debajo de cada dibujo es el número de clave de la pieza, de la LISTA DE PIEZAS cerca del final de este manual. El número que sigue al número de clave es la cantidad necesaria para el montaje. Nota: Si una pieza no está en el kit de hardware, compruebe si ha sido preensamblada. Para evitar dañar las piezas, no utilice herramientas eléctricas para el montaje.

Arandela de seguridad M8 (28)–6

Arandela M8 (55)–8

Arandela de seguridad M10 (45)–2

Arandela M10 (83)–2

Arandela ondulada pequeña (69)–2

Arandela ondulada grande (76)–2

Tuerca de seguridad M8 (38)–8

Tuerca de seguridad M10 (33)–2

Tornillo romo M4 x 10 mm (82)–2

Tornillo autorroscante M4 x 16 mm (52)–10

Tornillo de parche M6 x 13 mm (81)–2

Juego de pernos M6 (25)–2

Tornillo de botón M8 x 14 mm (27)–6

Tornillo de parche M8 x 25 mm (56)–2

Perno de botón M8 x 43 mm (50)–6

Perno de parche M8 x 80 mm (79)–2

Tornillo de parche M10 x 25 mm (40)–2

Perno de botón M10 x 74 mm (7)–2

Perno de botón M10 x 78 mm (34)–4
- Identifique el Estabilizador delantero (63), que tiene Ruedas (21).
Oriente el Estabilizador delantero (63) de modo que los orificios pequeños queden hacia abajo.
Mientras una segunda persona levanta la parte delantera del Bastidor (1), fije el Estabilizador delantero (63) al Bastidor con dos Pernos de botón M10 x 78 mm (34).
- Inserte la Cubierta del estabilizador delantero (68) en el Estabilizador delantero (63).
Fije la Cubierta del estabilizador delantero (68) con dos Tornillos autorroscantes M4 x 16 mm (52).
- Mientras una segunda persona levanta la parte trasera del Bastidor (1), fije el Estabilizador trasero (9) al Bastidor con dos Pernos de botón M10 x 78 mm (34).
![Gold's Gym - Stride Trainer 380 - Paso 3 del MONTAJE Paso 3 del MONTAJE]()
- Inserte la Cubierta del estabilizador trasero (67) en el Estabilizador trasero (9).
Fije la Cubierta del estabilizador trasero (67) con dos Tornillos autorroscantes M4 x 16 mm (52).
- Oriente el Montante (2) como se muestra. Pídale a una segunda persona que sostenga el Montante cerca del Bastidor (1).
Consulte el dibujo insertado. Localice la brida en el Montante (2). Ate el extremo inferior de la brida al Mazo de cables (73). A continuación, tire del extremo superior de la brida hacia arriba para sacarlo de la parte superior del Montante. A continuación, desate y deseche la brida.
Consejo: Para evitar que el Mazo de cables (73) se caiga dentro del Montante (2), asegure el Mazo de cables con una goma elástica o un trozo de cinta adhesiva.
Deslice el Montante (2) sobre el Bastidor (1).
Consejo: Evite pellizcar el Mazo de cables (73). Fije el Montante (2) con dos Pernos de botón M10 x 74 mm (7), dos Arandelas de seguridad M10 (45) y dos Tuercas de seguridad M10 (33). No apriete los Pernos de botón todavía.
![Gold's Gym - Stride Trainer 380 - Paso 5 del MONTAJE Paso 5 del MONTAJE]()
- Fije el Portabotellas de agua (29) al Montante (2) con dos Tornillos autorroscantes M4 x 16 mm (52).
Identifique y oriente la Cubierta de la consola (88) como se muestra.
Deslice la Cubierta de la consola (88) sobre el Montante (2).
- Identifique los Manillares izquierdo y derecho (85, 86), que están marcados con adhesivos "Left" (Izquierdo) y "Right" (Derecho).
Mientras una segunda persona sostiene los Manillares izquierdo y derecho (85, 86) cerca del Montante (2), inserte los Cables de pulso (84) en los orificios del Montante y tire de ellos hacia arriba para sacarlos del Montante.
Consejo: Evite pellizcar los cables. Fije los Manillares izquierdo y derecho (85, 86) al Montante (2) con un Perno de parche M8 x 80 mm (79) y una Tuerca de seguridad M8 (38). No apriete el Perno de parche todavía.
Asegúrese de que el Perno de parche M8 x 80 mm (79) se inserte a través del orificio inferior de los Manillares izquierdo y derecho (85, 86) y el Montante (2).
![Gold's Gym - Stride Trainer 380 - Paso 7 del MONTAJE Paso 7 del MONTAJE]()
- Mientras una segunda persona sostiene la Placa de la consola (75) cerca del Montante (2), inserte el Mazo de cables (73) y los Cables de pulso (84) hacia arriba a través de la Placa de la consola.
Consejo: Evite pellizcar los cables. Fije la Placa de la consola (75) al Montante (2) con dos Tornillos de parche M6 x 13 mm (81).
- La Consola (23) puede utilizar cuatro pilas D (no incluidas); se recomiendan pilas alcalinas.
Si la Consola ha estado expuesta a temperaturas frías, deje que se caliente a temperatura ambiente antes de insertar las pilas. De lo contrario, podría dañar las pantallas de la consola u otros componentes electrónicos.
Retire la tapa de las pilas e inserte las pilas en los compartimentos de las pilas. Asegúrese de orientar las pilas como se muestra en los diagramas dentro de los compartimentos de las pilas. A continuación, vuelva a colocar la tapa de las pilas. Nota: La tapa de las pilas puede estar fijada con tornillos.
Para comprar un adaptador de corriente opcional, llame al número de teléfono que aparece en la portada de este manual. Para evitar dañar la consola, utilice únicamente un adaptador de corriente suministrado por el fabricante. Enchufe un extremo del adaptador de corriente en el receptáculo de la consola; enchufe el otro extremo en una toma de corriente instalada de acuerdo con todos los códigos y ordenanzas locales.
- Mientras otra persona sostiene la Consola (23) cerca del Montante (2), conecte los cables de la consola al Mazo de cables (73) y a los Cables de pulso (84).
Inserte el cable sobrante en la Consola (23) o en el Montante (2).
Consejo: Evite pellizcar los cables. Consulte el dibujo inferior. Fije la Consola (23) a la Placa de la consola (75) con cuatro Tornillos autorroscantes M4 x 16 mm (52).
- Termine de fijar los Manillares izquierdo y derecho (85, 86) al Montante (2) con un Perno de parche M8 x 80 mm (79) y una Tuerca de seguridad M8 (38).
Consejo: Mientras inserta el Perno de parche M8 x 80 mm (79), evite pellizcar o dañar los cables dentro del Montante (2).
Apriete ambos Pernos de parche M8 x 80 mm (79).
![Gold's Gym - Stride Trainer 380 - Paso 11 del MONTAJE Paso 11 del MONTAJE]()
- Deslice la Cubierta de la consola (88) hacia arriba hasta la Consola (23).
Fije la Cubierta de la consola (88) a los Manillares izquierdo y derecho (85, 86) con dos Tornillos romos M4 x 10 mm (82).
- Identifique el Brazo superior del cuerpo derecho (8), que está marcado con un adhesivo "R".
Deslice una Cubierta del brazo superior del cuerpo (90) hacia arriba sobre el Brazo superior del cuerpo derecho (8).
Deslice el Brazo superior del cuerpo derecho (8) sobre una Pata superior del cuerpo (5).
Consejo: Pídale a una segunda persona que sostenga la Cubierta del brazo superior del cuerpo (90) mientras realiza esta acción:
Fije el Brazo superior del cuerpo derecho (8) a la Pata superior del cuerpo (5) con tres Pernos de botón M8 x 43 mm (50) y tres Tuercas de seguridad M8 (38). Asegúrese de que las Tuercas de seguridad estén dentro de los orificios hexagonales.
Ensamble el Brazo superior del cuerpo izquierdo (6) y la otra Pata superior del cuerpo (5) de la misma manera.
![Gold's Gym - Stride Trainer 380 - Paso 13 del MONTAJE Paso 13 del MONTAJE]()
- Inserte el Eje de pivote (26) en el Montante (2) y centre el Eje de pivote.
Aplique una cantidad generosa de la grasa incluida a ambos extremos del Eje de pivote (26).
Oriente un Espaciador del brazo superior del cuerpo (47) de modo que la flecha apunte hacia el suelo. Deslice el Espaciador del brazo superior del cuerpo sobre el Eje de pivote (26).
Deslice una Arandela ondulada pequeña (69) sobre el Eje de pivote (26). A continuación, deslice el Brazo superior del cuerpo derecho (8) sobre el Eje de pivote.
Fije el Brazo superior del cuerpo derecho (8) con un Tornillo de parche M8 x 25 mm (56) y una Arandela M8 (55).
Deslice la Cubierta del brazo superior del cuerpo derecho (90) hacia arriba. A continuación, presione las lengüetas de una Tapa del eje (46) en el Espaciador del brazo superior del cuerpo (47).
Deslice la Cubierta del brazo superior del cuerpo (90) hacia abajo para cubrir los Pernos de botón M8 x 43 mm (no se muestran).
Repita este paso para el otro lado de la elíptica.
- Identifique el Pedal derecho (14) y el Brazo del pedal derecho (12), que están marcados con adhesivos "Right" (Derecho), y oriéntelos como se muestra.
Fije el Pedal derecho (14) al Brazo del pedal derecho (12) con tres Tornillos de botón M8 x 14 mm (27), tres Arandelas de seguridad M8 (28) y tres Arandelas M8 (55).
Ensamble el Pedal izquierdo (no se muestra) y el Brazo del pedal izquierdo (no se muestra) de la misma manera.
![Gold's Gym - Stride Trainer 380 - Paso 15 del MONTAJE Paso 15 del MONTAJE]()
- Aplique una pequeña cantidad de grasa al eje de la Barra transversal del disco derecho (16) y a una Arandela ondulada grande (76).
Deslice la Arandela ondulada grande (76) y el Brazo del pedal derecho (12) sobre el eje de la Barra transversal del disco derecho (16).
Deslice una Arandela M10 (83) sobre un Tornillo de parche M10 x 25 mm (40) y apriete el Tornillo de parche en el eje.
A continuación, presione una Tapa del brazo del pedal (74) en el Brazo del pedal derecho (12).
Repita este paso para el otro lado de la elíptica.
- Aplique una pequeña cantidad de grasa a un Juego de pernos M6 (25).
Sostenga el extremo del Brazo del pedal derecho (12) dentro del soporte de la Pata superior del cuerpo derecho (5).
Fije la Pata superior del cuerpo derecho (5) al Brazo del pedal derecho (12) con el Juego de pernos M6 (25). No apriete demasiado el Juego de pernos; la Pata superior del cuerpo derecho debe pivotar libremente.
Identifique las Cubiertas de la pata superior del cuerpo izquierda y derecha (80, 89), que están marcadas con adhesivos "Left" (Izquierda) y "Right" (Derecha), y oriéntelas como se muestra.
Presione las lengüetas de las Cubiertas de la pata superior del cuerpo izquierda y derecha (80, 89) para fijarlas alrededor de la Pata superior del cuerpo derecho (5).
Repita este paso para el otro lado de la elíptica.
Consulte el paso 5. Apriete los Pernos de botón M10 x 74 mm (7).
- Asegúrese de que todas las piezas de la elíptica estén bien apretadas. Nota: Es posible que sobre algo de hardware una vez completado el montaje. Para proteger el suelo o la alfombra de daños, coloque una alfombrilla debajo de la elíptica.
CÓMO USAR LA ELÍPTICA
CÓMO MOVER LA ELÍPTICA
Debido al tamaño y peso de la elíptica, moverla requiere de dos personas. Párese frente a la elíptica, sostenga el montante y coloque un pie contra una de las ruedas delanteras. Tire del montante y pídale a una segunda persona que levante el estabilizador trasero hasta que la elíptica ruede sobre las ruedas. Mueva con cuidado la elíptica a la ubicación deseada y luego bájela al piso.

CÓMO NIVELAR LA ELÍPTICA
Si la elíptica se balancea ligeramente en su piso durante el uso, gire uno o ambos pies niveladores debajo del estabilizador trasero hasta que se elimine el movimiento de balanceo.

CÓMO HACER EJERCICIO EN LA ELÍPTICA
Para subirse a la elíptica, sostenga los manubrios o los brazos superiores y pise el pedal que esté en la posición más baja. Luego, pise el otro pedal.

Empuje los pedales hasta que comiencen a moverse con un movimiento continuo. Nota: Los discos de los pedales pueden girar en cualquier dirección. Se recomienda que mueva los discos de los pedales en la dirección que muestra la flecha; sin embargo, para variar, puede girar los discos de los pedales en la dirección opuesta.
Para desmontar la elíptica, espere hasta que los pedales se detengan por completo. Nota: La elíptica no tiene una rueda libre; los pedales continuarán moviéndose hasta que se detenga el volante. Cuando los pedales estén estacionarios, baje primero del pedal más alto. Luego, baje del pedal más bajo.
DIAGRAMA DE LA CONSOLA

CARACTERÍSTICAS DE LA CONSOLA
La consola avanzada ofrece una variedad de características diseñadas para hacer que sus entrenamientos sean más efectivos y agradables.
Cuando selecciona el modo manual de la consola, puede cambiar la resistencia de los pedales con solo tocar un botón. Mientras hace ejercicio, la consola le proporcionará información continua sobre el ejercicio. Incluso puede medir su frecuencia cardíaca utilizando el sensor de pulso de agarre manual.
La consola también ofrece seis entrenamientos preestablecidos. Cada entrenamiento cambia automáticamente la resistencia de los pedales y le indica que varíe su ritmo de pedaleo mientras lo guía a través de un entrenamiento efectivo.
Nota: Antes de usar la consola, asegúrese de que las baterías estén instaladas (consulte el paso de ensamblaje 9). Si hay una lámina de plástico en la consola, retire el plástico.
CÓMO USAR EL MODO MANUAL
- Encienda la consola.
Para encender la consola, presione cualquier botón o comience a pedalear. La pantalla se iluminará y la consola estará lista para usar. - Seleccione el modo manual.
Cada vez que enciende la consola, se seleccionará el modo manual.
Si ha seleccionado un entrenamiento, vuelva a seleccionar el modo manual presionando el botón Smart Workouts repetidamente hasta que aparezcan ceros en la pantalla.
![Gold's Gym - Stride Trainer 380 - CÓMO USAR EL MODO MANUAL Paso 1 CÓMO USAR EL MODO MANUAL Paso 1]()
- Comience a pedalear y cambie la resistencia de los pedales según lo desee.
Mientras pedalea, cambie la resistencia de los pedales girando el dial de Resistencia (Resistance dial).
Para aumentar la resistencia, gire el dial de Resistencia (Resistance dial) en el sentido de las agujas del reloj; para disminuir la resistencia, gire el dial de Resistencia (Resistance dial) en el sentido contrario a las agujas del reloj. Nota: Después de cambiar la resistencia, los pedales tardarán un momento en alcanzar el nivel de resistencia seleccionado.
![Gold's Gym - Stride Trainer 380 - CÓMO USAR EL MODO MANUAL Paso 2 CÓMO USAR EL MODO MANUAL Paso 2]()
- Siga su progreso con la pantalla.
La sección superior de la pantalla mostrará el tiempo transcurrido y la distancia (número total de revoluciones) que ha pedaleado. La pantalla cambiará de modo cada pocos segundos.
Nota: Cuando selecciona un entrenamiento preestablecido, la pantalla mostrará el tiempo restante en el entrenamiento en lugar del tiempo transcurrido.
![Gold's Gym - Stride Trainer 380 - CÓMO USAR EL MODO MANUAL Paso 3 CÓMO USAR EL MODO MANUAL Paso 3]()
La segunda sección de la pantalla mostrará su ritmo de pedaleo en revoluciones por minuto (rpm).
![Gold's Gym - Stride Trainer 380 - CÓMO USAR EL MODO MANUAL Paso 4 CÓMO USAR EL MODO MANUAL Paso 4]()
La tercera sección de la pantalla mostrará el número aproximado de calorías que ha quemado y el nivel de resistencia de los pedales. La pantalla cambiará de modo cada pocos segundos.
![Gold's Gym - Stride Trainer 380 - CÓMO USAR EL MODO MANUAL Paso 5 CÓMO USAR EL MODO MANUAL Paso 5]()
La pantalla también mostrará su frecuencia cardíaca cuando use el sensor de pulso de agarre manual (consulte el paso 5).
La última sección de la pantalla mostrará una pista que representa 640 revoluciones (1/4 de milla o 400 metros). Mientras hace ejercicio, aparecerán indicadores sucesivamente alrededor de la pista hasta que aparezca toda la pista. Luego, la pista desaparecerá y los indicadores comenzarán a aparecer nuevamente en sucesión.
![Gold's Gym - Stride Trainer 380 - CÓMO USAR EL MODO MANUAL Paso 6 CÓMO USAR EL MODO MANUAL Paso 6]()
Para ver la distancia total pedaleada desde que se compró la elíptica y el número total de horas que se ha utilizado la elíptica, mantenga presionado el botón Smart Workouts durante varios segundos.
La distancia total pedaleada aparecerá en la primera sección de la pantalla. El número total de horas que se ha utilizado la elíptica aparecerá en la tercera sección de la pantalla. Para volver al modo manual, presione el botón Smart Workouts.
![Gold's Gym - Stride Trainer 380 - CÓMO USAR EL MODO MANUAL Paso 7 CÓMO USAR EL MODO MANUAL Paso 7]()
- Mida su frecuencia cardíaca si lo desea.
Si hay láminas de plástico en los contactos metálicos del sensor de pulso de agarre manual, retire el plástico. A continuación, sostenga el sensor de pulso de agarre manual con las palmas de las manos apoyadas en los contactos metálicos. Evite mover las manos o apretar los contactos con fuerza.
![Gold's Gym - Stride Trainer 380 - CÓMO USAR EL MODO MANUAL Paso 8 CÓMO USAR EL MODO MANUAL Paso 8]()
Cuando se detecte su pulso, un símbolo en forma de corazón parpadeará en la pantalla cada vez que su corazón lata y luego se mostrará su frecuencia cardíaca. Para obtener la lectura de frecuencia cardíaca más precisa, sostenga los contactos durante al menos 15 segundos.
Si no se muestra su frecuencia cardíaca, asegúrese de que sus manos estén colocadas como se describe. Tenga cuidado de no mover las manos en exceso ni de apretar los contactos metálicos con fuerza. Para un rendimiento óptimo, limpie los contactos metálicos con un paño suave; nunca use alcohol, abrasivos o productos químicos para limpiar los contactos. - Cuando termine de hacer ejercicio, la consola se apagará automáticamente.
Si los pedales no se mueven durante unos segundos, el tiempo comenzará a parpadear en la pantalla y la consola se pausará.
Si los pedales no se mueven durante unos minutos y no se presiona ningún botón, la consola se apagará y la pantalla se restablecerá.
CÓMO USAR UN ENTRENAMIENTO PREESTABLECIDO
- Encienda la consola.
Para encender la consola, presione cualquier botón o comience a pedalear. La pantalla se iluminará y la consola estará lista para usar. - Seleccione un entrenamiento preestablecido.
Para seleccionar un entrenamiento preestablecido, presione el botón Smart Workouts repetidamente hasta que aparezca el número del entrenamiento deseado en la pantalla.
La primera sección de la pantalla mostrará la duración del entrenamiento. Un perfil de los niveles de resistencia para el entrenamiento se desplazará por la última sección de la pantalla. Nota: Los perfiles completos de los entrenamientos preestablecidos están impresos en los lados de la consola.
![Gold's Gym - Stride Trainer 380 - CÓMO USAR UN ENTRENAMIENTO PREESTABLECIDO Paso 1 CÓMO USAR UN ENTRENAMIENTO PREESTABLECIDO Paso 1]()
- Comience el entrenamiento.
Presione el botón Workout Start (Comenzar entrenamiento) o comience a pedalear para comenzar el entrenamiento.
Cada entrenamiento se divide en 30 segmentos de un minuto. Se programa un nivel de resistencia y una configuración de ritmo para cada segmento. Nota: Se puede programar el mismo nivel de resistencia y/o configuración de ritmo para segmentos consecutivos.
Durante el entrenamiento, el perfil del entrenamiento mostrará su progreso. El segmento parpadeante del perfil representa el segmento actual del entrenamiento.
La altura del segmento parpadeante indica el nivel de resistencia para el segmento actual. Al final de cada segmento del entrenamiento, sonará una serie de tonos y el siguiente segmento del perfil comenzará a parpadear. Si se programa un nivel de resistencia diferente para el siguiente segmento, el nivel de resistencia parpadeará en la pantalla central durante unos segundos para alertarlo. Luego, la resistencia de los pedales cambiará.
Mientras hace ejercicio, la pantalla le indicará que mantenga su ritmo de pedaleo cerca de la configuración de ritmo para el segmento actual. Cuando aparezca la palabra "faster" (más rápido) en la pantalla, aumente su ritmo. Cuando aparezca la palabra "slower" (más lento), disminuya su ritmo. Cuando el centro del objetivo parpadee, mantenga su ritmo actual.
![Gold's Gym - Stride Trainer 380 - CÓMO USAR UN ENTRENAMIENTO PREESTABLECIDO Paso 2 CÓMO USAR UN ENTRENAMIENTO PREESTABLECIDO Paso 2]()
Las configuraciones de ritmo están destinadas solo a proporcionar motivación. Su ritmo real puede ser más lento que las configuraciones de ritmo. Asegúrese de pedalear a un ritmo que sea cómodo para usted.
Si el nivel de resistencia para el segmento actual es demasiado alto o demasiado bajo, puede anular manualmente el nivel girando el dial de Resistencia (Resistance dial).
Cuando finaliza el segmento actual del entrenamiento, los pedales se ajustarán automáticamente a la configuración de resistencia para el siguiente segmento.
Si deja de pedalear durante varios segundos, el tiempo comenzará a parpadear en la pantalla. Para reiniciar el entrenamiento, presione el botón Workout Start (Comenzar entrenamiento) o simplemente reanude el pedaleo.
El entrenamiento continuará hasta que la pantalla muestre un tiempo de 0:00. Si continúa pedaleando después de que se complete el entrenamiento, la pantalla continuará mostrando información sobre el ejercicio; sin embargo, la pantalla no mostrará el tiempo transcurrido hasta que seleccione el modo manual o un nuevo entrenamiento. - Siga su progreso con la pantalla.
- Mida su frecuencia cardíaca si lo desea.
- Cuando termine de hacer ejercicio, la consola se apagará automáticamente.
MANTENIMIENTO Y RESOLUCIÓN DE PROBLEMAS
Inspeccione y apriete todas las partes de la elíptica con regularidad. Reemplace cualquier pieza desgastada inmediatamente. Para limpiar la elíptica, use un paño húmedo y una pequeña cantidad de jabón lavavajillas suave.
Mantenga los líquidos alejados de la consola y mantenga la consola fuera de la luz solar directa. Durante el almacenamiento, retire las baterías de la consola.
RESOLUCIÓN DE PROBLEMAS DE LA CONSOLA
Si las pantallas de la consola se atenúan, reemplace todas las baterías al mismo tiempo; la mayoría de los problemas de la consola son el resultado de baterías bajas. Consulte el paso 9 del ensamblaje para obtener instrucciones de reemplazo.
CÓMO AJUSTAR EL INTERRUPTOR DE LÁMINAS
Si la consola no muestra la retroalimentación correcta, se debe ajustar el interruptor de láminas.
Para ajustar el interruptor de láminas, debe quitar las cubiertas del estabilizador, los brazos del pedal, el disco del pedal derecho y el protector derecho.
Primero, retire las cubiertas del estabilizador delantero y trasero.
A continuación, retire los brazos del pedal izquierdo y derecho (11, 12).
Luego, retire los tornillos (51) del disco del pedal derecho (15) y retire el disco del pedal derecho.

Retire todos los tornillos (52, 64) del protector derecho (4), retire los dos pernos (41) y retire el protector derecho.
Ubique el interruptor de láminas (53). Afloje, pero no retire, el tornillo autorroscante M4 x 16 mm (52).

A continuación, gire las barras transversales del disco (16) hasta que un imán (58) esté alineado con el interruptor de láminas (53). Deslice el interruptor de láminas ligeramente hacia o lejos del imán. Luego, vuelva a apretar el tornillo autorroscante (52).
Gire las barras transversales del disco (16) por un momento. Repita estas acciones hasta que la consola muestre la retroalimentación correcta.
Cuando el interruptor de láminas esté correctamente ajustado, vuelva a colocar el protector derecho, el disco del pedal derecho, los brazos del pedal y las cubiertas del estabilizador.
CÓMO AJUSTAR LA BANDA DE TRANSMISIÓN
Si puede sentir que los pedales se deslizan mientras pedalea, incluso cuando la resistencia está ajustada al nivel más alto, es posible que sea necesario ajustar la banda de transmisión.
Para ajustar la banda de transmisión, debe quitar las cubiertas del estabilizador, los brazos del pedal, el disco del pedal derecho y ambos protectores.
Primero, retire las cubiertas del estabilizador delantero y trasero.
A continuación, retire los brazos del pedal izquierdo y derecho (11, 12).
Luego, retire los tornillos (51) del disco del pedal derecho (15) y retire el disco del pedal derecho.

Retire todos los tornillos (52, 64) del protector derecho (4), retire los dos pernos (41) y retire el protector derecho.
Retire todos los tornillos (52) del protector izquierdo (3) y retire el protector izquierdo.
A continuación, afloje el tornillo de cabeza plana M8 x 22 mm (65) y gire el perno de botón M10 x 60 mm (62) hasta que la banda de transmisión (19) esté apretada.

Cuando la banda de transmisión (19) esté apretada, apriete el tornillo de cabeza plana M8 x 22 mm (65).
Luego, vuelva a colocar los protectores, el disco del pedal derecho, los brazos del pedal y las cubiertas del estabilizador.
PAUTAS DE EJERCICIO
Antes de comenzar este o cualquier programa de ejercicios, consulte a su médico. Esto es especialmente importante para personas mayores de 35 años o personas con problemas de salud preexistentes. El sensor de pulso no es un dispositivo médico.
Varios factores pueden afectar la precisión de las lecturas de la frecuencia cardíaca. El sensor de pulso está destinado únicamente como una ayuda para el ejercicio en la determinación de las tendencias generales de la frecuencia cardíaca.
Estas pautas le ayudarán a planificar su programa de ejercicios. Para obtener información detallada sobre el ejercicio, obtenga un libro de buena reputación o consulte a su médico. Recuerde, una nutrición adecuada y un descanso adecuado son esenciales para obtener resultados exitosos.
INTENSIDAD DEL EJERCICIO
Ya sea que su objetivo sea quemar grasa o fortalecer su sistema cardiovascular, ejercitarse a la intensidad adecuada es la clave para lograr resultados. Puede usar su frecuencia cardíaca como guía para encontrar el nivel de intensidad adecuado. La siguiente tabla muestra las frecuencias cardíacas recomendadas para quemar grasa y hacer ejercicio aeróbico.

Para encontrar el nivel de intensidad adecuado, busque su edad en la parte inferior de la tabla (las edades se redondean a los diez años más cercanos). Los tres números que figuran encima de su edad definen su "zona de entrenamiento". El número más bajo es la frecuencia cardíaca para quemar grasa, el número medio es la frecuencia cardíaca para quemar grasa al máximo y el número más alto es la frecuencia cardíaca para el ejercicio aeróbico.
Quema de grasa: para quemar grasa de manera efectiva, debe hacer ejercicio a un nivel de baja intensidad durante un período de tiempo prolongado. Durante los primeros minutos de ejercicio, su cuerpo utiliza calorías de carbohidratos para obtener energía. Solo después de los primeros minutos de ejercicio su cuerpo comienza a usar las calorías de grasa almacenadas para obtener energía. Si su objetivo es quemar grasa, ajuste la intensidad de su ejercicio hasta que su frecuencia cardíaca esté cerca del número más bajo en su zona de entrenamiento. Para quemar grasa al máximo, haga ejercicio con su frecuencia cardíaca cerca del número medio en su zona de entrenamiento.
Ejercicio aeróbico: si su objetivo es fortalecer su sistema cardiovascular, debe realizar ejercicio aeróbico, que es una actividad que requiere grandes cantidades de oxígeno durante períodos prolongados de tiempo. Para el ejercicio aeróbico, ajuste la intensidad de su ejercicio hasta que su frecuencia cardíaca esté cerca del número más alto en su zona de entrenamiento.
PAUTAS DE ENTRENAMIENTO
Calentamiento: comience con 5 a 10 minutos de estiramiento y ejercicio ligero. Un calentamiento aumenta la temperatura corporal, la frecuencia cardíaca y la circulación en preparación para el ejercicio.
Ejercicio en la zona de entrenamiento: haga ejercicio durante 20 a 30 minutos con su frecuencia cardíaca en su zona de entrenamiento. (Durante las primeras semanas de su programa de ejercicios, no mantenga su frecuencia cardíaca en su zona de entrenamiento por más de 20 minutos). Respire regular y profundamente mientras hace ejercicio; nunca contenga la respiración.
Enfriamiento: termine con 5 a 10 minutos de estiramiento. El estiramiento aumenta la flexibilidad de sus músculos y ayuda a prevenir problemas posteriores al ejercicio.
FRECUENCIA DEL EJERCICIO
Para mantener o mejorar su condición, complete tres entrenamientos cada semana, con al menos un día de descanso entre entrenamientos. Después de unos meses de ejercicio regular, puede completar hasta cinco entrenamientos cada semana, si lo desea. Recuerde, la clave del éxito es hacer del ejercicio una parte regular y agradable de su vida cotidiana.
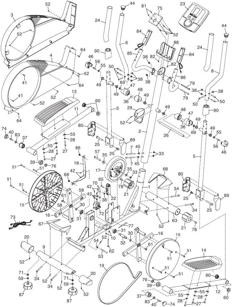
DIBUJO DESPIEZADO

LISTA DE PIEZAS
| Nº de pieza | Cant. | Descripción |
| 1 | 1 | Marco |
| 2 | 1 | Vertical |
| 3 | 1 | Protector izquierdo |
| 4 | 1 | Protector derecho |
| 5 | 2 | Pata superior del cuerpo |
| 6 | 1 | Brazo superior izquierdo del cuerpo |
| 7 | 2 | Tornillo de botón M10 x 74mm |
| 8 | 1 | Brazo superior derecho del cuerpo |
| 9 | 1 | Estabilizador trasero |
| 10 | 2 | Tuerca de seguridad M5 |
| 11 | 1 | Brazo de pedal izquierdo |
| 12 | 1 | Brazo de pedal derecho |
| 13 | 1 | Pedal izquierdo |
| 14 | 1 | Pedal derecho |
| 15 | 2 | Disco de pedal |
| 16 | 2 | Barra transversal del disco |
| 17 | 1 | Volante de inercia |
| 18 | 1 | Soporte del protector |
| 19 | 1 | Correa de transmisión |
| 20 | 2 | Tapa del estabilizador trasero |
| 21 | 2 | Rueda |
| 22 | 1 | Tensor de la correa |
| 23 | 1 | Consola |
| 24 | 2 | Empuñadura de espuma |
| 25 | 2 | Juego de pernos M6 |
| 26 | 1 | Eje de pivote |
| 27 | 6 | Tornillo de botón M8 x 14mm |
| 28 | 6 | Arandela de seguridad M8 |
| 29 | 1 | Portabotellas |
| 30 | 2 | Anillo elástico grande |
| 31 | 2 | Cojinete grande |
| 32 | 1 | Eje del pedal |
| 33 | 3 | Tuerca de seguridad M10 |
| 34 | 4 | Tornillo de botón M10 x 78mm |
| 35 | 2 | Arandela M10 |
| 36 | 2 | Tornillo M3 x 16mm |
| 37 | 2 | Buje exterior del brazo del pedal |
| 38 | 9 | Tuerca de seguridad M8 |
| 39 | 2 | Buje interior del brazo del pedal |
| 40 | 2 | Tornillo de parche M10 x 25mm |
| 41 | 2 | Perno M6 x 18mm |
| 42 | 4 | Tornillo M5 x 16mm |
| 43 | 4 | Arandela M5 |
| 44 | 2 | Tapa pequeña del brazo superior del cuerpo |
| 45 | 2 | Arandela de seguridad M10 |
| 46 | 2 | Tapa del eje |
| 47 | 2 | Separador del brazo superior del cuerpo |
| 48 | 2 | Separador del marco |
| 49 | 6 | Buje del brazo superior del cuerpo |
| 50 | 6 | Tornillo de botón M8 x 43mm |
| 51 | 8 | Tornillo M6 x 28mm |
| 52 | 19 | Tornillo autorroscante M4 x 16mm |
| 53 | 1 | Interruptor/cable Reed |
| 54 | 1 | Abrazadera |
| 55 | 8 | Arandela M8 |
| 56 | 2 | Tornillo de parche M8 x 25mm |
| 57 | 1 | Eje del volante de inercia |
| 58 | 2 | Imán |
| 59 | 2 | Arandela del pie nivelador |
| 60 | 4 | Buje delantero del brazo del pedal |
| 61 | 2 | Perno hexagonal de 3/8" x 12.7mm |
| 62 | 1 | Tornillo de botón M10 x 60mm |
| 63 | 1 | Estabilizador delantero |
| 64 | 4 | Tornillo M4 x 25mm |
| 65 | 1 | Tornillo de cabeza plana M8 x 22mm |
| 66 | 2 | Tuerca de seguridad M6 |
| 67 | 1 | Cubierta del estabilizador trasero |
| 68 | 1 | Cubierta del estabilizador delantero |
| 69 | 2 | Arandela ondulada pequeña |
| 70 | 2 | Tornillo M5 x 20mm |
| 71 | 2 | Tuerca |
| 72 | 1 | Motor de resistencia |
| 73 | 1 | Mazo de cables |
| 74 | 2 | Tapa del brazo del pedal |
| 75 | 1 | Placa de la consola |
| 76 | 2 | Arandela ondulada grande |
| 77 | 1 | Cable de resistencia |
| 78 | 2 | Tornillo de hombro M10 x 41mm |
| 79 | 2 | Perno de parche M8 x 80mm |
| 80 | 2 | Cubierta izquierda de la pata superior del cuerpo |
| 81 | 2 | Tornillo de parche M6 x 13mm |
| 82 | 2 | Tornillo romo M4 x 10mm |
| 83 | 2 | Arandela M10 |
| 84 | 2 | Sensor/cable de pulso |
| 85 | 1 | Manillar izquierdo |
| 86 | 1 | Manillar derecho |
| 87 | 2 | Pie nivelador |
| 88 | 1 | Cubierta de la consola |
| 89 | 2 | Cubierta derecha de la pata superior del cuerpo |
| 90 | 2 | Cubierta del brazo superior del cuerpo |
| * | – | Herramienta de montaje |
| * | – | Paquete de grasa |
| * | – | Manual del usuario |
Nota: Las especificaciones están sujetas a cambios sin previo aviso. Para obtener información sobre cómo pedir piezas de repuesto, consulte la contraportada de este manual. *Estas piezas no están ilustradas.
PEDIDO DE PIEZAS DE REPUESTO
Para pedir piezas de repuesto, consulte la portada de este manual. Para ayudarnos a atenderle, tenga a mano la siguiente información cuando se ponga en contacto con nosotros:
- el número de modelo y el número de serie del producto (consulte la portada de este manual)
- el nombre del producto (consulte la portada de este manual)
- el número de clave y la descripción de la(s) pieza(s) de repuesto (consulte la LISTA DE PIEZAS y el DESPIECE cerca del final de este manual)
GARANTÍA LIMITADA
Debe registrar este producto en un plazo de 30 días a partir de la fecha de compra para evitar cargos adicionales por el servicio necesario bajo garantía. Vaya a www.workoutwarehouse.com/registration
ICON Health & Fitness, Inc. (ICON) garantiza que este producto está libre de defectos de mano de obra y materiales, bajo condiciones normales de uso y servicio. Las piezas y la mano de obra están garantizadas por noventa (90) días a partir de la fecha de compra.
Esta garantía se extiende únicamente al comprador original. La obligación de ICON bajo esta garantía se limita a reparar o reemplazar, a opción de ICON, el producto a través de uno de sus centros de servicio autorizados. Todas las reparaciones para las que se presenten reclamaciones de garantía deben ser preautorizadas por ICON. Si el producto se envía a un centro de servicio, los gastos de transporte hacia y desde el centro de servicio serán responsabilidad del cliente. Para las piezas de repuesto enviadas mientras el producto está en garantía, el cliente será responsable de un cargo mínimo de manipulación. Para el servicio a domicilio, el cliente será responsable de un cargo mínimo por desplazamiento. Esta garantía no se extiende a ningún daño a un producto causado por o atribuible a daños de transporte, abuso, uso indebido, uso inapropiado o anormal, o reparaciones no proporcionadas por un centro de servicio autorizado por ICON; a productos utilizados con fines comerciales o de alquiler o como modelos de exhibición en tiendas; o a productos transportados o comprados fuera de los EE. UU. ICON no autoriza ninguna otra garantía más allá de la establecida específicamente anteriormente.
ICON no es responsable de los daños indirectos, especiales o consecuentes que surjan de o en relación con el uso o el rendimiento del producto; los daños con respecto a cualquier pérdida económica, pérdida de propiedad, pérdida de ingresos o ganancias, pérdida de disfrute o uso, o los costos de remoción o instalación; u otros daños consecuentes de cualquier naturaleza. Algunos estados no permiten la exclusión o limitación de daños incidentales o consecuentes. En consecuencia, es posible que la limitación anterior no se aplique en su caso.
La garantía extendida en este documento sustituye a todas y cada una de las demás garantías, y cualquier garantía implícita de comerciabilidad o idoneidad para un propósito particular se limita en su alcance y duración a los términos establecidos en este documento. Algunos estados no permiten limitaciones sobre la duración de una garantía implícita. En consecuencia, es posible que la limitación anterior no se aplique en su caso.
Esta garantía le otorga derechos legales específicos. También puede tener otros derechos que varían de un estado a otro.
ICON Health & Fitness, Inc., 1500 S. 1000 W., Logan, UT 84321-9813
GOLD'S GYM es una marca registrada de Gold's Gym International, Inc. Este producto se fabrica y distribuye bajo licencia de Gold's Gym Merchandising, Inc.
© 2010 ICON IP, Inc.

Referencias
Equipo de ejercicio y acondicionamiento físico en el hogar | ProForm
http://www.workoutwarehouse.com/registration
Descargar manual
Aquí puedes descargar la versión completa en pdf del manual, puede contener instrucciones de seguridad adicionales, información de garantía, reglas de la FCC, etc.
Descargar Manual de Gold's Gym Stride Trainer 380















