Bosch POPIT D9127U, D9127T - Manual de Instalación del Módulo

Descripción general
Los módulos POPIT de la serie D9127 incluyen el D9127T (con interruptor magnético de manipulación) y el D9127U (sin manipulación). Se utilizan con un panel de control compatible para expandirse más allá de su número estándar de puntos de inicio integrados. La expansión futura del sistema es muy económica, ya que los POPIT de la serie D9127 se pueden agregar en cualquier lugar a lo largo del bucle de expansión de datos de dos hilos. Ambos módulos incluyen tecnología probada que combina la supervisión de puntos con el direccionamiento de dispositivos individuales en un par de cables. Los terminales de tornillo proporcionan conexiones confiables para el bucle de expansión de datos y el cableado del bucle del sensor supervisado. Las unidades son pequeñas y se instalan fácilmente en cajas de salida estándar, sobre falsos techos, armarios u otros lugares accesibles.
Instalación
Siga los pasos de esta sección para instalar y configurar el módulo POPIT.
Retire la cubierta
- Inserte un destornillador pequeño de cabeza plana en una de las ranuras pequeñas en el lateral del POPIT.
- Gire el destornillador y retire la cubierta.
Retire la PCB
- Sujete el bloque de terminales en la PCB con una mano.
- Tres pestañas sujetan la PCB. En el extremo con las dos pestañas, con cuidado pero con firmeza, empuje una pestaña lejos de la PCB y levante la esquina.
- Con cuidado pero con firmeza, empuje la otra pestaña lejos de la PCB y levante toda la PCB de la base.
Monte la base del POPIT
Pase el cableado a través de la abertura para el cableado (consulte la Figura 1). Monte la base del POPIT utilizando el hardware suministrado para evitar cortocircuitos en la PCB.
Reemplace la PCB
- Sujete el bloque de terminales en la PCB con una mano. Inserte el extremo del interruptor DIP de la PCB debajo de la pestaña única.
- Con cuidado pero con firmeza, tire de las dos pestañas en los extremos opuestos lejos de la PCB.
- Coloque suavemente la PCB en su lugar y, si es necesario, con cuidado, empuje las dos pestañas hacia la PCB hasta que la PCB esté firmemente en su lugar.
Configuración del interruptor DIP
Consulte la tabla a continuación para la configuración del interruptor DIP 0 y el cuadro de direcciones de puntos ZONEX y ZONEX 2 para la configuración del interruptor DIP para ZONEX y ZONEX 2.
| Panel de control | Configuración del interruptor DIP 0 |
| D7212B1 D8112 D9112B1 | Deje el interruptor 0 en ON (encendido). |
| D9412 | Consulte la Guía de Operación e Instalación de la Serie 9000 (P/N: 74-07692-000). |
| D9412G D7412G | Consulte el cuadro de direcciones de puntos ZONEX y ZONEX 2 |
| D7212G | Consulte el cuadro de direcciones de puntos ZONEX y ZONEX 2 |
| D7212GV2 | Consulte el cuadro de direcciones de puntos ZONEX y ZONEX 2 |
| D7212GV3 | Consulte el cuadro de direcciones de puntos ZONEX y ZONEX 2 |
| D7212GV4 D9412GV4 D7412GV4 | Consulte el cuadro de direcciones de puntos ZONEX y ZONEX 2. |
| B9512G B9512G-E B8512G B8512G-E | Consulte el cuadro de direcciones de puntos ZONEX y ZONEX 2 |
| Para obtener información adicional sobre la instalación del D9127, consulte la documentación de instalación del panel compatible. | |
Instrucciones de cableado
Para obtener más información sobre la instalación de POPIT (incluido el tipo de cable, la longitud y el recorrido) y la programación, consulte la Guía de Operación e Instalación de D8125 POPEX (P/N: 74-04247-000) y los manuales de operación, instalación y programación del panel de control. Instale una resistencia de fin de línea de 33 kΩ en el punto más alejado del bucle para una supervisión adecuada. Vuelva a colocar la cubierta del POPIT cuando se complete el cableado.

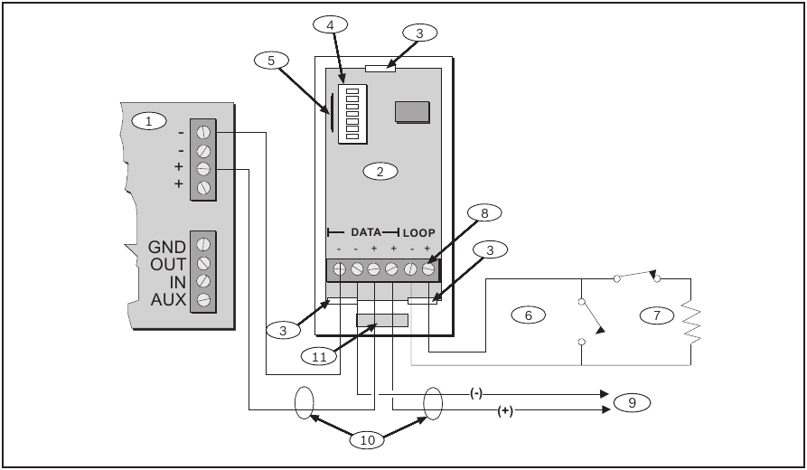
Figura 1: Cableado POPIT
¡AVISO!
Cuando utilice cable máximo de 12 AWG (0,1 mm), utilice cable sólido. Si utiliza cable trenzado, tenga cuidado de insertar todos los hilos en el bloque de terminales.
| Llamada ― Descripción |
| 1 ― Módulo D8125 POPEX |
| 2 ― Módulo D9127U/T POPIT |
| 3 ― Pestaña |
| 4 ― Interruptor DIP |
| 5 ― Interruptor Reed (solo D9127T) |
| 6 ― Bucle del detector |
| 7 ― Resistencia EOL de 33 kΩ |
| 8 ― Terminales (todos): 12 AWG sólido (máximo); 22 AWG (0,1 mm) trenzado (mínimo) |
| 9 ― Bucle de expansión de zona a otros POPIT |
| 10 ― Supervisado |
| 11 ― Abertura de cable del base POPIT |
Cuadro de direcciones de puntos ZONEX y ZONEX 2



1 ZONEX 1: Puntos 9 a 127 (D9412G); Puntos 9 a 75 (D7412G).
ZONEX 2: Puntos 129 a 247 (D9412G).
B299: x = dirección del módulo B299 0-5
* Estos números de punto no están disponibles para la dirección B299 0.
Especificaciones
| Voltaje de funcionamiento | 12 VCC nominales suministrados por el panel de control |
| Corriente de funcionamiento por D9127U/T | 0,8 mA en espera 0,8 mA en alarma |
Copyright
Este documento es propiedad intelectual de Bosch Security Systems, Inc. y está protegido por derechos de autor. Reservados todos los derechos.
Marcas comerciales
Es probable que todos los nombres de productos de hardware y software utilizados en este documento sean marcas comerciales registradas y deben tratarse en consecuencia.
Fechas de fabricación de productos de Bosch Security Systems, Inc.
Utilice el número de serie que se encuentra en la etiqueta del producto y consulte el sitio web de Bosch Security Systems, Inc. en http://www.boschsecurity.com/datecodes/.

Bosch Security Systems, Inc.
130 Perinton Parkway
Fairport, NY 14450
USA
Bosch Sicherheitssysteme GmbH
Robert-Bosch-Ring 5
85630 Grasbrunn
Germany
© 2016 Bosch Security Systems, Inc.

Referencias
Inicio | Bosch Security and Safety Systems I Norteamérica
Códigos de fecha | Bosch Security and Safety Systems I Global
Descargar manual
Aquí puedes descargar la versión completa en pdf del manual, puede contener instrucciones de seguridad adicionales, información de garantía, reglas de la FCC, etc.
Descargar Bosch POPIT D9127U, D9127T - Manual de Instalación del Módulo