Dimplex FX 20 V - Manual de utilizare pentru aeroterma cu flux descendent

Avertismente
Vă rugăm să citiți cu atenție toate informațiile din aceste instrucțiuni. Păstrați aceste instrucțiuni cu grijă și, dacă este cazul, transmiteți-le proprietarului final.
- Aparatul trebuie utilizat numai pentru încălzirea locuințelor sau a spațiilor similare. Este potrivit numai pentru uz casnic sau scopuri similare în spații închise.
- Reparațiile la aparat trebuie efectuate numai de un electrician competent.
- În cazul unei defecțiuni, deconectați alimentarea cu energie electrică a aparatului (opriți sau scoateți siguranța).
- Acoperirea încălzitorului poate provoca acumularea de căldură și poate duce la aprinderea materialului. Trebuie să respectați distanțele minime.
- Suprafețele, în special grila de ieșire a aerului, devin fierbinți în timpul funcționării. Din acest motiv, asigurați-vă că copiii mici nu pot atinge aceste suprafețe.
- Nu trebuie introduse obiecte prin orificiile aparatului.
- Este deosebit de important ca siguranța corespunzătoare
- Reglementările pentru băi, dușuri, piscine etc. să fie respectate.
- Încălzitorul trebuie instalat astfel încât să nu poată fi atins de o persoană aflată în cadă sau duș și ca întrerupătorul să nu poată fi acționat.
- Instalația fixă trebuie să fie prevăzută cu un dispozitiv de comutare cu o separare a contactelor de 3 mm pe toți polii (de exemplu, declanșare la suprasarcină).
- În camera în care este instalat aparatul nu pot fi utilizate materiale ale căror fumuri sau materialul în sine ar putea da naștere la aprindere, explozie sau descompunere termică din cauza temperaturilor ridicate.
Descriere
Capacitate de încălzire: 2 kW, 1 kW (în funcție de presetare)
Tensiune de alimentare: 1/N/~230V, 50 Hz
Clasa de construcție II: dublu izolat
Sistem de protecție: IP 22
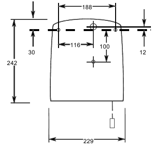
Dimensiuni (L x Î x A): 229 x 109 x 242 mm
Greutate: 1,4 kg
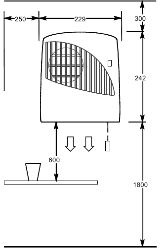
Distanțe minime, instalare
Schița de mai jos arată dimensiunile de găurire și dimensiunile pentru intrarea cablului.

- Trebuie respectate distanțele minime indicate în schița de montare.
- Încălzitorul nu trebuie amplasat imediat sub o priză fixă.
- Nu așezați obiecte ușor combustibile, cum ar fi perdele sau materiale plastice sensibile la căldură, în fluxul direct de aer de la unitate.
- Aeroterma trebuie montată numai pe un perete vertical, așa cum se arată în schița de mai jos.
- În plus, trebuie să existe o distanță de cel puțin 350 mm de la partea frontală a încălzitorului.
Pentru a fixa încălzitorul, scoateți cele două șuruburi care fixează capacul superior și scoateți capacul de pe încălzitor.
- Marcați poziția fantelelor în formă de gaură de cheie pe perete, găuriți și introduceți dibluri pentru cele două șuruburi potrivite (consultați schița pentru poziție).
- Introduceți parțial cele două șuruburi, apoi agățați aparatul de aceste șuruburi și marcați poziția șurubului poziționat mai jos.
- Scoateți aparatul, găuriți și introduceți diblul pentru al treilea șurub.
- Remontați aparatul pe perete și introduceți cablul de alimentare. Asigurați-vă că aparatul este orizontal și fixați-l în poziție strângând cele trei șuruburi. electrician competent.
![Dimplex - FX 20 V - Distanțe minime, instalare - Partea 2 Distanțe minime, instalare - Partea 2]()
Conexiunea electrică
Aveți grijă! Aparatul trebuie instalat de un electrician competent.
Aparatul poate fi conectat direct la o instalație electrică fixă sau la un cablu de alimentare flexibil H05VV-F 2 x 1,0 mm² de la o cutie de conectare la perete.
Încălzitorul nu trebuie amplasat imediat deasupra cutiei de conectare la perete.
Presetarea
Aveți grijă! Setările trebuie efectuate de un electrician competent. Asigurați-vă că aparatul este deconectat de la rețea.
Selectarea capacității de încălzire
Aeroterma montată pe perete este prevăzută cu un comutator selector intern cu care puterea poate fi setată în timpul instalării la 1 kW sau 2 kW, corespunzător dimensiunii camerei de încălzit.
În camere cu un volum mai mic de 11 m3, trebuie selectată puterea de 1 kW, deoarece altfel pot apărea declanșări nedorite ale întrerupătorului termic.
În cazul selectării poziției de 2 kW, termostatul este în funcțiune și va comuta automat la 1 kW când se atinge temperatura preselectată. Notă: încălzitorul este presetat la 2 kW.
Selectarea temperaturii
Notă: termostatul va funcționa numai când este selectat 2KW.
Încălzitorul este echipat cu un termostat reglabil, care are trei setări diferite:
- Scăzută (Low),
- Medie (Medium),
- Ridicată (High).
Acest lucru vă oferă un interval aproximativ de temperatură a camerei de 18°C - 32°C, în funcție de dimensiunea camerei. Temperatura comută la jumătate de căldură când camera se încălzește. Căldura maximă va fi pornită automat când temperatura camerei scade.
Termostatul a fost setat din fabrică pe '2' (Mediu).
Funcționarea încălzitorului
Șnurul de tragere acționează întrerupătorul ON/OFF (pornit/oprit). Lampa de control se va aprinde când încălzitorul este pornit.

Defecțiuni
Dacă încălzitorul nu încălzește, verificați dacă încălzitorul este pornit (lampa de control trebuie să se aprindă). Verificați dacă este pornit la tabloul de distribuție și dacă siguranța este intactă.
Instrucțiuni suplimentare sunt explicate în secțiunea "Întrerupător de siguranță termică".
În cazul unor defecțiuni ale încălzitorului dvs., vă rugăm să contactați electricianul local sau cel mai apropiat punct de service clienți. Numărul E și codul FD sunt necesare înainte de a putea fi efectuată service-ul. Le veți găsi pe plăcuța de identificare.
Curățarea aparatului
Opriți încălzitorul înainte de curățare și lăsați-l să se răcească. Dacă se acumulează praf, încălzitorul trebuie curățat din exterior folosind un aspirator.
Exteriorul poate fi curățat ștergându-l cu o cârpă moale și umedă și apoi uscat. Nu utilizați prafuri de curățare abrazive sau lustru de mobilă, deoarece acestea pot deteriora finisajul suprafeței.
Întrerupător de siguranță termică
Pentru siguranța dumneavoastră, încălzitorul este echipat cu un întrerupător termic. Dacă circulația aerului este restricționată (de exemplu, agățarea a ceva peste sau blocarea grilei), încălzitorul se oprește automat. Pentru a repune încălzitorul în funcțiune, eliminați cauza supraîncălzirii. Opriți încălzitorul pentru câteva minute trăgând de șnur și lăsați-l să se răcească, după care funcționarea normală poate fi reluată.
În plus, aparatul este echipat cu o legătură termică de siguranță. Dacă există o supraîncălzire anormală în interiorul aparatului, aceasta funcționează și deschide circuitul.

Descărcați manualul
Aici puteți descărca versiunea completă pdf a manualului, aceasta poate conține instrucțiuni suplimentare de siguranță, informații despre garanție, reguli FCC etc.
Descărcați Dimplex FX 20 V - Manual de utilizare pentru aeroterma cu flux descendent
