Asus PRIME H610M-CS D4 - Vodnik za hiter začetek matične plošče
Vsebina
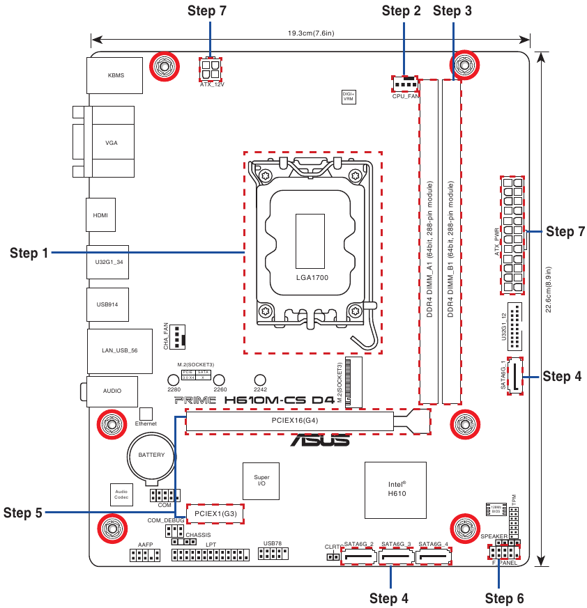
- 1 Postavitev matične plošče
- 2 1. korak - Namestite CPE
- 3 2. korak - Namestite ventilator CPE
- 4 3. korak - Namestite pomnilniške module
- 5 4. korak - Namestite naprave za shranjevanje
- 6 5. korak - Namestite razširitvene kartice
- 7 6. korak - Namestite priključek sistemske plošče
- 8 7. korak - Namestite napajalne priključke ATX
- 9 8. korak - Priključite vhodno/izhodne naprave
- 10 9. korak - Vklopite sistem in namestite operacijski sistem ter gonilnike
- 11 Prenesi navodilo
- 12 V drugih jezikih

Postavitev matične plošče

1. korak - Namestite CPE

2. korak - Namestite ventilator CPE

3. korak - Namestite pomnilniške module

4. korak - Namestite naprave za shranjevanje

5. korak - Namestite razširitvene kartice

6. korak - Namestite priključek sistemske plošče

7. korak - Namestite napajalne priključke ATX


8. korak - Priključite vhodno/izhodne naprave

9. korak - Vklopite sistem in namestite operacijski sistem ter gonilnike



Prenesi navodilo
Tukaj lahko prenesete polno pdf različico navodila, ki lahko vsebuje dodatna varnostna navodila, informacije o garanciji, FCC pravila itd.
Prenesi Asus PRIME H610M-CS D4 - Vodnik za hiter začetek matične plošče