Eaton 5PX 1500i RT2U, 5PX 2000i RT2U, 5PX 200i RT2U -käyttöohje
- 1 Johdanto
- 2 Esittely
-
3
Asennus
- 3.1 Pakkauksen purkaminen ja sisällön tarkistus
- 3.2 Asennus torniasentoon
- 3.3 Asennus räkkiasentoon
- 3.4 Tietoliikenneportit
- 3.5 Liitäntä FlexPDU-moduuliin (Power Distribution Unit) (lisävaruste)
- 3.6 Liitäntä HotSwap MBP -moduuliin (lisävaruste)
- 3.7 UPS:n liitäntä ilman FlexPDU- tai HotSwap MBP -moduulia
- 4 Käyttö
- 5 Vianmääritys
- 6 Vianmääritys UPS:ssä, joka on varustettu HotSwap MBP -moduulilla
- 7 Huolto
- 8 Tekniset tiedot
- 9 Erikoismerkit
- 10 Lataa käyttöohje
- 11 Muilla kielillä

Johdanto
5PX-sarja on suunniteltu erittäin huolellisesti.
Suosittelemme, että varaat aikaa tämän käyttöohjeen lukemiseen, jotta voit hyödyntää UPS:si (Uninterruptible Power System) monia ominaisuuksia täysimääräisesti.
Ennen 5PX:n asentamista lue turvallisuusohjeet sisältävä vihkonen. Noudata sitten tämän käyttöohjeen ohjeita.
Voit tutustua koko EATON-tuotevalikoimaan ja 5PX-sarjan lisävarusteisiin vierailemalla verkkosivustollamme osoitteessa www.eaton.com tai ottamalla yhteyttä EATON-edustajaasi.
Esittely
Vakiokokoonpanot
Tornikokoonpano

Telinetelinekokoonpano

| Kuvaus | Paino (kg/lb) | Mitat (mm/tuumaa) S x L x K |
| 5PX 1500i RT2U | 27.60 / 60.90 | x 441.2 x 86.2 / 20.6 x 17.4 x 3.4 |
| 5PX 2000i RT2U | 28.50 / 62.80 | |
| 5PX 2200i RT2U | 28.50 / 62.80 | |
| 5PX 3000i RT2U | 38.08 / 84.00 | x 441.2 x 86.2 / 25.5 x 17.4 x 3.4 |
| 5PX 3000i RT3U | 37.33 / 82.30 | x 441.2 x 130.7 / 19.6 x 17.4 x 5.1 |
| 5PX EBM 48V RT2U | 32.80 / 72.30 | x 441.2 x 86.2 / 20.6 x 17.4 x 3.4 |
| 5PX EBM 72V RT2U | 46.39 / 102.30 | x 441.2 x 86.2 / 25.5 x 17.4 x 3.4 |
| 5PX EBM 72V RT3U | 44.26 / 97.60 | x 441.2 x 130.7 / 19.6 x 17.4 x 5.1 |
Takapaneelit

- USB-liitäntä
- RS232-liitäntä
- Liitin valinnaisten akkumoduulien automaattista tunnistusta varten
- Paikka valinnaiselle tiedonsiirtokortille
- Liitin ROO (remote ON/OFF) - tai RPO (Remote Power Off) -ohjausta varten
- Liitin valinnaisille akkumoduuleille
- 16 A:n pistorasia laitteiden liittämistä varten (ensisijainen ryhmä)
- Kaksi ryhmää, joissa on 2 ohjelmoitavaa pistorasiaa laitteiden liittämistä varten (ryhmä 1 ja 2)
- 4 pistorasian ryhmät laitteiden liittämistä varten (ensisijainen ryhmä)
- Pistorasia liitäntää varten AC-virtalähteeseen

- Liittimet akkumoduuleille (UPS:ään tai muihin akkumoduuleihin)
- Liittimet akkumoduulien automaattista tunnistusta varten
Ohjauspaneeli
UPS:ssä on viiden painikkeen graafinen LCD-näyttö. Se tarjoaa hyödyllistä tietoa itse UPS:stä, kuormituksen tilasta, tapahtumista, mittauksista ja asetuksista.

Seuraavassa taulukossa näkyy merkkivalon tila ja kuvaus:
| Merkkivalo | Tila | Kuvaus |
Vihreä | Päällä | UPS toimii normaalisti |
Keltainen | Päällä | UPS on akkukäyttötilassa |
| Vilkkuu | Akun jännite on varoitustason alapuolella | |
Punainen | Päällä | UPS:ssä on aktiivinen hälytys tai vika. Katso lisätietoja vianmäärityksestä. |
LCD-näytön kuvaus
Oletusarvoisesti tai 5 minuutin käyttämättömyyden jälkeen LCD-näyttö näyttää näytönsäästäjän.
LCD-näytön taustavalo himmenee automaattisesti 10 minuutin käyttämättömyyden jälkeen. Paina mitä tahansa painiketta palauttaaksesi näytön.

Seuraavassa taulukossa kuvataan UPS:n antamat tilatiedot
Huom. Jos näkyviin tulee muita ilmaisimia, katso lisätietoja vianmäärityksestä.
| Toimintatila | Mahdollinen syy | Toiminta |
Valmiustila![]() | UPS on OFF-tilassa, ja odottaa käyttäjän käynnistyskomentoa | Laitteet eivät saa virtaa ennen kuin painiketta painetaan. |
Normaali tila![]() | UPS toimii normaalisti. | UPS antaa virtaa ja suojaa laitteita. |
AVR-tilassa ![]() Kuorman suojattu LED palaa Ei äänimerkkiä | UPS toimii normaalisti, mutta käyttöjännite on normaalin tilan raja-arvojen ulkopuolella. | UPS syöttää laitteille virtaa automaattisen jännitteensäätölaitteen kautta. Laitteet ovat edelleen normaalisti suojattuja. |
Akkukäytöllä ![]() Akun LED palaa 1 äänimerkki 10 sekunnin välein | Käyttövirta on katkennut ja UPS on akkukäyttötilassa. | UPS syöttää laitteille virtaa akun virralla. Valmistele laitteet sammutusta varten. |
Varmennusajan päättyminen![]() Akun LED vilkkuu 1 äänimerkki 3 sekunnin välein | UPS on akkukäyttötilassa ja akun varaus on vähissä. | Tämä varoitus on likimääräinen, ja todellinen sammutusaika voi vaihdella huomattavasti. UPS:n kuormituksesta ja laajennettujen akkumoduulien (EBM) lukumäärästä riippuen "Akku vähissä" -varoitus voi tulla näkyviin ennen kuin akun kapasiteetti on 25 %. |
Näyttötoiminnot
Aktivoi valikkovaihtoehdot painamalla Enter-painiketta (
). Käytä kahta keskimmäistä painiketta (
ja
) selataksesi valikkorakennetta. Valitse vaihtoehto painamalla Enter-painiketta (
). Peruuta tai palaa edelliseen valikkoon painamalla painiketta.
Näyttötoimintojen valikkokartta.
| Päävalikko | Alavalikko | Näytä tiedot tai valikkotoiminto |
| Mittaukset | Kuorma W VA / Kuorma A pf / Lähtö V Hz / Tulo V Hz / Akku V min / Hyötysuhde / Virrankulutus | |
| Ohjaus | Kuormasegmentit | Ryhmä 1: PÄÄLLÄ / POIS Ryhmä 2: PÄÄLLÄ / POIS Nämä komennot ohittavat kuormasegmenttien käyttäjäasetukset. |
| Käynnistä akkutesti | Käynnistää manuaalisen akkutestin | |
| Nollaa vikatila | Tyhjentää aktiivisen vian | |
| Palauta tehdasasetukset | Palauttaa kaikki asetukset alkuperäisiksi (UPS:n uudelleenkäynnistys vaaditaan) | |
| Nollaa virrankulutus | Tyhjentää virrankulutusmittaukset | |
| Asetukset | Paikalliset asetukset | Asettaa tuotteen yleiset parametrit |
| Tulo-/lähtöasetukset | Asettaa tulo- ja lähtöparametrit | |
| ON/OFF-asetukset | Asettaa ON/OFF-ehdot | |
| Akkuasetukset | Asettaa akkukokoonpanon | |
| Vikaloki | Näyttää tapahtumalokin tai hälytykset | |
| Tunnistus | UPS-tyyppi / Osanumero / Sarjanumero / Laiteohjelmistoversio / Com-kortin osoite |
Käyttäjäasetukset
Seuraavassa taulukossa näkyvät asetukset, joita käyttäjä voi muuttaa.
| Kuvaus | Käytettävissä olevat asetukset | Oletusasetukset | |
| Paikalliset asetukset | Kieli | [English] [Français] [Deutsch] [Italiano] [Português] [Español] [Русский] Valikot, tila, ilmoitukset ja hälytykset, UPS-vika, tapahtumalokin tiedot ja asetukset ovat kaikilla tuetuilla kielillä. | Englanti Käyttäjä voi valita kielen, kun UPS käynnistetään ensimmäisen kerran. |
| LCD-asetukset | Antaa luvan muokata LCD-näytön kirkkautta ja kontrastia, jotta ne mukautuvat huoneen valaistusolosuhteisiin. | ||
| Äänimerkki | [Yes] [No] (Kyllä) [Ei] Antaa luvan ottaa summerin käyttöön tai poistaa sen käytöstä, jos hälytys tapahtuu. | Kyllä | |
| Tulo-/lähtöasetukset | Lähtöjännite | [200 V] [208 V] [220 V] [230 V] [240 V] | 230 V Käyttäjä voi valita kielen, kun UPS käynnistetään ensimmäisen kerran. |
| Tulokynnysarvot | [Normal mode] [Extended mode] (Normaali tila) [Laajennettu tila] Laajennettu tila sallii pienemmän tulojännitteen (150 V) siirtymättä akkuun. Tätä voidaan käyttää, jos kuorma kestää pienjännitesyöttöä. | Normaali tila | |
| Herkkyys | [High] [Low] (Korkea) [Matala] Korkea: herkille laitteille UPS siirtyy helposti akkuun, kun käyttöolosuhteet ovat huonontumassa. Matala: laitteille, jotka kestävät huonoja käyttöolosuhteita, jolloin UPS ei siirry akkuun. | Korkea | |
| Kuormasegmentit – Automaattinen käynnistysviive | [No Delay] [1 s] [2 s]...[65354 s] (Ei viivettä) [1 s] [2 s]...[65354 s] Laitteet saavat virtaa määritetyllä viiveellä. | Ryhmä 1: 3 s Ryhmä 2: 6 s | |
| Tulo-/lähtöasetukset | Kuormasegmentit – Automaattinen sammutusviive | [Disable] [0s] [1 s] [2 s]...[65354 s] (Poista käytöstä) [0s] [1 s] [2 s]...[65354 s] Sähkökatkon aikana antaa luvan pitää joitakin laitteita käynnissä samalla kun muut laitteet sammutetaan. Tämän ominaisuuden avulla voidaan säästää akun virtaa. | Ryhmä 1: Poista käytöstä Ryhmä 2: Poista käytöstä |
| Ylikuormituksen ennakkovaroitus | [5%] [10%] [15%] [20%]... [100%] [105%] Antaa varoituksen, kun ennalta määritetty kriittinen kuormitusprosentti saavutetaan. | [105%] | |
| ON/OFF-asetukset | Kylmäkäynnistys | [Disable] [Enable] (Poista käytöstä) [Ota käyttöön] Antaa tuotteelle luvan käynnistyä akun virralla. | Ota käyttöön |
| Pakotettu uudelleenkäynnistys | [Disable] [Enable] (Poista käytöstä) [Ota käyttöön] Jos asetus on Ota käyttöön, kun tiedonsiirtoportin kautta lähetetään sammutusjakso, se sallii, jos verkkovirta palautuu jakson aikana, sammuttaa lähdön 10 sekunnin ajaksi. | Ota käyttöön | |
| Automaattinen uudelleenkäynnistys | [Disable] [Enable] (Poista käytöstä) [Ota käyttöön] Antaa tuotteelle luvan käynnistyä automaattisesti uudelleen, kun verkkovirta palautuu täydellisen akun purkamisen jälkeen. | Ota käyttöön | |
| Energiansäästö | [Disable] [Enable] (Poista käytöstä) [Ota käyttöön] Jos Ota käyttöön, UPS sammuu 5 minuutin varmistusajan jälkeen, jos lähdöstä ei havaita kuormitusta. | Poista käytöstä | |
| Lepotila | [Disable] [Enable] (Poista käytöstä) [Ota käyttöön] Jos poistat käytöstä, LCD ja tiedonsiirto sammuvat välittömästi, kun UPS on OFF-tilassa. Jos otat käyttöön, LCD ja tiedonsiirto pysyvät PÄÄLLÄ 1 t 30 min sen jälkeen, kun UPS on OFF-tilassa. | Poista käytöstä | |
| Etäkomento | [Disable] [Enable] (Poista käytöstä) [Ota käyttöön] Jos otat käyttöön, ohjelmiston sammutus- tai uudelleenkäynnistyskomennot ovat sallittuja. | Ota käyttöön | |
| Akkuasetukset | Automaattinen akkutesti | [No test] [Every day] [Every week] [Every month] (Ei testiä) [Joka päivä] [Joka viikko] [Joka kuukausi] Käytettävissä vain, jos akun lataustila on asetettu jatkuvaan lataukseen. | Joka viikko (jatkuvassa latauksessa, muuten ABM-akkutestausmenetelmän mukaisesti) |
| Akun varauksen vähäinen varoitus | [10%] [20%] [30%] [40%] [50%] [60%] [70%] [80%] [90%] Hälytys laukeaa, kun asetettu akkukapasiteetin prosenttiosuus saavutetaan varmistusajan aikana. | 20 % | |
| Uudelleenkäynnistä akun taso | [10%] [20%] [30%] [40%] [50%] [60%] [70%] [80%] [90%] [100%] Jos asetettu, automaattinen uudelleenkäynnistys tapahtuu vain, kun akun varausprosentti on saavutettu. | 0 % | |
| Akun lataustila | [ABM cycling] [Constant charge] (ABM-sykli) [Jatkuva lataus] | ABM-sykli | |
| EBM-numeron asetus | [0] [1] [2] [3] [4] Käyttämällä vakiomuotoista EBM:ää UPS tunnistaa automaattisesti kytkettyjen EBM:ien määrän. | EBM:n automaattinen tunnistus, muuten 0 | |
| Syväpurkaussuojaus | [Yes] [No] (Kyllä) [Ei] Jos asetus on Kyllä, UPS estää automaattisesti akun syväpurkauksen mukauttamalla varmistusajan lopun jännitekynnystä. | Kyllä |
Asennus
Pakkauksen purkaminen ja sisällön tarkistus

- 5PX UPS
- virtajohdon liitäntä vaihtovirtalähteeseen (vain 5PX 2200- ja 3000 -malleissa)
- 2 liitäntäkaapelia suojattaville laitteille
- RS232-tietoliikennekaapeli
- USB-tietoliikennekaapeli
- 2 kaapelin lukitusjärjestelmää
- Ohjelmisto-CD-ROM
- Käyttöohje-CD-ROM
- Turvallisuusohjeet
- Pikaopas
- Asennussarja 19 tuuman koteloihin
Toimitukseen sisältyvät elementit versiosta tai lisävarusteista riippuen
- 2 tukea torniasentoon (vain RT 2U -versiossa)
- FlexPDU-moduuli (lisävaruste)
- liitäntäkaapeli FlexPDU-moduulin ja UPS:n välillä
- NMC-tietoliikennekortti (lisävaruste, vakiona Netpack-versioissa)
- HotSwap MBP -moduuli (lisävaruste)
- liitäntäkaapelit HotSwap MBP -moduulin ja UPS:n välillä
Pakkausmateriaalit on hävitettävä paikallisten jätettä koskevien määräysten mukaisesti. Kierrätyssymbolit on painettu pakkausmateriaaleihin lajittelun helpottamiseksi.
Asennus torniasentoon

Huom. Torniasennon kahta tukea käytetään vain RT 2U -versiossa.
Asennus räkkiasentoon
Noudata vaiheita 1–4 moduulin kiinnittämiseksi kiskoihin.

Kiskot ja tarvittavat laitteistot toimittaa EATON.
Tietoliikenneportit
RS232- tai USB-tietoliikenneportin liitäntä (valinnainen)
RS232- ja USB-tietoliikenneportit eivät voi toimia samanaikaisesti.

- Liitä RS232 (33)- tai USB (34) -tietoliikennekaapeli tietokonelaitteiston sarja- tai USB-porttiin.
- Liitä tietoliikennekaapelin toinen pää (33) tai (34) UPS:n USB (1)- tai RS232 (2) -tietoliikenneporttiin.
UPS voi nyt kommunikoida EATONin virranhallintaohjelmiston kanssa.
Tietoliikennekorttien asennus (lisävaruste, vakiona Netpack-versioissa)

UPS:ää ei tarvitse sammuttaa ennen tietoliikennekortin asentamista.
- Irrota ruuveilla kiinnitetty korttipaikan kansi (4).
- Aseta tietoliikennekortti korttipaikkaan.
- Kiinnitä kortin kansi kahdella ruuvilla.
Kosketustietoliikenneportin ominaisuudet (lisävaruste)

- Nastat 1, 3, 4, 5, 6, 10: ei käytössä
- Nasta 2: yhteinen (käyttäjä)
- Nasta 7: alhainen akun varaus
- Nasta 8: toiminta akkuvirralla
- Nasta 9: UPS ON, laitteet saavat virtaa
n.o.: normaalisti avoin kosketin
Kun signaali aktivoidaan, kosketin suljetaan yhteisen (nasta 2) ja vastaavan signaalin nastan välillä.
Kosketinominaisuudet (optokytkin)
- Jännite: 48 V DC max
- Virta: 25 mA max
- Teho: 1,2 W
Liitäntä FlexPDU-moduuliin (Power Distribution Unit) (lisävaruste)

- 5PX 2200i / 3000i: liitä UPS:n tuloliitäntä (10) vaihtovirtalähteeseen mukana toimitetulla kaapelilla (31).
5PX 1500i / 2000i: käytä suojattavan laitteen virtajohtoa. - 5PX 2200i / 3000i: liitä FlexPDU-moduulin (50) tuloliitäntä UPS:n pistorasiaan (7) mukana toimitetulla kaapelilla (43). 5PX 1500i / 2000i: liitä FlexPDU-moduulin (50) tuloliitäntä yhteen pistorasioista (9).
Kaapeli ja liittimet on merkitty punaisella. - Liitä laitteet FlexPDU-moduulin pistorasioihin (47), (48) ja (49). Nämä pistorasiat eroavat toisistaan FlexPDU-moduulin versiosta riippuen.
- Asenna liitännän kiinnitysjärjestelmä, joka estää pistokkeiden tahattoman irtoamisen.
Liitäntä HotSwap MBP -moduuliin (lisävaruste)
HotSwap MBP -moduulin avulla UPS voidaan huoltaa tai jopa vaihtaa vaikuttamatta kytkettyihin kuormiin (HotSwap-toiminto).

- Liitä HotSwap MBP -moduulin tuloliitäntä (58) vaihtovirtalähteeseen mukana toimitetulla kaapelilla (31).
- Liitä UPS:n tuloliitäntä (10) HotSwap MBP -moduulin "UPS Input" -liitäntään (57) mukana toimitetulla kaapelilla (46). Nämä kaapelit ja liittimet on merkitty sinisellä.
- Liitä UPS:n pistorasia (7) HotSwap MBP -moduulin "UPS Output" -liitäntään (56) mukana toimitetulla kaapelilla (46).
5PX 1500i: liitä yksi UPS:n pistorasioista (9) HotSwap MBP -moduulin "UPS Output" -liitäntään (56).
Nämä kaapelit ja liittimet on merkitty punaisella. - Liitä laitteet HotSwap MBP -moduulin pistorasioihin (51) ja (52). Nämä pistorasiat eroavat toisistaan HotSwap MBP -moduulin versiosta riippuen.
Älä käytä UPS:n pistorasioita (8) ja (9) laitteiden virransyöttöön, koska HotSwap MBP -moduulin kytkimen (55) käyttö katkaisisi virransyötön laitteisiin.
HotSwap MBP -moduulin toiminta

HotSwap MBP -moduulissa on kiertokytkin (55), jossa on kaksi asentoa:
Normal kuorma saa virtaa UPS:stä, LED (53) palaa.
Bypass kuorma saa virtaa suoraan vaihtovirtalähteestä. LED (54) palaa.
UPS:n käynnistys HotSwap MBP -moduulin kanssa
- Tarkista, että UPS on kytketty oikein HotSwap MBP -moduuliin.
- Aseta kytkin (55) Normal-asentoon.
- Käynnistä UPS painamalla päälle/pois-painiketta
UPS:n ohjauspaneelissa. Kuorma saa virtaa UPS:stä.
LED (53) "UPS ON - OK to switch" HotSwap MBP -moduulissa syttyy.
HotSwap MBP -moduulin testaus
- Aseta kytkin (55) Bypass-asentoon ja tarkista, että kuorma saa edelleen virtaa.
- Aseta kytkin (55) takaisin Normal-asentoon.
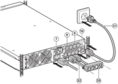
UPS:n liitäntä ilman FlexPDU- tai HotSwap MBP -moduulia
Tarkista, että UPS:n takana olevassa tyyppikilvessä olevat tiedot vastaavat vaihtovirtalähdettä ja kokonaiskuorman todellista sähkönkulutusta.

- 5PX 1500i / 2000i: liitä UPS:n tuloliitäntä (10) vaihtovirtalähteeseen suojatun laitteen kaapelilla. 5PX 2200i / 3000i: liitä mukana toimitettu kaapeli (31) (250 V - 16 A) pistorasiaan (10) ja sitten vaihtovirtalähteeseen.
- Liitä kuormat UPS:ään kaapeleilla (32).
On suositeltavaa liittää ensisijaiset kuormat neljään pistorasiaan, jotka on merkitty numerolla (9), ja ei-ensisijaiset kuormat neljään pistorasiaan, jotka on merkitty numerolla (8), jotka voidaan ohjelmoida pareittain (1 ja 2).
5PX 2200i / 3000i -malleissa liitä suuritehoiset laitteet 16 A:n pistorasiaan (7).
Pistorasioiden (8) sammutuksen ohjelmoimiseksi akkuvirralla toiminnan aikana ja siten käytettävissä olevan varavirta-ajan optimoimiseksi, tarkista tulo-/lähtöasetukset.
- Asenna liitännän kiinnitysjärjestelmä (35), joka estää pistokkeiden tahattoman irtoamisen.
Huom. UPS lataa akun heti, kun se on kytketty vaihtovirtalähteeseen, vaikka
-painiketta ei painettaisi.
Kun UPS on kytketty vaihtovirtalähteeseen, latausta tarvitaan kahdeksan tuntia, ennen kuin akku voi tuottaa nimellisen varavirta-ajan.
Käyttö
Käynnistys ja normaali toiminta
UPS:n käynnistäminen:
- Varmista, että UPS:n virtajohto on kytketty.
- UPS:n etupaneelin näyttö syttyy ja näyttää EATON-logon.
- Varmista, että UPS:n tilanäyttö näyttää
. - Paina
-painiketta UPS:n etupaneelissa vähintään 2 sekunnin ajan.
UPS:n etupaneelin näytön tila muuttuu muotoon "UPS starting..." (UPS käynnistyy...). - Tarkista UPS:n etupaneelin näytöstä aktiiviset hälytykset tai ilmoitukset. Poista kaikki aktiiviset hälytykset ennen jatkamista. Katso kohta "Vianmääritys".
Jos
-merkkivalo palaa, älä jatka ennen kuin kaikki hälytykset on poistettu. Tarkista UPS:n tila etupaneelista nähdäksesi aktiiviset hälytykset. Korjaa hälytykset ja käynnistä uudelleen tarvittaessa. - Varmista, että
-merkkivalo palaa tasaisesti, mikä osoittaa, että UPS toimii normaalisti ja kaikki kuormat ovat virroitettuja ja suojattuja. UPS:n pitäisi olla normaalitilassa.
UPS:n käynnistäminen akulla
Ennen tämän ominaisuuden käyttöä UPS:n on oltava kytkettynä verkkovirtaan ja ulostulon on oltava käytössä vähintään kerran.
Akkuvirran käynnistys voidaan poistaa käytöstä. Katso "Cold start" (Kylmäkäynnistys) -asetus kohdasta "ON/OFF Settings" (ON/OFF-asetukset).
UPS:n käynnistäminen akulla:
- Paina
-painiketta UPS:n etupaneelissa, kunnes UPS:n etupaneelin näyttö syttyy ja näyttää tilan "UPS starting..." (UPS käynnistyy...). UPS siirtyy valmiustilasta akkutiaan.
-merkkivalo palaa tasaisesti. UPS syöttää virtaa laitteillesi. - Tarkista UPS:n etupaneelin näytöstä aktiiviset hälytykset tai ilmoitukset "Battery mode" (Akkutila) -ilmoituksen ja verkkovirran puuttumista osoittavien ilmoitusten lisäksi. Poista kaikki aktiiviset hälytykset ennen jatkamista. Katso kohta "Vianmääritys". Tarkista UPS:n tila etupaneelista nähdäksesi aktiiviset hälytykset. Korjaa hälytykset ja käynnistä uudelleen tarvittaessa.
UPS:n sammutus
UPS:n sammuttaminen:
- Paina
-painiketta etupaneelissa kolmen sekunnin ajan.
UPS alkaa piippaamaan ja näyttää tilan "UPS shutting OFF..." (UPS sammuu...). UPS siirtyy sitten valmiustilaan ja merkkivalo sammuu.
Toiminta akkuvirralla
Siirtyminen akkuvirtaan
- Liitetyt laitteet saavat edelleen virtaa UPS:stä, kun vaihtovirran syöttö ei ole enää käytettävissä.
Tarvittava energia saadaan akusta.
ja
-merkkivalo palaa tasaisesti.- Äänihälytys piippaa joka kymmenes sekunti.
Liitetyt laitteet saavat virtaa akusta.
Akun heikon varauksen varoitus
ja
-merkkivalo palaa tasaisesti.- Äänihälytys piippaa joka kolmas sekunti.
Jäljellä oleva akun varaus on alhainen. Sammuta kaikki sovellukset liitetyissä laitteissa, koska UPS sammuu pian automaattisesti.
Akun varoajan päättyminen
- LCD-näytössä näkyy "End of backup time" (Varoajan päättyminen).
- Kaikki LEDit sammuvat.
- Äänihälytykset lakkaavat.
Vaihtovirran syötön palautuminen
Sähkökatkon jälkeen UPS käynnistyy automaattisesti uudelleen, kun vaihtovirran syöttö palautuu (ellei uudelleenkäynnistystoimintoa ole poistettu käytöstä), ja kuormalle syötetään virtaa uudelleen.
UPS:n kauko-ohjaustoiminnot
5PX tarjoaa valinnan kahden kauko-ohjaustoiminnon välillä.
- RPO: Remote Power Off mahdollistaa kauko-ohjauskontaktin käytön kaikkien UPS:ään liitettyjen laitteiden irrottamiseen. UPS:n uudelleenkäynnistys edellyttää manuaalista toimenpidettä.
- ROO: Remote ON/OFF mahdollistaa painikkeen
kauko-ohjauksen UPS:n sammuttamiseksi.
Nämä toiminnot saadaan avaamalla kontakti, joka on kytketty UPS:n takapaneelin liittimen (5) sopivien nastojen väliin (katso alla olevat kuvat).

Kauko-ohjauksen liitäntä ja testaus
- Tarkista, että UPS on pois päältä ja irrotettu vaihtovirran syöttölähteestä.
- Irrota liitin (5) ruuvien irrottamisen jälkeen.
- Kytke normaalisti suljettu jännitteetön kontakti (60 V DC / 30 V AC maks., 20 mA maks., 0,75 mm2 kaapelin poikkipinta-ala) liittimen (5) kahden nastan väliin (katso kaavio).
Kontakti auki: UPS:n sammutus
Kontakti suljettu: UPS:n käynnistys (UPS kytkettynä vaihtovirtaan ja vaihtovirta on käytettävissä)

Huomautus. Paikallinen ON/OFF-ohjaus painikkeella
ohittaa kauko-ohjaustoiminnon.
Kontakti auki: UPS:n sammutus, LED
syttyy.
Palataksesi normaaliin toimintaan, poista kauko-ohjauksen ulkoinen kontakti käytöstä ja käynnistä UPS uudelleen painamalla painiketta
.

- Liitä liitin (5) UPS:n takaosaan.
- Kytke UPS ja käynnistä se uudelleen aiemmin kuvattujen ohjeiden mukaisesti.
- Aktivoi ulkoinen kauko-ohjauksen sammutuskontakti toiminnon testaamiseksi.
Tämä liitin saa olla kytkettynä vain SELV (Safety Extra-Low Voltage) -piireihin.
Vianmääritys
| Toimintatila | Mahdollinen syy | Toiminta |
Akut irrotettu | UPS ei tunnista sisäisiä akkuja | Jos tila jatkuu, ota yhteyttä huoltoedustajaan |
| Akut on irrotettu | Varmista, että kaikki akut on kytketty oikein. Jos tila jatkuu, ota yhteyttä huoltoedustajaan. | |
Ylikuormitus | Tehon tarve ylittää UPS:n kapasiteetin (yli 105 % nimellisarvosta) | Irrota osa laitteista UPS:stä. UPS jatkaa toimintaansa, mutta voi sammua, jos kuormitus kasvaa. Hälytys nollautuu, kun tila muuttuu passiiviseksi. |
Akun käyttöiän loppu | Akun käyttöikä on päättynyt. | Ota yhteyttä huoltoedustajaan akun vaihtamiseksi. |
Tapahtuma | UPS:n tapahtuma tapahtuu | |
| Esimerkki: Remote Power OFF (Virran katkaisu etänä), RPO-kontakti on aktivoitu sammuttamaan UPS ja estää nyt uudelleenkäynnistyksen. | Aseta kontakti takaisin normaaliin asentoon ja paina -painiketta käynnistääksesi uudelleen. | |
UPS-vika | UPS:ssä tapahtui sisäinen vika | UPS ei enää suojaa laitteita.
|
Vianmääritys UPS:ssä, joka on varustettu HotSwap MBP -moduulilla
| Ilmaisin | Diagnoosi | Korjaus | |
| 1 | Kuormalle ei enää syötetä virtaa, kun HotSwap MBP -moduulin kiertokytkin (55) on asetettu ohitusasentoon (Bypass). |
| Tarkista UPS:n ja HotSwap MBP -moduulin välinen johdotus (katso kohta "Liitäntä HotSwap MBP -moduulin kanssa"). |
| 2 | Kuormalle ei enää syötetä virtaa, kun HotSwap MBP -moduulin kiertokytkin (55) on asetettu normaaliasentoon (Normal). |
|
|
| 3 | Kuormalle ei enää syötetä virtaa vaihtovirran katkeamisen jälkeen. |
|
|
Huolto
Akun moduulin vaihto
Turvallisuussuositukset
Akku voi aiheuttaa sähköiskun ja suuria oikosulkuvirtoja. Seuraavat turvaohjeet on noudatettava ennen akun osien huoltamista:
- poista kellot, sormukset, rannekorut ja kaikki muut metalliesineet käsistä ja käsivarsista,
- käytä työkaluja, joissa on eristetty kahva.
Akkukotelon irrottaminen
- Irrota keskiosa.
- Irrota etupaneelin vasen puoli painamalla painiketta ja liu'uttamalla sitten osa irti.
![Eaton - 5PX 1500i RT2U - Akun moduulin vaihto – Kotelon irrottaminen – Vaihe 1 Akun moduulin vaihto – Kotelon irrottaminen – Vaihe 1]()
- Irrota akkukokonaisuus erottamalla kaksi liitintä (älä koskaan vedä johdoista).
![Eaton - 5PX 1500i RT2U - Akun moduulin vaihto – Kotelon irrottaminen – Vaihe 2 Akun moduulin vaihto – Kotelon irrottaminen – Vaihe 2]()
- Irrota akun edessä oleva metallinen suojakansi (kaksi ruuvia).
![Eaton - 5PX 1500i RT2U - Akun moduulin vaihto – Kotelon irrottaminen – Vaihe 3 Akun moduulin vaihto – Kotelon irrottaminen – Vaihe 3]()
- Vedä muovikielekkeestä irrottaaksesi akkukokonaisuuden ja vaihda se.
Uuden akkumoduulin asennus
Suorita yllä olevat ohjeet päinvastaisessa järjestyksessä.
- Varmistaaksesi turvallisuuden ja korkean suorituskyvyn, käytä vain EATONin toimittamia akkuja.
- Varmista, että liittimen kaksi osaa painetaan tiukasti yhteen uudelleenasennuksen aikana.
Huolto UPS:ssä, joka on varustettu HotSwap MBP -moduulilla

HotSwap MBP -moduulin avulla on mahdollista huoltaa tai jopa vaihtaa UPS vaikuttamatta kytkettyihin kuormiin (HotSwap-toiminto).
Huolto
- Aseta kytkin (55) ohitusasentoon (Bypass). Punainen LED-valo HotSwap MBP -moduulissa syttyy osoittaen, että kuormaa syötetään suoraan AC-tulolähteen virralla.
- Pysäytä UPS painamalla
-painiketta UPS:n ohjauspaneelissa. LED-valo (53) "UPS ON - OK to switch" (UPS PÄÄLLÄ – Vaihto OK) sammuu, UPS voidaan nyt irrottaa ja vaihtaa.
Paluu normaaliin toimintaan
- Tarkista, että UPS on kytketty oikein HotSwap MBP -moduuliin.
- Käynnistä UPS painamalla
-painiketta UPS:n ohjauspaneelissa. LED-valo (53) "UPS ON - OK to switch" (UPS PÄÄLLÄ – Vaihto OK) HotSwap MBP -moduulissa syttyy (muuten HotSwap MBP -moduulin ja UPS:n välillä on yhteysvirhe). - Aseta kytkin (55) normaaliasentoon (Normal).
Punainen LED-valo HotSwap MBP -moduulissa sammuu.
Tekniset tiedot

(1) Korkeita ja matalia kynnysarvoja voidaan säätää UPS:n asetuksista (jopa 150–294 V).
(2) Jopa 40 Hz alhaisen herkkyyden tilassa (ohjelmoitavissa UPS:n asetuksista).
(3) Säädettävissä arvoihin 200/208/220/230/240 V (23 % tehon aleneminen 200 V:ssa ja 10 % tehon aleneminen 208 V:ssa 2,2 kVA:ssa, 17 % tehon aleneminen 200 V:ssa 3 kVA:ssa)
(4) 5PX EBM 48V RT2U: 2 sarjaa, kukin 4 x 12 V / 9 Ah.
(5) 5PX EBM 72V RT2U ja 5PX EBM 72V RT3U: 2 sarjaa, kukin 6 x 12 V / 9 Ah.
Kun laitetta käytetään EU-alueella, käytä linjan edessä ulkoista katkaisijaa, jonka nimellisarvo on 16 A, 250 V, joka on IEC/EN 60898-1 -standardin mukainen;
Kun laitetta käytetään Amerikan alueella, käytä linjan edessä ulkoista katkaisijaa, jonka nimellisarvo on 20 A, 250 V.
Tämä tuote on suunniteltu IT-virranjakelujärjestelmää varten.
Erikoismerkit
Seuraavassa on esimerkkejä UPS:ssä tai lisävarusteissa käytetyistä merkeistä, jotka varoittavat sinua tärkeistä tiedoista:
SÄHKÖISKUN VAARA – Noudata sähköiskun vaaraan liittyvää varoitusta.
Tärkeät ohjeet, joita on aina noudatettava.
Tietoa, neuvoja, apua.
Lataa käyttöohje
Täältä voit ladata täydellisen pdf-version käyttöohjeesta, se voi sisältää lisäturvallisuusohjeita, takuutietoja, FCC-sääntöjä jne.
Lataa Eaton 5PX 1500i RT2U, 5PX 2000i RT2U, 5PX 200i RT2U -käyttöohje




.
-merkkivalo palaa tasaisesti, mikä osoittaa, että UPS toimii normaalisti ja kaikki kuormat ovat virroitettuja ja suojattuja. UPS:n pitäisi olla normaalitilassa.
-merkkivalo palaa tasaisesti. UPS syöttää virtaa laitteillesi.
-painiketta käynnistääksesi uudelleen.


