SOMFY RTS - Қабырғаға орнатылатын жапқыш қабылдағышының нұсқаулығы

Орнату
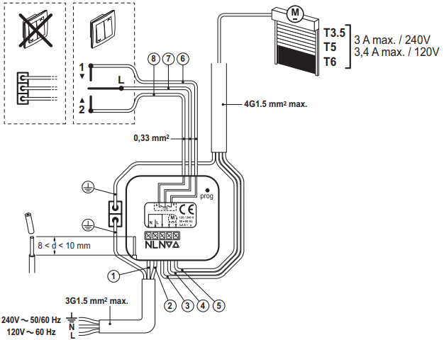
RTS қабырғаға орнатылатын жапқыш қабылдағышы барлық Somfy сымды қозғалтқыштарымен үйлесімді (I<3 A-240V немесе I<3.4 A-120V).
Үйлесімді таратқыштар (макс. 12)
RTS қабырғаға орнатылатын жапқыш қабылдағышы барлық Somfy RTS таратқыштарымен және Somfy күн сенсорларымен үйлесімді. Тиісті нұсқауларды қараңыз.
Орнату бойынша ұсыныстар

- Қабылдағышты осы нұсқауларға және жергілікті және ұлттық электрлік кодекстерге сәйкес лицензиясы бар электрик немесе моторландыру немесе автоматтандыру бойынша білікті маман тізімделген электр қорабына орнатуы керек.
- Ешқашан бірнеше RTS қабылдағышын бір қозғалтқышқа қоспаңыз.
Сымдарды қосу


Нөлдік және кернеулі сымдардың қосылымдарын ауыстырмаңыз. Өнімде қандай да бір жұмыс жасамас бұрын автоматты ажыратқыштан қуатты өшіріңіз. Желілік қуат көзінің кернеуі қозғалтқыш жапсырмасына сәйкес келуі керек: 240V~50/60 Hz немесе 120V~60 Hz. Орнатқаннан кейін терминалдардағы сымдар физикалық кернеуде болмауы керек.- Басқарудың кіріс сымдарына тек бір сыртқы қосқышты қосыңыз (тек бір бекітілген немесе лездік позиция қосқышы). Егер RTS қабылдағышына қосқыш қосылмаса, 6, 7 және 8 сымдарын жабыңыз. Алдыңғы жағына оқшаулағыш тақтайша қойыңыз.
- ▲ және ▼ бағыттарының қосқышқа дұрыс қосылғанын растаңыз.
- Сымдарды қосқан және ажыратқан кезде терминалдың кірістіру тұтқаларын басу үшін құралды пайдалануды ұсынамыз.
Қосқыштың сымдарының дұрыс қосылғанын растау
- Егер
түймесін басу ролик жапқышты төмен қарай жылжытса, қоңыр (АҚШ=қара) және қара (АҚШ=қызыл) қозғалтқыш сымдарын ауыстырыңыз.
![]()
Шекті қосқыштарды орнату
- Егер қозғалтқыш шектерін орнату қажет болса, таратқышты бағдарламалаудан бұрын шектерді орнату үшін сымды қосқышты пайдаланыңыз. (Тиісті қозғалтқышқа арналған нұсқауларды қараңыз).
Қабылдағышты бағдарламалау
Өнімді қуатқа қосып, пайдаланудан бұрын толық орнату керек.
Басқару нүктелерін немесе RTS сенсорын қосу/жою
(басқару нүктесін қосу немесе жою процедурасы бірдей):
- Жапқыш жоғары және төмен жылжығанша қабылдағыштың PROG (PROG) түймесін басып тұрыңыз.
![]()
- Жаңа таратқыштағы (немесе сенсордағы) PROG (PROG) түймесін қысқа басыңыз, жапқыш жоғары және төмен жылжиды.
![]()
Сүйікті позицияны орнату немесе өзгерту
1 (төменгі позициядан қол жетімді) және
2 (жоғарғы позициядан қол жетімді):

- Қозғалтқышты шегіне қойыңыз: жадта
1 сақтау үшін төмен немесе жадта
2 сақтау үшін жоғары. - Таратқыштың және
(1 үшін) немесе
және (2
үшін) түймелерін бір уақытта 3 секунд басыңыз. Ролик жапқыш қажетті позицияға жеткенде, түймесін басыңыз. Қажет болса, позицияны
және
түймелерін пайдаланып реттеңіз. - Позицияны жадта сақтау үшін
түймесін 5 секунд басыңыз, ролик жапқыш жоғары және төмен жылжиды.
- Аралық позицияны пайдалану үшін қозғалтқышты шегіне қойыңыз:
1 үшін төмен немесе
2 үшін жоғары, содан кейін
түймесін < 1 сек басыңыз. Қозғалтқыш аралық позицияға дейін жұмыс істейді.
Күн функциясы

Барлық таратқыштар мен сенсорларды RTS қабырғаға орнатылатын жапқыш қабылдағышынан жою
- Ролик жапқыш бір рет жоғары және төмен жылжығанша, содан кейін бірнеше сәттен кейін екінші рет жылжығанша RTS қабылдағышының PROG (PROG) түймесін 7 секундтан артық басыңыз.
Сымды басқарудың жұмыс істеуі (бекітілген немесе лездік)
- Жоғары немесе төмен түймесін < 0,5 сек басу ролик жапқышты шекті қосқышқа жібереді.
- Жоғары немесе төмен түймесін > 0,5 сек басу ролик жапқышқа басу уақыты аралығында команда береді.
- Сол түймеде қайталанған команда оны тоқтатады.
Сипаттамалары
- Қозғалтқыш шығысы: 240V кезінде 3A макс. немесе 120V кезінде 3,4A макс.
- Жұмыс тек бір қозғалтқышпен шектелген.
- Радио: 433,42 MHz
- Өлшемдері (мм): 19 x 41 x 45
- Сақтау температурасы: -30°C +70°C
- Пайдалану температурасы: -20°C +55°C
- Еуропалық сәйкестік: CE
- Қоршаған ортаны жіктеу: Оқшаулау Cat III және Ластану Cat II
- Қорғау индексі: IP20, егер орнату нұсқаулары орындалса. Тек үй ішінде пайдалануға арналған (> 12 мм диаметрлі қатты заттардан қорғау, сұйықтықтардан қорғау жоқ).
- Қалдық өнімдерді жергілікті қоқыс жинау жүйесін пайдаланып кәдеге жаратуды қамтамасыз етіңіз.
- Пайдаланудың максималды биіктігі: 2000 метр.
- Өнім соққылар мен құлауларға сезімтал.
Somfy көрсеткен қолдану аясынан тыс кез келген пайдалануға тыйым салынады. Бұл жағдайда, осы жерде берілген нұсқауларға сәйкес келмейтін барлық пайдалану сияқты, Somfy зиян немесе зақым үшін жауапкершіліктен бас тартады. Алдымен осы өнімнің байланысты жабдық пен керек-жарақтармен үйлесімділігін тексермей орнатуды ешқашан бастамаңыз.

Somfy осы арқылы өнімнің Еуропаға қолданылатын Еуропалық директивалардың негізгі талаптарына және басқа да тиісті ережелеріне сәйкес келетінін мәлімдейді. Сәйкестік декларациясы www.somfy.com/ce сайтында қол жетімді.

Сілтемелер
Нұсқаулықты жүктеп алу
Мұнда нұсқаулықтың толық pdf нұсқасын жүктеп алуға болады, онда қосымша қауіпсіздік нұсқаулары, кепілдік туралы ақпарат, FCC ережелері және т.б. болуы мүмкін.
SOMFY RTS - Қабырғаға орнатылатын жапқыш қабылдағышының нұсқаулығы жүктеп алу



және