Daikin 910121748 - Instrukcja programowalnego elektronicznego termostatu
- 1 Funkcje
- 2 Schemat części
- 3 Opisy ikon
- 4 Specyfikacje
- 5 Ważne informacje dotyczące bezpieczeństwa
- 6 Zawartość opakowania/Wymagane narzędzia
- 7 Demontaż istniejącego termostatu
- 8 Instalacja urządzenia
- 9 Schematy połączeń
- 10 Instalacja czujnika zdalnego (opcjonalnie)
- 11 Opisy oznaczeń zacisków
- 12 Tabela wyjść 910121748
- 13 Tryb konfiguracji
- 14 Ustawienia trybu konfiguracji
- 15 Tryb pracy
- 16 Funkcje przycisków
- 17 Tryby pracy
- 18 Testowanie urządzenia
- 19 Ustawianie godziny i dnia tygodnia
- 20 Programowanie
- 21 Fabryczne programowanie wstępne
- 22 Osobisty harmonogram programu
- 23 Rozwiązywanie problemów
- 24 Usługi posprzedażne
- 25 Referencje
- 26 Pobierz instrukcję
- 27 W innych językach

Funkcje

- Programowalny na 7 dni, 5-2 dni lub 5-1-1 dni
- Konfigurowalny
- 2-stopniowe systemy ogrzewania/2-stopniowe systemy chłodzenia
- Duży wyświetlacz z podświetleniem
- Możliwość wyboru Fahrenheita lub Celsjusza
- Lampka kontrolna stanu
- Wyjścia przekaźnikowe
(minimalny spadek napięcia w termostacie) - Kompatybilny z czujnikiem zdalnym
Schemat części

Opisy ikon
![]()
Specyfikacje
Parametry elektryczne:
- 24 VAC (18-30 VAC)
- Maksymalnie 1 amper na zacisk
- Maksymalne obciążenie całkowite 3 ampery
Zakres regulacji temperatury: od 55°F do 90°F (od 13°C do 32°C)
Dokładność: ± 1°F (± 0.5°C)
Konfiguracje systemu: 2-stopniowe ogrzewanie, 2-stopniowe chłodzenie
Pomiar czasu:
Zabezpieczenie przed krótkimi cyklami: 4 minuty (obejście opóźnienia zabezpieczenia przed krótkimi cyklami poprzez powrót do trybu OFF na 5 sekund)
Działanie podświetlenia: 10 sekund
Zakończenia: A, L, S1, S2, R, C, W1, Y1, W2, Y2, G, O
Ważne informacje dotyczące bezpieczeństwa
Zawsze wyłączaj zasilanie w głównym źródle zasilania przed instalacją, czyszczeniem lub demontażem termostatu.
- Ten termostat jest przeznaczony wyłącznie do zastosowań 24 VAC; nie używaj go przy napięciach powyżej 30 VAC
- Całe okablowanie musi być zgodne z lokalnymi i krajowymi przepisami elektrycznymi i budowlanymi
- Nie używaj klimatyzacji, gdy temperatura na zewnątrz jest niższa niż 50 stopni; może to uszkodzić system klimatyzacji i spowodować obrażenia ciała
- Używaj tego termostatu tylko zgodnie z opisem w tej instrukcji
Zawartość opakowania/Wymagane narzędzia
Opakowanie zawiera: termostat 910121748 na podstawie, pokrywę termostatu, etykiety do oznaczania przewodów, śruby i kołki rozporowe, instrukcję instalacji, obsługi i zastosowania
Narzędzia wymagane do instalacji: Wiertarka z wiertłem 3/16", młotek, śrubokręt
Demontaż istniejącego termostatu
NIEBEZPIECZEŃSTWO PORAŻENIA PRĄDEM – Wyłącz zasilanie w głównym panelu serwisowym, wyjmując bezpiecznik lub przełączając odpowiedni wyłącznik automatyczny do pozycji OFF przed demontażem istniejącego termostatu.
- Wyłącz zasilanie systemu grzewczego i chłodzącego, wyjmując bezpiecznik lub wyłączając odpowiedni wyłącznik automatyczny.
- Zdejmij pokrywę starego termostatu. Powinno to odsłonić przewody.
- Oznacz istniejące przewody za pomocą dołączonych etykiet przed ich odłączeniem.
- Po oznaczeniu przewodów odłącz je od zacisków.
- Zdejmij podstawę starego termostatu ze ściany.
- Zapoznaj się z poniższą sekcją, aby uzyskać instrukcje dotyczące instalacji tego termostatu.
Instalacja urządzenia
NIEBEZPIECZEŃSTWO PORAŻENIA PRĄDEM – Wyłącz zasilanie w głównym panelu serwisowym, wyjmując bezpiecznik lub przełączając odpowiedni wyłącznik automatyczny do pozycji OFF przed demontażem istniejącego termostatu.
Instalacja termostatu musi być zgodna z lokalnymi i krajowymi przepisami budowlanymi i elektrycznymi oraz rozporządzeniami.
Uwaga: Zamontuj termostat na wysokości około pięciu stóp nad podłogą. Nie montuj termostatu na ścianie zewnętrznej, w bezpośrednim świetle słonecznym, za drzwiami lub w miejscu, na które wpływa wentylator lub kanał.
- Wyłącz zasilanie systemu grzewczego i chłodzącego, wyjmując bezpiecznik lub wyłączając odpowiedni wyłącznik automatyczny.
- Aby zdjąć pokrywę, delikatnie pociągnij za szew u góry.
- Przytrzymaj podstawę termostatu przy ścianie w miejscu, w którym planujesz ją zamontować (upewnij się, że przewody przejdą przez otwór na przewody w podstawie termostatu).
- Zaznacz położenie otworów montażowych.
- Odłóż podstawę i pokrywę termostatu z dala od miejsca pracy.
- Używając wiertła 3/16", wywierć otwory w miejscach, które zaznaczyłeś do montażu.
- Użyj młotka, aby wbić dostarczone kołki rozporowe w otwory montażowe.
- Wyrównaj podstawę termostatu z otworami montażowymi i przeciągnij przewody sterujące przez szczelinę w barierze termicznej i do otworu na przewody.
- Użyj dostarczonych śrub, aby przymocować podstawę termostatu do ściany.
- Włóż odizolowane, oznaczone przewody do pasujących zacisków.
Upewnij się, że odsłonięta część przewodów nie dotyka innych przewodów. - Delikatnie pociągnij za przewód, aby upewnić się, że jest prawidłowo podłączony. Sprawdź dokładnie, czy każdy przewód jest podłączony do właściwego zacisku.
- Włącz zasilanie systemu w głównym panelu serwisowym.
- Skonfiguruj termostat tak, aby pasował do typu posiadanego systemu.
- Załóż pokrywę na termostat, zatrzaskując ją na miejscu.
- Przetestuj działanie termostatu zgodnie z opisem w rozdziale "Testowanie termostatu".
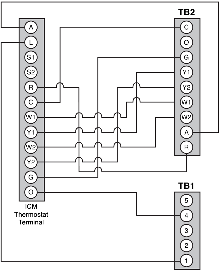
Schematy połączeń

Zaciski płyty głównej WSHP TB1 i TB2
Instalacja czujnika zdalnego (opcjonalnie)
Zaciski S1 i S2 mogą być używane do podłączenia wewnętrznego czujnika zdalnego.
Wewnętrzny czujnik zdalny służy do odczytu temperatury w pomieszczeniu w innej lokalizacji. Jest to korzystne, gdy termostat nie jest zamontowany w idealnym miejscu. Numer katalogowy czujnika zdalnego to 910116773.
- Zdejmij pokrywę z obudowy czujnika zdalnego.
- Wybierz odpowiednie miejsce do zamontowania czujnika zdalnego.
- Zamontuj czujnik zdalny za pomocą dostarczonych elementów montażowych.
- Zainstaluj dwużyłowy ekranowany przewód między czujnikiem zdalnym a termostatem. Zalecany jest przewód ekranowany.
Nie prowadź przewodu czujnika zdalnego w rurze z innymi przewodami.
![Daikin - 910121748 - Instalacja czujnika zdalnego Instalacja czujnika zdalnego]()
- Przewód 1 powinien przebiegać między zaciskiem S1 na termostacie a zaciskiem S1 na czujniku zdalnym
- Przewód 2 powinien przebiegać między zaciskiem S2 na termostacie a zaciskiem S2 na czujniku zdalnym
- Podłącz ekran przewodu do zacisku S2 na termostacie
- Skonfiguruj termostat do pracy ze zdalnym czujnikiem wewnętrznym (patrz ustawienie 9 w trybie konfiguracji).
Czujnik zdalny:
(Skontaktuj się z Daikin w sprawie opcjonalnego czujnika zdalnego).
Uwaga: Odczyt z czujnika zdalnego lub zewnętrznego można wyświetlić, naciskając jednocześnie przyciski Down (w dół) i SYS (system).
Opisy oznaczeń zacisków
R – 24 VAC gorący
C – 24 VAC wspólny
W 1 – 1. stopień ogrzewania
Y 1 – 1. stopień chłodzenia
W 2 – 2. stopień ogrzewania
Y 2 – 2. stopień chłodzenia
G – Wentylator
A – Wejście alarmowe
L – Wejście stanu
O – Zastąpienie/reset
Tabela wyjść 910121748
| 1ST Chłodzenie | 2ND Chłodzenie | 1ST Ogrzewanie | 2ND Ogrzewanie | |
| Ogrzewanie/Chłodzenie | Y1 | YI, Y2 | W1 | W1, W2 |
Termostat 910121748 można skonfigurować dla wszystkich systemów. Konfiguracja ma bezpośredni wpływ na wyjścia.
Użyj tabeli wyjść, aby poprawnie skonfigurować i podłączyć termostat do systemu.
Tryb konfiguracji
Tryb konfiguracji służy do ustawienia 910121748 tak, aby pasował do systemu ogrzewania/chłodzenia. Aby skonfigurować 910121748, wykonaj następujące kroki:
- Sprawdź, czy 910121748 jest w trybie OFF (wyłączony).
Naciskaj przycisk SYS (lewy), aż wyświetli się tryb wyłączenia (off).
![]()
- Zdejmij pokrywę termostatu, delikatnie pociągając w pobliżu jednego z rogów u góry termostatu.
- Naciśnij przycisk CONFIG (konfiguracja) przez 1 sekundę, gdy 910121748 jest w trybie OFF (wyłączony).
![]()

Naciskaj przycisk up (góra) lub down (dół), aby zmieniać ustawienia na każdym ekranie.

Naciśnij przycisk right (prawy), aby przejść do następnego ekranu.
Uwaga: Naciśnięcie przycisku left (lewy) spowoduje powrót do poprzedniego ekranu.
Aby wyjść z trybu konfiguracji, naciśnij przełącznik CONFIG (konfiguracja) przez 1 sekundę.
Ustawienia trybu konfiguracji
Ekrany ustawień dla trybu konfiguracji są następujące:
- Skala temperatury (F lub C)
Wybierz Fahrenheita lub Celsjusza.
Naciśnij przycisk up (góra) lub down (dół), aby wybrać.
Naciśnij przycisk right (prawy), aby przejść do następnego ekranu.
![]()
- 1. Stopień różnicy temperatur (1°F do 5°F) (0.5°C do 2.5°C)
Ustaw liczbę stopni między temperaturą "zadaną" a temperaturą "włączenia".
Naciśnij przycisk up (góra) lub down (dół), aby ustawić wartość różnicową.
Naciśnij przycisk right (prawy), aby przejść do następnego ekranu.
![]()
- 2. Stopień różnicy temperatur (1°F do 5°F) (0.5°C do 2.5°C)
Ustaw liczbę stopni między włączeniem stopnia 1 a włączeniem stopnia 2.
Naciśnij przycisk up (góra) lub down (dół), aby ustawić wartość różnicową.
Naciśnij przycisk right (prawy), aby przejść do następnego ekranu.
![]()
- Wyłączanie stopniowe wyjść
Wybierz, czy wyjścia dla ogrzewania i chłodzenia są wyłączane stopniowo niezależnie, czy są wyłączane jednocześnie.
1 = wyjścia wyłączane stopniowo niezależnie
0 = wyjścia wyłączane jednocześnie
Naciśnij przycisk up (góra) lub down (dół), aby ustawić.
Naciśnij przycisk right (prawy), aby przejść do następnego ekranu.
![]()
- Minimalna strefa nieczułości (1°F do 9°F) (1°C do 5°C)
Ustaw minimalną różnicę między zadaną temperaturą ogrzewania a zadaną temperaturą chłodzenia w trybie Auto Changeover (automatyczne przełączanie).
Naciśnij przycisk up (góra) lub down (dół), aby ustawić wartość strefy nieczułości.
Naciśnij przycisk right (prawy), aby przejść do następnego ekranu.
![]()
- Maksymalna zadana temperatura ogrzewania (55°F do 90°F) (13°C do 32°C)
Dostosuj, aby kontrolować maksymalną dopuszczalną temperaturę ogrzewania.
Naciśnij przycisk up (góra) lub down (dół), aby wybrać.
Naciśnij przycisk right (prawy), aby przejść do następnego ekranu.
![]()
- Minimalna zadana temperatura chłodzenia (55°F do 90°F) (13°C do 32°C)
Dostosuj, aby kontrolować minimalną dopuszczalną temperaturę chłodzenia.
Naciśnij przycisk up (góra) lub down (dół), aby wybrać.
Naciśnij przycisk right (prawy), aby przejść do następnego ekranu.
![]()
- Korekta temperatury pokojowej (+9°F do -9°F) (+4.5°C do -4.5°C)
Dostosuj, aby skalibrować wyświetlaną temperaturę pokojową tak, aby odpowiadała rzeczywistej temperaturze pokojowej.
Uwaga: Gdy nie jest ustawiona na 0,
zostanie wyświetlona.
Naciśnij przycisk up (góra) lub down (dół), aby wybrać.
Naciśnij przycisk right (prawy), aby przejść do następnego ekranu.
![]()
- Czujnik temperatury (1-4)
- Tylko wbudowany czujnik określa temperaturę pokojową.
- Tylko czujnik zdalny określa temperaturę pokojową.
- Średnia temperatura z czujnika wbudowanego i czujnika zdalnego.
- Tylko wbudowany czujnik będzie używany do okresu NITE, a następnie używany będzie tylko czujnik zdalny.
![]()
Uwaga: Jeśli nie ma czujnika zdalnego, należy wybrać opcję 1.
Naciśnij przycisk up (góra) lub down (dół), aby wybrać.
Naciśnij przycisk configuration (konfiguracja) przez dwie sekundy, aby wyjść z konfiguracji.
Tryb pracy
910121748 to programowalny termostat z ręcznym lub automatycznym przełączaniem, 2-stopniowym ogrzewaniem i 2-stopniowym chłodzeniem. Czujnik zewnętrzny może być używany do monitorowania temperatury zewnętrznej.
Termostat włącza urządzenie grzewcze, gdy temperatura w pomieszczeniu jest niższa od ustawionej temperatury ogrzewania (o temperaturę różnicową). 910121748 przestanie wysyłać sygnał, gdy zapotrzebowanie na ciepło zostanie zaspokojone.
Gdy temperatura w pomieszczeniu jest wyższa od ustawionej temperatury chłodzenia (o temperaturę różnicową), urządzenie chłodzące zostaje włączone. 910121748 przestanie wysyłać sygnał, gdy zapotrzebowanie na chłodzenie zostanie zaspokojone.
910121748 ma pięć możliwych trybów pracy: OFF (wyłączony), Heat (ogrzewanie), Cool (chłodzenie), Heat & Cool (ogrzewanie i chłodzenie) i tryb Program (program). W trybie wyłączonym termostat nie włącza urządzeń grzewczych ani chłodzących. Ręczny wentylator można włączyć we wszystkich trybach pracy za pomocą przycisku wentylatora. W trybie ogrzewania termostat steruje systemem grzewczym. W trybie chłodzenia termostat steruje systemem chłodzenia. W trybie ogrzewania i chłodzenia termostat steruje zarówno systemem grzewczym, jak i chłodzącym. W trybie programowym termostat będzie automatycznie sterowany przez ustawiony program. Tryb programowy może działać w trybie ogrzewania, chłodzenia lub ogrzewania i chłodzenia. Wyświetlacz zegara zmienia się z wyświetlaczem ustawionej temperatury w trybie ogrzewania i chłodzenia.
Harmonogram programu można pominąć, zmieniając ustawioną temperaturę (przycisk w górę lub w dół). To przełącza termostat 910121748 w 2-godzinne tymczasowe wstrzymanie. Po 2 godzinach automatycznie powróci do harmonogramu programu.
Programowalna funkcja wentylatora może być używana do recyrkulacji powietrza w trybie Program (program). Jest ona aktywowana podczas konfiguracji harmonogramu programu.
Naciśnięcie jednocześnie przycisków UP (góra) i DOWN (dół) przez 2 sekundy, a następnie zwolnienie ich powoduje, że termostat wysyła sygnał z zacisku "O" przez 5 sekund. Na wyświetlaczu pojawi się "Or". Spowoduje to przejście urządzenia w tryb nocnego obniżenia temperatury.
Naciśnięcie jednocześnie przycisków UP (góra) i DOWN (dół) przez 5 sekund powoduje, że termostat wysyła sygnał z zacisku "O" przez 10 sekund. Na wyświetlaczu pojawi się "rS". Spowoduje to zresetowanie urządzenia.
Funkcje przycisków

UP (góra) – Służy do zwiększania czasu, ustawiania temperatur i regulacji ustawień konfiguracyjnych.
DOWN (dół) – Służy do zmniejszania czasu, ustawiania temperatur i regulacji ustawień konfiguracyjnych.
SYS (left) (SYS (lewy)) – Służy do zmiany trybów OFF (wyłączony), HEAT (ogrzewanie), COOL (chłodzenie) i AUTO (automatyczne przełączanie)
FAN (right) (FAN (prawy)) – Służy do włączania i wyłączania wentylatora wewnętrznego.
PROG (SYS and FAN) (PROG (SYS i FAN)) – Służy do przełączania z trybu programowego na tryb ręczny.
DOWN and SYS (Dół i SYS) – Naciśnięte jednocześnie, aby wyświetlić zewnętrzną temperaturę zdalną, jeśli podłączony jest zdalny czujnik.
UP and DOWN (Góra i dół) – Służy do pomijania nocnego obniżenia temperatury lub resetowania urządzenia.
Tryby pracy
Istnieje pięć możliwych trybów pracy dla 910121748. Tryby Off (wyłączony), Cool (chłodzenie), Heat (ogrzewanie) i Cool & Heat (chłodzenie i ogrzewanie) są dostępne po naciśnięciu przycisku SYS (lewy). Tryb Program (program) jest dostępny po naciśnięciu jednocześnie przycisków SYS (lewy) i FAN (prawy).
OFF Mode (Tryb wyłączony)
- W tym trybie termostat nie włącza urządzeń grzewczych ani chłodzących
Note: (Uwaga:) The indoor fan can be turned on manually in every operating mode by pressing the FAN (right) button. (Wentylator wewnętrzny można włączyć ręcznie w każdym trybie pracy, naciskając przycisk FAN (prawy).) The word FAN shows on the display and the fan icon (Słowo FAN (wentylator) pojawia się na wyświetlaczu, a ikona wentylatora)
appears when the fan operates. (pojawia się, gdy wentylator pracuje.)
![]()
Heat Mode (Tryb ogrzewania)
- W tym trybie termostat steruje systemem grzewczym. Gdy włączone jest ogrzewanie, na wyświetlaczu pojawia się ikona płomienia
.
![]()
Cool Mode (Tryb chłodzenia)
- W tym trybie termostat steruje systemem chłodzenia. Gdy włączone jest chłodzenie, na wyświetlaczu pojawia się ikona płatka śniegu
.
![]()
Cool and Heat Mode (Tryb chłodzenia i ogrzewania) (Auto Changeover (Automatyczne przełączanie))
- W tym trybie termostat steruje systemami chłodzenia i ogrzewania, automatycznie przełączając się z jednego na drugi w razie potrzeby.
- Wyświetlanie czasu zmienia się z wyświetlaniem ustawionej temperatury co 10 sekund w trybie chłodzenia i ogrzewania.
![]()
Program Mode (Tryb programowy)
- W tym trybie funkcja programu jest włączona (wyświetla się PROG), a termostat będzie automatycznie sterowany przez ustawiony harmonogram programu. Tryb programowy może działać w trybie ogrzewania, chłodzenia lub ogrzewania i chłodzenia. Harmonogram programu można pominąć, zmieniając ustawioną temperaturę (przycisk w górę lub w dół). Po 2 godzinach harmonogram programu zostanie automatycznie wznowiony. Aby ręcznie powrócić do harmonogramu programu, naciśnij dwukrotnie przycisk PROG.
![]()
Testowanie urządzenia
Po skonfigurowaniu termostatu należy go dokładnie przetestować.
Do not energize the air conditioning system when the outdoor temperature is below 50 degrees. It can result in equipment damage or personal injury. (Nie należy włączać systemu klimatyzacji, gdy temperatura zewnętrzna jest niższa niż 10 stopni Celsjusza. Może to spowodować uszkodzenie sprzętu lub obrażenia ciała.)
Test ogrzewania
- Naciskaj przycisk SYS (lewy), aż wyświetli się tryb ogrzewania.
- Ustaw temperaturę o 5 stopni powyżej temperatury w pomieszczeniu.
- Ogrzewanie powinno włączyć się w ciągu kilku sekund.
- Ustaw temperaturę o 2 stopnie poniżej temperatury w pomieszczeniu, a ogrzewanie powinno się wyłączyć. W twoim systemie może występować opóźnienie wentylatora.
![]()
Test chłodzenia
- Naciskaj przycisk SYS (lewy), aż wyświetli się tryb chłodzenia.
- Ustaw temperaturę o 5 stopni poniżej temperatury w pomieszczeniu.
- Klimatyzacja powinna włączyć się w ciągu kilku sekund.
- Ustaw temperaturę o 2 stopnie powyżej temperatury w pomieszczeniu, a klimatyzacja powinna się wyłączyć. W twoim systemie może występować opóźnienie wentylatora.
![]()
Test wentylatora
- Naciśnij przycisk FAN (prawy). Wyświetla się Fan (wentylator). Wentylator wewnętrzny włącza się.
![]()
- Naciśnij przycisk FAN (prawy). Wentylator wewnętrzny wyłącza się.
Ustawianie godziny i dnia tygodnia
Godzina i dzień tygodnia muszą być ustawione, aby harmonogram programu działał prawidłowo.
- Naciskaj przycisk SYS (lewy), aż przejdziesz do trybu OFF (wyłączony).
- Naciśnij i przytrzymaj przycisk PROG (przyciski SYS (lewy) i FAN (prawy) naciśnięte jednocześnie) przez 6 sekund.
- Wyświetla się godzina (godzina miga).
Naciśnij przycisk up (góra) lub down (dół), aby ustawić godzinę.
![]()
- Naciśnij raz przycisk FAN (prawy), aby wybrać minuty (minuty migają).
Naciśnij przycisk up (góra) lub down (dół), aby ustawić minuty.
![]()
- Naciśnij raz przycisk FAN (prawy), aby wybrać dzień tygodnia (TODAY (dziś) miga).
Naciśnij przycisk up (góra) lub down (dół), aby wybrać bieżący dzień tygodnia.
![]()
Note: (Uwaga:) At any time, press the (W dowolnym momencie naciśnij) SYS (left) (SYS (lewy)) button to return to the previous screen or press the (przycisk, aby powrócić do poprzedniego ekranu, lub naciśnij) FAN (right) (FAN (prawy)) button to advance to the next screen. (przycisk, aby przejść do następnego ekranu.)
Naciśnij przycisk PROG przez 2 sekundy, aby zapisać wartości w pamięci i powrócić do trybu OFF (wyłączony), lub naciśnij raz przycisk FAN (prawy), aby przejść do programowania.
Programowanie
Program Overview (Przegląd programu)
Termostat programowalny 910121748 ma cztery okresy (MORN (rano), DAY (dzień), EVE (wieczór), NITE (noc)), które można dostosować dla każdego dnia tygodnia. Każdy okres będzie miał godzinę rozpoczęcia, temperaturę ogrzewania, temperaturę chłodzenia i opcję programowalnego wentylatora. 910121748 monitoruje dzień i godzinę, utrzymując jednocześnie określone warunki wybrane dla każdego okresu w programie.
Ustawianie harmonogramu programu:
- Naciskaj przycisk SYS (lewy), aż przejdziesz do trybu OFF (wyłączony).
- Naciśnij i przytrzymaj przycisk PROG (przyciski SYS i FAN naciśnięte jednocześnie) przez 6 sekund.
![]()
- Naciśnij przycisk FAN (prawy) 3 razy.
- SUN (niedz.) thru (do) SAT (sob.) migają.
Z tego ekranu masz 2 opcje:
- Naciśnij przycisk FAN (prawy), aby rozpocząć programowanie wszystkich 7 dni jednocześnie, lub
- Naciśnij przycisk up (góra), aby zobaczyć inne opcje programowania.
Note: (Uwaga:) The days of the week shown on the display will be programmed simultaneously. (Dni tygodnia wyświetlane na wyświetlaczu będą programowane jednocześnie.) The screens are listed below. (Ekrany są wymienione poniżej.)
![]()
| Screen 1 (Ekran 1) | SUN (niedz.) | MON (pon.) | TUE (wt.) | WED (śr.) | THU (czw.) | FRI (pt.) | SAT (sob.) |
| Screen 2 (Ekran 2) | MON (pon.) | TUE (wt.) | WED (śr.) | THU (czw.) | FRI (pt.) | ||
| Screen 3 (Ekran 3) | MON (pon.) | ||||||
| Screen 4 (Ekran 4) | TUE (wt.) | ||||||
| Screen 5 (Ekran 5) | WED (śr.) | ||||||
| Screen 6 (Ekran 6) | THU (czw.) | ||||||
| Screen 7 (Ekran 7) | FRI (pt.) | ||||||
| Screen 8 (Ekran 8) | SUN (niedz.) | SAT (sob.) | |||||
| Screen 9 (Ekran 9) | SAT (sob.) | ||||||
| Screen 10 (Ekran 10) | SUN (niedz.) |
Z dowolnego z powyższych ekranów możesz nacisnąć przycisk FAN (prawy), aby rozpocząć wprowadzanie harmonogramu programu. Dni wyświetlane na wyświetlaczu będą programowane jednocześnie.
Po naciśnięciu przycisku FAN (prawy) miga MORN (rano).
Użyj przycisku w górę lub w dół, aby wybrać inny okres (MORN (rano), DAY (dzień), EVE (wieczór), NITE (noc)).
Naciśnij przycisk FAN (prawy), aby przejść do następnego ekranu. Godzina przejścia hour (godzina) miga.
Użyj przycisku up (góra) lub down (dół), aby wybrać inną godzinę.
Naciśnij przycisk FAN (prawy), aby przejść do następnego ekranu. Minuty przejścia minutes (minuty) migają.
Użyj przycisku up (góra) lub down (dół), aby wybrać inne minuty.
Naciśnij przycisk FAN (prawy), aby przejść do następnego ekranu. Wyświetla się ustawiona temperatura ogrzewania.
Użyj przycisku up (góra) lub down (dół), aby ustawić temperaturę ogrzewania.
Naciśnij przycisk FAN (prawy), aby przejść do następnego ekranu. Wyświetla się ustawiona temperatura chłodzenia.
Użyj przycisku up (góra) lub down (dół), aby ustawić temperaturę chłodzenia.
Naciśnij przycisk FAN (prawy), aby przejść do następnego ekranu. Wyświetla się ekran Programmable fan (Programowalny wentylator).
Użyj przycisku up (góra) lub down (dół), aby wybrać:
Wybierz:
Off (Wyłączony) – Programowalny wentylator wyłączony
On (Włączony) – Wentylator wewnętrzny włączony na stałe
Note: (Uwaga:) Programmable fan operates in Program mode only. (Programowalny wentylator działa tylko w trybie Program (program).)
Powtórz powyższe kroki, aby zaprogramować cztery okresy dziennie.
Po zakończeniu harmonogramu programu naciśnij i przytrzymaj przycisk PROG (przyciski SYS i FAN naciśnięte jednocześnie) przez 2 sekundy, aby powrócić do trybu OFF (wyłączony).
Fabryczne programowanie wstępne
910121748 jest dostarczany z następującym wstępnie zaprogramowanym harmonogramem:
| MONDAY (poniedziałek) thru (do) SUNDAY (niedziela) | MORN (rano) | 6:00 AM | DAY (dzień) | 8:00 AM | EVE (wieczór) | 6:00 PM | NITE (noc) | 10:00 PM |
| HEAT (ogrzewanie) | 70°F | HEAT (ogrzewanie) | 62°F | HEAT (ogrzewanie) | 70°F | HEAT (ogrzewanie) | 62°F | |
| COOL (chłodzenie) | 78°F | COOL (chłodzenie) | 85°F | COOL (chłodzenie) | 78°F | COOL (chłodzenie) | 82°F | |
| FAN (wentylator) | Off (wyłączony) | FAN (wentylator) | Off (wyłączony) | FAN (wentylator) | Off (wyłączony) | FAN (wentylator) | Off (wyłączony) |
MONDAY (poniedziałek) thru (do) SUNDAY (niedziela)
| MORN (rano) | 6:00 AM |
| HEAT (ogrzewanie) | 70°F |
| COOL (chłodzenie) | 78°F |
| FAN (wentylator) | Off (wyłączony) |
| DAY (dzień) | 8:00 AM |
| HEAT (ogrzewanie) | 62°F |
| COOL (chłodzenie) | 85°F |
| FAN (wentylator) | Off (wyłączony) |
| EVE (wieczór) | 6:00 PM |
| HEAT (ogrzewanie) | 70°F |
| COOL (chłodzenie) | 78°F |
| FAN (wentylator) | Off (wyłączony) |
| NITE (noc) | 10:00 PM |
| HEAT (ogrzewanie) | 62°F |
| COOL (chłodzenie) | 82°F |
| FAN (wentylator) | Off (wyłączony) |
Osobisty harmonogram programu
Użyj poniższego osobistego harmonogramu programu, aby zapisać swoje ustawienia:

Rozwiązywanie problemów
| Symptom (Objaw) | Remedy (Środek zaradczy) |
| No display (Brak wyświetlacza) | Check for 24 VAC at thermostat; display is blank when 24 VAC is not present Time and day of week must be reset after extended power loss (Sprawdź obecność 24 VAC na termostacie; wyświetlacz jest pusty, gdy nie ma 24 VAC. Czas i dzień tygodnia muszą zostać zresetowane po dłuższej utracie zasilania) |
| All thermostat buttons are inoperative (Wszystkie przyciski termostatu są nieaktywne) | Verify 24 VAC is present; unit locks out when 24 VAC is not present (Sprawdź obecność 24 VAC; urządzenie blokuje się, gdy nie ma 24 VAC) |
| No response with first button press (Brak reakcji przy pierwszym naciśnięciu przycisku) | First button press activates backlight only (Pierwsze naciśnięcie przycisku aktywuje tylko podświetlenie) |
| Program schedule activates at the wrong time (Harmonogram programu aktywuje się o niewłaściwej porze) | Check time (AM/PM) set on thermostat (see Setting the Time) (Sprawdź czas (AM/PM) ustawiony na termostacie (patrz Ustawianie czasu)) |
| Thermostat turns on and off too frequently (Termostat włącza się i wyłącza zbyt często) | Adjust temperature differential (see Configuration Mode Settings 2 & 3) (Dostosuj różnicę temperatur (patrz Ustawienia trybu konfiguracji 2 i 3)) |
| Thermostat does not follow program (Termostat nie podąża za programem) | Verify it is operating in program mode (PROG displays); check time (AM/PM); check if in 2 hour program override (Sprawdź, czy działa w trybie programowania (wyświetla się PROG); sprawdź czas (AM/PM); sprawdź, czy jest w 2-godzinnym trybie obejścia programu) |
| Fan runs continuously (Wentylator działa ciągle) | Press FAN (right) button to turn fan off (Naciśnij przycisk FAN (prawy), aby wyłączyć wentylator) |
| Fan turns on occasionally (Wentylator włącza się sporadycznie) | Program Mode: Check programmable fan setting in program schedule (Tryb programowania: Sprawdź programowalne ustawienie wentylatora w harmonogramie programu) |
| Status indicator on (Włączony wskaźnik stanu) | WSHP status blink code (Kod migania statusu WSHP) |
| Room temperature is not correct (Temperatura w pomieszczeniu jest nieprawidłowa) | Calibrate thermostat (see Configuration Mode Setting 8) If remote sensor is used, check S1 and S2 terminal connections (Skalibruj termostat (patrz Ustawienie trybu konfiguracji 8). Jeśli używany jest zdalny czujnik, sprawdź połączenia zacisków S1 i S2) |
on display instead of room temperature (na wyświetlaczu zamiast temperatury w pomieszczeniu) | Check for a bad connection at S1 and S2 terminals, if used (see Configuration Mode Setting 9) (Sprawdź, czy nie ma złego połączenia na zaciskach S1 i S2, jeśli są używane (patrz Ustawienie trybu konfiguracji 9)) |
| Heat or Cool not coming on (Ogrzewanie lub chłodzenie nie włącza się) | Verify wiring is correct, gently pull on each wire to verify there is a good connection at terminal block (Sprawdź, czy okablowanie jest prawidłowe, delikatnie pociągnij za każdy przewód, aby sprawdzić, czy jest dobre połączenie na listwie zaciskowej) |
| Alarm light on (Świeci się lampka alarmowa) | Unit in alarm lockout condition (Urządzenie w stanie blokady alarmowej) |
| Problem not listed above (Problemu nie ma na liście powyżej) | Press Reset button once* (Naciśnij raz przycisk Reset*) |
* Reset Button Function: Time and day are reset, configuration and program settings are unchanged. (* Funkcja przycisku Reset: Czas i dzień są resetowane, ustawienia konfiguracyjne i programowe pozostają niezmienione.)
Usługi posprzedażne
To find your local parts office, visit www.DaikinApplied.com or call 800-37PARTS (800-377-2787). To find your local service office, visit www.DaikinApplied.com or call 800-432-1342. This document contains the most current product information as of this printing. For the most up-to-date product information, please go to www.DaikinApplied.com.
Daikin Training and Development (Szkolenia i rozwój Daikin)
Now that you have made an investment in modern, efficient Daikin equipment, its care should be a high priority. For training information on all Daikin HVAC products, please visit us at www.DaikinApplied.com and click on Training, or call 540-248-9646 and ask for the Training Department.
Products manufactured in an ISO certified facility. (Produkty wytwarzane w zakładzie z certyfikatem ISO.)

Referencje
Pobierz instrukcję
Tutaj możesz pobrać pełną wersję instrukcji w formacie pdf, może ona zawierać dodatkowe instrukcje bezpieczeństwa, informacje o gwarancji, przepisy FCC itp.
Pobierz Daikin 910121748 - Instrukcja programowalnego elektronicznego termostatu










zostanie wyświetlona.

appears when the fan operates. (pojawia się, gdy wentylator pracuje.)
.
.










on display instead of room temperature (na wyświetlaczu zamiast temperatury w pomieszczeniu)