ENGO CONTROLS E901RF, E901 - Simsiz/Simli Dasturlanadigan Termostat Tez Qo'llanma
- 1 Kirish
- 2 Umumiy ko'rinish
- 3 Mahsulotning muvofiqligi
- 4 Xavfsizlik haqida ma'lumot
- 5 O'rnatish
- 6 Devorga o'rnatish
- 7 Simli termostat E901 uchun ulanish tavsifi
- 8 Simsiz to'plamdan E901RX qabul qiluvchi
- 9 Simsiz termostat E901RF uchun ulanish tavsifi
- 10 LCD belgilari tavsifi
- 11 Tugma tavsifi
- 12 Vaqtni sozlash / Sanani sozlash
- 13 Qo'lda rejim - harorat sozlamalari
- 14 Qulay haroratni o'rnatish
- 15 Tejamkor haroratni o'rnatish
- 16 AUTO rejimi - jadvalga muvofiq ishlash
- 17 Zavod (0-3) dasturlarini tanlash
- 18 Foydalanuvchi (4-9) dasturlarini tanlash va dasturlash
- 19 Jadvalning ikkinchi turi va dasturlash usuli
- 20 E901RF ni qabul qilgich bilan ulash jarayoni
- 21 O'rnatuvchi sozlamalari
- 22 O'rnatuvchi parametrlari
- 23 Texnik xususiyatlar
- 24 Manbalar
- 25 Qo'llanmani yuklab olish
- 26 Boshqa tillarda

Kirish
E901 & E901RF - bu uy sharoitida foydalanish uchun mo'ljallangan haftalik, sirtga o'rnatiladigan elektron xona termostatidir. U isitish moslamalarini (masalan, gaz, neft qozonlari, issiqlik nasoslari) yoki sovutish moslamalarini boshqarish uchun mo'ljallangan. U o'z jadvalingizni yaratish funksiyasiga ega. O'rnatilgan algoritmlar tufayli u an'anaviy mexanik termostatlarga qaraganda ancha yaxshi haroratni nazorat qilish aniqligini ta'minlaydi. Iltimos, qurilmani birinchi marta ishlatishdan oldin ushbu ko'rsatmalarni diqqat bilan o'qing. Termostat AA, 1,5V ishqoriy batareyalardan foydalanishi kerak. Batareyalarni qopqoq ostida joylashgan batareya bo'linmasiga joylashtiring. Qayta zaryadlanuvchi batareyalarga ruxsat etilmaydi.
Umumiy ko'rinish
E901RF | Simsiz Dasturlanadigan Termostat

E901 | Simli Dasturlanadigan Termostat

Mahsulotning muvofiqligi
Ushbu mahsulot quyidagi Yevropa Ittifoqi direktivalariga mos keladi: E901: 2014/30/EU, 2014/35/EU, 2011/65/EU
E901RF: 2014/53/EU, 2011/65/EU
868.0 MHz - 868.6 MHz; <13dBm
Iltimos, diqqat qiling!
Ushbu hujjat mahsulotni o'rnatish va ishlatish bo'yicha tezkor qo'llanma bo'lib, uning eng muhim xususiyatlari va funktsiyalarini ko'rsatadi.
Xavfsizlik haqida ma'lumot
Milliy va Yevropa Ittifoqi qoidalariga muvofiq foydalaning. Qurilmani faqat mo'ljallanganidek ishlating va uni quruq holatda saqlang. Mahsulot faqat ichki foydalanish uchun mo'ljallangan. O'rnatishni malakali shaxs milliy va Yevropa Ittifoqi qoidalariga muvofiq amalga oshirishi kerak.
O'rnatish
O'rnatishni malakali shaxs tegishli elektr malakasi bilan, muayyan mamlakatda va Yevropa Ittifoqida amal qiladigan standartlar va qoidalarga muvofiq amalga oshirishi kerak. Ishlab chiqaruvchi ko'rsatmalarga rioya qilmaslik uchun javobgar emas.
Butun o'rnatish uchun qo'shimcha himoya talablari bo'lishi mumkin, buning uchun o'rnatuvchi javobgar bo'ladi.

Ushbu belgi ushbu qurilmani maishiy chiqindilar bilan birga tashlab yubormaslik kerakligini ko'rsatish uchun mo'ljallangan. Atrof-muhitni, inson salomatligini va tabiiy resurslarni himoya qilish uchun utilizatsiya faqat WEEE direktivasi mahsulotlari uchun tegishli qayta ishlash yig'ish punktida amalga oshirilishi kerak. Ushbu mahsulotni utilizatsiya qilish va qayta ishlash haqida qo'shimcha ma'lumot olish uchun mahalliy munitsipal hokimiyatlar, utilizatsiya xizmatlari yoki sotib olingan joyga murojaat qiling.
Qurilmani sotish, almashtirish yoki utilizatsiya qilishda biz har qanday qurilma sozlamalarini qayta o'rnatish yoki o'chirishni tavsiya qilamiz. Internetga ulangan qurilmalar har qanday ro'yxatdan o'tgan onlayn akkauntlardan, mobil yoki veb-ilovalardan olib tashlanishi yoki onlayn akkaunt yopilishi kerak, shunda qurilma ma'lumotlari endi sizning shaxsiy ma'lumotlaringiz bilan bog'lanmaydi yoki bog'lanmaydi. Qurilmani olib tashlash, akkauntni yopish yoki mulkchilikdagi har qanday o'zgarish haqida bizga xabar berish iste'molchining zimmasida, shunda shaxsiy akkauntlar bilan har qanday bog'liqlik yoki bog'lanish olib tashlanadi yoki yangilanadi.
Devorga o'rnatish
- Rasmdagi kabi termostat qopqog'ini olib tashlang. Agar ichida batareyalar bo'lsa, ularni olib tashlang.
![ENGO CONTROLS - E901RF - Devorga o'rnatish - 1-qadam Devorga o'rnatish - 1-qadam]()
- Qarshilikni sezmaguningizcha, plastik yorliqlarni rasmda ko'rsatilganidek surish uchun tornavidadan foydalaning va korpusning old qismini egib oling.
![ENGO CONTROLS - E901RF - Devorga o'rnatish - 2-qadam Devorga o'rnatish - 2-qadam]()
- Old qismini orqa qismdan yuqorida ko'rsatilgan yo'nalishda ajrating.
![ENGO CONTROLS - E901RF - Devorga o'rnatish - 3-qadam Devorga o'rnatish - 3-qadam]()
- Keyin orqa qopqoqni taqdim etilgan o'rnatish vintlari va taqdim etilgan teshiklar yordamida devorga mahkamlang (katta o'qlarni qarang). Simlarni COM / NO ulagichiga ulang (kichik o'qlarni qarang).
![ENGO CONTROLS - E901RF - Devorga o'rnatish - 4-qadam Devorga o'rnatish - 4-qadam]()
- Chap tomondagi ilmoqlardan foydalanib, orqa va old qopqoqlarni yuqoridagi rasmda ko'rsatilganidek harakatlanib, joyiga tushguncha buklang.
![ENGO CONTROLS - E901RF - Devorga o'rnatish - 5-qadam Devorga o'rnatish - 5-qadam]()
Simli termostat E901 uchun ulanish tavsifi

Simsiz to'plamdan E901RX qabul qiluvchi
Qabul qiluvchining kalitlari tavsifi:

| CHAP KALIT | |
| 1. | ON - Qo'lda rejim
|
| 2. | OFF - Qo'lda rejim
|
| O'NG KALIT | |
| 3. | MANUAL (QO'LDA) - Qabul qiluvchi qo'lda rejimda ishlaydi (chap kalitga muvofiq) |
| 4. | AUTO (AVTO) - Qabul qiluvchi AUTO rejimda ishlaydi (termostatning buyrug'iga muvofiq) |
Qabul qiluvchidagi LED ko'rsatkichlari

Qabul qiluvchining holati ikkita LED bilan ko'rsatiladi. Bular quyidagi rangdagi LEDlardir:
- - yashil (yuqori biri),
- - to'q sariq (pastki biri).
LEDlarning ma'nosini batafsil tushuntirishni quyidagi jadvalda topishingiz mumkin:
| TAVSIF | |
| yashil LED yonadi | Qabul qiluvchi 230V quvvat manbaiga ulangan. O'ng kalit AUTO holatida bo'lganda, agar u avtomatik rejimda bo'lsa, qabul qiluvchini termostat boshqarishi mumkin. O'ng kalit MANUAL (QO'LDA) holatida bo'lganda, qabul qiluvchini qo'lda ishga tushirish mumkin. |
| yashil LED miltillaydi | Qabul qiluvchi juftlash rejimida va termostatdan signal qidirmoqda (keyin siz termostatda "SYNC" parametrini faollashtirishingiz kerak). |
| yashil LED o'chirilgan | Qabul qiluvchi 230V quvvat manbaidan uzilgan yoki chap kalit OFF (O'CHIRILGAN) holatida. |
| to'q sariq LED yonadi | Avtomatik rejimda qabul qiluvchi termostatdan isitish / sovutish signalini oldi. Qabul qiluvchi qo'lda rejimda ishga tushirildi (chap ON (YOQILGAN) kaliti, o'ng MANUAL (QO'LDA) kaliti) |
| to'q sariq LED miltillaydi | Qabul qiluvchi juftlashtirildi, lekin diapazondan tashqari yoki termostatdagi batareya quvvati pastligi sababli termostat bilan aloqani yo'qotdi. Qabul qiluvchi termostatdan signal olmaganida 40 daqiqadan so'ng miltillay boshlaydi. |
| to'q sariq LED o'chirilgan | Qabul qiluvchi isitish / sovutish signalini yubormaydi. |
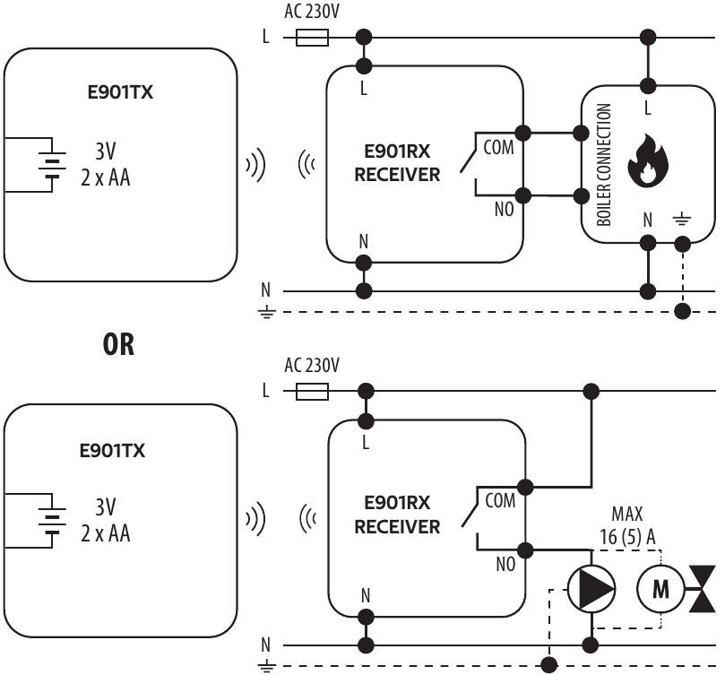
Simsiz termostat E901RF uchun ulanish tavsifi

LCD belgilari tavsifi
![]()
- Dastur vaqt jadvali ko'rsatkichi
- AM/PM
- Soat
- Hafta kuni ko'rsatkichi
- Sozlamalar belgisi
- Kalit qulfi funksiyasi
- Signal yuborish (juftlash)
- Ta'til rejimi
- Batareya quvvati pastligi ko'rsatkichi
- Muzlashga qarshi rejim
- Qulaylik rejimi
- Iqtisodiy rejim
- Sovutish rejimi - ON (yoqilgan)
- Isitish rejimi - OFF (o'chirilgan)
- Harorat birligi
- Xona / belgilangan harorat
- Vaqtinchalik bekor qilish
- Dastur raqami
Tugma tavsifi
| Tugma | Funksiya |
![]() | Parametr qiymatini pastga o'zgartirish |
![]() | Parametr qiymatini yuqoriga o'zgartirish |
![]() | Hafta kunini belgilash |
![]() | Soatni belgilash |
![]() | Daqiqalarni belgilash |
![]() | Qulaylik harorati |
![]() | Iqtisodiy harorat / Ta'til rejimi |
![]() | AUTO (AVTO) rejimi / Orqaga tugmasi |
![]() | Dasturlash / Dasturni tanlash |
![]() | Funksiyani tasdiqlash |
![]() | Zavod sozlamalariga qaytarish |
Vaqtni sozlash / Sanani sozlash

- Kunni belgilash uchun D tugmasini bosing.
- Soatni belgilash uchun H tugmasini bosing.
- Daqiqalarni belgilash uchun M tugmasini bosing.
Qo'lda rejim - harorat sozlamalari
Bizda bir nechta harorat darajalari mavjud. Qo'lda rejimda kuniga faqat bitta harorat darajasi amalga oshiriladi. Siz har bir daraja uchun boshqa haroratni o'rnatishingiz mumkin.
- Comfort Mode (Qulaylik rejimi)
Bu rejimda termostat doimiy kunduzgi haroratni ushlab turishi kerak. Agar harorat qo'lda o'rnatilsa, masalan, 23°C, termostat foydalanuvchi boshqa ish rejimiga o'tmaguncha yoki boshqa haroratni o'rnatmaguncha, masalan, 21°C, uni ushlab turadi.
- Economic Mode (Tejamkor rejim)
Bu rejimda termostat pasaytirilgan (kechki) haroratni ushlab turishi kerak. Agar harorat qo'lda o'rnatilsa, masalan, 17°C, termostat foydalanuvchi boshqa rejimga o'tmaguncha yoki boshqa haroratni o'rnatmaguncha, masalan, 19°C, uni ushlab turadi.

Ushbu haroratlar qiymatlari avtomatik rejimda hisobga olinadi (jadvalning birinchi turi uchun -> keyingi sahifaga qarang).
Qulay haroratni o'rnatish
Ekranni yoritish uchun istalgan tugmani bosing, so'ng quyidagi bosqichlarni bajaring:
- Qulay harorat rejimiga kirish uchun
tugmasini bosing. Displeyda quyosh belgisi ko'rinishi kerak.
![ENGO CONTROLS - E901RF - Qulay haroratni o'rnatish - 1-qadam Qulay haroratni o'rnatish - 1-qadam]()
- Yangi qulay harorat qiymatini o'rnatish uchun
yoki
tugmalaridan foydalaning.
![ENGO CONTROLS - E901RF - Qulay haroratni o'rnatish - 2-qadam Qulay haroratni o'rnatish - 2-qadam]()
- Tanlovingizni tasdiqlash uchun
tugmasini bosing yoki termostat tanlovingizni o'zi tasdiqlab, asosiy ekranni ko'rsatguncha kuting.
![ENGO CONTROLS - E901RF - Qulay haroratni o'rnatish - 3-qadam Qulay haroratni o'rnatish - 3-qadam]()
Tejamkor haroratni o'rnatish
Ekranni yoritish uchun istalgan tugmani bosing, so'ng quyidagi bosqichlarni bajaring:
- Tejamkor harorat rejimiga kirish uchun
tugmasini bosing. Displeyda oy belgisi ko'rinishi kerak.
![ENGO CONTROLS - E901RF - Tejamkor haroratni o'rnatish - 1-qadam Tejamkor haroratni o'rnatish - 1-qadam]()
- Yangi tejamkor harorat qiymatini o'rnatish uchun
yoki
tugmalaridan foydalaning.
![ENGO CONTROLS - E901RF - Tejamkor haroratni o'rnatish - 2-qadam Tejamkor haroratni o'rnatish - 2-qadam]()
- Tanlovingizni tasdiqlash uchun
tugmasini bosing yoki termostat tanlovingizni o'zi tasdiqlab, asosiy ekranni ko'rsatguncha kuting.
![ENGO CONTROLS - E901RF - Tejamkor haroratni o'rnatish - 3-qadam Tejamkor haroratni o'rnatish - 3-qadam]()
AUTO rejimi - jadvalga muvofiq ishlash

Avtomatik rejimda termostat foydalanuvchi tomonidan tanlangan jadvalga muvofiq belgilangan haroratni ushlab turadi. Hafta davomida haroratni boshqarish uchun 2 turdagi jadvaldan birini tanlashingiz mumkin.
Jadvalning birinchi turi (vaqt chizig'i bilan zavodda o'rnatilgan) D va uning dasturlash usuli quyida tavsiflangan:

- qulay harorat Harorat
- tejamkor harorat Harorat
9 ta dastur mavjud. 0-3 dasturlar zavod dasturlari hisoblanadi.
4-9 dasturlarni foydalanuvchi belgilashi mumkin.
Zavod (0-3) dasturlarini tanlash
Ekranni yoritish uchun istalgan tugmani bosing, so'ng quyidagi Qayta o'rnatish bosqichlarini bajaring:
- Dasturlash rejimiga kirish uchun
tugmasini bosing.
![ENGO CONTROLS - E901RF - Zavod (0-3) dasturlarini tanlash - 1-qadam Zavod (0-3) dasturlarini tanlash - 1-qadam]()
- Hafta davrini tanlash uchun
yoki
tugmalaridan foydalaning. Tasdiqlash uchun
tugmasini bosing.
![ENGO CONTROLS - E901RF - Zavod (0-3) dasturlarini tanlash - 2-qadam Zavod (0-3) dasturlarini tanlash - 2-qadam]()
- Dastur raqamini (0-3) tanlash uchun
yoki
tugmalaridan foydalaning. Tasdiqlash uchun
tugmasini bosing. Termostat keyingi vaqt davri uchun dastur tanlashga o'tadi.
![ENGO CONTROLS - E901RF - Zavod (0-3) dasturlarini tanlash - 3-qadam Zavod (0-3) dasturlarini tanlash - 3-qadam]()
Foydalanuvchi (4-9) dasturlarini tanlash va dasturlash
Ekranni yoritish uchun istalgan tugmani bosing, so'ng quyidagi bosqichlarni bajaring:
- Dasturlash rejimiga kirish uchun
tugmasini bosing.
![ENGO CONTROLS - E901RF - Foydalanuvchi (4-9) dasturlarini tanlash va dasturlash - 1-qadam Foydalanuvchi (4-9) dasturlarini tanlash va dasturlash - 1-qadam]()
- Hafta davrini tanlash uchun
yoki
tugmalaridan foydalaning. Tasdiqlash uchun
tugmasini bosing.
![ENGO CONTROLS - E901RF - Foydalanuvchi (4-9) dasturlarini tanlash va dasturlash - 2-qadam Foydalanuvchi (4-9) dasturlarini tanlash va dasturlash - 2-qadam]()
- Dastur raqamini (4-9) tanlash uchun
yoki
tugmalaridan foydalaning.
![ENGO CONTROLS - E901RF - Foydalanuvchi (4-9) dasturlarini tanlash va dasturlash - 3-qadam Foydalanuvchi (4-9) dasturlarini tanlash va dasturlash - 3-qadam]()
- Keyin - har safar quyosh -
tugmasini yoki oy tugmasini -
bosganingizda, siz vaqt chizig'ini bir soatga surasiz va qulay (
) yoki tejamkor (
) haroratni belgilaysiz. Tasdiqlash uchun
tugmasini bosing.
![ENGO CONTROLS - E901RF - Foydalanuvchi (4-9) dasturlarini tanlash va dasturlash - 4-qadam Foydalanuvchi (4-9) dasturlarini tanlash va dasturlash - 4-qadam]()
DIQQAT QILING!
Dasturlar har bir hafta kuni uchun o'rnatilishi kerak.

Jadvalning ikkinchi turi va dasturlash usuli
Ekranni yoritish uchun istalgan tugmani bosing, so'ngra quyidagi amallarni bajaring:
- Jadvalni dasturlashni tanlash rejimiga kirish uchun
tugmani 5 soniya bosib turing.
![ENGO CONTROLS - E901RF - Jadvalning ikkinchi turi va dasturlash usuli - 1-qadam Jadvalning ikkinchi turi va dasturlash usuli - 1-qadam]()
- Jadvalni dasturlashning ikkinchi turini tanlash uchun
yoki
tugmalaridan foydalaning.
![ENGO CONTROLS - E901RF - Jadvalning ikkinchi turi va dasturlash usuli - 2-qadam Jadvalning ikkinchi turi va dasturlash usuli - 2-qadam]()
tugmasi orqali tasdiqlang. Termostat jadvalni dasturlashning ikkinchi turini saqlab, asosiy ekranga qaytadi. Vaqt jadvali ham yo'qoladi.
![ENGO CONTROLS - E901RF - Jadvalning ikkinchi turi va dasturlash usuli - 3-qadam Jadvalning ikkinchi turi va dasturlash usuli - 3-qadam]()
- Dasturlash rejimiga kirish uchun
tugmani bosing.
![ENGO CONTROLS - E901RF - Jadvalning ikkinchi turi va dasturlash usuli - 4-qadam Jadvalning ikkinchi turi va dasturlash usuli - 4-qadam]()
yoki
tugmalaridan foydalanib, hafta davrini tanlang.
tugmasi orqali tasdiqlang.
![ENGO CONTROLS - E901RF - Jadvalning ikkinchi turi va dasturlash usuli - 5-qadam Jadvalning ikkinchi turi va dasturlash usuli - 5-qadam]()
yoki
tugmalaridan foydalanib, dastur boshlanishini o'rnating, so'ngra
tugmasi orqali tasdiqlaganingizdan so'ng, daqiqalarni o'rnating.
tugmasi orqali tasdiqlang.
![ENGO CONTROLS - E901RF - Jadvalning ikkinchi turi va dasturlash usuli - 6-qadam Jadvalning ikkinchi turi va dasturlash usuli - 6-qadam]()
- Haroratni o'rnatish uchun
yoki
tugmalaridan foydalaning.
tugmasi orqali tasdiqlang.
Termostat keyingi dasturni o'rnatishga o'tadi (maksimal 6 ta dastur o'rnatilishi mumkin).
![ENGO CONTROLS - E901RF - Jadvalning ikkinchi turi va dasturlash usuli - 7-qadam Jadvalning ikkinchi turi va dasturlash usuli - 7-qadam]()
DIQQAT QILING!
Dasturlar har bir hafta kuni uchun o'rnatilishi kerak.
E901RF ni qabul qilgich bilan ulash jarayoni
DIQQAT QILING!
E901RF TERMOSTAT ALLAQACHON QABUL QILGICH BILAN ULAANGAN!

Agar siz qurilmalarni bir-biri bilan qayta ulashni istasangiz, qabul qilgich elektr ta'minotidan uzilganligiga va undagi kalitlar ON va AUTO holatida ekanligiga ishonch hosil qiling. Keyin qabul qilgichni elektr ta'minotiga ulang va yashil diod doimiy ravishda yonishini kuting. Keyin chap kalitni OFF holatiga va tez harakat bilan ON holatiga qaytaring. Shundan so'ng, yashil diod miltillay boshlaydi, bu qabul qilgichning ulash rejimiga kirganligini tasdiqlaydi.
tugmani 5 soniya bosib turing.
![ENGO CONTROLS - E901RF - E901RF ni qabul qilgich bilan ulash jarayoni - 2-qadam E901RF ni qabul qilgich bilan ulash jarayoni - 2-qadam]()
- SYNC parametrini tanlash uchun
yoki
tugmalaridan foydalaning.
![ENGO CONTROLS - E901RF - E901RF ni qabul qilgich bilan ulash jarayoni - 3-qadam E901RF ni qabul qilgich bilan ulash jarayoni - 3-qadam]()
tugmasi orqali tasdiqlang.
![ENGO CONTROLS - E901RF - E901RF ni qabul qilgich bilan ulash jarayoni - 4-qadam E901RF ni qabul qilgich bilan ulash jarayoni - 4-qadam]()
yoki
tugmalaridan foydalanib, YES (ha) ni tanlang va
tugmasini bosish orqali yangi chastotada ulash jarayonini boshlang.
![ENGO CONTROLS - E901RF - E901RF ni qabul qilgich bilan ulash jarayoni - 5-qadam E901RF ni qabul qilgich bilan ulash jarayoni - 5-qadam]()
- Termostat qabul qilgichni topish uchun signal yuborishni boshladi (miltillovchi antenna belgisi) va 10 (daq) raqami bilan orqaga hisoblashni boshladi. Ulash jarayoni 10 daqiqagacha davom etishi mumkin.
![ENGO CONTROLS - E901RF - E901RF ni qabul qilgich bilan ulash jarayoni - 6-qadam E901RF ni qabul qilgich bilan ulash jarayoni - 6-qadam]()
- Qabul qilgichdagi yashil diod doimiy ravishda yonganda, qurilmalar yangi chastotada ulangan bo'ladi.
![ENGO CONTROLS - E901RF - E901RF ni qabul qilgich bilan ulash jarayoni - 7-qadam E901RF ni qabul qilgich bilan ulash jarayoni - 7-qadam]()
- Termostat „good" (yaxshi) xabarini ko'rsatadi, bu qurilmalar bir-biri bilan muvaffaqiyatli ulanganligini anglatadi.
![ENGO CONTROLS - E901RF - E901RF ni qabul qilgich bilan ulash jarayoni - 8-qadam E901RF ni qabul qilgich bilan ulash jarayoni - 8-qadam]()
- Termostat asosiy ekranga qaytadi.
![ENGO CONTROLS - E901RF - E901RF ni qabul qilgich bilan ulash jarayoni - 9-qadam E901RF ni qabul qilgich bilan ulash jarayoni - 9-qadam]()
Agar qabul qilgichdagi yashil diod 10 daqiqadan so'ng miltillashni to'xtatmasa, qurilmalar orasidagi masofa, to'siqlar va shovqinlarni hisobga olgan holda ulash jarayonini takrorlang.
O'rnatuvchi sozlamalari
- O'rnatuvchi parametrlariga kirish uchun
tugmani 5 soniya bosib turing.
![ENGO CONTROLS - E901RF - O'rnatuvchi parametrlari - 1-qadam O'rnatuvchi parametrlari - 1-qadam]()
- Siz o'rnatuvchi rejimidasiz. Parametrlar orasida harakat qilish uchun
yoki
tugmalaridan foydalaning.
tugmasi orqali parametrga kiring. Parametrni tahrirlash uchun
yoki
tugmasidan foydalaning.
tugmasi bilan yangi parametr qiymatini tasdiqlang.

O'rnatuvchi parametrlari
| Pxx | Funksiya | Qiymat | Tavsif | Standart qiymat |
| P01 | Isitish/Sovutish tanlovi | | Sovutish | |
![]() | Isitish | |||
| P02 | Haroratni nazorat qilish usuli | 1 | SPAN ±0,25°C | 1 |
| 2 | SPAN ±0,5°C | |||
| 3 | Poldan isitish uchun TPI | |||
| 4 | Radiatorlar uchun TPI | |||
| 5 | Elektr isitish uchun TPI | |||
| P03 | Harorat o'lchovining aniqligi | 0,5°C | Ushbu parametr ko'rsatilgan (o'lchangan) haroratning aniqligini belgilaydi. | 0,5°C |
| 0,1°C | ||||
| P04 | Haroratni ofsetlash | -3.5°C dan + 3.5°C gacha | Agar termostat noto'g'ri haroratni ko'rsatsa, uni ± 3.5°C ga tuzatishingiz mumkin | 0°C |
| P05 | Relay turi | NO | Odatda ochiq turdagi relay | NO |
| NC | Odatda yopiq turdagi relay | |||
| P06 | Soat formati | 24h | 24 soat | 24h |
| 12h | 12 soat | |||
| P07 | Harorat shkalasi | °C | Selsiy | °C |
| °F | Farengeyt | |||
| P08 | Minimal belgilangan nuqta | 5°C - 34,5°C | O'rnatilishi mumkin bo'lgan minimal isitish / sovutish harorati | 5°C |
| P09 | Maksimal belgilangan nuqta | 5,5°C - 35°C | O'rnatilishi mumkin bo'lgan maksimal isitish / sovutish harorati | 35°C |
| P10 | Tugma ovozi | NO | O'chirilgan | YES |
| YES | Yoqilgan | |||
| P11 | PIN kod | NO | O'chirilgan | NO |
| PIN | Yoqilgan | |||
| P12 | Har safar tugmalarni ochish uchun PIN kod talab qilinsinmi | NO | Funksiya o'chirilgan | YES |
| YES | Funksiya yoqilgan | |||
| CLR | Sozlamalarni zavod holatiga qaytarish | NO | Hech qanday harakat yo'q | NO |
| YES | Zavod holatiga qaytarish | |||
| *Faqat E901RF termostati uchun | ||||
| SYNC | Qabul qilgich bilan bog'lash funksiyasi (SYNC) | NO | Funksiya o'chirilgan | NO |
| YES | Funksiya yoqilgan | |||
Texnik xususiyatlar
Simli termostat E901
| Termostat ta'minoti | 2 x AA batareyasi |
| Maksimal reyting | 5 (3) A |
| Chiqishlar | Kuchlanishsiz NO/COM relay |
| Harorat diapazoni | 5 - 35°C |
Simsiz termostat E901RF (868 MHz)
| Termostat ta'minoti | 2 x AA batareyasi |
| Qabul qilgich ta'minoti | 230 V AC 50 Hz |
| Qabul qilgichning maksimal reytingi | 16 (5) A |
| Qabul qilgich chiqishlari | Kuchlanishsiz NO/COM relay |
| Harorat diapazoni | 5 - 35°C |

Manbalar
Qo'llanmani yuklab olish
Bu yerda siz qo'llanmaning to'liq pdf versiyasini yuklab olishingiz mumkin, u qo'shimcha xavfsizlik ko'rsatmalari, kafolat ma'lumotlari, FCC qoidalari va hokazolarni o'z ichiga olishi mumkin.
ENGO CONTROLS E901RF, E901 - Simsiz/Simli Dasturlanadigan Termostat Tez Qo'llanma ni yuklab olish
















-
-
-

















tugmasi orqali tasdiqlang. Termostat jadvalni dasturlashning ikkinchi turini saqlab, asosiy ekranga qaytadi. Vaqt jadvali ham yo'qoladi.




tugmani 5 soniya bosib turing.

tugmasi orqali tasdiqlang.





