Manual del generador portátil Predator de 8750 vatios 69677
- 1 SÍMBOLOS Y DEFINICIONES DE ADVERTENCIA
- 2 INSTRUCCIONES IMPORTANTES DE SEGURIDAD
- 3 Descripción funcional
- 4 Configuración/ensamblaje inicial de la herramienta
- 5 Instrucciones de Operación
- 6 Instrucciones de Mantenimiento para el Usuario
- 7 Solución de problemas
- 8 Lista de piezas y diagrama
- 9 Garantía Limitada de 90 Días
- 10 Garantía del Sistema de Control de Emisiones
- 11 POR FAVOR LEA LO SIGUIENTE CUIDADOSAMENTE
- 12 Referencias
- 13 Descargar manual
- 14 En otros idiomas

Guarde este manual
Conserve este manual para consultar las advertencias y precauciones de seguridad, el montaje, el funcionamiento, la inspección, el mantenimiento y los procedimientos de limpieza. Escriba el número de serie del producto en la parte posterior del manual, cerca del diagrama de montaje (o el mes y el año de compra si el producto no tiene número). Guarde este manual y el recibo en un lugar seguro y seco para futuras consultas.
Usar un generador en interiores PUEDE MATARLO EN MINUTOS.
El escape del generador contiene monóxido de carbono. Este es un veneno que no se puede ver ni oler.

NUNCA lo use dentro de una casa o garaje, INCLUSO SI las puertas y ventanas están abiertas.

Úselo SÓLO AFUERA y lejos de ventanas, puertas y respiraderos.
Al desembalar, asegúrese de que el producto esté intacto y sin daños. Si faltan piezas o están rotas, llame al 1‑888‑866‑5797 lo antes posible.
Lea este material antes de usar este producto. Si no lo hace, puede sufrir lesiones graves. GUARDE ESTE MANUAL.
SÍMBOLOS Y DEFINICIONES DE ADVERTENCIA
Este es el símbolo de alerta de seguridad. Se utiliza para alertarle sobre posibles riesgos de lesiones personales. Obedezca todos los mensajes de seguridad que siguen a este símbolo para evitar posibles lesiones o la muerte.
Indica una situación peligrosa que, si no se evita, provocará la muerte o lesiones graves.
Indica una situación peligrosa que, si no se evita, podría provocar la muerte o lesiones graves.
Indica una situación peligrosa que, si no se evita, podría provocar lesiones leves o moderadas.
AVISO
Se refiere a prácticas no relacionadas con lesiones personales.
INSTRUCCIONES IMPORTANTES DE SEGURIDAD
INSTRUCCIONES RELATIVAS A UN RIESGO DE INCENDIO, DESCARGA ELÉCTRICA O LESIONES A PERSONAS
Cuando utilice herramientas, siempre se deben seguir las precauciones básicas, incluidas las siguientes:
Precauciones de instalación
- El combustible de gasolina y los vapores son inflamables y potencialmente explosivos. Utilice los procedimientos adecuados de almacenamiento y manipulación del combustible. No almacene combustible u otros materiales inflamables cerca.
- Tenga varios extintores de incendios de clase ABC cerca.
- El funcionamiento de este equipo puede crear chispas que pueden iniciar incendios alrededor de la vegetación seca. Es posible que se requiera un parachispas. El operador debe ponerse en contacto con las agencias locales de bomberos para conocer las leyes o reglamentos relacionados con los requisitos de prevención de incendios.
- Instale y utilice sólo sobre una superficie plana, nivelada y bien ventilada.
- Todas las conexiones y conductos desde el generador hasta la carga deben ser instalados únicamente por electricistas capacitados y con licencia, y de conformidad con todos los códigos y normas eléctricos locales, estatales y federales pertinentes, y otras regulaciones donde corresponda.
- Las conexiones para la alimentación de reserva al sistema eléctrico de un edificio deben ser realizadas por un electricista cualificado. La conexión debe aislar la energía del generador de la energía de la red eléctrica, y debe cumplir con todas las leyes y códigos eléctricos aplicables.
- Use gafas de seguridad aprobadas por ANSI, guantes de trabajo resistentes y mascarilla/respirador antipolvo durante la instalación.
- Utilice únicamente los lubricantes y el combustible recomendados en este manual.
- Las conexiones incorrectas al sistema eléctrico de un edificio pueden permitir que la corriente eléctrica del generador se retroalimente a las líneas de la red eléctrica. Dicha retroalimentación puede electrocutar a los trabajadores de la compañía eléctrica u otras personas que entren en contacto con las líneas durante un corte de energía, y el generador puede explotar, quemarse o causar incendios cuando se restablezca la energía de la red eléctrica. Consulte a la compañía eléctrica y a un electricista cualificado si tiene la intención de utilizar el generador como fuente de energía de reserva.
- No opere el generador antes de conectarlo a tierra. El generador debe estar conectado a tierra de acuerdo con todos los códigos y normas eléctricos pertinentes antes de su funcionamiento.
Precauciones de funcionamiento
![]()
PELIGRO DE MONÓXIDO DE CARBONO
Usar un generador en interiores PUEDE MATARLO EN MINUTOS.
El escape del generador contiene monóxido de carbono. Este es un veneno que no se puede ver ni oler.
![Predator - 69677 - Operating Precautions Step 1 Operating Precautions Step 1]()
NUNCA lo use dentro de una casa o garaje, INCLUSO SI las puertas y ventanas están abiertas.
![Predator - 69677 - Operating Precautions Step 2 Operating Precautions Step 2]()
Úselo SÓLO AFUERA y lejos de ventanas, puertas y respiraderos.- Nunca utilice un generador en interiores, incluyendo garajes, sótanos, espacios angostos y cobertizos. Abrir puertas y ventanas o usar ventiladores NO evitará la acumulación de monóxido de carbono en el hogar.
- Cuando utilice generadores, manténgalos al aire libre y lejos de puertas, ventanas y respiraderos abiertos para evitar que se acumulen niveles tóxicos de monóxido de carbono en el interior.
- Si empieza a sentirse enfermo, mareado o débil mientras utiliza un generador, salga al aire fresco de inmediato. El monóxido de carbono de los generadores puede provocar rápidamente una incapacitación total y la muerte.
- Mantenga a los niños alejados del equipo, especialmente mientras está en funcionamiento.
- Mantenga a todos los espectadores al menos a seis pies del motor durante el funcionamiento.
- ¡Peligro de incendio! No llene el tanque de gasolina mientras el motor está en marcha. No opere si se ha derramado gasolina. Limpie la gasolina derramada antes de arrancar el motor. No opere cerca de la luz piloto o de una llama abierta.
- No toque el motor durante el uso. Deje que el motor se enfríe después de usarlo.
- Nunca almacene combustible u otros materiales inflamables cerca del motor.
- Si el producto enchufado funciona de forma anormal o inusualmente lenta, deje de utilizar el generador como fuente de energía inmediatamente. Siempre lea y cumpla con el manual de instrucciones del producto que se va a alimentar, para asegurarse de que puede ser alimentado de forma segura y eficiente por un generador portátil.
- Antes de conectar un aparato o un cable de alimentación al generador: Asegúrese de que está en buen estado de funcionamiento. Los aparatos o cables de alimentación defectuosos pueden crear un riesgo de descarga eléctrica.
- No exceda la potencia máxima nominal del generador. Asegúrese de que la potencia eléctrica total de todas las herramientas o aparatos enchufados al generador al mismo tiempo no exceda la del generador. Compruebe que la sobretensión de arranque no supere el límite del generador. Los niveles de potencia entre el valor nominal y el máximo pueden utilizarse durante no más de 30 minutos.
- Evite la sobrecarga sustancial que hará saltar el disyuntor. Exceder el límite de tiempo para el funcionamiento a máxima potencia o sobrecargar ligeramente el generador puede no apagar el disyuntor o el protector de circuito, pero acortará la vida útil del generador.
- No intente conectar o desconectar las conexiones de carga mientras está de pie en el agua, o en un suelo húmedo o empapado.
- No toque las partes energizadas eléctricamente del generador y los cables o conductores de interconexión con ninguna parte del cuerpo, o con cualquier objeto conductor no aislado.
- Conecte el generador sólo a una carga o sistema eléctrico (120 voltios o 240 voltios) que sea compatible con las características eléctricas y las capacidades nominales del generador.
- Aísle todas las conexiones y los cables desconectados.
- Protéjase contra las descargas eléctricas. Evite el contacto del cuerpo con superficies conectadas a tierra, como tuberías, radiadores, cocinas y refrigeradores.
- Utilice únicamente un medio de transporte y dispositivos de elevación adecuados con suficiente capacidad de carga cuando transporte el generador.
- Asegure el generador en los vehículos de transporte para evitar que la herramienta ruede, se deslice y se incline.
- Las aplicaciones industriales deben seguir los requisitos de la OSHA (Administración de Seguridad y Salud Ocupacional de los Estados Unidos).
- No deje el generador desatendido cuando esté en marcha. Apague el generador (y retire las llaves de seguridad, si están disponibles) antes de salir del área de trabajo.
- El motor del generador puede producir altos niveles de ruido. La exposición prolongada a niveles de ruido superiores a 85 dBA es peligrosa para la audición. Siempre use protección auditiva cuando opere o trabaje cerca del motor de gasolina mientras está en funcionamiento.
- Use gafas de seguridad aprobadas por ANSI, protección auditiva y mascarilla/respirador antipolvo aprobada por NIOSH durante el uso.
- Las personas con marcapasos deben consultar a su(s) médico(s) antes de usarlo. Los campos electromagnéticos en estrecha proximidad a un marcapasos cardíaco podrían causar interferencias o fallas en el marcapasos. Se necesita precaución cuando esté cerca del magneto del motor o del arrancador de retroceso.
- Utilice únicamente los accesorios recomendados por Harbor Freight Tools para su modelo. Los accesorios que pueden ser adecuados para una pieza de equipo pueden volverse peligrosos cuando se utilizan en otra pieza de equipo.
- No opere en atmósferas explosivas, como en presencia de líquidos, gases o polvo inflamables. Los motores a gasolina pueden encender el polvo o los vapores.
- Mantenga los objetos conductores conectados a tierra, como las herramientas, alejados de las partes y conexiones eléctricas expuestas y con corriente para evitar chispas o arcos eléctricos. Estos eventos podrían encender vapores o gases.
- Manténgase alerta, observe lo que está haciendo y use el sentido común al operar esta pieza de equipo. No utilice esta pieza de equipo si está cansado o bajo la influencia de drogas, alcohol o medicamentos.
- Vístase apropiadamente. No use ropa suelta o joyas. Mantenga el cabello, la ropa y los guantes alejados de las piezas móviles. La ropa suelta, las joyas o el cabello largo pueden quedar atrapados en las piezas móviles.
- Las piezas, especialmente los componentes del sistema de escape, se calientan mucho durante el uso. Manténgase alejado de las piezas calientes.
- No cubra el generador ni su motor durante el funcionamiento.
- Mantenga el generador, su motor y el área circundante limpios en todo momento.
- Utilice el generador, los accesorios, etc., de acuerdo con estas instrucciones y de la manera prevista para el tipo particular de equipo, teniendo en cuenta las condiciones de trabajo y el trabajo que se va a realizar. El uso del equipo para operaciones diferentes a las previstas podría resultar en una situación peligrosa.
- No opere el generador con fugas conocidas en el sistema de combustible del motor.
Este producto contiene o, cuando se utiliza, produce un químico conocido por el Estado de California como causante de cáncer y defectos de nacimiento u otros daños reproductivos. (Código de Salud y Seguridad de California § 25249.5, et seq.)- Cuando se produzcan derrames de combustible o aceite, deben limpiarse inmediatamente. Deseche los fluidos y los materiales de limpieza según los códigos y reglamentos locales, estatales o federales. Almacene los trapos de aceite en un recipiente metálico cubierto y con ventilación inferior.
- Mantenga las manos y los pies alejados de las piezas móviles. No se estire sobre el generador ni lo cruce mientras está en funcionamiento.
- Antes de usarlo, compruebe si hay desalineación o atascamiento de las piezas móviles, rotura de piezas y cualquier otra condición que pueda afectar el funcionamiento del generador. Si está dañado, haga que el generador sea reparado antes de usarlo. Muchos accidentes son causados por equipos mal mantenidos.
- Utilice el generador correcto para la aplicación. No modifique el generador ni su motor, y no utilice el generador para un propósito para el que no está destinado.
Precauciones de servicio
- Antes del servicio, el mantenimiento o la limpieza:
- Desenchufe todos los dispositivos del generador.
- Gire el interruptor del motor a su posición "OFF" (apagado).
- Deje que el motor se enfríe por completo.
- Luego, retire la tapa de la bujía de la bujía.
- Mantenga todas las protecciones de seguridad en su lugar y en buen estado de funcionamiento. Las protecciones de seguridad incluyen el silenciador, el filtro de aire, las protecciones mecánicas y los protectores térmicos, entre otras protecciones.
- Asegúrese de que el interruptor del motor esté en su posición "OFF" (apagado) antes de mover el generador y antes de realizar cualquier procedimiento de servicio, mantenimiento o limpieza en la unidad.
- Mantenga todo el equipo eléctrico limpio y seco. Reemplace cualquier cableado donde el aislamiento esté agrietado, cortado, desgastado o degradado de otra manera. Reemplace los terminales que estén desgastados, descoloridos o corroídos. Mantenga los terminales limpios y apretados.
- No altere ni ajuste ninguna parte del equipo o de su motor que esté sellada por el fabricante o el distribuidor. Sólo un técnico de servicio cualificado puede ajustar las piezas que puedan aumentar o disminuir la velocidad regulada del motor.
- Use gafas de seguridad aprobadas por ANSI, guantes de trabajo resistentes y mascarilla/respirador antipolvo durante el servicio.
- Mantenga las etiquetas y las placas de identificación en el equipo. Éstas contienen información importante. Si no se pueden leer o faltan, póngase en contacto con Harbor Freight Tools para obtener un reemplazo.
- Haga que el equipo sea reparado por una persona de reparación cualificada utilizando sólo piezas de repuesto idénticas. Esto garantizará que se mantenga la seguridad del equipo. No intente realizar ningún procedimiento de servicio o mantenimiento que no se explique en este manual ni ningún procedimiento sobre el que no esté seguro de su capacidad para realizarlo de forma segura o correcta.
- Guarde el equipo fuera del alcance de los niños.
- Siga el mantenimiento programado del motor y del equipo.
Repostaje:
- No fume, ni permita chispas, llamas u otras fuentes de ignición alrededor del equipo, especialmente al repostar.
- No vuelva a llenar el tanque de combustible mientras el motor está en marcha o caliente.
- PARA PREVENIR FUGAS DE COMBUSTIBLE Y RIESGO DE INCENDIO, no llene en exceso con combustible. Llene con combustible de acuerdo con la información del nivel de combustible que se encuentra debajo de la tabla de especificaciones de su modelo.
- No llene el tanque de combustible hasta la parte superior. Deje un poco de espacio para que el combustible se expanda según sea necesario.
- Repostar sólo en un área bien ventilada.
- Limpie cualquier combustible derramado y permita que el exceso se evapore antes de arrancar el motor. Para evitar INCENDIOS, no arranque el motor mientras el olor a combustible permanezca en el aire.
GUARDE ESTAS INSTRUCCIONES.
Descripción funcional
Especificaciones
| Generador | Salida | 120/240VAC, 60Hz 7,000 Watts de funcionamiento (8750 Watts pico) | |
| Batería necesaria para el arranque eléctrico (no incluida) | 12V, plomo-ácido, 9Ah | ||
| Receptáculo eléctrico | Dos de 3 clavijas, dúplex NEMA #5‑20 120V Uno de 3 clavijas, NEMA #L5‑30 con bloqueo por torsión 120V Uno de 4 clavijas, NEMA #L14‑30 con bloqueo por torsión 120V/240V Una salida de CC 12VDC | ||
| Motor | Cilindrada | 420cc | |
| Tipo de motor | Monocilíndrico horizontal de 4 tiempos OHV | ||
| Sistema de refrigeración | Refrigeración por aire forzado | ||
| Combustible | Tipo | Gasolina sin plomo tratada con estabilizador de 87+ octanos | |
| Capacidad | 6.1 Galones (23L) | ||
| Tipo de aceite de motor SAE | 10W‑30 por encima de 32°F 5W‑30 a 32°F o menos | ||
| Capacidad | 1.16 Cuartos de galón (1.1L) | ||
| Tiempo de funcionamiento al 50% de carga | 12 horas | ||
| Volumen operativo | 76 dB | ||
| Accesorios disponibles | Kit de ruedas (se vende por separado) | ||
El sistema de control de emisiones para el motor de este generador está garantizado según las normas establecidas por la Agencia de Protección Ambiental de los Estados Unidos y por la Junta de Recursos del Aire de California (también conocida como CARB). Para obtener información sobre la garantía, consulte las últimas páginas de este manual.
Componentes y controles

Las siguientes son descripciones de los controles en el panel de alimentación. Su generador tiene enchufes para alimentar sus productos con disyuntores para proteger el flujo de voltaje.
- Interruptor del motor (Engine Switch): Se utiliza para arrancar y detener el motor.
- Receptáculos de CA (AC Receptacles): El generador contiene varios receptáculos de CA para alimentar herramientas y equipos.
- Receptáculo dúplex de 120 voltios de 3 clavijas (NEMA #5-20)
- Receptáculo de 120 voltios de 3 clavijas con bloqueo por torsión (NEMA #L5-30)
- Receptáculo de 120/240 voltios de 4 clavijas con bloqueo por torsión (NEMA #L14-30)
![Predator - 69677 - Receptáculo de 120/240 voltios de 4 clavijas con bloqueo por torsión (NEMA #L14-30) Receptáculo de 120/240 voltios de 4 clavijas con bloqueo por torsión (NEMA #L14-30)]()
Conecte herramientas y equipos solo al receptáculo (120 voltios o 240 voltios) que sea compatible con las características eléctricas y las capacidades nominales de las herramientas y equipos que se utilicen.
- Receptáculo dúplex de 120 voltios de 3 clavijas (NEMA #5-20)
- Disyuntores (Circuit Breakers): El disyuntor protege el generador de sobrecargas. La clasificación del disyuntor y la carga que protege están marcadas cerca del disyuntor. Si alguno de los disyuntores se dispara, el generador detendrá la salida de electricidad. Si esto sucede, desenchufe todas las cargas del generador. Deje que el generador se enfríe. Luego, presione el disyuntor disparado, reinicie el motor y vuelva a conectar las cargas.
- Receptáculo de 12 VCC (12 VDC Receptacle): El receptáculo de 12 VCC proporciona una fuente de alimentación para artículos de 12 voltios de CC.
- Terminal de conexión a tierra (Grounding Terminal): Antes de cada uso, configure la conexión del cable de tierra (no incluido) al terminal de conexión a tierra para conectar a tierra correctamente el generador. Consulte las instrucciones de configuración para conectar a tierra correctamente el generador.
![Predator - 69677 - Terminal de conexión a tierra Terminal de conexión a tierra]()
Configuración/ensamblaje inicial de la herramienta
Lea la sección COMPLETA DE INFORMACIÓN IMPORTANTE DE SEGURIDAD al comienzo de este manual, incluido todo el texto debajo de los subtítulos, antes de configurar o utilizar este producto.
Nota: Para obtener información adicional sobre las piezas enumeradas en las siguientes páginas, consulte el diagrama de ensamblaje cerca del final de este manual.
PARA EVITAR LESIONES GRAVES:
Opere solo con el parachispas adecuado instalado.
El funcionamiento de este equipo puede crear chispas que pueden provocar incendios alrededor de la vegetación seca. Es posible que se requiera un parachispas. El operador debe comunicarse con las agencias locales de bomberos para conocer las leyes o regulaciones relacionadas con los requisitos de prevención de incendios.
En altitudes elevadas, el carburador, el regulador y cualquier otra pieza del motor que controle la relación combustible-aire deberán ser ajustados por un mecánico calificado para permitir un uso eficiente en altitudes elevadas y para evitar daños al motor y a cualquier otro dispositivo utilizado con este producto.
AVISO: Este generador no está diseñado para alimentar equipos electrónicos sensibles sin la adición de un acondicionador de línea y un protector contra sobretensiones adecuados (ambos no incluidos). Los equipos electrónicos sensibles incluyen, entre otros, equipos de audio/video, algunos televisores, computadoras e impresoras. Los equipos electrónicos sensibles deben operarse con generadores de tipo inversor aprobados o generadores de onda sinusoidal pura.
Nota: El kit de ruedas, artículo # 68531 (se vende por separado) se puede utilizar con este generador.
Instrucciones de configuración de la batería
Todos los generadores se pueden arrancar utilizando el método de retroceso. Los generadores con la opción de arranque eléctrico requieren la instalación de una batería para operar la función de arranque eléctrico. Conecte la batería al motor del generador:

- Coloque una batería de plomo-ácido de 12 V, 9 Ah completamente cargada (no incluida) en el soporte de la batería del generador.
- Atornille en su lugar utilizando los accesorios incluidos con la batería.
- Conecte el conector del cable positivo (rojo) del motor al terminal positivo de la batería. Conecte el cable de forma segura para evitar la desconexión y los cortocircuitos.
- Conecte el conector del cable negativo (negro) al terminal negativo de la batería.
Conexión a tierra
El generador debe estar correctamente conectado a tierra antes de su uso. Haga que un electricista calificado conecte a tierra la unidad si no está calificado para hacerlo.
Para conectar a tierra el generador, conecte un cable de conexión a tierra #6 AWG (no incluido) desde el terminal de conexión a tierra en el panel de control a una varilla de conexión a tierra (no incluida) que se haya introducido al menos 24 pulgadas de profundidad en la tierra. La varilla de conexión a tierra debe ser una varilla de cobre o latón (electrodo) introducida en la tierra que pueda conectar a tierra adecuadamente el generador.
Instrucciones de Operación
Lea la sección COMPLETA de INFORMACIÓN IMPORTANTE DE SEGURIDAD al principio de este manual, incluyendo todo el texto bajo los subtítulos, antes de instalar o usar este producto.
Inspeccione la herramienta antes de usarla, buscando piezas dañadas, sueltas o faltantes. Si encuentra algún problema, no use la herramienta hasta que la repare.
Comprobaciones Previas al Arranque del Generador
Inspeccione el motor y el equipo, buscando piezas dañadas, sueltas o faltantes antes de la instalación y el arranque. Si encuentra algún problema, no use el equipo hasta que se solucione correctamente.
Comprobación y Llenado del Aceite del Motor
Su garantía quedará ANULADA si el cárter del motor no está correctamente lleno de aceite antes de cada uso. Antes de cada uso, compruebe el nivel de aceite. No haga funcionar el motor con poco o nada de aceite. Hacer funcionar el motor sin o con poco aceite DAÑARÁ permanentemente el motor.
- Asegúrese de que el motor esté parado y nivelado.
- Cierre la válvula de combustible.
- Limpie la parte superior de la varilla de medición (Dipstick) y el área que la rodea. Retire la varilla de medición girándola en sentido contrario a las agujas del reloj y límpiela con un trapo limpio que no suelte pelusa.
- Vuelva a insertar la varilla de medición sin enroscarla y retírela para comprobar el nivel de aceite. El nivel de aceite debe estar hasta el nivel máximo como se muestra arriba.
- Si el nivel de aceite está en o por debajo de la marca baja, añada el tipo de aceite adecuado hasta que el nivel de aceite esté en el nivel correcto. Se recomienda el aceite SAE 10W-30 para uso general. (La tabla de grados de viscosidad SAE en la sección de Servicio muestra otras viscosidades para usar en diferentes temperaturas promedio).
- Enrosque la varilla de medición de nuevo en el sentido de las agujas del reloj.
No haga funcionar el motor con muy poco aceite. El motor se dañará permanentemente.
Comprobación y Llenado de Combustible
PARA PREVENIR LESIONES GRAVES POR INCENDIO:
Llene el tanque de combustible en un área bien ventilada lejos de fuentes de ignición. Si el motor está caliente por el uso, apáguelo y espere a que se enfríe antes de añadir combustible. No fume.
- Limpie la tapa del combustible (Fuel Cap) y el área que la rodea.
- Desenrosque y retire la tapa del combustible (Fuel Cap).
- Si es necesario, llene el tanque de combustible hasta aproximadamente 1 pulgada por debajo del cuello de llenado del tanque de combustible con gasolina sin plomo de 87 octanos o superior tratada con estabilizador.
Nota: No use gasolina que contenga más del 10% de etanol (E10). No use etanol E85.
Nota: No use gasolina que haya sido almacenada en un contenedor de combustible de metal o en un contenedor de combustible sucio. Puede causar que partículas entren en el carburador, afectando el rendimiento del motor y/o causando daños. - Luego reemplace la tapa del combustible (Fuel Cap).
- Limpie cualquier combustible derramado y permita que el exceso se evapore antes de arrancar el motor. Para prevenir INCENDIOS, no arranque el motor mientras el olor a combustible permanezca en el aire.
Uso del Generador
Antes de Arrancar el Motor del Generador
Antes de arrancar el motor:
- Siga las Instrucciones de Configuración para preparar el Generador.
- Desconecte todas las cargas del Generador.
- Inspeccione el Generador y el motor.
- Llene el motor con la cantidad y el tipo adecuados de combustible y aceite tratados con estabilizador.
Procedimiento Básico de Uso del Generador
Vea las siguientes páginas para instrucciones específicas
- Compruebe que el generador pueda manejar la potencia necesaria para alimentar sus productos.
- Arranque el motor y permita que el motor y el generador funcionen y se calienten durante cinco minutos después de arrancar sin carga eléctrica.
- Enchufe los productos.
- Cuando termine de usar el Generador, desconecte todas las cargas eléctricas.
Nota: No permita que el generador se quede sin combustible con cargas conectadas. - Apague el motor.
- Permita que el Generador y su Motor se enfríen completamente. Luego guarde la unidad en un lugar limpio, seco y seguro fuera del alcance de los niños y otras personas no autorizadas.
Después de arrancar el motor, permita que funcione sin carga durante cinco minutos sin carga después de cada arranque para que el motor pueda estabilizarse. - Período de Rodaje:
- Rodar el motor ayudará a asegurar el correcto funcionamiento del equipo y del motor.
- El período de rodaje operacional durará aproximadamente 3 horas de uso. Durante este período:
- No aplique una carga pesada al equipo.
- El período de rodaje de mantenimiento durará aproximadamente 20 horas de uso. Después de este período:
- Cambie el aceite del motor.
Bajo condiciones normales de operación, el mantenimiento subsiguiente sigue el programa explicado en la sección de SERVICIO.
Arranque del Motor
- Para arrancar un motor frío, mueva el estrangulador (Choke) a la posición de START (ARRANQUE). Para reiniciar un motor caliente, deje el estrangulador (Choke) en la posición de RUN (FUNCIONAMIENTO).
- Abra la válvula de combustible (Fuel Valve).
- Para ARRANQUE MANUAL
- Gire el interruptor del motor (Engine Switch) a ON (ENCENDIDO).
- Sujete el mango de arranque (Starter Handle) del motor sin apretar y tire de él lentamente varias veces para permitir que la gasolina fluya hacia el carburador del motor. Luego tire del mango de arranque (Starter Handle) suavemente hasta que sienta resistencia. Permita que el cable se retraiga completamente y luego tire de él rápidamente. Repita hasta que el motor arranque. Nota: No deje que el mango de arranque (Starter Handle) se cierre de golpe contra el motor. Sujételo mientras retrocede para que no golpee el motor.
![Predator - 69677 - Arranque del Motor Paso 4 Arranque del Motor Paso 4]()
Para ARRANQUE ELÉCTRICO
Gire el interruptor del motor (Engine Switch) a START (ARRANQUE).
![Predator - 69677 - Arranque del Motor Paso 5 Arranque del Motor Paso 5]()
Nota: Para prolongar la vida útil del motor de arranque, use ciclos de arranque cortos (5 segundos como máximo). Luego espere un minuto antes de intentar arrancar de nuevo.
- Gire el interruptor del motor (Engine Switch) a ON (ENCENDIDO).
- Permita que el motor funcione durante varios segundos. Luego, si la palanca del estrangulador (Choke) está en la posición de START (ARRANQUE), mueva la palanca del estrangulador (Choke Lever) muy lentamente a su posición de RUN (FUNCIONAMIENTO).
![Predator - 69677 - Arranque del Motor Paso 6 Arranque del Motor Paso 6]()
Nota: Mover la palanca del estrangulador (Choke Lever) demasiado rápido podría calar el motor.
Permita que el motor funcione sin carga durante cinco minutos sin carga después de cada arranque para que el motor pueda estabilizarse.
Conexión de cargas eléctricas
Familiarícese con los controles del motor, el panel de alimentación y cómo arrancar el motor antes de usar el generador. Calcule la potencia de los productos que utilizará con el generador y verifique que el generador pueda soportar la carga total.
Conecte solo enchufes correctamente cableados al generador. Un enchufe que está empalmado en un cable diferente puede ser peligroso. Solo un electricista calificado debe cablear un enchufe a un cable.
Nunca exceda la capacidad nominal de este generador, ya que una sobrecarga podría causar daños graves al generador y/o a los aparatos, herramientas y equipos. Los requisitos de potencia de arranque y funcionamiento siempre deben calcularse al hacer coincidir la capacidad de potencia de este generador con el aparato, la herramienta o el equipo.
Utilice el receptáculo DC12V para alimentar equipos de 12VDC.
No cargue las baterías sin un controlador de carga adecuado. No sobrecargue.
- Conecte primero los elementos que requieran más potencia.
- Conecte a continuación los aparatos, herramientas y equipos de carga "inductiva". Las cargas inductivas son pequeñas herramientas de mano y algunos pequeños electrodomésticos.
- Conecte las luces a continuación.
- Los aparatos, herramientas y equipos sensibles al voltaje deben ser los últimos en conectarse al generador. Enchufe los elementos sensibles al voltaje, como televisores, reproductores de DVD, microondas y teléfonos inalámbricos, en un protector contra sobretensiones de voltaje con certificación UL® (no incluido). Luego, conecte el protector contra sobretensiones al generador.
No conectar y operar los aparatos, herramientas y equipos en esta secuencia puede causar daños al generador, a los aparatos, herramientas y equipos y anulará la garantía de este generador.
Nota: Si la velocidad del motor o el voltaje fluctúan con una carga por debajo de la potencia de funcionamiento del generador, mueva la palanca del estrangulador del motor a la posición "HALF-CHOKE" ("MEDIO ESTRANGULADOR").
SI ALGÚN INTERRUPTOR DE CIRCUITO SE DISPARA, VERIFIQUE LO SIGUIENTE:
- Asegúrese de que TODOS los interruptores de circuito estén restablecidos antes de volver a arrancar el generador.
- Ajuste los enchufes para que las cargas se compartan entre los circuitos de los tomacorrientes.
Para lograr la potencia nominal del generador, distribuya las cargas sobre los tomacorrientes.
Cálculo del vataje total de los dispositivos utilizados con el generador
Antes de usar el generador, compruebe que los productos que desea enchufar a la unidad estén por debajo de las clasificaciones de vataje nominal y máximo del generador. Utilice la tabla de cálculo de vataje que se muestra a continuación y los vatios que figuran en sus productos para ayudarle a calcular los totales de vataje múltiple.
Para usar la tabla:
- Sume los vatios de funcionamiento de todos los artículos que desee utilizar en un momento dado.
- Asegúrese de que este total sea inferior al vataje de funcionamiento de 7.000 del generador.
- Encuentre los vatios de arranque más altos para los artículos seleccionados y añádalos al total.
- Asegúrese de que este total sea inferior al vataje máximo de 8.750 del generador.
- Enchufe y encienda los productos desde el vataje más alto hasta el más bajo.
Tabla de cálculo de vataje
| Equipo | Vatios de funcionamiento |
| Total de vatios de funcionamiento (debe ser inferior a 7.000) | |
| Vatios de arranque adicionales más altos | |
| Vatios totales de arranque necesarios para todas las cargas (debe ser inferior a 8.750) |
Ejemplo

Un generador que tiene una clasificación superior a los vatios pico mínimos requeridos durará mucho más que un generador que solo suministra los vatios exactos necesarios.
Para calcular el vataje
Los voltios y los amperios se pueden multiplicar para obtener vatios (voltios x amperios = vatios).
Para calcular los vatios de arranque adicionales (si no aparecen en la lista)
Para equipos con motor: Utilice la cantidad de vatios nominales como una estimación de los vatios de arranque adicionales.
Para la mayoría de las luces o calentadores: no hay vatios de arranque adicionales.
Gráficos de estimación de vataje
Nota: Los vatajes que se enumeran a continuación son estimaciones solo para ese tipo de equipo. Compruebe los vatajes de la placa de identificación en todas las cargas antes de conectarlas al generador.
| EMERGENCIA | ||
| Dispositivo | Vatios de funcionamiento | Vatios de arranque adicionales |
| Refrigerador/Congelador | 700 | 1500 |
| Radio | 100 | 0 |
| LUGAR DE TRABAJO | ||
| Dispositivo | Vatios de funcionamiento | Vatios de arranque adicionales |
| Compresor de aire ‑ 1/2 HP | 1000 | 1000 |
| Sierra de mesa ‑ 10" | 1700 | 1300 |
| Lijadora de banda ‑ 3" | 1200 | 1200 |
| Taladro manual ‑ 1/2" | 600 | 600 |
| Luz de trabajo halógena | 1000 | 0 |
| Sierra recíproca | 900 | 900 |
| RECREACIÓN | ||
| Dispositivo | Vatios de funcionamiento | Vatios de arranque adicionales |
| Radio AM/FM | 100 | 0 |
| Parrilla eléctrica | 1700 | 0 |
| Bomba infladora | 50 | 100 |
| Reproductor de CD/DVD | 100 | 0 |
| Ventilador de caja ‑ 20" | 200 | 200 |
| Cafetera | 600 | 0 |
| HOGAR | ||
| Dispositivo | Vatios de funcionamiento | Vatios de arranque adicionales |
| Computadora con monitor | 800 | 0 |
| Secadora de ropa eléctrica | 5500 | 500 |
| Cocina eléctrica | 2100 | 0 |
| Calentador de agua eléctrico | 2000 | 0 |
| Bombilla ‑ 100 vatios | 100 | 0 |
| Microondas ‑ 1000 vatios | 1000 | 200 |
| Bomba de sumidero ‑ 1/2 HP | 1000 | 1100 |
| Televisión | 400 | 0 |
| Lavadora | 1100 | 1100 |
| Bomba de pozo ‑ 1/2 HP | 1000 | 1000 |
| CÉSPED Y JARDÍN | ||
| Dispositivo | Vatios de funcionamiento | Vatios de arranque adicionales |
| Cortasetos | 400 | 400 |
| Hidrolavadora | 1200 | 1200 |
| Cortacésped | 1200 | 1200 |
| Bordeadora | 1000 | 1000 |
| CALEFACCIÓN Y REFRIGERACIÓN | ||
| Dispositivo | Vatios de funcionamiento | Vatios de arranque adicionales |
| Aire acondicionado central ‑ 10.000 BTU | 1500 | 1500 |
| Ventilador del horno ‑ 1/2 HP | 900 | 1400 |
| Calefactor de ambiente | 1800 | 0 |
| Aire acondicionado de ventana ‑ 10.000 BTU | 1200 | 600 |
Parada del motor en caso de emergencia
- Para detener el motor en caso de emergencia, apague el interruptor del motor (Engine Switch).
![Predator - 69677 - Parada del motor en caso de emergencia Parada del motor en caso de emergencia]()
AVISO: El apagado del generador bajo carga puede dañar el generador y el equipo conectado.
Parada del motor en condiciones normales
- Antes de apagar el motor, apague todas las cargas eléctricas y, a continuación, desenchúfelas.
- Apague el interruptor del motor (Engine Switch).
- Cierre la válvula de combustible (Fuel Valve).
![Predator - 69677 - Parada del motor en condiciones normales Paso 3 Parada del motor en condiciones normales Paso 3]()
Instrucciones de Mantenimiento para el Usuario
Los procedimientos no explicados específicamente en este manual deben ser realizados únicamente por un técnico cualificado.
PARA PREVENIR LESIONES GRAVES POR OPERACIÓN ACCIDENTAL:
Coloque el interruptor de encendido (Power Switch) del generador en la posición "OFF" (apagado), espere a que el motor se enfríe y desconecte la tapa de la bujía antes de realizar cualquier inspección, mantenimiento o procedimiento de limpieza.
PARA PREVENIR LESIONES GRAVES POR FALLA DEL EQUIPO:
No utilice equipos dañados. Si se producen ruidos, vibraciones o humo excesivo anormales, haga que se corrija el problema antes de seguir utilizándolo.
Siga todas las instrucciones de servicio de este manual. El motor puede fallar críticamente si no se le da servicio correctamente.
Muchos procedimientos de mantenimiento, incluidos los que no se detallan en este manual, deberán ser realizados por un técnico cualificado por seguridad. Si tiene alguna duda sobre su capacidad para dar servicio al equipo o al motor de forma segura, haga que un técnico cualificado le dé servicio al equipo en su lugar.
Limpieza, Mantenimiento y Lubricación
Nota: Este programa de mantenimiento está destinado únicamente como una guía general. Si el rendimiento disminuye o si el equipo funciona de forma inusual, revise los sistemas inmediatamente. Las necesidades de mantenimiento de cada equipo diferirán en función de factores como el ciclo de trabajo, la temperatura, la calidad del aire, la calidad del combustible y otros factores.
Nota: Los siguientes procedimientos son adicionales a las revisiones y el mantenimiento regulares que se explican como parte del funcionamiento normal del motor y del equipo.
| Procedimiento | Antes de cada uso | Mensualmente o cada 20 horas de uso | Cada 3 meses o 50 horas de uso | Cada 6 meses o 100 horas de uso | Anualmente o cada 300 horas de uso | Cada 2 años |
| Limpiar el exterior del motor con un cepillo | ✓ | ✓ | ✓ | ✓ | ✓ | ✓ |
| Verificar el nivel de aceite del motor | ✓ | ✓ | ✓ | ✓ | ✓ | ✓ |
| Revisar el filtro de aire | ✓ | ✓ | ✓ | ✓ | ✓ | |
| Revisar el vaso de depósito | ✓ | ✓ | ✓ | ✓ | ||
| Cambiar el aceite del motor | ✓ | ✓ | ✓ | ✓ | ||
| Limpiar/reemplazar el filtro de aire | ✓* | ✓ | ✓ | ✓ | ||
| Revisar y limpiar la bujía | ✓ | ✓ | ✓ | |||
| ✓** | ✓** | ||||
| Reemplazar la línea de combustible si es necesario | ✓** |
* Dar servicio con más frecuencia cuando se utiliza en áreas polvorientas.
** Estos elementos deben ser revisados por un técnico cualificado.
Revisión y Llenado de Combustible

PARA PREVENIR LESIONES GRAVES POR INCENDIO:
Llene el tanque de combustible en un área bien ventilada lejos de fuentes de ignición. Si el motor está caliente por el uso, apáguelo y espere a que se enfríe antes de agregar combustible. No fume.
- Limpie la tapa del combustible (Fuel Cap) y el área que la rodea.
- Desenrosque y retire la tapa del combustible (Fuel Cap).
Nota: No utilice gasolina que contenga más del 10% de etanol (E10). No utilice etanol E85.
Nota: No utilice gasolina que haya sido almacenada en un contenedor de combustible de metal o en un contenedor de combustible sucio. Puede causar que partículas entren en el carburador, afectando el rendimiento del motor y/o causando daños. - Si es necesario, llene el tanque de combustible (Fuel Tank) hasta aproximadamente 1 pulgada por debajo del cuello de llenado con gasolina sin plomo de 87 octanos o superior que haya sido tratada con un aditivo estabilizador de combustible. Siga las recomendaciones del fabricante del estabilizador de combustible para su uso.
- Vuelva a colocar la tapa del combustible (Fuel Cap).
- Limpie cualquier derrame de combustible y permita que el exceso se evapore antes de arrancar el motor. Para evitar INCENDIOS, no arranque el motor mientras el olor a combustible permanezca en el aire.
Cambio de Aceite del Motor
El aceite está muy caliente durante el funcionamiento y puede causar quemaduras. Espere a que el motor se enfríe antes de cambiar el aceite.
- Asegúrese de que el motor esté parado y nivelado.
- Cierre la válvula de combustible (Fuel Valve).
- Coloque una bandeja de drenaje (no incluida) debajo del tapón de drenaje del cárter.
- Retire el tapón de drenaje y, si es posible, incline ligeramente el cárter para ayudar a drenar el aceite. Recicle el aceite usado.
- Vuelva a colocar el tapón de drenaje y apriételo.
- Limpie la parte superior de la varilla medidora (Dipstick) y el área que la rodea. Retire la varilla medidora (Dipstick) enroscándola en sentido contrario a las agujas del reloj y límpiela con un trapo limpio que no deje pelusa.
![Predator - 69677 - Cambio de aceite del motor Paso 1 Cambio de aceite del motor Paso 1]()
- Agregue el tipo de aceite apropiado hasta que el nivel de aceite esté al nivel máximo. Se recomienda el aceite SAE 10W-30 para uso general.
Nota: No enrosque la varilla medidora (dipstick) al revisar el nivel de aceite.
La tabla de grados de viscosidad SAE muestra otras viscosidades para usar en diferentes temperaturas promedio.
![Predator - 69677 - Cambio de aceite del motor Paso 2 Cambio de aceite del motor Paso 2]()
- Vuelva a enroscar la varilla medidora (dipstick) en el sentido de las agujas del reloj.
No haga funcionar el motor con muy poco aceite. El motor se dañará permanentemente.
Mantenimiento del Elemento del Filtro de Aire
- Retire la tapa del filtro de aire (air filter cover) y los elementos del filtro de aire y revise si hay suciedad. Limpie como se describe a continuación.
- Limpieza:
- Para filtros de papel: Para evitar lesiones por polvo y residuos, use gafas de seguridad aprobadas por ANSI, mascarilla/respirador contra polvo aprobada por NIOSH y guantes de trabajo resistentes. En un área bien ventilada lejos de los espectadores, use aire presurizado para expulsar el polvo del filtro. Si esto no limpia el filtro, reemplácelo.
- Para filtros de espuma: Lave el filtro en agua tibia y detergente suave varias veces. Enjuague. Exprima el exceso de agua y deje que se seque por completo. Remoje brevemente el filtro en aceite ligero, luego exprima el exceso de aceite.
- Instale el filtro limpio. Asegure la tapa del filtro de aire (Air Cleaner Cover) antes de usar.
Mantenimiento de la Bujía

- Desconecte la tapa de la bujía del extremo de la bujía. Limpie los residuos de alrededor de la bujía.
- Usando una llave para bujías, retire la bujía.
- Inspeccione la bujía: Si el electrodo está aceitoso, límpielo con un trapo limpio y seco. Si el electrodo tiene depósitos, púlalo con papel de lija. Si el aislante blanco está agrietado o astillado, la bujía debe ser reemplazada.
AVISO: El uso de una bujía incorrecta puede dañar el motor. Consulte la tabla de especificaciones de su generador para conocer el tipo y la separación requeridos. - Al instalar una nueva bujía, ajuste la separación de la bujía a la especificación en la tabla de especificaciones. No haga palanca contra el electrodo, la bujía puede dañarse.
- Instale la nueva bujía o la bujía limpia en el motor. Estilo con junta: Apriete con los dedos hasta que la junta entre en contacto con la culata, luego aproximadamente 1/2-2/3 de vuelta más. Estilo sin junta: Apriete con los dedos hasta que la bujía entre en contacto con la culata, luego aproximadamente 1/16 de vuelta más.
AVISO: Apriete la bujía correctamente. Si está floja, la bujía hará que el motor se sobrecaliente. Si se aprieta demasiado, las roscas del bloque del motor se dañarán. - Aplique protector dieléctrico de la bota de la bujía (no incluido) al extremo de la bujía y vuelva a colocar el cable de forma segura.
Almacenamiento
Cuando el equipo permanezca inactivo durante más de 20 días, prepare el motor para el almacenamiento de la siguiente manera:
- LIMPIEZA:
Espere a que el motor se enfríe, luego limpie el motor con un paño seco. AVISO: No limpie con agua. El agua entrará gradualmente en el motor y causará daños por óxido. Aplique una fina capa de aceite antioxidante a todas las piezas metálicas. - COMBUSTIBLE:
Para proteger el tanque de combustible (fuel tank) durante el almacenamiento, llene el tanque con gasolina que haya sido tratada con un aditivo estabilizador de combustible. Siga las recomendaciones del fabricante del estabilizador de combustible para su uso. Consulte Revisión y Llenado de Combustible.
![]()
PARA PREVENIR LESIONES GRAVES POR INCENDIO:
Llene el tanque en un área bien ventilada lejos de fuentes de ignición. Si el motor está caliente por el uso, apáguelo y espere a que se enfríe antes de agregar combustible. No fume. - LUBRICACIÓN:
- Cambie el aceite del motor.
- Limpie el área alrededor de la bujía. Retire la bujía y vierta una cucharada de aceite de motor en el cilindro a través del orificio de la bujía.
- Vuelva a colocar la bujía, pero deje la tapa de la bujía desconectada.
- Tire de la manija de arranque (Starter Handle) para distribuir el aceite en el cilindro. Deténgase después de una o dos revoluciones cuando sienta que el pistón comienza la carrera de compresión (cuando comience a sentir resistencia).
- ÁREA DE ALMACENAMIENTO:
Cubra y guarde en un área seca, nivelada y bien ventilada fuera del alcance de los niños. El área de almacenamiento también debe estar lejos de fuentes de ignición, como calentadores de agua, secadoras de ropa y hornos.
AVISO: Durante los períodos de almacenamiento prolongados, el motor debe arrancarse cada 3 meses y dejarse funcionar durante 15 a 20 minutos o la garantía quedará ANULADA. - DESPUÉS DEL ALMACENAMIENTO: Antes de arrancar el motor durante o después del almacenamiento, tenga en cuenta que la gasolina no tratada se deteriorará rápidamente. Drene el tanque de combustible (fuel tank) y cámbielo por combustible fresco si la gasolina no tratada ha estado reposando durante un mes, si la gasolina tratada ha estado reposando más allá del período de tiempo recomendado por el estabilizador de combustible, o si el motor no arranca.
Solución de problemas
| Problema | Causas posibles | Soluciones probables |
| El motor no arranca | RELACIONADO CON EL COMBUSTIBLE:
|
RELACIONADO CON EL COMBUSTIBLE:
|
RELACIONADO CON EL ENCENDIDO (CHISPA):
|
RELACIONADO CON EL ENCENDIDO (CHISPA):
|
|
RELACIONADO CON LA COMPRESIÓN:
|
RELACIONADO CON LA COMPRESIÓN:
|
|
| El motor falla |
|
|
| El motor se detiene repentinamente |
|
|
| El motor se detiene cuando está bajo carga pesada |
|
|
| El motor golpea |
|
|
| El motor hace contraexplosiones |
|
|
| El producto no tiene energía. |
|
|
| El producto comienza a funcionar de forma anormal. |
|
|
Siga todas las precauciones de seguridad al diagnosticar o reparar el equipo o el motor.
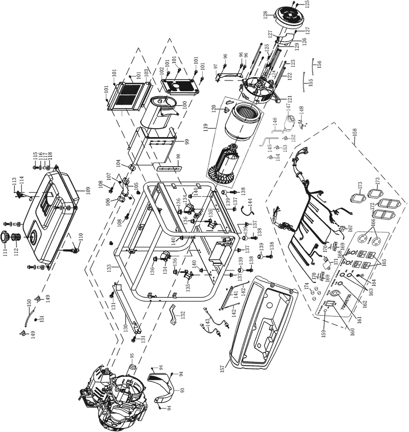
Lista de piezas y diagrama
Diagrama de ensamblaje


Lista de piezas
| Parte | Descripción | Cant. |
| 1 | Bolt, Flange (Perno, Brida) | 6 |
| 2 | Cover Comp. Head (Cubierta Comp. de la Cabeza) | 1 |
| 3 | Packing, Head Cover (Empaquetadura, Cubierta de la Cabeza) | 1 |
| 4 | Tube, Breather (Tubo, Respiradero) | 1 |
| 5 | Bolt, Flange (Perno, Brida), 10×80 | 4 |
| 6 | Rotator, Valve (Rotador, Válvula) | 2 |
| 7 | Retainer, Valve Spring (Retenedor, Resorte de Válvula) | 2 |
| 8 | Locker, Valve (Bloqueador, Válvula) | 4 |
| 9 | Spring, Valve (Resorte, Válvula) | 2 |
| 10 | Seat, Valve Spring (Asiento, Resorte de Válvula) | 1 |
| 11 | Seal, Valve Stem (Sello, Vástago de Válvula) | 1 |
| 12 | Rocker Arm Assy.,Exhaust (Conjunto Balancín, Escape) | 1 |
| 13 | Rocker Arm Assy.,Intake (Conjunto Balancín, Admisión) | 1 |
| 14 | Locker (Bloqueador) | 4 |
| 15 | Valve Rocker Shaft (Eje de Balancín de Válvula) | 2 |
| 16 | Bolt, Stud, Exhaust (Perno, Espárrago, Escape) | 2 |
| 17 | Spark Plug (Bujía) | 1 |
| 18 | Cylinder Head Comp (Cabeza de Cilindro Comp) | 1 |
| 19 | Gasket, Cylinder (Empaque, Cilindro) | 1 |
| 20 | Pin, Dowel (Pasador, Espiga) | 2 |
| 21 | Valve Assy. (Conjunto de Válvula) | 1 |
| 22 | Push Rod (Varilla de Empuje) | 2 |
| 23 | Lifter, Valve (Elevador, Válvula) | 2 |
| 24 | Bolt, Drain Plug (Perno, Tapón de Drenaje) | 1 |
| 25 | Washer, Drain Plug (Arandela, Tapón de Drenaje), M12 | 2 |
| 26 | Oil Seal Φ35×Φ52×7 (Sello de Aceite Φ35×Φ52×7) | 2 |
| 27 | Crankcase (Cárter) | 1 |
| 28 | Cable Cleat (Abrazadera de Cable) | 1 |
| 29 | Bolt, Flange (Perno, Brida) | 1 |
| 30 | Oil Level Switch (Interruptor de Nivel de Aceite) | 1 |
| 31 | Bolt, Flange (Perno, Brida) M6x12 | 2 |
| 32 | Alert Unit, Oil (Unidad de Alerta, Aceite) | 1 |
| 33 | Bolt, Flange (Perno, Brida) M6x12 | 1 |
| 34 | Ring Set, Piston (Juego de Anillos, Pistón) | 1 |
| 35 | Piston (Pistón) | 1 |
| 36 | Connecting Rod Assy (Conjunto de Biela) | 1 |
| 37 | Pin, Piston (Pasador, Pistón) | 1 |
| 38 | Clip, Piston Pin (Clip, Pasador de Pistón) | 2 |
| 39 | Crankshaft Assy (Conjunto de Cigüeñal) | 1 |
| 40 | Weight, Balancer (Peso, Balanceador) | 1 |
| 41 | Camshaft Assy (Conjunto de Árbol de Levas) | 1 |
| 42 | Ball Bearing (Rodamiento de Bolas) 6202 | 2 |
| 43 | Ball Bearing (Rodamiento de Bolas) 6207 | 1 |
| 44 | Dowel Pin (Pasador de Espiga) Φ8×12 | 2 |
| 45 | Governor Kit (Kit de Regulador) | 1 |
| 46 | Gasket, Crankcase Cover (Empaque, Tapa del Cárter) | 1 |
| 47 | Crankcase Cover (Tapa del Cárter) | 1 |
| 48 | Cap Assy (Conjunto de Tapa) | 1 |
| 49 | Bolt, Flange (Perno, Brida) 8X40 | 7 |
| 50 | Shroud (Deflector) | 1 |
| 51 | Bolt, Flange (Perno, Brida) M6×12 | 1 |
| 52 | Bolt, Stud, Exhaust (Perno, Espárrago, Escape) | 2 |
| 53 | Packing, Carburetor (Empaquetadura, Carburador) | 1 |
| 54 | Insulator, Carburetor (Aislante, Carburador) | 1 |
| 55 | Packing, Insulator (Empaquetadura, Aislante) | 1 |
| 56 | Carburetor Assy. (Conjunto de Carburador) | 1 |
| 57 | Packing., Air Cleaner (Empaquetadura, Filtro de Aire) | 1 |
| 58 | Nut, Flange (Tuerca, Brida) | 2 |
| 59 | Air Cleaner Assy (Conjunto de Filtro de Aire) | 1 |
| 60 | Element, Air Cleaner Assy. (Elemento, Conjunto de Filtro de Aire) | 1 |
| 61 | Clip, Harness (Clip, Arnés) | 1 |
| 62 | Grommet, Cord (Pasacables, Cable) | 1 |
| 63 | Holder, Stop Switch (Soporte, Interruptor de Parada) | 1 |
| 64 | Coil Assy., Ignition (Conjunto de Bobina, Encendido) | 1 |
| 65 | Bolt, Flange (Perno, Brida) | 2 |
| 66 | Flywheel Comp. (Sel‑Lamp) (Volante Comp. (Sel‑Lamp)) | 1 |
| 67 | Fan Cooling (Ventilador de Enfriamiento) | 1 |
| 68 | Pulley, Starter (Polea, Arrancador) | 1 |
| 69 | Nut Special (Tuerca Especial) M16 | 1 |
| 70 | Recoil Starter Comp. (Arrancador de Retroceso Comp.) | 1 |
| 71 | Starter Assy. (Conjunto de Arrancador) | 1 |
| 72 | Bolt, Flange (Perno, Brida) M6x12 | 5 |
| 73 | Oil Seal (Sello de Aceite), Φ8×Φ14×4 | 1 |
| 74 | Shaft, Governor Arm (Eje, Brazo del Regulador) | 1 |
| 75 | Washer (Arandela), 8×16×1.2 | 1 |
| 76 | Pin, Lock (Pasador, Bloqueo) M10 | 1 |
| 77 | Control Assy. (Conjunto de Control) | 1 |
| 78 | Bolt, Flange (Perno, Brida), M6×12 | 2 |
| 79 | Spring, Cable Return (Resorte, Retorno de Cable) | 1 |
| 80 | Spring, Throttle Return (Resorte, Retorno del Acelerador) | 1 |
| 81 | Rod, Governor (Varilla, Regulador) | 1 |
| 82 | Arm, Governor (Brazo, Regulador) | 1 |
| 83 | Bolt, Governor Arm (Perno, Brazo del Regulador) | 1 |
| 84 | Nut, Flange (Tuerca, Brida) M6 | 1 |
| 85 | Starter Motor (Motor de Arranque) | 1 |
| 86 | Bolt, Flange (Perno, Brida) | 2 |
| 87 | Contactor Assy. (Conjunto de Contactor) | 1 |
| 88 | Bolt Washer (Arandela de Perno) | 2 |
| 89 | Coil Assy., Charge (Conjunto de Bobina, Carga) | 1 |
| 90 | Bolt, Flange (Perno, Brida) | 2 |
| 91 | Clamper, Cord (Abrazadera, Cable) | 1 |
| 92 | Bolt, Flange (Perno, Brida) | 1 |
| 93 | Cover, Dust (Cubierta, Polvo) | 1 |
| 94 | Bolt, Flange (Perno, Brida) M5×10 | 3 |
| 95 | Grommet, Crankcase (Pasacables, Cárter) | 1 |
| 96 | Bolt, Flange (Perno, Brida) | 4 |
| 97 | Stay Comp., Muffler (Soporte Comp., Silenciador) | 1 |
| 98 | Seal, Protector Muffler (Sello, Protector del Silenciador) | 1 |
| 99 | Protector Comp., Muffler Inner (Protector Comp., Interior del Silenciador) | 1 |
| 100 | Muffler Assy. (Conjunto de Silenciador) | 1 |
| 101 | Bolt, Flange (Perno, Brida), 6×14 | 7 |
| 102 | Protector, Muffler Side (Protector, Lateral del Silenciador) | 1 |
| 103 | Protector Comp., Muffler Outer (Protector Comp., Exterior del Silenciador) | 1 |
| 104 | Gasket, Ex., Pipe (Empaque, Tubo de Escape) | 1 |
| 105 | Pipe, Comp., Ex. (Tubo, Comp., Escape) | 1 |
| 106 | Gasket, Ex., Pipe (Empaque, Tubo de Escape) | 1 |
| 107 | Nut, Hex., 8Mm (Tuerca, Hex., 8Mm) | 2 |
| 108 | Bolt, Flange (Perno, Brida), 8×32 | 2 |
| 109 | Fuel Tank (Tanque de Combustible) | 1 |
| 110 | Cock Comp., Fuel (Grifo Comp., Combustible) | 1 |
| 111 | Cap Comp., Fuel Filler (Tapa Comp., Llenado de Combustible) | 1 |
| 112 | Filter, Fuel Tank (Filtro, Tanque de Combustible) | 1 |
| 113 | Screw, Flat (Tornillo, Plano), M5×12 | 2 |
| 114 | Meter Comp., Fuel (Medidor Comp., Combustible) | 1 |
| 115 | Bolt, Flange (Perno, Brida), M6×25 | 4 |
| 116 | Washer (Arandela) Ø6×Φ25×2 | 4 |
| 117 | Collar, Tank Cushion (Collarín, Amortiguador del Tanque) | 4 |
| 118 | Rubber, Fuel Cushion (Goma, Amortiguador de Combustible) | 4 |
| 119 | Alternator (Alternador) | 1 |
| 120 | Brush Assy. (Conjunto de Escobillas) | 1 |
| 121 | Housing, Rr (Carcasa, Trasera) | 1 |
| 122 | Bolt, Flange (Perno, Brida) | 4 |
| 123 | Bolt, Flange (Perno, Brida) | 2 |
| 124 | Washer (Arandela) | 1 |
| 125 | Bolt, Flange (Perno, Brida) | 7 |
| 126 | Avr | 1 |
| 127 | Bolt, Flange (Perno, Brida) | 3 |
| 128 | Cover, Generator End (Cubierta, Extremo del Generador) | 1 |
| 129 | Bolt, Hex. (Perno, Hex.) | 1 |
| 130 | Frame Comp., Side (Estructura Comp., Lateral) | 1 |
| 131 | Bolt, Flange (Perno, Brida) | 2 |
| 132 | Stay, Air Cleaner (Soporte, Filtro de Aire) | 1 |
| 133 | Frame Comp. (Estructura Comp.) | 1 |
| 134 | Rubber, Left (Goma, Izquierda) | 2 |
| 135 | Rubber, Right (Goma, Derecha) | 2 |
| 136 | Nut, Flange (Tuerca, Brida), M10 | 4 |
| 137 | Nut, Flange (Tuerca, Brida), M8 | 4 |
| 138 | Bolt, Flange (Perno, Brida) | 4 |
| 139 | Rubber, Shock Absorber (Goma, Amortiguador) | 4 |
| 140 | Nut, Flange (Tuerca, Brida), M6 | 4 |
| 141 | Plate, Battery Setting (Placa, Ajuste de Batería) | 1 |
| 142 | Bolt, Battery Setting (Perno, Ajuste de Batería) | 2 |
| 143 | Cable Assy. (Conjunto de Cables) | 1 |
| 144 | Ground Line (Línea de Tierra) | 1 |
| 145 | Pipe (Tubo) | 1 |
| 146 | Pipe (Tubo) | 1 |
| 147 | Carbon Canister (Cartucho de Carbón) | 1 |
| 148 | Bracket, Carbon (Soporte, Carbón) | 1 |
| 149 | Pipe Clip (Clip de Tubo) | 2 |
| 150 | Tube, Fuel (Tubo, Combustible) | 1 |
| 151 | Rubber, Fuel Tube (Goma, Tubo de Combustible) | 1 |
| 152 | Pipe Clip (Clip de Tubo) | 1 |
| 153 | Pipe Clip (Clip de Tubo) | 1 |
| 154 | Pipe Clip (Clip de Tubo) | 2 |
| 155 | Tie, Cable (Amarre, Cable) | 2 |
| 156 | Tie, Cable (Amarre, Cable) | 2 |
| 157 | Case, Control Panel (Caja, Panel de Control) | 1 |
| 158 | Control Panel Assy. (Conjunto de Panel de Control) | 1 |
| 159 | Panel Output Indicator Light (Luz Indicadora de Salida del Panel) | 1 |
| 160 | Switch Assy., Combination (Conjunto de Interruptor, Combinación) | 1 |
| 161 | Socket (Enchufe) | 1 |
| 162 | Protector 8A (Protector 8A) | 1 |
| 163 | Protector 28A (Protector 28A) | 2 |
| 164 | Terminal Set, Earth (Juego de Terminales, Tierra) | 1 |
| 165 | Socket (Enchufe) | 2 |
| 166 | Socket (Enchufe) | 2 |
| 167 | Rectifier Bridge (Puente Rectificador) | 1 |
| 168 | Protector 20A (Protector 20A) | 2 |
| 169 | Case, Fuse Connector (Caja, Conector de Fusible) | 2 |
| 170 | Fuse, Rectifier (Fusible, Rectificador) (5A) | 2 |
| 171 | Rectifier (Rectificador) | 1 |
| 172 | Waterproof Cover (Cubierta Impermeable) | 2 |
| 173 | Waterproof Cover (Cubierta Impermeable) | 2 |
| 174 | Waterproof Cover (Cubierta Impermeable) | 5 |
Registre el número de serie del producto
Nota: Si el producto no tiene número de serie, registre el mes y el año de compra en su lugar.
Nota: Algunas piezas se enumeran y se muestran solo con fines ilustrativos, y no están disponibles individualmente como piezas de repuesto.
Garantía Limitada de 90 Días
Harbor Freight Tools Co. hace todo lo posible para asegurar que sus productos cumplan con altos estándares de calidad y durabilidad, y garantiza al comprador original que este producto está libre de defectos en materiales y mano de obra por un período de 90 días a partir de la fecha de compra. Esta garantía no se aplica a daños directa o indirectamente causados por mal uso, abuso, negligencia o accidentes, reparaciones o alteraciones fuera de nuestras instalaciones, actividad criminal, instalación incorrecta, desgaste normal o falta de mantenimiento. En ningún caso seremos responsables por muerte, lesiones a personas o propiedad, o por daños incidentales, contingentes, especiales o consecuentes que surjan del uso de nuestro producto. Algunos estados no permiten la exclusión o limitación de daños incidentales o consecuentes, por lo que la limitación o exclusión anterior puede no aplicarse en su caso. ESTA GARANTÍA SUSTITUYE EXPRESAMENTE A TODAS LAS DEMÁS GARANTÍAS, EXPRESAS O IMPLÍCITAS, INCLUIDAS LAS GARANTÍAS DE COMERCIABILIDAD E IDONEIDAD.
Para aprovechar esta garantía, el producto o la pieza debe ser devuelto a nosotros con los gastos de transporte pagados por adelantado. La prueba de la fecha de compra y una explicación de la queja deben acompañar a la mercancía. Si nuestra inspección verifica el defecto, repararemos o reemplazaremos el producto a nuestra elección o podemos optar por reembolsar el precio de compra si no podemos proporcionarle un reemplazo de forma rápida y sencilla. Devolveremos los productos reparados a nuestro cargo, pero si determinamos que no hay ningún defecto, o que el defecto resultó de causas no comprendidas dentro del alcance de nuestra garantía, entonces usted deberá asumir el costo de la devolución del producto.
Esta garantía le otorga derechos legales específicos y también puede tener otros derechos que varían de un estado a otro.
Garantía del Sistema de Control de Emisiones
La Junta de Recursos del Aire de California y Harbor Freight Tools (HFT) se complacen en explicar la garantía del sistema de control de emisiones de su motor pequeño todoterreno de 2016. En California, los nuevos equipos que utilizan motores pequeños todoterreno deben estar diseñados, construidos y equipados para cumplir con los estrictos estándares anticontaminación del Estado. HFT debe garantizar que el sistema de control de emisiones de su motor estará libre de defectos en materiales y mano de obra durante dos (2) años, siempre que no haya habido abuso, negligencia o mantenimiento inadecuado de su motor.
Su sistema de control de emisiones puede incluir piezas como el carburador o el sistema de inyección de combustible, el sistema de encendido, el convertidor catalítico, los tanques de combustible, las líneas de combustible, los tapones de combustible, las válvulas, los recipientes, las mangueras de vapor, las abrazaderas, los conectores y otros conjuntos relacionados con las emisiones.
Cuando exista una condición justificable, HFT reparará o reemplazará, a nuestra opción, su motor sin costo alguno para usted, incluyendo el diagnóstico, las piezas y la mano de obra.
COBERTURA DE LA GARANTÍA DEL FABRICANTE
Este sistema de control de emisiones está garantizado por dos años. Si alguna pieza relacionada con las emisiones de su motor está defectuosa, la pieza será reparada o reemplazada por HFT.
RESPONSABILIDADES DE LA GARANTÍA DEL PROPIETARIO
Como propietario del motor, usted es responsable del cumplimiento del mantenimiento requerido que se indica en su Manual del Propietario.
Como propietario del motor, debe ser consciente de que HFT puede negarle la cobertura de la garantía si su motor o una pieza ha fallado debido a abuso (incluido el incumplimiento de las instrucciones de uso de combustible contenidas en este manual), negligencia, mantenimiento inadecuado o modificaciones no aprobadas.
Usted es responsable de contactar a HFT tan pronto como exista el problema para obtener la reparación o el reemplazo de la garantía, haciendo cualquiera de las siguientes acciones: (a) contactar con el soporte de productos de HFT al 1‑888‑866‑5797 o productsupport@harborfreight.com; o (b) llevarlo a su tienda minorista de Harbor Freight Tools más cercana. La tienda minorista de Harbor Freight Tools más cercana se puede encontrar en Internet en http://www.harborfreight.com. Las reparaciones o el reemplazo de la garantía deben completarse en un plazo razonable, que no exceda los 30 días. Si tiene alguna pregunta sobre la cobertura de su garantía, debe comunicarse con el soporte de productos de HFT al 1‑888‑866‑5797 o productsupport@harborfreight.com.
COBERTURA GENERAL DE LA GARANTÍA DE EMISIONES
- El período de garantía comienza en la fecha en que el motor o el equipo se entrega a un comprador final. El período de garantía es de dos años.
- HFT garantiza al propietario inicial y a cada propietario posterior que el motor:
- Está diseñado, construido y equipado para cumplir con todas las regulaciones aplicables adoptadas por la Junta de Recursos del Aire; y
- Está libre de defectos en materiales y mano de obra que causen el fallo de una pieza garantizada por un período de dos años.
- La garantía de las piezas relacionadas con las emisiones es la siguiente:
- Cualquier pieza garantizada que no esté programada para ser reemplazada como mantenimiento requerido en las instrucciones escritas proporcionadas, está garantizada por el período de garantía indicado anteriormente. Si alguna de estas piezas falla durante el período de cobertura de la garantía, será reparada o reemplazada por HFT. Cualquier pieza reparada o reemplazada bajo la garantía estará garantizada por el período de garantía restante.
- Cualquier pieza garantizada que esté programada solo para una inspección regular en las instrucciones escritas está garantizada por el período de garantía indicado anteriormente. Una declaración en las instrucciones escritas en el sentido de "reparar o reemplazar según sea necesario" no reduce el período de cobertura de la garantía. Cualquier pieza reparada o reemplazada bajo garantía estará garantizada por el período de garantía restante.
- Cualquier pieza garantizada que esté programada para ser reemplazada como mantenimiento requerido en las instrucciones escritas estará garantizada por el período de tiempo anterior al primer punto de reemplazo programado para esa pieza. Si la pieza falla antes del primer reemplazo programado, la pieza será reparada o reemplazada por HFT. Cualquier pieza reparada o reemplazada bajo garantía estará garantizada por el resto del período anterior al primer punto de reemplazo programado para la pieza.
- La reparación o el reemplazo de cualquier pieza garantizada bajo la garantía se realizará sin cargo para el propietario en una tienda minorista o por HFT pagando el envío del producto para su reparación.
- A pesar de las disposiciones contenidas en este documento, los servicios o reparaciones de la garantía se proporcionarán en todas las tiendas minoristas o comunicándose con el soporte de productos de HFT al 1‑888‑866‑5797 o productsupport@harborfreight.com.
- No se le cobrará al propietario por la mano de obra de diagnóstico que conduzca a la determinación de que una pieza garantizada está de hecho defectuosa, siempre que dicho trabajo de diagnóstico se realice en una tienda minorista.
- HFT es responsable de los daños a otros componentes del motor causados aproximadamente por una falla bajo garantía de cualquier pieza garantizada.
- Durante todo el período de garantía de emisiones indicado anteriormente, HFT mantendrá un suministro de piezas garantizadas suficiente para satisfacer la demanda esperada de dichas piezas.
- Se puede utilizar cualquier pieza de repuesto en la ejecución de cualquier mantenimiento o reparación de la garantía y se proporcionará sin cargo al propietario. Dicho uso no reducirá las obligaciones de garantía de HFT.
- No se pueden utilizar piezas adicionales o modificadas que no estén aprobadas por HFT. El uso de cualquier pieza adicional o modificada no exenta será motivo para rechazar una reclamación de garantía. HFT no es responsable de garantizar las fallas de las piezas garantizadas causadas por el uso de una pieza adicional o modificada no exenta.
- Lista de piezas de la garantía de emisiones.
- Sistema de medición de combustible
- Carburador y sus piezas internas (y/o regulador de presión o sistema de inyección de combustible).
- Tanque de combustible.
- Sistema de enriquecimiento de arranque en frío.
- Sistema de control y retroalimentación de la relación aire/combustible.
- Sistema de inducción de aire
- Sistema de admisión de aire caliente controlado.
- Múltiple de admisión.
- Filtro de aire.
- Sistema de encendido
- Bujías.
- Sistema de encendido por magneto.
- Sistema de avance/retardo de chispa.
- Sistema de catalizador (si está equipado)
- Espárrago del tubo de escape/múltiple de escape.
- Reactor térmico.
- Convertidor catalítico (si está equipado).
- Controles de partículas
- Trampas, filtros, precipitadores y cualquier otro dispositivo utilizado para capturar las emisiones de partículas.
- Artículos diversos utilizados en los sistemas anteriores
- Válvulas e interruptores sensibles al vacío, la temperatura y el tiempo.
- Mangueras, correas, conectores y conjuntos.
- Sistema de control de emisiones evaporativas
- Tanque de combustible.
- Tapones de combustible, válvulas, recipientes, filtros, mangueras de vapor, abrazaderas, conectores, correas y conjuntos.
- Sistema de medición de combustible
HFT proporciona con cada producto instrucciones escritas para el mantenimiento y el uso del producto por parte del propietario.
POR FAVOR LEA LO SIGUIENTE CUIDADOSAMENTE
EL FABRICANTE Y/O DISTRIBUIDOR HA PROPORCIONADO LA LISTA DE PIEZAS Y EL DIAGRAMA DE ENSAMBLAJE EN ESTE MANUAL SÓLO COMO UNA HERRAMIENTA DE REFERENCIA. NI EL FABRICANTE NI EL DISTRIBUIDOR HACEN NINGUNA DECLARACIÓN O GARANTÍA DE NINGÚN TIPO AL COMPRADOR DE QUE ÉL O ELLA ESTÁ CALIFICADO PARA HACER CUALQUIER REPARACIÓN AL PRODUCTO, O QUE ÉL O ELLA ESTÁ CALIFICADO PARA REEMPLAZAR CUALQUIER PIEZA DEL PRODUCTO. DE HECHO, EL FABRICANTE Y/O DISTRIBUIDOR DECLARA EXPRESAMENTE QUE TODAS LAS REPARACIONES Y REEMPLAZOS DE PIEZAS DEBEN SER REALIZADOS POR TÉCNICOS CERTIFICADOS Y CON LICENCIA, Y NO POR EL COMPRADOR. EL COMPRADOR ASUME TODO EL RIESGO Y LA RESPONSABILIDAD QUE SURJA DE SUS REPARACIONES AL PRODUCTO ORIGINAL O A LAS PIEZAS DE REEMPLAZO DEL MISMO, O QUE SURJA DE SU INSTALACIÓN DE LAS PIEZAS DE REEMPLAZO DEL MISMO.
3491 Mission Oaks Blvd. • PO Box 6009 • Camarillo, CA 93011 • 1-888-866-5797
Visite nuestro sitio web en: http://www.harborfreight.com
Envíe un correo electrónico a nuestro soporte técnico a: productsupport@harborfreight.com
Envíe un correo electrónico a nuestro soporte de motores a: predator@harborfreight.com
Copyright © 2012 by Harbor Freight Tools®. Todos los derechos reservados. Ninguna parte de este manual ni ninguna ilustración contenida en el mismo puede ser reproducida de ninguna forma o manera sin el consentimiento expreso por escrito de Harbor Freight Tools. Los diagramas dentro de este manual pueden no estar dibujados proporcionalmente. Debido a las continuas mejoras, el producto real puede diferir ligeramente del producto descrito en este documento. Las herramientas necesarias para el montaje y el servicio pueden no estar incluidas.

Referencias
Descargar manual
Aquí puedes descargar la versión completa en pdf del manual, puede contener instrucciones de seguridad adicionales, información de garantía, reglas de la FCC, etc.
Descargar Manual del generador portátil Predator de 8750 vatios 69677












