Techno Line WS 9470 - Navodila za termo-higrometer notranje klimatske postaje
- 1 Pregled
- 2 Začetek
- 3 Prikaz temperature
- 4 Indikator trenda
- 5 Nivo udobja
- 6 Najvišje in najnižje vrednosti
- 7 Ročna ponastavitev
- 8 Funkcija kalibracije
- 9 Umerjanje prikaza vlažnosti in temperature
- 10 Ikona prazne baterije
- 11 Previdnostni ukrepi
- 12 Varnostna opozorila za baterije
- 13 Prenesi navodilo
- 14 V drugih jezikih

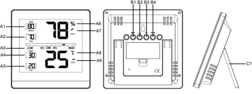
Pregled

A1 - Najvišja izmerjena vrednost vlažnosti
A2 - Najnižja izmerjena vrednost vlažnosti
A3 - Indikator nivoja udobja
A4 - Najvišja izmerjena vrednost temperature
A5 - Najnižja izmerjena vrednost temperature
A6 - Notranja vlažnost
A7 - Trend notranje vlažnosti
A8 - Notranja temperatura
A9 - Trend notranje temperature
B1 – Gumb "Set" (nastavi)
B2 – "
" Gumb
B3 – "
" Gumb
B4 – "°C/°F" Gumb
C1 – Stojalo za mizo
Začetek
- Odprite prostor za baterije.
- Vstavite 2 x 1.5V AAA baterije, v skladu s pravilno +/- polariteto, kot je označeno v prostoru za baterije. Izmerjena temperatura in vlažnost se bosta prikazali na zaslonu.
- Ponovno zaprite prostor za baterije.
Prikaz temperature
Pritisnite gumb °C/°F za preklop med °C (Celzija) ali °F (Fahrenheita) kot temperaturno enoto.
Indikator trenda
Puščice trenda kažejo, ali se vrednosti za temperaturo in vlažnost trenutno povečujejo (puščica navzgor), so stabilne (puščica vstran) ali se zmanjšujejo (puščica navzdol).
Nivo udobja
Na zaslonu se prikaže oznaka, ki označuje nivo udobja:
Oznaka blizu LOW (nizko) pomeni, da je okolje presuho.
Oznaka blizu OK pomeni, da je okolje udobno.
Oznaka blizu HIGH (visoko) pomeni, da je okolje preveč vlažno.
Najvišje in najnižje vrednosti
- Obstajata dva spominska načina za prikazane najvišje in najnižje vrednosti high (visoko) in low (nizko) za temperaturo in vlažnost.
- Pritisnite gumb
ali
v normalnem načinu za ogled načina prikaza 24hrs (24 ur) ali all-time (ves čas) najvišjih in najnižjih vrednosti. - Način "All-time" (ves čas): Takoj, ko je postaja aktivna, se shranijo najvišje in najnižje vrednosti.
- Način "24hrs" (24 ur): Najvišje in najnižje vrednosti se ponastavijo vsakih 24 ur (od trenutka aktivacije).
Ročna ponastavitev
- Pritisnite in držite gumb
v ustreznem načinu prikaza, da izbrišete zabeleženo visoko odčitavanje. - Pritisnite in držite gumb
v ustreznem načinu prikaza, da izbrišete zabeleženo nizko odčitavanje.
Funkcija kalibracije
Termo-higrometer omogoča uporabniku, da umeri prikaz meritev temperature in vlažnosti z zunanjim, boljšim referenčnim virom. Uporabnik lahko prilagodi prikaze temperature in vlažnosti znotraj merilnega območja.
Pri zamenjavi baterij se umerjene vrednosti samodejno izbrišejo.
Umerjanje prikaza vlažnosti in temperature
- Pritisnite in držite gumb SET (nastavi) 3 sekunde in vlažnost bo utripala. Pritisnite gumb
ali
za popravek prikaza vlažnosti. Pod vlažnostjo na zaslonu se prikaže CALIBRATED (umerjeno). - Na kratko pritisnite gumb SET (nastavi), da potrdite spremembe in temperatura bo utripala. Pritisnite gumb
ali
za popravek prikaza temperature. Pod temperaturo na zaslonu se prikaže CALIBRATED (umerjeno). - Na kratko pritisnite gumb SET (nastavi), da potrdite spremembe in izstopite iz načina nastavitve.
Opomba: CALIBRATED (umerjeno) je prikazano na zaslonu, dokler vrednosti ostanejo umerjene.
Ikona prazne baterije
Zamenjajte baterije, ko se na zaslonu prikaže simbol baterije.
Previdnostni ukrepi
- Ta enota je namenjena samo za uporabo v zaprtih prostorih.
- Ne izpostavljajte enote preveliki sili ali udarcem.
- Ne izpostavljajte enote ekstremnim temperaturam, neposredni sončni svetlobi, prahu ali vlagi.
- Ne potapljajte v vodo.
- Izogibajte se stiku s korozivnimi materiali.
- Ne mečite te enote v ogenj, saj lahko eksplodira.
- Ne odpirajte notranjega zadnjega ohišja ali posegajte v komponente te enote.
Varnostna opozorila za baterije
- Uporabljajte samo alkalne baterije, ne pa baterij za ponovno polnjenje.
- Pravilno namestite baterije tako, da se ujemajo s polaritetami (+/-).
- Vedno zamenjajte celoten komplet baterij.
- Nikoli ne mešajte rabljenih in novih baterij.
- Takoj odstranite izpraznjene baterije.
- Odstranite baterije, ko jih ne uporabljate.
- Ne polnite in ne mečite baterij v ogenj, saj lahko eksplodirajo.
- Zagotovite, da so baterije shranjene stran od kovinskih predmetov, saj lahko stik povzroči kratek stik.
- Izogibajte se izpostavljanju baterij ekstremnim temperaturam ali vlagi ali neposredni sončni svetlobi.
- Hranite vse baterije izven dosega otrok. Predstavljajo nevarnost zadušitve.
Izdelek uporabljajte samo za predvideni namen!
Upoštevanje dolžnosti v skladu z zakonom o baterijah

Stare baterije ne sodijo med gospodinjske odpadke, ker lahko povzročijo škodo zdravju in okolju. Rabljene baterije lahko brezplačno vrnete svojemu prodajalcu in na zbirna mesta. Kot končni uporabnik ste po zakonu dolžni vrniti potrebne baterije distributerjem in na druga zbirna mesta!
Upoštevanje dolžnosti v skladu z zakonom o električnih napravah

Ta simbol pomeni, da morate električne naprave odstraniti ločeno od splošnih gospodinjskih odpadkov, ko dosežejo konec svoje življenjske dobe.
Odnesite svojo enoto na lokalno zbirno mesto za odpadke ali v center za recikliranje. To velja za vse države Evropske unije in za druge evropske države z ločenim sistemom zbiranja odpadkov.
Prenesi navodilo
Tukaj lahko prenesete polno pdf različico navodila, ki lahko vsebuje dodatna varnostna navodila, informacije o garanciji, FCC pravila itd.
Prenesi Techno Line WS 9470 - Navodila za termo-higrometer notranje klimatske postaje