Fishman Loudbox Artist - Manual do Amplificador

Ouça Isso
O amplificador Loudbox Artist é capaz de reproduzir fielmente o som do seu instrumento em níveis de volume muito altos. A exposição repetida e prolongada a altos níveis de pressão sonora (SPLs) sem proteção pode causar perda auditiva permanente. A OSHA estabeleceu diretrizes e especificou limites de exposição sonora permitidos para aqueles que trabalham em ambientes de alto SPL.
| Exposições de ruído permitidas | |
| Duração por dia, horas | Nível de som dBA resposta lenta |
| 8 | 90 |
| 6 | 92 |
| 4 | 95 |
| 3 | 97 |
| 2 | 100 |
| 1 ½ | 102 |
| 1 | 105 |
| ½ | 110 |
| ¼ ou menos | 115 |
Para se proteger contra a perda auditiva permanente, use proteção auditiva quando tocar com amplificação.
NOTA: Opere o amplificador apenas na voltagem indicada na caixa de seleção no painel traseiro. Não anule o pino de aterramento no cabo AC; a operação segura deste amplificador depende de uma conexão de aterramento adequada.
Começando

Aqui estão algumas dicas básicas de configuração para ajudá-lo a começar. Para operar o Loudbox Artist com segurança, leia todo o manual, especialmente as Instruções de Segurança Importantes.
Se o seu amplificador tiver uma tensão de operação de 120V, conecte o cabo de linha AC fornecido na parte traseira do amplificador.
Se o seu amplificador operar em 230V, você deve fornecer seu próprio cabo de alimentação destacável. O cabo que você fornecer deve ter um conector IEC-style 320 em uma extremidade e um plugue AC macho apropriado para sua área na outra.
- Localize o interruptor Power (Liga/Desliga) (acima do terminal do cabo de alimentação do painel traseiro) e desligue-o (posição para baixo), em seguida, conecte o cabo de alimentação.
- Conecte o Loudbox Artist em uma tomada elétrica com a tensão AC apropriada.
- Abaixe o controle Master Volume (Volume Master) e ligue o interruptor Power (Liga/Desliga).
- Conecte seu instrumento à entrada Channel 1 (Canal 1) com um cabo blindado de ¼".
- Toque agressivamente e aumente o Gain (Ganho) do Channel 1 (Canal 1) até que o LED Clip (dentro do botão Pad) pisque, então recue o Gain (Ganho) até que não ocorra nenhum clipping.
- Defina os controles de tom "flat" (planos) como ilustrado abaixo.
- Pressione o interruptor Mute (Silenciar) (desligando sua luz amarela) e aumente lentamente o Master Volume (Volume Master) para o nível desejado.
Painel Frontal


Os controles de 1 a 10 são idênticos para ambos os canais.
- Channel 1 Input (Entrada do Canal 1)
A entrada de 1/4" aceita todos os tipos de captadores acústicos passivos ou ativos. Conecte um microfone balanceado na entrada XLR para uso vocal ou instrumental. - 10db Pad & Clip LED
Se você tiver um captador de alta saída e o LED Clip (localizado no centro do botão Pad) acender em configurações de Gain (Ganho) baixas, pressione este interruptor para colocar o nível do seu captador em uma faixa mais utilizável. - Gain (Ganho)
Use o botão Gain (Ganho) para definir o nível do sinal. - Low (Grave)
Aumente aqui para adicionar peso ao som. Em geral, aumente os graves em volumes baixos e nivele-os (ou corte) em níveis mais altos. Com o dial definido em 12 horas, o controle está efetivamente fora do circuito. - Mid (Médio)
Este controle afeta o quão bem o instrumento se mistura ou se destaca na mixagem. Em volumes altos, um corte de médio alcance alcançará um som mais natural. Com o dial definido em 12 horas, o controle está efetivamente fora do circuito. - High (Agudo)
Aumente os agudos para adicionar "ar" ao som do instrumento. Com o botão definido em 12 horas, o controle está efetivamente fora do circuito. - Anti-Feedback
Se você encontrar feedback de baixa frequência, varra este controle para isolá-lo e eliminá-lo. Para saber mais sobre feedback acústico. - Phase (Fase)
Use o interruptor Phase (Fase) em conjunto com o filtro Anti-Feedback para eliminar o feedback acústico. Para ler mais sobre feedback acústico. - Effect A Level (Nível do Efeito A)
Controla a quantidade de Effect A (Efeito A) no canal de entrada. - Effect B On (Efeito B Ligado)
Quando este botão está aceso, o áudio do canal de entrada é processado pelo Effect B (Efeito B). - Effect A (Efeito A)
Use este controle para selecionar um de quatro efeitos para Effect A (Efeito A). - Effect A "Time" (Efeito A "Tempo")
Determina a duração para os efeitos de delay ou reverb. - Effect B (Efeito B)
Use este controle para selecionar um de quatro efeitos para Effect B (Efeito B). - Effect B "Depth" (Efeito B "Profundidade")
Ajusta a intensidade do Effect B (Efeito B). - Aux Level (Nível Auxiliar)
Use isso para controlar o nível de um dispositivo de áudio conectado à entrada Aux (Auxiliar). Observe que o canal Aux (Auxiliar) é independente do interruptor Mute (Silenciar), para que você possa tocar música pré-gravada em seus intervalos. - Master Volume (Volume Master)
Defina o nível geral do Loudbox Artist com o Master Volume (Volume Master). Em geral, coloque o Master Volume (Volume Master) o mais alto possível (2 horas às 5 horas) para obter o som mais limpo. - Power (Energia)
Acende quando a energia do amplificador está ligada. - Headphone Jack (Entrada para Fone de Ouvido)
Quando você conecta fones de ouvido estéreo aqui, os alto-falantes se desligam. Esta saída monitora os canais 1 e 2 e a entrada Aux (Auxiliar), para que você possa tocar junto com música pré-gravada através dos fones de ouvido. - Channel Mute (Silenciar Canal)
O interruptor Channel Mute (Silenciar Canal) desliga os sinais dos canais 1 e 2 para os alto-falantes e todas as saídas XLR. O Channel Mute (Silenciar Canal) não afeta as entradas Aux (Auxiliares) ou os envios de efeitos. Quando o mute (silenciar) está ativo, o LED do botão estará aceso. - Tweeter Level (Nível do Tweeter)
Gire este controle para atenuar o nível de saída do tweeter para onde soa melhor para você. - Phantom Power (Alimentação Fantasma)
Fornece 24V para a entrada XLR em cada canal de entrada para alimentar um microfone condensador. Quando a alimentação fantasma está ativa, o LED do botão estará aceso.
A maioria dos microfones condensadores e dinâmicos, bem como alguns pré-amplificadores, podem ser usados com segurança com alimentação fantasma.
No entanto, a alimentação fantasma pode danificar alguns dispositivos de áudio, incluindo alguns microfones não balanceados, pré-amplificadores ou stompboxes que foram modificados para uso XLR balanceado. Sempre que houver dúvida, entre em contato com o fabricante para confirmar a compatibilidade.
Painel Traseiro

- Power switch (Interruptor de energia)
Abaixe o Master Volume (Volume Master) antes de ligar o amplificador. Mova o interruptor de energia para a posição para cima. - AC power (Energia AC)
Opere o amplificador apenas na voltagem indicada no painel traseiro.
Para amplificadores de 120V comprados nos EUA, Canadá e México, conecte o cabo de alimentação AC destacável fornecido.
Para amplificadores de 100V e 230V comprados fora dos EUA e Canadá, você precisará fornecer seu próprio cabo AC destacável. Este cabo deve ter um conector IECstyle 320 em uma extremidade e um plugue AC macho apropriado para sua região na outra.
O dispositivo de desconexão é a entrada AC ou o interruptor de energia.
- Mute Foot Switch (Pedal de Silenciamento)
Conecte um pedal duplo Fishman nesta entrada para acesso remoto ao Channel Mute (Silenciar Canal) e Effect B Mute (Silenciar Efeito B). - Aux Input - 1/4" & 1/8" (Entrada Auxiliar - 1/4" & 1/8")
Conecte uma fonte de áudio estéreo de nível de linha, como um CD ou MP3 player em qualquer entrada. Ambas as entradas podem ser usadas ao mesmo tempo. Elas são entradas estéreo (TRS), no entanto, os sinais esquerdo e direito são mixados para mono. - Mix D.I. (Post)
Conecte aqui quando desejar enviar sinais dos canais 1 e 2 para um console de mixagem ou um amplificador escravo. Esta saída pós-EQ é sempre isolada do terra para evitar zumbido de loop de terra. - Channel 2 Effects Loop (serial) (Loop de Efeitos do Canal 2 (serial))
Conecte um efeito externo através dessas entradas. Use um cabo de instrumento blindado padrão de ¼" para conectar o Channel 2 Send (Envio do Canal 2) à entrada do efeito. Conecte a entrada Channel 2 Return (Retorno do Canal 2) à saída do efeito. O loop do Channel 2 (Canal 2) está localizado pós-EQ e é compatível com processadores de efeitos estilo stompbox operados por bateria. - Channel 2 D.I. out (Pre-EQ) (Saída D.I. do Canal 2 (Pré-EQ))
Use esta saída quando quiser um sinal D.I. plano para enviar para um console de mixagem. Esta saída pré-EQ é sempre isolada do terra para evitar zumbido de loop de terra. - Channel 1 Effects Loop (serial) (Loop de Efeitos do Canal 1 (serial))
Conecte um efeito externo através dessas entradas. Use um cabo de instrumento blindado padrão de ¼" para conectar o Channel 1 Send (Envio do Canal 1) à entrada do efeito. Conecte a entrada Channel 1 Return (Retorno do Canal 1) à saída do efeito. O loop do Channel 1 (Canal 1) está localizado pós-EQ e é compatível com processadores de efeitos estilo stompbox operados por bateria. - Channel 1 D.I. out (Pre-EQ) (Saída D.I. do Canal 1 (Pré-EQ))
Use esta saída quando quiser um sinal D.I. plano para enviar para um console de mixagem. Esta saída pré-EQ é sempre isolada do terra para evitar zumbido de loop de terra.
Configurar
Para referência, comece com os controles de tom planos (direto, doze horas). Nesta posição, não há equalização aplicada ao seu som. Comece em um volume muito baixo e aumente gradualmente. Ao aumentar, tente ajustar os controles de tom do Loudbox Artist conforme recomendado abaixo.
- Low volume (Volume baixo)
Em um volume baixo (apenas acima do nível de conversação), nossos ouvidos não são muito sensíveis aos graves e agudos, então dê aos controles Low (Grave) e High (Agudo) um bom aumento.
![Fishman - Loudbox Artist - Configurar - Volume Baixo Configurar - Volume Baixo]()
- Medium volume (Volume médio)
Em níveis intermediários, quando você precisa levantar a voz para ser ouvido sobre a música, o ouvido humano é bastante sensível aos médios. Corte o controle Mid (Médio) para cerca de dez horas ou ao seu gosto. Neste nível, nossa percepção de graves e agudos começa a alcançar o resto do espectro tonal, então você pode recuar ligeiramente os controles Low (Grave) e High (Agudo) para um bom equilíbrio tonal.
![Fishman - Loudbox Artist - Configurar - Volume Médio Configurar - Volume Médio]()
- High volume (Volume alto)
Em níveis altos, quando você deve gritar para ser ouvido sobre a música, seus ouvidos (e seu público) se beneficiarão de um corte profundo de médio alcance. Defina o dial Mid (Médio) entre nove e sete horas. Nossa percepção de graves e agudos "achata" em volumes altos, então você não precisará de muito, se houver, aumento de Low (Grave) ou High (Agudo). Defina os botões Low (Grave) e High (Agudo) entre doze e uma hora.
![Fishman - Loudbox Artist - Configurar - Volume Alto Configurar - Volume Alto]()
Sobre Feedback Acústico
O feedback geralmente ocorre na oitava mais baixa do seu instrumento, geralmente com duas notas separadas por cerca de meio passo. O tipo mais baixo de feedback (ressonância da cavidade) começa quando a pressão sonora que sai dos alto-falantes excita a câmara de ar ressonante dentro do seu instrumento. Descobrimos que é eficaz sintonizar o feedback de ressonância da cavidade de um instrumento com o Anti-Feedback (filtro de entalhe) no Loudbox Artist. Para violão, isso ocorre em G# na corda E grave, ou em cerca de 100Hz. Gire o botão Anti-Feedback para cerca de 11 horas para eliminar essa ressonância. Observe que o circuito pode ser efetivamente desativado movendo o dial para a posição Off (7 horas).
A faixa mais alta de feedback (ressonância superior) geralmente começa cerca de meio ou um passo inteiro acima da ressonância da cavidade do instrumento. O feedback de ressonância superior acontece quando a pressão sonora que sai dos alto-falantes excita a frequência ressonante do tampo do seu instrumento. Para violão, isso ocorre em A e acima na corda E grave. Pressione o interruptor Phase (Fase) para dentro e para fora até encontrar a posição que subjugue o feedback de ressonância superior.

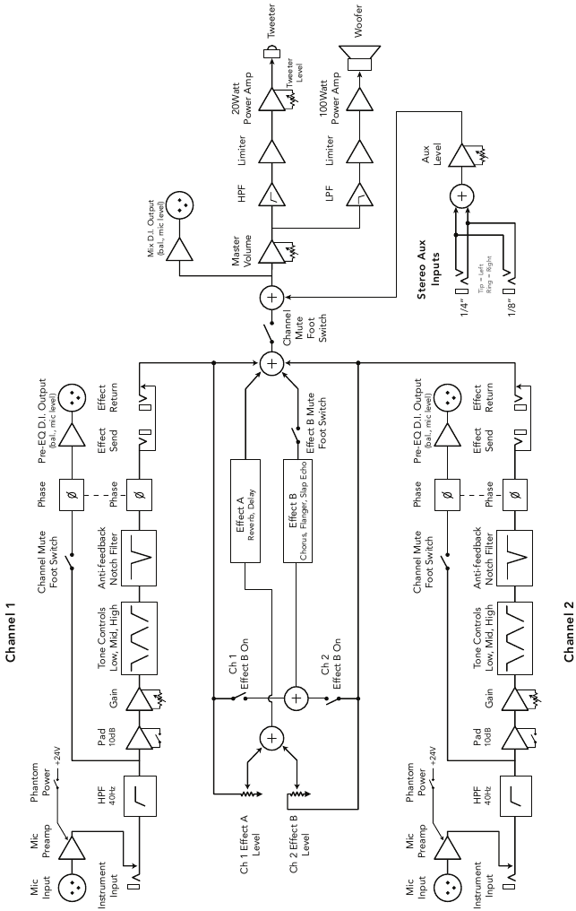
Diagrama de Blocos

Especificações Técnicas
| Impedância de Entrada: | |
| Entrada de 1/4" | 5MOhm |
| Entrada XLR | 2.4kOhm Balanceado |
| Entrada Aux (estéreo) | 10kOhm |
| Alimentação Fantasma | |
| Entrada XLR | 24VDC / 1.2kOhm Impedância de fonte DC por pino |
| Controles de Tom e Anti-Feedback: | |
| Low (Grave) | ±12.5dB @ 50Hz (ressonante) |
| Mid (Médio) | ±10.5dB @ 750Hz (ressonante) |
| High (Agudo) | ±12.5dB @ 15kHz (shelving) |
| Faixa Anti Feedback | -14dB @ 15Hz – 330Hz (entalhe ressonante Hi-Q) |
| Saída D.I. dos Canais 1 e 2: | |
| Impedância de Saída | 440Ohm balanceado |
| Tolerante à alimentação fantasma, isolado do terra | |
| Envios de Efeitos dos Canais 1 e 2: | |
| Impedância de Saída | 2.2kOhm |
| Nível de Operação | -10dBV Nominal |
| Retornos de Efeitos dos Canais 1 e 2: | |
| Impedância de Entrada | 28k Ohm |
| Voltagem de Entrada | -10dBV Nominal |
| (Os envios e retornos são compatíveis com processadores de efeitos operados por bateria) | |
| Saída Mix D.I.: | |
| Impedância de Saída | 600Ohm balanceado |
| Tolerante à alimentação fantasma, isolado do terra | |

Baixar manual
Aqui você pode baixar a versão completa em PDF do manual, ela pode conter instruções de segurança adicionais, informações de garantia, regras da FCC, etc.
Baixar Fishman Loudbox Artist - Manual do Amplificador


