SunJoe SPX3001 - Manual de utilizare pentru mașina de spălat cu presiune electrică 14.5A
- 1 Instrucțiuni de siguranță
- 2 Descrierea produsului
- 3 Simboluri de siguranță
- 4 Cunoașteți-vă mașina de spălat electrică cu presiune
- 5 Date tehnice
- 6 Despachetarea
- 7 Asamblare
- 8 Operație
- 9 Depozitare
- 10 Întreținere
- 11 Diagrama circuitului
- 12 Eliminare
- 13 Service + Asistență
- 14 Model + Numere de serie
- 15 Depanare
- 16 Descărcați manualul
- 17 În alte limbi

Instrucțiuni de siguranță
Toți operatorii trebuie să citească aceste instrucțiuni înainte de utilizare
Aceasta indică o situație periculoasă care, dacă nu este evitată, ar putea duce la deces sau vătămări grave.
Aceasta indică o situație periculoasă care, dacă nu este evitată, ar putea duce la vătămări minore sau moderate.
Aceasta indică o situație periculoasă care, dacă nu este respectată, va duce la deces sau vătămări grave.
Siguranță generală
Acest aparat nu este destinat utilizării de către copii sau de către persoane neasistate, nesupravegheate, ale căror capacități fizice, senzoriale sau mentale le împiedică să îl utilizeze în siguranță. Copiii trebuie supravegheați pentru a se asigura că nu se joacă cu aparatul.
Înainte de a porni mașina, vă rugăm să o verificați cu atenție pentru a depista eventualele defecte. Dacă găsiți vreunul, nu porniți mașina. Contactați dealerul autorizat Snow Joe® + Sun Joe® sau sunați la centrul de servicii pentru clienți Snow Joe® + Sun Joe® la 1-866-SNOWJOE (1-866-766-9563).
Când utilizați mașina de spălat cu presiune, trebuie respectate întotdeauna măsurile de siguranță de bază pentru a reduce riscul de incendiu, șoc electric și vătămare corporală. Acestea includ:
- Cunoașteți-vă produsul – Știți cum să opriți mașina și să reduceți rapid presiunea. Familiarizați-vă temeinic cu comenzile.
- Țineți spectatorii la distanță – Toți vizitatorii și animalele de companie trebuie ținuți la o distanță sigură de zona de lucru.
- Utilizați produsul potrivit – Nu utilizați această mașină pentru nicio altă lucrare decât cea pentru care este destinată.
- Îmbrăcați-vă corespunzător – Nu purtați haine largi sau bijuterii. Acestea se pot prinde în părțile mobile. Se recomandă purtarea mănușilor de protecție din cauciuc și a încălțămintei antiderapante atunci când lucrați în aer liber.
Fiți atenți pentru a evita alunecarea sau căderea. Purtați încălțăminte de protecție care vă va proteja picioarele și vă va îmbunătăți aderența pe suprafețele alunecoase.- Fiți atenți – Urmăriți ce faceți. Folosiți bunul simț. Nu utilizați mașina de spălat cu presiune când sunteți obosit sau sub influența alcoolului sau a drogurilor.
- Nu vă întindeți prea mult – Mențineți-vă echilibrul și poziția corectă în orice moment.
- Evitați pornirea neintenționată – Nu transportați o mașină conectată cu degetul pe trăgaci. Asigurați-vă că întrerupătorul este oprit înainte de a conecta mașina.
- Nu abuzați de cablu – Nu transportați niciodată mașina de cablu și nu trageți de cablu pentru a o deconecta de la priză. Țineți cablul departe de căldură, ulei și margini ascuțite.
- Utilizați ochelari de protecție – Utilizați, de asemenea, încălțăminte de protecție, haine strâmte, mănuși de protecție, protecție auditivă și pentru cap.
- Verificați temperatura apei – Această mașină de spălat cu presiune nu este destinată pompării apei calde. NICIODATĂ nu o conectați la o sursă de apă caldă, deoarece aceasta va reduce semnificativ durata de viață a pompei.
- Depozitați-o în interior – NICIODATĂ nu depozitați mașina de spălat cu presiune în aer liber sau unde ar putea îngheța. Pompa ar putea fi grav avariată.
- Întrerupător de circuit cu defect la masă (GFCI) – Trebuie asigurată protecție pe circuitele sau prizele care vor fi utilizate pentru această mașină de spălat cu presiune. Sunt disponibile prize cu protecție GFCI încorporată și pot fi utilizate pentru această măsură de siguranță.
- Inspectați cablurile electrice – Izolația cablului de alimentare trebuie să fie perfect intactă. Dacă cablul de alimentare este deteriorat sau prezintă semne de uzură, nu utilizați mașina de spălat cu presiune. Contactați dealerul autorizat Snow Joe® + Sun Joe® sau sunați la centrul de servicii pentru clienți Snow Joe® + Sun Joe® la 1-866-SNOWJOE (1-866-766-9563).
Nu utilizați acest aparat fără a citi acest manual de instrucțiuni.
Acest aparat a fost proiectat pentru a fi utilizat cu agenți de curățare care sunt recomandați de producător. Utilizarea altor agenți de curățare sau substanțe chimice poate afecta negativ siguranța aparatului.
Nu utilizați aparatul în raza de acțiune a persoanelor decât dacă acestea poartă îmbrăcăminte de protecție.
Jeturi de înaltă presiune pot fi periculoase dacă sunt supuse unei utilizări greșite. Jetul nu trebuie îndreptat către persoane, animale de companie, echipamente electrice sub tensiune sau către aparatul în sine. - Nu îndreptați jetul spre dumneavoastră sau spre alte persoane pentru a curăța haine sau încălțăminte.
- Risc de explozie – Nu pulverizați lichide inflamabile.
- Deconectați unealta – Deconectați-o de la sursa de alimentare electrică înainte de a efectua orice lucrare de întreținere.
- Țineți copiii la distanță – Această mașină electrică de spălat cu presiune nu trebuie utilizată de copii sau de personal neinstruit.
- Pentru a asigura siguranța aparatului, utilizați numai piese de schimb originale de la producător sau cele aprobate de producător.
Apa care a trecut prin dispozitivele de prevenire a refluxului este considerată nepotabilă.
În timpul curățării, întreținerii sau la înlocuirea pieselor, mașina trebuie deconectată de la sursa de alimentare prin scoaterea ștecherului din priză.
Furtunurile, fitingurile și cuplajele de înaltă presiune sunt importante pentru funcționarea în siguranță a aparatului. Utilizați numai furtunuri, fitinguri și cuplaje recomandate de producător. - Verificați dacă există piese deteriorate – Nu utilizați aparatul dacă cablul de alimentare sau alte părți importante ale aparatului sunt deteriorate (de exemplu, dispozitive de siguranță, furtunuri de înaltă presiune, pistol de pulverizare).
Dacă se utilizează un cablu prelungitor, ștecherul și priza trebuie să fie de construcție etanșă.
Cablurile prelungitoare necorespunzătoare pot fi periculoase. - Această mașină electrică de spălat cu presiune nu trebuie utilizată la temperaturi sub 32ºF (0°C).
Cablurile de alimentare de pe tamburi trebuie să fie întotdeauna complet derulate pentru a preveni supraîncălzirea cablului. - Conexiunile cablului de alimentare trebuie menținute uscate și ridicate de la sol.
- Dacă cablul de alimentare este deteriorat, nu utilizați aparatul. Contactați dealerul autorizat Snow Joe® + Sun Joe® sau sunați la centrul de servicii pentru clienți Snow Joe® + Sun Joe® la 1-866-SNOWJOE (1-866-766-9563).
- Păstrați mașina pe o suprafață stabilă și plană în timpul funcționării, manipulării, transportului și depozitării. Răsturnarea bruscă a mașinii poate provoca vătămări corporale.
- În caz de accident sau defecțiune, opriți imediat mașina. (Dacă are loc contactul cu detergent, clătiți cu multă apă curată.)
PĂSTRAȚI ACESTE INSTRUCȚIUNI
Siguranță electrică
ATENȚIE: Dacă există probleme cu REȚEAUA electrică, pot apărea scăderi scurte de tensiune la pornirea echipamentului. Acest lucru poate influența, la rândul său, alte echipamente (de exemplu, poate face ca o lampă să clipească). Dacă IMPEDANȚA REȚELEI Zmax < 0,335 OHM, nu sunt de așteptat astfel de perturbări. (Dacă aveți nevoie de asistență, contactați autoritatea locală de alimentare pentru informații suplimentare.)
Pericol de șoc electric – Înainte de a porni mașina, vă rugăm să o verificați cu atenție pentru a depista eventualele defecte. Dacă găsiți vreunul, nu porniți mașina și contactați distribuitorul.
Următoarele trebuie respectate la conectarea mașinii electrice de spălat cu presiune la sursa de alimentare electrică:
- Conectarea la sursa de alimentare electrică trebuie efectuată de o persoană calificată.
- Alimentarea electrică a acestui aparat trebuie să includă fie un dispozitiv de curent rezidual care va întrerupe alimentarea dacă curentul de scurgere la pământ depășește 30 mA timp de 30 ms, fie un dispozitiv care va întrerupe circuitul de pământ (GFCI
Utilizați numai apă fără impurități.
Dacă există riscul de a introduce nisip în apa de admisie (adică din propriul puț), trebuie instalat un filtru suplimentar.
Dispozitive de siguranță
Supapa de descărcare poate reduce presiunea dacă aceasta depășește valorile prestabilite. Pistolul de pulverizare are un dispozitiv de blocare. Când blocarea este activată, pistolul de pulverizare nu poate fi acționat.
- Senzor termic – Un senzor termic protejează motorul împotriva suprasolicitării. Mașina va reporni după câteva minute, când senzorul termic s-a răcit.
- Izolație dublă – Într-un aparat cu izolație dublă, sunt prevăzute două sisteme de izolație în loc de împământare. Pe un aparat cu izolație dublă nu este prevăzut niciun mijloc de împământare și nici nu trebuie adăugat un mijloc de împământare la aparat. Repararea unui aparat cu izolație dublă necesită o atenție extremă și cunoașterea sistemului și trebuie efectuată numai de personal de service calificat la un dealer autorizat Snow Joe® + Sun Joe®. Piesele de schimb pentru un aparat cu izolație dublă trebuie să fie identice cu piesele pe care le înlocuiesc. Un aparat cu izolație dublă este marcat cu cuvintele "Double Insulation" ("Izolație dublă") sau "Double Insulated" ("Cu izolație dublă"). Simbolul
(pătrat într-un pătrat) poate fi, de asemenea, marcat pe aparat. - Protecție cu întrerupător de circuit cu defect la masă (GFCI) – Această mașină de spălat cu presiune este prevăzută cu un întrerupător de circuit cu defect la masă (GFCI) încorporat în ștecherul cablului de alimentare. Acest dispozitiv oferă protecție suplimentară împotriva riscului de șoc electric. Dacă devine necesară înlocuirea ștecherului sau a cablului, utilizați numai piese de schimb identice care includ protecție GFCI.
- Nu se recomandă utilizarea unui cablu prelungitor cu această mașină de spălat cu presiune. Unitatea vine standard cu un cablu de alimentare GFCI de 35 ft. Utilizarea unui cablu prelungitor poate provoca o scădere a tensiunii de linie, ceea ce duce la pierderea puterii și la supraîncălzire.
- Pentru a reduce riscul de șoc electric, acest aparat are un ștecher polarizat (adică o lamă este mai lată decât cealaltă). Ștecherul aparatului se va potrivi într-o priză polarizată într-un singur sens.
Dacă ștecherul aparatului nu se potrivește complet în priză, inversați ștecherul. Dacă ștecherul tot nu se potrivește, asigurați-vă că utilizați priza de perete polarizată corectă. Dacă ștecherul tot nu se potrivește, contactați un electrician calificat pentru a instala priza de perete adecvată. Nu modificați în niciun fel ștecherul aparatului, priza cablului de alimentare sau ștecherul cablului de alimentare.
Utilizați numai cabluri prelungitoare care sunt destinate utilizării în exterior. Aceste cabluri prelungitoare sunt identificate prin marcajul "Acceptable for use with outdoor appliance; store indoors while not in use" ("Acceptabil pentru utilizare cu aparate de exterior; depozitați-l în interior când nu este utilizat"). Utilizați numai cabluri prelungitoare cu o valoare nominală electrică nu mai mică decât valoarea nominală a produsului. Nu utilizați cabluri prelungitoare deteriorate. Examinați cablul prelungitor înainte de utilizare și înlocuiți-l dacă este deteriorat. Nu abuzați de cablul prelungitor și nu trageți de niciun cablu pentru a-l deconecta. Țineți cablul departe de căldură și margini ascuțite. Deconectați întotdeauna cablul prelungitor de la priză înainte de a deconecta produsul de la cablul prelungitor.
Șocul electric poate provoca VĂTĂMĂRI GRAVE sau DECES. Respectați aceste avertismente:- Nu permiteți ca nicio parte a mașinii electrice de spălat cu presiune să intre în contact cu apa în timpul funcționării. Dacă aparatul se udă în timp ce este oprit, ștergeți-l înainte de a-l porni.
- Nu utilizați un cablu prelungitor mai lung de 25 ft. Mașina de spălat cu presiune este echipată cu un cablu de alimentare de 35 ft. Lungimea combinată a cablului nu trebuie să depășească 60 ft. Orice cablu prelungitor trebuie să aibă un ecartament de 14 (sau mai gros) pentru a alimenta în siguranță mașina de spălat cu presiune.
- Nu atingeți aparatul sau ștecherul acestuia cu mâinile ude sau în timp ce stați în apă. Purtarea cizmelor de cauciuc oferă o anumită protecție.
TABEL CABLURI PRELUNGITOARELungimea cablului: 25 ft (7,6 m) Ecartament minim al firului (A.W.G.): 14
- Pentru a preveni deconectarea cablului aparatului de cablul prelungitor în timpul funcționării, faceți un nod cu cele două cabluri, așa cum se arată în Tabelul 1.
Tabelul 1. Metoda de fixare a cablului prelungitor
![]()
- Nu abuzați de cablu. Nu trageți niciodată mașina de spălat cu presiune de cablu și nu trageți de cablu pentru a o deconecta de la priză. Țineți cablul departe de căldură, ulei și margini ascuțite.
Risc de electrocutare
- Inspectați cablul înainte de utilizare.
- Nu utilizați dacă cablul este deteriorat.
- Păstrați toate conexiunile uscate și ridicate de la sol.
- Nu atingeți ștecherul cu mâinile ude.
- Țineți cablul departe de căldură și margini ascuțite.
- Nu pulverizați aparate și cabluri electrice.
Risc de explozie
- Nu pulverizați lichide inflamabile.
- Nu utilizați acizi, baze, solvenți sau orice material inflamabil în acest produs. Aceste substanțe pot provoca vătămări corporale operatorului și daune ireversibile mașinii.
Instrucțiuni suplimentare de siguranță
- Presiune ridicată: stați departe de duză.
- Pericol de injectare: echipamentul poate provoca vătămări grave dacă pulverizarea pătrunde în piele.
- Nu îndreptați pistolul spre nimeni sau spre nicio parte a corpului.
- În caz de pătrundere în piele, solicitați imediat asistență medicală.
- Înainte de a repara, curăța sau îndepărta orice piesă, opriți alimentarea și reduceți presiunea.
- Această mașină nu este adecvată pentru conectarea la rețeaua de apă potabilă.
Descrierea produsului
Scop
- Această mașină de spălat electrică cu presiune înaltă este destinată utilizării rezidențiale pentru curățarea vehiculelor, mașinilor, clădirilor, fațadelor etc.
Domenii de aplicare
- Nu utilizați niciodată mașina în zone potențial explozive în nicio circumstanță!
- Temperatura de funcționare trebuie să fie între 32ºF (0ºC) și 104ºF (40ºC).
- Mașina constă dintr-un ansamblu cu o pompă, care este încapsulată într-o carcasă care absoarbe șocurile. Pentru a oferi operatorului o poziție de lucru optimă, mașina este echipată cu o lance de pulverizare și un mâner anti-alunecare, a căror formă și configurație respectă reglementările aplicabile.
- Nu acoperiți sau modificați lancea de pulverizare sau duzele de pulverizare în niciun fel.
- Mașina de spălat electrică cu presiune înaltă este proiectată pentru a fi utilizată cu apă rece sau călduță; temperaturile mai ridicate pot deteriora pompa.
- Nu utilizați apă murdară, nisipoasă sau care conține produse chimice, deoarece acestea ar putea afecta funcționarea și scurta durata de viață a mașinii.
Simboluri de siguranță
Următorul tabel prezintă și descrie simbolurile de siguranță care pot apărea pe acest produs. Citiți, înțelegeți și urmați toate instrucțiunile de pe mașină înainte de a încerca asamblarea și operarea.
| Simboluri | Descrieri | Simboluri | Descrieri |
| CITIȚI MANUALUL (MANUALELE) OPERATORULUI – Citiți, înțelegeți și urmați toate instrucțiunile din manualul (manualele) utilizatorului înainte de a încerca asamblarea și operarea. | | Pericol de șoc electric. |
| ALERTĂ DE SIGURANȚĂ – Indică o precauție, un avertisment sau un pericol. | | Nu expuneți unitatea la ploaie sau condiții umede. Păstrați uscat. |
| PURTAȚI PROTECȚIE PENTRU OCHI ȘI AUZ – Pentru protecție împotriva rănilor, purtați apărători pentru urechi și ochelari de protecție. | | Pentru a reduce riscul de rănire, utilizatorul trebuie să țină toți spectatorii la cel puțin 49 ft (15 m) distanță. |
| Purtați mănuși de protecție în timpul utilizării pentru a vă proteja mâinile. | | Purtați încălțăminte antiderapantă care vă va proteja picioarele și vă va îmbunătăți stabilitatea pe suprafețe alunecoase. |
| Depozitați în interior. Nu depozitați niciodată mașina de spălat cu presiune în aer liber. Dacă pompa îngheață, pot apărea daune permanente. | | Mașina nu este potrivită pentru conectarea la rețeaua de apă potabilă. |
| Țineți întotdeauna cablul de alimentare departe de surse de căldură, uleiuri sau margini ascuțite. Scoateți imediat ștecherul din priză dacă cablul este deteriorat, uzat sau încâlcit. | | Opriți mașina și deconectați-o de la sursa de alimentare înainte de a inspecta, curăța, schimba accesoriile sau de a efectua orice altă sarcină de întreținere. |
| Nivelul de putere sonoră este de 96 dB(A). | | Izolație dublă – Atunci când efectuați lucrări de întreținere, utilizați numai piese de schimb identice. |
Cunoașteți-vă mașina de spălat electrică cu presiune
Citiți cu atenție manualul de utilizare și instrucțiunile de siguranță înainte de a utiliza mașina de spălat electrică cu presiune. Comparați ilustrația de mai jos cu mașina de spălat electrică cu presiune pentru a vă familiariza cu locația diferitelor comenzi și ajustări.
Păstrați acest manual pentru referințe viitoare.

- Blocare de siguranță (Localizați blocarea în centrul declanșatorului. Trageți în sus și fixați-o în poziție. Vezi Fig. 12)
- Declanșator
- Pistol cu declanșator
- Furtun de înaltă presiune
- Lance de pulverizare
- Intrare de apă/conexiune furtun de grădină
- Mâner de transport
- Depozitare la bord pentru duzele Quick-Connect
- Tambur pentru furtun de înaltă presiune
- Manivelă
- Cablu de alimentare cu GFCI
- Comutator On/Off (Pornit/Oprit)
- Selector de detergent
- Conexiune furtun de înaltă presiune
- Suport pentru cablu
- Suport pentru pistol cu declanșator
- Rezervor de detergent detașabil
- Suport pentru rezervorul de detergent
- Protector pentru lancea de pulverizare
- Roată (2)
- Ieșire de apă/conexiune de înaltă presiune
- Adaptor pentru furtun de grădină (cuplaj femelă)
- Instrument de curățare cu ac
- Duză Quick-Connect de 0º (roșie)
- Duză Quick-Connect de 15º (galbenă)
- Duză Quick-Connect de 25º (verde)
- Duză Quick-Connect de 40º (gri)
- Duză Quick-Connect pentru săpun (neagră)
Date tehnice
| Tensiune nominală | 120V ~ 60 Hz | Presiune nominală | 1450 PSI |
| Motor | 14.5-amp | Debit nominal | 1.24 GPM (4.7 L/min) |
| Temperatura maximă de intrare a apei | 104ºF/40ºC | Greutate netă | 30.9 lbs (14 kg) |
| Presiunea maximă de intrare a apei | 0.7 MPa | ||
| Capacitatea rezervorului de detergent | 40.6 fl oz (1.2 L) | ||
| Lungimea furtunului de înaltă presiune | 20 ft (6 m) | ||
| Lungimea cablului de alimentare | 35 ft (10.7 m) | ||
Despachetarea
Conținutul cutiei
- Unitate de spălare cu presiune
- Pistol cu declanșator
- Lance de pulverizare
- Cinci (5) duze Quick-Connect (0º, 15º, 25º, 40º și Săpun)
- Două (2) șuruburi mici
- Protector pentru lancea de pulverizare
- Suport pentru pistol cu declanșator
- Instrument de curățare cu ac
- Adaptor pentru furtun de grădină (cuplaj femelă)
- Manual cu card de înregistrare
- Scoateți cu grijă mașina de spălat cu presiune și verificați dacă toate elementele de mai sus sunt furnizate.
- Inspectați cu atenție produsul pentru a vă asigura că nu s-au produs spargeri sau deteriorări în timpul transportului. Dacă găsiți piese deteriorate sau lipsă, NU returnați unitatea la magazin. Vă rugăm să sunați la centrul de servicii pentru clienți Snow Joe® + Sun Joe® la 1-866-SNOWJOE (1-866-766-9563).
NOTĂ: Nu aruncați cutia de transport și materialul de ambalare până când nu sunteți gata să utilizați noua mașină de spălat electrică cu presiune. Ambalajul este fabricat din materiale reciclabile. Eliminați corect aceste materiale în conformitate cu reglementările locale.
Echipamentul și materialul de ambalare nu sunt jucării. Nu lăsați copiii să se joace cu pungi de plastic, folii sau piese mici. Aceste articole pot fi înghițite și prezintă un risc de sufocare!
Nu conectați la sursa de alimentare până când asamblarea nu este completă. Nerespectarea acestui lucru ar putea duce la pornirea accidentală și la posibile vătămări corporale grave.
Asamblare
- Poziționați șaiba CÂT MAI APROAPE de sursa de apă.
- Șaiba trebuie utilizată pe o suprafață sigură și stabilă, în poziție verticală (Fig. 1).
![SunJoe - SPX3001 - Asamblare - Pasul 1 Asamblare - Pasul 1]()
- Glisați suportul pistolului de declanșare în poziție și fixați-l cu un șurub (Fig. 2).
![SunJoe - SPX3001 - Asamblare - Pasul 2 Asamblare - Pasul 2]()
- Pentru a asambla protecția baghetei de pulverizare, mai întâi fixați urechile în fantele situate în partea stângă jos a unității, apoi fixați-o cu celălalt șurub (Fig. 3).
![]()
- Montați lancea din oțel inoxidabil în pistolul de declanșare și rotiți gulerul până când cele două părți sunt complet blocate (Fig. 4).
![SunJoe - SPX3001 - Asamblare - Pasul 4 Asamblare - Pasul 4]()
- Conectați furtunul de înaltă presiune la pistolul de declanșare (Fig. 5).
Țineți furtunul departe de obiecte ascuțite.
Furtunurile sparte pot provoca răni. Examinați regulat furtunurile și înlocuiți-le dacă sunt deteriorate. Nu încercați să reparați un furtun deteriorat.
![SunJoe - SPX3001 - Asamblare - Pasul 5 Asamblare - Pasul 5]()
- Conectați adaptorul pentru furtunul de grădină (cuplaj femelă) la intrarea de apă a mașinii de spălat cu presiune, apoi înșurubați furtunul de grădină (capătul masculin) în adaptorul pentru furtunul de grădină
(Fig. 6). Furtunul de grădină trebuie să aibă un diametru intern de cel puțin 13 mm (1/2 in.) și trebuie să fie ranforsat. Alimentarea cu apă trebuie să fie cel puțin egală cu capacitatea de livrare a mașinii de spălat.
NOTE: Mașina nu este potrivită pentru conectarea la o rețea de apă potabilă.
![SunJoe - SPX3001 - Asamblare - Pasul 6 Asamblare - Pasul 6]()
- Atașați furtunul de grădină la sursa de apă (Fig. 7).
Temperatura apei de admisie nu trebuie să depășească 104ºF/40ºC. Alimentarea cu apă nu trebuie să depășească 0,7 MPa.
Mașina de spălat trebuie utilizată numai cu apă curată; utilizarea apei nefiltrate care conține substanțe chimice corozive va deteriora mașina de spălat.
![SunJoe - SPX3001 - Asamblare - Pasul 7 Asamblare - Pasul 7]()
- Asigurați-vă că întrerupătorul motorului este împins în poziția OFF (0) înainte de a conecta unitatea la priza de alimentare (Fig. 8).
![SunJoe - SPX3001 - Asamblare - Pasul 8 Asamblare - Pasul 8]()
- Verificați dacă tensiunea și frecvența de alimentare electrică (Volt/Hz) corespund cu cele specificate pe plăcuța de identificare a mașinii de spălat cu presiune. Dacă alimentarea cu energie este corectă, puteți conecta acum mașina de spălat cu presiune la priza de alimentare (Fig. 9).
NOTE: GFCI poate necesita resetare la prima conectare la priza electrică. Apăsați butonul "Reset" (Resetează) până când indicatorul luminos de alimentare de pe GFCI se aprinde.
![SunJoe - SPX3001 - Asamblare - Pasul 9 Asamblare - Pasul 9]()
Operație
Această mașină de spălat cu presiune este echipată cu un micro-întrerupător sensibil la fluxul de apă. Acest sistem Total Stop (TSS) detectează fluxul de apă în pompă. Când trăgaciul este eliberat, apa încetează să mai curgă prin pompă. TSS-ul oprește automat motorul pentru a proteja pompa de supraîncălzire, economisind astfel energie și prelungind durata de viață a pompei.
- Deschideți complet robinetul de alimentare cu apă.
- Asigurați-vă că blocarea de siguranță este coborâtă și în poziția inițială (Fig. 10), apoi apăsați trăgaciul timp de câteva secunde până când fluxul de apă este constant. Acest lucru va permite aerului să iasă și să descarce orice presiune reziduală din furtun.
![]()
- Rotiți comutatorul în poziția ON (I) (pornit) pentru a porni mașina de spălat cu presiune (Fig. 11).
![]()
Utilizarea duzelor
Înainte de a începe orice sarcină de curățare, determinați cea mai bună duză pentru lucrare. Fiecare dintre duze are un model de pulverizare diferit. Modelele duzelor sunt 40˚ (pentru curățare delicată), 25˚ (pentru curățare universală), 15˚ (pentru lucrări dificile), 0˚ (pentru curățare punctuală sau zone greu accesibile) și duza pentru săpun (pentru aplicarea detergentului).
NICIODATĂ nu schimbați duzele fără a bloca blocarea de siguranță de pe mânerul trăgaciului.
Jeturile de înaltă presiune pot fi periculoase dacă sunt utilizate greșit. Jetul nu trebuie îndreptat către persoane, animale de companie, echipamente electrice sub tensiune sau către aparatul în sine.
Această mașină de spălat cu presiune electrică este echipată cu cinci (5) duze QuickConnect care se fixează ușor pe gulerul Quick-Connect al baghetei de pulverizare.
Pentru a conecta o duză la bagheta de pulverizare:
- Opriți mașina de spălat cu presiune și închideți alimentarea cu apă. Trageți trăgaciul pentru a elibera presiunea apei.
- Cuplați blocarea de siguranță de pe mânerul trăgaciului împingând în sus blocarea de siguranță până când aceasta face clic în slot (Fig. 12).
![SunJoe - SPX3001 - Utilizarea duzelor - Pasul 1 Utilizarea duzelor - Pasul 1]()
- Fixați duza dorită pe gulerul Quick-Connect până când aceasta face clic în poziție (Fig. 13).
![SunJoe - SPX3001 - Utilizarea duzelor - Pasul 2 Utilizarea duzelor - Pasul 2]()
Pentru a deconecta o duză de la bagheta de pulverizare odată ce lucrarea de curățare este finalizată:
- Opriți mașina de spălat cu presiune și închideți alimentarea cu apă. Trageți trăgaciul pentru a elibera presiunea apei.
- Cuplați blocarea de siguranță de pe mânerul trăgaciului împingând în sus blocarea de siguranță până când aceasta face clic în slot (Fig. 12).
- Scoateți duza punând mâna peste duză în timp ce trageți înapoi de gulerul Quick-Connect. mAVERTISMENT! Nu faceți modificări la duză în timp ce trăgaciul este cuplat. Acest lucru ar putea duce la deteriorarea mașinii de spălat cu presiune sau la rănirea utilizatorului.
Lucrul cu detergenți
Când curățați cu mașina de spălat cu presiune, unele sarcini de curățare pot fi rezolvate doar cu apă, dar pentru majoritatea sarcinilor, curățarea cu detergent permite o îndepărtare mai eficientă a murdăriei.
Utilizați numai detergenți concepuți pentru mașini de spălat cu presiune. NU UTILIZAȚI detergenți de uz casnic, acizi, soluții alcaline, înălbitori, solvenți, materiale inflamabile sau soluții de calitate industrială. Acestea ar putea deteriora mașina de spălat cu presiune. Mulți detergenți pot necesita amestecare înainte de utilizare. Pregătiți soluția de curățare conform instrucțiunilor de pe flaconul soluției.
- Scoateți capacul și tubul de aspirație a detergentului din flaconul de detergent.
- Scoateți ușor rezervorul de detergent de la bord din poziția sa de depozitare și umpleți-l cu detergent conceput special pentru utilizarea cu mașinile de spălat cu presiune (Fig. 14).
![SunJoe - SPX3001 - Lucrul cu detergenți - Pasul 1 Lucrul cu detergenți - Pasul 1]()
- Introduceți tubul de aspirație înapoi în rezervor și închideți rezervorul cu capac. Împingeți rezervorul înapoi în poziția de depozitare pe unitate.
- Instalați duza pentru săpun (neagră) pe bagheta de pulverizare (Fig. 15).
Testați întotdeauna detergentul într-o zonă discretă înainte de utilizare.
![SunJoe - SPX3001 - Lucrul cu detergenți - Pasul 2 Lucrul cu detergenți - Pasul 2]()
- Porniți mașina de spălat cu presiune. Trageți trăgaciul pentru a opera unitatea. Detergentul lichid se va amesteca automat cu apa și va fi evacuat prin duză.
- Rotiți selectorul de detergent pentru a regla volumul de aspirație al soluției de detergent (Fig. 15).
- Aplicați detergent de jos în sus pe suprafața uscată care urmează să fie curățată.
NOTĂ: Nu se recomandă umezirea prealabilă a suprafeței, deoarece diluează detergentul și reduce capacitatea de curățare. - Lăsați detergentul să rămână pe suprafață pentru o perioadă scurtă de timp înainte de a clăti. Nu lăsați detergentul să se usuce pe suprafață.
Pot apărea daune pe suprafețele vopsite dacă detergentul este lăsat să se usuce pe suprafață. Spălați și clătiți o secțiune mică odată. Evitați să lucrați pe suprafețe fierbinți sau în lumina directă a soarelui. - Când ați terminat de utilizat sistemul de injecție a detergentului, scoateți tubul de aspirație a detergentului din flaconul de detergent și introduceți-l în 5 L (1,3 gal) de apă proaspătă. Aspirați apă la presiune joasă timp de un minut, astfel încât tot detergentul să fie spălat prin sistem. Scoateți flaconul de detergent și clătiți-l până când este curățat complet.
Nerespectarea acestor instrucțiuni de curățare va cauza înfundarea și funcționarea defectuoasă a sistemului de injecție.
Clătirea cu mașina de spălat cu presiune
- Opriți mașina de spălat cu presiune și închideți alimentarea cu apă.
- Trageți trăgaciul pentru a elibera presiunea apei.
- Cuplați blocarea de siguranță de pe mânerul trăgaciului împingând în sus blocarea de siguranță până când aceasta face clic în slot (Fig. 12).
- Scoateți duza punând mâna peste duză în timp ce trageți înapoi de gulerul Quick-Connect.
- Selectați duza potrivită pentru lucrare (Fig. 16):
- Duza cu jet intens de 0º (roșie) este o duză extrem de puternică, care oferă un jet de apă de înaltă presiune, cu punct de creion. Este utilizată pentru a tăia depozitele grele de murdărie într-o zonă mică, concentrată. Este ideală pentru dizolvarea substanțelor încăpățânate, cum ar fi petele de gudron și grăsime de pe beton, sau pentru îndepărtarea noroiului întărit de pe echipamente. Utilizați această duză pentru a curăța zonele greu accesibile, inclusiv fațadele clădirilor cu 2 etaje sau partea inferioară a mașinilor de tuns iarba și a tractoarelor.
NOTĂ: Trebuie avută grijă atunci când alegeți duza potrivită pentru a evita zgârierea permanentă a lemnului sau deteriorarea suprafețelor fragile. - Utilizați duza cu vârf de ventilator de 15º (galbenă) pentru lucrări intense de curățare pe suprafețe dure. Aplicațiile includ îndepărtarea vopselei, îndepărtarea petelor de ulei, grăsime, petelor grele de mucegai și rugină de pe oțel. Această duză trebuie utilizată numai în zonele care pot rezista la presiunea ridicată a acestei duze.
- Utilizați duza cu vârf de ventilator de 25º (verde) pentru a curăța siding-ul casei, terasele din cărămidă, punțile din lemn, aleile sau trotuarele. Când utilizați această duză, testați mai întâi o zonă mică pentru a evita deteriorarea suprafeței.
- Utilizați duza cu vârf de pulverizare largă de 40º (gri) pentru a curăța articole precum mașini, camioane, bărci, mobilier de terasă sau echipamente de gazon.
- Utilizați duza pentru săpun (neagră) pentru aplicarea detergentului la presiune joasă pentru a curăța echipamentele, a îndepărta petele de mucegai și oxidare de pe case, a curăța cărămizile sau a degresa suprafețele murdare.
NOTĂ: Când utilizați detergent, asigurați-vă că este instalată duza corectă pentru săpun (neagră). Toate celelalte duze colorate nu vor funcționa pentru aplicarea detergentului.
- Duza cu jet intens de 0º (roșie) este o duză extrem de puternică, care oferă un jet de apă de înaltă presiune, cu punct de creion. Este utilizată pentru a tăia depozitele grele de murdărie într-o zonă mică, concentrată. Este ideală pentru dizolvarea substanțelor încăpățânate, cum ar fi petele de gudron și grăsime de pe beton, sau pentru îndepărtarea noroiului întărit de pe echipamente. Utilizați această duză pentru a curăța zonele greu accesibile, inclusiv fațadele clădirilor cu 2 etaje sau partea inferioară a mașinilor de tuns iarba și a tractoarelor.
- Începeți din partea de sus a zonei care urmează să fie clătită și lucrați în jos, asigurându-vă că suprapuneți cursele.
NU UTILIZAȚI NICIODATĂ:
- Înălbitor, produse cu clor și alte substanțe chimice corozive
- Lichide care conțin solvenți (de exemplu, diluanți de vopsea, benzină, uleiuri)
- Produse cu fosfat trisodic
- Produse cu amoniac
- Produse pe bază de acid
Aceste substanțe chimice vor dăuna unității și vor deteriora suprafața de curățare.
Oprirea
- Rotiți comutatorul în poziția OFF (0) (oprit) și scoateți cablul de alimentare din priză.
- Închideți sursa de apă.
- Țineți trăgaciul pentru a elibera presiunea apei.
- Deconectați furtunul de grădină de la intrarea de apă de pe unitate.
- Deconectați conexiunea furtunului de înaltă presiune de pe mânerul pistolului de pulverizare.
- Eliberați trăgaciul și cuplați blocarea de siguranță a pistolului.
Închideți alimentarea cu apă și strângeți trăgaciul pentru a depresuriza unitatea. Nerespectarea acestui lucru ar putea duce la vătămări corporale din cauza descărcării apei de înaltă presiune.
Luarea unei pauze
Dacă luați o pauză de cinci minute sau mai mult între sarcinile de curățare:
- Cuplați blocarea de siguranță a pistolului.
- Rotiți comutatorul în poziția OFF (0) (oprit).
- Scoateți cablul de alimentare din priză.
Depozitare
Tambur pentru furtun
- Deblocați tamburul pentru furtun trăgând de mâner (Fig. 17).
![SunJoe - SPX3001 - Depozitare - Tambur pentru furtun - Pasul 1 Depozitare - Tambur pentru furtun - Pasul 1]()
- Rotiți mânerul în sens invers acelor de ceasornic pentru a înfășura furtunul (Fig. 18).
![SunJoe - SPX3001 - Depozitare - Tambur pentru furtun - Pasul 2 Depozitare - Tambur pentru furtun - Pasul 2]()
- Înfășurați furtunul până ajungeți la capătul acestuia.
- Împingeți mânerul înăuntru pentru a bloca tamburul.
Depozitați întotdeauna mașina de spălat cu presiune într-un loc unde temperatura nu va scădea sub 32ºF (0ºC). Pompa din această mașină este susceptibilă la daune permanente dacă îngheață. DETERIORAREA DIN CAUZA ÎNGHEȚULUI NU ESTE ACOPERITĂ DE GARANȚIE.
- Depozitați mașina de spălat cu presiune în interior, într-o zonă uscată și acoperită, unde nu este supusă condițiilor meteorologice nefavorabile.
- Este important să depozitați acest produs într-o zonă ferită de îngheț.
- Goliți întotdeauna apa din toate furtunurile, pompă și sticla de detergent înainte de depozitare.
Se recomandă utilizarea unui protector de pompă pentru a preveni deteriorarea cauzată de vremea rece în timpul depozitării pe parcursul lunilor de iarnă.
Pregătirea pentru iarnă + depozitare pe termen lung
Dacă trebuie să depozitați mașina de spălat cu presiune într-un loc unde temperatura scade sub 32ºF (0ºC), puteți minimiza riscul de deteriorare a mașinii utilizând următoarea procedură:
- Deconectați toate conexiunile de apă.
- Porniți mașina pentru câteva secunde până când iese apa rămasă în pompă. Opriți imediat.
- Nu permiteți furtunului de înaltă presiune să se îndoaie.
- Depozitați mașina și accesoriile într-o cameră care nu atinge temperaturi de îngheț.
- Nu depozitați lângă un cuptor sau alte surse de căldură care pot usca garniturile pompei.
Înainte de reutilizare, clătiți complet unitatea cu apă curată. Produsele antigel pot deteriora vopseaua, așa că trebuie să vă asigurați că nu a mai rămas antigel în sistem înainte de a-l utiliza din nou.
Întreținere
Înainte de a lucra la mașina de spălat cu presiune, deconectați ștecherul de la priza de alimentare.
- Pentru a asigura o performanță bună, verificați și curățați filtrul de admisie a apei (Fig. 19). Scoateți pre-filtrul și filtrul de admisie a apei și clătiți cu apă caldă pentru a preveni înfundarea pompei cu corpuri străine (Fig. 20 – 21).
![SunJoe - SPX3001 - Întreținere - Pasul 1 Întreținere - Pasul 1]()
![SunJoe - SPX3001 - Întreținere - Pasul 2 Întreținere - Pasul 2]()
- Curățați duza cu instrumentul de curățare cu ac furnizat (Fig. 22). Scoateți lancea de pulverizare de pe pistol; îndepărtați orice murdărie din orificiul duzei și clătiți.
![SunJoe - SPX3001 - Întreținere - Pasul 3 Întreținere - Pasul 3]()
- Îndepărtați resturile suplimentare prin spălarea cu apă prin duză și lancea de pulverizare. Pentru a face acest lucru, plasați capătul furtunului de grădină (cu apa pornită) la vârful duzei, împingând apa și resturile afară din deschiderea din spate a duzei și a lancei de pulverizare.
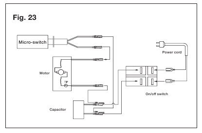
Diagrama circuitului
O diagramă a circuitului pentru mașina de spălat cu presiune este furnizată mai jos pentru referința dvs. (Fig. 23).

Eliminare
Reciclarea mașinii de spălat
- Nu aruncați aparatele electrice ca deșeuri municipale nesortate. Utilizați instalații de colectare separate.
- Contactați agenția guvernamentală locală pentru informații cu privire la sistemele de colectare disponibile.
- Dacă aparatele electrice sunt aruncate în depozite de deșeuri sau gropi de gunoi, substanțele periculoase se pot scurge în apa subterană și pot ajunge în lanțul trofic, dăunând sănătății și bunăstării dumneavoastră.
- Când înlocuiți aparatele vechi cu altele noi, comerciantul este obligat din punct de vedere legal să preia aparatul vechi pentru eliminare cel puțin gratuit.
Service + Asistență
Dacă mașina dvs. de spălat cu presiune electrică Sun Joe® SPX3001 necesită service sau întreținere, vă rugăm să apelați centrul de servicii pentru clienți Snow Joe® + Sun Joe® la 1-866-SNOWJOE (1-866-766-9563).
Model + Numere de serie
Când contactați compania, reordonați piese sau aranjați service-ul de la un dealer autorizat, va trebui să furnizați modelul și numerele de serie, care pot fi găsite pe eticheta situată pe carcasa unității. Copiați aceste numere în spațiul de mai jos.

Depanare
- Deconectați unitatea de la sursa de alimentare electrică înainte de a efectua lucrări de întreținere la mașină sau când verificați dacă piesele sale sunt în stare bună de funcționare.
- Furtunul trebuie să fie conectat și apa pornită înainte de a utiliza unitatea. Nerespectarea acestui lucru va deteriora motorul pompei și va anula garanția.
- Sistemul Total Stop (TSS) – Motorul se va opri (OFF) și va rămâne în modul de așteptare în perioadele de inactivitate sau imediat ce unitatea este presurizată. ACESTA ESTE UN LUCRU NORMAL. Pur și simplu apăsați pe trăgaci pentru a reporni motorul pompei.
- Pentru a evita neplăcerile inutile, consultați următorul tabel înainte de a contacta serviciul clienți cu orice probleme mecanice.
| Probleme | Cauza posibilă | Soluția posibilă |
Mașina refuză să pornească |
|
|
Presiune fluctuantă |
|
|
Mașina se oprește |
|
|
Siguranța se arde |
|
|
Mașina pulsează |
|
|
Mașina pornește și se oprește adesea de la sine |
|
|
Mașina pornește, dar nu iese apă |
|
|

Descărcați manualul
Aici puteți descărca versiunea completă pdf a manualului, aceasta poate conține instrucțiuni suplimentare de siguranță, informații despre garanție, reguli FCC etc.
Descărcați SunJoe SPX3001 - Manual de utilizare pentru mașina de spălat cu presiune electrică 14.5A






(Fig. 6). Furtunul de grădină trebuie să aibă un diametru intern de cel puțin 13 mm (1/2 in.) și trebuie să fie ranforsat. Alimentarea cu apă trebuie să fie cel puțin egală cu capacitatea de livrare a mașinii de spălat.













