Predator 2650 PSI, 2.4 GPM, 59669 - Manual de utilizare pentru mașina de spălat cu presiune pe benzină
- 1 Introducere
- 2 Specificații
- 3 Definiții ale simbolurilor
- 4 INSTRUCȚIUNI IMPORTANTE DE SIGURANȚĂ
- 5 Precauții de configurare
- 6 Măsuri de precauție în timpul funcționării
- 7 Măsuri de precauție privind vibrațiile
- 8 Măsuri de precauție pentru service
- 9 Configurare
- 10 Operare
- 11 Întreținere
- 12 Depanare
- 13 Referințe
- 14 Descărcați manualul
- 15 În alte limbi

Introducere
Salvați acest manual (Păstrați acest manual)
Păstrați acest manual pentru avertismentele și precauțiile de siguranță, asamblare, operare, inspecție, întreținere și proceduri de curățare. Scrieți numărul de serie al produsului în partea din spate a manualului (sau luna și anul achiziției dacă produsul nu are număr). Păstrați acest manual și chitanța într-un loc sigur și uscat pentru referințe viitoare.
Utilizarea unui motor în interior VĂ POATE UCIDE ÎN CÂTEVA MINUTE.
Gazele de eșapament ale motorului conțin monoxid de carbon. Acesta este o otravă pe care nu o puteți vedea sau mirosi.
NU utilizați NICIODATĂ în interiorul unei case sau al unui garaj, CHIAR DACĂ ușile și ferestrele sunt deschise.

Utilizați NUMAI ÎN EXTERIOR și departe de ferestre, uși și guri de aerisire.

La despachetare, asigurați-vă că produsul este intact și nedeteriorat. Dacă lipsesc piese sau sunt rupte, vă rugăm să sunați la 1-888-866-5797 cât mai curând posibil.
Citiți acest material înainte de a utiliza acest produs. Nerespectarea acestui lucru poate duce la vătămări grave. SALVAȚI ACEST MANUAL. (PĂSTRAȚI ACEST MANUAL.)
Specificații
Specificații pentru mașina de spălat cu presiune
| Pompă | Axială |
| Acționare | Directă |
| Presiune maximă | 2650 PSI |
| Debit | 2.4 GPM |
| Lungimea furtunului | 25' |
| Lungimea baghetei | 21" |
| Duze | Roșu: 0° Galben: 15° Verde: 25° Alb: 40° Negru: Detergent |
Specificații motor
| Deplasare | 196 cc | |
| Tip motor | Orizontal, monocilindru, 4 timpi, OHV | |
| Sistem de răcire | Răcit cu aer forțat | |
| Combustibil | Tip | Benzină fără plumb tratată cu stabilizator de octan 87+ |
| Capacitate | 0.92 Galoane / 3.50 Litri | |
| Ulei de motor | Tip SAE | 10W-30 peste 32°F 5W-30 la 32°F sau mai jos |
| Capacitate | 0.6 Quarts (0.6 Litri) | |
| Alezaj x Cursă | 68 mm x 54 mm | |
| Raport de compresie | 8.5:1 | |
| Rotație vizualizată de la PTO (priză de putere - arborele de ieșire) | În sens invers acelor de ceasornic | |
| Bujie | Tip | Torch®/LG® F6TC |
| Distanță | 0.0236" – 0.0315" | |
| Jocul supapelor | Admisie | 0.0039" – 0.0059" |
| Evacuare | 0.0059" – 0.0078" | |
| Viteză | Fără sarcină | 3800 RPM Max |
| Sarcină | 3500 RPM Max | |
Sistemul de control al emisiilor pentru acest motor este garantat pentru standardele stabilite de Agenția pentru Protecția Mediului din SUA și de Consiliul pentru Resurse Aeriene din California (cunoscut și sub numele de CARB). Pentru informații despre garanție, consultați ultimele pagini ale acestui manual.
SIMBOLURI ȘI DEFINIȚII DE AVERTIZARE (SIMBOLURI ȘI DEFINIȚII DE AVERTIZARE)
| Acesta este simbolul de alertă de siguranță. Este folosit pentru a vă avertiza asupra pericolelor potențiale de vătămare corporală. Respectați toate mesajele de siguranță care urmează acest simbol pentru a evita posibilele vătămări sau decesul. | |
| | Indică o situație periculoasă care, dacă nu este evitată, va duce la deces sau vătămări grave. |
| | Indică o situație periculoasă care, dacă nu este evitată, ar putea duce la deces sau vătămări grave. |
| | Indică o situație periculoasă care, dacă nu este evitată, ar putea duce la vătămări minore sau moderate. |
| NOTĂ ATENȚIE | Abordează practici care nu sunt legate de vătămări corporale. |
Definiții ale simbolurilor
| Simbol (Simbol) | Proprietate sau afirmație (Proprietate sau afirmație) |
![]() | Rotații pe minut |
![]() | Putere |
![]() | marcaj privind riscul de rănire a ochilor. Purtați ochelari de protecție aprobați ANSI cu protecții laterale. |
![]() | Citiți manualul înainte de configurare și/sau utilizare. |
![]() | marcaj privind riscul de pierdere a auzului. Purtați protecție auditivă. |
![]() | marcaj privind riscul de rănire respiratorie. Operați motorul ÎN EXTERIOR și departe de ferestre, uși și guri de aerisire. |
![]() | marcaj privind riscul de incendiu în timpul manipulării combustibilului. Nu fumați în timpul manipulării combustibilului. |
![]() | marcaj privind riscul de incendiu. Nu alimentați în timpul funcționării. Țineți obiectele inflamabile departe de motor. |
![]() | marcaj privind riscul de injectare. Nu îndreptați jetul de apă/duza spre corp. |
INSTRUCȚIUNI IMPORTANTE DE SIGURANȚĂ
Citiți toate instrucțiunile. Nerespectarea tuturor instrucțiunilor enumerate mai jos poate duce la incendiu, vătămări grave și/sau DECES.
Avertismentele și precauțiile discutate în acest manual nu pot acoperi toate condițiile și situațiile posibile care pot apărea. Trebuie înțeles de către operator că bunul simț și precauția sunt factori care nu pot fi încorporați în acest produs, ci trebuie furnizați de operator.
SALVAȚI ACESTE INSTRUCȚIUNI (PĂSTRAȚI ACESTE INSTRUCȚIUNI)
Precauții de configurare
- Combustibilul și vaporii de benzină sunt inflamabili și potențial explozivi. Utilizați proceduri adecvate de depozitare și manipulare a combustibilului. Nu depozitați combustibil sau alte materiale inflamabile în apropiere.
- Aveți mai multe extinctoare de incendiu de clasă ABC în apropiere.
- Funcționarea acestui echipament poate crea scântei care pot provoca incendii în jurul vegetației uscate.
Poate fi necesar un parascântei. Operatorul trebuie să contacteze agențiile locale de pompieri pentru legi sau reglementări referitoare la cerințele de prevenire a incendiilor. - Configurați și utilizați numai pe o suprafață plană, orizontală și bine ventilată.
- Zona de lucru ar trebui să aibă un drenaj adecvat pentru a reduce posibilitatea unei căderi din cauza suprafețelor alunecoase.
- Purtați ochelari de protecție aprobați ANSI, mănuși de lucru rezistente și mască de praf/respirator în timpul configurării.
- Utilizați numai lubrifianți și combustibil recomandate în tabelul de specificații din acest manual.
- Utilizați numai apă rece sau detergent pentru mașina de spălat cu presiune în acest instrument. Nu utilizați materiale caustice, solvenți, materiale inflamabile sau detergenți care nu sunt concepuți pentru mașinile de spălat cu presiune.
Utilizarea oricărui astfel de material poate provoca vătămări sau poate deteriora acest instrument sau proprietatea personală. - Nu utilizați acest produs fără apă. Funcționarea fără apă va provoca daune grave sigiliilor. Asigurați-vă că sursa de apă utilizată pentru mașina de spălat cu presiune nu este murdară sau nisipoasă.
- Înainte de a porni mașina de spălat cu presiune pe vreme rece, verificați toate părțile unității pentru a vă asigura că nu s-a format gheață. Nu depozitați unitatea în locuri unde temperatura va scădea sub 32°F (0°C).
Măsuri de precauție în timpul funcționării
![]()
PERICOL DE MONOXID DE CARBON
Folosirea unui motor în interior TE POATE UCIDE ÎN CÂTEVA MINUTE.
Gazele de eșapament ale motorului conțin monoxid de carbon. Acesta este o otravă pe care nu o poți vedea sau mirosi.
![]()
NU folosi NICIODATĂ în interiorul unei case sau garaj, CHIAR DACĂ ușile și ferestrele sunt deschise.
![]()
Folosește DOAR AFARĂ și departe de ferestre, uși și guri de aerisire.- Ține copiii departe de echipament, mai ales în timpul funcționării.
- Părți ale mașinii de spălat cu presiune, în special componentele sistemului de evacuare, devin foarte fierbinți în timpul utilizării. Stai departe de părțile fierbinți.
![]()
Pericol de injecție! Jetul de apă de înaltă presiune produs de acest instrument poate tăia pielea sau poate provoca leziuni la mâini sau ochi.
Nu permite ca jetul să te lovească și nu pulveriza spre oameni sau animale. Nu pulveriza instrumentul în sine sau orice cablaj/priză electrică. oprește motorul și apoi oprește alimentarea cu gaz a motorului. Nu pune mânerul de pulverizare jos fără a opri motorul.- Nu purta mânerul de pulverizare cu degetul pe trăgaci, indiferent dacă motorul funcționează sau nu.
- În caz de urgență în timpul utilizării, eliberează imediat trăgaciul de pe mânerul de pulverizare, oprește motorul și apoi oprește alimentarea cu gaz a motorului. Nu pune mânerul de pulverizare jos fără a opri motorul.
- Această mașină de spălat cu presiune este destinată numai utilizării rezidențiale în aer liber.
- Fluxul de apă de înaltă presiune poate deteriora suprafața de lucru dacă nu este utilizat corect. Testează întotdeauna pulverizarea mai întâi într-o zonă deschisă.
- Când distribui detergent, aplică detergentul pe zona de curățare numai la presiune scăzută. Distribuirea detergentului funcționează numai atunci când bagheta de pulverizare este în poziția de presiune scăzută.
- Ține toți spectatorii la cel puțin șase picioare de motor în timpul funcționării.
- Pericol de incendiu! Nu umple rezervorul de combustibil în timp ce motorul funcționează. Nu utiliza dacă s-a vărsat benzină. Curăță benzina vărsată înainte de a porni motorul. Nu utiliza în apropierea lămpii de veghe sau a flăcării deschise.
- Nu atinge motorul în timpul utilizării. Lasă motorul să se răcească după utilizare.
- Nu lăsa echipamentul nesupravegheat când funcționează. Oprește echipamentul (și scoate cheile de siguranță, dacă sunt disponibile) înainte de a părăsi zona de lucru.
- Echipamentul poate produce niveluri ridicate de zgomot. Expunerea prelungită la niveluri de zgomot peste 85 dBA este periculoasă pentru auz. Poartă protecție auditivă când utilizezi echipamentul sau când lucrezi în apropiere în timp ce acesta funcționează.
- Poartă ochelari de protecție aprobați de ANSI și protecție auditivă în timpul utilizării.
- Persoanele cu stimulatoare cardiace ar trebui să consulte medicul (medicii) înainte de utilizare. Câmpurile electromagnetice în apropierea unui stimulator cardiac pot provoca interferențe sau defecțiuni ale stimulatorului cardiac. Este necesară precauție când ești aproape de magnetoul motorului sau de demarorul cu recul.
- Utilizează numai accesorii recomandate de Harbor Freight Tools pentru modelul tău. Accesoriile care pot fi potrivite pentru un echipament pot deveni periculoase atunci când sunt utilizate pe un alt echipament.
- Nu utiliza în atmosfere explozive, cum ar fi în prezența lichidelor, gazelor sau prafului inflamabile. Motoarele pe benzină pot aprinde praful sau vaporii.
- Rămâi atent, urmărește ce faci și folosește bunul simț atunci când utilizezi acest echipament. Nu utiliza când ești obosit sau sub influența drogurilor, alcoolului sau medicamentelor.
- Nu te întinde prea mult. Menține o poziție stabilă și un echilibru adecvat în orice moment. Acest lucru permite un control mai bun al echipamentului în situații neașteptate.
- Utilizează acest echipament numai cu ambele mâini.
Utilizarea echipamentului cu o singură mână poate duce cu ușurință la pierderea controlului. - Îmbracă-te corespunzător. Nu purta haine largi sau bijuterii. Ține părul, hainele și mănușile departe de părțile în mișcare. Hainele largi, bijuteriile sau părul lung pot fi prinse în părțile în mișcare.
- Nu acoperi motorul sau echipamentul în timpul funcționării.
- Păstrează echipamentul, motorul și zona înconjurătoare curate în orice moment.
- Nu fuma și nu permite scântei, flăcări sau alte surse de aprindere în jurul echipamentului, mai ales când alimentezi.
- Utilizează echipamentul, accesoriile etc., în conformitate cu aceste instrucțiuni și în modul prevăzut pentru tipul specific de echipament, ținând cont de condițiile de lucru și de lucrarea care trebuie efectuată. Utilizarea echipamentului pentru operațiuni diferite de cele prevăzute ar putea duce la o situație periculoasă.
- Nu utiliza echipamentul cu scurgeri cunoscute în sistemul de alimentare cu combustibil al motorului.
- Când apar scurgeri de combustibil sau ulei, acestea trebuie curățate imediat. Aruncă fluidele și materialele de curățare conform codurilor și reglementărilor locale, statale sau federale. Depozitează cârpele de ulei într-un recipient metalic acoperit, ventilat în partea de jos.
- Ține mâinile și picioarele departe de părțile în mișcare. Nu te întinde peste sau peste echipament în timpul funcționării.
- Înainte de utilizare, verifică dacă există dezaliniere sau blocare a părților în mișcare, ruperea pieselor și orice altă condiție care ar putea afecta funcționarea echipamentului.
Dacă este deteriorat, repară echipamentul înainte de a-l utiliza. Multe accidente sunt cauzate de echipamentele prost întreținute. - Utilizează echipamentul corect pentru aplicație. Nu modifica echipamentul și nu utiliza echipamentul pentru un scop pentru care nu este destinat.
Măsuri de precauție privind vibrațiile
Acest instrument vibrează în timpul utilizării. Expunerea repetată sau pe termen lung la vibrații poate provoca leziuni fizice temporare sau permanente, în special la mâini, brațe și umeri. Pentru a reduce riscul de leziuni legate de vibrații:
- Oricine utilizează în mod regulat instrumente vibratoare sau pentru o perioadă lungă de timp ar trebui să fie examinat mai întâi de un medic și apoi să efectueze controale medicale regulate pentru a se asigura că problemele medicale nu sunt cauzate sau agravate de utilizare. Femeile însărcinate sau persoanele care au o circulație sanguină afectată la nivelul mâinii, leziuni anterioare la nivelul mâinii, tulburări ale sistemului nervos, diabet sau boala Raynaud nu ar trebui să utilizeze acest instrument. Dacă simți orice simptome medicale sau fizice legate de vibrații (cum ar fi furnicături, amorțeală și degete albe sau albastre), solicită sfatul medicului cât mai curând posibil.
- Nu fuma în timpul utilizării. Nicotina reduce alimentarea cu sânge a mâinilor și degetelor, crescând riscul de leziuni legate de vibrații.
- Poartă mănuși adecvate pentru a reduce efectele vibrațiilor asupra utilizatorului.
- Utilizează instrumente cu cea mai mică vibrație atunci când există o alegere între diferite procese.
- Include perioade fără vibrații în fiecare zi de lucru.
- Prinde instrumentul cât mai ușor posibil (păstrând în același timp controlul sigur asupra acestuia). Lasă instrumentul să facă treaba.
- Pentru a reduce vibrațiile, întreține instrumentul așa cum este explicat în acest manual. Dacă apar vibrații anormale, oprește imediat utilizarea.
Măsuri de precauție pentru service
- Înainte de service, întreținere sau curățare:
- Pune comutatorul motorului în poziția "OFF" (oprit).
- Lasă motorul să se răcească complet.
- Apoi, scoate capacul bujiei de la bujie.
- Păstrează toate apărătoarele de siguranță la locul lor și în stare de funcționare adecvată. Apărătoarele de siguranță includ toba de eșapament, filtrul de aer, apărătoarele mecanice și scuturile termice, printre alte apărătoare.
- Nu modifica sau ajusta nicio parte a echipamentului sau a motorului său care este sigilată de producător sau distribuitor. Numai un tehnician de service calificat poate ajusta piesele care pot crește sau reduce turația reglată a motorului.
- Poartă ochelari de protecție aprobați de ANSI, mănuși de lucru rezistente și mască de praf/respirator în timpul service-ului.
- Păstrează furtunul de înaltă presiune conectat la mașina de spălat cu presiune și la pistolul de pulverizare în timp ce sistemul este sub presiune. Deconectarea furtunului de presiune în timp ce unitatea este sub presiune este periculoasă și poate provoca leziuni.
- Nu permite ca furtunul de înaltă presiune să intre în contact cu nicio parte fierbinte a unității. Furtunul ar putea fi deteriorat, putând provoca spargerea sau scurgerea acestuia sub presiune ridicată.
- Păstrează etichetele și plăcuțele de identificare pe echipament. Acestea conțin informații importante. Dacă sunt ilizibile sau lipsesc, contactează Harbor Freight Tools pentru o înlocuire.
- Dacă apa se scurge din mașina de spălat cu presiune, oprește imediat unitatea. Deconectează mașina de spălat cu presiune și descarcă toată presiunea înainte de a strânge fitingurile sau de a efectua lucrări de reparații de către un tehnician calificat.
- Când motorul funcționează, nu permite ca mașina de spălat cu presiune să rămână inactivă mai mult de două minute. Dacă este lăsată să rămână inactivă, apa din unitate se va încălzi, putând provoca daune mașinii de spălat cu presiune.
- Repară echipamentul de către o persoană de reparații calificată, folosind numai piese de schimb identice. Acest lucru va asigura menținerea siguranței echipamentului. Nu încerca nicio procedură de service sau întreținere care nu este explicată în acest manual sau orice procedură despre care nu ești sigur că o poți efectua în siguranță sau corect.
- Depozitează echipamentul la îndemâna copiilor.
- Respectă întreținerea programată a motorului și a echipamentului.
Alimentarea:
- Nu reumple rezervorul de combustibil în timp ce motorul funcționează sau este fierbinte.
- Nu fuma și nu permite scântei, flăcări sau alte surse de aprindere în jurul echipamentului, mai ales când alimentezi.
- Nu umple rezervorul de combustibil până sus.
Lasă puțin spațiu pentru ca combustibilul să se extindă după cum este necesar.
PENTRU A PREVENI SCURGERILE DE COMBUSTIBIL ȘI PERICOLUL DE INCENDIU, nu umple combustibil deasupra fundului filtrului de combustibil.
![Predator - 59669 - Refueling Alimentare]()
- Alimentează numai într-o zonă bine ventilată.
- Șterge orice combustibil vărsat și lasă excesul să se evapore înainte de a porni motorul.
Pentru a preveni INCENDIUL, nu porni motorul în timp ce mirosul de combustibil persistă în aer.
PĂSTREAZĂ ACESTE INSTRUCȚIUNI.
Configurare
Citiți secțiunea ÎNTREAGA INFORMAȚII IMPORTANTE DE SIGURANȚĂ de la începutul acestui manual, inclusiv tot textul de sub subtitlurile acesteia, înainte de a configura sau utiliza acest produs.
PENTRU A PREVENI RĂNI GRAVE:
Utilizați numai cu un parascântei adecvat instalat.

Funcționarea acestui echipament poate crea scântei care pot provoca incendii în jurul vegetației uscate. Poate fi necesar un parascântei.
Operatorul trebuie să contacteze agențiile locale de pompieri pentru legi sau reglementări referitoare la cerințele de prevenire a incendiilor.
PENTRU A PREVENI RĂNI GRAVE DIN CAUZA PORNIRE ACCIDENTALĂ: Rotiți comutatorul de alimentare al echipamentului în poziția "OFF" (oprit), așteptați ca motorul să se răcească și deconectați firul (firele) bujiei înainte de a asambla sau de a face orice ajustări la echipament.
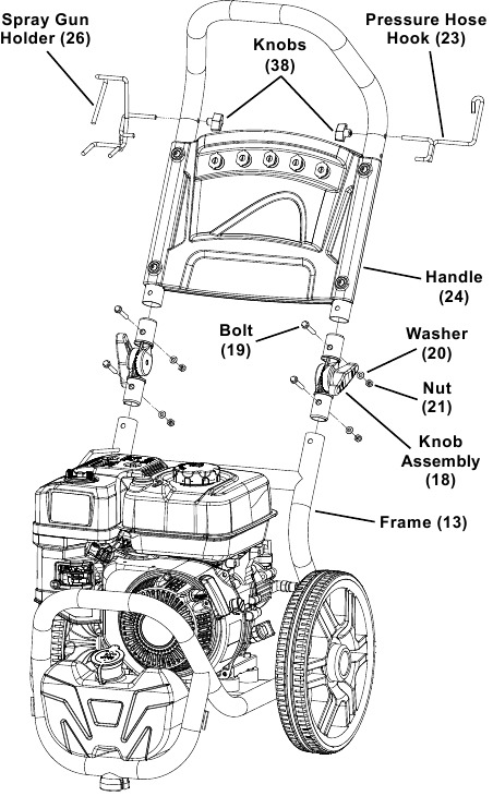
Notă: Pentru informații suplimentare cu privire la piesele enumerate în paginile următoare, consultați diagramele de asamblare de la sfârșitul acestui manual.
Asamblare

- Atașați ansamblurile butonului (18) la cadru (13) folosind șuruburi (19), șaibe (20) și piulițe (21).
- Atașați mânerul (24) la ansamblurile butonului folosind șuruburi (19), șaibe (20) și piulițe (21).
- Atașați suportul pistolului de pulverizare (26) folosind butonul (38).
- Atașați furtunul de presiune
Cârlig (23) folosind butonul (38). - Conectați furtunul de presiune la ieșirea pompei și strângeți ferm cu mâna.
![]()
- Conectați furtunul de presiune la mânerul pistolului de pulverizare și strângeți ferm cu mâna.
![]()
- Scoateți capacul de protecție de pe intrarea baghetei. Introduceți bagheta în ieșirea pistolului de pulverizare și strângeți ferm cu mâna.
![]()
- Atașați duza la baghetă trăgând înapoi gulerul de conectare rapidă și împingând duza pe baghetă. Asigurați-vă că gulerul de conectare rapidă blochează duza în poziție.
![]()
- Conectați furtunul de alimentare cu apă la intrarea pompei și strângeți ferm cu mâna.
![Predator - 59669 - Conectați furtunul de alimentare cu apă la intrarea pompei și strângeți ferm cu mâna. Conectați furtunul de alimentare cu apă la intrarea pompei și strângeți ferm cu mâna.]()
Notă: Sursa de apă trebuie să poată furniza minimum cinci galoane de apă curată și rece pe minut la 20 PSI. Utilizați numai un furtun cu diametrul interior de 5/8" (sau mai mare) care este evaluat pentru a îndeplini această capacitate.
Componente și comenzi

Comenzile motorului
Funcționare la altitudine mare peste 3000 de picioare
PENTRU A PREVENI RĂNI GRAVE DIN CAUZA INCENDIULUI:
Urmați instrucțiunile într-o zonă bine ventilată, departe de sursele de aprindere. Dacă motorul este fierbinte din cauza utilizării, opriți motorul și așteptați să se răcească înainte de a continua. Nu fumați.
AVIZ: Garanția este nulă dacă nu se fac ajustările necesare pentru utilizarea la altitudine mare.
La altitudini mari, carburatorul motorului, regulatorul (dacă este echipat) și orice alte piese care controlează raportul combustibil-aer vor trebui ajustate de un mecanic calificat pentru a permite utilizarea eficientă la altitudine mare și pentru a preveni deteriorarea motorului și a oricăror alte dispozitive utilizate cu acest produs. Sistemul de combustibil de pe acest motor poate fi influențat de funcționarea la altitudini mai mari. Funcționarea corectă poate fi asigurată prin instalarea unui kit de altitudine la altitudini mai mari de 3000 ft. deasupra nivelului mării. La altitudini de peste 8000 ft, motorul poate avea performanțe reduse, chiar și cu jetul principal adecvat. Funcționarea acestui motor fără kitul de altitudine adecvat instalat poate crește emisiile motorului și poate reduce economia de combustibil și performanța. Kitul trebuie instalat de un mecanic calificat.
- Opriți motorul.
- Închideți supapa de combustibil.
- Așezați un vas sub cupa de combustibil pentru a prinde orice combustibil vărsat.
Cupa carburatorului poate avea gaz în ea, care se va scurge la scoaterea șurubului.
- Desfaceți șurubul care ține cupa de combustibil.
- Scoateți șurubul, etanșarea șurubului, cupa de combustibil, etanșarea cupei de combustibil și jetul principal din corpul ansamblului carburatorului. Este nevoie de o șurubelniță pentru carburator (nu este inclusă) pentru a scoate și instala jetul principal.
Notă: Tubul de amestec este ținut în poziție de jetul principal și ar putea cădea când este scos. Dacă cade, înlocuiți-l în aceeași orientare înainte de a înlocui jetul principal.
- Înlocuiți jetul principal cu jetul principal de înlocuire necesar pentru intervalul dvs. de altitudine (partea 1a sau 2a).
Notă: Etanșarea cupei de combustibil și etanșarea șurubului pot fi deteriorate în timpul scoaterii și trebuie înlocuite cu cele noi din kit.
- Înlocuiți etanșarea cupei de combustibil (4a), cupa de combustibil, etanșarea șurubului (3a) și șurubul. Strângeți-le la loc.
AVIZ: Nu strângeți șurubul încrucișat când strângeți.
Strângeți mai întâi cu degetul și apoi folosiți o cheie pentru a vă asigura că șurubul este filetat corect.
- Ștergeți orice combustibil vărsat și lăsați excesul să se evapore înainte de a porni motorul. Pentru a preveni INCENDIUL, nu porniți motorul în timp ce mirosul de combustibil persistă în aer.
![Predator - 59669 - Funcționare la altitudine mare peste 3000 de picioare Funcționare la altitudine mare peste 3000 de picioare]()
Lista pieselor kitului de altitudine mare - A
| Piesa | Descriere | Cant. |
| 1a | Jet principal 3000-6000 ft. | 1 |
| 2a | Jet principal 6000-8000 ft. | 1 |
| 3a | Etanșare șurub | 2 |
| 4a | Etanșare cupă de combustibil | 2 |
Operare
Citiți ÎNTREAGA secțiune INFORMAȚII IMPORTANTE DE SIGURANȚĂ de la începutul acestui manual, inclusiv tot textul de sub subtitlurile acestuia, înainte de a configura sau utiliza acest produs.
Verificări pre-pornire
Inspectați motorul și echipamentul, căutând piese deteriorate, slăbite sau lipsă înainte de a configura și porni. Dacă se găsesc probleme, nu utilizați echipamentul până când nu este reparat corespunzător.
Verificarea și umplerea uleiului de motor
NOTĂ: Garanția dumneavoastră este ANULATĂ dacă carterul motorului nu este umplut corespunzător cu ulei înainte de fiecare utilizare. Înainte de fiecare utilizare, verificați nivelul uleiului.
Motorul nu va porni cu ulei de motor puțin sau deloc.
- Asigurați-vă că motorul este oprit și este la nivel.
- Închideți supapa de combustibil.
- Curățați partea superioară a jojei și zona din jurul ei. Scoateți joja rotind-o în sens invers acelor de ceasornic și ștergeți-o cu o cârpă curată, fără scame.
![Predator - 59669 - Verificarea și umplerea combustibilului Verificarea și umplerea combustibilului]()
- Reintroduceți joja fără a o înfileta și scoateți-o pentru a verifica nivelul uleiului. Nivelul uleiului ar trebui să fie până la nivelul maxim, așa cum se arată mai sus.
- Dacă nivelul uleiului este la sau sub marcajul minim, adăugați tipul adecvat de ulei până când nivelul uleiului este la nivelul corespunzător. Uleiul SAE 10W-30 este recomandat pentru utilizare generală. (Diagrama gradului de vâscozitate SAE din secțiunea Întreținere arată alte vâscozități de utilizat la temperaturi medii diferite.)
- Înfiletați joja înapoi în sensul acelor de ceasornic.
NOTĂ: Nu lăsați motorul să funcționeze cu prea puțin ulei. Motorul se va opri dacă nivelul uleiului de motor este prea scăzut.
Verificarea și umplerea combustibilului

PENTRU A PREVENI RĂNI GRAVE DIN CAUZA INCENDIILOR:
Umpleți rezervorul de combustibil într-o zonă bine ventilată, departe de sursele de aprindere. Dacă motorul este fierbinte din cauza utilizării, opriți motorul și așteptați să se răcească înainte de a adăuga combustibil. Nu fumați.
- Curățați capacul rezervorului de combustibil și zona din jurul acestuia.
- Deșurubați și scoateți capacul rezervorului de combustibil.
- Scoateți filtrul și îndepărtați orice murdărie și resturi. Apoi înlocuiți filtrul.
Notă: Nu utilizați benzină care conține mai mult de 10% etanol (E10). Nu utilizați etanol E85.
Notă: Nu utilizați benzină care a fost depozitată într-un recipient metalic de combustibil sau într-un recipient de combustibil murdar. Poate face ca particulele să pătrundă în carburator, afectând performanța motorului și/sau provocând daune.
- Dacă este necesar, umpleți rezervorul de combustibil până la aproximativ 1 inch sub gâtul de umplere al rezervorului de combustibil cu benzină fără plumb cu cifra octanică 87 sau mai mare, care a fost tratată cu un aditiv stabilizator de combustibil. Urmați recomandările producătorului stabilizatorului de combustibil pentru utilizare.
- Apoi înlocuiți capacul rezervorului de combustibil.
- Ștergeți orice combustibil vărsat și lăsați excesul să se evapore înainte de a porni motorul. Pentru a preveni INCENDIUL, nu porniți motorul în timp ce mirosul de combustibil persistă în aer.
Pornirea motorului
Înainte de a porni motorul
- Inspectați echipamentul și motorul.
- Umpleți motorul cu cantitatea și tipul adecvat de benzină fără plumb tratată cu stabilizator și ulei.
- PORNIȚI ALIMENTAREA CU APĂ, SCOATEȚI DUZA, ÎNDREPTAȚI SPRAY-UL ÎNTR-O DIRECȚIE SIGURĂ ȘI ȚINEȚI APĂSAT DECLANȘATORUL PÂNĂ CÂND TOATĂ AERUL ESTE ELIBERAT DIN SISTEM, CEL PUȚIN 30 DE SECUNDE. Apoi eliberați declanșatorul, blocați-l în poziția de siguranță și înlocuiți duza înainte de a porni motorul.
Pornire manuală
- Pentru a porni un motor rece, mutați șocul în poziția START (pornire).
![]()
Pentru a reporni un motor cald, lăsați șocul în poziția RUN (funcționare).
- Deschideți supapa de combustibil.
![]()
- Porniți comutatorul motorului.
![Predator - 59669 - Porniți comutatorul motorului. Porniți comutatorul motorului.]()
Notă: Dacă motorul nu pornește, verificați nivelul uleiului de motor. Motorul nu va porni cu ulei de motor puțin sau deloc.
- Apucați ușor mânerul demarorului motorului și trageți-l încet de două ori pentru a permite benzinei să curgă în carburatorul motorului. Apoi trageți ușor de mânerul demarorului până când simțiți rezistență. Permiteți cablului să se retragă complet și apoi trageți-l rapid. Repetați până când pornește motorul.
![]()
Notă: Nu lăsați mânerul demarorului să revină brusc pe motor. Țineți-l în timp ce se retrage, astfel încât să nu lovească motorul.
- Lăsați motorul să funcționeze câteva secunde. Apoi, dacă maneta șocului este în poziția START (pornire), mutați maneta șocului foarte încet în poziția sa RUN (funcționare).
![]()
Notă: Mutarea prea rapidă a manetei șocului ar putea opri motorul.
Perioada de rodaj:
Perioada de rodaj pentru întreținere va dura aproximativ 20 de ore de utilizare.
- Schimbați uleiul de motor după această perioadă.
În condiții normale de funcționare, întreținerea ulterioară urmează programul explicat în secțiunea ÎNTREȚINERE.
Funcționarea mașinii de spălat cu presiune
Nu direcționați jetul de la mașina de spălat cu presiune către o persoană sau un animal.
Jetul de apă ar putea provoca răni grave.
Utilizați mașina de spălat cu presiune numai pe suprafețe capabile să reziste la forța jetului.
- Alegeți duza care se potrivește cel mai bine nevoilor lucrării. Consultați diagrama de mai jos. Utilizați duzele numai pe suprafețe capabile să reziste la forța jetului. Utilizați duza neagră numai atunci când utilizați detergent pentru mașina de spălat cu presiune. Puterea celorlalte duze va propulsa ceața înapoi către operator și poate încorpora detergentul în suprafață.
DIAGRAMA DE SELECTARE A DUZEI DUZA UTILIZARE PENTRU Roșu – 0° Creion Curățare intensă pentru pete și murdărie persistente. Utilizați numai pe suprafețe dure – poate deteriora betonul, lemnul, vopseaua etc. Galben – 15° Îngust Curățare puternică pentru punți și siding. Verde – 25° Mediu Curățare standard pentru alei și îndepărtarea vopselei. Alb – 40° Larg Curățare moderată pentru autoturisme și bărci. Negru – Presiune scăzută Utilizați cu detergent pentru mașina de spălat cu presiune.
- Trageți înapoi gulerul de conectare rapidă și împingeți duza pe capătul spray-ului. Asigurați-vă că gulerul de conectare rapidă blochează duza în poziție.
Dacă utilizați detergent:
Citiți instrucțiunile detergentului. Utilizați numai detergenți specificați pentru utilizare cu mașini de spălat cu presiune. Deschideți capacul rezervorului de detergent, umpleți rezervorul de detergent cu soluție de detergent preparată și închideți capacul. Mașina de spălat cu presiune va trage un galon de detergent pentru fiecare șapte galoane de apă. Utilizați numai duza neagră (presiune scăzută) atunci când pulverizați detergenți.
- Cu alimentarea cu apă pornită și motorul funcționând, urmând instrucțiunile din Pornirea motorului, deblocați și țineți apăsat declanșatorul pentru a porni jetul. Fiți conștienți de faptul că, atunci când este pornit pentru prima dată, pistolul va lovi.
- Începeți cu o duză de presiune scăzută și utilizați treptat presiuni mai mari, după cum este necesar. Testați mai întâi pulverizarea marginii suprafeței de curățat pentru a vă asigura că jetul nu este prea puternic pentru suprafață.
Dacă jetul deteriorează suprafața, îndepărtați-vă mai mult de suprafața curățată pentru a reduce presiunea aplicată pe suprafață. Dacă jetul este încă prea puternic, blocați declanșatorul în poziția de siguranță și schimbați cu o duză de presiune mai mică. - Țineți spray-ul la un unghi de aproximativ 45° la curățare; pulverizarea directă a suprafeței ar putea încorpora murdăria în suprafață (în special cu duzele de înaltă presiune). Pulverizați la o distanță de aproximativ trei până la cinci picioare.
- Curățați suprafețele verticale și înclinate de sus în jos.
- Când curățați suprafețele orizontale, utilizați ocazional jetul pentru a curăța zona de excesul de apă.
Nu lăsați mașina de spălat cu presiune să funcționeze la ralanti fără ca declanșatorul să fie apăsat mai mult de două minute. Apa se va încălzi și va deteriora mașina de spălat cu presiune.
Pompa va expulza apă foarte fierbinte dacă este lăsată să funcționeze la ralanti prea mult timp.
Notă: În timpul funcționării normale, supapa de siguranță termică poate elibera intermitent cantități mici de apă.
- Țineți apăsat declanșatorul și mișcați spray-ul înainte și înapoi încet și constant pentru a spăla cu presiune suprafața. Acordați o atenție deosebită atunci când pulverizați suprafețe realizate din două materiale diferite (cărămidă și mortar, de exemplu), pentru a nu deteriora materialul mai moale dintre cele două în timpul spălării cu presiune.
- Dacă suprafața este striată sau neuniformă la sfârșitul unei lucrări, schimbați cu o duză care are un model de pulverizare mai larg pentru a amesteca zona afectată.
Oprirea motorului și a mașinii de spălat cu presiune

- Pentru a opri motorul într-o urgență, opriți comutatorul motorului.
- În condiții normale, utilizați următoarea procedură:
- Închideți supapa de combustibil.
- Eliberați declanșatorul de pe mânerul pistolului de pulverizare și așteptați ca motorul să se oprească.
- Opriți comutatorul motorului.
- Opriți alimentarea cu apă.
- Strângeți declanșatorul pentru a elibera excesul de presiune.
- Dacă s-a utilizat detergent pentru mașina de spălat cu presiune, treceți apă curată prin sistem pentru a elimina reziduurile de detergent utilizând următoarea procedură:
- Opriți motorul așa cum este detaliat la pasul 2.
- Umpleți rezervorul de detergent cu apă curată.
- Scoateți duza și reporniți motorul urmând instrucțiunile din Pornirea motorului.
- Îndreptați spray-ul într-o direcție sigură și țineți apăsat declanșatorul pentru a spăla apa prin sistem până când este curată.
- Opriți motorul așa cum este detaliat la pasul 2.
Plierea și depozitarea

- Deconectați furtunul de alimentare cu apă de la racordul de intrare a apei de pe pompă.
- Scurgeți toată apa din mașina de spălat cu presiune și blocați declanșatorul. Curățați părțile externe cu o cârpă curată.
- Deconectați furtunul de presiune de la pompă și pistolul de pulverizare. Scurgeți apa din furtun.
- Slăbiți piulița și scoateți spray-ul de pe pistolul de pulverizare.
- Slăbiți butoanele mânerului, pliați mânerul înainte într-o poziție orizontală și strângeți butoanele mânerului.
- Agățați pistolul de pulverizare de suportul pistolului de pulverizare. Agățați furtunul de cârligul furtunului.
- Depozitați echipamentul în interior, la îndemâna copiilor.
NOTĂ: Scurgeți combustibilul la sfârșitul sezonului, altfel garanția este anulată.
Consultați Depozitarea pe termen lung pentru instrucțiuni complete de depozitare.
Întreținere
PENTRU A PREVENI RĂNI GRAVE DIN CAUZA PORNIRE ACCIDENTALĂ:
Puneți întrerupătorul de alimentare al echipamentului în poziția "OFF" (oprit), așteptați ca motorul să se răcească și deconectați capacul bujiei înainte de a efectua orice inspecție, întreținere sau proceduri de curățare.
PENTRU A PREVENI RĂNI GRAVE DIN CAUZA DEFECȚIUNII ECHIPAMENTULUI:
Nu utilizați echipamente deteriorate. Dacă apar zgomote, vibrații anormale sau fum excesiv, remediați problema înainte de utilizare ulterioară.
Urmați toate instrucțiunile de service din acest manual. Motorul poate ceda critic dacă nu este întreținut corespunzător.
Multe proceduri de întreținere, inclusiv cele care nu sunt detaliate în acest manual, vor trebui efectuate de un tehnician calificat pentru siguranță. Dacă aveți dubii cu privire la capacitatea dumneavoastră de a repara în siguranță echipamentul sau motorul, apelați la un tehnician calificat pentru a repara echipamentul în schimb.
Program de curățare, întreținere și lubrifiere
Notă: Acest program de întreținere este destinat exclusiv ca un ghid general. Dacă performanța scade sau dacă echipamentul funcționează neobișnuit, verificați imediat sistemele. Nevoile de întreținere ale fiecărei piese de echipament vor diferi în funcție de factori precum ciclul de lucru, temperatura, calitatea aerului, calitatea combustibilului și alți factori.
Notă: Următoarele proceduri sunt în plus față de verificările și întreținerea obișnuite explicate ca parte a funcționării normale a motorului și a echipamentului.
| Procedura | Înainte de fiecare utilizare | Lunar sau la fiecare 20 ore de utilizare | La fiecare 3 luni sau 50 ore de utilizare | La fiecare 6 luni sau 100 ore de utilizare | Anual sau la fiecare 300 ore de utilizare | La fiecare 2 ani |
| Îndepărtați praful de pe exteriorul motorului | | | | | | |
| Verificați nivelul uleiului de motor | | | | | | |
| Verificați filtrul de aer | | | | | ||
| Verificați cuva de sedimente | | | | |||
| Schimbați uleiul de motor | | | | | ||
| Curățați/înlocuiți filtrul de aer | * | | | | ||
| Verificați și curățați bujia | | | | |||
| ** | ** | ||||
| Înlocuiți conducta de combustibil dacă este necesar | ** |
*Întrețineți mai frecvent atunci când este utilizat în zone cu praf.
**Aceste elemente trebuie întreținute de un tehnician calificat.
Verificarea și umplerea cu combustibil

PENTRU A PREVENI RĂNI GRAVE DIN CAUZA INCENDIILOR:
Umpleți rezervorul de combustibil într-o zonă bine ventilată, departe de sursele de aprindere. Dacă motorul este fierbinte din cauza utilizării, opriți motorul și așteptați să se răcească înainte de a adăuga combustibil. Nu fumați.
- Curățați capacul rezervorului de combustibil și zona din jurul acestuia.
- Deșurubați și scoateți capacul rezervorului de combustibil.
- Scoateți filtrul și îndepărtați orice murdărie și resturi. Apoi înlocuiți filtrul.
Notă: Nu utilizați benzină care conține mai mult de 10% etanol (E10). Nu utilizați etanol E85.
Notă: Nu utilizați benzină care a fost depozitată într-un recipient metalic de combustibil sau într-un recipient de combustibil murdar. Poate provoca pătrunderea particulelor în carburator, afectând performanța motorului și/sau provocând daune.
- Dacă este necesar, umpleți rezervorul de combustibil până la aproximativ 1 inch sub gâtul de umplere al rezervorului de combustibil cu benzină fără plumb cu cifra octanică 87 sau mai mare, care a fost tratată cu un aditiv stabilizator de combustibil. Urmați recomandările producătorului stabilizatorului de combustibil pentru utilizare.
- Apoi înlocuiți capacul rezervorului de combustibil.
- Ștergeți orice combustibil vărsat și lăsați excesul să se evapore înainte de a porni motorul.
Pentru a preveni INCENDIUL, nu porniți motorul în timp ce mirosul de combustibil persistă în aer.
Întreținerea pompei
Pompa mașinii de spălat cu presiune nu necesită întreținere. Dacă există vreun semn de scurgere de ulei pe sau în jurul pompei, NU utilizați mașina de spălat cu presiune. Solicitați ca unitatea să fie reparată de un tehnician calificat.
Schimbarea uleiului de motor
Uleiul este foarte fierbinte în timpul funcționării și poate provoca arsuri. Așteptați ca motorul să se răcească înainte de a schimba uleiul.
- Asigurați-vă că motorul este oprit și este la nivel.
- Închideți supapa de combustibil.
- Așezați o tavă de scurgere (nu este inclusă) sub dopul de scurgere al carterului.
- Scoateți dopul de scurgere și, dacă este posibil, înclinați ușor carterul pentru a ajuta la scurgerea uleiului. Reciclați uleiul uzat.
- Înlocuiți dopul de scurgere și strângeți-l.
- Curățați partea superioară a jojei și zona din jurul acesteia. Scoateți joja rotind-o în sens invers acelor de ceasornic și ștergeți-o cu o cârpă curată, fără scame.
![Predator - 59669 - Schimbarea uleiului de motor Schimbarea uleiului de motor]()
- Adăugați tipul adecvat de ulei până când nivelul uleiului este la nivelul maxim. Uleiul SAE 10W-30 este recomandat pentru utilizare generală.
Diagrama gradului de vâscozitate SAE arată alte vâscozități de utilizat la diferite temperaturi medii.
Gradele de vâscozitate SAE

Temperatura medie exterioară
- Înfiletați joja înapoi în sensul acelor de ceasornic.
AVERTISMENT: Nu porniți motorul cu prea puțin ulei.
Motorul nu va porni cu ulei de motor puțin sau deloc.
Întreținerea bujiei

- Deconectați capacul bujiei de la capătul bujiei. Curățați resturile din jurul bujiei.
- Folosind o cheie pentru bujii, scoateți bujia.
- Inspectați bujia:
Dacă electrodul este uleios, curățați-l folosind o cârpă curată și uscată. Dacă electrodul are depuneri pe el, lustruiți-l folosind hârtie abrazivă. Dacă izolatorul alb este crăpat sau ciobit, bujia trebuie înlocuită.
Utilizați bujia specificată în diagrama Specificații.
AVERTISMENT: Utilizarea unei bujii incorecte poate deteriora motorul.
- Când instalați o bujie nouă, reglați distanța bujiei conform specificațiilor din diagrama Specificații. Nu forțați electrodul, bujia se poate deteriora.
- Instalați bujia nouă sau bujia curățată în motor.
- Stil cu garnitură: Strângeți cu degetul până când garnitura atinge chiulasa, apoi strângeți cu aproximativ 1/2-2/3 de rotație mai mult.
- Stil fără garnitură: Strângeți cu degetul până când bujia atinge chiulasa, apoi strângeți cu aproximativ 1/16 de rotație mai mult.
AVERTISMENT: Strângeți corect bujia. Dacă este slăbită, bujia va cauza supraîncălzirea motorului. Dacă este strânsă prea tare, filetele din blocul motor vor fi deteriorate.
- Aplicați protector dielectric pentru capacul bujiei (nu este inclus) la capătul bujiei și reatașați cablul în siguranță.
Întreținerea filtrului de aer
- Scoateți capacul filtrului de aer și filtrul(ele) de aer și verificați dacă există murdărie. Curățați conform descrierii de mai jos.
- Curățare:
- Pentru filtrele de hârtie: Pentru a preveni rănirea cauzată de praf și resturi, purtați ochelari de protecție aprobați ANSI, mască/respirator de praf aprobat NIOSH și mănuși de lucru rezistente. Într-o zonă bine ventilată, departe de spectatori, utilizați aer sub presiune pentru a sufla praful din filtru. Dacă acest lucru nu curăță filtrul, înlocuiți-l.
- Pentru filtrele de spumă: Spălați filtrul în apă caldă și detergent ușor de mai multe ori. Clătiți. Stoarceți excesul de apă și lăsați-l să se usuce complet. Înmuiați scurt filtrul în ulei ușor, apoi stoarceți excesul de ulei.
- Instalați filtrul(ele) curățat(e). Fixați capacul filtrului de aer înainte de utilizare.
Depozitare pe termen lung
Când echipamentul urmează să rămână inactiv mai mult de 20 de zile, pregătiți motorul și pompa pentru depozitare după cum urmează:
- CURĂȚARE:
Așteptați ca motorul să se răcească, apoi curățați motorul cu o cârpă uscată.
ATENȚIE: Nu curățați folosind apă. Apa va intra treptat în motor și va provoca daune de rugină. Aplicați un strat subțire de ulei anti-rugină pe toate părțile metalice.
- COMBUSTIBIL:
Tratarea benzinei/ Scurgerea rezervorului de combustibil
- Pentru a proteja rezervorul de combustibil în timpul depozitării, umpleți rezervorul cu benzină proaspătă care a fost tratată cu un aditiv stabilizator de combustibil. Urmați recomandările producătorului stabilizatorului de combustibil pentru utilizare. Consultați Verificarea și Umplerea Combustibilului.
- Benzina veche care nu a fost tratată cu stabilizator în prealabil trebuie scursă în siguranță și nu trebuie trecută prin motor.

PENTRU A PREVENI RĂNI GRAVE DIN CAUZA INCENDIULUI:
Scurgeți rezervorul de combustibil într-o zonă bine ventilată, departe de sursele de aprindere. Dacă motorul este fierbinte din cauza utilizării, opriți motorul și așteptați să se răcească înainte de a adăuga combustibil.
Nu fumați.
Scurgerea carburatorului
- După închiderea supapei de combustibil, plasați un recipient adecvat sub carburator și scoateți cu grijă șurubul de scurgere de pe fundul cuvei carburatorului, permițând combustibilului să se scurgă complet.
Înlocuiți șurubul de scurgere după scurgere.
Pentru a preveni rănirea gravă și incendiul, închideți supapa de combustibil înainte de a scurge carburatorul.
- LUBRIFIERE:
- Schimbați uleiul de motor.
- Curățați zona din jurul bujiei.
- Scoateți bujia și turnați o lingură de ulei de motor în cilindru prin orificiul bujiei.
- Înlocuiți bujia, dar lăsați capacul bujiei deconectat.
- Trageți de mânerul de pornire pentru a distribui uleiul în cilindru. Opriți după una sau două rotații când simțiți că pistonul începe cursa de compresie (când începeți să simțiți rezistență).
- PREGĂTIREA POMPEI:
- Deconectați furtunul de presiune și furtunul de alimentare cu apă de la pompă.
- Conectați o bucată scurtă de furtun de grădină cu un conector de furtun tată la un capăt la racordul de intrare a apei al pompei.
- Folosiți o pâlnie pentru a adăuga aproximativ șase uncii de antigel RV în pompă.
ATENȚIE: Utilizați numai antigel RV. Alte tipuri de antigel sunt corozive și pot deteriora pompa.
- Cu capacul bujiei deconectat și comutatorul motorului în poziția OFF (oprit), trageți de mânerul de pornire de mai multe ori până când antigelul începe să iasă din fitingul de ieșire al pompei.
- Scoateți furtunul de grădină de la pompă.
- ZONA DE DEPOZITARE:
Acoperiți și depozitați într-o zonă uscată, plană, bine ventilată, la îndemâna copiilor. Zona de depozitare ar trebui să fie, de asemenea, departe de sursele de aprindere, cum ar fi încălzitoarele de apă, uscătoarele de haine și cuptoarele. - LA FIECARE 3 LUNI, PENTRU A PROTEJA MOTORUL ȘI ACOPERIREA GARANȚIEI:
- Scurgeți antigelul în siguranță și aruncați-l în mod corespunzător.
- Conectați furtunul de presiune și furtunul de alimentare cu apă.
- Porniți alimentarea cu apă, scoateți duza, îndreptați bagheta într-o direcție sigură și mențineți apăsat declanșatorul până când tot aerul este eliberat din sistem, timp de cel puțin 30 de secunde. Apoi eliberați declanșatorul, blocați-l în poziția de siguranță și înlocuiți duza înainte de a porni motorul.
- Descărcați duza într-o direcție sigură și porniți motorul timp de 15-20 de minute sau garanția este ANULATĂ. Opriți motorul.
- Descărcați duza într-o direcție sigură, apoi deconectați furtunurile și scurgeți apa.
- Conectați o bucată scurtă de furtun de grădină cu un conector de furtun tată la un capăt la racordul de intrare a apei al pompei.
- Folosiți o pâlnie pentru a adăuga aproximativ șase uncii de antigel RV în pompă.
ATENȚIE: Utilizați numai antigel RV.
Alte tipuri de antigel sunt corozive și pot deteriora pompa.
-
DUPĂ DEPOZITARE:
- Înainte de a porni motorul în timpul sau după depozitare, rețineți că benzina netratată se va deteriora rapid. Scurgeți rezervorul de combustibil și schimbați cu combustibil proaspăt dacă benzina netratată a stat timp de o lună, dacă benzina tratată a stat dincolo de perioada de timp recomandată de stabilizatorul de combustibil sau dacă motorul nu pornește.
- Cu capacul bujiei deconectat și comutatorul motorului în poziția OFF (oprit), trageți de mânerul de pornire de mai multe ori pentru a descărca antigelul din fitingul de ieșire al pompei înainte de a utiliza mașina de spălat cu presiune.
Depanare
| Problemă (Problem) | Cauze posibile (Possible Causes) | Soluții probabile (Probable Solutions) |
| Motorul nu pornește (Engine will not start) | LEGATE DE COMBUSTIBIL: (FUEL RELATED:)
| LEGATE DE COMBUSTIBIL: (FUEL RELATED:)
|
LEGATE DE APRINDERE (SCÂNTEIE): (IGNITION (SPARK) RELATED:)
| LEGATE DE APRINDERE (SCÂNTEIE): (IGNITION (SPARK) RELATED:)
| |
LEGATE DE COMPRESIE: (COMPRESSION RELATED:)
| LEGATE DE COMPRESIE: (COMPRESSION RELATED:)
| |
LEGATE DE ULEIUL DE MOTOR: (ENGINE OIL RELATED:)
| LEGATE DE ULEIUL DE MOTOR: (ENGINE OIL RELATED:)
| |
| Motorul ratează (Engine misfires) |
|
|
| Motorul se oprește brusc (Engine stops suddenly) |
|
|
| Motorul se oprește când este sub sarcină grea (Engine stops when under heavy load) |
|
|
| Motorul bate (Engine knocks) |
|
|
| Motorul dă rateuri (Engine backfires) |
|
|
| Nu produce presiune ridicată (Does not produce high pressure) |
|
|
| Presiunea de ieșire variază (Output pressure varies) |
|
|
| Nu aspiră detergent (No intake of detergent) |
|
|
Respectați toate măsurile de siguranță atunci când diagnosticați sau reparați echipamentul sau motorul.
Vizitați site-ul nostru web la: http://www.harborfreight.com
Trimiteți un e-mail serviciului nostru de asistență tehnică la: productsupport@harborfreight.com
Trimiteți un e-mail serviciului nostru de asistență pentru motoare la: predator@harborfreight.com
Pentru întrebări tehnice despre echipamente, vă rugăm să sunați la 1-888-866-5797.

Referințe
Descărcați manualul
Aici puteți descărca versiunea completă pdf a manualului, aceasta poate conține instrucțiuni suplimentare de siguranță, informații despre garanție, reguli FCC etc.

























