Zanussi ZIFN644K - Manual de utilizare pentru plita cu inducție
- 1 INSTALARE
- 2 DESCRIEREA PRODUSULUI
- 3 UTILIZARE ZILNICĂ
- 4 SFATURI ȘI SUGESTII
- 5 ÎNGRIJIRE ȘI CURĂȚARE
- 6 DEPANARE
- 7 DATE TEHNICE
- 8 EFICIENȚA ENERGETICĂ
- 9 INFORMAȚII DE SIGURANȚĂ
- 10 INSTRUCȚIUNI DE SIGURANȚĂ
- 11 Referințe
- 12 Descărcați manualul
- 13 În alte limbi

INSTALARE
Consultați capitolele despre siguranță.
Înainte de instalare
Înainte de a instala plita, notați informațiile (Numărul de serie) de pe plăcuța cu date tehnice. Plăcuța cu date tehnice se află pe partea inferioară a plitei.
Plite încorporabile
Utilizați plitele încorporabile numai după ce asamblați plita în unități încorporabile și suprafețe de lucru corecte, care se aliniază la standarde.
Cablu de conectare
- Pentru o conexiune monofazată sau bifazată, utilizați tipul de cablu: H03V2V2F sau H05BB-F care rezistă la o temperatură de 90°C sau mai mare.
- Pentru a înlocui cablul de alimentare deteriorat, utilizați cablul: H03V2V2-F sau H05BB-F care rezistă la o temperatură de 90°C sau mai mare. Contactați un centru de service autorizat. Cablul de conectare poate fi înlocuit numai de un electrician calificat.
Asamblare
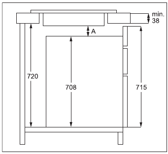
Dacă instalați plita sub o hotă, vă rugăm să consultați instrucțiunile de instalare ale hotei pentru distanța minimă dintre aparate.

Dacă aparatul este instalat deasupra unui sertar, ventilația plitei poate încălzi articolele depozitate în sertar în timpul procesului de gătire.
Combinație cu cuptor standard

Combinație cu cuptor dublu

A = min. 6 mm, pentru cuptoare duble de la AEG, Electrolux și Zanussi.
A = min. 12 mm, pentru cuptoare duble de la alte mărci.
DESCRIEREA PRODUSULUI
Aspectul suprafeței de gătit

- Zonă de gătit cu inducție
- Panou de control
Aspectul panoului de control

Utilizați câmpurile senzor pentru a opera aparatul. Afișajele, indicatorii și sunetele indică ce funcții funcționează.
| Câmp senzor | Funcție | Comentariu | |
| 1 | ![]() | Pornire / Oprire (ON / OFF) | Pentru a activa și dezactiva plita. |
| 2 | ![]() | Blocare / Dispozitiv de siguranță pentru copii | Pentru a bloca / debloca panoul de control. |
| 3 | ![]() | Pauză (Pause) | Pentru a activa și dezactiva funcția. |
| 4 | ![]() | JoinZone | Pentru a activa și dezactiva funcția. |
| 5 | - | Afișaj setare căldură | Pentru a afișa setarea de căldură. |
| 6 | - | Indicatori temporizator ai zonelor de gătit | Pentru a arăta pentru ce zonă ați setat timpul. |
| 7 | - | Afișaj temporizator | Pentru a afișa timpul în minute. |
| 8 | ![]() | Hob²Hood | Pentru a activa și dezactiva modul manual al funcției. |
| 9 | ![]() | - | Pentru a selecta zona de gătit. |
| 10 | ![]() | - | Pentru a crește sau micșora timpul. |
| 11 | ![]() | PowerBoost | Pentru a activa funcția. |
| 12 | - | Bară de control | Pentru a seta o setare de căldură. |
Afișaje setare căldură
| Afișaj | Descriere |
![]() | Zona de gătit este dezactivată. |
![]() | Zona de gătit funcționează. |
![]() | Pauză (Pause) funcționează. |
![]() | Încălzire automată funcționează. |
![]() | PowerBoost funcționează. |
+ cifră | Există o defecțiune. |
![]() | Control OptiHeat (Indicator de căldură reziduală în 3 pași): continuați gătirea / mențineți cald / căldură reziduală. |
![]() | Blocare / Dispozitiv de siguranță pentru copii funcționează. |
![]() | Vase de gătit incorecte sau prea mici sau fără vase de gătit pe zona de gătit. |
![]() | Oprire automată funcționează. |
Control OptiHeat (Indicator de căldură reziduală în 3 pași)
Atâta timp cât indicatorul este aprins, există riscul de arsuri din cauza căldurii reziduale.
Zonele de gătit cu inducție produc căldura necesară pentru procesul de gătire direct în partea inferioară a vasului de gătit. Sticla ceramică este încălzită de căldura vasului de gătit.
Indicatorii
apar atunci când o zonă de gătit este fierbinte. Aceștia arată nivelul căldurii reziduale pentru zonele de gătit pe care le utilizați în prezent.
Indicatorul poate apărea și:
- pentru zonele de gătit învecinate, chiar dacă nu le utilizați,
- când vase de gătit fierbinți sunt așezate pe zone de gătit reci,
- când plita este dezactivată, dar zona de gătit este încă fierbinte.
Indicatorul dispare când zona de gătit s-a răcit.
UTILIZARE ZILNICĂ
Consultați capitolele despre siguranță
Activare și dezactivare
Atingeți
timp de 1 secundă pentru a activa sau dezactiva plita.
Oprire automată
Funcția dezactivează automat plita dacă:
- toate zonele de gătit sunt dezactivate,
- nu setați nivelul de căldură după ce activați plita,
- vărsați ceva sau puneți ceva pe panoul de control pentru mai mult de 10 secunde (o tigaie, o cârpă etc.). Se aude un semnal acustic și plita se dezactivează. Îndepărtați obiectul sau curățați panoul de control.
- plita se încinge prea tare (de exemplu, când o cratiță fierbe până se usucă). Lăsați zona de gătit să se răcească înainte de a utiliza din nou plita.
- utilizați vase de gătit incorecte. Simbolul
se aprinde și zona de gătit se dezactivează automat după 2 minute. - nu dezactivați o zonă de gătit sau nu modificați nivelul de căldură. După un timp,
se aprinde și plita se dezactivează. Relația dintre nivelul de căldură și timpul după care plita se dezactivează:
| Nivel de căldură | Plita se dezactivează după |
, 1 - 2 | 6 ore |
| 3 - 4 | 5 ore |
| 5 | 4 ore |
| 6 - 9 | 1,5 ore |
Nivelul de căldură

Pentru a seta sau modifica nivelul de căldură:
Atingeți bara de control la nivelul de căldură corect sau mișcați degetul de-a lungul barei de control până ajungeți la nivelul de căldură corect.
Utilizarea zonelor de gătit
Puneți vasele de gătit pe crucea / pătratul care se află pe suprafața pe care gătiți. Acoperiți complet crucea / pătratul. Zonele de gătit cu inducție se adaptează automat la dimensiunea fundului vasului de gătit. Puteți găti cu vase de gătit mari pe două zone de gătit în același timp.
JoinZone
Funcția funcționează atunci când oala acoperă centrele celor două zone.
Această funcție conectează două zone de gătit din partea stângă și funcționează ca una singură.
Mai întâi, setați nivelul de căldură pentru una dintre zonele de gătit din partea stângă.
Pentru a activa funcția: atingeți
. Pentru a seta sau modifica nivelul de căldură, atingeți unul dintre senzorii de control.
Pentru a dezactiva funcția: atingeți
. Zonele de gătit funcționează independent.
Când utilizați o singură zonă de gătit din pereche, vă recomandăm să utilizați zona de gătit din spate. De asemenea, când utilizați vase de gătit mari, vă recomandăm să le puneți lângă zona de gătit din spate.
Încălzire automată
Activați această funcție pentru a obține nivelul de căldură dorit într-un timp mai scurt. Când este activată, zona funcționează la cel mai înalt nivel la început și apoi continuă să gătească la nivelul de încălzire dorit.
Pentru a activa funcția, zona de gătit trebuie să fie rece.
Pentru a activa funcția pentru o zonă de gătit: atingeți
(
se aprinde). Imediat, atingeți nivelul de căldură dorit. După 3 secunde,
se aprinde.
Pentru a dezactiva funcția: modificați nivelul de căldură.
PowerBoost
Această funcție pune la dispoziție mai multă putere pentru zonele de gătit cu inducție. Funcția poate fi activată pentru zona de gătit cu inducție doar pentru o perioadă limitată de timp. După acest timp, zona de gătit cu inducție revine automat la cel mai înalt nivel de căldură.
Consultați capitolul "Date tehnice".
Pentru a activa funcția pentru o zonă de gătit: atingeți
.
se aprinde.
Pentru a dezactiva funcția: modificați nivelul de căldură.
Temporizator
- Temporizator cu numărătoare inversă
Puteți utiliza această funcție pentru a seta durata unei singure sesiuni de gătit.
Mai întâi, setați nivelul de căldură pentru zona de gătit, apoi setați funcția.
Pentru a seta zona de gătit: atingeți
în mod repetat până când apare indicatorul unei zone de gătit.
Pentru a activa funcția sau a modifica timpul: atingeți
sau
al temporizatorului pentru a seta timpul (00 - 99 minute). Când indicatorul zonei de gătit începe să clipească, timpul se scurge.
Pentru a vedea timpul rămas: atingeți
pentru a seta zona de gătit. Indicatorul zonei de gătit începe să clipească. Afișajul arată timpul rămas.
Pentru a dezactiva funcția: atingeți
pentru a seta zona de gătit și apoi atingeți
. Timpul rămas se scurge până la 00. Indicatorul zonei de gătit dispare.
Când numărătoarea inversă se termină, se aude un semnal acustic și 00 clipește. Zona de gătit se dezactivează.
Pentru a opri sunetul: atingeți
.
- Minutier
Puteți utiliza această funcție când plita este activată și zonele de gătit nu funcționează. Afișajul nivelului de căldură arată
.
Pentru a activa funcția: atingeți
și apoi atingeți
sau
al temporizatorului pentru a seta timpul.
Când timpul se termină, se aude un semnal acustic și 00 clipește.
Pentru a opri sunetul: atingeți
.
Funcția nu are niciun efect asupra funcționării zonelor de gătit.
Pauză
Această funcție setează toate zonele de gătit care funcționează la cel mai scăzut nivel de căldură.
Când funcția funcționează, toate celelalte simboluri de pe panourile de control sunt blocate.
Funcția nu oprește funcțiile temporizatorului.
Apăsați
pentru a activa funcția.
se aprinde. Nivelul de căldură este redus la 1.
Pentru a dezactiva funcția: apăsați
. Nivelul de căldură anterior se aprinde.
Blocare
Puteți bloca panoul de control în timp ce zonele de gătit funcționează. Aceasta previne o modificare accidentală a nivelului de căldură.
Setați mai întâi nivelul de căldură.
Pentru a activa funcția: atingeți
.
se aprinde timp de 4 secunde. Temporizatorul rămâne activat.
Pentru a dezactiva funcția: atingeți
. Nivelul de căldură anterior se aprinde.
Când dezactivați plita, dezactivați și această funcție.
Dispozitiv de siguranță pentru copii
Această funcție previne o funcționare accidentală a plitei.
Pentru a activa funcția: activați plita cu
. Nu setați niciun nivel de căldură. Atingeți
timp de 4 secunde.
se aprinde. Dezactivați plita cu
.
Pentru a dezactiva funcția: activați plita cu
. Nu setați niciun nivel de căldură. Atingeți
timp de 4 secunde.
se aprinde. Dezactivați plita cu
.
Pentru a anula funcția doar pentru o singură sesiune de gătit: activați plita cu
.
se aprinde. Atingeți
timp de 4 secunde. Setați nivelul de căldură în 10 secunde. Puteți utiliza plita. Când dezactivați plita cu
, funcția funcționează din nou.
Gestionarea puterii
Dacă mai multe zone sunt active și puterea consumată depășește limita sursei de alimentare, această funcție împarte puterea disponibilă între toate zonele de gătit. Plita controlează nivelurile de căldură pentru a proteja siguranțele instalației casei.
- Zonele de gătit sunt grupate în funcție de locație și de numărul de faze din plită. Fiecare fază are o încărcare maximă de electricitate (3700 W). Dacă plita atinge limita de putere maximă disponibilă într-o singură fază, puterea zonelor de gătit va fi redusă automat.
- Nivelul de căldură al zonei de gătit selectate ultima dată este întotdeauna prioritizat. Puterea rămasă va fi împărțită între zonele de gătit activate anterior în ordine inversă de selecție.
- Afișajul nivelului de căldură al zonelor reduse alternează între nivelul de căldură selectat inițial și nivelul de căldură redus.
- Așteptați până când afișajul nu mai clipește sau reduceți nivelul de căldură al zonei de gătit selectate ultima dată. Zonele de gătit vor continua să funcționeze cu nivelul de căldură redus. Modificați manual nivelurile de căldură ale zonelor de gătit, dacă este necesar.
Consultați ilustrația pentru posibilele combinații în care puterea poate fi distribuită între zonele de gătit.

Hob²Hood
Este o funcție automată avansată care conectează plita la o hotă specială. Atât plita, cât și hota au un comunicator de semnal infraroșu. Viteza ventilatorului este definită automat pe baza setării modului și a temperaturii vasului de gătit cel mai fierbinte de pe plită. Puteți, de asemenea, să acționați ventilatorul de pe plită manual.
Pentru majoritatea hotelor, sistemul de la distanță este dezactivat inițial. Activați-l înainte de a utiliza funcția. Pentru mai multe informații, consultați manualul de utilizare al hotei.
Acționarea automată a funcției
Pentru a acționa funcția automat, setați modul automat la H1 – H6. Plita este setată inițial la H5. Hota reacționează ori de câte ori acționați plita. Plita recunoaște automat temperatura vasului de gătit și ajustează viteza ventilatorului.
Moduri automate
| Lumină automată | Fierbere1) | Prăjire2) | |
| Mod H0 | Oprit | Oprit | Oprit |
| Mod H1 | Pornit | Oprit | Oprit |
| Mod H2 3) | Pornit | Viteza ventilatorului 1 | Viteza ventilatorului 1 |
| Mod H3 | Pornit | Oprit | Viteza ventilatorului 1 |
| Mod H4 | Pornit | Viteza ventilatorului 1 | Viteza ventilatorului 1 |
| Mod H5 | Pornit | Viteza ventilatorului 1 | Viteza ventilatorului 2 |
| Mod H6 | Pornit | Viteza ventilatorului 2 | Viteza ventilatorului 3 |
1) Plita detectează procesul de fierbere și activează viteza ventilatorului în conformitate cu modul automat.
2) Plita detectează procesul de prăjire și activează viteza ventilatorului în conformitate cu modul automat.
3) Acest mod activează ventilatorul și lumina și nu se bazează pe temperatură.
Modificarea modului automat
- Dezactivați aparatul.
- Atingeți
timp de 3 secunde. Afișajul se aprinde și se stinge. - Atingeți
timp de 3 secunde. - Atingeți
de câteva ori până când
se aprinde. - Atingeți
al temporizatorului pentru a selecta un mod automat.
Pentru a acționa hota direct de pe panoul hotei, dezactivați modul automat al funcției.
Când terminați de gătit și dezactivați plita, ventilatorul hotei poate funcționa încă pentru o anumită perioadă de timp. După acest timp, sistemul dezactivează automat ventilatorul și vă împiedică să activați accidental ventilatorul pentru următoarele 30 de secunde.
Acționarea manuală a vitezei ventilatorului
Puteți, de asemenea, să acționați funcția manual.
Pentru a face acest lucru, atingeți
când plita este activă. Aceasta dezactivează funcționarea automată a funcției și vă permite să modificați manual viteza ventilatorului. Când apăsați
, creșteți viteza ventilatorului cu una. Când atingeți un nivel intensiv și apăsați din nou
, veți seta viteza ventilatorului la 0, ceea ce dezactivează ventilatorul hotei . Pentru a porni din nou ventilatorul cu viteza ventilatorului 1, atingeți
.
Pentru a activa funcționarea automată a funcției, dezactivați plita și activați-o din nou.
Activarea luminii
Puteți seta plita să activeze lumina automat ori de câte ori activați plita. Pentru a face acest lucru, setați modul automat la H1 – H6.
Lumina de pe hotă se dezactivează la 2 minute după dezactivarea plitei.
SFATURI ȘI SUGESTII
Consultați capitolele despre siguranță.
Vase de gătit
Pentru zonele de gătit prin inducție, un câmp electromagnetic puternic creează căldura în vasele de gătit foarte repede.
Utilizați zonele de gătit prin inducție cu vase de gătit adecvate.
- Partea inferioară a vaselor de gătit trebuie să fie cât mai groasă și plată posibil.
- Asigurați-vă că bazele tigăilor sunt curate și uscate înainte de a le așeza pe suprafața plitei.
- Pentru a evita zgârieturile, nu glisați sau frecați oala pe sticla ceramică.
Materialul vaselor de gătit
- corect: fontă, oțel, oțel emailat, oțel inoxidabil, fund multistrat (cu marcajul corect de la producător).
- incorect: aluminiu, cupru, alamă, sticlă, ceramică, porțelan.
Vasele de gătit sunt potrivite pentru o plită cu inducție dacă
- apa fierbe foarte repede pe o zonă setată la cea mai mare temperatură.
- un magnet trage de partea inferioară a vasului de gătit.
Dimensiunile vaselor de gătit
- Zonele de gătit prin inducție se adaptează automat la dimensiunea părții inferioare a vasului de gătit.
- Eficiența zonei de gătit este legată de diametrul vasului de gătit. Vasul de gătit cu un diametru mai mic decât minimul primește doar o parte din puterea generată de zona de gătit.
- Din motive de siguranță și pentru rezultate optime de gătit, nu utilizați vase de gătit mai mari decât cele indicate în "Specificațiile zonelor de gătit". Evitați să țineți vasele de gătit aproape de panoul de control în timpul sesiunii de gătit. Acest lucru ar putea afecta funcționarea panoului de control sau ar putea activa accidental funcțiile plitei.
Consultați "Date tehnice".
Zgomotele din timpul funcționării
Dacă auziți:
- zgomot de cracare: vasele de gătit sunt fabricate din materiale diferite (o construcție tip sandwich).
- sunet de fluierat: utilizați o zonă de gătit cu un nivel ridicat de putere, iar vasele de gătit sunt fabricate din materiale diferite (o construcție tip sandwich).
- bâzâit: utilizați un nivel ridicat de putere.
- clic: are loc comutarea electrică.
- șuierat, zumzet: ventilatorul funcționează.
Zgomotele sunt normale și nu indică nicio defecțiune.
Exemple de aplicații de gătit
Corelația dintre setarea de căldură a unei zone și consumul său de energie nu este liniară. Când creșteți setarea de căldură, aceasta nu este proporțională cu creșterea consumului de energie. Aceasta înseamnă că o zonă de gătit cu setarea de căldură medie utilizează mai puțin de jumătate din puterea sa.
Datele din tabel sunt doar cu titlu orientativ.
| Setare căldură | Utilizare pentru: | Timp (min) | Sugestii |
- 1 | Păstrați mâncarea gătită caldă. | după cum este necesar | Puneți un capac pe vasul de gătit. |
| 1 - 2 | Sos olandez, topire: unt, ciocolată, gelatină. | 5 - 25 | Amestecați din când în când. |
| 1 - 2 | Solidificare: omlete pufoase, ouă coapte. | 10 - 40 | Gătiți cu un capac. |
| 2 - 3 | Fierbeți la foc mic orez și preparate pe bază de lapte, încălziți mâncăruri gata preparate. | 25 - 50 | Adăugați de cel puțin două ori mai mult lichid decât orez, amestecați preparatele cu lapte la jumătatea procedurii. |
| 3 - 4 | Gătiți la aburi legume, pește, carne. | 20 - 45 | Adăugați câteva linguri de lichid. |
| 4 - 5 | Gătiți cartofi la aburi. | 20 - 60 | Utilizați max. ¼ l de apă pentru 750 g de cartofi. |
| 4 - 5 | Gătiți cantități mai mari de alimente, tocănițe și supe. | 60 - 150 | Până la 3 l de lichid plus ingrediente. |
| 6 - 7 | Prăjiți ușor: șnițel, cordon bleu de vițel, cotlete, chiftele, cârnați, ficat, rântaș, ouă, clătite, gogoși. | după cum este necesar | Întoarceți la jumătatea timpului. |
| 7 - 8 | Prăjiți intens, cartofi rași, antricoate, fripturi. | 5 - 15 | Întoarceți la jumătatea timpului. |
| 9 | Fierbeți apă, gătiți paste, rumeniți carnea (gulaș, friptură la oală), prăjiți cartofi prăjiți. | ||
![]() | Fierbeți cantități mari de apă. PowerBoost este activat. | ||
Sfaturi și sugestii pentru Hob²Hood
Când utilizați plita cu funcția:
- Protejați panoul hotei de lumina directă a soarelui.
- Nu îndreptați lumina halogenă spre panoul hotei.
- Nu acoperiți panoul de control al plitei.
- Nu întrerupeți semnalul dintre plită și hotă (de exemplu, cu mâna, cu mânerul unui vas de gătit sau cu o oală înaltă). Consultați imaginea.
Hota din imagine este doar exemplificativă

Alte aparate controlate de la distanță pot bloca semnalul. Nu utilizați astfel de aparate în apropierea plitei în timp ce Hob²Hood este pornit.
Hote cu funcția Hob²Hood
Pentru a găsi gama completă de hote care funcționează cu această funcție, consultați site-ul nostru web pentru consumatori.
ÎNGRIJIRE ȘI CURĂȚARE
Consultați capitolele despre siguranță.
Informații generale
- Curățați plita după fiecare utilizare.
- Utilizați întotdeauna vase de gătit cu o bază curată.
- Zgârieturile sau petele întunecate de pe suprafață nu afectează modul în care funcționează plita.
- Utilizați un detergent special adecvat pentru suprafața plitei.
- Utilizați un raclet special pentru sticlă.
Curățarea plitei
- Îndepărtați imediat: plastic topit, folie de plastic, zahăr și alimente cu zahăr, altfel, murdăria poate provoca daune plitei. Aveți grijă să evitați arsurile. Utilizați un raclet special pentru plită pe suprafața de sticlă într-un unghi ascuțit și deplasați lama pe suprafață.
- Îndepărtați când plita este suficient de rece: inele de calcar, inele de apă, pete de grăsime, decolorare metalică lucioasă. Curățați plita cu o cârpă umedă și un detergent neabraziv. După curățare, ștergeți plita cu o cârpă moale.
- Îndepărtați decolorarea metalică lucioasă: utilizați o soluție de apă cu oțet și curățați suprafața de sticlă cu o cârpă.
DEPANARE
Consultați capitolele despre siguranță.
Ce trebuie să faceți dacă...
| Problemă | Cauză posibilă | Remediu |
| Nu puteți activa sau utiliza plita. | Plita nu este conectată la o sursă de alimentare electrică sau este conectată incorect. | Verificați dacă plita este conectată corect la sursa de alimentare electrică. |
| Siguranța este arsă. | Asigurați-vă că siguranța este cauza defecțiunii. Dacă siguranța se arde din nou și din nou, contactați un electrician calificat. | |
| Nu setați setarea de căldură timp de 10 secunde. | Activați din nou plita și setați setarea de căldură în mai puțin de 10 secunde. | |
| Ați atins 2 sau mai multe câmpuri senzoriale în același timp. | Atingeți un singur câmp senzorial. | |
| Pauza funcționează. | Consultați "Utilizarea zilnică". | |
| Există pete de apă sau grăsime pe panoul de control. | Curățați panoul de control. | |
| Se aude un semnal acustic și plita se dezactivează. Se aude un semnal acustic când plita este dezactivată. | Ați pus ceva pe unul sau mai multe câmpuri senzoriale. | Îndepărtați obiectul de pe câmpurile senzoriale. |
| Plita se dezactivează. | Ați pus ceva pe câmpul senzorial . | Îndepărtați obiectul de pe câmpul senzorial. |
| Indicatorul de căldură reziduală nu se aprinde. | Zona nu este fierbinte deoarece a funcționat doar pentru o perioadă scurtă de timp sau senzorul este deteriorat. | Dacă zona a funcționat suficient de mult pentru a fi fierbinte, contactați un centru de service autorizat. |
| Hob²Hood nu funcționează. | Ați acoperit panoul de control. | Îndepărtați obiectul de pe panoul de control. |
| Utilizați o oală foarte înaltă care blochează semnalul. | Utilizați o oală mai mică, schimbați zona de gătit sau utilizați hota manual. | |
| Încălzirea automată nu funcționează. | Zona este fierbinte. | Lăsați zona să se răcească suficient. |
| Este setată cea mai mare temperatură. | Cea mai mare temperatură are aceeași putere ca și funcția. | |
| Setarea de căldură se schimbă între două niveluri. | Gestionarea energiei funcționează. | Consultați "Utilizarea zilnică". |
| Câmpurile senzoriale devin fierbinți. | Vasele de gătit sunt prea mari sau le-ați pus prea aproape de comenzi. | Puneți vasele de gătit mari pe zonele din spate, dacă este posibil. |
se aprinde. | Dispozitivul de siguranță pentru copii sau blocarea funcționează. | Consultați "Utilizarea zilnică". |
se aprinde. | Nu există vase de gătit pe zonă. | Puneți vase de gătit pe zonă. |
| Vasele de gătit nu acoperă crucea / pătratul. | Acoperiți complet crucea / pătratul. | |
| Vasele de gătit sunt nepotrivite. | Utilizați vase de gătit adecvate. Consultați "Sfaturi și sugestii". | |
| Diametrul părții inferioare a vaselor de gătit este prea mic pentru zonă. | Utilizați vase de gătit cu dimensiuni corecte. Consultați "Date tehnice". | |
și un număr se aprind. | Există o eroare în plită. | Dezactivați plita și activați-o din nou după 30 de secunde. Dacă se aprinde din nou, deconectați plita de la sursa de alimentare electrică. După 30 de secunde, conectați din nou plita. Dacă problema persistă, contactați un centru de service autorizat. |
| Puteți auzi un zgomot constant de bip. | Conexiunea electrică este incorectă. | Deconectați plita de la sursa de alimentare electrică. Solicitați unui electrician calificat să verifice instalația. |
Dacă nu găsiți o soluție...
Dacă nu puteți găsi singur o soluție la problemă, contactați dealerul sau un centru de service autorizat. Furnizați datele de pe plăcuța de identificare. Furnizați, de asemenea, codul alfabetic din trei cifre pentru sticla ceramică (se află în colțul suprafeței de sticlă) și un mesaj de eroare care se aprinde. Asigurați-vă că ați utilizat plita corect. În caz contrar, service-ul efectuat de un tehnician de service sau de un dealer nu va fi gratuit, nici măcar în perioada de garanție. Informațiile despre perioada de garanție și centrele de service autorizate se află în broșura de garanție.
DATE TEHNICE
Plăcuța indicatoare
Model ZIFN644K
Typ 61 B4A 01 AA
Induction 7.35 kW
Ser. Nr. ....
ZANUSSI
PNC 949 595 700 01
220 - 240 V / 400 V 2N, 50 - 60 Hz
Made in: Germany
7.35 kW
Specificația zonelor de gătit
| Cooking zone (zona de gătit) | Nominal power (maximum heat setting) [W] (putere nominală (setare maximă de căldură) [W]) | PowerBoost [W] | PowerBoost maximum duration [min] (durata maximă PowerBoost [min]) | Cookware diameter [mm] (diametrul vasului de gătit [mm]) |
| Left front (stânga față) | 2300 | 3200 | 10 | 125 - 210 |
| Left rear (stânga spate) | 2300 | 3200 | 10 | 125 - 210 |
| Right front (dreapta față) | 1400 | 2500 | 4 | 125 - 145 |
| Right rear (dreapta spate) | 1800 | 2800 | 10 | 145 - 180 |
The power of the cooking zones can be different in some small range from the data in the table. It changes with the material and dimensions of the cookware. (Puterea zonelor de gătit poate fi diferită într-un interval mic față de datele din tabel. Se modifică în funcție de materialul și dimensiunile vasului de gătit.)
For optimal cooking results use cookware no larger than the diameter in the table. (Pentru rezultate optime de gătit, utilizați vase de gătit care nu sunt mai mari decât diametrul din tabel.)
EFICIENȚA ENERGETICĂ
Informații despre produs conform reglementărilor UE și Regatul Unit privind proiectarea ecologică
| Model identification (identificarea modelului) | ZIFN644K | |
| Type of hob (tipul plitei) | Built-In Hob (plită încorporabilă) | |
| Number of cooking zones (numărul de zone de gătit) | 4 | |
| Heating technology (tehnologia de încălzire) | Induction (inducție) | |
| Diameter of circular cooking zones (Ø) (diametrul zonelor de gătit circulare (Ø)) |
Left front (stânga față) Left rear (stânga spate) Right front (dreapta față) Right rear (dreapta spate) |
21.0 cm 21.0 cm 14.5 cm 18.0 cm |
| Energy consumption per cooking zone (EC electric cooking) (consumul de energie per zonă de gătit (EC gătit electric)) |
Left front (stânga față) Left rear (stânga spate) Right front (dreapta față) Right rear (dreapta spate) |
188.9 Wh/kg 188.9 Wh/kg 183.4 Wh/kg 178.8 Wh/kg |
| Energy consumption of the hob (EC electric hob) (consumul de energie al plitei (EC plită electrică)) | 185.0 Wh/kg |
IEC / EN 60350-2, BS EN 60350-2 - Household electric cooking appliances (aparate electrice de gătit de uz casnic)
- Part 2: Hobs - Methods for measuring performance. (Partea 2: Plite - Metode de măsurare a performanței.)
The energy measurements referring to the cooking area are identified by the markings of the respective cooking zones. (Măsurătorile de energie referitoare la zona de gătit sunt identificate prin marcajele zonelor de gătit respective.)
Economisirea energiei
You can save energy during everyday cooking if you follow below hints. (Puteți economisi energie în timpul gătitului de zi cu zi dacă urmați sfaturile de mai jos.)
- When you heat up water, use only the amount you need. (Când încălziți apa, folosiți doar cantitatea de care aveți nevoie.)
- If it is possible, always put the lids on the cookware. (Dacă este posibil, puneți întotdeauna capacele pe vasele de gătit.)
- Before you activate the cooking zone put the cookware on it. (Înainte de a activa zona de gătit, puneți vasul de gătit pe ea.)
- Put the smaller cookware on the smaller cooking zones. (Puneți vasele de gătit mai mici pe zonele de gătit mai mici.)
- Put the cookware directly in the centre of the cooking zone. (Puneți vasul de gătit direct în centrul zonei de gătit.)
- Use the residual heat to keep the food warm or to melt it. (Folosiți căldura reziduală pentru a menține alimentele calde sau pentru a le topi.)
INFORMAȚII DE SIGURANȚĂ
Before the installation and use of the appliance, carefully read the supplied instructions. The manufacturer is not responsible for any injuries or damage that are the result of incorrect installation or usage. Always keep the instructions in a safe and accessible location for future reference. (Înainte de instalarea și utilizarea aparatului, citiți cu atenție instrucțiunile furnizate. Producătorul nu este responsabil pentru nicio vătămare sau daune care sunt rezultatul instalării sau utilizării incorecte. Păstrați întotdeauna instrucțiunile într-un loc sigur și accesibil pentru consultare ulterioară.)
Siguranța copiilor și a persoanelor vulnerabile
- This appliance can be used by children aged from 8 years and above and persons with reduced physical, sensory or mental capabilities or lack of experience and knowledge if they have been given supervision or instruction concerning the use of the appliance in a safe way and understand the hazards involved. Children of less than 8 years of age and persons with very extensive and complex disabilities shall be kept away from the appliance unless continuously supervised. (Acest aparat poate fi utilizat de copii cu vârsta de peste 8 ani și de persoane cu capacități fizice, senzoriale sau mentale reduse sau cu lipsă de experiență și cunoștințe dacă li s-a acordat supraveghere sau instruire cu privire la utilizarea aparatului într-un mod sigur și înțeleg pericolele implicate. Copiii cu vârsta mai mică de 8 ani și persoanele cu dizabilități foarte extinse și complexe trebuie ținuți departe de aparat, cu excepția cazului în care sunt supravegheați continuu.)
- Children should be supervised to ensure that they do not play with the appliance. (Copiii trebuie supravegheați pentru a se asigura că nu se joacă cu aparatul.)
- Keep all packaging away from children and dispose of it appropriately. (Păstrați toate ambalajele departe de copii și aruncați-le în mod corespunzător.)
The appliance and its accessible parts become hot during use. Keep children and pets away from the appliance when in use and when cooling down. (Aparatul și părțile sale accesibile se încălzesc în timpul utilizării. Țineți copiii și animalele de companie departe de aparat în timpul utilizării și la răcire.)- If the appliance has a child safety device, it should be activated. (Dacă aparatul are un dispozitiv de siguranță pentru copii, acesta trebuie activat.)
- Children shall not carry out cleaning and user maintenance of the appliance without supervision. (Copiii nu trebuie să efectueze curățarea și întreținerea aparatului fără supraveghere.)
Siguranță generală
- This appliance is for cooking purposes only. (Acest aparat este destinat numai pentru gătit.)
- This appliance is designed for single household domestic use in an indoor environment. (Acest aparat este proiectat pentru uz casnic într-un mediu interior.)
- This appliance may be used in, offices, hotel guest rooms, bed & breakfast guest rooms, farm guest houses and other similar accommodation where such use does not exceed (average) domestic usage levels. (Acest aparat poate fi utilizat în birouri, camere de hotel, camere de pensiuni, case de oaspeți de la ferme și alte locuri de cazare similare, unde o astfel de utilizare nu depășește nivelurile medii de utilizare casnică.)
The appliance and its accessible parts become hot during use. Care should be taken to avoid touching heating elements. (Aparatul și părțile sale accesibile se încălzesc în timpul utilizării. Trebuie avut grijă să se evite atingerea elementelor de încălzire.)
Unattended cooking on a hob with fat or oil can be dangerous and may result in fire. (Gătitul nesupravegheat pe o plită cu grăsime sau ulei poate fi periculos și poate duce la incendiu.)- Never use water to extinguish the cooking fire. Switch off the appliance and cover flames with e.g. a fire blanket or lid. (Nu folosiți niciodată apă pentru a stinge focul de gătit. Opriți aparatul și acoperiți flăcările cu, de exemplu, o pătură de incendiu sau un capac.)
The appliance must not be supplied through an external switching device, such as a timer, or connected to a circuit that is regularly switched on and off by a utility. (Aparatul nu trebuie alimentat printr-un dispozitiv de comutare extern, cum ar fi un temporizator, sau conectat la un circuit care este pornit și oprit în mod regulat de către o utilitate.)
The cooking process has to be supervised. A short term cooking process has to be supervised continuously. (Procesul de gătit trebuie supravegheat. Un proces de gătit pe termen scurt trebuie supravegheat continuu.)
Danger of fire: Do not store items on the cooking surfaces. (Pericol de incendiu: Nu depozitați obiecte pe suprafețele de gătit.)- Metallic objects such as knives, forks, spoons and lids should not be placed on the hob surface since they can get hot. (Obiectele metalice, cum ar fi cuțitele, furculițele, lingurile și capacele, nu trebuie așezate pe suprafața plitei, deoarece se pot încălzi.)
- Do not use the appliance before installing it in the built-instructure. (Nu utilizați aparatul înainte de a-l instala în structura încorporată.)
- Do not use a steam cleaner to clean the appliance. (Nu utilizați un curățător cu abur pentru a curăța aparatul.)
- After use, switch off the hob element by its control and do not rely on the pan detector. (După utilizare, opriți elementul plitei prin intermediul comenzii sale și nu vă bazați pe detectorul de vase.)
- If the glass ceramic surface / glass surface is cracked, switch off the appliance and unplug it from the mains. In case the appliance is connected to the mains directly using junction box, remove the fuse to disconnect the appliance from power supply. In either case contact the Authorised Service Centre. (Dacă suprafața din sticlă ceramică / suprafața din sticlă este crăpată, opriți aparatul și deconectați-l de la rețea. În cazul în care aparatul este conectat direct la rețea folosind cutia de joncțiune, scoateți siguranța pentru a deconecta aparatul de la sursa de alimentare. În ambele cazuri, contactați Centrul de Service Autorizat.)
- If the supply cord is damaged, it must be replaced by the manufacturer, an authorized Service or similarly qualified persons in order to avoid a hazard. (Dacă cablul de alimentare este deteriorat, acesta trebuie înlocuit de producător, de un Service autorizat sau de persoane calificate similar pentru a evita un pericol.)
Use only hob guards designed by the manufacturer of the cooking appliance or indicated by the manufacturer of the appliance in the instructions for use as suitable or hob guards incorporated in the appliance. The use of inappropriate guards can cause accidents. (Utilizați numai apărătoare de plită proiectate de producătorul aparatului de gătit sau indicate de producătorul aparatului în instrucțiunile de utilizare ca fiind adecvate sau apărătoare de plită încorporate în aparat. Utilizarea apărătoarelor necorespunzătoare poate provoca accidente.)
INSTRUCȚIUNI DE SIGURANȚĂ
Instalare
Doar o persoană calificată trebuie să instaleze acest aparat.
Risc de rănire sau deteriorare a aparatului.
- Îndepărtați toate ambalajele.
- Nu instalați sau utilizați un aparat deteriorat.
- Urmați instrucțiunile de instalare furnizate împreună cu aparatul.
- Păstrați distanța minimă față de alte aparate și unități.
- Aveți întotdeauna grijă când mutați aparatul, deoarece este greu. Purtați întotdeauna mănuși de siguranță și încălțăminte închisă.
- Sigilați suprafețele tăiate ale dulapului cu un etanșant pentru a preveni umflarea cauzată de umiditate.
- Protejați partea inferioară a aparatului de abur și umiditate.
- Nu instalați aparatul lângă o ușă sau sub o fereastră. Acest lucru previne căderea vaselor de gătit fierbinți de pe aparat când ușa sau fereastra este deschisă.
- Fiecare aparat are ventilatoare de răcire în partea de jos.
- Dacă aparatul este instalat deasupra unui sertar:
- Nu depozitați bucăți mici sau foi de hârtie care ar putea fi trase, deoarece pot deteriora ventilatoarele de răcire sau pot afecta sistemul de răcire.
- Păstrați o distanță de minimum 2 cm între partea inferioară a aparatului și piesele depozitate în sertar.
- Îndepărtați orice panouri separatoare instalate în dulapul de sub aparat.
Conexiune electrică
Risc de incendiu și șoc electric.
- Toate conexiunile electrice trebuie efectuate de un electrician calificat.
- Aparatul trebuie să fie împământat.
- Înainte de a efectua orice operațiune, asigurați-vă că aparatul este deconectat de la sursa de alimentare.
- Asigurați-vă că parametrii de pe plăcuța de identificare sunt compatibili cu valorile electrice ale sursei de alimentare principale.
- Asigurați-vă că aparatul este instalat corect. Cablul sau ștecherul (dacă este cazul) de alimentare slăbit și incorect pot face ca terminalul să devină prea fierbinte.
- Utilizați cablul de alimentare corect.
- Nu lăsați cablul de alimentare să se încurce.
- Asigurați-vă că este instalată o protecție împotriva șocurilor.
- Utilizați clema de detensionare a cablului.
- Asigurați-vă că cablul de alimentare sau ștecherul (dacă este cazul) nu ating aparatul fierbinte sau vasele de gătit fierbinți, când conectați aparatul la o priză.
- Nu utilizați adaptoare multi-ștecher și cabluri prelungitoare.
- Asigurați-vă că nu provocați daune ștecherului (dacă este cazul) sau cablului de alimentare. Contactați Centrul nostru de service autorizat sau un electrician pentru a schimba un cablu de alimentare deteriorat.
- Protecția împotriva șocurilor a pieselor sub tensiune și izolate trebuie fixată astfel încât să nu poată fi îndepărtată fără unelte.
- Conectați ștecherul la priză numai la sfârșitul instalării. Asigurați-vă că există acces la ștecher după instalare.
- Dacă priza este slăbită, nu conectați ștecherul.
- Nu trageți de cablul de alimentare pentru a deconecta aparatul. Trageți întotdeauna de ștecher.
- Utilizați numai dispozitive de izolare corecte: întrerupătoare de protecție a liniei, siguranțe (siguranțe cu șurub scoase din suport), declanșatoare de scurgeri la pământ și contactoare.
- Instalația electrică trebuie să aibă un dispozitiv de izolare care să vă permită să deconectați aparatul de la rețea la toți polii. Dispozitivul de izolare trebuie să aibă o lățime de deschidere a contactului de minimum 3 mm.
Utilizare
Risc de rănire, arsuri și șoc electric
- Nu modificați specificațiile acestui aparat.
- Îndepărtați toate ambalajele, etichetele și folia de protecție (dacă este cazul) înainte de prima utilizare.
- Asigurați-vă că orificiile de ventilație nu sunt blocate.
- Nu lăsați aparatul nesupravegheat în timpul funcționării.
- Setați zona de gătit pe "oprit" (oprit) după fiecare utilizare.
- Nu puneți tacâmuri sau capace de cratiță pe zonele de gătit. Acestea se pot înfierbânta.
- Nu utilizați aparatul cu mâinile ude sau când are contact cu apa.
- Nu utilizați aparatul ca suprafață de lucru sau ca suprafață de depozitare.
- Dacă suprafața aparatului este crăpată, deconectați imediat aparatul de la sursa de alimentare. Acest lucru pentru a preveni un șoc electric.
- Utilizatorii cu stimulator cardiac trebuie să păstreze o distanță de minimum 30 cm de zonele de gătit cu inducție atunci când aparatul este în funcțiune.
- Când puneți alimente în ulei fierbinte, acesta poate stropi.
Risc de incendiu și explozie
- Grăsimile și uleiul, atunci când sunt încălzite, pot elibera vapori inflamabili. Țineți flăcările sau obiectele încălzite departe de grăsimi și uleiuri atunci când gătiți cu ele.
- Vaporii pe care îi eliberează uleiul foarte fierbinte pot provoca combustie spontană.
- Uleiul uzat, care poate conține resturi de alimente, poate provoca incendiu la o temperatură mai scăzută decât uleiul utilizat pentru prima dată.
- Nu puneți produse inflamabile sau articole umede cu produse inflamabile în, lângă sau pe aparat.
Risc de deteriorare a aparatului
- Nu păstrați vase de gătit fierbinți pe panoul de control.
- Nu puneți un capac de tigaie fierbinte pe suprafața de sticlă a plitei.
- Nu lăsați vasele de gătit să fiarbă până la uscare.
- Aveți grijă să nu lăsați obiecte sau vase de gătit să cadă pe aparat. Suprafața se poate deteriora.
- Nu activați zonele de gătit cu vase de gătit goale sau fără vase de gătit.
- Nu puneți folie de aluminiu pe aparat.
- Vasele de gătit din fontă sau cu fundul deteriorat pot provoca zgârieturi pe sticlă / vitroceramică. Ridicați întotdeauna aceste obiecte când trebuie să le mutați pe suprafața de gătit.
Îngrijire și curățare
- Curățați aparatul în mod regulat pentru a preveni deteriorarea materialului suprafeței.
- Opriți aparatul și lăsați-l să se răcească înainte de curățare.
- Nu utilizați spray de apă și abur pentru a curăța aparatul.
- Curățați aparatul cu o cârpă moale și umedă. Utilizați numai detergenți neutri. Nu utilizați produse abrazive, bureți de curățare abrazivi, solvenți sau obiecte metalice.
Service
- Pentru a repara aparatul, contactați Centrul de service autorizat. Utilizați numai piese de schimb originale.
- În ceea ce privește lampa (lămpiile) din interiorul acestui produs și lămpile de schimb vândute separat: Aceste lămpi sunt destinate să reziste la condiții fizice extreme în aparatele electrocasnice, cum ar fi temperatura, vibrațiile, umiditatea sau sunt destinate să semnaleze informații despre starea operațională a aparatului. Nu sunt destinate utilizării în alte aplicații și nu sunt potrivite pentru iluminarea încăperilor casnice.
VIZITAȚI SITE-UL NOSTRU WEB PENTRU:
Obțineți sfaturi de utilizare, broșuri, depanare, informații despre service și reparații: www.zanussi.com/support

Referințe
Descărcați manualul
Aici puteți descărca versiunea completă pdf a manualului, aceasta poate conține instrucțiuni suplimentare de siguranță, informații despre garanție, reguli FCC etc.
Descărcați Zanussi ZIFN644K - Manual de utilizare pentru plita cu inducție













+ cifră



, 1 - 2
timp de 3 secunde. Afișajul se aprinde și se stinge.
timp de 3 secunde.
de câteva ori până când
se aprinde.
al temporizatorului pentru a selecta un mod automat.
- 



și un număr se aprind.