Linear Access AK-11 klaviatura uchun qo'llanma
- 1 KIRISH
- 2 TEXNIK XUSUSIYATLAR
- 3 XUSUSIYATLARI
- 4 KOMPONENTLAR JOYLASHLISHI
- 5 SIM ULANISH DIAGRAMMASI
- 6 O'RNATISH
- 7 ZAVOD STANDART SOZLAMALARI
-
8
ASOSIY DASTURLASH
- 8.1 Dasturlash rejimiga kirish
- 8.2 Dasturlash rejimini tark etish
- 8.3 Xatodan so'ng buyruqni qayta kiritish
- 8.4 Kirish kodining uzunligini sozlash
- 8.5 Yangi kirish kodini qo'shish
- 8.6 Bitta kirish kodini o'chirish
- 8.7 Barcha kirish kodlarini o'chirish
- 8.8 6 xonali Master dasturlash kodini o'zgartirish
-
9
PROGRAMMALASH IMKONIYATLARI
- 9.1 Eshik sezgisi yoki bloklash kirishini tanlang
- 9.2 Majburiy kirish chiqishini tanlang
- 9.3 Eshik ochiq chiqishini tanlang
- 9.4 Klaviatura blokirovkasi chiqishini tanlang
- 9.5 Klaviatura faol chiqishini tanlang
- 9.6 Signal shuntlash chiqishini tanlang
- 9.7 Kirishni so'rash chiqishini tanlang
- 9.8 #1 rele Yoqish vaqti
- 9.9 #2 rele Yoqish vaqti
- 9.10 Qattiq holatdagi #3 chiqish Yoqish vaqti
- 9.11 Qattiq holatdagi #4 chiqish Yoqish vaqti
- 9.12 Pastga yoritgich Yoqish vaqtini o'rnatish
- 9.13 Tugma bosilganda signal tovushlari
- 9.14 #1 rele davomida signal tovushlari
- 9.15 #2 rele davomida signal tovushlari
- 9.16 #3 chiqish davomida signal tovushlari
- 9.17 #4 chiqish davomida signal tovushlari
- 9.18 Klaviatura blokirovkasi soni
- 9.19 Qayta o'tishga qarshi vaqt
- 9.20 Asosiy qayta o'rnatish
- 9.21 Asosiy kodni qayta o'rnatish
- 9.22 Qattiq holatdagi chiqishlar
- 9.23 Signal beruvchi qurilma tovush darajasi
- 9.24 Klaviatura blokirovkasi
- 10 AK-11 ISHLASHI
- 11 Havolalar
- 12 Qo'llanmani yuklab olish
- 13 Boshqa tillarda

KIRISH
Linear AK-11 - bu kirishni nazorat qilish ilovalari uchun mo'ljallangan raqamli kalitsiz kirish tizimi. Klaviatura poydevorga o'rnatilishi yoki to'g'ridan-to'g'ri devorga o'rnatilishi mumkin bo'lgan mustahkam quyma alyuminiy korpusga joylashtirilgan. Quyma tugmalar yorqin, oson o'qiladigan sariq grafikaga ega.
Uzunligi 1 dan 6 gacha bo'lgan 480 tagacha kirish kodini dasturlash mumkin. Ular o'rni chiqishlaridan birini yoki ikkalasini ham faollashtirishi mumkin. Relay #1 5 Amper sig'imga ega. Relay #2 1 Amper sig'imga ega.
Ikki LED indikatori kirish tizimining holatini ko'rsatadi. Chap LED quvvatni ko'rsatish uchun qizil yonadi, keyin kirishga ruxsat berilganda yashil rangga aylanadi. O'ng LED klaviatura "blokirovka" holatida bo'lganda (juda ko'p noto'g'ri kod kiritilganligi sababli) sariq rangda yonadi. Klaviatura chiroqni doimo o'chirilgan, doimo yoqilgan yoki har qanday tugmani bosgandan keyin 1-4 daqiqagacha (standart 2 daqiqa) yoritish uchun dasturlash mumkin. Har bir tugma bosilganda ichki ovoz chiqaruvchi signal beradi.
DOOR SENSE/INHIBIT kirishini ikki usulda ishlatish mumkin. Agar "eshikni sezish" uchun dasturlangan bo'lsa, eshikdagi kalit majburiy kirish yoki eshik tirqish holatlarini aniqlaydi. Agar "taqiqlash" uchun dasturlangan bo'lsa, kirish Relay #1 ni kerak bo'lganda o'chiradigan "xizmat" kalitiga yoki avtomatik taymerga ulanishi mumkin.
REQUEST-TO-ENTER kirishi vakolatli xodimlar uchun kodsiz kirishni ta'minlash uchun tugmacha yoki yong'inga kirish kalitiga ulanishi mumkin. "Anti-passback" funksiyasi dasturlashtirilgan vaqt o'tmaguncha bir xil kodni ikki marta ishlatishni oldini oladi. ALARM SHUNT chiqishi kirishga ruxsat berilganda faollashadi. Ushbu chiqish vakolatli kirish sodir bo'lganda signalizatsiyani ishga tushirishni oldini olish uchun kirish eshigi/darvozadagi signalizatsiya kontaktlarini shunting qilish uchun ulanishi mumkin.
Umumiy holatga 100 mA o'tkazishga qodir bo'lgan ikkita qattiq holatdagi chiqish majburiy kirish, eshik tirqishi, blokirovka, signalizatsiya zanjirining shuntingi, kirish so'rovi va klaviatura faol holatlarini signal berish uchun dasturlashtirilishi mumkin.
AK-11 12-24 Volt AC yoki DC manbadan quvvatlanadi. Quvvatni kirish qurilmasidan yoki alohida quvvat manbaidan olish mumkin. EEPROM xotirasi barcha kirish kodlarini va dasturlashni, hatto quvvat bo'lmasa ham saqlaydi.
TEXNIK XUSUSIYATLAR
MEXANIK
Korpus o'lchamlari: 4.00" Eni x 5.50" Bo'yi x 3.00" Chuqurligi
ELEKTR
Voltaj: 12-24 Volt AC yoki DC
Tok: odatda 10 mA, maksimal 150 mA
Chiqishlar: Relay #1
Forma "C" 5 Amper @ 24 Volt maksimal
Relay #2
Forma "C" 1 Amper @ 24 Volt maksimal
Qattiq holatdagi chiqishlar (Chiqishlar #3 & #4)
Umumiy holatga qisqa tutashuv 100 mA
@ 24 VDC maksimal
ATROF-MUHIT
Harorat: -22°F dan 149°F gacha (-30°C dan 65°C gacha)
Namlik: 5% dan 95% gacha kondensatsiz
XUSUSIYATLARI
- KLAVIATURA DASTURLANADI
- 480 KIRISH KODI SIG'IMI
- 1-6 RAQAMLI KIRISH KODI UZUNLIGI
- 4 TA MUSTAQIL CHIQISH (VAQT/ALMASHTIRISH)
- 4 TA MUSTAQIL TAYMER
- HAR BIR KIRISH KODI RELAYLARNING BIRINI YOKI IKKALASINI FAOL QILISH UCHUN DASTURLANISHI MUMKIN
- RELAY KONTAKTLARI "C" (N.O. & N.C) SHAKLIDA
- QATTIQ HOLATDAGI CHIQISHLAR OCHIQ KOLLEKTOR (UMUMIY HOLATGA O'TKAZISH)
- IKKITA LED INDIKATOR
- CHIRAQ
- PIEZO OVOZ CHIQARUVCHI
- VAQT ORQALI ANTI-PASSBACK (OXIRGI 3 TA YAROQLI KIRISH)
- KLAVIATURA BLOKIROVKASI TAKTIL KALIT HISSI
- ESHIKNI SEZISH KIRISHI
- TAQIQLASH KIRISHI
- KIRISHNI SO'RASH KIRISHI
KOMPONENTLAR JOYLASHLISHI

1-rasm. Komponentlar Joylashuvi
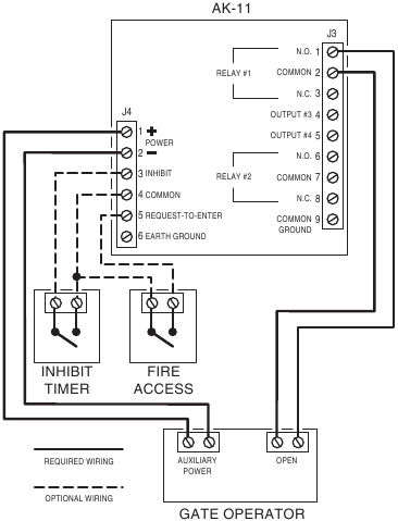
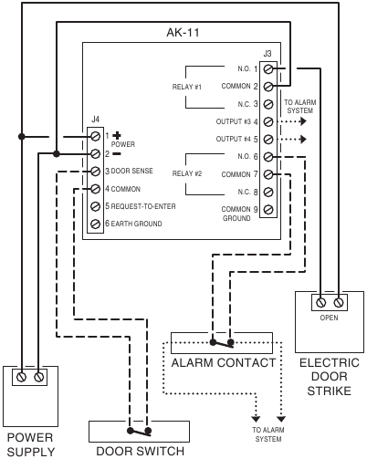
SIM ULANISH DIAGRAMMASI
ODATIY DARVOZA O'RNATISH SIM ULANISHI

ODATIY ESHIK O'RNATISH SIM ULANISHI

2-rasm. Sim Ulanish Diagrammasi
O'RNATISH
Statik razryadlardan qurilmaga zarar yetkazmaslik uchun YERGA ULANISH terminalini yaxshi yerga ulash nuqtasiga ulang. Yerga ulash va quvvat uchun taklif qilinadigan sim o'lchami 18 AWG (quvvat uchun 18 AWG simning 500 futigacha o'tkazish mumkin, uzoqroq o'tkazish uchun kattaroq simdan foydalaning). Boshqa barcha ulanishlar uchun 22 AWG yoki undan kattaroq simdan foydalaning (yukga qarab).
Agar qurilma AC quvvat bilan ta'minlangan bo'lsa va quvvat transformatorining ikkilamchi tomonining bir tomoni yerga ulangan bo'lsa, ulanadigan tomonni qurilmaning "-" quvvat terminaliga ulang.
Klaviatura uchun joy tanlang. Eshikka kirishni nazorat qilish uchun o'rnatishda klaviaturani nazorat qilinadigan eshikka yaqinroq o'rnating. Darvozani boshqarish uchun o'rnatishda klaviaturani darvoza aniq ko'rinadigan joyga o'rnating, lekin foydalanuvchi klaviaturadan darvozaga tegga olmaydigan darajada uzoqroq joyga o'rnating.

JIDDIY JAROAT YOKI O'LIM HOLATLARINI OLDINI OLISH UCHUN, QURILMA DARVOZADAN FOYDALANUVCHI KLAVIATURADAN FOYDALANAYOTGANDA DARVOZAGA TEGGA OLMAYDIGAN DARajada UZOQDA Ekanligiga ISHONCH HOSIL QILING. BULARGA QARAMAY, DARVOZA KLAVIATURADAN TO'LIQ KO'RINIB TURISHI KERAK.
Poydevorga O'rnatish
AK-11 klaviaturasini standart poydevorga o'rnatish mumkin.
- Klaviatura orqa panelini poydevorga mahkamlash uchun to'rtta himoya murvat va qulflash gaykasidan foydalaning (3-rasmga qarang).
![Linear Access - AK-11 - 3-rasm. Poydevorga O'rnatish Klaviatura Orqa Paneli 3-rasm. Poydevorga O'rnatish Klaviatura Orqa Paneli]()
3-rasm. Poydevorga O'rnatish Klaviatura Orqa Paneli
Devorga O'rnatish
AK-11 klaviaturasini to'g'ridan-to'g'ri devorga yoki tekis yuzaga o'rnatish mumkin.
- Klaviatura orqa panelini o'rnatish yuzasiga mahkamlash uchun tegishli mahkamlagichlardan foydalaning.
- Klaviatura beton devorga o'rnatilganda, beton tirgak ankrajlaridan yoki molli ankrajlaridan foydalaning (4-rasmga qarang).
![Linear Access - AK-11 - 4-rasm. Devorga O'rnatish Klaviatura Orqa Paneli 4-rasm. Devorga O'rnatish Klaviatura Orqa Paneli]()
4-rasm. Devorga O'rnatish Klaviatura Orqa Paneli
Darvozani Boshqarish
- Darvoza va klaviatura o'rtasida to'rtta sim o'tkazing (ikkita quvvat uchun, ikkita boshqarish uchun).
- Darvoza operatorining yordamchi yoki radio quvvat chiqish terminallarini klaviatura POWER kirish terminallariga ulang (sim ulanish qutbliligiga e'tibor bering).
- Darvoza operatorining OPEN terminallarini klaviaturaning Relay #1 COMMON & N.O. terminallariga ulang.
ESLATMA: Operator sim ulanishiga oid tafsilotlar uchun darvoza operatorining sim ulanish diagrammasiga qarang. - Agar kirishni so'rash tugmachasi yoki yong'inga kirish kaliti ishlatilmoqchi bo'lsa, klaviaturadan odatda ochiq kalitga ikkita sim o'tkazing. Simlarni odatda ochiq kalitga va klaviaturaning REQUEST-TO-ENTER va COMMON terminallariga ulang.
- Agar taqiqlash kaliti yoki taymer ishlatilmoqchi bo'lsa, klaviaturadan taqiqlash kaliti yoki taymer relayiga ikkita sim o'tkazing. Taqiqlash kaliti/taymer terminallarini klaviaturaning INHIBIT va COMMON terminallariga ulang.
ESLATMA: Agar INHIBIT kirishi ishlatilmoqchi bo'lsa, uni ushbu kirish turini tanlash uchun dasturlash kerak. Ushbu qo'llanmaning Dasturlash Variantlari bo'limiga qarang.
![Linear Access - AK-11 - 5-rasm. Darvozani O'rnatish 5-rasm. Darvozani O'rnatish]()
5-rasm. Darvozani O'rnatish
Eshikni Boshqarish
- Eshikni ochish uchun past kuchlanishli elektr eshik blokirovatorini o'rnating.
- Quvvat manbai yoki transformator uchun joy tanlang.
- Quvvat manbai va klaviatura o'rtasida ikkita sim o'tkazing. Quvvat manbaining chiqish terminallarini klaviaturaning POWER kirish terminallariga ulang (sim ulanish qutbliligiga e'tibor bering).
- Eshik blokirovatori va klaviatura o'rtasida ikkita sim o'tkazing. Eshik blokirovatori simlaridan birini klaviaturaning Relay #1 N.O. terminaliga ulang. Eshik blokirovatori simining boshqa simini klaviaturaning POWER + terminaliga ulang. Klaviatura POWER - terminali va Relay #1 COMMON terminali o'rtasida sim ulang.
- Agar kirishni so'rash tugmachasi yoki yong'inga kirish kaliti ishlatilmoqchi bo'lsa, klaviaturadan odatda ochiq kalitga ikkita sim o'tkazing. Simlarni odatda ochiq kalitga va klaviaturaning REQUEST-TO-ENTER va COMMON terminallariga ulang.
- Majburiy kirish yoki eshik tirqish holatlarini aniqlash uchun eshikni sezish funksiyasidan foydalanish uchun eshikka odatda yopiq eshik kalitini o'rnating va kalitdan klaviaturaga ikkita sim o'tkazing. Eshik kalitini klaviaturaning DOOR SENSE va COMMON terminallariga ulang.
- Agar taqiqlash kaliti yoki taymer ishlatilmoqchi bo'lsa, kalit yoki taymerdan klaviaturaga ikkita sim o'tkazing. Taqiqlash kaliti/taymer terminallarini klaviaturaning INHIBIT va COMMON terminallariga ulang.
ESLATMA: Eshikni sezish yoki taqiqlashdan birini ishlatish mumkin. Ikkala funksiyani bir vaqtning o'zida ishlatib bo'lmaydi.
![Linear Access - AK-11 - 6-rasm. Eshikni O'rnatish 6-rasm. Eshikni O'rnatish]()
6-rasm. Eshikni O'rnatish
ZAVOD STANDART SOZLAMALARI
| MASTER DASTURLASH KODI | 123456 | |
| KIRISH KODI UZUNLIGI | 4 RAQAM | |
| KIRISHNI SO'RASH CHIQISHI | RELAY #1 | |
| SIGNALIZATSIYANI SHUNTLASH CHIQISHI | O'CHIRILGAN | |
| MAJBURIY KIRISH CHIQISHI | CHIQISH #3 | |
| ESHIK TIRQISHI CHIQISHI | CHIQISH #4 | |
| RELAY #1 YOQILISH VAQTI | 2 SONIYA | |
| RELAY #2 YOQILISH VAQTI | 2 SONIYA | |
| QATTIQ HOLATDAGI CHIQISH #3 YOQILISH VAQTI | 2 SONIYA | |
| QATTIQ HOLATDAGI CHIQISH #4 YOQILISH VAQTI | 2 SONIYA | |
| ESHIKNI SEZISH/TAQIQLASH KIRISHI | ESHIKNI SEZISH | |
| KLAVIATURA BLOKIROVKASI CHIQISHI | O'CHIRILGAN | |
| KLAVIATURA FAOL CHIQISHI | O'CHIRILGAN | |
| PASTGA YORITISH YOQILISH VAQTI | 2 DАQIQA | |
| TUGMA BOSILGAN VAQTDA SIGNAL CHALINADI | HA | |
| RELAY #1 DAVOMIDA SIGNAL CHALINADI | YO'Q | |
| RELAY #2 DAVOMIDA SIGNAL CHALINADI | YO'Q | |
| CHIQISH #3 DAVOMIDA SIGNAL CHALINADI | YO'Q | |
| CHIQISH #4 DAVOMIDA SIGNAL CHALINADI | YO'Q | |
| KLAVIATURA BLOKIROVKASI HISOBI | BLOKIROVKADAN OLDIN 3 TA URINISH | |
| ANTI-PASSBACK VAQTI | ANTI-PASSBACK YO'Q | |
ASOSIY DASTURLASH
AK-11 dasturlash rejimida bo'lganda, dasturlash boshlangunga qadar ikkala LED ham o'chadi. Dasturlash opsiyasi raqami kiritilgandan so'ng sariq LED miltillaydi. Bu AK-11 yangi dasturlash ma'lumotlarini qabul qilishga tayyorligini bildiradi. Yangi ma'lumotlar kiritilishi tugagandan so'ng, ma'lumotlar saqlanayotganda yashil LED yonadi. Agar biron bir dasturlash ma'lumoti noto'g'ri kiritilsa, qizil LED yonadi va buyruqni to'liq qayta kiritish kerak bo'ladi.
Dasturlash rejimiga kirish
6 xonali Master dasturlash kodi (standart = 123456) Dasturlash rejimiga kirish uchun ishlatiladi.
Bosing: # 9 # Master Code
Master Code = joriy 6 xonali Master dasturlash kodi
Dasturlash rejimini tark etish
Bosing: * * #
Dasturlash rejimi tark etilganda qizil LED yonadi.
IZOH: AK-11 ikki daqiqa harakatsizlikdan so'ng avtomatik ravishda Dasturlash rejimini tark etadi.
Xatodan so'ng buyruqni qayta kiritish
Agar qizil LED yonsa, bu noto'g'ri kiritishni bildiradi yoki dasturlash vaqtida noto'g'ri tugma bosilsa, klaviaturani tozalash va buyruqni qayta kiritish uchun:
Bosing: * 9 #
Kirish kodining uzunligini sozlash
Standart: 4 xona
Bosing: 0 3 # Length #
Length = kirish kodi uzunligi uchun 1 - 6
IZOH: Agar kirish kodi uzunligi zavodning standart to'rt xonali qiymatidan o'zgartirilmoqchi bo'lsa, unda biron bir kirish kodini dasturlashdan oldin avval ushbu o'zgartirishni amalga oshiring.
Yangi kirish kodini qo'shish
Bosing: 0 1 # Code # Code # Action #
Code = Yangi kirish kodi: kod uzunligiga qarab 1-999999
Action = Relay chiqish kirish kodi quyidagicha faollashadi:
1 = Relay #1, vaqtinchalik ochiq
2 = Relay #2, vaqtinchalik ochiq
3 = Ikkala Relay ham, vaqtinchalik ochiq
10 = Relay #1, o'zgartirilgan
20 = Relay #2, o'zgartirilgan
30 = Ikkala Relay ham, o'zgartirilgan
12 = Relay #1 o'zgartirilgan; Relay #2, vaqtinchalik ochiq
21 = Relay #1, vaqtinchalik ochiq; Relay #2 o'zgartirilgan
AK-11 o'z xotirasida mavjud joy va takroriy yozuvlarni qidirayotganda sariq LED tezda miltillaydi. Yangi kod saqlanganda yashil LED yonadi.
Agar tanlangan yangi kirish kodi allaqachon boshqa kirish kodi uchun ishlatilgan bo'lsa, qizil LED yonadi. Yangi noyob kod kiritilishi kerak.
IZOH: Yangi kirish kodini dasturlashda bosh nol (kod raqamidan oldingi nol, masalan, 0001) kiritish shart emas. AK-11 kirish kodi uzunligi sozlamasi bilan belgilangan barcha raqamlarni to'ldirish uchun ichki ravishda har qanday nollarni qo'shadi. Foydalanuvchi kirish uchun o'z kodini kiritganda bosh nollarni kiritishi kerak bo'ladi.
Bitta kirish kodini o'chirish
Bosing: 0 2 # Code # Code #
Code = O'chiriladigan kirish kodi.
AK-11 o'chirish uchun kodni xotirasida qidirayotganda sariq LED tezda miltillaydi. Kod o'chirilganda yashil LED yonadi.
Barcha kirish kodlarini o'chirish
Ushbu buyruqni bajarish xotiradan barcha kirish kodlarini olib tashlaydi.
Bosing: 9 7 # 0 0 0 0 0 0 # 0 0 0 0 0 0 #
IZOH: Xotira o'chirilayotganda yashil LED yonadi. Bu 15 soniyagacha davom etishi mumkin.
6 xonali Master dasturlash kodini o'zgartirish
Bosing: 9 8 # Master Code # Master Code #
Master Code = Yangi 6 xonali Master dasturlash kodi
PROGRAMMALASH IMKONIYATLARI
Eshik sezgisi yoki bloklash kirishini tanlang
Standart: Eshik sezgisi
J4 terminal blokidagi kirish, #3 terminali ESHIK SEZGISI yoki BLOKLASH uchun dasturlashtirilishi mumkin.
Bosing: 1 0 # Kirish#
Kirish = Bloklash uchun 1,= Eshik sezgisi uchun 0
DOOR SENSE (ESHIK SEZGISI) uchun dasturlashtirilganda, agar kirishda ochiq holat yuzaga kelsa, ruxsat berilishidan oldin (kirish kodi yoki kirish so'rovi bilan) MAJBURIY KIRISH chiqishi sodir bo'ladi. Agar ochiq holat ruxsat uchun 60 soniyadan keyin reledagi faollashuvdan keyin qolsa, ESHIK OCHIQ chiqishi sodir bo'ladi.
INHIBIT (BLOKLASH) uchun dasturlashtirilganda, kirishdagi yopiq holat kirish so'ralganda (kirish kodi bilan) #1 releining faollashuviga to'sqinlik qiladi. Ushbu rejim odatda tashqi taymer bilan birga ma'lum vaqtlarda kirish moslamasini o'chirish uchun ishlatiladi.
Majburiy kirish chiqishini tanlang
Standart: Chiqish #3
Agar Door Sense (Eshik sezgisi) kirishi ruxsat berilishidan oldin ochilsa, qaysi chiqish faollashishini o'rnatadi. Ushbu chiqish vaqt bo'yicha belgilanmaydi.
Bosing: 1 1 # Chiqish #
Chiqish = Faollashtiriladigan chiqish (0-4)
1 = #1 rele
2 = #2 rele
3 = Chiqish #3
4 = Chiqish #4
0 = Chiqish yo'q
Eshik ochiq chiqishini tanlang
Standart: Chiqish #4
Agar Door Sense (Eshik sezgisi) kirishi ruxsat berilgandan keyin ochiq qolsa, qaysi chiqish faollashishini o'rnatadi. Ushbu chiqish vaqt bo'yicha belgilanmaydi.
Bosing: 1 2 # Chiqish #
Chiqish = Faollashtiriladigan chiqish (0-4)
1 = #1 rele
2 = #2 rele
3 = Chiqish #3
4 = Chiqish #4
0 = Chiqish yo'q
Klaviatura blokirovkasi chiqishini tanlang
Standart: Chiqish yo'q
Noto'g'ri kirish kodi urinishlari juda ko'p bo'lgandan so'ng klaviatura "bloklangan" bo'lsa, qaysi chiqish faollashishini o'rnatadi. Blokirovka vaqti 60 soniya.
Bosing: 1 3 # Chiqish #
Chiqish = Faollashtiriladigan chiqish (0-4)
1 = #1 rele
2 = #2 rele
3 = Chiqish #3
4 = Chiqish #4
0 = Chiqish yo'q
Klaviatura faol chiqishini tanlang
Standart: Chiqish yo'q
Har qanday tugma bosilganda qaysi chiqish faollashishini o'rnatadi. Ushbu chiqish vaqt bo'yicha belgilanadi.
Bosing: 1 4 # Chiqish #
Chiqish = Faollashtiriladigan chiqish (0-4)
1 = #1 rele
2 = #2 rele
3 = Chiqish #3
4 = Chiqish #4
0 = Chiqish yo'q
Signal shuntlash chiqishini tanlang
Standart: Chiqish yo'q
Kirishga ruxsat berilgan vaqtda qaysi chiqish faollashishini o'rnatadi. (Kirish eshigiga ulangan signal kontaktlarini shuntlash uchun ushbu chiqishdan foydalaning.) Ushbu chiqish vaqt bo'yicha belgilanadigan yoki qulflanadigan bo'lishi mumkin.
Bosing: 1 5 # Chiqish #
Chiqish = Faollashtiriladigan chiqish (0-4)
1 = #1 rele
2 = #2 rele
3 = Chiqish #3,
4 = Chiqish #4
0 = Chiqish yo'q
Kirishni so'rash chiqishini tanlang
Standart: #1 rele
Kirishni so'rash kirishi yerga ulanganida qaysi chiqish faollashishini o'rnatadi. Ushbu chiqish kamida relelar yoki chiqishlar uchun Yoqish vaqtlari bilan belgilangan vaqt davomida faol holatda qoladi. Agar Kirishni so'rash kirishi relelar yoki chiqishlar uchun Yoqish vaqtlari bilan belgilangan vaqtdan tashqari yerga ulangan holda qolsa, chiqish Kirishni so'rash kirishi yerga ulangan holda qolguncha faol holatda qoladi.
Bosing: 1 6 # Chiqish #
Chiqish = Faollashtiriladigan chiqish (0-4)
1 = #1 rele
2 = #2 rele
3 = Chiqish #3
4 = Chiqish #4
0 = Chiqish yo'q
#1 rele Yoqish vaqti
Standart: 2 soniya
Ishga tushirilganda #1 rele qancha vaqt faollashishini o'rnatadi.
Bosing: 2 1 # Soniya #
Soniya = Chiqish vaqti soniyalarda (0-60)
#2 rele Yoqish vaqti
Standart: 2 soniya
Ishga tushirilganda #2 rele qancha vaqt faollashishini o'rnatadi.
Bosing: 2 2 # Soniya #
Soniya = Chiqish vaqti soniyalarda (0-60)
Qattiq holatdagi #3 chiqish Yoqish vaqti
Standart: 2 soniya
Ishga tushirilganda #3 chiqish qancha vaqt faollashishini o'rnatadi.
Bosing: 2 3 # Soniya #
Soniya = Chiqish vaqti soniyalarda (0-60)
99 = O'zgartirish rejimi
Qattiq holatdagi #4 chiqish Yoqish vaqti
Standart: 2 soniya
Ishga tushirilganda #4 chiqish qancha vaqt faollashishini o'rnatadi.
Bosing: 2 4 # Soniya #
Soniya = Chiqish vaqti soniyalarda (0-60)
99 = O'zgartirish rejimi
Pastga yoritgich Yoqish vaqtini o'rnatish
Standart: 2 daqiqa
Tugma bosilgandan keyin pastga yoritgich qancha vaqt yonib turishini o'rnatadi.
Bosing: 2 5 # Davomiylik #
0 = Har doim o'chirilgan
1 = 1 daqiqa
2 = 2 daqiqa
3 = 3 daqiqa
4 = 4 daqiqa
99 = Har doim yoqilgan
Tugma bosilganda signal tovushlari
Standart: Ha
Har bir tugma bosilganda klaviatura signal berishini yoki yo'qligini tanlaydi.
Bosing: 4 0 # Tovush #
Tovush = Ha uchun 1 = Yo'q uchun 0
#1 rele davomida signal tovushlari
Standart: Yo'q
#1 rele faollashuvi davomida klaviatura signal berishini yoki yo'qligini tanlaydi.
Bosing: 4 1 # Tovush #
Tovush = Ha uchun 1 = Yo'q uchun 0
#2 rele davomida signal tovushlari
Standart: Yo'q
#2 rele faollashuvi davomida klaviatura signal berishini yoki yo'qligini tanlaydi.
Bosing: 4 2 # Tovush #
Tovush = Ha uchun 1 = Yo'q uchun 0
#3 chiqish davomida signal tovushlari
Standart: Yo'q
#3 chiqish faollashuvi davomida klaviatura signal berishini yoki yo'qligini tanlaydi.
Bosing: 4 3 # Tovush #
Tovush = Ha uchun 1 = Yo'q uchun 0
#4 chiqish davomida signal tovushlari
Standart: Yo'q
#4 chiqish faollashuvi davomida klaviatura signal berishini yoki yo'qligini tanlaydi.
Bosing: 4 4 # Tovush #
Tovush = Ha uchun 1 = Yo'q uchun 0
Klaviatura blokirovkasi soni
Standart: 3 urinish
Klaviatura "bloklanishidan" oldin ruxsat etilgan noto'g'ri kirish kodi urinishlari sonini o'rnatadi.
Bosing: 5 0 # Urinishlar #
Urinishlar = Blokirovkadan oldingi urinishlar soni (2-7)
Qayta o'tishga qarshi vaqt
Standart: Qayta o'tishga qarshi yo'q
Kirish kodi ishlatilgandan keyin qancha vaqt davomida ishlamasligini o'rnatadi.
Bosing: 5 1 # Daqiqa #
Daqiqa = Daqiqalardagi vaqt (1-4)
0 = Qayta o'tishga qarshi yo'q
Asosiy qayta o'rnatish
Asosiy qayta o'rnatishni bajarish AK-11 ning butun xotirasini tozalaydi va barcha dasturlashtiriladigan imkoniyatlarni zavod standart qiymatlariga qaytaradi. BARCHA KIRISH KO'DLARI O'CHIRILADI.
1-QADAM Klaviatura quvvatini uzing.
2-QADAM * va # tugmalarini bosib ushlab turing.
3-QADAM Klaviatura quvvatini yoqing, qizil LED miltillashni boshlaguncha tugmalarni bosib ushlab turishda davom eting.
4-QADAM Tugmalarni qo'yib yuboring. Jarayon tugamaguncha qizil va sariq LEDlar yonib turadi, keyin sariq LED o'chadi.
Asosiy kodni qayta o'rnatish
1-QADAM AK-11 korpusini oching.
2-QADAM JP2 o'tkazgichni toping. Ushbu o'tkazgich asosiy kodni qayta o'rnatish uchun ishlatiladi.
3-QADAM Klaviaturaga quvvat berilgan holda JP2 o'tkazgichni olib tashlang. Klaviatura kod qayta o'rnatilganligini bildiruvchi signal berishni boshlaydi.
4-QADAM JP2 o'tkazgichni joyiga qo'ying.
ASOSIY PROGRAMMALASH KODI ENDI 123456.
Qattiq holatdagi chiqishlar
Ikki qattiq holatdagi chiqish (Chiqish #3 va Chiqish #4) turli sharoitlarda faollashishi uchun dasturlashtirilishi mumkin. Ushbu chiqishlar indikatorlar yoki signal beruvchi qurilmalarni faollashtirish uchun ishlatilishi mumkin. Qattiq holatdagi chiqishlardan foydalangan holda ulanish namunalarini ko'rish uchun 7-rasmga qarang.

7-rasm. Qattiq holatdagi chiqishlardan foydalanish
Signal beruvchi qurilma tovush darajasi
Klaviatura signal beruvchi qurilmasi past yoki yuqori darajaga o'rnatilishi mumkin.
- Agar klaviatura signal beruvchi qurilmasi klaviatura joylashuvi uchun juda baland bo'lsa, JP1 o'tkazgichni olib tashlang (8-rasmga qarang).
![Linear Access - AK-11 - 8-rasm. Signal beruvchi qurilma o'tkazgichini olib tashlash 8-rasm. Signal beruvchi qurilma o'tkazgichini olib tashlash]()
8-rasm. Signal beruvchi qurilma o'tkazgichini olib tashlash
Klaviatura blokirovkasi
O'rnatish tugallangandan so'ng. Klaviatura qulfidan foydalanib klaviaturani qulflang (9-rasmga qarang).

9-rasm. Klaviatura korpusini qulflash
AK-11 ISHLASHI
- AK-11 foydalanuvchilari o'zlarining kirish kodlarini kiritish uchun 40 soniyagacha vaqtga ega.
- Har bir tugmani bosish orasida sakkiz soniyagacha ruxsat etiladi.
- Kirish kodining barcha raqamlari kiritilishi kerak. Misol: Agar kod 0042 bo'lsa, foydalanuvchi "0 0 4 2" kiritishi kerak.
- Agar noto'g'ri tugma bosilsa, * tugmasini bosish klaviaturani qayta o'rnatadi. Keyin to'g'ri kodni qayta kiritish mumkin.
- To'g'ri kod kiritilgandan so'ng, qizil LED yashil rangga aylanadi va dasturlashtirilgan rele dasturlashtirilgan vaqt davomida faollashadi.
- Agar kiritilgan noto'g'ri kodlar soni klaviatura blokirovkasi sonidan oshib ketsa, sariq LED yonadi va bu klaviatura bloklanganligini bildiradi. Blokirovka bir daqiqa davom etadi.
- Yaroqli kod kiritilgandan so'ng, qayta o'tishga qarshi vaqt tugamaguncha undan foydalanib bo'lmaydi.
![Linear Access - AK-11 - 10-rasm. AK-11 ni ishlatish 10-rasm. AK-11 ni ishlatish]()
10-rasm. AK-11 ni ishlatish

(760) 438-7000
AQSh va Kanada (800) 421-1587 va (800) 392-0123
Bepul faks (800) 468-1340
www.linearcorp.com
Havolalar
Qo'llanmani yuklab olish
Bu yerda siz qo'llanmaning to'liq pdf versiyasini yuklab olishingiz mumkin, u qo'shimcha xavfsizlik ko'rsatmalari, kafolat ma'lumotlari, FCC qoidalari va hokazolarni o'z ichiga olishi mumkin.
Linear Access AK-11 klaviatura uchun qo'llanma ni yuklab olish





