Midea MY-CS5039P - Návod k použití elektrického tlakového hrnce
Specifikace
| Napětí/Frekvence | 220-240V~ 50/60Hz | Výkon | 900-1070W |
| Vnitřní průměr hrnce | 22cm | Objem vnitřního hrnce | 5.0L |
| Pracovní tlak | 70kPa | Teplota ohřevu | 60ºC~80ºC |
| Příslušenství | Lžíce na rýži, polévková lžíce, odměrka, sběrač kondenzátu, uživatelská příručka. | ||
Struktura produktu

Ovládací prvky a stavy hrnce
Ovládací panel
Ovládací panel vašeho elektrického tlakového hrnce se skládá z LED displeje, 6 ovládacích kláves a 5 funkčních kláves. Každá funkce má kontrolku funkce.

Stavy hrnce
Váš elektrický tlakový hrnec má 4 stavy, které se zobrazují na LED displeji a pomocí indikátorů funkcí.
- Stav OTEVŘENO (LED displej zobrazuje "OPEN" (otevřeno)): znamená, že víko hrnce je v otevřeném stavu.
- Pohotovostní stav: LED displej zobrazuje "
". - Přednastavený stav: LED displej zobrazuje přednastavený čas a čas se odpočítává a rozsvítí se indikátor aktivované funkce.
- Stav provozu programu: LED displej zobrazuje "
" a rozsvítí se indikátor aktivované funkce. - Stav udržování teploty: LED displej zobrazuje "
" a čas se počítá nahoru a rozsvítí se indikátor funkce "Warm" (ohřev).
Ovládací klávesy
Mezi 6 ovládacích tlačítek patří "Cancel" (zrušit), "Timer" (časovač), "Warm" (ohřev), "Hot pot" (horký hrnec), "Texture" (textura) a "Menu" (menu). Tlačítko Cancel (zrušit) se používá ke zrušení funkce nastavení nebo ke zrušení aktuálního pracovního stavu. Tlačítko Timer (časovač) se používá k přednastavení času, tlačítko Warm (ohřev) slouží k udržování jídla teplého, tlačítko Hot pot (horký hrnec) slouží k vaření s otevřeným víkem, tlačítko Texture (textura) slouží k nastavení textury jídla a tlačítko Menu (menu) slouží k nastavení obecných funkcí.
Funkční klávesy
Nejdůležitější klávesou je "Cancel" (zrušit). Když je hrnec programován nebo je spuštěn jakýkoli program, stisknutím této klávesy program zrušíte a přepnete hrnec do pohotovostního režimu. Když je hrnec v pohotovostním režimu, stisknutím této klávesy aktivujete program udržování teploty.
Tlačítko rychlé funkce
K dispozici je 5 tlačítek rychlé funkce: "Fast cook" (rychlé vaření), "Porridge" (kaše), "Start" (start), "Soup" (polévka) a "Stew" (dušení).
Před prvním použitím
Před prvním použitím vyjměte z obalu veškeré příslušenství a pečlivě si přečtěte tento návod. Věnujte zvláštní pozornost provozním pokynům a upozorněním, abyste předešli zranění nebo škodám na majetku. Umyjte vnitřek víka a vnitřní hrnec teplou mýdlovou vodou, opláchněte a důkladně osušte. Otřete vnější kryt čistým vlhkým hadříkem. Nikdy neponořujte kryt hrnce do vody nebo jiné kapaliny. Vnitřní hrnec, těsnicí kroužek a výfukový ventil a veškeré příslušenství lze mýt v myčce nádobí. Nikdy však nemyjte víko a kryt v myčce nádobí.
Demontáž a instalace protiblokovacího štítu
Protiblokovací štít lze demontovat zatlačením na stranu a zvednutím nahoru. Chcete-li nainstalovat protiblokovací štít, umístěte jej na místo a zatlačte dolů.

Demontáž a instalace těsnicího kroužku
Těsnicí kroužek lze demontovat tahem nahoru z držáku těsnicího kroužku po částech. Chcete-li nainstalovat těsnicí kroužek, zatlačte jej dolů do držáku po částech. Těsnicí kroužek lze nainstalovat libovolnou stranou nahoru.

Vezměte prosím na vědomí následující:
- Před každým použitím zkontrolujte, zda je těsnicí kroužek dobře usazen v držáku těsnicího kroužku a zda je protiblokovací štít správně namontován na trubce pro uvolňování páry.
- Po použití odstraňte z těsnicího kroužku a protiblokovacího štítu veškeré cizí předměty.
- Udržujte těsnicí kroužek čistý, aby se zabránilo zápachu. Umyjte těsnicí kroužek v teplé mýdlové vodě nebo v myčce nádobí, abyste odstranili zápach. Je však normální, že těsnicí kroužek absorbuje vůni některých kyselých potravin. Proto je vždy dobré mít po ruce více než jeden těsnicí kroužek.
- Nikdy netahejte za těsnicí kroužek silou, protože tahání může způsobit deformaci a ovlivnit jeho funkci při utěsňování tlaku.
- Těsnicí kroužek s prasklinami, řezy nebo jiným poškozením by se neměl používat. Měla by se použít nová náhrada těsnicího kroužku.
Bezpečné otevírání víka
- Ujistěte se, že program tlakového vaření byl dokončen, nebo stiskněte tlačítko "Cancel" (zrušit) pro ukončení programu.
- Uvolněte tlak jedním z následujících způsobů.
Rychlé uvolnění:
- Stiskněte tlačítko "Steam Release" (uvolnění páry)
" na rukojeti víka, abyste vypustili páru, dokud plovákový ventil neklesne dolů.
- Při použití rychlého uvolnění držte ruce a obličej mimo otvor na horní straně výfukového ventilu. Unikající pára je velmi horká a může způsobit opaření.
- Nikdy nevytahujte výfukový ventil, když vypouští páru.
- Uvědomte si, že rychlé uvolnění není vhodné pro potraviny ve velkém objemu tekutiny nebo s vysokým obsahem škrobu (např. kaše, congee, lepkavé tekutiny, polévka atd.). Obsah potravin se může rozstříknout s párou. Místo toho použijte přirozené uvolnění.
Přirozené uvolnění:
- Nechte hrnec přirozeně vychladnout, dokud plovákový ventil neklesne dolů. To může trvat 10 až 15 minut po dokončení vaření a hrnec je v režimu udržování teploty.
- Položení mokrého ručníku na víko může urychlit chlazení.
- Otevřete víko: Držte rukojeť víka, otočte víko proti směru hodinových ručiček do otevřené polohy a zvedněte víko nahoru, abyste jej otevřeli.
-
Neotvírejte víko, dokud není tlak uvnitř hrnce zcela uvolněn. Jako bezpečnostní prvek, dokud plovákový ventil neklesne dolů, je víko uzamčeno a nelze jej otevřít. - Pokud se plovákový ventil zasekne kvůli zbytkům jídla nebo lepivosti, můžete jej zatlačit dolů perem nebo hůlkami, když jste si jisti, že byl tlak uvolněn stisknutím tlačítka "Steam Release" (uvolnění páry)
" na rukojeti víka.
Příprava na vaření
- Otevřete víko
Držte rukojeť víka rukou, otáčejte proti směru hodinových ručiček přibližně o 30 stupňů až na konec.
![]()
- Zkontrolujte, zda jsou všechny části na víku správně sestaveny
Zkontrolujte plovákový ventil a výfukový ventil, zda nejsou ucpané. Ujistěte se, že je těsnicí kroužek dobře usazen uvnitř držáku, protiblokovací štít je správně nainstalován a plovákový ventil se může snadno pohybovat nahoru a dolů.
- Vyjměte vnitřní hrnec a vložte do něj jídlo a tekutinu
Celkové množství jídla a vody by NIKDY nemělo překročit maximální úroveň označení vnitřního hrnce. Doporučuje se, abyste jednotku nenaplňovali více než do 2/3. Při vaření potravin, které se během vaření rozpínají, jako je rýže, fazole nebo sušená zelenina, nenaplňujte jednotku více než do 1/2. Nadměrné plnění může způsobit ucpání větracích trubek a vytvoření nadměrného tlaku. To by také mohlo způsobit rozlití a poškození jednotky.
![]()
- Umístěte vnitřní hrnec do krytu hrnce
Předtím se ujistěte, že jste odstranili cizí předměty a otřeli vnější stranu vnitřního hrnce a topné těleso uvnitř hrnce do sucha.
Po vložení vnitřního hrnce do krytu jím mírně otočte, abyste zajistili dobrý kontakt mezi vnitřním hrncem a topným tělesem.

- Zavřete víko úplně
Držte rukojeť víka a položte víko na hrnec tak, aby značka na víku a značka na okraji krytu byly zarovnány. Otáčejte víkem ve směru hodinových ručiček přibližně o 30 stupňů až na konec.
![]()
Vaření s vaším hrncem
Vaření v tlakovém hrnci
Následující postup se týká funkcí "Rice" (rýže), "Ribs" (žebra), "Fish" (ryba), "Congee" (kaše), "Multigrain" (vícezrnné), "Baby food" (dětská výživa), "Meat/Chicken" (maso/kuře), "Beef/Mutton" (hovězí/skopové), "Bean/Tendons" (fazole/šlachy), "Reheat" (ohřev), "Steam" (pára), "Broth" (vývar).
Návod k použití
Polévka s originální chutí
Jako příklad uvádíme polévku s originální chutí, můžete si vybrat i jiné nabídky podle potřeby.
- Připravte si základ polévky a očistěte ho. Očistěte základ polévky (vepřové kosti, kukuřice, mrkev atd.), nakrájejte je a vložte do vnitřní nádoby na vaření.
- Přidejte vodu po odpovídající rysku naplnění. Přidejte odpovídající množství vody po odpovídající rysku naplnění podle ingrediencí nebo osobních preferencí.
Poznámka: Voda nesmí překročit maximální rysku naplnění. - Připojte napájení. Zasuňte zástrčku a ujistěte se, že je správně připojena k zásuvce.
- Vyberte funkci
![]()
Stiskněte tlačítko "Soup" (polévka) pro vstup do režimu vaření polévky. - Režim vaření polévky
![]()
Pokud chcete přepnout nebo zrušit aktuální funkci, stiskněte tlačítko "Cancel" (zrušit) pro opětovný výběr. - Vaření polévky dokončeno
![]()
Po dokončení vaření polévky se hrnec automaticky přepne do režimu "Keep warm" (udržování teploty).
Přednastavená voňavá dušená rýže
Např.: Přednastavte si voňavou dušenou rýži, aby byla hotová do druhého dne ráno v 7:30. (Přednastavený čas se vztahuje k odpočítávání času, vaření bude dokončeno po dosažení přednastaveného času. Pokud je aktuální čas 22:30 (GMT+8), pak by měl být přednastavený čas 9h (9:00)).
Poznámka: Funkce "Reheat" (ohřev), "Hot pot" (horký hrnec), "Fast Cook" (rychlé vaření), "Porridge" (kaše), "Soup" (polévka) a "Stew" (dušení) nelze přednastavit, rozhodující je konečný produkt.
- Připravte si rýži a vodu
Vložte propláchnutou rýži do hrnce a zvolte odpovídající hladinu vody podle množství rýže. Přidejte vodu, dokud nedosáhne požadované hladiny, a množství podle potřeby zvyšte nebo snižte.
Poznámka: Voda nesmí překročit maximální rysku naplnění. - Vyberte funkci
![Midea - MY-CS5039P - Přednastavená voňavá dušená rýže - Vyberte funkci Přednastavená voňavá dušená rýže - Vyberte funkci]()
Zavřete víko, stiskněte tlačítko "Menu" (nabídka) pro výběr požadované funkce (například Rýže) nebo zvolte jinou nabídku. - Nastavení časovače
![]()
Stiskněte tlačítko "Timer" (časovač), vstoupíte do stavu přednastaveného času a stisknutím tlačítka "Timer" (časovač) nepřetržitě upravte čas. - Spusťte přednastavení
![]()
Stiskněte tlačítko "Start" (start), vaření bude dokončeno v určený čas.
Výběr textury jídla
Jako příklad uvádíme rýži, můžete si také vybrat "Ribs" (žebra), "Fish" (ryba), "Congee" (kaše), "Multigrain" (vícezrnné), "Baby food" (dětská výživa), "Meat/Chicken" (maso/kuře), "Beef/Mutton" (hovězí/skopové), "Bean/Tendons" (fazole/šlachy), "Steam" (pára) a "Broth" (vývar).
Poznámka: Funkce "Reheat" (ohřev), "Hot pot" (horký hrnec), "Fast Cook" (rychlé vaření), "Porridge" (kaše), "Soup" (polévka) a "Stew" (dušení) nemohou vybírat texturu.
- Použijte odměrku k odměření rýže a rýži řádně umyjte.
Nepoužívejte ocelovou kuličku k čištění vnitřní nádoby, aby nedošlo k poškrábání povrchu vnitřní nádoby. - Zavřete víko, stiskněte tlačítko "Menu" (nabídka) pro výběr požadované funkce (například Rýže) nebo zvolte jinou nabídku.
- Stiskněte tlačítko "Texture" (textura) pro výběr požadované chuti, například "Medium" (střední).
![]()
- Stiskněte tlačítko "Start" (start) pro zahájení vaření.
![]()
Ohřev
Poznámka: Při použití této funkce nesmí maximální množství rýže překročit značku 4.
- Po uvolnění rýže vmíchejte 50-80 gramů vody, stiskněte tlačítko "function" (funkce) pro výběr funkce "Reheat" (ohřev).
![]()
- Stiskněte tlačítko "Timer" (časovač) pro nastavení doby ohřevu (nastavitelný rozsah 8-20 minut), poté stiskněte tlačítko "Start" (start) pro zahájení ohřevu.
![]()
Ohřívání
Stisknutím tlačítka "Warm" (ohřev) v pohotovostním režimu aktivujete funkci "Keep Warm" (udržování teploty). Když se spustí funkce "Keep Warm" (udržování teploty), indikátor udržování teploty svítí a na obrazovce se zobrazí "0H". Počítá čas v hodinách, nezobrazuje dobu udržování po době delší než 24 hodin, zobrazuje "----". Funkci "Keep Warm" (udržování teploty) lze použít se zavřeným nebo otevřeným víkem.
Péče a údržba
Pravidelná péče nebo údržba je nezbytná pro zajištění bezpečného používání tohoto produktu. Pokud nastane některá z následujících situací, okamžitě přestaňte spotřebič používat a kontaktujte tým podpory.
- Napájecí kabel a zástrčka trpí expanzí, deformací, změnou barvy, poškozením atd.
- Část napájecího kabelu nebo zástrčka se zahřívá více než obvykle.
- Elektrický tlakový hrnec se abnormálně zahřívá a vydává spálený zápach.
- Při zapnutí se ozývají neobvyklé zvuky nebo vibrace. Pokud je na zástrčce nebo v zásuvce prach nebo nečistoty, odstraňte je suchým kartáčem.
Čištění
Před čištěním se ujistěte, že spotřebič vychladl a je odpojený ze zásuvky.
- Výrobek čistěte po každém použití. Otřete černý vnitřní okraj pouzdra a drážku suchým hadříkem, abyste zabránili rezivění vnějšího okraje hrnce.
- Sejměte víko a vyjměte vnitřní hrnec, umyjte je saponátem, opláchněte čistou vodou a poté otřete do sucha měkkým hadříkem.
- K čištění víka použijte vodu, včetně těsnicího kroužku (který lze vyjmout), výfukového ventilu, protiblokovacího štítu, a otřete je do sucha měkkým hadříkem. Nerozebírejte sestavu parní trubice.
- Očistěte tělo hrnce čistým vlhkým hadříkem. Neponořujte hrnec do vody. Nepoužívejte mokrý hadřík k čištění hrnce, pokud je napájecí kabel zapojen do zásuvky.
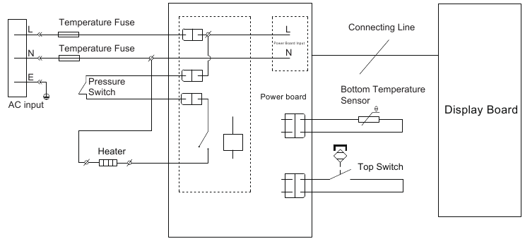
Elektrické schéma zapojení

Odstraňování problémů
Případy v následujících tabulkách nemusí vždy znamenat vadný vařič. Před kontaktováním podpory pro opravu vařič pečlivě zkontrolujte.
| Problém | Možný důvod | Řešení | ||
| 1 | Obtížné zavření víka | Těsnicí kroužek není správně nainstalován | Dobře umístěte těsnicí kroužek | |
| Plovoucí ventil v poloze vysunutí | Lehce stiskněte plovoucí ventil směrem dolů | |||
| 2 | Obtížné otevření víka | Uvnitř vařiče je tlak | Použijte rukojeť pro uvolnění páry ke snížení vnitřního tlaku. Otevřete víko po úplném uvolnění tlaku. | |
| Plovoucí ventil zaseknutý v poloze vysunutí | Lehce stiskněte plovoucí ventil perem nebo hůlkou. | |||
| 3 | Pára uniká ze strany víka | Žádný těsnicí kroužek | Nainstalujte těsnicí kroužek | |
| Těsnicí kroužek je poškozený | Vyměňte těsnicí kroužek | |||
| Zbytky jídla přichycené k těsnicímu kroužku | Vyčistěte těsnicí kroužek | |||
| Víko není správně zavřené | Otevřete a znovu zavřete víko | |||
| 4 | Pára uniká z plovoucího ventilu déle než 2 minuty | Zbytky jídla na silikonovém těsnění plovoucího ventilu | Vyčistěte silikonové těsnění plovoucího ventilu | |
| Silikonový kroužek plovoucího ventilu je opotřebovaný | Vyměňte silikonové těsnění plovoucího ventilu | |||
| 5 | Plovoucí ventil se nemůže zvednout | Příliš málo jídla nebo vody ve vnitřní nádobě | Přidejte vodu podle receptu | |
| Plovoucí ventil je blokován aretačním kolíkem víka | Zavřete víko úplně
| |||
| 6 | Pára nepřetržitě vychází z výfukového ventilu | Rukojeť pro uvolnění páry není v těsnicí poloze | Otočte rukojeť pro uvolnění do těsnicí polohy | |
| Regulace tlaku selže | Kontaktujte online podporu | |||
| 7 | Po připojení napájecího kabelu displej zůstává prázdný | Špatné připojení napájení nebo žádné napájení | Zkontrolujte napájecí kabel, abyste zajistili dobré připojení, zkontrolujte, zda je elektrická zásuvka aktivní. | |
| Elektrická pojistka vařiče byla spálená | Kontaktujte online podporu | |||
| 8 | Produkt je v pohotovostním režimu, svítí indikátor "Close Lid" ("Zavřete víko"), vyberte funkční tlačítko, ale bez odezvy | Víko není správně zavřené | Znovu zavřete víko | |
| 9 | Displej | E1 | Otevřený obvod spodního senzoru | Vraťte spotřebič do servisního střediska k opravě |
| E2 | Zkrat spodního senzoru | |||
| C1 | Ochrana proti přehřátí | Zkontrolujte, zda je v hrnci voda nebo jídlo; po úpravě lze spotřebič normálně používat po zastavení pípání; jinak jej odešlete do servisního střediska. | ||
| E8 | Otevřený obvod tlakového spínače | Vraťte spotřebič do servisního střediska k opravě | ||
| 10 | Rýže je napůl uvařená nebo příliš tvrdá | Příliš málo vody | Upravte poměr suché rýže a vody podle receptu | |
| Víko bylo předčasně otevřeno | Po dokončení cyklu vaření nechte víko nasazené ještě 5 minut. | |||
| 11 | Rýže je příliš měkká | Příliš mnoho vody | Upravte poměr suché rýže a vody podle receptu | |
Stáhnout návod
Zde si můžete stáhnout úplnou verzi návodu ve formátu pdf, může obsahovat další bezpečnostní pokyny, informace o záruce, pravidla FCC atd.
Stáhnout Midea MY-CS5039P - Návod k použití elektrického tlakového hrnce
















