Bauer 20744E-B, 57608 - 12 Zoll Kapp- und Gehrungssäge mit einseitiger Neigung – Handbuch

Bewahren Sie dieses Handbuch auf Bewahren Sie dieses Handbuch für Sicherheitswarnungen und -vorkehrungen, Montage, Betrieb, Inspektion, Wartung und Reinigungsverfahren auf. Notieren Sie die Seriennummer des Produkts auf der Rückseite des Handbuchs in der Nähe des Montageplans (oder Monat und Jahr des Kaufs, falls das Produkt keine Nummer hat). Bewahren Sie dieses Handbuch und den Kassenbon an einem sicheren und trockenen Ort für zukünftige Bezugnahme auf.
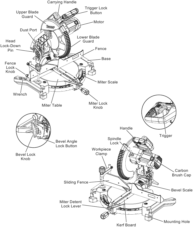
Hinweis: Sägeblatt separat erhältlich.
Besuchen Sie unsere Website unter: http://www.harborfreight.com
Senden Sie eine E-Mail an unseren technischen Support unter: productsupport@harborfreight.com
Stellen Sie beim Auspacken sicher, dass das Produkt intakt und unbeschädigt ist. Sollten Teile fehlen oder beschädigt sein, rufen Sie bitte so schnell wie möglich 1-888-866-5797 an.
Lesen Sie dieses Material, bevor Sie dieses Produkt verwenden. Andernfalls kann es zu schweren Verletzungen kommen. BEWAHREN SIE DIESES HANDBUCH AUF.
| WARNUNGSSYMBOLE UND DEFINITIONEN | |
| Dies ist das Sicherheitswarnsymbol. Es wird verwendet, um Sie auf potenzielle Gefahren für Personenschäden aufmerksam zu machen. Beachten Sie alle Sicherheitshinweise, die diesem Symbol folgen, um mögliche Verletzungen oder den Tod zu vermeiden. | |
| Weist auf eine gefährliche Situation hin, die, wenn sie nicht vermieden wird, zum Tod oder zu schweren Verletzungen führt. | |
| Weist auf eine gefährliche Situation hin, die, wenn sie nicht vermieden wird, zum Tod oder zu schweren Verletzungen führen kann. | |
| Weist auf eine gefährliche Situation hin, die, wenn sie nicht vermieden wird, zu leichten oder mittelschweren Verletzungen führen kann. | |
![]() | Bezieht sich auf Praktiken, die nicht mit Personenschäden zusammenhängen. |
WICHTIGE SICHERHEITSINFORMATIONEN
Allgemeine Sicherheitshinweise für Elektrowerkzeuge
Lesen Sie alle Sicherheitshinweise, Anweisungen, Abbildungen und Spezifikationen, die mit diesem Elektrowerkzeug geliefert werden.
Die Nichtbeachtung aller unten aufgeführten Anweisungen kann zu elektrischem Schlag, Brand und/oder schweren Verletzungen führen.
Bewahren Sie alle Warnungen und Anweisungen für die zukünftige Bezugnahme auf.
Der Begriff "Elektrowerkzeug" in den Warnhinweisen bezieht sich auf Ihr netzbetriebenes (mit Kabel) Elektrowerkzeug oder akkubetriebenes (kabelloses) Elektrowerkzeug.
- Sicherheit am Arbeitsplatz
- Halten Sie den Arbeitsbereich sauber und gut beleuchtet. Unordnung oder dunkle Bereiche laden zu Unfällen ein.
- Betreiben Sie Elektrowerkzeuge nicht in explosionsgefährdeten Umgebungen, wie zum Beispiel in der Nähe von brennbaren Flüssigkeiten, Gasen oder Stäuben. Elektrowerkzeuge erzeugen Funken, die Staub oder Dämpfe entzünden können.
- Halten Sie Kinder und Unbeteiligte fern, während Sie ein Elektrowerkzeug bedienen. Ablenkungen können dazu führen, dass Sie die Kontrolle verlieren.
- Elektrische Sicherheit
- Die Stecker von Elektrowerkzeugen müssen zur Steckdose passen. Verändern Sie den Stecker niemals in irgendeiner Weise. Verwenden Sie keine Adapterstecker mit geerdeten Elektrowerkzeugen. Unveränderte Stecker und passende Steckdosen reduzieren das Risiko eines Stromschlags.
- Vermeiden Sie Körperkontakt mit geerdeten Oberflächen, wie z. B. Rohren, Heizkörpern, Herden und Kühlschränken. Es besteht ein erhöhtes Stromschlagrisiko, wenn Ihr Körper geerdet ist.
- Setzen Sie Elektrowerkzeuge nicht Regen oder Nässe aus. Eindringendes Wasser in ein Elektrowerkzeug erhöht das Stromschlagrisiko.
- Missbrauchen Sie das Kabel nicht. Benutzen Sie das Kabel niemals zum Tragen, Ziehen oder Abziehen des Elektrowerkzeugs. Halten Sie das Kabel fern von Hitze, Öl, scharfen Kanten oder beweglichen Teilen. Beschädigte oder verwickelte Kabel erhöhen das Stromschlagrisiko.
- Wenn Sie ein Elektrowerkzeug im Freien betreiben, verwenden Sie ein für den Außenbereich geeignetes Verlängerungskabel. Die Verwendung eines für den Außenbereich geeigneten Kabels reduziert das Stromschlagrisiko.
- Ist der Betrieb eines Elektrowerkzeugs an einem feuchten Ort unvermeidbar, verwenden Sie eine über einen Fehlerstromschutzschalter (GFCI) geschützte Versorgung. Die Verwendung eines Fehlerstromschutzschalters (GFCI) reduziert das Stromschlagrisiko.
- Persönliche Sicherheit
- Bleiben Sie wachsam, achten Sie auf das, was Sie tun, und gehen Sie mit Bedacht vor, wenn Sie ein Elektrowerkzeug bedienen. Benutzen Sie ein Elektrowerkzeug nicht, wenn Sie müde sind oder unter dem Einfluss von Drogen, Alkohol oder Medikamenten stehen. Ein Moment der Unaufmerksamkeit beim Bedienen von Elektrowerkzeugen kann zu schweren persönlichen Verletzungen führen.
- Tragen Sie persönliche Schutzausrüstung. Tragen Sie immer einen Augenschutz. Schutzausrüstung wie Staubmaske, rutschfeste Sicherheitsschuhe, Schutzhelm oder Gehörschutz, unter den entsprechenden Bedingungen eingesetzt, reduziert persönliche Verletzungen.
- Vermeiden Sie unbeabsichtigtes Starten. Stellen Sie sicher, dass der Schalter in der Aus-Position ist, bevor Sie das Werkzeug an die Stromquelle und/oder den Akku anschließen, es aufnehmen oder tragen. Das Tragen von Elektrowerkzeugen mit dem Finger am Schalter oder das Einschalten von Elektrowerkzeugen, deren Schalter sich in der Ein-Position befindet, lädt zu Unfällen ein.
- Entfernen Sie alle Einstellschlüssel oder Schraubenschlüssel, bevor Sie das Elektrowerkzeug einschalten. Ein Schraubenschlüssel oder ein Schlüssel, der an einem rotierenden Teil des Elektrowerkzeugs befestigt bleibt, kann zu persönlichen Verletzungen führen.
- Greifen Sie nicht zu weit. Sorgen Sie jederzeit für einen sicheren Stand und das Gleichgewicht. Dies ermöglicht eine bessere Kontrolle über das Elektrowerkzeug in unerwarteten Situationen.
- Kleiden Sie sich angemessen. Tragen Sie keine weite Kleidung oder Schmuck. Halten Sie Haare, Kleidung und Handschuhe von beweglichen Teilen fern. Weite Kleidung, Schmuck oder lange Haare können von beweglichen Teilen erfasst werden.
- Sind Vorrichtungen zum Anschluss von Staubabsaug- und -sammelanlagen vorhanden, stellen Sie sicher, dass diese angeschlossen und ordnungsgemäß verwendet werden. Die Verwendung von Staubabsaugung kann staubbedingte Gefahren reduzieren.
- Lassen Sie nicht zu, dass die Vertrautheit, die Sie durch den häufigen Gebrauch von Werkzeugen gewonnen haben, Sie nachlässig werden lässt und Sie die Werkzeugsicherheitsprinzipien ignorieren. Eine unachtsame Handlung kann innerhalb eines Bruchteils einer Sekunde schwere Verletzungen verursachen.
- Verwenden Sie nur Sicherheitsausrüstung, die von einer geeigneten Normungsbehörde zugelassen wurde. Nicht zugelassene Sicherheitsausrüstung bietet möglicherweise keinen ausreichenden Schutz. Augenschutz muss ANSI-zertifiziert sein und Atemschutz muss NIOSH-zertifiziert sein für die spezifischen Gefahren im Arbeitsbereich.
- Vermeiden Sie unbeabsichtigtes Starten.
Bereiten Sie sich auf die Arbeit vor, bevor Sie das Werkzeug einschalten. - Lassen Sie das Werkzeug nicht unbeaufsichtigt, wenn es an eine Steckdose angeschlossen ist. Schalten Sie das Werkzeug aus und ziehen Sie es aus der Steckdose, bevor Sie es verlassen.
- Dieses Produkt ist kein Spielzeug.
Bewahren Sie es außerhalb der Reichweite von Kindern auf. - Personen mit Herzschrittmachern sollten vor der Verwendung ihren Arzt/ihre Ärzte konsultieren. Elektromagnetische Felder in unmittelbarer Nähe eines Herzschrittmachers können Störungen oder Ausfälle des Herzschrittmachers verursachen. Zusätzlich sollten Personen mit Herzschrittmachern:
- Vermeiden Sie es, alleine zu arbeiten.
- Nicht mit arretiertem Auslöser verwenden.
- Für eine ordnungsgemäße Wartung und Inspektion sorgen, um Stromschläge zu vermeiden.
- Netzkabel ordnungsgemäß erden.
Ein Fehlerstromschutzschalter (FI-Schalter) sollte ebenfalls eingesetzt werden – er verhindert anhaltende Stromschläge.
- Die in dieser Bedienungsanleitung besprochenen Warnhinweise, Vorsichtsmaßnahmen und Anweisungen können nicht alle möglichen Bedingungen und Situationen abdecken, die auftreten können. Dem Bediener muss klar sein, dass gesunder Menschenverstand und Vorsicht Faktoren sind, die nicht in dieses Produkt integriert werden können, sondern vom Bediener selbst eingebracht werden müssen.
- Wenden Sie keine Gewalt am Elektrowerkzeug an. Verwenden Sie das richtige Elektrowerkzeug für Ihre Anwendung. Das richtige Elektrowerkzeug erledigt die Arbeit besser und sicherer mit der Geschwindigkeit, für die es konzipiert wurde.
- Benutzen Sie das Elektrowerkzeug nicht, wenn der Schalter es nicht ein- und ausschaltet. Jedes Elektrowerkzeug, das nicht mit dem Schalter gesteuert werden kann, ist gefährlich und muss repariert werden.
- Ziehen Sie den Stecker aus der Stromquelle und/oder entfernen Sie den Akku, falls abnehmbar, vom Elektrowerkzeug, bevor Sie Einstellungen vornehmen, Zubehör wechseln oder Elektrowerkzeuge lagern. Solche vorbeugenden Sicherheitsmaßnahmen verringern das Risiko, dass das Elektrowerkzeug versehentlich anläuft.
- Lagern Sie unbenutzte Elektrowerkzeuge außerhalb der Reichweite von Kindern und gestatten Sie Personen, die mit dem Elektrowerkzeug oder diesen Anweisungen nicht vertraut sind, nicht, das Elektrowerkzeug zu bedienen. Elektrowerkzeuge sind in den Händen ungeschulter Benutzer gefährlich.
- Warten Sie Elektrowerkzeuge und Zubehör. Überprüfen Sie auf Fehlausrichtung oder Blockierung beweglicher Teile, Bruch von Teilen und andere Zustände, die den Betrieb des Elektrowerkzeugs beeinträchtigen könnten. Lassen Sie bei Beschädigung das Elektrowerkzeug vor Gebrauch reparieren. Viele Unfälle werden durch schlecht gewartete Elektrowerkzeuge verursacht.
- Halten Sie Schneidwerkzeuge scharf und sauber. Ordnungsgemäß gewartete Schneidwerkzeuge mit scharfen Schneidkanten blockieren seltener und sind leichter zu kontrollieren.
- Verwenden Sie das Elektrowerkzeug, Zubehör und Werkzeugeinsätze usw. gemäß diesen Anweisungen, unter Berücksichtigung der Arbeitsbedingungen und der auszuführenden Arbeiten. Die Verwendung des Elektrowerkzeugs für andere als die vorgesehenen Operationen kann zu einer gefährlichen Situation führen.
- Halten Sie Griffe und Greifflächen trocken, sauber und frei von Öl und Fett. Rutschige Griffe und Greifflächen erlauben keine sichere Handhabung und Kontrolle des Werkzeugs in unerwarteten Situationen.
- Lassen Sie Ihr Elektrowerkzeug von einer qualifizierten Fachkraft nur mit identischen Ersatzteilen warten. Dies gewährleistet, dass die Sicherheit des Elektrowerkzeugs erhalten bleibt.
- Halten Sie die Etiketten und Typenschilder am Werkzeug instand. Diese enthalten wichtige Sicherheitsinformationen. Falls unleserlich oder fehlend, wenden Sie sich an Harbor Freight Tools für einen Ersatz.
- Gehrungssägen sind zum Schneiden von Holz oder holzähnlichen Produkten bestimmt, sie dürfen nicht mit Schleifscheiben zum Trennen von eisenhaltigen Materialien wie Stangen, Rundstäben, Bolzen usw. verwendet werden. Schleifstaub führt dazu, dass bewegliche Teile wie die untere Schutzvorrichtung blockieren. Funken vom abrasiven Schneiden verbrennen die untere Schutzvorrichtung, den Sägeschnitt-Einsatz und andere Kunststoffteile.
- Verwenden Sie Klemmen, um das Werkstück wann immer möglich zu stützen. Wenn Sie das Werkstück von Hand halten, müssen Sie Ihre Hand immer mindestens 100 mm von beiden Seiten des Sägeblatts entfernt halten. Verwenden Sie diese Säge nicht, um Stücke zu schneiden, die zu klein sind, um sicher festgeklemmt oder von Hand gehalten zu werden. Wenn Ihre Hand zu nahe am Sägeblatt platziert wird, besteht ein erhöhtes Verletzungsrisiko durch Blattkontakt.
- Das Werkstück muss stillstehen und entweder am Anschlag und am Tisch festgeklemmt oder gehalten werden. Führen Sie das Werkstück nicht in das Sägeblatt ein und sägen Sie in keiner Weise „freihändig“. Ungehaltene oder bewegte Werkstücke können mit hoher Geschwindigkeit herausgeschleudert werden und Verletzungen verursachen.
- Schieben Sie die Säge durch das Werkstück. Ziehen Sie die Säge nicht durch das Werkstück. Um einen Schnitt auszuführen, heben Sie den Sägekopf an und ziehen Sie ihn ohne zu schneiden über das Werkstück heraus, starten Sie den Motor, drücken Sie den Sägekopf nach unten und schieben Sie die Säge durch das Werkstück. Das Schneiden beim Zugschlag führt wahrscheinlich dazu, dass das Sägeblatt auf das Werkstück klettert und die Sägeblattanordnung gewaltsam zum Bediener schleudert.
- Überqueren Sie niemals mit der Hand die vorgesehene Schnittlinie, weder vor noch hinter dem Sägeblatt. Das Halten des Werkstücks „kreuzweise“, d.h. das Halten des Werkstücks rechts vom Sägeblatt mit Ihrer linken Hand oder umgekehrt ist sehr gefährlich.
- Greifen Sie mit keiner Hand näher als 100 mm von beiden Seiten des Sägeblatts hinter den Anschlag, um Holzreste zu entfernen oder aus einem anderen Grund, während das Sägeblatt dreht. Die Nähe des sich drehenden Sägeblatts zu Ihrer Hand ist möglicherweise nicht offensichtlich, und Sie könnten ernsthaft verletzt werden.
- Überprüfen Sie Ihr Werkstück vor dem Sägen. Wenn das Werkstück gebogen oder verzogen ist, klemmen Sie es mit der nach außen gewölbten Seite zum Anschlag. Stellen Sie immer sicher, dass kein Spalt zwischen Werkstück, Anschlag und Tisch entlang der Schnittlinie vorhanden ist. Gebogene oder verzogene Werkstücke können sich verdrehen oder verschieben und während des Sägens zu einer Blockierung am rotierenden Sägeblatt führen. Es dürfen sich keine Nägel oder Fremdkörper im Werkstück befinden.
- Verwenden Sie die Säge nicht, bevor der Tisch frei von allen Werkzeugen, Holzresten usw. ist, mit Ausnahme des Werkstücks. Kleine Ablagerungen oder lose Holzstücke oder andere Gegenstände, die das rotierende Sägeblatt berühren, können mit hoher Geschwindigkeit weggeschleudert werden.
- Sägen Sie immer nur ein Werkstück gleichzeitig. Gestapelte Werkstücke können nicht ausreichend festgeklemmt oder abgestützt werden und können am Sägeblatt blockieren oder sich während des Sägens verschieben.
- Stellen Sie sicher, dass die Gehrungssäge vor Gebrauch auf einer ebenen, festen Arbeitsfläche montiert oder platziert wird. Eine ebene und feste Arbeitsfläche verringert das Risiko, dass die Gehrungssäge instabil wird.
- Planen Sie Ihre Arbeit. Jedes Mal, wenn Sie die Gehrungs- oder Neigungswinkeleinstellung ändern, stellen Sie sicher, dass der verstellbare Anschlag korrekt eingestellt ist, um das Werkstück zu stützen und das Sägeblatt oder das Schutzsystem nicht zu behindern. Ohne das Werkzeug einzuschalten und ohne Werkstück auf dem Tisch, bewegen Sie das Sägeblatt durch einen vollständigen simulierten Schnitt, um sicherzustellen, dass keine Kollision oder die Gefahr des Anschneidens des Anschlags besteht.
- Sorgen Sie für eine ausreichende Unterstützung wie Tischverlängerungen, Sägeböcke usw. für ein Werkstück, das breiter oder länger ist als die Tischplatte. Werkstücke, die länger oder breiter sind als der Gehrungssägetisch, können kippen, wenn sie nicht sicher abgestützt sind. Kippt das Abschnittstück oder Werkstück, kann es die untere Schutzvorrichtung anheben oder vom rotierenden Sägeblatt weggeschleudert werden.
- Verwenden Sie keine andere Person als Ersatz für eine Tischverlängerung oder als zusätzliche Unterstützung. Eine instabile Unterstützung des Werkstücks kann dazu führen, dass das Sägeblatt klemmt oder sich das Werkstück während des Sägevorgangs verschiebt, wodurch Sie und der Helfer in das rotierende Sägeblatt gezogen werden.
- Das Abschnittstück darf in keiner Weise gegen das rotierende Sägeblatt verklemmt oder gedrückt werden. Wenn begrenzt, d.h. mit Längenanschlägen, könnte sich das Abschnittstück am Sägeblatt verkeilen und gewaltsam weggeschleudert werden.
- Verwenden Sie immer eine Klemme oder eine Vorrichtung, die zur ordnungsgemäßen Abstützung von Rundmaterial wie Stäben oder Rohren entwickelt wurde. Rundstäbe neigen beim Schneiden zum Rollen, wodurch das Sägeblatt „beisst“ und das Werkstück mit Ihrer Hand in das Sägeblatt zieht.
- Lassen Sie das Sägeblatt die volle Drehzahl erreichen, bevor es das Werkstück berührt. Dies reduziert das Risiko, dass das Werkstück weggeschleudert wird.
- Wenn das Werkstück oder Sägeblatt klemmt, schalten Sie die Gehrungssäge aus. Warten Sie, bis alle beweglichen Teile zum Stillstand gekommen sind, und ziehen Sie den Stecker aus der Stromquelle und/oder entfernen Sie den Akku. Befreien Sie dann das verklemmte Material. Fortgesetztes Sägen mit einem verklemmten Werkstück könnte zu Kontrollverlust oder Schäden an der Gehrungssäge führen.
- Lassen Sie nach Beendigung des Schnitts den Schalter los, halten Sie den Sägekopf nach unten und warten Sie, bis das Sägeblatt zum Stillstand gekommen ist, bevor Sie das Abschnittstück entfernen. Das Greifen mit der Hand in die Nähe des auslaufenden Sägeblatts ist gefährlich.
- Halten Sie den Griff fest, wenn Sie einen unvollständigen Schnitt ausführen oder wenn Sie den Schalter loslassen, bevor der Sägekopf vollständig in der unteren Position ist. Die Bremswirkung der Säge kann dazu führen, dass der Sägekopf plötzlich nach unten gezogen wird, was eine Verletzungsgefahr darstellt.
Dieses Werkzeug vibriert während des Gebrauchs.
Wiederholte oder langfristige Exposition gegenüber Vibrationen kann vorübergehende oder dauerhafte körperliche Verletzungen verursachen, insbesondere an Händen, Armen und Schultern. Um das Risiko vibrationsbedingter Verletzungen zu verringern:
- Jeder, der regelmäßig oder über einen längeren Zeitraum vibrierende Werkzeuge benutzt, sollte sich zuerst von einem Arzt untersuchen lassen und dann regelmäßige medizinische Kontrolluntersuchungen durchführen lassen, um sicherzustellen, dass keine medizinischen Probleme durch die Nutzung verursacht oder verschlimmert werden. Schwangere Frauen oder Personen mit eingeschränkter Durchblutung der Hände, früheren Handverletzungen, Nervensystemstörungen, Diabetes oder Raynaud's Disease sollten dieses Werkzeug nicht verwenden. Wenn Sie Symptome im Zusammenhang mit Vibrationen (wie Kribbeln, Taubheitsgefühl und weiße oder blaue Finger) verspüren, suchen Sie so schnell wie möglich ärztlichen Rat.
- Rauchen Sie nicht während des Gebrauchs. Nikotin verringert die Blutversorgung der Hände und Finger, was das Risiko vibrationsbedingter Verletzungen erhöht.
- Tragen Sie geeignete Handschuhe, um die Vibrationseffekte auf den Benutzer zu reduzieren.
- Verwenden Sie Werkzeuge mit der geringsten Vibration, wenn eine Wahl besteht.
- Planen Sie täglich vibrationsfreie Arbeitszeiten ein.
- Halten Sie das Werkzeug so leicht wie möglich (wobei die sichere Kontrolle erhalten bleiben muss). Lassen Sie das Werkzeug die Arbeit tun.
- Um Vibrationen zu reduzieren, warten Sie das Werkzeug wie in diesem Handbuch beschrieben. Wenn ungewöhnliche Vibrationen auftreten, stellen Sie die Verwendung sofort ein.
Erdung
UM ELEKTRISCHEN SCHLAG UND TOD DURCH FALSCHEN ERDUNGSKABELANSCHLUSS ZU VERHINDERN:
Fragen Sie einen qualifizierten Elektriker, wenn Sie unsicher sind, ob die Steckdose ordnungsgemäß geerdet ist. Verändern Sie den mit dem Werkzeug gelieferten Netzstecker nicht. Entfernen Sie niemals den Erdungsstift vom Stecker. Benutzen Sie das Werkzeug nicht, wenn das Netzkabel oder der Stecker beschädigt ist. Lassen Sie es im Falle einer Beschädigung vor Gebrauch von einer Fachwerkstatt reparieren. Wenn der Stecker nicht in die Steckdose passt, lassen Sie eine geeignete Steckdose von einem qualifizierten Elektriker installieren.
Geerdete Werkzeuge: Werkzeuge mit dreipoligen Steckern

- Werkzeuge, die mit "Grounding Required" (Erdung erforderlich) gekennzeichnet sind, haben ein dreiadriges Kabel und einen dreipoligen Erdungsstecker. Der Stecker muss an eine ordnungsgemäß geerdete Steckdose angeschlossen werden. Sollte das Werkzeug elektrisch versagen oder kaputtgehen, bietet die Erdung einen niederohmigen Pfad, um Elektrizität vom Benutzer wegzuleiten und das Risiko eines Stromschlags zu reduzieren. (Siehe dreipoliger Stecker und Steckdose.)
- Der Erdungsstift im Stecker ist über das grüne Kabel im Inneren der Leitung mit dem Erdungssystem im Werkzeug verbunden. Das grüne Kabel in der Leitung muss das einzige Kabel sein, das mit dem Erdungssystem des Werkzeugs verbunden ist und darf niemals an eine elektrisch „live“ (stromführende) Klemme angeschlossen werden. (Siehe dreipoliger Stecker und Steckdose.)
- Das Werkzeug muss an eine geeignete Steckdose angeschlossen werden, die gemäß allen Vorschriften und Verordnungen ordnungsgemäß installiert und geerdet ist. Stecker und Steckdose sollten wie in der vorhergehenden Abbildung aussehen. (Siehe dreipoliger Stecker und Steckdose.)
Doppelt isolierte Werkzeuge: Werkzeuge mit zweipoligen Steckern

- Werkzeuge, die mit "Double Insulated" (Doppelt isoliert) gekennzeichnet sind, benötigen keine Erdung. Sie verfügen über ein spezielles doppeltes Isolierungssystem, das die OSHA-Anforderungen erfüllt und den geltenden Normen von Underwriters Laboratories, Inc., der Canadian Standard Association und dem National Electrical Code entspricht.
- Doppelt isolierte Werkzeuge können in beiden in der vorhergehenden Abbildung gezeigten 120-Volt-Steckdosen verwendet werden. (Siehe Steckdosen für zweipoligen Stecker.)
Verlängerungskabel
- Geerdete Werkzeuge benötigen ein dreiadriges Verlängerungskabel. Doppelt isolierte Werkzeuge können entweder ein zwei- oder dreiadriges Verlängerungskabel verwenden.
- Mit zunehmendem Abstand zur Versorgungssteckdose müssen Sie ein Verlängerungskabel mit größerem Querschnitt verwenden. Die Verwendung von Verlängerungskabeln mit unzureichend dimensioniertem Draht führt zu einem erheblichen Spannungsabfall, was Leistungsverlust und mögliche Werkzeugschäden zur Folge hat. (Siehe Tabelle A.)
- Je kleiner die Drahtstärke (Gauge-Nummer) des Kabels, desto höher ist dessen Kapazität. Zum Beispiel kann ein 14-Gauge-Kabel einen höheren Strom führen als ein 16-Gauge-Kabel. (Siehe Tabelle A.)
TABELLE A: EMPFOHLENE MINDESTDRAHTSTÄRKE FÜR VERLÄNGERUNGSKABEL* (120/240 VOLT) NENNSTROMSTÄRKE
(bei Volllast)LÄNGE DES VERLÄNGERUNGSKABELS 25´ 50´ 75´ 100´ 150´ 0 – 2.0 18 18 18 18 16 2.1 – 3.4 18 18 18 16 14 3.5 – 5.0 18 18 16 14 12 5.1 – 7.0 18 16 14 12 12 7.1 – 12.0 18 14 12 10 - 12.1 – 16.0 14 12 10 - - 16.1 – 20.0 12 10 - - - * Basierend auf der Begrenzung des Leitungsspannungsabfalls auf fünf Volt bei 150% des Nennstroms. - Wenn Sie mehr als ein Verlängerungskabel verwenden, um die Gesamtlänge zu erreichen, stellen Sie sicher, dass jedes Kabel mindestens die erforderliche Mindestdrahtgröße aufweist. (Siehe Tabelle A.)
- Wenn Sie ein Verlängerungskabel für mehr als ein Werkzeug verwenden, addieren Sie die Nennstromstärken (Amperes) und verwenden Sie die Summe, um die erforderliche Mindestkabelgröße zu bestimmen. (Siehe Tabelle A.)
- Wenn Sie ein Verlängerungskabel im Freien verwenden, stellen Sie sicher, dass es mit dem Zusatz "W-A" ("W" in Kanada) gekennzeichnet ist, um anzuzeigen, dass es für den Außenbereich geeignet ist.
- Stellen Sie sicher, dass das Verlängerungskabel ordnungsgemäß verdrahtet und in gutem elektrischem Zustand ist. Ersetzen Sie ein beschädigtes Verlängerungskabel immer oder lassen Sie es vor Gebrauch von einem qualifizierten Elektriker reparieren.
- Schützen Sie die Verlängerungskabel vor scharfen Gegenständen, übermäßiger Hitze und feuchten oder nassen Bereichen.
Symbolik
![]() | Doppelt isoliert |
| V | Volt |
| ~ | Wechselstrom |
| a | Ampere |
| n0 xxxx/min. | Leerlaufdrehzahl pro Minute (U/min) |
![]() | WARNUNG bezüglich des Risikos von Augenverletzungen. Tragen Sie eine ANSI-zugelassene Schutzbrille mit Seitenschutz. |
![]() | Lesen Sie das Handbuch vor der Einrichtung und/oder Verwendung. |
![]() | WARNUNG bezüglich Brandgefahr. Lüftungskanäle nicht abdecken. Entflammbare Gegenstände fernhalten. |
| WARNUNG bezüglich des Risikos eines Stromschlags. Netzkabel ordnungsgemäß an die entsprechende Steckdose anschließen. |
Spezifikationen
| Elektrische Leistung | 120 VAC / 60 Hz / 15 A |
| Nenndrehzahl ohne Last | 3800 U/min |
| Schnittkapazität bei 45° L | 1-1/2" x 5-1/2" |
| Schnittkapazität bei 90° L/R | 2-5/8" x 7-5/8" |
| Maximale Neigung | 48° Links – 3° Rechts |
| Maximale Gehrung | 48° Links und Rechts |
| Sägeblatt | 12" Durchmesser, 1" Rundschaft 4000 Mindest-U/min-Nennwert |
Einrichtung - Vor Gebrauch
Lesen Sie den GESAMTEN Abschnitt WICHTIGE SICHERHEITSHINWEISE am Anfang dieses Handbuchs, einschließlich aller Texte unter den darin enthaltenen Unterüberschriften, bevor Sie dieses Produkt einrichten oder verwenden.
Hinweis: Für weitere Informationen zu den in den folgenden Abschnitten aufgeführten Teilen siehe Teileliste und Diagramm.
Montage
- Verwenden Sie die vier in der Basisplatte vorgesehenen Schraubenlöcher, um die Gehrungssäge vor der Verwendung auf einem stabilen Untergrund zu montieren. Befestigungsmaterial nicht enthalten.
- Stellen Sie sicher, dass die Gehrungssäge stets stabil und sicher ist (z. B. an einer Werkbank befestigt).
Zusammenbau
- Drücken Sie die Flügel des Metallkragens am Staubfangbeutel zusammen.
- Schieben Sie den Staubfangbeutel über den Staubauslass an der Rückseite der Sägekopfmontage und lassen Sie die Flügel des Metallkragens los.
- Schrauben Sie den Gehrungssperrknopf wie abgebildet in das Gewindeloch am Ende des Tischarms unterhalb des Gehrungsrasthebels, bis er sicher sitzt.
![Bauer - 20744E-B - Zusammenbau - Schritt 2 Zusammenbau - Schritt 2]()
Funktionen

Arbeitsbereich
- Legen Sie einen sauberen und gut beleuchteten Arbeitsbereich fest. Der Arbeitsbereich darf Kindern oder Haustieren keinen Zugang gestatten, um Ablenkungen und Verletzungen zu vermeiden.
- Es dürfen sich keine Gegenstände wie Versorgungsleitungen in der Nähe befinden, die während der Arbeit eine Gefahr darstellen könnten.
- Verlegen Sie das Netzkabel auf einem sicheren Weg, um den Arbeitsbereich zu erreichen, ohne Stolpergefahren zu erzeugen oder das Netzkabel möglichen Beschädigungen auszusetzen. Das Netzkabel muss den Arbeitsbereich mit ausreichend zusätzlicher Länge erreichen, um freie Bewegung während der Arbeit zu ermöglichen.
Sägeblattauswahl
- Jedes zu verwendende Sägeblatt muss als für das zu schneidende Material geeignet gekennzeichnet sein.
- Verwenden Sie nur Sägeblätter mit einem Durchmesser, der den Markierungen auf der Säge entspricht. Siehe Spezifikationstabelle für den Bohrungsdurchmesser und die maximale Schnittbreite des Sägeblatts.
- Verwenden Sie nur Sägeblätter, die mit einer Drehzahl gekennzeichnet sind, die gleich oder höher ist als die auf dem Werkzeug angegebene Drehzahl.
Schutzvorrichtung einrichten
Überprüfen Sie, ob der untere Sägeblattschutz richtig sitzt, sich frei bewegt und sofort schließt.
Staubabsaugung einrichten
- Um den Staubfangbeutel zu verwenden, schieben Sie den Beutel über den Staubauslass an der Rückseite der Sägekopfmontage. Siehe Zusammenbau.
- Schließen Sie ein Staubabsauggerät an den Staubauslass an, um ein Staubabsaugsystem anstelle des Staubbeutels zu verwenden.
Bedienungsanleitung
Lesen Sie den GESAMTEN ABSCHNITT WICHTIGE SICHERHEITSHINWEISE am Anfang dieses Handbuchs, einschließlich aller Texte unter den Unterüberschriften, bevor Sie dieses Produkt einrichten oder verwenden.
Werkzeugwechsel
Hinweis: Ersatzsägeblatt separat erhältlich.
- Ziehen Sie den Netzstecker des Werkzeugs aus der Steckdose.
- Ziehen Sie den Arretierstift des Kopfes heraus, heben Sie den Sägekopf in die obere Position, heben Sie dann den unteren Sägeblattschutz aus dem Weg und halten Sie ihn hoch.
![Bauer - 20744E-B - Werkzeugwechsel - Schritt 1 Werkzeugwechsel - Schritt 1]()
- Lösen Sie die Schraube der Schutzplatte, bis sie die Schutzplatte freigibt.
- Schwenken Sie die Schutzplatte nach oben und aus dem Weg.
- Drücken Sie die Spindelarretierung auf der Rückseite des Sägekopfes ein und halten Sie sie gedrückt.
- Entfernen Sie die Spindelschraube, die Unterlegscheibe und den äußeren Flansch. Siehe Abbildung D.
![Bauer - 20744E-B - Werkzeugwechsel - Schritt 2 Werkzeugwechsel - Schritt 2]()
Die Spindelschraube hat ein Linksgewinde und wird durch Drehen im UHRZEIGERSINN gelöst.
Hinweis: Stellen Sie sicher, dass der innere Flansch auf der Spindel bleibt. - Entfernen Sie das gebrauchte Sägeblatt. Installieren Sie das neue Sägeblatt. Stellen Sie sicher, dass der Drehrichtungspfeil des Sägeblatts in dieselbe Richtung zeigt wie der Drehrichtungspfeil auf dem oberen Sägeblattschutz.
- Setzen Sie den äußeren Flansch und die Spindelschraube wieder ein. Positionieren Sie die gewölbte Seite des Flansches am Sägeblatt. Halten Sie die Spindelarretierung gedrückt und ziehen Sie die Spindelschraube mit einem Schraubenschlüssel fest, indem Sie sie gegen den UHRZEIGERSINN drehen. Lösen Sie die Spindelarretierung.
- Drehen Sie die Schutzplatte wieder in Position und sichern Sie sie mit der Schraube der Schutzplatte.
ZUR VERMEIDUNG SCHWERER VERLETZUNGEN: Stellen Sie sicher, dass der untere Sägeblattschutz reibungslos funktioniert und ordnungsgemäß vor dem Sägeblatt schützt, bevor Sie die Säge verwenden.
Einstellung und Prüfung
ZUR VERMEIDUNG SCHWERER VERLETZUNGEN DURCH UNBEABSICHTIGTE INBETRIEBNAHME:
Stellen Sie sicher, dass der Abzug ausgeschaltet ist, und ziehen Sie den Netzstecker des Werkzeugs aus der Steckdose, bevor Sie irgendeine Prozedur in diesem Abschnitt durchführen.
Einstellen des Gehrungswinkels
Ein Gehrungsschnitt ist ein Schnitt, der schräg über die horizontale Oberfläche des Materials verläuft. 45º-Gehrungsschnitte zum Verbinden zweier Teile in einer rechtwinkligen Ecke sind üblich. Ein 30º-Schnitt wird häufig für eine Schäftungsverbindung oder zum Anbringen einer Fase verwendet.
- Lösen Sie den Gehrungssicherungsdrehknopf, indem Sie ihn gegen den Uhrzeigersinn drehen, um den Gehrungstisch zu entriegeln. Drücken Sie den Gehrungsarretierhebel nach unten und bewegen Sie den Tisch auf den gewünschten Winkel.
![Bauer - 20744E-B - Einstellen des Gehrungswinkels Einstellen des Gehrungswinkels]()
- Die Gehrungswinkelanzeige zeigt den gewählten Winkel an. Wenn der Gehrungsarretierhebel losgelassen wird, rastet der Tisch bei häufig verwendeten Gehrungswinkeln ein, einschließlich 0º, 15º, 22.5º, 30º, 31.6º, 45º und 48º links, sowohl auf der linken als auch auf der rechten Seite.
- Um die voreingestellten Rastpunkte für Feineinstellungen in jedem Winkel zu übersteuern, drücken und halten Sie den Gehrungsarretierhebel und stellen Sie den Tisch auf eine beliebige Position auf der Gehrungsskala ein.
- Ziehen Sie den Gehrungssicherungsdrehknopf nach dem Einstellen des Gehrungswinkels fest.
- Wenn der Tisch auf den gewünschten Winkel eingestellt ist, legen Sie das Werkstück bündig an den Anschlag, sichern Sie es mit der Klemme und führen Sie den Schnitt aus.
Einstellen des Fasenwinkels
Ein Fasenschnitt ist ein Schnitt, der vertikal schräg verläuft. Fasenschnitte können verwendet werden, um relativ breites und dünnes Material zu gehren. Fasenschnitte können in Kombination mit einem Gehrungsschnitt verwendet werden, um einen Verbundwinkel zu bilden. Verbundwinkelschnitte werden häufig bei Kranzleisten, Bilderrahmen und ähnlichen Verkleidungsmaterialien verwendet.
- Lösen Sie den Fasen-Feststellknopf an der Rückseite der Säge, um die Sägekopf-Baugruppe zu entriegeln.
![Bauer - 20744E-B - Einstellen des Fasenwinkels Einstellen des Fasenwinkels]()
- Um den linken Fasenwinkel zwischen 0º und 45º einzustellen, bewegen Sie die Sägekopf-Baugruppe nach links auf den gewünschten Winkel. Lesen Sie den Winkel auf der Fasenskala ab.
- Drücken Sie während der Einstellung die Fasenwinkel-Feststelltaste, um auch Winkel bis 48º linker Fasenwinkel oder bis 3º rechter Fasenwinkel einzustellen.
- Arretieren Sie die Sägekopf-Baugruppe, indem Sie den Fasen-Feststellknopf im Uhrzeigersinn drehen. Ziehen Sie ihn fest an, aber nicht zu stark.
- Führen Sie einen Probeschnitt an einem Reststück durch, um zu bestätigen, dass der Fasenwinkel korrekt ist. Ist dies nicht der Fall, korrigieren Sie den Winkel vor dem Schneiden.
ZUR VERMEIDUNG SCHWERER VERLETZUNGEN:
Stellen Sie den Gleitanschlag so ein, dass er nach jeder Einstellung des Schnittwinkels außerhalb des Schnittpfades des Sägeblatts liegt. Bewegen Sie das Sägeblatt über seinen vollen Bewegungsbereich, um sicherzustellen, dass der Anschlag frei ist.
Ausrichten des Anschlags
- Überprüfen und stellen Sie nach dem Einstellen der Gehrungs- oder Faseneinstellung den Gleitanschlag ein.
- Lösen Sie den Anschlag-Feststellknopf und bewegen Sie den Gleitanschlag bis auf 1/8" an das Sägeblatt heran.
- Ziehen Sie den Anschlag-Feststellknopf fest. Stellen Sie sicher, dass der Gleitanschlag das Sägeblatt immer noch nicht berührt.
Schnittfugenplatte Ersatz / Einstellung
Wenn die Schnittfugenplatte beschädigt wird, muss sie ersetzt werden.
- Entfernen Sie die sechs Schrauben und Unterlegscheiben, die die Schnittfugenplatte halten, und heben Sie sie von der Säge ab.
![Bauer - 20744E-B - Schnittfugenplatte Ersatz / Einstellung Schnittfugenplatte Ersatz / Einstellung]()
- Installieren Sie die neue Schnittfugenplatte, wobei die linke und rechte Seite beiderseits der Schnittlinie liegen. Setzen Sie die sechs Schrauben und Unterlegscheiben wieder ein und ziehen Sie die Schrauben leicht fest.
Zum Einstellen der Schnittfugenplatte:
- Überprüfen Sie die Sägeblattfreiheit, indem Sie den Sägekopf über seinen vollen Bewegungsbereich bewegen, wobei der Fasenwinkel auf 0º und auf den maximalen linken Fasenwinkel eingestellt ist. Siehe Einstellen des Fasenwinkels.
- Wenn das Sägeblatt eine Seite der Schnittfugenplatte berührt, lösen Sie die drei Schrauben für diese Seite und stellen Sie sie ein. Ziehen Sie die Schrauben fest und überprüfen Sie erneut die Sägeblattfreiheit.
- Nachdem Sie die Sägeblattfreiheit überprüft haben, ziehen Sie die sechs Schrauben fest, die die Schnittfugenplatte halten.
Werkstückeinrichtung
- Sichern Sie lose Werkstücke mit einem Schraubstock oder Klemmen (nicht im Lieferumfang enthalten), um Bewegungen während der Arbeit zu verhindern.
- Schneiden Sie nur die folgenden Materialien:
Bauholz, Sperrholz, Spanplatte, Kunststoff.
Hinweis: Achten Sie darauf, ein Überhitzen der Schneidspitzen zu vermeiden. Beim Schneiden von Kunststoff in gleichmäßigem Tempo arbeiten, um ein Schmelzen zu vermeiden. - Beachten Sie die Schnittkapazitäten in der Spezifikationstabelle für Einschränkungen der Werkstückgröße.
- Lassen Sie auf der linken und rechten Seite der Säge Platz für längere Werkstücke.
- Verwenden Sie bei Bedarf zusätzliche Stützen, um die Stabilität des Werkstücks zu gewährleisten. Montieren Sie die Säge so, dass die Oberfläche eben zum Boden ist, und verwenden Sie zusätzliche Stützen, um eine Oberfläche auf gleicher Höhe mit dem Sägetisch zu schaffen. Wenn die Arbeitsfläche und alle Werkstückstützen nicht eben und auf gleicher Höhe sind, entstehen unerwünschte Fasenwinkel in den Schnitten, was zu schlechten Verbindungen führt.
- Sichern Sie Werkstücke mit der Klemme oder anderen Spannvorrichtungen (nicht im Lieferumfang enthalten) am Sägetisch. Das Sichern des Werkstücks erhöht die Sicherheit, indem es Rückschläge verhindert und die Notwendigkeit beseitigt, Werkstücke von Hand in der Nähe des Sägeblatts zu halten. Das Spannen des Werkstücks verbessert auch die Schnittgenauigkeit, indem es verhindert, dass sich das Werkstück während des Schneidevorgangs bewegt.
Allgemeine Gebrauchsanweisungen
- Stellen Sie sicher, dass der Abzug ausgeschaltet ist, und stecken Sie dann den Stecker des Werkzeugs ein.
ZUR VERMEIDUNG SCHWERER VERLETZUNGEN:
Das Werkzeug startet automatisch neu, wenn es blockiert.
Schnittverfahren für die Kapp- und Gehrungssäge - Entriegeln Sie den Arretierstift des Kopfes.
- Überprüfen Sie, ob alle Einstellknöpfe fest angezogen sind (Gehrungssicherungsdrehknopf, Fasen-Feststellknopf und Gleitanschlag-Feststellknopf).
- Blasen Sie Sägemehl oder Schmutz vom Anschlag weg. Legen Sie das Werkstück an den Anschlag an.
- Richten Sie die markierte Schnittstelle auf dem Werkstück am Sägeblatt aus. Um zu verhindern, dass das Werkstück zu kurz geschnitten wird, richten Sie die Kante des Sägeblatts an der Messmarkierung aus, wobei der Rest des Sägeblatts auf der Abfallseite des Schnitts bleiben sollte.
- Halten Sie das Werkstück mit der Klemme fest. Stellen Sie sicher, dass das Werkstück eben und sicher gestützt ist. Verwenden Sie bei Bedarf Sägeböcke oder Stützen.
![]()
Sägen können bei Missbrauch schnell Finger amputieren. Halten Sie die Hände vom Schnittbereich fern. - Fassen Sie den Sägegriff, drücken Sie den Abzug-Sperrknopf mit dem Daumen und betätigen Sie den Abzug, um die Säge zu starten.
- Verwenden Sie immer beide Hände und halten Sie das Werkstück jederzeit sicher am Tisch und am Anschlag fest.
- Drücken Sie leicht nach unten, um das Werkstück zu schneiden. Drücken Sie gerade nach unten, „hacken“ Sie das Material. Üben Sie keinen starken Druck auf das Material aus – verwenden Sie leichten Abwärtsdruck. Wenn das Material das Sägeblatt blockiert, lassen Sie den Abzug los.
- Wenn der Schnitt abgeschlossen ist, heben Sie den Sägekopf an, lassen Sie den Abzug los, warten Sie, bis das Sägeblatt zum Stillstand kommt, lösen Sie die Klemme und entfernen Sie das Werkstück von der Säge.
- Um Unfälle zu vermeiden, schalten Sie das Werkzeug nach Gebrauch aus und ziehen Sie den Netzstecker. Reinigen Sie das Werkzeug und lagern Sie es dann in Innenräumen außerhalb der Reichweite von Kindern.
- Verriegeln Sie den Sägekopf und alle anderen Einstellungen, bevor Sie die Säge bewegen. Verwenden Sie den Tragegriff und die Grifffestungen an jeder Seite der Basis, um die Säge beim Bewegen anzuheben und zu stützen.
Wartungs- und Serviceanweisungen
Verfahren, die in diesem Handbuch nicht speziell erklärt werden, dürfen nur von einem qualifizierten Techniker durchgeführt werden.
UM SCHWERE VERLETZUNGEN DURCH UNBEABSICHTIGTE BEDIENUNG ZU VERMEIDEN:
Stellen Sie sicher, dass der Schalter ausgeschaltet ist, und ziehen Sie den Stecker des Werkzeugs aus der Steckdose, bevor Sie Verfahren in diesem Abschnitt durchführen.
UM SCHWERE VERLETZUNGEN DURCH WERKZEUGVERSAGEN ZU VERMEIDEN:
Verwenden Sie keine beschädigten Geräte. Falls ungewöhnliche Geräusche oder Vibrationen auftreten, lassen Sie das Problem beheben, bevor Sie das Gerät weiter verwenden.
Reinigung, Wartung und Schmierung
- VOR JEDER VERWENDUNG prüfen Sie den allgemeinen Zustand des Werkzeugs. Prüfen Sie auf:
- lose Befestigungsteile
- Fehlausrichtung oder Blockieren beweglicher Teile
- beschädigtes Kabel/elektrische Verkabelung
- gerissene oder gebrochene Teile
- jeden anderen Zustand, der den sicheren Betrieb beeinträchtigen könnte.
- NACH DER VERWENDUNG wischen Sie die äußeren Oberflächen des Werkzeugs mit einem sauberen Tuch ab. Reinigen Sie den Staubabsaugkanal und den Bereich um die untere Sägeblattschutz sorgfältig. Stellen Sie sicher, dass sich die untere Sägeblattschutz reibungslos und ohne zu klemmen über ihren gesamten Bewegungsbereich bewegt.
- Tragen Sie regelmäßig eine ANSI-zugelassene Schutzbrille und einen NIOSH-zugelassenen Atemschutz und blasen Sie Staub mit trockener Druckluft aus den Motorlüftungsschlitzen.
UM SCHWERE VERLETZUNGEN ZU VERMEIDEN: Wenn der Stecker oder das Netzkabel dieses Elektrowerkzeugs beschädigt ist, darf es nur von einem qualifizierten Servicetechniker ersetzt werden.
Prüfen und Kalibrieren des Anschlags
Der Anschlag hält das Werkstück in einer festen Position, während der Tisch und/oder die Sägekopf-Baugruppe in einem Gehrungs- oder Neigungswinkel eingestellt werden.
Um präzise Schnitte zu erzielen, muss der Anschlag senkrecht (in einem 90°-Winkel) zum Sägeblatt stehen.
- Bevor Sie mit der Arbeit beginnen, machen Sie einen Probeschnitt an einem Restmaterial, wobei der Tisch auf die 0°-Gehrungsposition eingestellt ist.
- Prüfen Sie den Schnitt mit einem Präzisionswinkel. Sie können auch die beiden Stücke umdrehen, die Schnittenden zusammenhalten und eine gute gerade Kante entlang der Seite der Stücke halten.
- Wenn einer der Tests zeigt, dass der Schnitt kein echter 90°-Winkel ist, stellen Sie den Anschlag ein, bevor Sie mit der Arbeit beginnen.
Wenn der Anschlag eingestellt werden muss:
- Ziehen Sie zuerst den Stecker des Werkzeugs.
- Stellen Sie die Neigungs- und Gehrungswinkel auf die 0°-Position ein.
- Senken Sie die Sägekopf-Baugruppe ab und arretieren Sie sie mit dem Arretierstift für den Kopf.
- Legen Sie einen Zimmermannswinkel auf den Tisch, wobei eine Kante entlang des Sägeblatts und die andere entlang des Anschlags liegt. Jede Ungenauigkeit sollte sichtbar sein.
HINWEIS: Der Winkel muss die Oberfläche des Sägeblatts berühren, nicht die Zähne, um eine genaue Ablesung zu erhalten. - Der Anschlag wird mit vier Anschlag-Einstellschrauben festgehalten. Lösen Sie die Schrauben leicht und klopfen Sie den Anschlag vorsichtig mit einem Gummihammer in Position. Ziehen Sie die Schrauben fest und machen Sie einen weiteren Probeschnitt. Wiederholen Sie den Vorgang, bis der Anschlag genau eingestellt ist.
![Bauer - 20744E-B - Einstellschrauben des Anschlags Anschlag-Einstellschrauben]()
Kalibrieren des Neigungswinkels
Für präzise Schnitte muss das Sägeblatt so eingestellt werden, dass es exakt vertikal zum Tisch steht.
- Um den Winkel zu prüfen, bringen Sie die Sägekopf-Baugruppe in ihre normale aufrechte Position und stellen Sie den 0°-Neigungswinkel ein. Machen Sie einen Schnitt an einem flachseitigen, ziemlich dicken Restmaterial.
- Prüfen Sie den Schnitt mit einem Präzisionswinkel. Der Schnitt sollte genau 90° betragen.
- Der Winkel kann auch überprüft werden, indem man ein abgeschnittenes Stück um 180° dreht und die Schnittenden zusammenhält. Wenn der Schnitt nicht exakt vertikal ist, bilden die beiden Stücke einen leichten Winkel.
0°-Neigungswinkel-Einstellung
- Ziehen Sie zuerst den Stecker des Werkzeugs.
- Stellen Sie den Gehrungstisch auf 0° ein.
- Lösen Sie den Feststellknopf für die Neigung, bewegen Sie die Sägekopf-Baugruppe, bis die Neigungswinkelanzeige auf 0° an der Neigungsskala steht, und ziehen Sie dann den Feststellknopf für die Neigung fest.
- Ziehen Sie den Sägekopf nach unten, bis das Sägeblatt gerade in den Tischeinsatz eindringt.
- Legen Sie einen Anreißwinkel auf den Gehrungstisch und an das Sägeblatt.
HINWEIS: Der Winkel muss die Oberfläche des Sägeblatts berühren, nicht die Zähne, um eine genaue Ablesung zu erhalten. - Wenn das Sägeblatt nicht 90° rechtwinklig zum Gehrungstisch steht, lösen Sie den Feststellknopf für die Neigung, kippen Sie den Sägekopf vollständig nach links, lösen Sie die Kontermutter an der Einstellschraube für den 0°-Neigungswinkel und stellen Sie die Schraube mit einem Sechskantschlüssel hinein oder heraus, um den Neigungswinkel zu vergrößern oder zu verringern.
![Bauer - 20744E-B - 0°-Neigungswinkel-Einstellung 0°-Neigungswinkel-Einstellung]()
- Kippen Sie den Sägekopf auf 0° Neigung wieder nach rechts und prüfen Sie die Ausrichtung erneut.
- Nachdem die Ausrichtung erreicht ist, ziehen Sie den Feststellknopf für die Neigung und die Kontermutter fest.
UM SCHWERE VERLETZUNGEN ZU VERMEIDEN:
Stellen Sie den verschiebbaren Anschlag nach jeder Einstellung des Schnittwinkels außerhalb des Schneidbereichs des Sägeblatts ein. Bewegen Sie das Sägeblatt über seinen gesamten Bewegungsbereich, um sicherzustellen, dass der Anschlag frei ist.
45°-Neigungswinkel-Einstellung
Stellen Sie den 45°-Neigungswinkel erst ein, nachdem Sie die 0°-Neigungswinkel-Einstellung vorgenommen haben.
- Lösen Sie den Feststellknopf für die Neigung.
- Bewegen Sie den Sägekopf nach links, bis die Neigungswinkelanzeige auf 45° an der Neigungsskala steht.
- Ziehen Sie den Sägekopf nach unten, bis das Sägeblatt gerade in den Tischeinsatz eindringt.
- Legen Sie einen Dreieckswinkel auf den Gehrungstisch und an das Sägeblatt.
- Wenn das Sägeblatt nicht 45° zum Gehrungstisch steht, kippen Sie den Sägekopf nach rechts, lösen Sie die Kontermutter an der Einstellschraube für den 45°-Neigungswinkel und stellen Sie die Schraube mit einem Sechskantschlüssel hinein oder heraus, um den Neigungswinkel zu vergrößern oder zu verringern.
![Bauer - 20744E-B - 45°-Neigungswinkel-Einstellung 45°-Neigungswinkel-Einstellung]()
- Kippen Sie den Sägekopf auf 45° Neigung wieder nach links und prüfen Sie die Ausrichtung erneut.
- Nachdem die Ausrichtung erreicht ist, ziehen Sie den Feststellknopf für die Neigung und die Kontermutter fest.
Kalibrieren der Gehrungswinkelanzeige
Prüfen Sie die Genauigkeit der Gehrungswinkelanzeige erst, nachdem Sie den Anschlag geprüft oder eingestellt haben, um sicherzustellen, dass er 90° zum Sägeblatt steht.
- Positionieren Sie den Gehrungstisch auf 0°.
- Lösen Sie die Einstellschraube, die die Gehrungswinkelanzeige festhält.
![Bauer - 20744E-B - Kalibrieren der Gehrungswinkelanzeige Kalibrieren der Gehrungswinkelanzeige]()
- Stellen Sie die rote Linie auf der Gehrungswinkelanzeige auf die 0°-Markierung der Gehrungsskala ein.
- Ziehen Sie die Schraube wieder fest.
Fehlerbehebung
| Problem | Mögliche Ursachen | Wahrscheinliche Lösungen |
| Werkzeug startet nicht. |
|
|
| Werkzeug arbeitet langsam. |
|
|
| Leistung nimmt mit der Zeit ab. | Kohlebürsten abgenutzt oder beschädigt. | Lassen Sie die Bürsten von einem qualifizierten Techniker ersetzen. |
| Übermäßige Geräuschentwicklung oder Klappern. | Interner Schaden oder Verschleiß. (Kohlebürsten oder Lager, zum Beispiel.) | Lassen Sie das Werkzeug von einem Techniker warten. |
| Überhitzung. |
|
|
| | ||
Seriennummer des Produkts notieren
Hinweis: Wenn das Produkt keine Seriennummer hat, notieren Sie stattdessen Monat und Jahr des Kaufs.
Hinweis: Einige Teile sind nur zu Illustrationszwecken aufgeführt und abgebildet und nicht einzeln als Ersatzteile erhältlich. Geben Sie beim Bestellen von Teilen die UPC 193175418746 an.
Bei technischen Fragen rufen Sie bitte 1-888-866-5797 an.
Copyright© 2020 by Harbor Freight Tools®. Alle Rechte vorbehalten.
Kein Teil dieses Handbuchs oder der hierin enthaltenen Abbildungen darf ohne die ausdrückliche schriftliche Genehmigung von Harbor Freight Tools in irgendeiner Form reproduziert werden. Diagramme in diesem Handbuch sind möglicherweise nicht maßstabsgetreu. Aufgrund fortlaufender Verbesserungen kann das tatsächliche Produkt geringfügig von dem hierin beschriebenen Produkt abweichen. Für Montage und Wartung erforderliche Werkzeuge sind möglicherweise nicht im Lieferumfang enthalten.

Referenzen
Anleitung herunterladen
Hier können Sie die vollständige PDF-Version des Handbuchs herunterladen. Sie kann zusätzliche Sicherheitsanweisungen, Garantieinformationen, FCC-Regeln usw. enthalten.















