Jensen CDR171 - DVD Multimedia Receiver Manual
- 1 Preparation
- 2 Wiring Diagram - Inputs/Outputs
- 3 Control Locations
- 4 General Operation
- 5 AM/FM Tuner Operation
- 6 Media Player Operation
- 7 Media Compatibility
- 8 DVD Operation
- 9 Bluetooth Operation
- 10 Front 3.5mm Aux Input & Rear RCA A/V Input
- 11 Rear Camera Operation - (Optional)
- 12 SWC Input Operation
- 13 Specifications
- 14 Troubleshooting
- 15 Safety Notes
- 16 Warning Statement
- 17 Safety Information
- 18 References
- 19 Download manual
- 20 In Other Languages

Preparation
Before You Start
- Disconnect negative battery terminal. Consult a qualified technician for instructions.
- Avoid installing the unit where it would be subject to high temperatures, such as from direct sunlight, or where it would be subject to dust, dirt or excessive vibration.
Getting Started
TYPICAL FRONT-LOAD DIN MOUNTING METHOD

- Remove trim ring from unit.
- Remove 2 transit screws located on top of the unit.
- Insert the supplied keys into the slots as shown, and slide the unit out of the mounting sleeve.
- Install mounting sleeve into opening, bending tabs to secure.
- Connect wiring harness and antenna. Consult a qualified technician if you are unsure.
- Certain vehicles may require an installation kit and/or wiring harness adapter (sold separately).
- Test for correct operation and slide into mounting sleeve to secure.
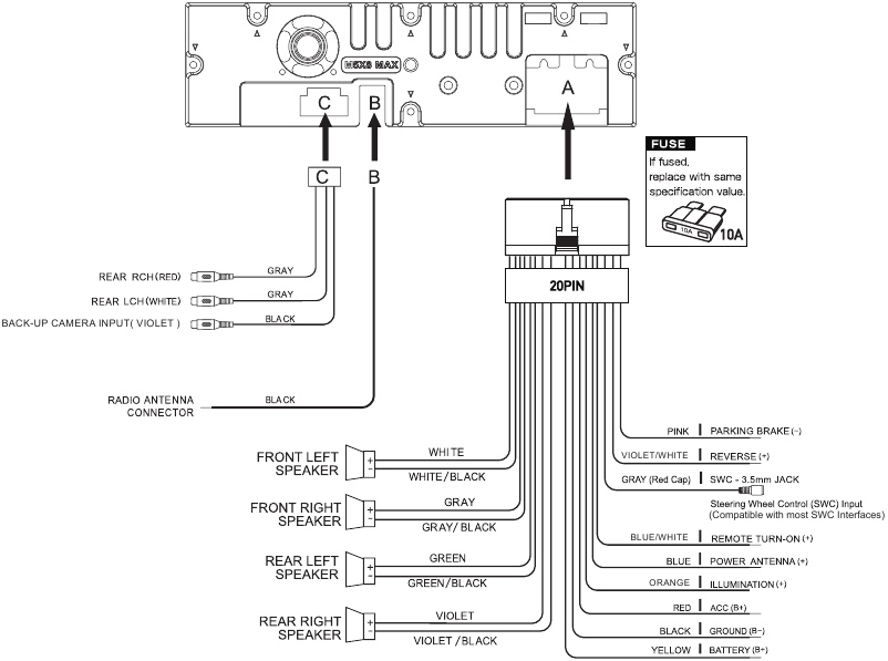
Wiring Diagram - Inputs/Outputs

Note:
When replacing a fuse, make sure to use the correct type and amperage. Using an incorrect fuse could cause damage. The unit uses (1) 10 amp ATC mini style fuse located on the power connector.
Wiring Notes:
Rear camera input
A rear view camera (not included) can be used with the Camera input.
Control Locations

- Eject
- Auxiliary Input
- USB Port
- Microphone
- Tune/Track Down
- Mute/End Call
- Volume/Talk
- Band
- Mode/Voice Activation
- Open/Power
- Reset
- Mode
- Tune/Track Up
General Operation
| Installing the Faceplate | Align the faceplate with the front of the unit, then snap in place beginning with the left side. |
| Power On/Off | Momentarily press to turn the unit on or off. |
| Volume | Rotate the volume knob to increase or decrease the volume level. |
| Mute | Momentarily press MUTE to silence the audio. Momentarily press MUTE again to return to the previously selected volume. Rotating the volume knob while the volume is muted will also cancel the mute function. |
| Mode | Press MODE to step through all available input modes: Radio, Disc (which includes DVD and CD playback), AV In, USB, Bluetooth Phone, Bluetooth Audio, Auxiliary Input, Rear Camera and Settings. Modes of operation are indicated on the display and/or the monitor. Optional USB device must be connected/inserted to appear in the mode selection string. |
| Auxiliary Input | Connect external audio/video devices to the 3.5mm auxiliary input on the front panel. |
| USB | Connect an USB device to play MP3 files. |
| Opening the LCD | Press OPEN to open or close the LCD screen. |
| Screen Angle | Press UP or DOWN to adjust the screen angle up or down. |
| Main Menu | When the monitor is open, press the house icon in the top left corner to access the Main Menu screen.
|
| Setup Menu | From the Main Menu screen, press SETUP in the bottom right corner to access the Setup menu and select from the following categories: General, Clock, Audio, Bluetooth, Display and About.![]() General:
Audio:
Video:
Bluetooth:
|
AM/FM Tuner Operation

| Radio Operation | Select the Radio icon from the Main Menu screen. |
Current Mode/Main Menu ![]() | Displays current mode of operation. Press to return to Main Menu screen. |
Preset Stations ![]() | Press and hold to set the current station in that preset spot. Press momentarily to recall the desired preset and begin playback. |
AM ![]() | Press to access AM bands. |
FM ![]() | Press to access FM bands. |
Bluetooth ![]() | Press to access Bluetooth phone. |
Stereo / Mono ![]() | Press to toggle between Stereo and Mono tuning. |
Tune Down ![]() | Press << to tune radio to a lower frequency. Press and hold to tune the unit down one step at a time. |
AS/PS ![]() | Press to scan presets and listen to the first 10 seconds of each. Press again to stop scanning and listen to the station. Press and hold to automatically store the strongest stations as presets. |
Direct Station Entry ![]() | Press to display the keypad and directly enter the desired station number. |

Station Number ![]() | Displays the current station number. |
Station Search ![]() | Press to search stations. |
Tune Up ![]() | Press >> to tune radio to a higher frequency. Press and hold to tune the unit up one step at a time. |
Audio Settings ![]() | Press to access and adjust audio settings. |
Band ![]() | Press to select between 2 AM and 3 FM bands. |
Media Player Operation

| Media Player Operation | Select the Media Player icon from the Main Menu screen. |
Current Mode/Main Menu ![]() | Shows current mode of operation. Press to return to Main Menu. |
Bluetooth Music ![]() | Press to access Bluetooth music. |
USB ![]() | Press to access files on USB device. |
Bluetooth Phone ![]() | Press to access Bluetooth phone. |
Random ![]() | Press to enable or disable Random playback. |
Tune Down ![]() | Press << to tune radio to a lower frequency. Press and hold to tune the unit down one step at a time. |
Repeat ![]() | Press to enable or disable Repeat playback. |
Direct File Entry ![]() | Press to display the keypad and enter the desired file number. |
Play / Pause ![]() | Press to pause or resume playback. |
File List ![]() | Press to display a list of all files on the device. |
Tune Up ![]() | Press >> to tune radio to a higher frequency. Press and hold to tune the unit up one step at a time. |
Audio Settings ![]() | Press to access and adjust audio settings. |
Time Indicator ![]() | Displays elapsed time/remaining time for the current file. |
ID3 Metadata ![]() | Displays current file information. |
Media Compatibility
| Media Compatibility | The following types of discs/files are compatible:
|
| Playback Order | MP3 playback sequence begins in the root folder of the disc, USB flash drive. Any empty folders or folders that do not include MP3 |
| Compatible Recording Formats | ISO9660 standards:
|
| Notes | Some files may not play or be displayed correctly, depending on sampling rates and bit rates. For best results, use the following settings when ripping MP3 files: 128kbps or higher constant bit rate 44.1kHz or higher sampling frequency |
CD/DVD
| File Type | MP3 | |||
| File System | ISO9660 | Level 1, Level 2 | | |
| Level 3 | X | |||
| ISO9660 Extension | JOLIET | Playback | | |
| Filename | 32 bytes | |||
| Other Extensions | ROMEO | Playback | X | |
| Filename | X | |||
| Apple ISO | X | |||
| File Extension | .mp3/.MP3/.Mp3/.mP3 | | ||
| .rmp/.m4a | X | |||
| MPEG Format | MPEG 1 | | ||
| MPEG 2 | | |||
| MPEG 2.5 | | |||
| Sampling Frequency | MPEG 1 | 32/44.1/48kHz | ||
| MPEG 2 | 12/16/22.05/24kHz | |||
| MPEG 2.5 | 8/11.025/12kHz | |||
| Bitrate | MPEG 1 | 32 ~ 320kbps | ||
| MPEG 2 | 8 ~ 160kbps | |||
| MPEG 2.5 | 8 ~ 160kbps | |||
| Other Information | Directory Depth | Unlimited | ||
| File Name Length | 32 bytes | |||
| Total File Number | 2000 files | |||
| Total Folder Number | 200 folders | |||
| File Number via Folder | 2000 files | |||
| MP3 ID3 TAG | ver.1.x | | ||
| ver.2.x | | |||
| Title, Artist, Album | | |||
USB
| File Type | MP3 | ||
| File System | FAT | FAT 12 | X |
| File Extension | .mp3/.MP3/.Mp3/.mP3 | | |
| .rmp/.m4a | X | ||
| MPEG Format | MPEG 1 | | |
| MPEG 2 | | ||
| MPEG 2.5 | | ||
| Sampling Frequency | MPEG 1 | 32/44.1/48kHz | |
| MPEG 2 | 12/16/22.05/24kHz | ||
| MPEG 2.5 | 8/11.025/12kHz | ||
| Bitrate | MPEG 1 | 32 ~ 320kbps | |
| MPEG 2 | 8 ~ 160kbps | ||
| MPEG 2.5 | 8 ~ 160kbps | ||
| Other Information | Directory Depth | Unlimited | |
| File Name Length | 32 bytes | ||
| Total File Number | 2000 files | ||
| Total Folder Number | 200 folders | ||
| File Number via Folder | 2000 files | ||
| MP3 ID3 TAG | ver.1.x | | |
| ver.2.x | | ||
| Title, Artist, Album | | ||
DVD Operation

| Inserting a Disc | Insert disc into the slot, and playback will begin automatically. Sub-menus may have to be pressed to access the DVD content. Read the directions of your specific DVD disc for other features. |
| Ejecting the Disc | Press to eject the disc. |
| Touchscreen Controls | Press anywhere on the LCD to display touch screen controls. |
??? ![]() | Need info |
Audio Settings ![]() | Press to adjust audio settings. |
Previous Chapter ![]() | Press to return to the previous chapter. |
Play / Pause ![]() | Press to pause or resume playback. |
Next Chapter ![]() | Press to advance to the next chapter. |
Next Page ![]() | Press to display the next page of options. |

Direct Entry ![]() | Enter a chapter number directly to begin playback. |
Audio ![]() | Press to access and adjust audio settings. |
Repeat ![]() | Press to repeat current chapter. |
Random ![]() | Press to enable or disable random playback. |
Next Page ![]() | Press to display the next page of options. |
Bluetooth Operation

| Preparation | Before you can use a Bluetooth device, it must be paired and connected. Make sure that Bluetooth is activated on your device before you begin the pairing process. |
| Pairing a New Device | The unit broadcasts the pairing signal constantly when no devices are currently connected. Complete the pairing sequence from your Bluetooth device. Refer to the owner's manual for your device for more details. The device name is "JENSES CDR171". The Bluetooth passcode is "0000". The unit can be in any mode of operation when pairing is performed. On certain phones, pairing may need to be done more than once. |
| Connecting a Paired Device | Most Bluetooth devices support the auto-connect feature and will connect automatically if the device is in range when the unit is powered-on. If your device was previously paired but does not connect, enter the Bluetooth setup menu and ensure that Auto Connect is On. |
| Bluetooth Phone | To access the phone, select Bluetooth Phone from the Main Menu or press the phone icon from any operational mode. |
Current Mode/ Main Menu ![]() | Displays current mode of operation. Press to return to the Main Menu screen. |
Phone Keypad ![]() | Use the phone keypad to dial the desired phone number. Alternately, numbers can be dialed directly from the phone. |
Display Keypad ![]() | Press to display phone keypad. |
Contacts ![]() | Press to access the contact list. |
Backspace ![]() | Press to backspace when typing a phone number. |
Recent Calls ![]() | Press to display a list of recent calls. |
Devices ![]() | Press to view available devices. |

Talk ![]() | Press to connect a call. |
Phone Number ![]() | Shows the phone number dialed. |
End Call ![]() | Press to end the current call. |
Settings ![]() | Press to transfer call between the head unit and the mobile phone. |
Mute ![]() | Press to mute call audio. |
Keypad ![]() | Press to display the keypad. |
Front 3.5mm Aux Input & Rear RCA A/V Input
Auxiliary Input
Connect an optional audio source into the 3.5mm (front panel) input.
Select auxiliary input from the Main Menu to listen to audio.
Adjust volume on the external audio source as needed (if connected to the headphone output of the device).
Using AV Input
Connect an optional audio/video source to the rear auxiliary input (Red/ White/Yellow RCA connectors).
Select AV Input from the Main Menu to listen to audio.
Engage parking brake to watch video.
Rear Camera Operation - (Optional)
Using Rear Camera
Connect an optional rear camera to the Camera Input (Black RCA connector). Refer to the wiring diagram for details.
Manual selection - Touch CAMERA icon from the Main Menu or from any operational mode (when enabled) to select camera mode. Touch the top left area on the screen to exit camera mode.
Note: The manual mode is for dedicated cameras that are ALWAYS on while driving, it is not meant for cameras that are ALWAYS connected to the vehicle's reverse light.
Auto Selection
The unit will automatically select camera mode when connected to the reverse lamp circuitry.
Note: The external video output is not active when using the rear camera input.
SWC Input Operation
The built-in SWC Interface is compatible with PAC steering wheel control modules.
The PAC SWI-RC is recommended. A third-party adapter must be used in order for the XDVD600 to be compatible with any steering wheel controls. The following controls are available for most vehicles.
- Volume Up (+)
- Volume Down (-)
- Mute
- Preset (+)
- Preset (-)
- Mode
- Seek/Track Up (+)
- Seek/Track Down (-)
- Band
- BT Talk
- BT End
Note: Not all OE steering wheel functions may be supported by the XDVD600.
PAC SWI-RC Installation Hints
- Set "Radio Select Switch". Set the SWI-RC to position 7 - "Pioneer/Other/Sony".
- To program, use the Pioneer/Sony/Other radio function mapping order for CDR171 units.
- When programming the SWI-RC, if a function is not supported (or not desired), then the function MUST be skipped as per the PAC SWI-RC instructions.
| Function Order | Function Mapping | SWI-RC (3.3VDC Reference) | |
| Center Pin (Ring) Voltage (Function Select) | Tip Pin Voltage | ||
| 1 | Volume + | H 5.0v | 2.07 |
| 2 | Volume - | H 5.0v | 2.32 |
| 3 | Mute | H 5.0v | 1.01 |
| 4 | Preset + | L 0.0V | 1.54 |
| 5 | Preset - | L 0.0V | 1.81 |
| 6 | Source | H 5.0v | 0.60 |
| 7 | Seek + / Track + | H 5.0v | 1.54 |
| 8 | Seek - / Track - | H 5.0v | 1.81 |
| 9 | Band | H 5.0v | 2.73 |
| 10 | BT Talk | L 0.0V | 0.60 |
| 11 | BT End | L 0.0V | 1.01 |
Specifications
| Disc | Frequency response: 20Hz-20kHz Channel separation @ 1kHz: >80dB D/A converter: 24 Bit |
| FM Tuner | Tuning range: 87.5MHz-107.9MHz Usable sensitivity: 10dBf 50dB quieting sensitivity: 20dBf Stereo separation @ 1kHz: 38dB Frequency response: 30Hz-13kHz |
| AM Tuner | Tuning range: 530kHz-1710kHz Usable sensitivity: 24uV Frequency response: 30Hz-2.3kHz |
| Front USB | Compatibility: High Speed USB 2.0 USB Class: Mass storage class |
| Monitor | Panel size: 7" diagonal measurement View angle (up/down/left/right): 50/70/70/70 Resolution: 800 (H) x 480 (V) Brightness (cd/m2): 250 Contrast ratio: 500: 1 Pixels: 1,152,000 |
| General | Speaker output impedance: 4 ohms Line output voltage: 4 volt RMS Line output impedance: 200 ohms Chassis dimensions: 7" x 7" x 2" (W x D x H) |
Design and specifications subject to change without notice.
Troubleshooting
General
| Problem | Cause | Action |
| Unit will not turn on (no power) | Yellow wire not connected or incorrect voltage Red wire not connected or incorrect voltage | Check connections for proper voltage (11~16VDC) |
| Black wire not connected | Check connection to ground | |
| Fuse blown | Replace fuse(s) | |
| Unit has power (but no sound) | Speaker wires not connected | Check connections at speakers |
| One or more speaker wires touching each other or touching chassis ground | Insulate all bare speaker wires from each other and chassis ground | |
| Unit blows fuse(s) | Yellow or red wire touching chassis ground | Check for pinched wire |
| Speaker wires touching chassis ground | Check for pinched wire | |
| Incorrect fuse rating | Use fuses with correct rating | |
| Unit has audio (but no video) | Parking brake safety circuit not connected Parking brake not applied | Check connections at parking brake Apply parking brake |
| No video display (when in reverse) | Reverse circuit not connected Vehicle is not in reverse | Check connections at reverse lamp Select reverse gear |
| DVD does not start playback | Physical defect in media Wrong region | Check media for scratches Use discs labelled "Region 1" or "All" only |
| IR remote does not work | Dead battery | Replace battery |
| Excessive skipping | Unit is not mounted correctly | Check mounting sleeve |
| Physical defect in media | Check media for scratches |
Register Your ProductRegister your product online at www.jensenmobile.com.
Safety Notes
(Only DVD Receiver)
Video playback will not operate while the vehicle is moving.
This is a safety feature to prevent driver distraction. In-dash video functions will only operate when vehicle is in Park and the parking brake is engaged. It is illegal in most jurisdictions for the driver to view video while the vehicle is in motion.
Warning Statement
Upon installation of this monitor/media player ("unit") into a vehicle, the driver of the vehicle must not operate this unit by watching videos or playing video games while driving. Failure to follow this instruction could lead to driver distraction which could result in serious injury or death to the vehicle's occupants or persons outside the vehicle and/or property damage.
Several states prohibit the installation of monitors/media players if the screen is visible from the driver's seat. If you reside in a jurisdiction which has enacted such a law, this unit must not be installed so that the screen is visible from the driver's seat. When installing this unit in the front console/dashboard, the unit must be positioned so that it is facing the front passenger seat only. Failure to follow this instruction could lead to driver distraction which could result in serious injury or death to the vehicle's occupants or persons outside the vehicle and/or property damage.
This unit is designed so that it may be operated only when the vehicle is in "Park" and the parking brake is fully engaged. To this end, this unit includes a parking brake lock-out feature which prohibits the unit from operating if the vehicle is not in "Park" and/or the parking brake is not fully engaged. When installing this unit, the installer must connect the parking brake detect wire to the parking brake mechanism in order to make the parking brake lock-out feature operable. DO NOT simply ground the parking brake detect wire to a metal portion of the vehicle. Failure to properly install the parking brake lock-out feature could lead to driver distraction which could result in serious injury or death to the driver's occupants or persons outside the vehicle and/or property damage.
Once the parking brake lock-out feature is installed, the owner/user must not attempt to disrupt/neutralize the parking brake lock-out feature by
- partially engaging the parking brake and/or
- purchasing/using any device or unit designed to send necessary brake signals to the unit. Failure to follow these instructions could lead to driver distraction which could result in serious injury or death to the driver's occupants or persons outside the vehicle and/or property damage.
When operating this unit, keep the unit's volume level low enough so that the vehicle's occupants can hear traffic-related sounds such as police and emergency vehicles. Failure to follow this instruction could lead to driver distraction which could result in serious injury or death to the vehicle's occupants or persons outside the vehicle and/or property damage.
Note.
The above video Content is for DVD Receiver Only.
Safety Information
Please read all instructions carefully before attempting to install or operate.
Due to its technical nature, it is highly recommended that your radio is installed by a professional installer or an authorised dealer. This product is only for use in vehicles with 12VDC negative ground only.
To prevent damage or injury:
- Make sure to ground the unit securely to the vehicle chassis ground.
- Do not remove the top or bottom covers of the unit.
- Do not install the unit in a spot exposed to direct sunlight or excessive heat or the possibility of water splashing.
- Do not subject the unit to excessive shock.
- When replacing a fuse, only use a new one with the prescribed rating. Using a fuse with the wrong rating may cause the unit to malfunction.
- To prevent short circuits when replacing a fuse, disconnect the wiring harness first.
- Use only the provided hardware and wire harness.
- You cannot view video while the vehicle is moving. Find a safe place to park and engage the parking brake.
- If you experience problems during installation, consult your nearest Jensen dealer.
- If the unit malfunctions, reset the unit first. If the problem still persists, consult your nearest Jensen dealer or call tech assistance @ 1-866-382-5476.
- To clean the monitor, wipe only with a dry silicone cloth or soft cloth. Do not use a stiff cloth, or volatile solvents such as paint thinner and alcohol. They can scratch the surface of the panel and/or remove the printing.
- When the temperature of the unit falls (as in winter), the liquid crystal inside the screen will become darker than usual. Normal brightness will return after using the monitor for a while.
- When extending the ignition, battery or ground cables, make sure to use automotive-grade cables or other cables with an area of 0.75mm (AWG 18) or more to prevent voltage drops.
- Do not touch the liquid crystal fluid if the LCD is damaged or broken. The liquid crystal fluid may be hazardous to your health or fatal. If the liquid crystal fluid from the LCD contacts your body or clothing, wash it off with soap immediately.
Customer Support
1-888-921-4088
(Monday-Friday, 9AM-5PM EST)
Visit https://www.jensenmobile.com
References
Download manual
Here you can download full pdf version of manual, it may contain additional safety instructions, warranty information, FCC rules, etc.
Download Jensen CDR171 - DVD Multimedia Receiver Manual
to turn the unit on or off.
or DOWN
to adjust the screen angle up or down.















to eject the disc.











