SICK Ranger3 - Краткое руководство по 3D-камере технического зрения
- 1 Информация о продукте
- 2 Информация по безопасности
- 3 Рекомендации по системе
- 4 Установка на ПК
- 5 Установка камеры и лазера
- 6 Подключение камеры
- 7 Конфигурация
- 8 Обслуживание и уход
- 9 Дополнительная информация
- 10 Обзор
- 11 Установка
- 12 Технические данные
- 13 Ссылки
- 14 Скачать инструкцию
- 15 На других языках

Информация о продукте
Ranger3 — это высокоскоростная 3D-камера, предназначенная для использования в качестве компонента технического зрения в системах машинного зрения.
Ranger3 выполняет измерения объектов, проходящих перед камерой, и отправляет результаты измерений на ПК для дальнейшей обработки. Измерения могут быть запущены и остановлены с ПК, а также запускаться энкодерами и фотоэлектрическими датчиками в системе технического зрения.
Информация по безопасности
Безопасность лазера
Когда устройство SICK используется в сочетании с лазером, должны быть выполнены все требования к лазерным продуктам и лазерным системам в соответствии со стандартами лазерной безопасности En/IEC 60825–1 и 21 CFR 1040.10/11.
Если камера используется с лазером, питание лазера должно быть отключено перед выполнением каких-либо работ по техническому обслуживанию. Неотключение питания лазера при обслуживании камеры может привести к опасному радиационному облучению.
Электробезопасность
Опасность травм и повреждений из-за электрического тока!
Неправильное заземление устройства может привести к возникновению токов выравнивания потенциалов между устройством и другими заземленными устройствами в системе. Это может привести к следующим опасностям и неисправностям:
- На металлические корпуса подается опасное напряжение.
- Устройства будут работать со сбоями или получат невосстановимые повреждения.
- Экраны кабелей повреждаются из-за перегрева и вызывают возгорание кабелей.
Меры по устранению:
- Только квалифицированные электрики должны допускаться к работе с электрической системой.
- Установите заземление для датчика и системы в соответствии с национальными и региональными правилами.
- Убедитесь, что потенциал земли одинаков во всех точках заземления.
- Если изоляция кабеля повреждена, немедленно отключите питание и устраните повреждение.
Рекомендации по системе
Требования к ПК для системы технического зрения зависят от вашего приложения. Для минимальной работы рекомендуется следующее:
- Windows 7 или Windows 10, 64-разрядная версия.
- Адаптер Gigabit Ethernet, поддерживающий Jumbo Frames и предназначенный для связи с камерой.
Установка на ПК
Последнюю версию Ranger3 SDK можно загрузить с портала поддержки CK:
- Войдите на портал поддержки SICK.
- На вкладке Vision (техническое зрение) выберите RangeR3 и перейдите на страницу загрузки Ranger3 SDK.
- Загрузите zip-файл SDK.
- Распакуйте SDK и следуйте инструкциям в файле README.txt.
Установка камеры и лазера
Используйте камеру вместе с лазером, проецирующим линию, который освещает измеряемый объект.
- Установите камеру и лазер так, чтобы лазер освещал объект с одного направления, а камера просматривала объект с другого направления.
- Лазерная линия должна быть ортогональна направлению движения объекта. Также установите камеру так, чтобы камера не наклонялась вбок по отношению к лазерной линии.
- Убедитесь, что камера должным образом охлаждается.
Подключение камеры
ВНИМАНИЕ
- Никогда не подключайте какие-либо сигналы при включенном питании камеры.
- Никогда не подключайте к камере терминал Power-I/o с питанием или сигналы I/o с питанием.
- Никогда не подключайте к камере блок интерфейса энкодера с питанием.
- Никогда не подключайте к входам энкодера уровни сигналов, превышающие входные характеристики.
- Снимите защитные колпачки, закрывающие соединения для Gigabit Ethernet (GigE) и Power I/o на задней панели камеры.
- Подключите кабель Ethernet к разъему GigE на камере. Подключите другой конец кабеля Ethernet к сетевой карте (nIC) в ПК.
- Подключите соединительный модуль к разъему Power I/o на камере.
- Подключите источник питания без питания к соединительному модулю.
- Подключите лазер к его источнику питания.
- Включите питание системы.
Конфигурация
Прежде чем камеру можно будет использовать в системе машинного зрения, ее необходимо настроить. Это делается путем настройки параметров в программном обеспечении Ranger3 Studio до тех пор, пока результат изображения не станет удовлетворительным.
Ranger3 соответствует стандарту GenICam™, который обеспечивает общий программный интерфейс для различных типов камер и устройств.
Обслуживание и уход
Камера не содержит внутри деталей, обслуживаемых пользователем. Гарантия на устройство аннулируется при вскрытии. Устройство не должно вскрываться другими сторонами, кроме SICK.
- Регулярно проверяйте разъемы.
- Очищайте корпус мягкой тканью, сухой или слегка увлажненной мягким водным раствором чистящего средства без порошковых добавок.
В случае выхода устройства из строя обратитесь в SICK или к представителю SICK, который доставил устройство, для получения дальнейших инструкций.
Дополнительная информация
Дополнительная информация о продукте доступна на домашней странице устройства: www.sick.com/Ranger3.
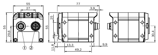
Обзор
Габаритные чертежи




- Разъем Power I/o
- Разъем Gig E
- Светодиод; включен
- Светодиод; Состояние
- Светодиод; Связь/Данные
- Светодиод; Лазер
- Оптическая ось приемника
- Монтажные отверстия, 4 x M5
Назначение контактов
Разъем Power I/O

| Pin (Контакт) | Description (Описание) | Pin (Контакт) | Description (Описание) |
| 1 | Общий провод питания/сигнала | 10 | Вход триггера кадра 24 В |
| 2 | Источник питания, 24 В пост. тока | 11 | Вход энкодера B+ |
| 3 | не подключен | 12 | Вход энкодера B- |
| 4 | не подключен | 13 | Выход триггера 5 В для лазера или стробоскопа |
| 5 | Вход энкодера A+ | 14 | Выход триггера 5 В для лазера или стробоскопа |
| 6 | Вход энкодера A- | 15 | Вход триггера линии 24 В |
| 7 | Зарезервировано | 16 | Настраиваемый вход/выход 24 В |
| 8 | Зарезервировано | 17 | Настраиваемый вход/выход 24 В |
| 9 | не подключен |
Разъем GigE

| Pin (Контакт) | Signal (Сигнал) | Pin (Контакт) | Signal (Сигнал) |
| 1 | GETH L1+ | 5 | GETH L4+ |
| 2 | GETH L1- | 6 | GETH L4- |
| 3 | GETH L2+ | 7 | GETH L3- |
| 4 | GETH L2- | 8 | GETH L3+ |
Установка

Технические данные



Ссылки
Скачать инструкцию
Здесь вы можете скачать полную PDF‑версию инструкции. Она может содержать дополнительные инструкции по безопасности, информацию о гарантии, правила FCC и т. д.
Скачать SICK Ranger3 - Краткое руководство по 3D-камере технического зрения