Zanussi ZITN844K - Priročnik za indukcijsko kuhalno ploščo
- 1 NAMESTITEV
- 2 OPIS IZDELKA
- 3 DNEVNA UPORABA
- 4 NASVETI
- 5 NEGA IN ČIŠČENJE
- 6 ODPRAVLJANJE TEŽAV
- 7 TEHNIČNI PODATKI
- 8 ENERGIJSKA UČINKOVITOST
- 9 VARNOSTNE INFORMACIJE
- 10 VARNOSTNA NAVODILA
- 11 Reference
- 12 Prenesi navodilo
- 13 V drugih jezikih

NAMESTITEV
Glejte poglavja o varnosti.
Pred namestitvijo
Preden namestite kuhalno ploščo, si z nazivne ploščice prepišite serijsko številko. Nazivna ploščica je na dnu kuhalne plošče.
Vgradna enota
Vgradne kuhalne plošče uporabljajte samo, ko jih vgradite v pravilne vgradne enote in delovne površine, ki so skladne s standardi.
Priključni kabel
- Za enofazni ali dvofazni priključek uporabite kabel tipa: H03V2V2F ali H05BB-F, ki prenese temperaturo 90 °C ali več.
- Za zamenjavo poškodovanega omrežnega kabla uporabite kabel: H03V2V2-F ali H05BB-F, ki prenese temperaturo 90 °C ali več. Obrnite se na pooblaščeni servisni center. Priključni kabel lahko zamenja samo usposobljen električar.
Montaža
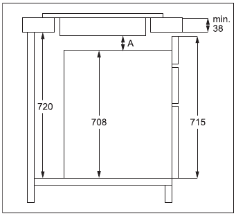
Če kuhalno ploščo nameščate pod napo, si oglejte navodila za namestitev nape za minimalno razdaljo med napravami.

Če je aparat nameščen nad predalom, lahko prezračevanje kuhalne plošče med kuhanjem segreje predmete, shranjene v predalu.

Kombinacija s standardno pečico

Kombinacija z dvojno pečico
A = najmanj 6 mm, za dvojne pečice AEG, Electrolux in Zanussi.
A = najmanj 12 mm, za dvojne pečice drugih znamk.
OPIS IZDELKA
Razporeditev kuhalne površine

- Indukcijsko kuhališče
- Nadzorna plošča
Razporeditev nadzorne plošče

Za upravljanje aparata uporabite senzorska polja. Prikazovalniki, indikatorji in zvoki vas obveščajo, katere funkcije delujejo.
| Senzorsko polje | Funkcija | Komentar | |
![]() | ![]() | VKLOP / IZKLOP | Za vklop in izklop kuhalne plošče. |
![]() | ![]() | Zaklepanje/otroška varnostna naprava | Za zaklepanje/odklepanje nadzorne plošče. |
![]() | ![]() | Premor | Za vklop in izklop funkcije. |
![]() | - | Prikaz toplote | Za prikaz toplote. |
![]() | - | Indikatorji časovnika kuhalnih con | Za prikaz, za katero cono ste nastavili čas. |
![]() | - | Prikazovalnik časovnika | Za prikaz časa v minutah. |
![]() | ![]() | Hob²Hood | Za vklop in izklop ročnega načina delovanja funkcije. |
![]() | ![]() | - | Za izbiro kuhališča. |
![]() | ![]() | - | Za povečanje ali zmanjšanje časa. |
![]() | ![]() | PowerBoost | Za vklop funkcije. |
![]() | - | Nadzorna vrstica | Za nastavitev stopnje gretja. |
Prikazi nastavitve toplote
| Zaslon | Opis |
![]() | Kuhališče je izklopljeno. |
![]() | Kuhališče deluje. |
![]() | Premor deluje. |
![]() | Samodejno segrevanje deluje. |
![]() | PowerBoost deluje. |
+ števka | Prišlo je do okvare. |
![]() | OptiHeat Control (3-stopenjski indikator preostale toplote): nadaljujte s kuhanjem/ohranjajte toploto/preostala toplota. |
![]() | Zaklepanje/otroška varnostna naprava deluje. |
![]() | Nepravilna ali premajhna posoda ali posoda ni na kuhališču. |
![]() | Samodejni izklop deluje. |
OptiHeat Control (3-stopenjski indikator preostale toplote)
Dokler sveti indikator, obstaja nevarnost opeklin zaradi preostale toplote.
Indukcijska kuhališča proizvajajo toploto, potrebno za kuhanje, neposredno na dnu posode. Steklokeramika se segreva s toploto posode.
Indikatorji
se prikažejo, ko je kuhališče vroče. Prikazujejo stopnjo preostale toplote za kuhališča, ki jih trenutno uporabljate.
Indikator se lahko prikaže tudi:
- za sosednja kuhališča, tudi če jih ne uporabljate,
- ko vročo posodo postavite na hladno kuhališče,
- ko je kuhalna plošča izklopljena, vendar je kuhališče še vedno vroče.
Indikator izgine, ko se kuhališče ohladi.
DNEVNA UPORABA
Glejte poglavja o varnosti.
Vklop in izklop
Dotaknite se
za 1 sekundo, da vklopite ali izklopite kuhalno ploščo.
Samodejni izklop
Funkcija samodejno izklopi kuhalno ploščo, če:
- so vsa kuhalna območja izklopljena,
- po vklopu kuhalne plošče ne nastavite stopnje gretja,
- po nadzorni plošči polijete kaj ali nanjo položite nekaj za več kot 10 sekund (ponev, krpo itd.). Zasliši se zvočni signal in kuhalna plošča se izklopi. Odstranite predmet ali očistite nadzorno ploščo.
- se kuhalna plošča pregreje (npr. ko posoda izpari). Preden ponovno uporabite kuhalno ploščo, pustite, da se kuhalno območje ohladi.
- uporabljate nepravilno kuhinjsko posodo. Simbol
se prižge in kuhalno območje se samodejno izklopi po 2 minutah. - ne izklopite kuhalnega območja ali ne spremenite stopnje gretja. Po določenem času se prikaže
in kuhalna plošča se izklopi.
Razmerje med stopnjo gretja in časom, po katerem se kuhalna plošča izklopi:
| Stopnja gretja | Kuhalna plošča se izklopi po |
, 1 - 2 | 6 urah |
| 3 - 4 | 5 urah |
| 5 | 4 ure |
| 6 - 9 | 1,5 ure |
Stopnja gretja
Za nastavitev ali spremembo stopnje gretja:
Se dotaknite nadzorne vrstice pri pravilni stopnji gretja ali premikajte prst po nadzorni vrstici, dokler ne dosežete pravilne stopnje gretja.

Uporaba kuhalnih območij
Postavite kuhinjsko posodo na križ/kvadrat, ki je na površini, na kateri kuhate. Popolnoma prekrijte križ/kvadrat. Indukcijska kuhalna območja se samodejno prilagodijo velikosti dna kuhinjske posode. Lahko kuhate z veliko kuhinjsko posodo na dveh kuhalnih območjih hkrati.
Samodejno segrevanje
Vklopite to funkcijo, da dobite želeno stopnjo gretja v krajšem času. Ko je vklopljena, območje na začetku deluje na najvišji stopnji, nato pa nadaljuje s kuhanjem pri želeni stopnji gretja.
Za vklop funkcije mora biti kuhalno območje hladno.
Za vklop funkcije za kuhalno območje: se dotaknite
(prižge se
). Takoj se dotaknite želene stopnje gretja. Po 3 sekundah se prikaže .
Za izklop funkcije: spremenite stopnjo gretja.
PowerBoost
Ta funkcija omogoča večjo moč za indukcijska kuhalna območja. Funkcijo je mogoče vklopiti za indukcijsko kuhalno območje samo za omejeno časovno obdobje. Po tem času se indukcijsko kuhalno območje samodejno vrne na najvišjo stopnjo gretja.
Glejte poglavje »Tehnični podatki«.
Za vklop funkcije za kuhalno območje: se dotaknite
. Prižge se
.
Za izklop funkcije: spremenite stopnjo gretja.
Časovnik
- Odštevalni časovnik
To funkcijo lahko uporabite za nastavitev dolžine posameznega kuhanja.
Najprej nastavite stopnjo gretja za kuhalno območje, nato nastavite funkcijo.
Za nastavitev kuhalnega območja: se večkrat dotaknite
, dokler se ne prikaže indikator kuhalnega območja.
Za vklop funkcije ali spremembo časa: se dotaknite
ali
časovnika, da nastavite čas (00–99 minut). Ko začne utripati indikator kuhalnega območja, se čas začne odštevati.
Za ogled preostalega časa: se dotaknite
, da nastavite kuhalno območje. Indikator kuhalnega območja začne utripati. Na zaslonu se prikaže preostali čas.
Za izklop funkcije: se dotaknite
, da nastavite kuhalno območje, nato pa se dotaknite
. Preostali čas se odšteje do 00. Indikator kuhalnega območja izgine.
Ko se odštevanje konča, se oglasi zvočni signal in utripa 00. Kuhalno območje se izklopi.
Za zaustavitev zvoka: se dotaknite
.
- Minutna ura
To funkcijo lahko uporabite, ko je kuhalna plošča vklopljena in kuhalna območja ne delujejo. Na zaslonu stopnje gretja se prikaže
.
Za vklop funkcije: se dotaknite
, nato pa se dotaknite
ali
časovnika, da nastavite čas. Ko se čas izteče, se oglasi zvočni signal in utripa 00.
Za zaustavitev zvoka: se dotaknite
.
Funkcija ne vpliva na delovanje kuhalnih območij.
Premor
Ta funkcija nastavi vsa kuhalna območja, ki delujejo, na najnižjo stopnjo gretja.
Ko funkcija deluje, so vsi drugi simboli na nadzornih ploščah zaklenjeni.
Funkcija ne ustavi funkcij časovnika.
Pritisnite
, da vklopite funkcijo.
Prižge se
. Stopnja gretja se zniža na 1.
Za izklop funkcije: pritisnite
. Prikaže se prejšnja stopnja gretja.
Zaklepanje
Med delovanjem kuhalnih območij lahko zaklenete nadzorno ploščo. To preprečuje nenamerno spremembo stopnje gretja.
Najprej nastavite stopnjo gretja.
Za vklop funkcije: se dotaknite
. Prižge se
za 4 sekunde. Časovnik ostane vklopljen.
Za izklop funkcije: se dotaknite
. Prikaže se prejšnja stopnja gretja.
Ko izklopite kuhalno ploščo, izklopite tudi to funkcijo.
Otroška varnostna naprava
Ta funkcija preprečuje nenamerno delovanje kuhalne plošče.
Za vklop funkcije: vklopite kuhalno ploščo s
. Ne nastavljajte stopnje gretja. Se dotaknite
za 4 sekunde. Prižge se
. Izklopite kuhalno ploščo s
.
Za izklop funkcije: vklopite kuhalno ploščo s
. Ne nastavljajte stopnje gretja. Se dotaknite
za 4 sekunde. Prižge se
. Izklopite kuhalno ploščo s
.
Za preglasitev funkcije samo za en čas kuhanja: vklopite kuhalno ploščo s
. Prižge se
. Se dotaknite
za 4 sekunde. Nastavite stopnjo gretja v 10 sekundah. Lahko upravljate kuhalno ploščo. Ko izklopite kuhalno ploščo s
, funkcija ponovno začne delovati.
Upravljanje moči
Če je aktivnih več območij in porabljena moč presega omejitev napajanja, ta funkcija razdeli razpoložljivo moč med vsa kuhalna območja. Kuhalna plošča nadzoruje stopnje gretja, da zaščiti varovalke hišne napeljave.
- Kuhalna območja so združena glede na lokacijo in število faz v kuhalni plošči. Vsaka faza ima največjo električno obremenitev (3700 W). Če kuhalna plošča doseže mejo največje razpoložljive moči znotraj ene faze, se moč kuhalnih območij samodejno zmanjša.
- Stopnja gretja zadnjega izbranega kuhalnega območja je vedno prednostna. Preostala moč bo razdeljena med predhodno aktivirana kuhalna območja v obratnem vrstnem redu izbire.
- Prikaz stopnje gretja zmanjšanih območij se spreminja med prvotno izbrano stopnjo gretja in zmanjšano stopnjo gretja.
- Počakajte, da zaslon preneha utripati, ali zmanjšajte stopnjo gretja zadnjega izbranega kuhalnega območja. Kuhalna območja bodo nadaljevala z delovanjem z zmanjšano stopnjo gretja. Po potrebi ročno spremenite stopnje gretja kuhalnih območij.
Za možne kombinacije, v katerih se moč lahko porazdeli med kuhalna območja, glejte ilustracijo.

Hob2Hood
Je napredna samodejna funkcija, ki poveže kuhalno ploščo s posebno napo. Tako kuhalna plošča kot napa imata infrardeči komunikator signala. Hitrost ventilatorja se samodejno določi na podlagi nastavitve načina in temperature najtoplejše kuhinjske posode na kuhalni plošči. Ventilator lahko upravljate tudi ročno s kuhalne plošče.
Pri večini nap je daljinski sistem prvotno izklopljen. Pred uporabo funkcije jo vklopite. Za več informacij glejte navodila za uporabo nape.
Samodejno upravljanje funkcije
Za samodejno upravljanje funkcije nastavite samodejni način na H1–H6. Kuhalna plošča je prvotno nastavljena na H5. Napa se odzove vsakič, ko upravljate kuhalno ploščo. Kuhalna plošča samodejno prepozna temperaturo kuhinjske posode in prilagodi hitrost ventilatorja.
Samodejni načini
| Samodejna luč | Vrenje 1) | Cvrtje 2) | |
| Način H0 | Izklopljena | Izklopljena | Izklopljena |
| Način H1 | Vklopljena | Izklopljena | Izklopljena |
| Način H2 3) | Vklopljena | Hitrost ventilatorja 1 | Hitrost ventilatorja 1 |
| Način H3 | Vklopljena | Izklopljena | Hitrost ventilatorja 1 |
| Način H4 | Vklopljena | Hitrost ventilatorja 1 | Hitrost ventilatorja 1 |
| Način H5 | Vklopljena | Hitrost ventilatorja 1 | Hitrost ventilatorja 2 |
| Način H6 | Vklopljena | Hitrost ventilatorja 2 | Hitrost ventilatorja 3 |
1) Kuhalna plošča zazna postopek vrenja in vklopi hitrost ventilatorja v skladu s samodejnim načinom.
2) Kuhalna plošča zazna postopek cvrtja in vklopi hitrost ventilatorja v skladu s samodejnim načinom.
3) Ta način vklopi ventilator in luč in se ne zanaša na temperaturo.
Spreminjanje samodejnega načina
- Izklopite aparat.
- Se dotaknite
za 3 sekunde. Zaslon se prižge in ugasne. - Se dotaknite
za 3 sekunde. - Se večkrat dotaknite
, dokler se ne prikaže
. - Se dotaknite
časovnika, da izberete samodejni način.
Za upravljanje nape neposredno na plošči nape izklopite samodejni način funkcije.
Ko končate s kuhanjem in izklopite kuhalno ploščo, lahko ventilator nape še vedno deluje določen čas. Po tem času sistem samodejno izklopi ventilator in vam prepreči nenamerni vklop ventilatorja za naslednjih 30 sekund.
Ročno upravljanje hitrosti ventilatorja
Funkcijo lahko upravljate tudi ročno.
Če želite to narediti, se dotaknite
, ko je kuhalna plošča vklopljena.
To izklopi samodejno delovanje funkcije in vam omogoča ročno spreminjanje hitrosti ventilatorja. Ko pritisnete
, povečate hitrost ventilatorja za eno. Ko dosežete intenzivno raven in ponovno pritisnete
, boste nastavili hitrost ventilatorja na 0, kar izklopi ventilator nape. Če želite znova zagnati ventilator s hitrostjo ventilatorja 1, se dotaknite
.
Za vklop samodejnega delovanja funkcije izklopite kuhalno ploščo in jo ponovno vklopite.
Vklop luči
Kuhalno ploščo lahko nastavite tako, da samodejno vklopi luč vsakič, ko vklopite kuhalno ploščo.
Če želite to narediti, nastavite samodejni način na H1–H6.
Luč na napi se izklopi 2 minuti po izklopu kuhalne plošče.
NASVETI
Glejte poglavja o varnosti.
Posoda
Pri indukcijskih kuhalnih conah močno elektromagnetno polje zelo hitro ustvarja toploto v posodi.
Uporabljajte indukcijske kuhalne cone s primerno posodo.
- Dno posode mora biti čim bolj debelo in ravno.
- Preden posodo postavite na površino kuhalne plošče, se prepričajte, da je dno posode čisto in suho.
- Da bi se izognili praskam, ne drsite ali drgnite posode po steklokeramični plošči.
Material posode
- pravilno: lito železo, jeklo, emajlirano jeklo, nerjavno jeklo, večplastno dno (s pravilno oznako proizvajalca).
- ni pravilno: aluminij, baker, medenina, steklo, keramika, porcelan.
Posoda je primerna za indukcijsko kuhalno ploščo, če:
- voda zelo hitro zavre na kuhalni coni, ki je nastavljena na najvišjo stopnjo ogrevanja.
- magnet vleče na dno posode.
Dimenzije posode
- Indukcijske kuhalne cone se samodejno prilagodijo dimenzijam dna posode.
- Učinkovitost kuhalne cone je povezana s premerom posode. Posoda s premerom, manjšim od najmanjšega, prejme le del moči, ki jo ustvari kuhalna cona.
- Zaradi varnosti in optimalnih rezultatov kuhanja ne uporabljajte posode, ki je večja od tiste, ki je navedena v "Specifikaciji kuhalnih con". Med kuhanjem ne puščajte posode blizu nadzorne plošče. To lahko vpliva na delovanje nadzorne plošče ali nenamerno aktivira funkcije kuhalne plošče.
Glejte "Tehnični podatki".
Hrup med delovanjem
Če slišite:
- pokanje: posoda je izdelana iz različnih materialov (sendvič konstrukcija).
- žvižganje: uporabljate kuhalno cono z visoko stopnjo moči in posoda je izdelana iz različnih materialov (sendvič konstrukcija).
- brnenje: uporabljate visoko stopnjo moči.
- klikanje: pride do električnega preklapljanja.
- šiškanje, brenčanje: deluje ventilator.
Hrup je normalen in ne kaže na kakršno koli okvaro.
Primeri kuhinjskih aplikacij
Povezava med stopnjo toplote kuhalne cone in njeno porabo energije ni linearna. Ko povečate stopnjo toplote, to ni sorazmerno s povečanjem porabe energije. To pomeni, da kuhalna cona s srednjo stopnjo toplote porabi manj kot polovico svoje moči.
Podatki v tabeli so samo za orientacijo.
| Stopnja toplote | Uporaba za: | Čas (min) | Nasveti |
- 1 | Ohranjanje toplote kuhane hrane. | po potrebi | Na posodo položite pokrov. |
| 1 - 2 | Holandska omaka, topljenje: maslo, čokolada, želatina. | 5 - 25 | Občasno premešajte. |
| 1 - 2 | Strjevanje: puhaste omlete, pečena jajca. | 10 - 40 | Kuhajte s pokrovom. |
| 2 - 3 | Počasi kuhajte riž in jedi na osnovi mleka, segrejte že pripravljene jedi. | 25 - 50 | Dodajte vsaj dvakrat toliko tekočine kot riža, mlečne jedi premešajte na polovici postopka. |
| 3 - 4 | Kuhanje zelenjave, rib, mesa v pari. | 20 - 45 | Dodajte nekaj žlic tekočine. |
| 4 - 5 | Kuhanje krompirja v pari. | 20 - 60 | Uporabite največ ¼ l vode za 750 g krompirja. |
| 4 - 5 | Kuhajte večje količine hrane, enolončnic in juh. | 60 - 150 | Do 3 l tekočine plus sestavine. |
| 6 - 7 | Nežno cvrtje: eskalop, telečji cordon bleu, kotleti, polpeti, klobase, jetra, prežganje, jajca, palačinke, krofi. | po potrebi | Obrnite na polovici postopka. |
| 7 - 8 | Močno cvrtje, krompirjeve palačinke, ledvene zrezke, zrezke. | 5 - 15 | Obrnite na polovici postopka. |
| 9 | Zavrite vodo, kuhajte testenine, popražite meso (golaž, dušeno meso), ocvrite krompirček. | ||
![]() | Zavrite velike količine vode. Funkcija PowerBoost je aktivirana. | ||
Nasveti za Hob2Hood
Ko upravljate kuhalno ploščo s funkcijo:
- Zaščitite ploščo nape pred neposredno sončno svetlobo.
- Ne usmerjajte halogenske svetlobe na ploščo nape.
- Ne prekrivajte nadzorne plošče kuhalne plošče.
- Ne prekinjajte signala med kuhalno ploščo in napo (npr. z roko, ročajem posode ali visoko posodo). Glejte sliko.
![Zanussi - ZITN844K - Zagotavljanje jasnega signala med kuhalno ploščo in napo Zagotavljanje jasnega signala med kuhalno ploščo in napo]()
Napa na sliki je samo zgledna.
Druge naprave, ki jih upravljate na daljavo, lahko blokirajo signal. Ne uporabljajte nobenih takšnih naprav v bližini kuhalne plošče, ko je vklopljena funkcija Hob²Hood.
Kuhinjske nape s funkcijo Hob²Hood
Za celotno ponudbo kuhinjskih nap, ki delujejo s to funkcijo, glejte naše spletno mesto za potrošnike.
NEGA IN ČIŠČENJE
Glejte poglavja o varnosti.
Splošne informacije
- Kuhalno ploščo očistite po vsaki uporabi.
- Vedno uporabljajte posodo s čisto podlago.
- Praske ali temni madeži na površini ne vplivajo na delovanje kuhalne plošče.
- Uporabite posebno čistilo, primerno za površino kuhalne plošče.
- Uporabite poseben strgalnik za steklo.
Čiščenje naprave
Takoj odstranite: stopljeno plastiko, plastično folijo, sladkor in hrano s sladkorjem, sicer lahko umazanija poškoduje kuhalno ploščo. Pazite, da se ne opečete. Uporabite poseben strgalnik za kuhalno ploščo na stekleni površini pod ostrim kotom in premikajte rezilo po površini.- Odstranite, ko je kuhalna plošča dovolj ohlajena: obroče vodnega kamna, vodne obroče, madeže maščobe, svetleče kovinske razbarvanje. Očistite kuhalno ploščo z vlažno krpo in neabrazivnim detergentom. Po čiščenju obrišite kuhalno ploščo do suhega z mehko krpo.
- Odstranite svetleče kovinske razbarvanje: uporabite raztopino vode s kisom in očistite stekleno površino s krpo.
ODPRAVLJANJE TEŽAV
Glejte poglavja o varnosti.
Kaj storiti, če
| Težava | Možen vzrok | Rešitev |
| Kuhalne plošče ne morete vklopiti ali upravljati. | Kuhalna plošča ni priključena na električno napajanje ali pa je priključena nepravilno. | Preverite, ali je kuhalna plošča pravilno priključena na električno napajanje. |
| Varovalka je pregorela. | Prepričajte se, da je varovalka vzrok okvare. Če varovalka vedno znova pregori, se obrnite na usposobljenega električarja. | |
| Ne nastavite stopnje segrevanja 10 sekund. | Ponovno vklopite kuhalno ploščo in nastavite stopnjo segrevanja v manj kot 10 sekundah. | |
| Hkrati ste se dotaknili 2 ali več senzorskih polj. | Dotaknite se samo enega senzorskega polja. | |
| Deluje premor. | Glejte »Dnevna uporaba«. | |
| Na nadzorni plošči so madeži vode ali maščobe. | Očistite nadzorno ploščo. | |
| Oglasi se zvočni signal in kuhalna plošča se izklopi. Ko je kuhalna plošča izklopljena, se oglasi zvočni signal. | Nekaj ste postavili na eno ali več senzorskih polj. | Odstranite predmet s senzorskih polj. |
| Kuhalna plošča se izklopi. | Nekaj ste postavili na senzorsko polje . | Odstranite predmet s senzorskega polja. |
| Indikator preostale toplote se ne prižge. | Cona ni vroča, ker je delovala le kratek čas ali pa je senzor poškodovan. | Če je cona delovala dovolj dolgo, da bi bila vroča, se posvetujte s pooblaščenim servisnim centrom. |
| Hob²Hood ne deluje. | Prekrili ste nadzorno ploščo. | Odstranite predmet z nadzorne plošče. |
| Uporabljate zelo visoko posodo, ki blokira signal. | Uporabite manjšo posodo, zamenjajte kuhalno cono ali ročno upravljajte napo. | |
| Samodejno segrevanje ne deluje. | Cona je vroča. | Pustite, da se cona dovolj ohladi. |
| Nastavljena je najvišja stopnja segrevanja. | Najvišja stopnja segrevanja ima enako moč kot funkcija. | |
| Stopnja segrevanja se spreminja med dvema stopnjama. | Deluje upravljanje moči. | Glejte »Dnevna uporaba«. |
| Senzorska polja postanejo vroča. | Posoda je prevelika ali pa ste jo postavili preblizu upravljalnih elementov. | Če je mogoče, postavite veliko posodo na zadnje cone. |
se prižge. | Deluje otroška varnostna naprava ali zaklepanje. | Glejte »Dnevna uporaba«. |
se prižge. | Na coni ni posode. | Postavite posodo na cono. |
| Posoda ne prekriva križa/kvadrata. | V celoti prekrijte križ/kvadrat. | |
| Posoda je neprimerna. | Uporabite primerno posodo. Glejte »Namigi in nasveti«. | |
| Premer dna posode je premajhen za cono. | Uporabite posodo s pravilnimi dimenzijami. Glejte »Tehnični podatki«. | |
in številka se prižgeta. | V kuhalni plošči je prišlo do napake. | Izklopite kuhalno ploščo in jo ponovno vklopite po 30 sekundah. Če se ponovno prižge, odklopite kuhalno ploščo z električnega omrežja. Po 30 sekundah ponovno priključite kuhalno ploščo. Če se težava nadaljuje, se posvetujte s pooblaščenim servisnim centrom. |
| Slišite lahko stalen zvok piskanja. | Električna povezava je nepravilna. | Odklopite kuhalno ploščo z električnega omrežja. Prosite usposobljenega električarja, da preveri namestitev. |
Če ne najdete rešitve
Če sami ne najdete rešitve za težavo, se obrnite na svojega prodajalca ali pooblaščeni servisni center. Navedite podatke s tablice s tehničnimi podatki. Navedite tudi trimestno kodo za steklokeramiko (nahaja se v kotu steklene površine) in sporočilo o napaki, ki se prikaže. Prepričajte se, da ste s kuhalno ploščo ravnali pravilno. V nasprotnem primeru storitve servisnega tehnika ali prodajalca ne bodo brezplačne, tudi v garancijskem obdobju. Informacije o garancijskem obdobju in pooblaščenih servisnih centrih so v garancijski knjižici.
TEHNIČNI PODATKI
Tablica s tehničnimi podatki
Model ZITN844K
Tip 62 D4A 01 AA
Indukcija 7,35 kW
PNC 949 595 702 01
220–240 V / 400 V 2N, 50–60 Hz
Izdelano v: Nemčija
7,35 kW
Specifikacije kuhalnih con
| Kuhalna cona | Nazivna moč (najvišja stopnja segrevanja) [W] | PowerBoost [W] | Najdaljše trajanje funkcije PowerBoost [min] | Premer posode [mm] |
| Levo spredaj | 2300 | 3200 | 10 | 125–210 |
| Levo zadaj | 2300 | 3200 | 10 | 125–210 |
| Desno spredaj | 2300 | 3200 | 10 | 125–210 |
| Desno zadaj | 2300 | 3200 | 10 | 125–210 |
Moč kuhalnih con se lahko v nekaterih majhnih območjih razlikuje od podatkov v tabeli. Spreminja se glede na material in dimenzije posode.
Za optimalne rezultate kuhanja uporabljajte posodo, ki ni večja od premera v tabeli.
ENERGIJSKA UČINKOVITOST
Informacije o izdelku v skladu z uredbami EU in Združenega kraljestva o okoljsko primerni zasnovi
| Identifikacija modela | ZITN844K | ||||
| Vrsta kuhalne plošče | Vgradna kuhalna plošča | ||||
| Število kuhalnih con | 4 | ||||
| Tehnologija ogrevanja | Indukcija | ||||
| Premer krožnih kuhalnih con (∅) | Levo spredaj | 21,0 cm | |||
| Levo zadaj | 21,0 cm | ||||
| Desno spredaj | 21,0 cm | ||||
| Desno zadaj | 21,0 cm | ||||
| Poraba energije na kuhalno cono (EC električno kuhanje) | Levo spredaj | 179,6 Wh/kg | |||
| Levo zadaj | 189,1 Wh/kg | ||||
| Desno spredaj | 187,3 Wh/kg | ||||
| Desno zadaj | 189,1 Wh/kg | ||||
| Poraba energije kuhalne plošče (EC električna kuhalna plošča) | 186,3 Wh/kg | ||||
IEC / EN 60350-2, BS EN 60350-2 – Električni gospodinjski kuhalni aparati – 2. del: Kuhalne plošče – Metode za merjenje učinkovitosti
Meritve energije, ki se nanašajo na kuhalno območje, so označene z oznakami ustreznih kuhalnih con.
Varčevanje z energijo
Pri vsakodnevnem kuhanju lahko prihranite energijo, če upoštevate spodnje nasvete.
- Ko segrevate vodo, uporabite samo količino, ki jo potrebujete.
- Če je mogoče, vedno položite pokrove na posodo.
- Preden vklopite kuhalno cono, položite posodo nanjo.
- Postavite manjšo posodo na manjše kuhalne cone.
- Postavite posodo neposredno na sredino kuhalne cone.
- Uporabite preostalo toploto za ohranjanje tople hrane ali za njeno taljenje.
VARNOSTNE INFORMACIJE
Pred namestitvijo in uporabo aparata natančno preberite priložena navodila. Proizvajalec ne odgovarja za morebitne poškodbe ali škodo, ki bi nastala zaradi nepravilne namestitve ali uporabe. Navodila vedno hranite na varnem in dostopnem mestu za prihodnjo uporabo.
Varnost otrok in ranljivih oseb
- Ta aparat lahko uporabljajo otroci, stari 8 let in več, ter osebe z zmanjšanimi fizičnimi, senzoričnimi ali duševnimi zmožnostmi ali s pomanjkanjem izkušenj in znanja, če so jim zagotovljeni nadzor ali navodila glede varne uporabe aparata in razumejo nevarnosti, ki so s tem povezane. Otroci, mlajši od 8 let, in osebe z zelo obsežnimi in kompleksnimi invalidnostmi se morajo držati stran od aparata, razen če so pod stalnim nadzorom.
- Otroke je treba nadzorovati, da se zagotovi, da se ne igrajo z aparatom.
- Vso embalažo hranite izven dosega otrok in jo ustrezno zavrzite.
Aparat in njegovi dostopni deli se med uporabo segrejejo. Otroke in hišne ljubljenčke hranite stran od aparata med uporabo in med ohlajanjem.- Če ima aparat otroško varnostno napravo, jo je treba vklopiti.
- Otroci ne smejo izvajati čiščenja in uporabniškega vzdrževanja aparata brez nadzora.
Splošna varnost
- Ta aparat je namenjen samo za kuhanje.
- Ta aparat je zasnovan za enkratno gospodinjsko uporabo v zaprtih prostorih.
- Ta aparat se lahko uporablja v pisarnah, hotelskih sobah, sobah za goste z zajtrkom, kmečkih hišah za goste in drugih podobnih nastanitvah, kjer takšna uporaba ne presega (povprečne) ravni domače uporabe.
Aparat in njegovi dostopni deli se med uporabo segrejejo. Paziti je treba, da se ne dotikate grelnih elementov.
Kuhanje na kuhalni plošči z maščobo ali oljem brez nadzora je lahko nevarno in lahko povzroči požar.- Za gašenje kuhinjskega ognja nikoli ne uporabljajte vode. Izklopite aparat in prekrijte plamene, npr. z ognjevarno odejo ali pokrovom.
Aparata se ne sme napajati prek zunanje preklopne naprave, kot je časovnik, ali priključiti na tokokrog, ki ga javno podjetje redno vklaplja in izklaplja.
Postopek kuhanja je treba nadzorovati. Kratkotrajni postopek kuhanja je treba nadzorovati neprekinjeno.
Ne shranjujte predmetov na kuhalnih površinah.- Kovinski predmeti, kot so noži, vilice, žlice in pokrovi, ne smejo biti nameščeni na površino kuhalne plošče, saj se lahko segrejejo.
- Ne uporabljajte aparata, preden ga namestite v vgradno strukturo.
- Za čiščenje aparata ne uporabljajte parnega čistilnika.
- Po uporabi izklopite element kuhalne plošče z njegovim upravljalnim elementom in se ne zanašajte na detektor posode.
- Če je steklokeramična površina/steklena površina razpokana, izklopite aparat in ga izključite iz električnega omrežja. Če je aparat priključen neposredno na električno omrežje z uporabo priključne omarice, odstranite varovalko, da odklopite aparat z napajanja. V obeh primerih se obrnite na pooblaščeni servisni center.
- Če je napajalni kabel poškodovan, ga mora zamenjati proizvajalec, pooblaščeni servis ali podobno usposobljene osebe, da bi se izognili nevarnosti.
Uporabljajte samo zaščite kuhalne plošče, ki jih je zasnoval proizvajalec kuhalnega aparata ali so jih navedli v navodilih za uporabo kot primerne, ali pa zaščite kuhalne plošče, vgrajene v aparat. Uporaba neprimernih zaščit lahko povzroči nesreče.
VARNOSTNA NAVODILA
Samo usposobljena oseba sme namestiti to napravo.
Nevarnost poškodb ali škode na napravi.
Namestitev
- Odstranite vso embalažo.
- Ne nameščajte ali uporabljajte poškodovane naprave.
- Upoštevajte navodila za namestitev, ki so priložena napravi.
- Ohranjajte minimalno razdaljo od drugih naprav in enot.
- Pri premikanju naprave vedno bodite previdni, saj je težka. Vedno uporabljajte varnostne rokavice in zaprto obutev.
- Zatesnite odrezane površine omarice s tesnilno maso, da preprečite nabrekanje zaradi vlage.
- Zaščitite dno naprave pred paro in vlago.
- Ne nameščajte naprave ob vrata ali pod okno. S tem preprečite, da bi vroča kuhinjska posoda padla z naprave, ko so vrata ali okno odprti.
- Vsaka naprava ima hladilne ventilatorje na dnu.
- Če je naprava nameščena nad predalom:
- Ne shranjujte majhnih koščkov ali listov papirja, ki bi jih lahko potegnili noter, saj lahko poškodujejo hladilne ventilatorje ali poslabšajo hladilni sistem.
- Med dnom naprave in deli, shranjenimi v predalu, naj bo najmanj 2 cm razdalje.
- Odstranite vse ločilne plošče, nameščene v omarici pod napravo.
Električna povezava
Nevarnost požara in električnega udara.
- Vse električne povezave mora izvesti usposobljen električar.
- Naprava mora biti ozemljena.
- Preden začnete s kakršnim koli delom, se prepričajte, da je naprava odklopljena od napajanja.
- Prepričajte se, da so parametri na tipski ploščici združljivi z električnimi lastnostmi električnega omrežja.
- Prepričajte se, da je naprava pravilno nameščena. Oslabljena in nepravilna električna omrežna kabel ali vtič (če je primerno) lahko povzročita pregrevanje priključka.
- Uporabite pravilen električni omrežni kabel.
- Ne dovolite, da se električni omrežni kabel zaplete.
- Prepričajte se, da je nameščena zaščita pred udarom.
- Uporabite sponko za razbremenitev napetosti na kablu.
- Prepričajte se, da se omrežni kabel ali vtič (če je primerno) ne dotika vroče naprave ali vroče kuhinjske posode, ko napravo priključite v vtičnico.
- Ne uporabljajte adapterjev z več vtiči in podaljškov.
- Pazite, da ne poškodujete omrežnega vtiča (če je primerno) ali omrežnega kabla. Za zamenjavo poškodovanega omrežnega kabla se obrnite na naš pooblaščeni servisni center ali električarja.
- Zaščita pred udarom delov pod napetostjo in izoliranih delov mora biti pritrjena tako, da je ni mogoče odstraniti brez orodja.
- Omrežni vtič priključite v omrežno vtičnico šele na koncu namestitve. Prepričajte se, da je po namestitvi dostop do omrežnega vtiča.
- Če je omrežna vtičnica ohlapna, ne priključujte omrežnega vtiča.
- Ne vlecite omrežnega kabla, da odklopite napravo. Vedno vlecite omrežni vtič.
- Uporabljajte samo pravilne izolacijske naprave: linijske zaščitne izklopnike, varovalke (vijačne varovalke, odstranjene iz držala), izklopnike zemeljskega toka in kontaktorje.
- Električna napeljava mora imeti izolacijsko napravo, ki omogoča odklop naprave z omrežja na vseh polih. Izolacijska naprava mora imeti kontaktno odprtino širine najmanj 3 mm.
Uporaba
Nevarnost poškodb, opeklin in električnega udara.
- Ne spreminjajte specifikacij te naprave.
- Pred prvo uporabo odstranite vso embalažo, etikete in zaščitno folijo (če je primerno).
- Prepričajte se, da prezračevalne odprtine niso zamašene.
- Ne puščajte naprave brez nadzora med delovanjem.
- Po vsaki uporabi nastavite kuhalno območje na "izklop".
- Na kuhalna območja ne polagajte jedilnega pribora ali pokrovov posod. Lahko se segrejejo.
- Ne uporabljajte naprave z mokrimi rokami ali ko je v stiku z vodo.
- Ne uporabljajte naprave kot delovno ali shranjevalno površino.
Če je površina naprave razpokana, takoj odklopite napravo z napajanja. To preprečuje električni udar.
- Uporabniki s srčnim spodbujevalnikom morajo med delovanjem naprave ohranjati najmanj 30 cm razdalje od indukcijskih kuhalnih območij.
- Ko hrano polagate v vroče olje, lahko brizgne.
Nevarnost požara in eksplozije
- Maščobe in olje lahko pri segrevanju sproščajo vnetljive hlape. Med kuhanjem z maščobami in olji hranite plamene ali segrete predmete stran od njih.
- Hlapi, ki jih sprošča zelo vroče olje, lahko povzročijo spontani vžig.
Rabljeno olje, ki lahko vsebuje ostanke hrane, lahko povzroči požar pri nižji temperaturi kot olje, ki je bilo uporabljeno prvič.
- Ne polagajte vnetljivih izdelkov ali predmetov, ki so mokri z vnetljivimi izdelki, v, blizu ali na napravo.
Nevarnost poškodbe naprave.
- Na upravljalno ploščo ne polagajte vroče kuhinjske posode.
- Na stekleno površino kuhalne plošče ne polagajte vročega pokrova posode.
- Ne dovolite, da kuhinjska posoda izpari do suhega.
- Pazite, da predmeti ali kuhinjska posoda ne padejo na napravo. Površina se lahko poškoduje.
- Ne aktivirajte kuhalnih območij s prazno kuhinjsko posodo ali brez nje.
- Na napravo ne polagajte aluminijaste folije.
- Kuhinjska posoda iz litega železa ali s poškodovanim dnom lahko povzroči praske na steklu / steklokeramiki. Te predmete vedno dvignite, ko jih morate premakniti po kuhalni površini.
Nega in čiščenje
- Redno čistite napravo, da preprečite poslabšanje površinskega materiala.
- Pred čiščenjem izklopite napravo in jo pustite, da se ohladi.
- Za čiščenje naprave ne uporabljajte vodnega pršila in pare.
- Očistite napravo z vlažno mehko krpo. Uporabljajte samo nevtralne detergente. Ne uporabljajte abrazivnih izdelkov, abrazivnih čistilnih gobic, topil ali kovinskih predmetov.
Servis
- Za popravilo naprave se obrnite na pooblaščeni servisni center. Uporabljajte samo originalne nadomestne dele.
- Glede žarnice(-i) v tem izdelku in nadomestnih žarnic, ki se prodajajo ločeno: Te žarnice so zasnovane tako, da prenesejo ekstremne fizične pogoje v gospodinjskih aparatih, kot so temperatura, vibracije, vlaga, ali pa so namenjene signaliziranju informacij o stanju delovanja naprave. Niso namenjene za uporabo v drugih aplikacijah in niso primerne za osvetlitev gospodinjskih prostorov.
OBIŠČITE NAŠO SPLETNO STRAN ZA:
Pridobite nasvete za uporabo, brošure, odpravljanje težav, informacije o servisiranju in popravilih: www.zanussi.com/support
zanussi.com\register
Pridržujemo si pravico do sprememb brez predhodnega obvestila.

Reference
Prenesi navodilo
Tukaj lahko prenesete polno pdf različico navodila, ki lahko vsebuje dodatna varnostna navodila, informacije o garanciji, FCC pravila itd.
Prenesi Zanussi ZITN844K - Priročnik za indukcijsko kuhalno ploščo



























.
za 3 sekunde. Zaslon se prižge in ugasne.
za 3 sekunde.
, dokler se ne prikaže
.
časovnika, da izberete samodejni način.
- 
