Mwongozo wa Kipima Umakaniko cha Ardhi cha Mastech
- 1 Vipengele
- 2 Vipimo
- 3 Uteuzi
- 4 Jinsi ya kufanya vipimo
- 5 ONYO LA USALAMA
- 6 Pakua mwongozo
- 7 Katika Lugha Nyingine

Vipengele
- Muundo wa saketi wa hivi karibuni unaruhusu kifaa kufanya kazi na ushawishi mdogo kutoka kwa voltage ya ardhi na upinzani wa uhaba wa baa za usaidizi za ardhi.
- Upinzani wa ardhi saidizi na unganisho la waya wa risasi linaweza kujikagua kwa kubonyeza kitufe cha "BATT.CHECK". Taa ya "OK" inawaka wakati kifaa kiko tayari kwa vipimo sahihi vya upinzani wa ardhi.
- Matumizi ya chini ya nguvu 12V/100mA max pekee.
- Vifungo vya kubofya swichi huruhusu uendeshaji laini wa kifaa.
- Thamani ya upinzani wa ardhi inaweza kusomwa moja kwa moja kutoka kwa mizani.
- Kipimo kilichorahisishwa kinaweza kufanywa kwa urahisi kwa kubonyeza kitufe cha "Simplified Meas." (Kipimo Kilichorahisishwa) pekee. Hakuna haja ya kutumia waya fupi kama vituo vya P na C na kufupishwa ndani kwa kubonyeza swichi hii.
- Ubadilishaji wa betri unaweza kufanywa kwa urahisi bila kuondoa sanduku la kubeba.
- Sanduku gumu la plastiki la kubeba halipitishi maji na linatoshea vifaa vyote.
Vipimo
- Viwango vya kupima:
Upinzani wa ardhi: 10/100/1000Ω
Voltage ya ardhi: 30V AC (5KΩ/V takriban.) - Usahihi:
Upinzani wa ardhi Ndani ya ±5% ya kiwango kamili
Voltage ya ardhi Ndani ya ±5% ya kiwango kamili - Mfumo wa kipimo:
Upinzani wa ardhi
Kwa kibadilishaji cha sasa cha mara kwa mara.
800Hz takriban, 2mA
Voltage ya ardhi
Kwa aina ya kusawazisha
5KΩ/V takriban, 40~500Hz - Viwango vya ulinzi: EN 61010 – 1; CAT II
- Darasa la ulinzi: darasa la III
- Voltage ya kuhimili:
1500V AC kwa dakika moja kati ya saketi ya umeme na kesi ya nyumba. - Kituo cha kujikagua:
Uunganisho wa waya wa risasi kwa vituo vya C na P na upinzani sahihi wa ardhi saidizi unaweza kukaguliwa kwa kubonyeza kitufe cha "BATT.CHECK". Taa ya "OK" imewashwa. - Betri: 8pcs. Betri ya 1.5V AA au sawa
- Vipimo: 140(L)×140(W)×90(D)mm
- Uzito: 800g takriban.
- Vifaa:
Leads za majaribio (nyekundu-15m, njano-10m, kijani-5m)
Baa za usaidizi za ardhi zinazobeba kesi.
Uteuzi

- Taa ya OK
- Vifungo vya kubadili kazi
- Vifungo vya kubadili kiwango cha Ohm
- Vituo
- Sahani ya mizani
- Jopo
Jinsi ya kufanya vipimo
Maandalizi ya kipimo
Upeo wa 130V DC upo kwenye vituo vya E na C au E na P wakati wa kipimo au wakati kitufe cha "SIMPLIFIED MEAS." (Kipimo Kilichorahisishwa) kinapobonyezwa. Pia, ipo kwenye vituo vya P na C wakati kitufe cha "BATT. CHECK" kinapobonyezwa. Kwa hivyo, usiguse vituo hivi kwa mkono. Daima, bonyeza kitufe cha "BATT. CHECK" baada ya matumizi ili vifungo vyote vya kubadili kiwango na kazi viwe katika nafasi ya kuzima (juu). Kisha, toa kitufe cha "BATT.CHECK".
Marekebisho ya sifuri ya mita
Angalia ikiwa pointer ya mita imerekebishwa haswa kwa nafasi ya sifuri ya mitambo ya Ω au mizani ya V. Ikiwa pointer imezimwa nafasi ya sifuri katika mwelekeo wa kushoto au kulia fungua jopo na ugeuze screw ya kurekebisha sifuri nyuma ya jopo na screwdriver. Jopo linaweza kuinuliwa hadi digrii 90 kwa kushikilia pande zote mbili kama inavyoonyeshwa hapa chini.

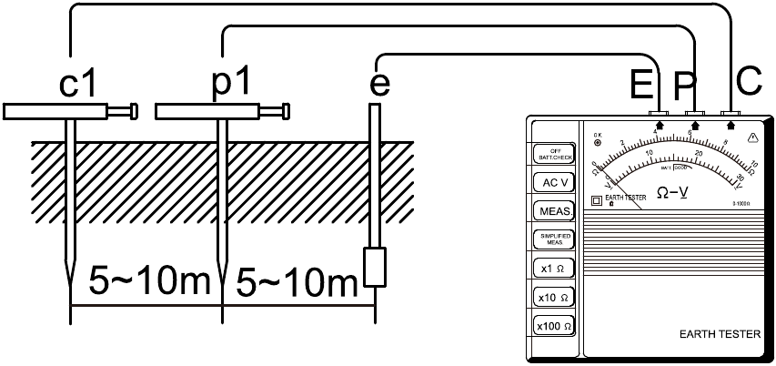
Uunganisho wa waya za risasi
Kama inavyoonyeshwa kwenye takwimu hapa chini, bandika baa za ardhi P na C ndani kabisa ya ardhi.

Zipaswa kupangwa kwa muda wa 5m hadi 10m kutoka kwa vifaa vilivyo na msingi e. Unganisha waya wa risasi wa kijani kwenye terminal E ya chombo, waya wa njano kwenye terminal P na waya nyekundu kwenye terminal C. Hakikisha kushikilia baa za usaidizi za ardhi katika sehemu yenye unyevu ya ardhi. Toa maji ya kutosha ambapo baa za usaidizi za ardhi zinapaswa kukwama kwenye sehemu kavu, ya mawe au ya mchanga ya ardhi ili iweze kuwa na unyevu.
Ambapo haiwezekani kuendesha baa za usaidizi za ardhi kwenye uso mgumu kama vile ardhi ya saruji, weka baa za ardhi hapo, funika na kitambaa na uweke maji (ikiwezekana maji ya chumvi). Hii inaweza kuruhusu vipimo vya upinzani wa ardhi. (Hata hivyo, hii haiwezekani na ardhi ya lami)
KUMBUKA:
Wakati wa kuunganisha waya za risasi, hakikisha kuwa zimetenganishwa. Ikiwa kipimo kinafanywa na waya za risasi zilizopotoka au zinagusana, itaathiriwa na induction ya sasa au voltage.
Wakati upinzani wa baa za usaidizi za ardhi unazidi 2KΩ inaweza kusababisha makosa ya kipimo. Kwa hivyo, kuwa mwangalifu katika kushikilia baa za usaidizi za ardhi P1 na C1 kwenye ardhi yenye unyevu. Pia, hakikisha miunganisho ya kutosha kati ya vituo husika na waya za risasi.
Kipimo cha voltage ya ardhi ya vifaa vilivyo na msingi chini ya majaribio
Bonyeza kitufe cha AC V na uangalie voltage ya ardhi. Voltage ya ardhi itaonyeshwa kwenye mizani ya V. Wakati voltage ya ardhi ni zaidi ya 5V inaweza kusababisha makosa katika kipimo cha upinzani wa ardhi. Ili kuepuka hili fanya kipimo cha upinzani wa ardhi baada ya kuzima chanzo cha nguvu cha vifaa chini ya majaribio au kupunguza voltage ya ardhi.
Kumbuka:
Hata wakati mojawapo ya vifungo vya kubadili kiwango x1Ω, x10Ω na x100Ω imebonyezwa haiathiri kipimo cha voltage ya ardhi.
Kuangalia voltage ya betri & uunganisho wa waya wa risasi
Na kitufe cha "BATT.CHECK" kimebonyezwa, yafuatayo yanaweza kukaguliwa wakati huo huo:
Voltage ya betri
Voltage ya betri inatosha wakati pointer ya mita inakaa katika eneo la GOOD (ZURI) la mizani ya kuangalia betri. Ikiwa sivyo, badilisha na betri mpya kulingana na maagizo.
Uunganisho wa waya wa risasi
Taa ya "OK" inawaka wakati uunganisho wa waya wa risasi kwa vituo vya P na C ni mzuri na upinzani wa ardhi wa ardhi saidizi uko ndani ya kikomo cha uvumilivu. Ikiwa haiangazi, angalia uunganisho wa waya wa risasi kwa vituo vya P na C au punguza upinzani wa ardhi saidizi kwa kiwango sahihi kwa kubadilisha eneo la baa ya ardhi au kufanya ardhi iwe na unyevu na maji.
Waya za risasi nyekundu na njano zinaweza kukaguliwa kwa uwezekano wa kuvunjika kwa kufupisha klipu za mamba mwishoni mwa kila waya.
KUMBUKA:
Hakuna haja ya uunganisho wa waya wa risasi wakati voltage ya betri tu inakaguliwa. Bonyeza tu kitufe cha "BATT.CHECK". Taa ya "OK" haitaangaza.
Kipimo cha upinzani wa ardhi
Bonyeza mojawapo ya vifungo vya kubadili kiwango x1Ω,x10Ω na x100Ω. Kisha bonyeza kitufe cha "MEAS." (Kipimo). Zidisha usomaji kwa 10 kwa x10Ω au 100 kwa x100Ω.
Taa ya "OK" imewashwa wakati chombo kiko katika operesheni ya kawaida. Ikiwa sivyo, inaonyesha upinzani mwingi wa ardhi kwenye vituo vya C na E ambao hauruhusu operesheni ya kawaida. Angalia tena kwa uwezekano wa mawasiliano kati ya kila waya wa risasi na upinzani wa ardhi wa baa za usaidizi za ardhi kulingana na maagizo. Ikiwa taa ya "OK" haiangazi na pointer ya mita inapinda juu ya kiwango kamili licha ya ukaguzi wote uliotangulia, sababu zinazowezekana zinachukuliwa kuwa hali isiyo ya kawaida iliyopo katika vifaa vilivyo na msingi chini ya majaribio, kuvunjika kwa waya za uunganisho kutoka kwa vifaa hivyo au kuvunjika kwa waya wa risasi wa kijani.
Njia iliyorahisishwa ya kipimo cha upinzani wa ardhi
4-5-1 Njia hii inapendekezwa ambapo upinzani wa ardhi wa juu kuliko ohms 10 hupimwa au ambapo haiwezekani kuendesha baa za usaidizi za ardhi. Thamani ya takriban ya upinzani wa ardhi inaweza kupatikana kwa mfumo wa waya mbili ambao hutumia vifaa vilivyo na msingi vilivyopo kama inavyoonyeshwa kwenye Mchoro.4.
4-5-2 Njia za kipimo zinaonyeshwa kwenye Mchoro.4.
KUMBUKA:
Wakati wa kufanya vipimo vya upinzani wa ardhi kwa kutumia usambazaji wa nguvu wa kibiashara (A), hakikisha kwamba upande wa ardhi umeunganishwa na terminal P.
4-5-3 Bonyeza kitufe cha "AC V" kama ilivyoainishwa katika sehemu hapo juu kwa kipimo cha voltage ya ardhi ya vifaa chini ya majaribio na uhakikishe kuwa voltage ya ardhi iko chini ya 2V. 4-5-4 Kwanza bonyeza kitufe cha "x10Ω" na kitufe cha "MEAS." kinachofuata Kisha soma upinzani wa ardhi. Wakati pointer ya mita inapinda juu ya kiwango kamili, bonyeza kitufe cha "x100Ω". Usomaji uliopatikana (RE) ni na thamani ya takriban ya upinzani wa ardhi. Hakuna haja ya kufupisha nje kwani vituo vya P na C vimefupishwa ndani. Kwa kuwa kupima sasa ni chini kama 2mA, kivunja uvujaji wa ardhi (ELCB) hakisafiri hata kama upande wa ardhi wa usambazaji wa nguvu wa kibiashara na ELCB unatumiwa.
Taa ya "OK" imewashwa wakati chombo kiko katika operesheni ya kawaida, iwe kipimo kilichorahisishwa au njia ya kawaida ya kipimo inatumiwa.
4-5-5 Wakati chombo kiko katika hali ya kufanya kazi, taa ya "OK" imewashwa iwe kipimo kilichorahisishwa au cha kawaida kinafanywa (Hii inaonyesha kuendelea kati ya vituo vya P pamoja na C na terminal E). Hata hivyo, uunganisho wa waya wa risasi kwa vituo vya P pamoja na C na terminal E). Hata hivyo, uunganisho wa waya wa risasi kwa vituo vya P na C hauwezi kukaguliwa hata wakati "BATT. CHECK" imebonyezwa kwani waya wa risasi haujaunganishwa na terminal C.
4-5-6 Katika kesi ya njia iliyorahisishwa ya kipimo ambapo vituo viwili tu vinatumiwa, upinzani wa ardhi "re" wa electrode iliyo na msingi inayounganisha na terminal P itahitaji kuongezwa kwa thamani ya kweli ya upinzani wa ardhi "REX". Kwa hivyo, usomaji wa upinzani wa ardhi unatolewa kama:
RE=REX+re.

Ikiwa "re" ni thamani inayojulikana kama ifuatavyo:
Tukidhani kwamba RE ni 100Ω na upinzani wa ardhi wa kupimwa ni 100Ω, kwa mfano, thamani ya kweli ya upinzani wa ardhi inaweza kuonyeshwa kama:
REX=(100Ω)-re.
Kwa kuwa re ni kubwa kuliko 0(sifuri), upinzani wa kweli wa ardhi unaweza kutolewa kama:
REX≤100Ω
Katika kesi tunapopima upinzani wa ardhi usiozidi makumi kadhaa ya ohms tunaweza kuzingatia usomaji wa upinzani wa ardhi uliopatikana kama thamani ya kweli.
- Inua jopo kwa digrii 90 hadi lifunge.
- Sukuma "Kishikilia" ukibonyeza sehemu ya juu ya kesi ya betri kuelekea jopo kama inavyoonyeshwa kwenye Mchoro.5. Kesi ya betri itakuja juu.
- Kisha, vuta kesi ya betri.
- Ondoa ndoano ya betri chini ya kesi ya betri. Tupu kesi ya betri na usakinishe betri mpya.
- Vipande nane vya betri ya AA vinatumiwa Visakinishe kulingana na alama kwenye kesi ya betri.
- Weka ndoano ya betri na polarity katika nafasi sahihi na usukume nyuma kesi ya betri hadi ikamate kishikilia.
ONYO LA USALAMA
- chombo hiki lazima kitumiwe na mtu mwenye uwezo, aliyefunzwa na kuendeshwa kwa kufuata maagizo madhubuti.
- kampuni yangu haitakubali dhima yoyote kwa uharibifu au jeraha lolote linalosababishwa na matumizi mabaya au kutofuata maagizo au taratibu za usalama.
- ni muhimu kusoma na kuelewa sheria za usalama zilizomo katika maagizo. lazima zizingatiwe wakati wa kutumia chombo.
Pakua mwongozo
Hapa unaweza kupakua toleo kamili la pdf la mwongozo, linaweza kujumuisha maelekezo ya ziada ya usalama, taarifa za udhamini, sheria za FCC, n.k.
Pakua Mwongozo wa Kipima Umakaniko cha Ardhi cha Mastech