Wenglor OEII403C0103/203, OSII403Z0103/203 Инструкции за експлоатация
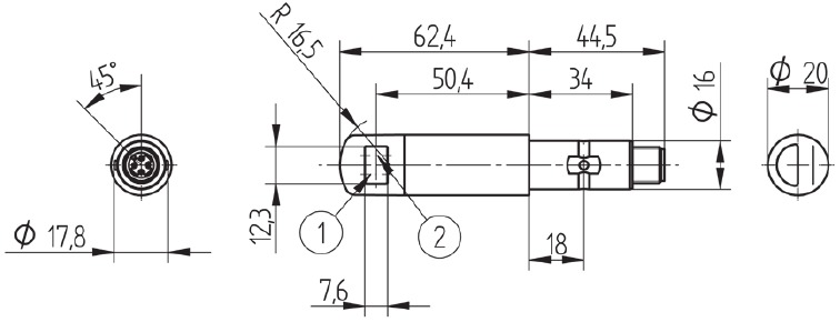
- 1 Размери
- 2 Схеми на свързване
- 3 Правилна употреба
- 4 Предпазни мерки за безопасност
- 5 Технически данни
- 6 Допълнителни продукти
- 7 Инструкции за монтаж
- 8 Регулиране
- 9 Функция на Teach-In (пин 2)
- 10 Допълнителни функции за активиране чрез интерфейса
- 11 Причини за задействане на индикацията за замърсяване (червен светодиод)
- 12 Правилно изхвърляне
- 13 Препратки
- 14 Изтегли ръководство
- 15 На други езици
Размери
OSII


- Предавателен диод
- няма функция
OEII


- няма функция
- Приемателен диод
Схеми на свързване

+ Захранващо напрежение "+"
− Захранващо напрежение "0 V"
A Превключващ изход / NO
nc не е свързан
Превключващ изход / NC
T Teach Input (Обучаващ вход)
U Test Input (Тестов вход)
Контролен панел Приемник

Контролен панел Излъчвател

01 = Индикатор за състояние на превключване
02 = Предупреждение за замърсяване
06 = Бутон за обучение (Teach Button)
04 = Дисплей на функциите
Правилна употреба
Този продукт на Wenglor трябва да се използва в съответствие със следния функционален принцип:
Сензори с преминаващ лъч
Предавателят и приемникът в сензорите с преминаващ лъч са интегрирани в отделни корпуси. Изходът се превключва, ако светлинният лъч е прекъснат. Функцията на предавателя и приемника може да бъде тествана с тестов вход.
Сензорите с преминаващ лъч се предлагат с лазерна светлина, червена светлина или инфрачервена светлина. Финият лазерен лъч създава малко светлинно петно, което може да се използва за надеждно откриване дори на най-малките части. Добрата им видимост улеснява лесното регулиране и въвеждане в експлоатация, дори на големи разстояния. В случай на някои лазерни сензори с преминаващ лъч, фокусът е регулируем. Подравняването на сензорите с преминаващ лъч с червена светлина е много лесно благодарение на видимото светлинно петно.
Предпазни мерки за безопасност
- Тази инструкция за експлоатация е част от продукта и трябва да се съхранява през целия му експлоатационен живот.
- Прочетете внимателно тази инструкция за експлоатация, преди да използвате продукта.
- Инсталирането, пускането в експлоатация и поддръжката на този продукт трябва да се извършват само от обучен персонал.
- Не е разрешено да се манипулира или модифицира продукта.
- Защитете продукта от замърсяване по време на пускане в експлоатация.
- Тези продукти не са подходящи за приложения, свързани с безопасността.
- Не е компонент за безопасност в съответствие с ЕС Директивата за машините.
Технически данни
| Обхват | 4000 mm |
| Ъгъл на отваряне | 3° |
| Хистерезис на превключване | < 15 % |
| Източник на светлина | Червена светлина |
| Експлоатационен живот (T = 25°C) | 100 000 h |
| макс. Околна светлина | 10 000 Lux |
| Захранващо напрежение | 10...30 V |
| Консумация на ток (Ub = 24 V) | < 40 mA |
| Честота на превключване | 500 Hz |
| Температурен дрейф | < 10 % |
| Температурен диапазон | − 25...60°C |
| Спад на напрежението на превключващия изход | < 2,5 V |
| Защита от късо съединение | да |
| Защита от обратна полярност | да |
| Защита от претоварване | да |
| RS-232 с адаптерна кутия | да |
| Режим на обучение (Teach Mode) | NT, MT, XT |
| Метод на настройка | Teach-In (Обучение) |
| Корпус Неръждаем | Неръждаема стомана 316L |
| Степен на защита | IP68 / IP69K |
| Връзка | M12 × 1 |
| Клас на защита | III |
| Изход | PNP NO / NC превключваем |
| Номер за поръчка | OEII403C0103 OSII403Z0103 | OEII403C0203 OSII403Z0203 |
| Оптично покритие | PMMA | Стъкло |
Допълнителни продукти
(вижте каталога)
Wenglor предлага свързваща технология за полево окабеляване.
| Подходяща монтажна технология No. | ![]() |
| Подходяща свързваща технология No. | ![]() |
| Адаптерна кутия A232 | |
| Комплект InoxLock | |
Инструкции за монтаж
По време на работа на сензорите трябва да се спазват съответните електрически и механични разпоредби, както и разпоредбите за безопасност. Сензорът трябва да бъде защитен от механични въздействия.
Регулиране

Функция на Teach-In (пин 2)
Външен Teach-In (Обучение)
Точката на превключване може да бъде обучена чрез прилагане на напрежение от 24 V за приблизително 1 секунда.
Превключване между режимите на обучение (Teach Modes)
Приложете 24 V към входа за обучение (Teach-In) за поне 10 секунди, докато светодиодът се промени от бързо на бавно мигане.
| Мигане | Режим на обучение (TEACH Mode) | NC / NO |
| 1× | Нормално обучение (Normal Teach-In) | NO |
| 2× | NC | |
| 3× | Минимално обучение (Minimal Teach-In) | NO |
| 4× | NC | |
| 5× | Максимално обучение (Maximal Teach-In) | NO |
| 6×* | NC |
*предварително зададена конфигурация
- Всеки път, когато се приложи кратък импулс към входа за обучение (Teach-In), се преминава към следващия режим на обучение (Teach-In).
- Ако входът за обучение (Teach-In) не е активиран за период от 15 секунди, сензорът автоматично се превключва обратно към нормален режим на показване.
- Повторете процеса на обучение (Teach-In) в съответствие с инструкциите за настройка.
Нулиране (Reset)
Чрез следната последователност за нулиране (reset) на PIN 2 можете да нулирате настройките на сензора до състоянието на доставка:

НУЛИРАНЕТО (RESET) е одобрено чрез 3× мигане на жълтия светодиод. В случай на грешна последователност за нулиране (reset) на PIN 2, червеният светодиод мига и сензорът не се нулира до състоянието на доставка.
Деактивиране на клавиша за обучение (Teach Key)
Ако 24 V са непрекъснато свързани към външния вход за обучение (Teach-In), сензорът е заключен и защитен срещу неволно повторно регулиране.
Допълнителни функции за активиране чрез интерфейса
On- / Off-Delay (Забавяне при включване/изключване)
Или забавяне при включване, или забавяне при изключване може да бъде активирано на сензора чрез интерфейса. Времето за забавяне може да се регулира. Необходима е адаптерната кутия A232, за да може да се свърже сензорът.
Честотата на превключване може да бъде променена чрез интерфейса от 1000 Hz (състояние на доставка) на 1600 Hz.
Протокол на интерфейса, достъпен на:www.wenglor.com
Функционални диаграми Светодиоди на контролния панел
| Състояние на превключване | жълт светодиод Дисплей на функциите | червен светодиод Индикация за замърсяване | Забележки |
| Няма обект | | | Работата е наред |
| Няма обект | | | регулирайте потенциометъра, докато червеният светодиод изгасне, регулирайте сензора или почистете лещата |
| Обект наличен | | | Работата е наред |
Причини за задействане на индикацията за замърсяване (червен светодиод)
- Замърсен сензор
- Разстоянието между сензора и обекта / рефлектора е твърде голямо
- Неправилна инсталация
- Остарели излъчващи диоди
Тестов вход (Test Input)
Ако тестовият вход (test input) е отворен или свързан с минус, бариерата работи нормално.
Ако е свързан с плюс, сензорът се изключва. Бариерата се тества чрез тази промяна на състоянието на превключване.
Правилно изхвърляне
wenglor sensoric GmbH не приема връщането на неизползваеми или непоправими продукти. Съответно валидните национални разпоредби за изхвърляне на отпадъци се прилагат за изхвърлянето на продукти.
ЕО Декларация за съответствие
ЕО декларацията за съответствие може да бъде намерена на нашия уебсайт на адрес www.wenglor.com в зоната за изтегляне.

wenglor sensoric GmbH
wenglor Straße 3
88069 Tettnang
( +49 (0)7542 5399-0 info@wenglor.com
За допълнителни контакти на Wenglor отидете на: www.wenglor.com
Право на промени запазено
01.02.2016

Препратки
Изтегли ръководство
Тук можете да изтеглите пълната версия на ръководството в pdf формат, което може да съдържа допълнителни инструкции за безопасност, информация за гаранцията, правила на FCC и др.
Изтегли Wenglor OEII403C0103/203, OSII403Z0103/203 Инструкции за експлоатация

