MC Crypt GPM-1 Pro - gitaros stiprintuvo simuliatoriaus naudojimo instrukcijos

Numatytas naudojimas
GPM-1 Pro gitaros stiprintuvo simuliatorius skirtas garso signalų apdorojimui privačiame arba pusiau profesionaliame sektoriuje.
Įėjimai ir išėjimai gali būti jungiami tik prie muzikos instrumentų ir garso įrenginių jungčių.
Maitinimas gali būti tiekiamas tik iš baterijos (tipą žr. „Techniniai duomenys") arba naudojant įjungiamą maitinimo bloką (specifikaciją žr. „Išorinis maitinimo šaltinis").
Šis produktas skirtas naudoti tik uždarose patalpose, t. y. ne lauke. Nelaikykite prietaiso drėgnoje aplinkoje, pvz., vonios kambariuose ir pan.
Naudojant kitaip nei aprašyta aukščiau, prietaisas gali būti sugadintas ir gali kilti papildomų pavojų, pvz., trumpasis jungimas, gaisras ir pan.
Būtina laikytis saugos instrukcijų!
Saugos instrukcijos
Garantija negalios, jei žala bus padaryta dėl šių saugos instrukcijų nesilaikymo. Mes neatsakome už jokius netiesioginius nuostolius.
Mes neprisiimame jokios atsakomybės už materialinę ir asmeninę žalą, atsiradusią dėl netinkamo naudojimo arba saugos instrukcijų nesilaikymo. Tokiais atvejais garantija negalios.
Šauktukas nurodo svarbias instrukcijas naudojimo instrukcijose. Prieš pradedant naudoti prietaisą, atidžiai perskaitykite naudojimo instrukcijas; jose yra svarbios informacijos apie teisingą naudojimą.
- Dėl saugos ir licencijavimo (CE) priežasčių, neleistinas produkto konvertavimas ir (arba) modifikavimas yra draudžiamas.
- Niekada nepilkite skysčių ant elektros prietaisų ir niekada nedėkite jokių daiktų su skysčiais (pvz., vazų) ant jų arba šalia jų. Tai sukeltų didelį gaisro arba elektros smūgio pavojų. Jei skystis pateko į prietaisą, nedelsdami išimkite bateriją ir kreipkitės į specialistą.
- Nelaikykite prietaiso labai aukštoje temperatūroje, po lašančiu ar purškiamu vandeniu, stiprios vibracijos ar didelio mechaninio krūvio.
- Nedėkite jokių atviros ugnies šaltinių, pvz., degančių žvakių, ant prietaiso arba šalia jo.
- Nenaudokite prietaiso be priežiūros.
- Nenaudokite prietaiso atogrąžų klimate.
- Nepalikite pakavimo medžiagos be priežiūros. Tai gali tapti pavojingu žaislu vaikams!
- Jei abejojate, kaip teisingai prijungti prietaisą, arba jei kyla klausimų, į kuriuos neatsakyta šiose naudojimo instrukcijose, susisiekite su mūsų techninių konsultacijų tarnyba arba kitu ekspertu.
Savybės
- 3 populiarių gitaros stiprintuvų garso charakteristikų modeliavimas
- 3 stiprinimo lygiai
- 3 skirtingų mikrofono pozicijų modeliavimas
- integruota uždelsimo funkcija
- efektų kilpa išoriniams efektų įrenginiams prijungti
- papildomas garso įvestis foninei muzikai įvesti
- Ausinių išvestis
- tvirtas ir stabilus metalinis korpusas
Baterijų įdėjimas / keitimas
Gitaros stiprintuvo simuliatorius turi būti išjungtas keičiant baterijas, į įvestį GUITAR IN (13) neturi būti įkištas joks kištukas.
Baterijas laikykite vaikams nepasiekiamoje vietoje.
Įdėdami baterijas, laikykitės teisingo poliškumo.
Išimkite bateriją, kai prietaisas nenaudojamas ilgesnį laiką.
Ištekėjusios arba pažeistos baterijos gali sukelti nudegimus, jei pateks ant odos. Todėl turėtumėte dėvėti tinkamas apsaugines pirštines.
Įsitikinkite, kad baterijos nėra trumpai sujungtos ir nemetamos į ugnį. Nekraukite baterijų. Yra sprogimo pavojus!
- Atidarykite baterijų skyrių prietaiso apačioje.
- Ištraukite kištukinius kontaktus iš korpuso ir, jei reikia, išimkite išsikrovusias baterijas.
- Prijunkite 9 V blokelio bateriją prie kištukinių kontaktų.
- Įdėkite bateriją į korpusą ir uždarykite baterijų skyrių.
- Kai prietaisas veikia netinkamai arba ekranuose BYPASS arba DRIVER rodomas žemas lygis, baterija gali būti išsikrovusi ir ją reikia pakeisti, kaip aprašyta aukščiau.
- Išimkite bateriją, jei prietaisas nenaudojamas ilgesnį laiką, kad išvengtumėte nutekėjimo arba baterijų išsikrovimo.
- Norėdami užtikrinti ilgą baterijos veikimo laiką, naudokite tik šarmines baterijas.
Išorinis maitinimo šaltinis
Maitinimo blokas taip pat gali būti naudojamas kaip alternatyva baterijai.
Įsitikinkite, kad naudojate tik maitinimo blokus, kurie atitinka galiojančias saugos taisykles.
Galima naudoti tik tokį maitinimo bloką, kuris aprašytas toliau.
Laikykitės maitinimo bloko naudojimo instrukcijose pateiktų saugos instrukcijų.
Tinkamas maitinimo blokas turi šias savybes:
| Išėjimo įtampa | 9 V= (nuolatinė srovė) |
| Stabilizavimas | būtinas |
| Apkrovos talpa | mažiausiai 75mA |
| Jungties kištukas | 5,5 mm išorinis skersmuo 2,1 mm vidinis skersmuo |
| Poliškumas | Neigiamas viduje Teigiamas išorėje |
- Įkiškite žemos įtampos maitinimo bloko kištuką į įvestį 9 VOLT DC (15).
- Įkiškite maitinimo šaltinį į sieninį lizdą.
- Jei įdėta baterija, ji automatiškai išjungiama. Tačiau ją reikėtų išimti, jei maitinimo blokas naudojamas ilgesnį laiką.
Prijungimas ir naudojimas
Prietaisas įsijungs tik tada, kai įkišite 6,3 mm lizdo kištuką į įvestį GUITAR IN.
Visada naudokite tinkamus ekranuotus phono arba cinch laidus įėjimams ir išėjimams prijungti. Naudojant kitus, netinkamus laidus, gali atsirasti gedimų.
Kad išvengtumėte iškraipymų ar neatitikimų, kurie galėtų sugadinti įrenginį, įėjimai ir išėjimai turi būti jungiami tik prie įrenginių su tinkamais phono arba cinch gnybtais.

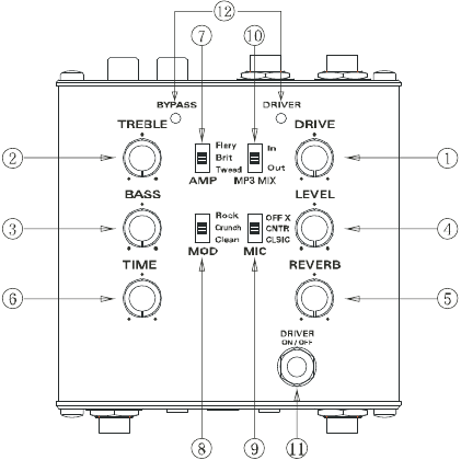
- Valdiklis DRIVE stiprinimui nustatyti.
- Valdiklis TREBLE garso nustatymams aukštų dažnių diapazone.
- Valdiklis BASS garso nustatymams žemų dažnių diapazone.
- Valdiklis LEVEL garsumo nustatymui išvestyje.
- Valdiklis REVERB aido intensyvumui nustatyti.
- Valdiklis TIME aido uždelsimui nustatyti.
- Valdiklis AMP stiprintuvo charakteristikų pasirinkimui:
TWEED = Fender garsas
BRIT = Marshall garsas
FIERY = Mesa Boogie garsas - Valdiklis MOD stiprinimo intensyvumo lygiui nustatyti.
- Valdiklis MIC modeliuojamos mikrofono pozicijos pasirinkimui:
CLSIC = didelis aukštų dažnių kiekis su aiškiu garsu
CNTR = didelis vidurinių tonų ir žemų dažnių kiekis
OFF X = panašus į CNTR, bet su švelnesniu garsu ir mažiau aukštų vidurinių tonų - Valdiklis MP3 MIX įvesties MP3/CD IN (14) aktyvavimui arba deaktyvavimui. Aktyvavus įvestį, esamas signalas sumaišomas su gitaros signalu.
- Valdiklis DRIVER efektų aktyvavimui arba deaktyvavimui (LED BYPASS (12) mirksi > efektai išjungti, LED DRIVER (12) mirksi > efektai įjungti).
- Šviesos diodai BYPASS/DRIVER režimui rodyti (žr. 11 punktą).

- Jungtis GUITAR IN muzikos instrumentui prijungti. Kai tik įkišamas kištukas, prietaisas automatiškai įsijungia.
- Jungtis MP3/CD IN išoriniams signalo šaltiniams prijungti.
- Jungtis 9 VOLT DC maitinimo blokui prijungti (nepridedamas).
- Jungtis PHONES ausinėms prijungti.
- Jungtis OUTPUT gitaros stiprintuvui / mikšeriui prijungti.
- Jungtis SEND išorinio efektų įrenginio įvesties prijungimui.
- Jungtis RETURN išorinio efektų įrenginio išvesties prijungimui.
- Jungtis LINE OUT HiFi stiprintuvui arba įrašymo įrenginiui prijungti.
Papildomos naudojimo sritys
Be naudojimo kaip gitaros modeliavimo priešstiprintuvas, prietaisas taip pat gali būti naudojamas šiems tikslams:
- Efektų įrenginys kitiems instrumentams, tokiems kaip akustinės gitaros, bosinės gitaros, klavišiniai instrumentai ir kt. Stebėkite, kad įvestis nebūtų per stipriai sustiprinta.
- Prijungimas prie namų HiFi įrenginių, pvz., norint naudoti namų stiprintuvą kaip gitaros stiprintuvą arba įvesti foninę muziką per MP3/CD įvestį. Jungiant prietaisą prie namų stiprintuvo, atkreipkite dėmesį, kad namų garsiakalbiai nėra tokie nejautrūs kaip gitaros stiprintuvo garsiakalbiai. Stipriai iškraipytas gitaros garsas gali lengvai sugadinti šiuos garsiakalbius.
- Ausinių prijungimas, pvz., treniruotėms be trukdžių.
- Naudojimas be muzikos instrumento kaip efektų įrenginys mikšeriams ir kt.
Utilizavimas

Pasibaigus gaminio naudojimo laikui, utilizuokite jį pagal galiojančius įstatymus.
Naudotų baterijų / akumuliatorių utilizavimas
Vartotojas pagal įstatymą (baterijų reglamentas) privalo grąžinti naudotas baterijas ir akumuliatorius. Neišmeskite naudotų baterijų kartu su buitinėmis atliekomis.

Baterijos / įkraunamos baterijos, kuriose yra kenksmingų medžiagų, yra pažymėtos priešingais simboliais, nurodančiais, kad jas draudžiama išmesti į buitines atliekas. Atitinkamų sunkiųjų metalų pavadinimai yra: Cd = kadmis, Hg = gyvsidabris, Pb = švinas. Naudotas baterijas / akumuliatorius galite nemokamai grąžinti į bet kurį vietos valdžios institucijos surinkimo punktą, į mūsų parduotuves arba į bet kurią kitą parduotuvę, kurioje parduodamos baterijos / akumuliatoriai.
Taip įvykdote savo įstatymines prievoles ir prisidedate prie aplinkos apsaugos.
Techniniai duomenys
| Darbinė įtampa | 9 V= | |
| Baterija | 9 V blokelio baterija (6F22) Conrad užsakymo Nr.: 65 25 09 | |
| Baterijos veikimo trukmė | apie 20 val. | |
| Rekomenduojamas maitinimo blokas | Conrad užsakymo Nr.: 51 83 31 | |
| Įvesties varža | GUITAR IN | 1 MOmų |
| MP3/CD IN | 33 kOmų | |
| RETURN | 5,1 kOmų | |
| Išvesties varža | OUTPUT | 510 Omų |
| LINE OUT | 1 kOmų | |
| SEND | 100 Omų | |
| HEADPHONES | 5,1 Omų | |
| Matmenys | 98 x 92 x 52,5 mm | |
| Svoris | 250 g (be baterijos) | |
Šis produktas atitinka nacionalinius ir Europos Sąjungos teisinius reikalavimus.
Šios naudojimo instrukcijos yra Conrad Electronic SE, Klaus-Conrad-Str. 1, D-92240 Hirschau (www.conrad.com) leidinys.
Visos teisės, įskaitant vertimą, saugomos. Bet koks atgaminimas bet kokiu būdu, pvz., fotokopijavimas, mikrofilmavimas arba įtraukimas į elektronines duomenų apdorojimo sistemas, reikalauja išankstinio raštiško redaktoriaus sutikimo. Perspausdinti, net ir iš dalies, draudžiama.
Šios naudojimo instrukcijos atspindi techninę būklę spausdinimo metu. Pasiliekama teisė keisti technologijas ir įrangą.
© Autorių teisės 2010 Conrad Electronic SE.
Nuorodos
Atsisiųsti instrukciją
Čia galite atsisiųsti visą pdf instrukcijos versiją, kurioje gali būti papildomų saugos instrukcijų, garantijos informacijos, FCC taisyklių ir kt.
Atsisiųsti MC Crypt GPM-1 Pro - gitaros stiprintuvo simuliatoriaus naudojimo instrukcijos