Sony CDX-GT520, CDX-GT52W - Instalação e ligações do leitor de CD FM/AM
- 1 Precauções
- 2 Lista de peças
- 3 Exemplo de ligação
- 4 Diagrama de ligações
- 5 Precauções
- 6 Remover o colar de proteção e o suporte
- 7 Exemplo de montagem
- 8 Montagem da unidade num carro japonês
- 9 Como remover e fixar o painel frontal
- 10 Aviso se a ignição do seu carro não tiver posição ACC
- 11 Botão RESET
- 12 Descarregar manual
- 13 Em Outros Idiomas

Precauções
- Esta unidade foi concebida apenas para funcionamento com massa negativa (terra) de 12 V CC.
- Não coloque os fios por baixo de um parafuso ou presos em peças móveis (por exemplo, calhas do assento).
- Antes de efetuar as ligações, desligue a ignição do carro para evitar curto-circuitos.
- Ligue os fios de alimentação amarelo e vermelho apenas depois de todos os outros fios terem sido ligados.
- Encaminhe todos os fios de massa (terra) para um ponto de massa (terra) comum.
- Certifique-se de isolar quaisquer fios soltos não ligados com fita isoladora para maior segurança.
- A utilização de instrumentos óticos com este produto aumenta o risco de lesões oculares.
Notas sobre o fio de alimentação (amarelo)
- Ao ligar esta unidade em combinação com outros componentes estéreo, a classificação do circuito do carro ligado deve ser superior à soma do fusível de cada componente.
- Quando não houver circuitos do carro com uma classificação suficientemente alta, ligue a unidade diretamente à bateria.
Lista de peças
- Os números na lista correspondem aos das instruções.
![]()
![]()
- O suporte
e o colar de proteção
estão fixos à unidade antes do envio. Antes de montar a unidade, utilize as chaves de libertação
para remover o suporte
da unidade. Para obter mais informações, consulte "Remover o colar de proteção e o suporte" no verso da folha. - Guarde as chaves de libertação
para utilização futura, pois também são necessárias se remover a unidade do seu carro.
Manuseie o suporte
com cuidado para evitar ferir os dedos.

Nota
Antes da instalação, certifique-se de que os encaixes em ambos os lados do suporte
estão dobrados para dentro 2 mm (3/32 pol.). Se os encaixes estiverem direitos ou dobrados para fora, a unidade não será instalada de forma segura e pode saltar para fora.
Exemplo de ligação
Notas
- Certifique-se de que liga o fio de massa (terra) antes de ligar o amplificador.
![Sony - CDX-GT520 - Exemplo de ligação Exemplo de ligação]()
- O alarme só soará se o amplificador incorporado for utilizado.
Dicas
- Ao ligar apenas um único CD/MD changer ou outro dispositivo opcional, ligue diretamente a esta unidade.
![Sony - CDX-GT520 - Exemplo de ligação - CD/MD changer único Exemplo de ligação - CD/MD changer único]()
- Para ligar dois ou mais CD/MD changers ou outros dispositivos opcionais, é necessário o seletor de fonte XA-C40 (não fornecido).
![Sony - CDX-GT520 - Exemplo de ligação - Ligação de dois CD/MD changers Exemplo de ligação - Ligação de dois CD/MD changers]()
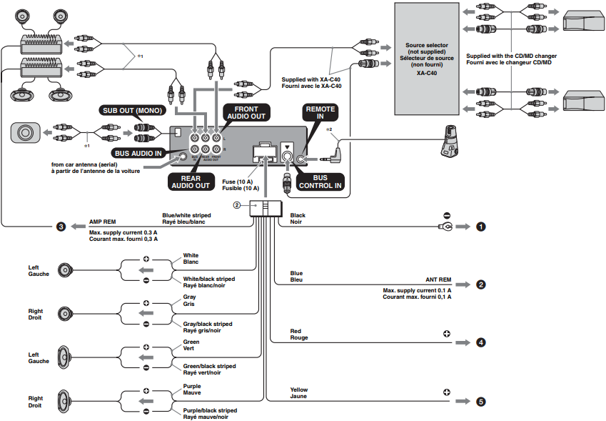
Diagrama de ligações

*1 Cabo de pinos RCA (não fornecido)
*2 Insira com o cabo para cima.
- Para uma superfície metálica do carro
Ligue primeiro o fio de massa (terra) preto, depois ligue os fios de alimentação amarelo e vermelho. - Para o fio de controlo da antena (aérea) elétrica ou fio de alimentação do amplificador da antena (aérea)
Notas
- Não é necessário ligar este fio se não houver antena (aérea) elétrica ou amplificador da antena (aérea) ou com uma antena (aérea) telescópica operada manualmente.
- Quando o seu carro tem uma antena (aérea) FM/AM incorporada no vidro traseiro/lateral, consulte "Notas sobre os fios de controlo e alimentação."
- Para AMP REMOTE IN de um amplificador elétrico opcional
Esta ligação destina-se apenas a amplificadores. Ligar qualquer outro sistema pode danificar a unidade. - Para o terminal de alimentação +12 V que é energizado na posição de acessório do interruptor de ignição
Notas
- Se não houver posição de acessório, ligue ao terminal de alimentação +12 V (bateria) que é energizado em todos os momentos.
Certifique-se de que liga primeiro o fio de massa (terra) preto a uma superfície metálica do carro. - Quando o seu carro tem uma antena (aérea) FM/AM incorporada no vidro traseiro/lateral, consulte "Notas sobre os fios de controlo e alimentação."
- Para o terminal de alimentação +12 V que é energizado em todos os momentos
Certifique-se de que liga primeiro o fio de massa (terra) preto a uma superfície metálica do carro.
Notas sobre os fios de controlo e alimentação
- O fio de controlo da antena (aérea) elétrica (azul) fornece +12 V CC quando liga o sintonizador.
- Quando o seu carro tem uma antena (aérea) FM/AM incorporada no vidro traseiro/lateral, ligue o fio de controlo da antena (aérea) elétrica (azul) ou o fio de alimentação de acessório (vermelho) ao terminal de alimentação do amplificador da antena (aérea) existente. Para obter mais informações, consulte o seu concessionário.
- Uma antena (aérea) elétrica sem uma caixa de relés não pode ser utilizada com esta unidade.
Ligação de retenção de memória
Quando o fio de alimentação amarelo é ligado, a alimentação será sempre fornecida ao circuito de memória, mesmo quando o interruptor de ignição é desligado.
Notas sobre a ligação das colunas
- Antes de ligar as colunas, desligue a unidade.
- Utilize colunas com uma impedância de 4 a 8 ohms e com capacidades de manuseamento de potência adequadas para evitar danos.
- Não ligue os terminais da coluna ao chassis do carro, nem ligue os terminais das colunas direitas aos da coluna esquerda.
- Não ligue o fio de massa (terra) desta unidade ao terminal negativo (–) da coluna.
- Não tente ligar as colunas em paralelo.
- Ligue apenas colunas passivas. Ligar colunas ativas (com amplificadores incorporados) aos terminais da coluna pode danificar a unidade.
- Para evitar um mau funcionamento, não utilize os fios da coluna incorporados instalados no seu carro se a unidade partilhar um fio negativo (–) comum para as colunas direita e esquerda.
- Não ligue os fios da coluna da unidade uns aos outros.
Nota sobre a ligação
Se a coluna e o amplificador não estiverem ligados corretamente, "FAILURE" (FALHA) aparece no ecrã. Neste caso, certifique-se de que a coluna e o amplificador estão ligados corretamente.
Precauções
- Escolha cuidadosamente o local de instalação para que a unidade não interfira com as operações de condução normais.
- Evite instalar a unidade em áreas sujeitas a pó, sujidade, vibração excessiva ou temperaturas elevadas, como sob luz solar direta ou perto de condutas de aquecimento.
- Utilize apenas o hardware de montagem fornecido para uma instalação segura.
Ajuste do ângulo de montagem
Ajuste o ângulo de montagem para menos de 45°.
Remover o colar de proteção e o suporte
Antes de instalar a unidade, remova o colar de proteção
e o suporte
da unidade.
Remover o colar de proteção

Aperte ambas as extremidades do colar de proteção
e puxe-o para fora.
Remover o suporte
- Insira ambas as chaves de libertação
juntas entre a unidade e o suporte
até fazerem clique. ![Sony - CDX-GT520 - Remover o suporte Remover o suporte]()
- Puxe o suporte para baixo
e puxe a unidade para cima para separar.
![]()
Exemplo de montagem

Instalação no painel de instrumentos
Notas
- Dobre estas garras para fora para um ajuste apertado, se necessário.
![]()
- Certifique-se de que os 4 encaixes no colar de proteção
estão devidamente engatados nas ranhuras da unidade.
![]()
Montagem da unidade num carro japonês
Pode não ser possível instalar esta unidade em algumas marcas de carros japoneses. Nesse caso, consulte o seu concessionário Sony.

TOYOTA

NISSAN
Nota
Para evitar o mau funcionamento, instale apenas com os parafusos fornecidos
.
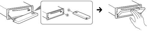
Como remover e fixar o painel frontal
Antes de instalar a unidade, remova o painel frontal.
Para remover

Antes de remover o painel frontal, certifique-se de que prime
. Prima
, em seguida, deslize o painel frontal para a direita e puxe suavemente a extremidade esquerda do painel frontal.
Para fixar

Coloque o orifício
do painel frontal no veio
na unidade e, em seguida, empurre ligeiramente o lado esquerdo para dentro.
Aviso se a ignição do seu carro não tiver posição ACC
Certifique-se de que define a função Auto Off (Desligar automático). Para obter mais informações, consulte as Instruções de funcionamento fornecidas.
A unidade desligar-se-á completa e automaticamente no tempo definido após a unidade ser desligada, o que evita o consumo da bateria.
Se não definir a função Auto Off (Desligar automático), prima sem soltar
até o ecrã desaparecer sempre que desligar a ignição.
Botão RESET

Quando a instalação e as ligações estiverem concluídas, certifique-se de que prime o botão RESET com uma caneta de ponta esferográfica, etc., depois de remover o painel frontal.

Descarregar manual
Aqui pode descarregar a versão completa em PDF do manual, ela pode conter instruções de segurança adicionais, informações de garantia, regras da FCC, etc.
Descarregar Sony CDX-GT520, CDX-GT52W - Instalação e ligações do leitor de CD FM/AM


estão fixos à unidade antes do envio. Antes de montar a unidade, utilize as chaves de libertação
para remover o suporte 


juntas entre a unidade e o suporte 


estão devidamente engatados nas ranhuras da unidade.