FETtec FC G4 -käyttöohje

Ominaisuudet
- Uusin STM32G4-prosessori
- 170Mhz + matematiikan kiihdytin
- MPU6000
- Syöttöjännite 6-27V (2S-6S Lipo)
- 2x erillistä sisäänrakennettua BEC:iä (enintään 600mA kumpikin)
- 5V BEC RX:lle
- 5V/16V BEC VTX:lle (kytkettävissä ja todellinen Pit*)
- 2x 8-nastainen liitin juotosvapaata ESC-liitäntää varten
- Liitin 1: ESC-signaali 1-4, telemetria, VCC, GND
- Liitin 2: ESC-signaali 5-8 (UAV-tyypistä riippuen 1-4), telemetria, VCC, GND
- 1x 8-nastainen liitin juotosvapaata VTX-, kameraliitäntää ja OSD:tä tai digitaalisia järjestelmiä varten
- Real Pit* VCC, GND, Video sisään, Video ulos, BEC 5V/16V, VCS/TX3, RX3
- 2x 6-nastainen liitin sarjaliikennettä varten
- RX1, TX1, 3.3V, VCC, 5V, GND
- RX3, VCS/TX3, RGB LED, VCC, 5V, GND
- 1x 4-nastainen liitin vastaanottimelle
- Signaali, TLM, 5V, GND
- 5 UART-sarjaliikennettä
- UART 1 vapaa
- UART 2 käytetään vastaanottimelle
- UART 3 vapaa
- UART 4 käytetään sisäänrakennetulle OSD:lle, voidaan vapauttaa
- UART 5 käytetään ESC:ille / TLM:lle / Onewirelle
- 4 ESC-juotoskohtaa (signaali/GND) jokaisessa kulmassa
- Summerin juotoskohdat
- 4 pientä RGB-LEDiä (valittavissa oleva väri)
- Tuetut ESC-protokollat
- PWM, Oneshot125, Oneshot42, Dshot150/300/600/1200/2400, FETtec Onewire
- FETtec KISS -laiteohjelmisto
- Sisäänrakennettu OSD
- Graafinen OSD (STM32)
- Täysi KISS-viritys
- Suodatin (PID:t, nopeudet, asetukset)
- LED-ohjaus (RGB LED, Racewire)
- VTX
- Reaaliaikaiset datakaaviot (jännite, moottorin kierrosluku, virta, moottorin lämpötila, gyroarvot, linkin laatu)
- KISS GPS -tuki + reaaliaikainen kartta
- Mukautettu graafinen lentäjän logo
- Ohjaussauvan peitto
- Mukautettu asettelu
- Voidaan poistaa käytöstä digitaalisten järjestelmien käyttöä varten
- Suurimmat ulkomitat: 37,2 x 37,2 mm, ilman ulkokärkiä 30 x 30 mm
- Kiinnitysreikien järjestely:
- 20 x 20 mm M2-kiinnitysreiällä (laajennettavissa M3:een)
- 30 x 30 mm M3-kiinnitysreiällä
- 30 x 30 mm kiinnitysreikien kärjet ovat irrotettavissa FC:n kokonaiskoon pienentämiseksi
- Kiinnitysreikien järjestely:
- Kokonaiskorkeus: 7,9 mm
- Paino: 5,37 g
- Liitintyyppi: JST-SH-1mm
*Real Pit-Mode: Virtalähdenasta, joka on etäkytkettävissä
Turvallisuusvaroitus
- Irrota potkuri ennen flashausta ja määritystä
- Flashaa aina uusin laiteohjelmisto ennen käyttöä
Suositellut vaiheet FETtec FC G4:n asennukseen
- Yhdistä FETtec Configurator -ohjelmaan ja päivitä uusin laiteohjelmisto (katso FC-laiteohjelmiston päivitys)
- Asenna FC kopteriisi (katso kytkentäkaaviot oikeaa johdotusta ja asennusta varten)
- Varmista, että kaikki on kytketty oikein ja tarkista ilman potkureita
- Yhdistä KISS GUI:hin jatkaaksesi FETtec FC G4:n lopullista määritystä (FC-määritys)
Kytkentäkaavio
Liitäntäasettelu päältä

8-nastainen liitin yhdistää kaikki tarvittavat liitännät analogiselle tai digitaaliselle VTX:lle ja kameralle. Se sisältää:
- Real Pit VCC (Lipo+)
- GND kameralle ja VTX:lle
- Video sisään: Analoginen videosignaali kameralta
- Video ulos: Analoginen video VTX:lle
- BEC 5V/16V: virtalähde kameralle ja/tai VTX:lle, kytkettävä jännite, todellinen Pit-ominaisuus
- VCS/TX3: ääniohjaukseen / tramp-määritykseen tai TX digitaalisille FPV-järjestelmille
- RX3: digitaalisille FPV-järjestelmille
6-nastainen liitin (SER3):
- RX3: digitaalisille FPV-järjestelmille tai muille GUI:ssa määritettäville toiminnoille (sama VCS/TX3:lle)
- VCS/TX3: ääniohjaukseen / tramp-määritykseen tai TX digitaalisille FPV-järjestelmille
- RGB LED: PWM-signaaliliitin WS2812 LEDien tai vastaavien ohjaamiseen (määritettävissä GUI:ssa)
- VCC: Akun jännite
- 5V
- GND
Liitäntäasettelu pohjasta

8-nastainen ESC-liitin 1:
- VCC: Akun jännite ulos FC:n virransyöttöön
- GND
- TLM/Onewire: ESC-telemetriasignaali FC:lle tai Onewire-signaaliliitin (määrityksestä riippuen)
- ESC-signaali 1-4: ESC-signaalilähtö kullekin ESC:lle
8-nastainen ESC-liitin 2:
- VCC: Akun jännite ulos FC:n virransyöttöön
- GND
- TLM/Onewire: ESC-telemetriasignaali FC:lle tai Onewire-signaaliliitin (määrityksestä riippuen)
- ESC-signaali 5-8: ESC-signaalilähtö kullekin ESC:lle (lähtö ESC-signaali 1-4, jos UAV-tyyppi on määritetty BI, TRI, QUAD)
Vastaanotinliitin:
- GND
- 5V
- TLM: Telemetriasignaali vastaanottimelle (katso vastaanottimen kytkentäkaavio lisätietoja)
- Signaali: Vastaanottimen signaali FC:lle (katso vastaanottimen kytkentäkaavio lisätietoja)
6-nastainen liitin (SER1):
- RX1: toiminto määritettävissä GUI:ssa
- TX1: toiminto määritettävissä GUI:ssa
- 3,3V
- VCC: Akun jännite
- 5V
- GND
Lyhenteiden selitykset:
- BEC 5V/16V: kytkettävä jännite (GUI:ssa) ja todellinen Pit-ominaisuus
- GND: Referenssisignaalimaa
- Onboard OSD Jumper: silta sisäänrakennetun OSD:n poistamiseksi käytöstä ja RX4:n ja TX4:n aktivoimiseksi
- Real Pit VCC: todellinen Pit-ominaisuudella varustettu VCC-nasta
- Reset: Nollauspainike FC:n pakottamiseksi käynnistyslataustilaan, ei tarvita normaaliin käyttöön
- SIG.: vastaanottimen signaali (sarjaliikenne)
- TLM: Telemetriasignaalilähtö vastaanottimelle (sarjaliikenne)
- TLM / Onewire: ESC-telemetriatulo tai Onewire-signaali määrityksestä riippuen
- VCC: Akun tulojännite (6V-27V)
- VCS: Video-ohjaussignaali (ääniohjaus/tramp)
- VID. in: Analoginen videosignaali OSD:lle
- VID. out: Analoginen videosignaali OSD:ltä
ESC-kytkentäkaavio
ESC-liitäntä 8-nastaisen liittimen kautta
Helppo ESC-liitäntä 8-nastaisen kaapelin kautta
FETtec FC G4 - FETtec 4in1 ESC 45A (sama FETtec 4in1 ESC 35A:lle), kaapeli sisältyy FETtec ESC:ihin.
Mikä tahansa muu ESC on käytettävissä (varmista, että signaaliliitäntä on oikea, muuten muuta sen mukaan)

Yksittäinen ESC-kytkentäkaavio
FETtec FC G4 tarjoaa 4 ESC-signaaliliitintä yksittäisten ESC:ien juotosliitäntää varten
Vastaanottimen kytkentäkaavio
Vastaanottimet voidaan liittää vastaanotinliittimen (FC:n pohjassa) tai vastaanottimen juotosliittimien (FC:n päällä) kautta
TBS Crossfire


SBUS-vastaanotin / FrSky R-XSR


Analoginen FPV-kytkentäkaavio
VTX ja kamera voidaan liittää FPV-liittimen (FC:n päällä) tai FPV-juotosliittimien (FC:n päällä) kautta

Huomautus: RX- ja TX-liitäntää käytetään vain kameroissa, jotka tukevat sarjaliikennettä
Digitaalinen FPV-kytkentäkaavio
Caddx Vista FPV -järjestelmä

Fatshark Shark Byte -järjestelmä

FC-määritys
Lataa KISS GUI: https://github.com/flyduino/kissfc-chrome-gui/releases
Kun olet asentanut KISS GUI:n, yhdistä FETtec FC G4 USB:n kautta. Avaa KISS GUI ja valitse sarjaliikenneportti, jossa FC näkyy, ja paina yhdistä (connect).
Aktivoi FETtec FC G4 KISS GUI:ssa painamalla aktivoi (activate) seuraavassa kehotteessa
Nyt voit määrittää FC:n toiveidesi mukaan. Varmistaaksesi, että asetuksesi eivät katoa, käytä varmuuskopiointitoimintoa painamalla painiketta "varmuuskopio" (backup) ja tallentamalla määritys tekstitiedostona.
FC-laiteohjelmiston päivitys
Laiteohjelmistopäivityksiä varten lataa FETtec Configurator täältä: https://github.com/FETtec/Firmware/releases
Kun olet asentanut FETtec Configuratorin, avaa se ja valitse sarjaliikenneportti, jossa FC näkyy, ja paina yhdistä (connect).
Valitse USB ja valitse oikea COM-portti ja paina yhdistä (connect).
Sinun pitäisi nähdä FETtec FC G4 kuvan mukaisesti.
Napsauta "Etälaiteohjelmisto" (Remote Firmware) -painiketta ja valitse uusin saatavilla oleva laiteohjelmisto.
Paina "Flash selected!" (Flashaa valittu!)
FC on nyt flashattu!
Asetukset voidaan tehdä KISS GUI:ssa.
Suosittelemme aina käyttämään uusinta saatavilla olevaa laiteohjelmistoa parhaan käyttökokemuksen saavuttamiseksi.
Jos haluat kokeilla uusia ominaisuuksia ja laiteohjelmistokehityksiä, voit liittyä Discord-kanavallemme ja ladata uusimman beta-laiteohjelmiston kokeillaksesi omalla vastuullasi (https://discord.gg/pfHAbahzRp)
OSD-laiteohjelmisto
Päivitä FETtec OSD -kortti ennen ensimmäistä lentoasi!
Päivittääksesi FETtec OSD:n, yhdistä FETtec Configurator -ohjelmaan ja flashaa FC:n läpiviennin kautta uusin laiteohjelmisto.

Asetukset
Kaikki asetukset voidaan määrittää suoraan OSD:ssä
Päästäksesi valikkoon, siirrä ohjaussauvoja näytettyyn suuntaan alussa:
Kaasu 50%, siirrä sitten Yaw vasemmalle, Pitch ylös
Tila 1:
Tila 2:
Valikossa:
OSD-asetukset:
Ongelmia kuvassa
- OSD SYNC → AUTO SYNC
- Epätarkkojen viivojen tapauksessa pelaa LEFT/WITH-arvoilla, yritä välttää WITH-arvoja yli 400
- Tee PAL/NTSC-asettelun nollaus
Siirrä elementtejä OSD-valikossa
Valitse LAYOUT → SET POSITIONS ASETUKSISTA (SETTINGS).
Nyt elementit ovat siirrettävissä ruudukossa.
Hyppää elementtien välillä ja valitse ne asettaaksesi uuden sijainnin.
Poistuaksesi ´siirtovalikosta´ (move menu) pidä ohjaussauvaa Yaw vasemmalla muutaman sekunnin ajan
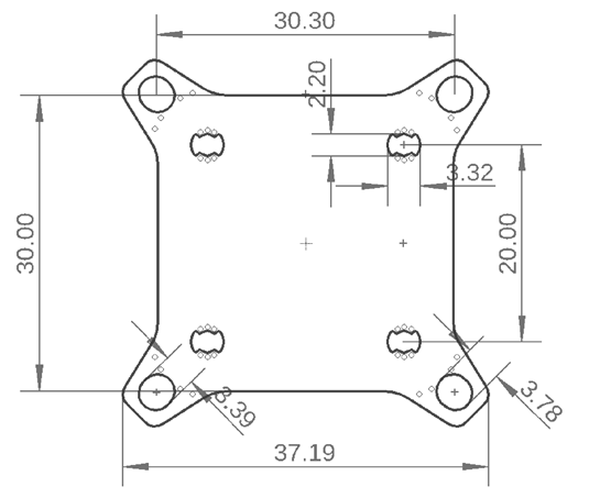
Mitat

Suurimmat ulkomitat: 37,2 x 37,2 mm, ilman ulkokärkiä 30 x 30 mm
Kiinnitysreikien järjestely:
- 20 x 20 mm M2-kiinnitysreiällä (laajennettavissa M3:een)
- 30 x 30 mm M3-kiinnitysreiällä
- 30 x 30 mm kiinnitysreikien kärjet ovat irrotettavissa FC:n kokonaiskoon pienentämiseksi
Kokonaiskorkeus: 7,9 mm
Korkein osa kullakin piirilevyn sivulla: 3,2 mm
Paino: 5,37 g

Viitteet
Releases · flyduino/kissfc-chrome-gui · GitHub
Releases · FETtec/Firmware · GitHubFETtec
https://discord.gg/pfHAbahzRp)
Lataa käyttöohje
Täältä voit ladata täydellisen pdf-version käyttöohjeesta, se voi sisältää lisäturvallisuusohjeita, takuutietoja, FCC-sääntöjä jne.
Lataa FETtec FC G4 -käyttöohje