Predator 8750 Watt, 59190 - Mwongozo wa Jenereta ya Inverter
- 1 Mwongozo wa Mmiliki & Maagizo ya Usalama
- 2 ALAMA ZA ONYO NA MAELEZO
- 3 MAELEKEZO MUHIMU YA USALAMA
- 4 Tahadhari za usanidi
- 5 Tahadhari za Uendeshaji
- 6 Tahadhari za Huduma
- 7 Vipimo
- 8 Vipengele na udhibiti
- 9 Usanidi/Mkutaniko wa Zana ya Awali
- 10 Ondoa Mabano ya Usafirishaji
- 11 Uendeshaji wa Mwinuko wa Juu zaidi ya futi 3000
- 12 Maagizo ya Uendeshaji
- 13 Kutumia Jenereta
- 14 Kuanzisha Injini
- 15 UZIMAJI WA MONOKSAIDI YA CARBON
- 16 Kuunganisha Mizigo ya Umeme
- 17 Kuhesabu Jumla ya Wati za Vifaa Vinavyotumika na Jenereta
- 18 Kusimamisha Injini katika Hali ya Dharura
- 19 Kusimamisha Injini Katika Hali ya Kawaida
- 20 Maagizo ya Matengenezo ya Mtumiaji
- 21 Usafishaji, Utunzaji na Upakaji Mafuta
- 22 Kuangalia na Kujaza Mafuta
- 23 Kubadilisha Mafuta ya Injini
- 24 Matengenezo ya Kipengele cha Kichujio cha Hewa
- 25 Matengenezo ya Plagi ya Cheche
- 26 Hifadhi
- 27 Utatuzi wa Matatizo
- 28 Marejeleo
- 29 Pakua mwongozo
- 30 Katika Lugha Nyingine

Mwongozo wa Mmiliki & Maagizo ya Usalama
Hifadhi Mwongozo Huu Weka mwongozo huu kwa ajili ya maonyo na tahadhari za usalama, mkusanyiko, uendeshaji, ukaguzi, matengenezo na taratibu za usafishaji. Andika nambari ya serial ya bidhaa nyuma ya mwongozo (au mwezi na mwaka wa ununuzi ikiwa bidhaa haina nambari). Weka mwongozo huu na risiti mahali salama na pakavu kwa marejeleo ya baadaye.
- Kutumia jenereta ndani ya nyumba KUNAWEZA KUKUUA KWA DAKIKA.
- Moshi wa jenereta una monoksidi kaboni. Hii ni sumu ambayo huwezi kuiona au kuinusa.
-
USITUMIE KAMWE ndani ya nyumba au karakana, HATA KAMA milango na madirisha yamefunguliwa.
![]()
-
Tumia tu NJE na mbali na madirisha, milango na matundu ya hewa.
![]()
-
Usitumie kwenye trela, vitanda vya lori, au mahema.
![]()
-
Tumia angalau futi 20 kutoka kwa watu, wanyama, na majengo huku moshi ukiwa umeelekezwa mbali.
![]()
-
Unapofungua, hakikisha kuwa bidhaa iko sawa na haijaharibiwa. Ikiwa sehemu zozote hazipo au zimevunjika, tafadhali piga simu 1-888-866-5797 haraka iwezekanavyo.
Soma nyenzo hii kabla ya kutumia bidhaa hii. Kukosa kufanya hivyo kunaweza kusababisha majeraha makubwa. HIFADHI MWONGOZO HUU.
ALAMA ZA ONYO NA MAELEZO
| | Hii ni alama ya tahadhari ya usalama. Inatumika kukuonya juu ya hatari zinazoweza kusababisha majeraha ya kibinafsi. Tii ujumbe wote wa usalama unaofuata alama hii ili kuepuka majeraha au kifo kinachowezekana. |
| | Inaashiria hali ya hatari ambayo, ikiwa haitaepukwa, itasababisha kifo au majeraha makubwa. Inaashiria hali ya hatari ambayo, ikiwa haitaepukwa, inaweza kusababisha kifo au majeraha makubwa. |
| | Inaashiria hali ya hatari ambayo, ikiwa haitaepukwa, inaweza kusababisha majeraha madogo au ya wastani. |
| TAARIFA | Inashughulikia mazoea ambayo hayahusiani na majeraha ya kibinafsi. |
MAELEKEZO MUHIMU YA USALAMA
HIFADHI MAELEKEZO HAYA
Mwongozo huu una maelekezo muhimu ambayo yanapaswa kufuatwa wakati wa usakinishaji na matengenezo ya Jenereta na betri zozote.
Tahadhari za usanidi
- Kitengo hiki kitasakinishwa ili ufikiaji uwe mdogo kwa wafanyikazi wa huduma waliohitimu tu ambao wameelekezwa juu ya sababu za vizuizi vilivyowekwa kwenye eneo na juu ya tahadhari zozote ambazo lazima zichukuliwe. Ufikiaji utakuwa kupitia utumiaji wa zana maalum, au kufuli na ufunguo, au njia zingine za usalama na itadhibitiwa na mamlaka inayohusika na eneo hilo.
- Mafuta ya petroli na moshi huwaka, na yanaweza kulipuka. Tumia taratibu sahihi za kuhifadhi na kushughulikia mafuta. Usihifadhi mafuta au vifaa vingine vinavyoweza kuwaka karibu.
- Kuwa na vizima moto vingi vya darasa la ABC karibu.
- Uendeshaji wa vifaa hivi unaweza kuunda cheche ambazo zinaweza kuanzisha moto karibu na mimea kavu. Kizima cheche kinaweza kuhitajika. Opereta anapaswa kuwasiliana na wakala wa moto wa eneo hilo kwa sheria au kanuni zinazohusiana na mahitaji ya kuzuia moto.
- Sanidi na utumie tu kwenye uso tambarare, ulio sawa, na wenye uingizaji hewa mzuri.
- Viunganisho na mifereji yote kutoka kwa Jenereta hadi mzigo lazima iwekwe tu na mafundi umeme waliofunzwa na walio na leseni, na kwa kufuata kanuni na viwango vyote muhimu vya umeme vya eneo, jimbo, na shirikisho, na kanuni zingine inapohitajika.
- Viunganisho vya nguvu ya kusubiri kwa mfumo wa umeme wa jengo lazima zifanywe na fundi umeme aliyehitimu. Uunganisho lazima utenganishe nguvu ya Jenereta kutoka kwa nguvu ya matumizi, na lazima uzingatie sheria na kanuni zote za umeme zinazotumika.
- Vaa miwani ya usalama iliyoidhinishwa na ANSI, glavu za kazi nzito, na barakoa/kipumuaji cha vumbi wakati wa kusanidi.
- Tumia tu vilainishi na mafuta yaliyopendekezwa katika mwongozo huu.
- Swichi ya uhamishaji inapaswa kuwekwa na fundi umeme aliye na leseni kwa kufuata sheria na kanuni zote za umeme zinazotumika.
- Viunganisho visivyofaa kwa mfumo wa umeme wa jengo vinaweza kuruhusu mkondo wa umeme kutoka kwa Jenereta kurudi kwenye laini za matumizi. Kurudi nyuma kama huko kunaweza kuwasha umeme wafanyikazi wa kampuni ya matumizi au wengine wanaogusa laini wakati wa kukatika kwa umeme, na Jenereta inaweza kulipuka, kuwaka, au kusababisha moto wakati nguvu ya matumizi inarejeshwa. Wasiliana na kampuni ya matumizi na fundi umeme aliyehitimu ikiwa unakusudia kutumia Jenereta kwa nguvu ya akiba.
- Usitumie Jenereta kabla ya kuweka msingi. Jenereta lazima iweke msingi ardhini kwa mujibu wa kanuni na viwango vyote muhimu vya umeme kabla ya operesheni.
- Sakinisha kengele ya monoksidi kaboni na nakala rudufu ya betri katika majengo ya karibu kulingana na maagizo ya mtengenezaji.
Tahadhari za Uendeshaji
- HATARI YA MONOKSAIDI YA CARBON
Kutumia jenereta ndani ya nyumba KUNAWEZA KUKUUA NDANI YA DAKIKA
Moshi wa jenereta una monoksaidi ya kaboni. Hii ni sumu ambayo huwezi kuiona au kuinusa.
![]()
USITUMIE KAMWE ndani ya nyumba au karakana, HATA KAMA milango na madirisha yamefunguliwa.
![]()
Tumia NJE TU na mbali na madirisha, milango na matundu ya hewa. - UZIMAJI WA MONOKSAIDI YA CARBON
ILI KUZUIA MAJERAHA MAKUBWA NA KIFO KUTOKANA NA KUVUTA MONOKSAIDI YA CARBON:
Sensa ya Monoksaidi ya Carbon ni njia ya ziada ya ulinzi tu. Usitumie Jenereta katika eneo lolote au hali yoyote ambayo itaruhusu monoksaidi ya carbon kukusanyika.
- TAA NYEKUNDU INAYOWAKA:
Viwango hatari vya gesi ya monoksaidi ya carbon vimekusanyika na jenereta itazima. Ondoka mara moja hadi eneo hilo liwe limeruhusu hewa kuingia. Hamisha Jenereta hadi eneo lenye uingizaji hewa mzuri kabla ya operesheni. - TAA YA MANJANO INAYOWAKA:
Hitilafu ya sensa ya monoksaidi ya carbon.
Sensa inahitaji huduma. Usitumie Jenereta hadi sensa ifanye kazi vizuri. Kwa maswali ya kiufundi, tafadhali piga simu 1-888-866-5797.
KUMBUKA: Taa ya manjano huwaka mara moja baada ya kuanza kuonyesha kupita ukaguzi binafsi na inafanya kazi kawaida.
Sensa ya Monoksaidi ya Carbon lazima ihudumiwe tu na fundi aliyehitimu ili kuirejesha kwenye mipangilio yake ya asili. Usirekebishe au kuingilia sensa ya Monoksaidi ya Carbon. Kutofuata maagizo haya kunaweza kusababisha kifo au majeraha makubwa kutokana na hitilafu ya sensa ya Monoksaidi ya Carbon.
- Usitumie kamwe jenereta ndani ya nyumba, ikiwa ni pamoja na katika karakana, vyumba vya chini, nafasi za kutambaa na vibanda. Kufungua milango na madirisha au kutumia feni HAKUTAZUIA mkusanyiko wa monoksaidi ya carbon ndani ya nyumba.
- Unapotumia jenereta, ziweke nje na mbali na milango, madirisha na matundu ya hewa ili kuepuka viwango vya sumu vya monoksaidi ya carbon kukusanyika ndani ya nyumba.
- Ukianza kujisikia mgonjwa, kizunguzungu au dhaifu unapotumia jenereta, nenda kwenye hewa safi mara moja. Monoksaidi ya carbon kutoka kwa jenereta inaweza kusababisha ulemavu kamili na kifo haraka.
- Weka watoto mbali na kifaa, hasa wakati kinafanya kazi.
- Weka watazamaji wote angalau futi sita kutoka kwa Injini wakati wa operesheni.
- Usiguse injini wakati wa matumizi. Ruhusu injini ipoe baada ya matumizi.
- Usihifadhi kamwe mafuta au vifaa vingine vinavyoweza kuwaka karibu na injini.
- Hatari ya Moto! Usijaze tanki la gesi wakati injini inafanya kazi. Usifanye kazi ikiwa petroli imemwagika.
Safisha petroli iliyomwagika kabla ya kuanza injini. Usifanye kazi karibu na taa ya rubani au moto wazi. - Ikiwa bidhaa iliyochomekwa inafanya kazi isivyo kawaida au polepole isivyo kawaida, acha mara moja kutumia Jenereta kama chanzo cha nguvu. Soma na uzingatie mwongozo wa maagizo wa bidhaa itakayowezeshwa kila wakati, ili kuhakikisha kuwa inaweza kuendeshwa kwa usalama na kwa ufanisi na jenereta inayobebeka.
- Kabla ya kuunganisha kifaa au kamba ya umeme kwenye Jenereta: Hakikisha kuwa iko katika hali nzuri ya kufanya kazi. Vifaa au kamba za umeme zenye hitilafu zinaweza kuleta uwezekano wa mshtuko wa umeme.
- Usizidi kiwango cha juu cha nguvu cha Jenereta. Hakikisha kuwa kiwango cha jumla cha umeme cha zana au vifaa vyote vilivyochomekwa kwenye Jenereta kwa wakati mmoja hakizidi kile cha Jenereta. Angalia kwamba kuongezeka kwa kuanza hakutakuwa zaidi ya kikomo cha Jenereta. Viwango vya nguvu kati ya vilivyokadiriwa na vya juu vinaweza kutumika kwa si zaidi ya dakika 30.
- Epuka kupakia kupita kiasi ambayo itasababisha kivunja mzunguko. Kuzidi kikomo cha muda kwa operesheni ya nguvu ya juu au kupakia Jenereta kidogo kunaweza kusiwashe kivunja mzunguko au mlinzi wa mzunguko ZIMWA, lakini itafupisha maisha ya huduma ya Jenereta.
- Usijaribu kuunganisha au kukata miunganisho ya mzigo ukiwa umesimama ndani ya maji, au kwenye ardhi yenye unyevunyevu au iliyolowa.
- Usiguse sehemu zenye nguvu za umeme za Jenereta na nyaya au kondakta zinazounganisha na sehemu yoyote ya mwili, au na kitu chochote kisicho na insulation kinachopitisha umeme.
- Unganisha Jenereta tu kwenye mzigo au mfumo wa umeme (volti 120 au volti 240) ambao unaoana na sifa za umeme na uwezo uliokadiriwa wa Jenereta.
- TAHADHARI ZA GFCI
Jaribu vipokezi vya Kivunja Mzunguko wa Hitilafu ya Ardhini (GFCI) kabla ya kila matumizi kama ifuatavyo:- Tenganisha vifaa vyote kutoka kwa Jenereta.
- Anzisha injini.
- Bonyeza kitufe cha Jaribio kwenye kipokezi ili kusababisha kifaa cha GFCI.
- Kitufe cha Rudisha nyuma kinapaswa kuongezeka, kikikata umeme kwenye kipokezi.
- Ikiwa jaribio hapo juu litashindwa, usitumie kipokezi hadi kirekebishwe au kubadilishwa.
- Bonyeza kitufe cha Rudisha nyuma kwa matumizi.
- Insulate miunganisho yote na waya zilizokatwa.
- Kinga dhidi ya mshtuko wa umeme. Zuia kugusa mwili na nyuso zilizowekwa chini kama vile mabomba, radiator, majiko na friji.
- Tumia tu njia inayofaa ya usafiri na vifaa vya kuinua vyenye uwezo wa kutosha wa kubeba uzito unaposafirisha Jenereta.
- Salama Jenereta kwenye magari ya usafiri ili kuzuia zana isisonge, isiteleze na kuegemea.
- Matumizi ya viwandani lazima yafuate mahitaji ya OSHA.
- Usiache Jenereta bila kusimamiwa wakati inafanya kazi. Zima Jenereta (na uondoe funguo za usalama, ikiwa zinapatikana) kabla ya kuondoka eneo la kazi.
- Injini ya Jenereta inaweza kutoa viwango vya juu vya kelele. Mfiduo wa muda mrefu kwa viwango vya kelele zaidi ya 85 dBA ni hatari kwa usikivu. Vaa kinga ya sikio kila wakati unapoendesha au kufanya kazi karibu na injini ya gesi wakati inafanya kazi.
- Vaa miwani ya usalama iliyoidhinishwa na ANSI, kinga ya kusikia na barakoa/kipumuaji cha vumbi kilichoidhinishwa na NIOSH wakati wa matumizi.
- Watu walio na visaidia moyo wanapaswa kushauriana na daktari wao kabla ya matumizi. Sehemu za sumaku-umeme karibu na kisaidia moyo zinaweza kusababisha kuingiliwa na kisaidia moyo au kushindwa kwa kisaidia moyo. Tahadhari ni muhimu ukiwa karibu na magneto ya injini au kianzio cha kurudisha nyuma.
- Tumia tu vifaa ambavyo vinapendekezwa na Harbor Freight Tools kwa modeli yako. Vifaa ambavyo vinaweza kufaa kwa kifaa kimoja vinaweza kuwa hatari vinapotumiwa kwenye kifaa kingine.
- Usifanye kazi katika angahewa za milipuko, kama vile mbele ya vimiminika, gesi au vumbi vinavyoweza kuwaka. Injini zinazoendeshwa na petroli zinaweza kuwasha vumbi au moshi.
- Weka vitu vinavyopitisha umeme vilivyowekwa chini, kama vile zana, mbali na sehemu na miunganisho ya umeme iliyo wazi na yenye nguvu ili kuepuka cheche au miali. Matukio haya yanaweza kuwasha moshi au mvuke.
- Kaa macho, angalia unachofanya na utumie akili ya kawaida unapoendesha kifaa hiki. Usitumie kifaa hiki ukiwa umechoka au chini ya ushawishi wa dawa za kulevya, pombe au dawa.
- Vaa vizuri. Usivae nguo au vito vilivyolegea. Weka nywele, nguo na glavu mbali na sehemu zinazohamia. Nguo zilizolegea, vito au nywele ndefu zinaweza kunaswa katika sehemu zinazohamia.
- Sehemu, hasa vipengele vya mfumo wa kutolea nje, hupata joto sana wakati wa matumizi. Kaa mbali na sehemu zenye moto.
- Usifunike Jenereta au injini yake wakati wa operesheni.
- Weka Jenereta, injini yake na eneo linalozunguka safi wakati wote. Weka jenereta angalau futi 5 kutoka kwa vitu vinavyoweza kuwaka.
- Usivute sigara, au kuruhusu cheche, miali au vyanzo vingine vya kuwaka karibu na kifaa, hasa wakati wa kujaza mafuta.
- Tumia Jenereta, vifaa, n.k., kwa mujibu wa maagizo haya na kwa namna iliyokusudiwa kwa aina fulani ya kifaa, ukizingatia hali ya kazi na kazi itakayofanywa. Matumizi ya kifaa kwa operesheni tofauti na zile zilizokusudiwa yanaweza kusababisha hali ya hatari.
- Usitumie Jenereta ikiwa kuna uvujaji unaojulikana katika mfumo wa mafuta wa injini.
- Ukimwagika kwa mafuta au mafuta, lazima kusafishwe mara moja. Tupa maji na vifaa vya kusafisha kulingana na kanuni na sheria zozote za mitaa, jimbo au shirikisho. Hifadhi nguo za mafuta kwenye chombo cha chuma kilichofunikwa na chenye uingizaji hewa wa chini.
- Weka mikono na miguu mbali na sehemu zinazohamia. Usifikie juu au kuvuka Jenereta wakati inafanya kazi.
- Kabla ya matumizi, angalia ikiwa sehemu zinazohamia zimepishana au zimefungwa, kuvunjika kwa sehemu na hali nyingine yoyote ambayo inaweza kuathiri operesheni ya Jenereta. Ikiwa imeharibiwa, fanya Jenereta ihudumiwe kabla ya kutumia. Ajali nyingi husababishwa na vifaa visivyotunzwa vizuri.
- Tumia jenereta sahihi kwa matumizi. Usirekebishe jenereta au injini yake, na usitumie jenereta kwa madhumuni ambayo haikusudiwa.
- Kamba ya Nyongeza - Hakikisha kamba yako ya nyongeza iko katika hali nzuri. Unapotumia kamba ya nyongeza, hakikisha unatumia moja nzito ya kutosha kubeba mkondo ambao bidhaa yako itatoa. Kamba ya nyongeza iliyo chini ya ukubwa itasababisha kushuka kwa voltage ya mstari na kusababisha kupoteza nguvu na overheating. Jedwali hapa chini linaonyesha ukubwa sahihi wa kamba ya kutumia kulingana na urefu wa kamba na ukadiriaji wa ampere ya jina. Ikiwa una shaka, tumia kipimo kizito kinachofuata. Kadiri nambari ya kipimo inavyopungua, ndivyo kamba inavyokuwa nzito.
| KIPIMO CHA CHINI KINACHOPENDEKEZWA CHA WAYA KWA KAMBA ZA NYONGEZA | |||||
| MKONDO (AMSS) | Mzigo @ 120V (WATTS) | Mzigo @ 240V (WATTS) | 0 ~ 50 ft 50 ~ 75 ft 75 ~ 100 ft | ||
| 2 | 240 | 480 | 18 AWG | ||
| 4 | 480 | 960 | 18 AWG | 16 AWG | |
| 6 | 720 | 1440 | 18 AWG | 16 AWG | 14 AWG |
| 8 | 960 | 1920 | 16 AWG | 12 AWG | |
| 10 | 1200 | 2400 | 16 AWG | 14 AWG | 12 AWG |
| 15 | 1800 | 3600 | 14 AWG | 12 AWG | 10 AWG |
| 20 | 2400 | 4800 | 12 AWG | 10 AWG | |
| 25 | 3000 | 6000 | 12 AWG | 10 AWG | 8 AWG |
| 30 | 3600 | 7200 | 10 AWG | 8 AWG | |
| 35 | 4200 | 8400 | 8 AWG | 6 AWG | |
| 40 | 4800 | 9600 | 6 AWG | ||
Tahadhari za Huduma
- Kabla ya huduma, matengenezo au usafi:
- Chomoa vifaa vyote kutoka kwa Jenereta.
- Washa swichi ya injini iwe katika nafasi yake ya "ZIMA" ("OFF").
- Ruhusu injini ipoe kabisa.
- Tenganisha terminal hasi (-) ya betri.
- Kisha, ondoa kofia ya plagi ya cheche kutoka kwa plagi ya cheche.
- Weka walinzi wote wa usalama mahali pake na katika hali nzuri ya kufanya kazi. Walinzi wa usalama ni pamoja na kifaa cha kupunguza kelele, kisafishaji hewa, walinzi wa mitambo, na ngao za joto, miongoni mwa walinzi wengine.
- Hakikisha Swichi ya Injini iko katika nafasi yake ya "ZIMA" ("OFF") kabla ya kuhamisha Jenereta na kabla ya kufanya huduma yoyote, matengenezo, au taratibu za kusafisha kwenye kitengo.
- Weka vifaa vyote vya umeme safi na vikavu. Badilisha waya zozote ambapo insulation imepasuka, imekatwa, imekwaruzwa, au imeharibika vinginevyo. Badilisha vituo vilivyochakaa, vilivyobadilika rangi, au vilivyoshika kutu. Weka vituo safi na vimekazwa.
- Usibadilishe au kurekebisha sehemu yoyote ya kifaa au injini yake ambayo imefungwa na mtengenezaji au msambazaji. Fundi wa huduma aliyehitimu pekee ndiye anayeweza kurekebisha sehemu ambazo zinaweza kuongeza au kupunguza kasi ya injini inayodhibitiwa.
- Vaa miwani ya usalama iliyoidhinishwa na ANSI, glavu za kazi nzito, na barakoa/kipumuaji cha vumbi wakati wa huduma.
- Dumisha lebo na vibao vya jina kwenye kifaa. Hizi hubeba taarifa muhimu. Ikiwa haziwezi kusomeka au hazipo, wasiliana na Harbor Freight Tools kwa mbadala.
- Fanya kifaa kihudumiwe na mtu wa ukarabati aliyehitimu kwa kutumia sehemu za uingizwaji zinazofanana pekee. Hii itahakikisha kwamba usalama wa kifaa unadumishwa. Usijaribu taratibu zozote za huduma au matengenezo ambazo hazijaelezewa katika mwongozo huu au taratibu zozote ambazo huna uhakika kuhusu uwezo wako wa kufanya kwa usalama au kwa usahihi.
- Hifadhi kifaa mbali na watoto.
- Fuata matengenezo yaliyopangwa ya injini na kifaa.
Ulinzi wa GFCI:
Jenereta hii ina vipokezi viwili vya 3-Prong, duplex 120 V vya kukatiza saketi ya hitilafu ya ardhini (GFCI). Maduka haya hutoa ulinzi wa ziada kutoka kwa hatari ya mshtuko wa umeme. Ikiwa uingizwaji wa vipokezi utakuwa muhimu, tumia tu sehemu za uingizwaji zinazofanana ambazo zinajumuisha ulinzi wa GFCI.
Ujazaji Mafuta:
- Usijaze tena tanki la mafuta wakati injini inafanya kazi au ina moto.
- Usivute sigara, au kuruhusu cheche, miali ya moto, au vyanzo vingine vya kuwaka karibu na kifaa, hasa wakati wa kujaza mafuta.
- KUZUIA UTOVU WA MAFUTA NA HATARI YA MOTO.
Usijaze kupita kiasi na mafuta. Jaza na mafuta kulingana na taarifa ya Kiwango cha Mafuta chini ya chati ya Vipimo kwa modeli yako. - Usijaze tanki la mafuta hadi juu. Acha nafasi kidogo kwa mafuta kupanuka inavyohitajika.
- Jaza mafuta katika eneo lenye uingizaji hewa mzuri pekee.
- Futa mafuta yoyote yaliyomwagika na kuruhusu ziada kuyeyuka kabla ya kuanza injini.
Ili kuzuia MOTO, usianzishe injini wakati harufu ya mafuta inaning'inia hewani.
Huduma ya Betri:
- Huduma ya betri itafanywa au kusimamiwa na wafanyakazi wenye ujuzi wa betri na tahadhari zinazohitajika. Weka wafanyakazi wasioidhinishwa mbali na betri.
- Wakati wa kubadilisha betri, tumia betri ya aina ifuatayo: 12 V, 1.6 Ah Lithium Iron Phosphate (LiFEPO4).
Usitupe betri au betri kwenye moto. Betri ina uwezo wa kulipuka.
Betri lazima zisindikwe au kutupwa vizuri.
Usifungue au kukata betri. Electrolyte iliyotolewa imejulikana kuwa na madhara kwa ngozi na macho na kuwa na sumu.
Betri huleta hatari ya mkondo wa mzunguko mfupi wa juu. Tahadhari zifuatazo zinapaswa kuzingatiwa wakati wa kufanya kazi kwenye betri:- Ondoa saa, pete, au vitu vingine vya chuma.
- Tumia zana zenye vipini vilivyowekwa insulation.
- Usiweke zana au sehemu za chuma juu ya betri.
Vipimo
| Jenereta | Pato | 120 / 240 VAC, 60 Hz, 58.3 / 29.2 A, Awamu 1 Wati 7,000 za Kukimbia (Wati 8,750 za juu zaidi za kuanzia) 12VDC, 8.3A 5V USB, 3.1A | |
| Betri ya kuanza kwa umeme | 12V, 1.6AH Lithium Iron Phosphate (LiFEPO4) | ||
| Sehemu ya Umeme | Vipokezi viwili vya 3-Prong, duplex NEMA #5-20 120 V GFCI Moja 4-Prong, NEMA #L14-30 twistlock 120 V / 240 V Sehemu Moja ya DC 12 VDC Bandari 2X za USB-A | ||
| Injini | Uhamishaji | 420 cc | |
| Aina ya Injini | Silinda Moja ya Mlalo ya 4 kiharusi OHV | ||
| Mfumo wa Kupoeza | Imelazimishwa kupozwa na hewa | ||
| Mafuta | Aina | 87+ octane stabilizer treated unleaded gasoline (petroli isiyo na risasi iliyotibiwa na utulivu wa oktani 87+) | |
| Uwezo | Galoni 5.94 / Lita 22.50 | ||
| Oli ya Injini | Aina SAE | 10W – 30 zaidi ya 32°F 5W – 30 kwa 32°F au chini | |
| Uwezo | Koti 1.1 | ||
| Plagi ya Cheche | Aina | NHSP® / LG F7TC | |
| Pengo | 0.028" – 0.031" | ||
| Uingizaji/Utoaji wa Kibali cha Valve | 0.0019' - 0.0039' | ||
| Muda wa Kukimbia @ 25% mzigo | saa 15.1. | ||
| Kiasi cha Uendeshaji | 75 dB(A) @ futi 21, 25% mzigo | ||
Mfumo wa udhibiti wa utoaji wa hewa kwa Injini ya Jenereta hii umehakikishwa kwa viwango vilivyowekwa na Shirika la Ulinzi wa Mazingira la Marekani na Bodi ya Rasilimali za Hewa ya California (pia inajulikana kama CARB). Kwa taarifa za udhamini, rejelea kurasa za mwisho za mwongozo huu.
Vipengele na udhibiti


Zifuatazo ni maelezo ya vidhibiti kwenye paneli ya nguvu. Jenereta yako ina soketi za kuwezesha bidhaa zako kwa vivunja saketi ili kulinda mtiririko wa voltage.
- Swichi ya Injini: Inatumika kuanzisha na kusimamisha Injini.
![]()
- Vipokezi vya Ac: Jenereta ina Vipokezi kadhaa vya AC ili kuwezesha zana na vifaa.
- 3-prong, duplex 120 volt GFci receptacle (nEMa #5-20)
- 4-prong, twistlock, 120/240 volt receptacle (nEMa #L14-30)
- 3-prong, duplex 120 volt GFci receptacle (nEMa #5-20)
KUZUIA MAJERAHA MAKUBWA:
Unganisha zana na vifaa tu kwenye Kipokezi (volti 120 au volti 240) ambacho kinaendana na sifa za umeme na uwezo uliokadiriwa wa zana na vifaa vinavyotumiwa.
- Vivunja Saketi: Kivunja saketi hulinda Jenereta dhidi ya kupakia kupita kiasi. Ukadiriaji wa kivunja na mzigo unaolinda huwekwa alama karibu na kivunja. Ikiwa yoyote ya Vivunja Saketi itasafiri, Jenereta itasimamisha pato la umeme. Ikiwa hii itatokea, chomoa mizigo yote kutoka kwa Jenereta. Kisha, washa Kivunja Saketi kilichosafiri hadi IMEWASHWA ("ON") na uunganishe tena mizigo hatua kwa hatua.
Kumbuka: Kwa Vivunja Saketi vya aina ya kusukuma, ruhusu dakika chache kupoa kabla ya kuweka upya.
- Kipokezi cha 12 VDc: Kipokezi cha 12 VDC hutoa chanzo cha nguvu kwa vitu vya volti 12 DC.
- Terminal ya kutuliza: Kabla ya kila matumizi, weka waya wa ardhini (haujajumuishwa) unganisho kwenye Terminal ya Kutuliza ili kutuliza Jenereta vizuri.
![]()
- Onyesho la Dijitali: Bonyeza Kitufe cha Hali ili kuzungusha kazi za Onyesho:
- Voltage
(Huonyesha U + usomaji wa voltage. Mfano: "U120") - Marudio
(Huonyesha F + usomaji wa marudio. Mfano: "F60") - Muda wa utekelezaji wa kipindi cha sasa
- Jumla ya muda wa utekelezaji (uliokusanywa)
Kumbuka: Kila baada ya saa 50, kikumbusho cha matengenezo kinachomulika kitaonekana kwenye skrini (P050, P100, P150, n.k.). Ili kufuta kikumbusho cha matengenezo, bonyeza na ushikilie Kitufe cha Hali kwa sekunde 5.
Usanidi/Mkutaniko wa Zana ya Awali
Soma sehemu ya TAARIFA MUHIMU ZA USALAMA KAMILI mwanzoni mwa mwongozo huu ikijumuisha maandishi yote chini ya vichwa vidogo kabla ya kusanidi au kutumia bidhaa hii.
KUZUIA MAJERAHA MAKUBWA:
Fanya kazi tu na kizuia cheche kilichosakinishwa vizuri.
Uendeshaji wa kifaa hiki unaweza kuunda cheche ambazo zinaweza kuanzisha moto karibu na mimea mikavu.
Kizuia cheche kinaweza kuhitajika. mwendeshaji anapaswa kuwasiliana na wakala wa moto wa eneo hilo kwa sheria au kanuni zinazohusiana na mahitaji ya kuzuia moto.
Katika miinuko ya juu, kabureta ya injini, gavana, na sehemu nyingine zozote zinazodhibiti uwiano wa mafuta na hewa zitahitaji kurekebishwa na fundi aliyehitimu ili kuruhusu matumizi bora ya mwinuko wa juu na kuzuia uharibifu wa injini na vifaa vingine vyovyote vinavyotumiwa na bidhaa hii.
Kumbuka: Kwa maelezo ya ziada kuhusu sehemu zilizoorodheshwa katika kurasa zifuatazo, rejelea Mchoro wa Mkutano karibu na mwisho wa mwongozo huu.
Mkutano wa Kiti cha Gurudumu
Sakinisha kit cha gurudumu kilichojumuishwa kwa kufuata maagizo yaliyojumuishwa nayo.
Kusakinisha Magurudumu
- Fungua na utambue sehemu zote.
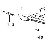
- Telezesha Ekseli (11a) kwenye upande mmoja wa fremu ya kompressa na uimarishe nati (14a) mahali pake. Rudia upande mwingine wa fremu.
![]()
- Telezesha Washer (10a), Gurudumu (12a), na Washer nyingine (13a) kwenye Ekseli na uimarishe nati (9a) mahali pake. Rudia kwenye Ekseli nyingine.
![]()
Kusakinisha Miguu
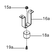
- Imarisha Mguu (18a) chini ya Msaada wa Mguu (16a) na Bolt (19a) na Nati (15a).
![]()
- Ukishughulikia upande wa pili wa Fremu kutoka kwa magurudumu, panga mashimo kwenye fremu na Msaada wa Mguu (16a) na uimarishe mahali pake na Bolts mbili (17a) na Nati (15a). Rudia na msaada mwingine wa Mguu.
![]()
Kusakinisha Kishikio
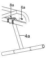
- Ondoa Bolt (6a) inayoshikilia Kishikio (4a) kwenye Kiti cha Kishikio (7a) kabla ya kusakinisha Kiti cha Kishikio.
![]()
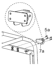
- Ukishikilia Kiti cha Kishikio kama inavyoonyeshwa kulia, panga mashimo ya Kiti cha Kishikio (7a) na mashimo kwenye fremu ya jenereta upande mmoja na Miguu.
![]()
- Imarisha mahali pake na Bolts nne (5a).
- Panga Kishikio (4a) na mashimo kwenye Kiti cha Kishikio na uimarishe mahali pake na Bolt (6a) na Nati (8a).
![]()
- Tumia Pini (2a) kulinda kishikio katika nafasi iliyoinuliwa au iliyoshushwa.
![]()
Maagizo ya Usanidi wa Betri
Jenereta zote zinaweza kuwashwa kwa kutumia mbinu ya kurudisha nyuma. Jenereta hii inahitaji usakinishaji wa betri ili kuendesha kipengele cha kuanza kwa umeme. Unganisha betri kwenye injini ya Jenereta:
- Ondoa vifuniko vya terminal kutoka kwa betri, ikiwa imewekwa.
- Ambatisha kiunganishi cha kebo chanya (nyekundu) kutoka kwa injini hadi Terminal Chanya kwenye betri. Unganisha kebo kwa usalama ili kuzuia kukatika na saketi fupi.
- Ambatisha kiunganishi hasi (nyeusi) cha kebo kwenye terminal hasi ya betri.
Kumbuka: Jenereta hii ina vifaa vya saketi ya kuchaji betri maalum kwa aina ya betri iliyosakinishwa ambayo itachaji betri wakati jenereta inafanya kazi. Ikiwa betri inahitaji kuchaji wakati wa kuhifadhi, hakikisha unatumia chaja ambayo hutoa chini ya 1 Amp na voltage chini ya 14V. Usichaji kupita kiasi. Chomoa chaja wakati betri imejaa chaji.
Kuweka Msingi
Jenereta lazima iwekwe msingi vizuri kwa mujibu wa kanuni na viwango vyote muhimu vya umeme kabla ya operesheni. Katika maeneo mengi, kanuni za eneo hazitahitaji jenereta hii kuwekwa msingi inapotumiwa na vifaa vya kamba na plagi vilivyochomekwa moja kwa moja kwenye vipokezi kwenye jenereta. Hata hivyo, kanuni zako za eneo zinaweza kuhitaji jenereta kuwekwa msingi. Wasiliana na fundi umeme aliye na leseni au wasiliana na mamlaka za eneo kuhusu mahitaji ya msingi ya eneo. Ikiwa kuweka msingi kunahitajika, weka kitengo msingi na fundi umeme aliyehitimu ikiwa haujahitimu kufanya hivyo.
Maagizo ya jumla ya kuweka msingi ni kama ifuatavyo:
Tumia mojawapo ya yafuatayo kama elektrodi ya kuweka msingi:
- Bomba au mfereji, kiwango cha chini ¾ ndani ya kipenyo, kiwango cha chini cha futi 8. urefu. Ikiwa ni chuma, lazima iwe na mipako ya kuzuia kutu.
- Fimbo, chuma cha pua au chuma kilichopakwa shaba au zinki, kiwango cha chini cha 5/8 ndani ya kipenyo, kiwango cha chini cha futi 8. urefu.
- Endesha elektrodi angalau futi 8 wima ndani ya ardhi.
- Ikiwa safu ya mwamba inazuia kuingia wima, endesha kwa pembe isiyozidi digrii 45 kutoka kwa wima.
- Ikiwa safu ya mwamba inazuia kuingia kwa pembe, zika elektrodi kwenye mfereji mlalo angalau inchi 30 kwa kina.
- Ncha ya juu ya elektrodi lazima ilindwe ikiwa iko juu ya usawa wa ardhi.
- Unganisha waya ya kuweka msingi ya #6 AWG (haijajumuishwa) kutoka kwa Terminal ya Kuweka Msingi kwenye Paneli ya Kudhibiti Jenereta hadi kwenye elektrodi iliyozikwa.
Kwa maelezo ya ziada kuhusu mbinu za kuweka msingi, tafadhali angalia Kanuni ya Kitaifa ya Umeme.
TANGAZO: Kuna kondakta wa kudumu kati ya moduli ya inverter ya jenereta inayobebeka (Kondakta Neutral) na fremu.
Ondoa Mabano ya Usafirishaji
Ili kulinda Jenereta wakati wa usafirishaji, Mabano ya Usafirishaji yamewekwa kati ya Injini na Fremu. mabano haya LAZIMA YAONDOLEWE KABLA ya kuongeza mafuta au petroli kwenye Jenereta.
TANGAZO: USIJARIBU kuwasha Jenereta bila kuondoa kwanza Mabano ya Usafirishaji. Uharibifu wa Jenereta kama matokeo ya kutokuondoa Mabano utabatilisha udhamini.
- KABLA ya kujaza Injini na mafuta au petroli, inamisha Jenereta kwenye ncha yake ya kurudisha nyuma. Inamisha kwenye kisanduku cha kadibodi kilicholala ambacho Jenereta ilikuja nacho au uso mwingine wa kinga ili usikwaruze Fremu.
- Ondoa Bolts kutoka kwa Mabano ya Usafirishaji ya machungwa. Bolts na Mabano ya Usafirishaji yanaweza kutupwa.
- Inamisha Jenereta wima.
Uendeshaji wa Mwinuko wa Juu zaidi ya futi 3000
KUZUIA MAJERAHA MAKUBWA KUTOKANA NA MOTO:
Fuata maagizo katika eneo lenye uingizaji hewa mzuri mbali na vyanzo vya kuwasha.
Ikiwa injini ina joto kutokana na matumizi, zima injini na usubiri ipoe kabla ya kuendelea. Usivute sigara.
TANGAZO
Udhamini utabatilika ikiwa marekebisho muhimu hayatafanywa kwa matumizi ya mwinuko wa juu.
Katika miinuko ya juu, kabureta ya injini, gavana, na sehemu nyingine zozote zinazodhibiti uwiano wa mafuta na hewa zitahitaji kurekebishwa na fundi aliyehitimu ili kuruhusu matumizi bora ya mwinuko wa juu na kuzuia uharibifu wa injini na vifaa vingine vyovyote vinavyotumiwa na bidhaa hii. Mfumo wa mafuta kwenye injini hii unaweza kuathiriwa na uendeshaji katika miinuko ya juu. Uendeshaji sahihi unaweza kuhakikishwa kwa kusakinisha kit ya mwinuko katika miinuko ya juu kuliko futi 3000 juu ya usawa wa bahari. Katika miinuko ya juu kuliko futi 8000, injini inaweza kupata utendaji uliopungua, hata ikiwa na jeti kuu sahihi. Uendeshaji wa injini hii bila kit sahihi cha mwinuko kilichosakinishwa unaweza kuongeza utoaji wa injini na kupunguza matumizi ya mafuta na utendaji. Kit inapaswa kuwekwa na fundi aliyehitimu.
Kumbuka: Sio miundo yote ya Jenereta ina Solenoid. Ruka hatua hizo ikiwa Solenoid haipo.
- Zima injini.
- Funga vali ya mafuta.
- Sogeza kando nyumba ya kusafisha hewa ili kuruhusu ufikiaji wa kabureta:
- Legeza kitovu na uondoe kifuniko cha kusafisha hewa.
- Ondoa kichujio cha povu na sahani ya kupotosha.
- Ondoa nati ili kuruhusu nyumba ya kusafisha hewa kusogezwa kando.
- Weka bakuli chini ya kikombe cha mafuta ili kukamata mafuta yoyote yaliyomwagika.
- Ondoa skrubu zinazoshikilia solenoid mahali pake.
![]()
Bakuli la kabureta linaweza kuwa na gesi ndani yake ambayo itavuja baada ya kuondoa solenoid/bolt. - Tenganisha solenoid na muhuri wa solenoid kutoka kwa bolt.
- Ondoa bolt inayoshikilia kikombe cha mafuta.
- Ondoa bolt, Muhuri wa Bolt, kikombe cha mafuta, Muhuri wa Kikombe cha Mafuta na Jeti Kuu kutoka kwa mwili wa mkusanyiko wa kabureta. Bisibisi ya kabureta (haijajumuishwa) inahitajika ili kuondoa na kusakinisha Jeti Kuu.
Kumbuka: Bomba la kuchanganya linashikiliwa mahali pake na Jeti Kuu na linaweza kuanguka linapoondolewa. Ikiwa itaanguka, ibadilishe katika mwelekeo sawa kabla ya kubadilisha Jeti Kuu. -
Badilisha Jeti Kuu na Jeti Kuu mbadala inayohitajika kwa kiwango chako cha mwinuko (sehemu ya 1a au 2a).
Kumbuka: Muhuri wa Kikombe cha Mafuta na Muhuri wa Bolt zinaweza kuharibiwa wakati wa kuondolewa na zinapaswa kubadilishwa na mpya kutoka kwenye kit.
-
Badilisha Muhuri wa Kikombe cha Mafuta (4a), kikombe cha mafuta, Muhuri wa Bolt (3a), na bolt. Kaza mahali pake.
TANGAZO: Usivuke bolt ya uzi wakati wa kukaza. Kaza kidole kwanza na kisha utumie wrench ili kuhakikisha kuwa bolt imefungwa vizuri. -
Badilisha solenoid na Muhuri wa Solenoid (5a), na kaza mahali pake na screws.
-
Unganisha tena kisafishaji hewa na uunganishe tena hoses zote kwake.
-
Futa mafuta yoyote yaliyomwagika na uruhusu ziada kuyeyuka kabla ya kuwasha injini. Ili kuzuia MOTO, usiwashe injini wakati harufu ya mafuta inaning'inia hewani.
Orodha ya Sehemu za Kit ya Mwinuko wa Juu - A
| sehemu | Maelezo | Wingi |
| 1a | Jeti Kuu futi 3000-6000. | 1 |
| 2a | Jeti Kuu futi 6000-8000. | 1 |
| 3a | Muhuri wa Bolt | 1 |
| 4a | Muhuri wa Kikombe cha Mafuta | 1 |
| 5a | Muhuri wa Solenoid | 1 |
Maagizo ya Uendeshaji
Soma sehemu ya TAARIFA MUHIMU ZA USALAMA KAMILI mwanzoni mwa mwongozo huu ikijumuisha maandishi yote chini ya vichwa vidogo kabla ya kusanidi au kutumia bidhaa hii.
Kagua zana kabla ya matumizi, ukitafuta sehemu zilizoharibika, zilizolegea na zinazokosekana. Ikiwa matatizo yoyote yanapatikana, usitumie zana hadi itakapotengenezwa.
Ukaguzi wa Kabla ya Kuanza Jenereta
Kagua injini na vifaa, ukitafuta sehemu zilizoharibika, zilizolegea na zinazokosekana kabla ya kusanidi na kuanza. Ikiwa matatizo yoyote yanapatikana, usitumie vifaa hadi vitakaporekebishwa vizuri.
Kuangalia na Kujaza Mafuta ya Injini
Udhamini wako ni BATILI ikiwa crankcase ya injini haijajazwa vizuri na mafuta kabla ya kila matumizi. Kabla ya kila matumizi, angalia kiwango cha mafuta.
Usiendeshe injini ikiwa na mafuta ya injini kidogo au hakuna. kuendesha injini bila au na mafuta ya injini kidogo kutaharibu injini kabisa.
- Hakikisha injini imezimwa na iko sawa.
- Funga Vali ya Mafuta.
- Safisha sehemu ya juu ya Dipstick (kijiti cha kupimia) na eneo linaloizunguka. Ondoa Dipstick kwa kuifungua kinyume cha saa, na uifute kwa kitambaa safi kisicho na pamba.
- Ingiza tena Dipstick bila kuifunga na uiondoe ili kuangalia kiwango cha mafuta. Kiwango cha mafuta kinapaswa kuwa hadi kiwango kamili kama inavyoonyeshwa hapo juu.
![]()
- Ikiwa kiwango cha mafuta kiko au chini ya alama ya chini ongeza aina inayofaa ya mafuta hadi kiwango cha mafuta kiwe katika kiwango sahihi. Mafuta ya SAE 10W-30 yanapendekezwa kwa matumizi ya jumla.
- Funga dipstick (kijiti cha kupimia) tena kwa saa.
Usiendeshe injini ikiwa na mafuta kidogo sana.
Injini itaharibiwa kabisa.
Kuangalia na Kujaza Mafuta

KUZUIA MAJERAHA MAKUBWA KUTOKANA NA MOTO:
Jaza tanki la mafuta katika eneo lenye uingizaji hewa mzuri mbali na vyanzo vya kuwasha. Ikiwa injini ina joto kutokana na matumizi, zima injini na usubiri ipoe kabla ya kuongeza mafuta. Usivute sigara.
- Safisha Kifuniko cha Mafuta na eneo linaloizunguka.
- Fungua na uondoe Kifuniko cha Mafuta.
- Ikiwa inahitajika, jaza Tangi la Mafuta hadi inchi 1 chini ya shingo ya kujaza na petroli isiyo na risasi ya oktani 87 au zaidi ambayo imetibiwa na nyongeza ya utulivu wa mafuta. Fuata mapendekezo ya mtengenezaji wa utulivu wa mafuta kwa matumizi.
Kumbuka: Usitumie petroli iliyo na zaidi ya 10% ya ethanol (E10). Usitumie ethanol ya E85.
Kumbuka: Usitumie petroli ambayo imehifadhiwa kwenye chombo cha mafuta cha chuma au chombo chafu cha mafuta. inaweza kusababisha chembe kuingia kwenye kabureta, na kuathiri utendaji wa injini na/au kusababisha uharibifu. - Kisha badilisha Kifuniko cha Mafuta.
- Futa mafuta yoyote yaliyomwagika na uruhusu ziada kuyeyuka kabla ya kuwasha injini. Ili kuzuia MOTO, usiwashe injini wakati harufu ya mafuta inaning'inia hewani.
Kutumia Jenereta
Kabla ya Kuanzisha Injini ya Jenereta
Kabla ya kuanzisha injini:
- Fuata maelekezo ya usanidi ili kuandaa Jenereta.
- Chomoa mizigo yote kutoka kwa Jenereta.
- Kagua Jenereta na injini.
- Jaza injini na kiasi na aina sahihi ya mafuta na oil iliyotibiwa na stabilizer.
Utaratibu wa msingi wa matumizi ya Jenereta - Ona kurasa zifuatazo kwa maelekezo maalum
- Hakikisha kuwa Jenereta inaweza kushughulikia wattage inayohitajika kuendesha bidhaa zako.
- Anzisha Injini, na uache Injini na Jenereta ziendeshe na zipate joto kwa dakika tano baada ya kuanza bila mzigo wa umeme.
- Injini ikiwa inafanya kazi, jaribu vipokezi vya GFCI kabla ya kila matumizi kama ifuatavyo:
- Bonyeza kitufe cha "Test" (jaribu) kwenye kipokezi ili kusababisha kifaa cha GFCI kusafiri.
- Kitufe cha "Reset" (weka upya) kinapaswa kutoka nje, kukata umeme kwenye kipokezi.
- Ikiwa jaribio hapo juu litashindwa, usitumie kipokezi hadi kirekebishwe au kubadilishwa.
- Bonyeza kitufe cha "Reset" (weka upya) ndani kwa matumizi.
- Chomeka bidhaa.
- Unapomaliza kutumia Jenereta, tenganisha mizigo yote ya umeme.
Kumbuka: Usiruhusu Jenereta iishe mafuta na mizigo imeunganishwa. - Zima Injini.
- Ruhusu Jenereta na Injini yake zipoe kabisa. Kisha hifadhi kitengo hicho mahali safi, kavu, salama pasipoweza kufikiwa na watoto na watu wengine wasioidhinishwa.
Baada ya kuanzisha injini, iruhusu ifanye kazi bila mzigo kwa dakika tano bila mzigo baada ya kila kuanza ili injini iweze kuimarika.
Kipindi cha kuvunja:
- Kuvunja injini itasaidia kuhakikisha vifaa sahihi na uendeshaji wa injini.
- Kipindi cha kuvunja kitadumu kwa takriban masaa 25 ya matumizi. USIZIDI 75% ya uwezo uliokadiriwa wa Jenereta katika kipindi hiki.
- Badilisha oil ya injini baada ya kipindi hiki.
Chini ya hali ya kawaida ya uendeshaji matengenezo yanayofuata yanafuata ratiba iliyoelezwa katika sehemu ya MATENGENEZO.
Kuanzisha Injini
- Ili kuanzisha injini baridi, vuta Knob ya "Choke" (kaba) nje hadi kwenye nafasi ya "START" (anza).
Ili kuanzisha tena injini yenye joto, acha Knob ya "Choke" (kaba) katika nafasi ya "RUN" (endesha).
- Fungua Valve ya Mafuta.
- Weka Swichi ya ESC katika nafasi ya "off" (zima).
- Kwa Kuanza kwa Mikono (ManuaL Start)
- Washa Swichi ya Injini iwe "ON" (washa).
![]()
- Shika Kishikio cha Kuanzisha cha Injini kwa urahisi na uvute polepole mara kadhaa ili kuruhusu petroli itiririke ndani ya kabureta ya Injini. Kisha vuta Kishikio cha Kuanzisha kwa upole hadi upinzani uhisiwe. Ruhusu Cable irudi nyuma kabisa na kisha ivute haraka. Rudia hadi injini ianze.
![]()
Kumbuka: Usiruhusu Kishikio cha Kuanzisha kirudi nyuma dhidi ya injini. Kishikilie kinaporudi nyuma ili kisigonge injini.
- Washa Swichi ya Injini iwe "ON" (washa).
Kwa KUANZISHA KWA UMEME (ELECTRIC START)
Washa Swichi ya Injini iwe "START" (anza).

Kumbuka: Ili kuongeza muda wa maisha ya kianzishi, tumia mizunguko mifupi ya kuanza (sekunde 5 kiwango cha juu). Kisha subiri dakika moja kabla ya kujaribu kuanza tena.
- Ruhusu Injini iendeshe kwa sekunde kadhaa. Kisha, ikiwa Knob ya "Choke" (kaba) iko katika nafasi ya "CHOKE" (kaba), sogeza Knob ya "Choke" (kaba) polepole sana hadi kwenye nafasi yake ya "RUN" (endesha).
![]()
Kumbuka: Kusogeza Knob ya "Choke" (kaba) haraka sana kunaweza kuzima injini.
Ruhusu injini iendeshe bila mzigo kwa dakika tano bila mzigo baada ya kila kuanza ili injini iweze kuimarika.
UZIMAJI WA MONOKSAIDI YA CARBON
ILI KUZUIA MAJERAHA MAKUBWA NA KIFO KUTOKANA NA KUVUTA MONOKSAIDI YA CARBON:
Sensor ya monoksaidi ya carbon ni safu ya ziada ya ulinzi tu. Usitumie Jenereta katika eneo au hali yoyote ambayo itaruhusu monoksaidi ya carbon kukusanyika.
- TAA NYEKUNDU INAYOWAKA:
Viwango hatari vya gesi ya monoksaidi ya carbon vimejengeka na jenereta itazima. Ondoka mara moja hadi eneo hilo liwe limeruhusu hewa itoke. Sogeza Jenereta kwenye eneo lenye uingizaji hewa mzuri kabla ya operesheni. - TAA YA MANJANO INAYOWAKA:
Hitilafu ya sensor ya monoksaidi ya carbon.
Sensor inahitaji huduma. Usitumie Jenereta hadi sensor ifanye kazi vizuri. Kwa maswali ya kiufundi, tafadhali piga simu 1-888-866-5797.
KUMBUKA: Taa ya manjano huwaka mara moja baada ya kuanza kuonyesha kupita kujikagua na inafanya kazi kawaida.
Sensor ya Monoksaidi ya Carbon lazima ihudumiwe tu na fundi aliyehitimu ili kuirejesha kwenye mipangilio ya asili. Usirekebishe au kuingilia sensor ya Monoksaidi ya Carbon. Kutofuata maagizo haya kunaweza kusababisha kifo au majeraha makubwa kutokana na hitilafu ya sensor ya Monoksaidi ya Carbon.
Kuunganisha Mizigo ya Umeme
Jifahamishe na udhibiti wa injini, paneli ya nguvu na jinsi ya kuanzisha injini kabla ya kutumia Jenereta. Hesabu wattage ya bidhaa utakazotumia na Jenereta na uhakikishe kuwa Jenereta inaweza kushughulikia mzigo wote.

Unganisha plagi zilizowekwa waya vizuri tu kwenye Jenereta. Plagi iliyounganishwa kwenye kamba tofauti inaweza kuwa hatari. Fundi umeme aliyehitimu tu ndiye anayepaswa kuweka waya plagi kwenye kamba.
Usizidi kamwe uwezo uliokadiriwa wa Jenereta hii, kwani uharibifu mkubwa kwa Jenereta na/au vifaa, zana na vifaa unaweza kusababishwa na upakiaji kupita kiasi. Mahitaji ya wattage ya kuanza na kuendesha yanapaswa kuhesabiwa kila wakati wakati wa kulinganisha uwezo wa wattage wa Jenereta hii na kifaa, zana au vifaa.
Tumia Kipokezi cha DC12 V kuwezesha vifaa vya 12 VDC.
ILI KUZUIA MAJERAHA MAKUBWA
Usichaji betri bila kidhibiti sahihi cha chaji. Usichaji kupita kiasi.
- Unganisha vitu vinavyohitaji wattage nyingi kwanza.
- Unganisha vifaa, zana na vifaa vya mzigo wa "inductive" (kichochezi) baadaye. Mizigo ya inductive ni zana ndogo za mkono na baadhi ya vifaa vidogo.
- Unganisha taa zozote baadaye.
- Vifaa, zana na vifaa nyeti vya voltage vinapaswa kuwa vya mwisho kuunganishwa kwenye Jenereta. Chomeka vitu nyeti vya voltage kama vile TV, DVD player, microwave, na simu zisizo na waya kwenye kinga ya kuongezeka kwa voltage iliyoorodheshwa na UL® (haijajumuishwa). Kisha, unganisha kinga ya kuongezeka kwenye Jenereta.
Kukosa kuunganisha na kuendesha vifaa, zana na vifaa katika mlolongo huu kunaweza kusababisha uharibifu kwa Jenereta, vifaa, zana na vifaa na kutabatilisha Udhamini wa Jenereta hii.
Kumbuka: Ikiwa kasi ya Injini au voltage inabadilika na mzigo chini ya wati za kuendesha za Jenereta, sogeza Lever ya "Choke" (kaba) ya Injini kwenye nafasi ya "HALF-CHOKE" (nusu-kaba).
IKIWA VUNJA MZUNGUKO WOWOTE UTASAFIRI ANGALIA YAFUATAYO:
- Hakikisha kwamba vunja mzunguko ZOTE zimewekwa upya kabla ya kuanzisha Jenereta tena.
- Rekebisha plagi ili mizigo igawanywe kwenye mizunguko ya plagi.
![]()
Ili kufikia pato lililokadiriwa kutoka kwa Jenereta, sambaza mizigo kwenye plagi.
Jenereta hutumia mfumo wa mzunguko 2 kusambaza nguvu kwa vipokezi. Mizigo lazima isambazwe sawasawa kwenye vipokezi ili kuzuia upakiaji kupita kiasi kwenye mzunguko mmoja. Ikiwa mizigo inayovutwa iko chini ya wati za juu zaidi zilizokadiriwa za jenereta, lakini taa ya upakiaji kupita kiasi inaanza kuwaka au jenereta inazima, jaribu kusambaza tena plagi kwenye vipokezi.
Kamba ya adapta ya 120V pekee (waya 3) iliyounganishwa kwenye kipokezi cha L14-30:
Ikiwa taa ya upakiaji kupita kiasi inaanza kuwaka au Jenereta inazima, wattage nyingi sana inavutiwa kutoka kwa mzunguko mmoja ingawa wattage iliyokadiriwa ya Jenereta haijafikiwa. Ikiwa plagi ya ziada imeunganishwa kwenye mojawapo ya vipokezi vya duplex, sogeza plagi kwenye kipokezi kingine cha duplex. Anzisha tena Jenereta.
Kumbuka: Nusu tu ya wattage iliyokadiriwa ya Jenereta, au 3500W, itatolewa kupitia kamba ya adapta ya 120V (waya 3). Kuzidi hii kunaweza kusababisha upakiaji kupita kiasi.
Kamba ya 240V iliyounganishwa kwenye kipokezi cha L14-30:
Kamba ya 240V itavuta wattage kamili kutoka kwa mizunguko yote miwili. Ikiwa mizigo zaidi inawezekana, isambaze kwenye vipokezi.
Kuhesabu Jumla ya Wati za Vifaa Vinavyotumika na Jenereta
Kabla ya kutumia Jenereta, hakikisha kuwa bidhaa unazotaka kuchomeka kwenye kifaa ziko chini ya viwango vya wati vilivyokadiriwa na vya juu zaidi vya Jenereta. Tumia Jedwali la Kukokotoa Wati hapa chini, na wati zilizoorodheshwa kwenye bidhaa zako, ili kusaidia kukokotoa jumla ya wati nyingi.
Jinsi ya kutumia jedwali:
- Ongeza Wati za Uendeshaji (Running Watts) kwa vitu vyote ambavyo ungependa kutumia wakati wowote ule.
- Hakikisha kuwa jumla hii iko chini ya wati 7,000 za uendeshaji za Jenereta.
- Tafuta wati za juu zaidi za kuanzisha (starting watts) za pekee kwa vitu vilivyochaguliwa na uongeze kwenye jumla.
- Hakikisha kuwa jumla hii iko chini ya wati 8,750 za juu zaidi za kuanzisha za Jenereta.
- Chomeka na uwashe bidhaa kutoka wati kubwa hadi ndogo.
Jedwali la Kukokotoa Wati
| Vifaa | Wati za Uendeshaji (Running Watts) |
| Jumla ya Wati za uendeshaji (lazima iwe chini ya 7,000) | |
| Wati za Ziada za Kuanzisha (Start-up Watts) Kubwa Zaidi | |
| Jumla ya Wati za Kuanzisha (Startup Watts) zinazohitajika kwa mizigo yote (lazima iwe chini ya 8,750) |
Mfano
| Vifaa | Wati za Uendeshaji (Running Watts) |
| Hita ya Maji ya Umeme (Electric Water Heater) (2,000 + 0) | 2,000 |
| Televisheni (Television) (400 + 0) | 400 |
| Mashine ya Kukata Majani (Lawn Mower) (1,200 + 1,200) | 1,200 |
| Pampu ya Mkono (Hand Drill) (600 + 600) | 600 |
| Jumla ya Wati za uendeshaji (lazima iwe chini ya 7,000) | 4,200 |
| Wati za Ziada za Kuanzisha (Start-up Watts) Kubwa Zaidi | 1,200 |
| Jumla ya Wati za Kuanzisha (Startup Watts) zinazohitajika kwa mizigo yote (lazima iwe chini ya 8,750) | 5,400 |
Jenereta iliyokadiriwa zaidi ya kiwango cha chini kinachohitajika cha juu zaidi cha wati za kuanzisha itadumu kwa muda mrefu zaidi kuliko jenereta ambayo hutoa tu wati halisi zinazohitajika.
Jinsi ya kukokotoa Wati
Volti na ampea zinaweza kuzidishwa pamoja ili kupata wati
(volti x ampea = wati).
Jinsi ya kukokotoa Wati za Ziada za Kuanzisha (Start-up Watts)
(ikiwa hazijaorodheshwa)
Kwa vifaa vyenye injini: Tumia kiwango cha wati kilichokadiriwa kama makadirio ya Wati za Ziada za Kuanzisha (Start-up Watts).
Kwa taa au hita nyingi: hakuna wati za ziada za kuanzisha.
Chati za Makadirio ya Wati
Kumbuka: Wati zilizoorodheshwa hapa chini ni makadirio ya aina hiyo ya vifaa pekee. Angalia wati za jina kwenye mizigo yote kabla ya kuunganisha kwenye Jenereta.
| HATARI | |||
| Kifaa | Wati za Uendeshaji (Running Watts) | Za Ziada Kuanzisha (Start-up) Wati | |
| Friji/Friza (Refrigerator/Freezer) | 700 | 1500 | |
| Redio (Radio) | 100 | 0 | |
| ENEO LA KAZI (JOB SITE) | |||
| Kifaa | Wati za Uendeshaji (Running Watts) | Za Ziada Kuanzisha (Start-up) Wati | |
| Kibandamizaji Hewa (Air Compressor) - 1/2 HP | 1000 | 1000 | |
| Msumeno wa Meza (Table Saw) - 10" | 1700 | 1300 | |
| Mashine ya Kusaga Mikanda (Belt Sander) - 3" | 1200 | 1200 | |
| Pampu ya Mkono (Hand Drill) - 1/2" | 600 | 600 | |
| Taa ya Halojeni ya Kazini (Halogen Work Light) | 1000 | 0 | |
| Msumeno wa Kurudisha (Recipricating Saw) | 900 | 900 | |
| BURUDANI (RECREATION) | |||
| Kifaa | Wati za Uendeshaji (Running Watts) | Za Ziada Kuanzisha (Start-up) Wati | |
| Redio ya AM/FM (AM/FM Radio) | 100 | 0 | |
| Grill ya Umeme (Electric Grill) | 1700 | 0 | |
| Pampu ya Kuvuvia (Inflator Pump) | 50 | 100 | |
| Kicheza CD/DVD (CD/DVD Player) | 100 | 0 | |
| Feni ya Sanduku (Box Fan) - 20" | 200 | 200 | |
| Kitengeneza Kahawa (Coffee Maker) | 600 | 0 | |
| KAYA (HOUSEHOLD) | |||
| Kifaa | Wati za Uendeshaji (Running Watts) | Za Ziada Kuanzisha (Start-up) Wati | |
| Kompyuta yenye Kichunguzi (Computer w/ Monitor) | 800 | 0 | |
| Kikaushia Nguo cha Umeme (Electric Clothes Dryer) | 5500 | 500 | |
| Jiko la Umeme (Electric Range) | 2100 | 0 | |
| Hita ya Maji ya Umeme (Electric Water Heater) | 2000 | 0 | |
| Balbu ya Taa (Light Bulb) - wati 100 | 100 | 0 | |
| Tanuri ya Mikrowevu (Microwave) - wati 1000 | 1000 | 200 | |
| Pampu ya Maji Taka (Sump Pump) - 1/2 HP | 1000 | 1100 | |
| Televisheni (Television) | 400 | 0 | |
| Mashine ya Kufulia (Washing Machine) | 1100 | 1100 | |
| Pampu ya Kisima (Well Pump) - 1/2 HP | 1000 | 1000 | |
| BUSTANI NA UKULIMA (LAWN & GARDEN) | |||
| Kifaa | Wati za Uendeshaji (Running Watts) | Za Ziada Kuanzisha (Start-up) Wati | |
| Kikata Miti (Hedge Trimmer) | 400 | 400 | |
| Mashine ya Kuosha kwa Shinikizo (Pressure Washer) | 1200 | 1200 | |
| Mashine ya Kukata Majani (Lawn Mower) | 1200 | 1200 | |
| Kikata Ukingo (Edger) | 1000 | 1000 | |
| UPASUAJI NA UPOAZAJI (HEATING & COOLING) | |||
| Kifaa | Wati za Uendeshaji (Running Watts) | Za Ziada Kuanzisha (Start-up) Wati | |
| AC ya Kati (Central AC) - 10,000 BTU | 1500 | 1500 | |
| Feni ya Tanuri (Furnace Fan) - 1/2 HP | 900 | 1400 | |
| Hita ya Nafasi (Space Heater) | 1800 | 0 | |
| AC ya Dirisha (Window AC) - 10,000 BTU | 1200 | 600 | |
Kusimamisha Injini katika Hali ya Dharura
- Ili kusimamisha injini katika hali ya dharura, zima Swichi ya Injini (Engine Switch).
TAARIFA: Kuzima Jenereta ikiwa imepakia mzigo kunaweza kuharibu Jenereta na vifaa vilivyounganishwa.
Kusimamisha Injini Katika Hali ya Kawaida
- Kabla ya kuzima Injini, zima mizigo yote ya umeme, kisha uichomoe.
![]()
- Washa Swichi ya ESC (ESC Switch) kwenye nafasi ya kuzima (off position).
![]()
- Zima Swichi ya Injini (Engine Switch).
- Funga Valve ya Mafuta (Fuel Valve).
Maagizo ya Matengenezo ya Mtumiaji
Tararibu ambazo hazijaelezewa haswa katika mwongozo huu lazima zifanywe tu na fundi aliyehitimu.
ILI KUZUIA MAJERAHA MAKUBWA KUTOKANA NA UENDESHAJI WA BAHATI MBAYA:
Washa Swichi ya umeme ya Jenereta (power Switch of the Generator) kwenye nafasi yake ya "ZIMA" (OFF), subiri injini ipoe, na ukate kofia ya plagi ya cheche (spark plug cap) kabla ya kufanya ukaguzi wowote, matengenezo, au taratibu za kusafisha.
ILI KUZUIA MAJERAHA MAKUBWA KUTOKANA NA KUSHINDWA KWA VIFAA:
Usitumie vifaa vilivyoharibiwa. Ikiwa kelele isiyo ya kawaida, mtetemo, au uvutaji mwingi wa moshi unatokea, rekebisha tatizo kabla ya matumizi zaidi.
Fuata maagizo yote ya huduma katika mwongozo huu. Injini inaweza kushindwa vibaya ikiwa haitatunzwa vizuri.
Tararibu nyingi za matengenezo, pamoja na zile ambazo hazijaelezewa kwa undani katika mwongozo huu, zitahitaji kufanywa na fundi aliyehitimu kwa usalama. Ikiwa una shaka yoyote juu ya uwezo wako wa kuhudumia vifaa au injini kwa usalama, mpe fundi aliyehitimu ahudumie vifaa badala yake.
Usafishaji, Utunzaji na Upakaji Mafuta
Kumbuka: Ratiba hii ya matengenezo imekusudiwa tu kama mwongozo mkuu. Ikiwa utendaji unapungua au ikiwa vifaa vinafanya kazi isivyo kawaida, angalia mifumo mara moja. Mahitaji ya matengenezo ya kila kifaa yatatofautiana kulingana na mambo kama vile mzunguko wa kazi, halijoto, ubora wa hewa, ubora wa mafuta na mambo mengine.
Kumbuka: Taratibu zifuatazo ni za ziada kwa ukaguzi wa kawaida na matengenezo yaliyoelezwa kama sehemu ya uendeshaji wa kawaida wa injini na vifaa.
| Utaratibu | Kabla ya Kila Matumizi | Kila Mwezi au kila saa 20 za matumizi | Kila baada ya miezi 3 au saa 50 za matumizi | Kila baada ya miezi 6 au saa 100 za matumizi | Kila Mwaka au kila saa 300 za matumizi | Kila baada ya miaka 2 |
| Futa nje ya injini | | | | | | |
| Angalia kiwango cha mafuta ya injini | | | | | | |
| Angalia kichujio cha hewa | | | | | | |
| Angalia kikombe cha amana | | | | | ||
| Badilisha mafuta ya injini | | | | | ||
| Safisha/badilisha kichujio cha hewa | * | | | | ||
| Angalia na usafishe plagi ya cheche | | | | |||
| ** | ** | ||||
| Badilisha laini ya mafuta ikiwa ni lazima | ** |
*Huduma mara nyingi zaidi inapotumiwa katika maeneo yenye vumbi.
**Vitu hivi vinapaswa kuhudumiwa na fundi aliyehitimu.
Kuangalia na Kujaza Mafuta

KUZUIA MAJERAHA MAKUBWA KUTOKANA NA MOTO:
Jaza tanki la mafuta katika eneo lenye uingizaji hewa mzuri mbali na vyanzo vya kuwaka. Ikiwa injini ina moto kutokana na matumizi, zima injini na usubiri ipoe kabla ya kuongeza mafuta. Usivute sigara.
- Safisha Kifuniko cha Mafuta na eneo linalozunguka.
- Fungua na uondoe Kifuniko cha Mafuta.
Kumbuka: Usitumie petroli iliyo na zaidi ya 10% ya ethanol (E10). Usitumie ethanol ya E85.
Kumbuka: Usitumie petroli ambayo imehifadhiwa kwenye chombo cha mafuta cha chuma au chombo chafu cha mafuta. Inaweza kusababisha chembe kuingia kwenye kabureta, na kuathiri utendaji wa injini na/au kusababisha uharibifu. - Ikiwa inahitajika, jaza Tangi la Mafuta hadi inchi 1 chini ya shingo ya kujaza na petroli isiyo na risasi ya oktani 87 au zaidi ambayo imetibiwa na nyongeza ya utulivu wa mafuta. Fuata mapendekezo ya mtengenezaji wa utulivu wa mafuta kwa matumizi.
- Badilisha Kifuniko cha Mafuta.
- Futa mafuta yoyote yaliyomwagika na uruhusu ziada kuyeyuka kabla ya kuwasha injini. Ili kuzuia MOTO, usiwashe injini wakati harufu ya mafuta inaning'inia hewani.
Kubadilisha Mafuta ya Injini
Mafuta yana moto sana wakati wa operesheni na yanaweza kusababisha kuungua. Subiri injini ipoe kabla ya kubadilisha mafuta.
- Hakikisha injini imezimwa na iko sawa.
- Funga Vali ya Mafuta.
- Weka sufuria ya kukimbia (haijajumuishwa) chini ya plagi ya kukimbia ya crankcase.
- Ondoa plagi ya kukimbia na, ikiwezekana, inamisha crankcase kidogo ili kusaidia kukimbia mafuta. Recycle mafuta yaliyotumika.
- Badilisha plagi ya kukimbia na uikaze.
- Safisha sehemu ya juu ya Dipstick na eneo linalozunguka. Ondoa Dipstick kwa kuifunga kinyume cha saa, na uifute kwa kitambaa safi kisicho na pamba.
- Ongeza aina inayofaa ya mafuta hadi kiwango cha mafuta kiwe katika kiwango kamili. Mafuta ya SAE 10W-30 yanapendekezwa kwa matumizi ya jumla.
![]()
Kumbuka: Usifunge dipstick wakati wa kuangalia kiwango cha mafuta.
Chati ya Daraja la Mnato la SAE inaonyesha mnato mwingine wa kutumia katika halijoto tofauti za wastani.
![]()
- Funga dipstick tena kwa saa.
Usiendeshe injini na mafuta kidogo sana. Injini itaharibiwa kabisa.
Matengenezo ya Kipengele cha Kichujio cha Hewa
- Ondoa kifuniko cha kichujio cha hewa na vipengele vya kichujio cha hewa na uangalie uchafu. Safisha kama ilivyoelezwa hapo chini.
- Kusafisha:
- Kwa vipengele vya kichujio cha "karatasi": Ili kuzuia majeraha kutokana na vumbi na uchafu, vaa miwani ya usalama iliyoidhinishwa na ANSI, barakoa/kipumuaji cha vumbi kilichoidhinishwa na NIOSH, na glavu za kazi nzito. Katika eneo lenye uingizaji hewa mzuri mbali na watazamaji, tumia hewa iliyoshinikizwa kupuliza vumbi kutoka kwenye kichujio cha hewa. Ikiwa hii haisafishi kichujio, kibadilishe.
- Kwa vipengele vya kichujio cha povu: Osha kipengele hicho katika maji ya uvuguvugu na sabuni laini mara kadhaa. Suuza. Finya maji ya ziada na uiruhusu ikauke kabisa. Loweka kichujio kwenye mafuta mepesi kwa muda mfupi, kisha finya mafuta ya ziada.
- Sakinisha kichujio kilichosafishwa. Linda Kifuniko cha Kisafishaji Hewa kabla ya matumizi.
Matengenezo ya Plagi ya Cheche
- Tenganisha kofia ya plagi ya cheche kutoka mwisho wa plagi.
Safisha uchafu kutoka karibu na plagi ya cheche. - Kwa kutumia wrench ya plagi ya cheche, ondoa plagi ya cheche.
- Kagua plagi ya cheche:
Ikiwa elektrodi ina mafuta, isafishe kwa kutumia kitambaa safi na kikavu. Ikiwa elektrodi ina amana juu yake, ing'arishe kwa kutumia karatasi ya emery. Ikiwa insulator nyeupe imepasuka au imechipuka, plagi ya cheche inahitaji kubadilishwa.
TAARIFA: Kutumia plagi ya cheche isiyo sahihi kunaweza kuharibu injini. Angalia chati ya Vipimo kwa Jenereta yako kwa aina na pengo linalohitajika. - Wakati wa kusakinisha plagi mpya ya cheche, rekebisha pengo la plagi kwa vipimo kwenye chati ya Vipimo. Usijaribu dhidi ya elektrodi, plagi ya cheche inaweza kuharibiwa.
- Sakinisha plagi mpya ya cheche au plagi ya cheche iliyosafishwa kwenye injini. Mtindo wa gasket: Kaza kwa kidole hadi gasket iguse kichwa cha silinda, kisha karibu 1/2-2/3 zungusha zaidi.
Mtindo usio wa gasket: Kaza kwa kidole hadi plagi iguse kichwa, kisha karibu 1/16 zungusha zaidi.
TAARIFA: Kaza plagi ya cheche vizuri. Ikiwa imefunguliwa, plagi ya cheche itasababisha injini kupata joto kupita kiasi. Ikiwa imekazwa kupita kiasi, nyuzi kwenye kizuizi cha injini zitaharibiwa. - Weka kinga ya buti ya plagi ya cheche ya dielectric (haijajumuishwa) hadi mwisho wa plagi ya cheche na uunganishe tena waya kwa usalama.
Hifadhi
Wakati vifaa vinapaswa kubaki bila kazi kwa muda mrefu kuliko siku 20, andaa Injini kwa ajili ya kuhifadhi kama ifuatavyo:
- USAFISHAJI:
Subiri Injini ipoe, kisha usafishe Injini kwa kitambaa kikavu.
TAARIFA: Usisafishe kwa kutumia maji.
Maji yataingia hatua kwa hatua kwenye Injini na kusababisha uharibifu wa kutu. Weka safu nyembamba ya mafuta ya kuzuia kutu kwenye sehemu zote za chuma. - MAFUTA:
Matibabu ya petroli/Kukimbia Tangi la Mafuta
Ili kulinda tanki la mafuta wakati wa kuhifadhi, jaza tanki na petroli safi ambayo imetibiwa na nyongeza ya utulivu wa mafuta. Fuata mapendekezo ya mtengenezaji wa utulivu wa mafuta kwa matumizi.
Petroli iliyozeeka ambayo haijatibiwa na utulivu kabla ya wakati lazima itolewe kwa usalama na isipitishwe kupitia injini.
![]()
KUZUIA MAJERAHA MAKUBWA KUTOKANA NA MOTO:
Jaza tanki katika eneo lenye uingizaji hewa mzuri mbali na vyanzo vya kuwaka. Ikiwa injini ina moto kutokana na matumizi, zima injini na usubiri ipoe kabla ya kuongeza mafuta. Usivute sigara.
Kukimbia kabureta
Baada ya kufunga Vali ya Mafuta, weka chombo kinachofaa chini ya Kabureta na uondoe kwa uangalifu Bolt ya Kukimbia kutoka chini ya Bakuli la Kabureta, kuruhusu mafuta kukimbia kabisa. Badilisha Bolt ya Kukimbia baada ya kukimbia.
Ili kuzuia majeraha makubwa na moto, funga Vali ya Mafuta kabla ya kukimbia Kabureta.
UPAKAJI MAFUTA:
- Badilisha mafuta ya injini.
- Safisha eneo karibu na plagi ya cheche. Ondoa plagi ya cheche na umimine kijiko kimoja cha mafuta ya injini kwenye silinda kupitia shimo la plagi ya cheche.
- Badilisha plagi ya cheche, lakini acha kofia ya plagi ya cheche imekatika.
- Vuta Kishikio cha Starter ili kusambaza mafuta kwenye silinda. Simama baada ya mapinduzi moja au mawili unapoanza kuhisi pistoni ikianza kiharusi cha mgandamizo (unapoanza kuhisi upinzani).
- ENEO LA HIFADHI:
Funika na uhifadhi katika eneo kavu, lililo sawa, lenye uingizaji hewa mzuri lisiloweza kufikiwa na watoto. Eneo la kuhifadhi linapaswa pia kuwa mbali na vyanzo vya kuwaka, kama vile hita za maji, vikaushio vya nguo na tanuru. Epuka mfiduo wa moja kwa moja kwa mvua na jua.
TAARIFA: Wakati wa vipindi virefu vya kuhifadhi Injini lazima ianzishwe kila baada ya miezi 3 na kuruhusiwa kufanya kazi kwa dakika 15 - 20 au Udhamini ni BATILI. - BAADA YA HIFADHI:
Kabla ya kuwasha Injini wakati au baada ya kuhifadhi, kumbuka kuwa petroli isiyotibiwa itaharibika haraka. Kimbia tanki la mafuta na ubadilishe mafuta safi ikiwa petroli isiyotibiwa imekaa kwa mwezi, ikiwa petroli iliyotibiwa imekaa zaidi ya muda uliopendekezwa wa utulivu wa mafuta, au ikiwa Injini haiwashi.
Utatuzi wa Matatizo
| Tatizo | Sababu Zinazowezekana | Suluhisho Zinazowezekana |
| Injini haiwaki | INAYOHUSIANA NA MAFUTA:
| INAYOHUSIANA NA MAFUTA:
|
INAYOHUSIANA NA UMEME (MWEKO):
| INAYOHUSIANA NA UMEME (MWEKO):
| |
INAYOHUSIANA NA MSUKUMO:
| INAYOHUSIANA NA MSUKUMO:
| |
INAYOHUSIANA NA KIANZISHI CHA UMEME:
| INAYOHUSIANA NA KIANZISHI CHA UMEME:
| |
| Injini inasimama inapokuwa chini ya mzigo mzito |
|
|
| Injini inakosa moto |
|
|
| Injini inasimama ghafla |
|
|
| Injini inagonga |
|
|
| Injini inarudi nyuma |
|
|
| Bidhaa haina nguvu. |
|
|
Fuata tahadhari zote za usalama kila unapogundua au kuhudumia kifaa au injini.
Tembelea tovuti yetu kwa: http://www.harborfreight.com
Tuma barua pepe kwa usaidizi wetu wa kiufundi kwa: productsupport@harborfreight.com
Tuma barua pepe kwa usaidizi wetu wa injini kwa: predator@harborfreight.com
Kwa maswali ya kiufundi, tafadhali piga simu 1-888-866-5797.
Hakimiliki © 2021 na Harbor Freight Tools ®.
Haki zote zimehifadhiwa.
Hakuna sehemu ya mwongozo huu au mchoro wowote ulio ndani yake unaweza kunakiliwa kwa namna yoyote ile bila idhini ya maandishi ya Harbor Freight Tools.
Michoro ndani ya mwongozo huu inaweza isichorwe kwa uwiano.
Kwa sababu ya maboresho yanayoendelea, bidhaa halisi inaweza kutofautiana kidogo na bidhaa iliyoelezwa hapa.
Zana zinazohitajika kwa mkusanyiko na huduma zinaweza zisijumuishwe.

Marejeleo
Pakua mwongozo
Hapa unaweza kupakua toleo kamili la pdf la mwongozo, linaweza kujumuisha maelekezo ya ziada ya usalama, taarifa za udhamini, sheria za FCC, n.k.
Pakua Predator 8750 Watt, 59190 - Mwongozo wa Jenereta ya Inverter






50 ~ 75 ft 

















** 

