CASIO G-SHOCK GA-2200 - Manuale dell'orologio analogico-digitale

Precauzioni
Precauzioni d'uso
- Resistenza all'acqua
- Le informazioni riportate di seguito si applicano agli orologi con la marcatura WATER RESIST o WATER RESISTANT sul fondello.
Resistenza all'acqua nell'uso quotidiano
| Marcatura sulla parte anteriore o sul fondello dell'orologio | Nessuna marcatura BAR |
Esempio di uso quotidiano
| Lavaggio delle mani, pioggia | Sì |
| Lavori acquatici, nuoto | No |
| Windsurf | No |
| Immersioni in apnea | No |
Resistenza all'acqua migliorata nell'uso quotidiano
5 Atmosfere
| Marcatura sulla parte anteriore o sul fondello dell'orologio | 5BAR |
Esempio di uso quotidiano
| Lavaggio delle mani, pioggia | Sì |
| Lavori acquatici, nuoto | Sì |
| Windsurf | No |
| Immersioni in apnea | No |
10 Atmosfere
| Marcatura sulla parte anteriore o sul fondello dell'orologio | 10BAR |
Esempio di uso quotidiano
| Lavaggio delle mani, pioggia | Sì |
| Lavori acquatici, nuoto | Sì |
| Windsurf | Sì |
| Immersioni in apnea | Sì |
20 Atmosfere
| Marcatura sulla parte anteriore o sul fondello dell'orologio | 20BAR |
Esempio di uso quotidiano
| Lavaggio delle mani, pioggia | Sì |
| Lavori acquatici, nuoto | Sì |
| Windsurf | Sì |
| Immersioni in apnea | Sì |
- Non utilizzare l'orologio per immersioni subacquee o altri tipi di immersioni che richiedono bombole d'aria.
- Gli orologi che non hanno la marcatura WATER RESIST o WATER RESISTANT sul fondello non sono protetti dagli effetti del sudore. Evitare di utilizzare tale orologio in condizioni in cui sarà esposto a grandi quantità di sudore o umidità, o a schizzi diretti d'acqua.
- Anche se un orologio è resistente all'acqua, tenere presenti le precauzioni d'uso descritte di seguito. Tali tipi di utilizzo riducono le prestazioni di resistenza all'acqua e possono causare l'appannamento del vetro.
- Non azionare la corona o i pulsanti mentre l'orologio è immerso in acqua o bagnato. ー Evitare di indossare l'orologio durante il bagno.
- Non indossare l'orologio in piscine riscaldate, saune o in qualsiasi altro ambiente con temperature/umidità elevate.
- Non indossare l'orologio mentre si lavano le mani o il viso, durante i lavori domestici o durante qualsiasi altra attività che preveda l'uso di saponi o detergenti.
- Dopo l'immersione in acqua di mare, utilizzare acqua dolce per sciacquare tutto il sale e lo sporco dall'orologio.
- Per mantenere la resistenza all'acqua, far sostituire periodicamente le guarnizioni dell'orologio (circa una volta ogni due o tre anni).
- Un tecnico specializzato ispezionerà l'orologio per verificarne la corretta resistenza all'acqua ogni volta che si sostituisce la batteria. La sostituzione della batteria richiede l'uso di strumenti speciali. Richiedere sempre la sostituzione della batteria al proprio rivenditore originale o a un centro assistenza CASIO autorizzato.
- Alcuni orologi resistenti all'acqua sono dotati di eleganti cinturini in pelle. Evitare il nuoto, il lavaggio o qualsiasi altra attività che provochi l'esposizione diretta di un cinturino in pelle all'acqua.
- La superficie interna del vetro dell'orologio potrebbe appannarsi quando l'orologio è esposto a un improvviso calo di temperatura. Non è indicato alcun problema se l'appannamento si dissolve relativamente in fretta. Cambiamenti di temperatura improvvisi ed estremi (come entrare in una stanza climatizzata in estate e stare vicino a un'uscita dell'aria condizionata, o lasciare una stanza riscaldata in inverno e permettere che l'orologio venga a contatto con la neve) possono far sì che l'appannamento del vetro impieghi più tempo a scomparire. Se l'appannamento del vetro non scompare o se si nota umidità all'interno del vetro, interrompere immediatamente l'uso dell'orologio e portarlo al rivenditore originale o a un centro assistenza CASIO autorizzato.
- L'orologio resistente all'acqua è stato testato in conformità alle normative dell'Organizzazione Internazionale per la Standardizzazione.
- Cinturino
- Stringere troppo il cinturino può causare sudorazione e rendere difficile il passaggio dell'aria sotto il cinturino, il che può portare a irritazioni cutanee. Non allacciare il cinturino troppo stretto. Dovrebbe esserci spazio sufficiente tra il cinturino e il polso per poter inserire un dito.
- Deterioramento, ruggine e altre condizioni possono causare la rottura o il distacco del cinturino dall'orologio, il che a sua volta può far sì che i perni del cinturino si spostino o cadano. Ciò crea il rischio che l'orologio cada dal polso e venga perso, e crea anche il rischio di lesioni personali. Avere sempre cura del cinturino e mantenerlo pulito.
- Interrompere immediatamente l'uso di un cinturino se si nota una delle seguenti condizioni: perdita di flessibilità del cinturino, crepe del cinturino, scolorimento del cinturino, allentamento del cinturino, perno di collegamento del cinturino che si stacca o cade, o qualsiasi altra anomalia. Portare l'orologio al proprio rivenditore originale o a un centro assistenza CASIO per ispezione e riparazione (a pagamento) o per la sostituzione del cinturino (a pagamento).
- Temperatura
- Non lasciare mai l'orologio sul cruscotto di un'auto, vicino a un riscaldatore o in qualsiasi altro luogo soggetto a temperature molto elevate. Non lasciare l'orologio dove sarà esposto a temperature molto basse. Estremi di temperatura possono causare all'orologio di perdere o guadagnare tempo, di fermarsi o di funzionare male in altro modo.
- Lasciare l'orologio in un'area più calda di +60°C (140°F) per lunghi periodi può causare problemi al suo display LCD. Il display LCD potrebbe diventare difficile da leggere a temperature inferiori a 0°C (32°F) e superiori a +40°C (104°F).
- Impatto
- L'orologio è progettato per resistere agli urti subiti durante il normale uso quotidiano e durante attività leggere come giocare a palla, tennis, ecc. Far cadere l'orologio o sottoporlo comunque a un forte impatto, tuttavia, può causare malfunzionamenti. Si noti che gli orologi con design antiurto (G-SHOCK, BABY-G, G-MS) possono essere indossati durante l'utilizzo di una motosega o l'esecuzione di altre attività che generano forti vibrazioni, o durante attività sportive intense (motocross, ecc.).
- Magnetismo
- Le lancette degli orologi analogici e combinati (analogico-digitali) sono mosse da un motore che utilizza la forza magnetica. Quando un orologio di questo tipo è vicino a un dispositivo (altoparlanti audio, collana magnetica, telefono cellulare, ecc.) che emette un forte magnetismo, il magnetismo può causare il rallentamento, l'accelerazione o l'arresto del cronometraggio, con la conseguenza che viene visualizzata l'ora errata.
- Il magnetismo molto forte (proveniente da apparecchiature mediche, ecc.) dovrebbe essere evitato perché può causare malfunzionamenti dell'orologio e danni ai componenti elettronici.
- Carica Elettrostatica
- L'esposizione a una carica elettrostatica molto forte può causare la visualizzazione dell'ora sbagliata sull'orologio. Una carica elettrostatica molto forte può persino danneggiare i componenti elettronici.
- La carica elettrostatica può causare lo spegnimento momentaneo del display o un effetto arcobaleno sul display.
- Prodotti Chimici
- Non permettere che l'orologio venga a contatto con diluenti, benzina, solventi, oli o grassi, o con qualsiasi detergente, adesivo, vernice, medicinale o cosmetico che contenga tali ingredienti. Ciò può causare scolorimento o danni alla cassa in resina, al cinturino in resina, alla pelle e ad altre parti.
- Conservazione
- Se non si prevede di utilizzare l'orologio per lungo tempo, pulirlo accuratamente da sporco, sudore e umidità, e conservarlo in un luogo fresco e asciutto.
- Componenti in Resina
- Lasciare l'orologio a contatto con altri oggetti o conservarlo insieme ad altri oggetti per lunghi periodi mentre è bagnato può causare il trasferimento del colore dei componenti in resina agli altri oggetti, o il trasferimento del colore degli altri oggetti ai componenti in resina dell'orologio. Assicurarsi di asciugare accuratamente l'orologio prima di riporlo e assicurarsi che non sia a contatto con altri oggetti.
- Lasciare l'orologio esposto alla luce solare diretta (raggi ultravioletti) per lunghi periodi o non pulire lo sporco dall'orologio per lunghi periodi può causarne lo scolorimento.
- L'attrito causato da determinate condizioni (forte forza esterna, sfregamento prolungato, impatto, ecc.) può causare lo scolorimento dei componenti verniciati.
- Se ci sono figure stampate sul cinturino, un forte sfregamento dell'area stampata può causare scolorimento.
- Lasciare l'orologio bagnato per lunghi periodi può causare lo sbiadimento del colore fluorescente. Asciugare l'orologio il prima possibile dopo che si è bagnato.
- Le parti in resina semitrasparente possono scolorirsi a causa di sudore e sporco, e se esposte a temperature e umidità elevate per lunghi periodi.
- L'uso quotidiano e la conservazione a lungo termine dell'orologio possono portare a deterioramento, rottura o piegatura dei componenti in resina. L'entità di tali danni dipende dalle condizioni d'uso e di conservazione.
- Cinturino in Pelle
- Lasciare l'orologio a contatto con altri oggetti o conservarlo insieme ad altri oggetti per lunghi periodi mentre è bagnato può causare il trasferimento del colore del cinturino in pelle agli altri oggetti o il trasferimento del colore degli altri oggetti al cinturino in pelle. Assicurarsi di asciugare accuratamente l'orologio con un panno morbido prima di riporlo e assicurarsi che non sia a contatto con altri oggetti.
- Lasciare un cinturino in pelle esposto alla luce solare diretta (raggi ultravioletti) per lunghi periodi o non pulire lo sporco da un cinturino in pelle per lunghi periodi può causarne lo scolorimento.
Esporre un cinturino in pelle a sfregamento o sporco può causare trasferimento di colore e scolorimento. - Componenti Metallici
- La mancata pulizia dello sporco dai componenti metallici può portare alla formazione di ruggine, anche se i componenti sono in acciaio inossidabile o placcati. Se i componenti metallici sono esposti a sudore o acqua, pulire accuratamente con un panno morbido e assorbente e poi posizionare l'orologio in un luogo ben ventilato per farlo asciugare.
- Utilizzare uno spazzolino morbido o uno strumento simile per strofinare il metallo con una soluzione debole di acqua e un detergente neutro delicato, o con acqua saponata. Successivamente, risciacquare con acqua per rimuovere tutto il detergente residuo e poi asciugare con un panno morbido e assorbente. Quando si lavano i componenti metallici, avvolgere la cassa dell'orologio con pellicola trasparente da cucina in modo che non venga a contatto con il detergente o il sapone.
- Cinturino Antibatterico e Antiodore
- Il cinturino antibatterico e antiodore protegge dagli odori generati dalla formazione di batteri dal sudore, il che garantisce comfort e igiene. Per garantire la massima resistenza a batteri e odori, mantenere il cinturino pulito. Utilizzare un panno morbido e assorbente per pulire accuratamente il cinturino da sporco, sudore e umidità. Un cinturino antibatterico e antiodore sopprime la formazione di organismi e batteri. Non protegge contro eruzioni cutanee dovute a reazioni allergiche, ecc.
- Display a Cristalli Liquidi
- Le cifre del display potrebbero essere difficili da leggere se viste da un'angolazione.
Si noti che CASIO Computer Co., Ltd. non si assume alcuna responsabilità per eventuali danni o perdite subite dall'utente o da terzi derivanti dall'uso dell'orologio o dal suo malfunzionamento.
Manutenzione da parte dell'utente
- Cura dell'Orologio
Ricordare che si indossa l'orologio a contatto con la pelle, proprio come un capo di abbigliamento. Per assicurarsi che l'orologio funzioni al livello per cui è progettato, mantenerlo pulito strofinandolo frequentemente con un panno morbido per mantenerlo, insieme al cinturino, libero da sporco, sudore, acqua e altre sostanze estranee.
- Ogni volta che l'orologio è esposto ad acqua di mare o fango, sciacquarlo con acqua dolce pulita.
- Per un cinturino in metallo o un cinturino in resina con parti metalliche, utilizzare uno spazzolino morbido o uno strumento simile per strofinare il cinturino con una soluzione debole di acqua e un detergente neutro delicato, o con acqua saponata. Successivamente, risciacquare con acqua per rimuovere tutto il detergente residuo e poi asciugare con un panno morbido e assorbente. Quando si lava il cinturino, avvolgere la cassa dell'orologio con pellicola trasparente da cucina in modo che non venga a contatto con il detergente o il sapone.
- Per un cinturino in resina, lavare con acqua e poi asciugare con un panno morbido. Si noti che a volte un motivo simile a una macchia può apparire sulla superficie di un cinturino in resina. Questo non avrà alcun effetto sulla pelle o sui vestiti. Pulire con un panno per rimuovere il motivo a macchia.
- Pulire acqua e sudore da un cinturino in pelle strofinando con un panno morbido.
- La mancata azionamento della corona, dei pulsanti o della ghiera rotante dell'orologio potrebbe causare problemi futuri al loro funzionamento. Ruotare periodicamente la corona e la ghiera rotante, e premere i pulsanti per mantenere un funzionamento corretto.
- Pericoli di una Scarsa Cura dell'Orologio
Ruggine
- Sebbene l'acciaio metallico utilizzato per l'orologio sia altamente resistente alla ruggine, la ruggine può formarsi se l'orologio non viene pulito dopo essersi sporcato.
- Lo sporco sull'orologio può rendere impossibile il contatto dell'ossigeno con il metallo, il che può portare alla rottura dello strato di ossidazione sulla superficie metallica e alla formazione di ruggine.
- La ruggine può causare aree taglienti sui componenti metallici e può far sì che i perni del cinturino si spostino o cadano. Se si nota qualsiasi anomalia, interrompere immediatamente l'uso dell'orologio e portarlo al proprio rivenditore originale o a un centro assistenza CASIO autorizzato.
- Anche se la superficie del metallo appare pulita, sudore e ruggine nelle fessure possono sporcare le maniche dei vestiti, causare irritazioni cutanee e persino interferire con le prestazioni dell'orologio.
Usura Prematura
- Lasciare sudore o acqua su un cinturino o una ghiera in resina, o conservare l'orologio in un'area soggetta ad alta umidità può portare a usura prematura, tagli e rotture.
Irritazione Cutanea
- Individui con pelle sensibile o in scarse condizioni fisiche possono manifestare irritazioni cutanee indossando un orologio. Tali individui dovrebbero mantenere il cinturino in pelle o il cinturino in resina particolarmente puliti. Se si dovesse manifestare un'eruzione cutanea o altra irritazione cutanea, rimuovere immediatamente l'orologio e contattare un professionista della cura della pelle.
Sostituzione della Batteria
- Affidare la sostituzione della batteria al proprio rivenditore originale o a un centro assistenza CASIO autorizzato.
- Fare sostituire le batterie solo con il tipo specificato nelle "Specifiche". L'uso di un tipo di batteria diverso può causare malfunzionamenti.
- Quando si sostituiscono le batterie, richiedere anche un controllo della corretta resistenza all'acqua.
- I componenti ornamentali in resina possono usurarsi, incrinarsi o piegarsi nel tempo se soggetti a normale uso quotidiano. Si noti che se si riscontrano crepe o qualsiasi altra anomalia che indichi un possibile danno in un orologio presentato per la sostituzione della batteria, l'orologio verrà restituito con una spiegazione dell'anomalia, senza che venga eseguita la manutenzione richiesta.
- Batterie Iniziali
- Le batterie fornite con l'orologio al momento dell'acquisto vengono utilizzate per i test di funzionamento e prestazione in fabbrica.
- Le batterie di prova possono scaricarsi più velocemente rispetto alla durata nominale della batteria indicata nelle "Specifiche". Si noti che la sostituzione di queste batterie sarà a pagamento, anche se richiesta entro il periodo di garanzia dell'orologio.
- Batteria Scarica
- La batteria scarica è indicata da un grande errore di cronometraggio, da contenuti del display sbiaditi o da un display vuoto.
- Il funzionamento con batteria scarica può causare malfunzionamenti. Sostituire le batterie il prima possibile.
Prima di iniziare...
Questa sezione fornisce una panoramica dell'orologio e introduce i modi pratici in cui può essere utilizzato.
Caratteristiche dell'orologio
- Ora Mondiale
È possibile visualizzare l'ora corrente in una qualsiasi delle 48 città in tutto il mondo, così come per UTC (Tempo Universale Coordinato).
- Allarme
Un allarme suona ogni volta che viene raggiunta un'ora specificata dall'utente.
- Cronometro
Il cronometro misura il tempo trascorso in unità di 1/100 di secondo per la prima ora, e in unità di un secondo successivamente, fino a 24 ore.
- Timer
Conto alla rovescia da un'ora di inizio specificata dall'utente. Un allarme suona quando il conto alla rovescia raggiunge lo zero.
Nota
- Le illustrazioni incluse in questa guida operativa sono state create per facilitare la spiegazione. Un'illustrazione potrebbe differire leggermente dall'elemento che rappresenta.
Guida Generale

- Lancetta delle ore
- Lancetta dei minuti
- Lancetta della modalità indica la modalità corrente.
- Display LCD
Pulsante A
Tenere premuto questo pulsante per almeno due secondi nella Modalità Ora normale visualizza la schermata di impostazione.
Premere questo pulsante mentre è visualizzata una schermata di impostazione qualsiasi esce dalla schermata di impostazione.
Pulsante B
Premere questo pulsante mentre è visualizzata una schermata di impostazione qualsiasi cambierà l'impostazione.
Pulsante C
Ogni pressione alterna le modalità dell'orologio.
In qualsiasi modalità, tenere premuto questo pulsante per almeno tre secondi per tornare alla Modalità Ora normale.
Pulsante D
Premere questo pulsante nella Modalità Ora normale alterna le visualizzazioni.
Premere questo pulsante mentre è visualizzata una schermata di impostazione qualsiasi cambierà l'impostazione.
Pulsante L
Premere per attivare l'illuminazione.
Premere questo pulsante due volte di seguito sposta le lancette per una facile lettura dell'area del display digitale.
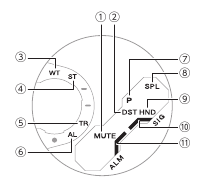
Quadrante dell'orologio e Indicatori del Display

- Visualizzato quando il tono di funzionamento dei pulsanti è disabilitato.
- Visualizzato quando l'orologio indica l'ora legale.
- In Modalità Ora Mondiale, la lancetta della modalità punta a [WT] (Ora Mondiale).
- In Modalità Cronometro, la lancetta della modalità punta a [ST] (Cronometro).
- In Modalità Timer, la lancetta della modalità punta a [TR] (Timer).
- In Modalità Allarme, la lancetta della modalità punta a [AL] (Allarme).
- Visualizzato durante le ore pomeridiane mentre è in uso la visualizzazione a 12 ore.
- Visualizzato mentre è in corso un'operazione di misurazione del tempo parziale in Modalità Cronometro.
- Lampeggia mentre le lancette dell'orologio sono spostate per una lettura più facile.
- Visualizzato quando il segnale orario è abilitato.
- Visualizzato quando un allarme è attivo.
Navigazione tra le Modalità
Ogni pressione di (C) alterna le modalità dell'orologio.
- In qualsiasi modalità, tenere premuto (C) per almeno tre secondi per tornare alla Modalità Ora normale.

Scorrimento tra i Contenuti del Display Digitale nella Modalità Ora normale
Ogni pressione di (D) nella Modalità Ora normale alterna le informazioni visualizzate come mostrato di seguito.

- Premere (B) visualizza il codice della città dell'Ora Mondiale e quindi l'ora corrente in quella città.
Spostamento delle Lancette per Leggere il Display Digitale
Lo spostamento delle lancette allontana le lancette per una facile visualizzazione delle informazioni del display.
- Premere (L) due volte di seguito.
- Questo sposterà le lancette analogiche per consentire una facile visualizzazione delle informazioni del display.

- Per riportare le lancette nelle loro posizioni normali di indicazione dell'ora, premere (L) due volte di seguito di nuovo, oppure premere (C) per cambiare modalità.
Nota
- Se si lascia l'orologio con le lancette spostate e non si esegue alcuna operazione per circa un'ora, le lancette riprenderanno automaticamente l'indicazione normale dell'ora.
Visualizzazione del Quadrante al Buio
L'orologio è dotato di una luce LED che è possibile attivare per la lettura al buio.
- Attivazione dell'Illuminazione
Premere (L) per attivare l'illuminazione.

- L'illuminazione si spegnerà automaticamente se un allarme inizia a suonare.
- L'illuminazione è disabilitata mentre le lancette si muovono ad alta velocità.
- La luce potrebbe sfarfallare quando si accende o si spegne.
- Specificare la Durata dell'Illuminazione
È possibile selezionare una durata dell'illuminazione di 1,5 secondi o tre secondi.
- Entrare nella Modalità Ora normale.
- Tenere premuto (A) per almeno due secondi finché non viene visualizzato il nome della Città Home attualmente selezionata.
- Questa è la modalità di impostazione. Le lancette si spostano automaticamente per una facile visualizzazione del display e di altri indicatori.

- Premere (C) 10 volte per visualizzare [LIGHT] (LUCE).

- Usare (B) e (D) per selezionare una durata dell'illuminazione.
[1] (1): illuminazione di 1,5 secondi
[3] (3): illuminazione di 3 secondi

- Premere (A) per uscire dalla schermata di impostazione.
Regolazione dell'Ora
Utilizzare le procedure in questa sezione per regolare le impostazioni di data e ora.

Regolazione dell'Impostazione dell'Ora Corrente
Utilizzare le procedure seguenti per regolare le impostazioni attuali di data e ora e per selezionare una Città Home.
- Impostazione di una Città Home
Utilizzare la procedura in questa sezione per selezionare una città da usare come Città Home. Se ci si trova in un'area che osserva l'ora legale, è anche possibile configurare un'impostazione per l'ora legale.
- Entrare nella Modalità Ora normale.
- Tenere premuto (A) per almeno due secondi. Rilasciare il pulsante quando il nome della Città Home attualmente selezionata appare sul display.
- Questa è la modalità di impostazione. Le lancette si spostano automaticamente per una facile visualizzazione del display e di altri indicatori.

- Usare (B) e (D) per cambiare l'impostazione della Città Home.
- Tenere premuto (B) o (D) scorre le impostazioni ad alta velocità.
- Per i dettagli fare riferimento alle informazioni sottostanti.
- Premere (C).
- Premere (B) o (D) per cambiare l'impostazione dell'ora legale.
- [OFF] (SPENTO)
L'orologio indica sempre l'ora solare. - [ON] (ACCESO)
L'orologio indica sempre l'ora legale.

- Premere (A) per completare l'operazione di impostazione.
Nota
- Mentre l'impostazione è in fase di configurazione, l'orologio uscirà dall'operazione di impostazione automaticamente dopo circa due o tre minuti di inattività.
- Impostazione dell'Ora/Data
- Entrare nella Modalità Ora normale.
- Tenere premuto (A) per almeno due secondi. Rilasciare il pulsante quando il nome della Città Home attualmente selezionata appare sul display.
- Questa è la modalità di impostazione. Le lancette si spostano automaticamente per una facile visualizzazione del display e di altri indicatori.

- Continuare a premere (C) finché l'impostazione che si desidera modificare non lampeggia.
- Ogni pressione di (C) sposta il lampeggio all'impostazione successiva nella sequenza mostrata di seguito.

- Configurare le impostazioni di data e ora.
- Per resettare i secondi a 00: Premere (D). 1 viene aggiunto ai minuti quando il conteggio corrente è tra 30 e 59 secondi.
- Per tutte le altre impostazioni, usare (B) e (D) per cambiare l'impostazione lampeggiante. Tenere premuto (B) o (D) scorre le impostazioni ad alta velocità.
- Ripetere i passaggi 3 e 4 per selezionare le impostazioni di ora e data.
- Premere (A) per completare l'operazione di impostazione.
Nota
- Mentre l'impostazione è in fase di configurazione, l'orologio uscirà dall'operazione di impostazione automaticamente dopo circa due o tre minuti di inattività.
- Passaggio tra la visualizzazione a 12 e 24 ore
È possibile specificare il formato a 12 ore o il formato a 24 ore per la visualizzazione dell'ora.
- Entrare nella Modalità Ora normale.
- Tenere premuto (A) per almeno due secondi. Rilasciare il pulsante quando il nome della Città Home attualmente selezionata appare sul display.
- Questa è la modalità di impostazione. Le lancette si spostano automaticamente per una facile visualizzazione del display e di altri indicatori.

- Premere (C) due volte.
Questo fa lampeggiare [12H] (12 ore) o [24H] (24 ore) sul display.

- Premere (B) o (D) per selezionare [12H] (visualizzazione a 12 ore) o [24H] (visualizzazione a 24 ore).

- Premere (A) per completare l'operazione di impostazione.
Nota
- Mentre l'impostazione è in fase di configurazione, l'orologio uscirà dall'operazione di impostazione automaticamente dopo circa due o tre minuti di inattività.
Ora Mondiale
L'Ora Mondiale consente di consultare l'ora corrente in una qualsiasi delle 48 città in tutto il mondo e UTC (Tempo Universale Coordinato).

Verifica dell'Ora Mondiale
- Entrare nella Modalità Ora Mondiale.
Dopo che appare il nome della Città Ora Mondiale attualmente selezionata, l'orologio visualizzerà l'ora corrente in quella città.
- Nella Modalità Ora Mondiale, è possibile visualizzare la Città Ora Mondiale premendo (A).

Impostazione della Città Ora Mondiale
Utilizzare la procedura in questa sezione per selezionare una città dell'Ora Mondiale. Se ci si trova in un'area che osserva l'ora legale, è anche possibile configurare un'impostazione per l'ora legale.
- Entrare nella Modalità Ora Mondiale.
- Usare (B) e (D) per visualizzare la città che si desidera specificare come Città Ora Mondiale.
- Tenere premuto (B) o (D) scorre le impostazioni ad alta velocità.

- Per cambiare l'impostazione dell'ora legale, tenere premuto (A) per almeno due secondi.
- Ogni volta che si tiene premuto (A) per almeno due secondi, l'impostazione alternerà tra ora legale e ora solare.
- [DST] (Ora legale) appare ogni volta che l'ora corrente visualizzata è l'ora legale.

Nota
- Mentre l'impostazione è in fase di configurazione, l'orologio uscirà dall'operazione di impostazione automaticamente dopo circa due o tre minuti di inattività.
- Mentre [UTC] (UTC) è selezionata come città, non sarà possibile cambiare o controllare l'impostazione dell'ora legale.
- L'impostazione dell'ora legale configurata viene applicata solo alla città attualmente selezionata. Non influisce sulle altre città.
Scambio dell'Ora Home e dell'Ora Mondiale
- Entrare nella Modalità Ora normale.
- Tenere premuto (B) per almeno tre secondi.
Questo fa lampeggiare [SWAP] (SCAMBIO) sul display. Successivamente, l'Ora della Città Home e l'Ora Mondiale si scambieranno tra loro.
Esempio: Per scambiare la tua Città Home
(TYO:TOKYO) e la Città Ora Mondiale
(NYC:NEW YORK)

Allarme
L'orologio emetterà un segnale acustico quando viene raggiunta un'ora di allarme. È possibile impostare fino a cinque allarmi diversi. Il segnale orario fa sì che l'orologio emetta un segnale acustico ogni ora.

Configurazione delle Impostazioni dell'Allarme
- Accedere alla modalità Allarme.
- Utilizzare (B) e (D) per selezionare l'allarme ([AL1] to [AL5]) di cui si desidera modificare l'impostazione.

- Tenere premuto (A) per almeno due secondi. Rilasciare il pulsante quando le cifre delle ore iniziano a lampeggiare.
- Questa è la modalità di impostazione. Le lancette si spostano automaticamente per facilitare la visualizzazione del display e di altri indicatori.
- Mentre l'impostazione è in corso, l'orologio uscirà automaticamente dall'operazione di impostazione dopo circa due o tre minuti di inattività.

- Utilizzare (B) e (D) per modificare l'impostazione dell'ora.
- Tenendo premuto (B) o (D) si scorrono le impostazioni ad alta velocità.
- Se si utilizza l'ora in formato 12 ore, [P] indica il pomeriggio (p.m.).

- Premere (C).
Questo fa sì che le cifre dei minuti lampeggino.

- Utilizzare (B) e (D) per impostare i minuti.
- Premere (A) per uscire dalla schermata di impostazione.
- [ALM] viene visualizzato sul display quando un allarme è impostato.

- Per arrestare l'allarme
Premendo un qualsiasi pulsante mentre il segnale acustico è in funzione, questo si arresta.
Nota
- Un segnale acustico suona per 10 secondi quando viene raggiunta un'ora di allarme.
- L'orologio tornerà automaticamente dalla modalità Allarme alla modalità Ora corrente se non si esegue alcuna operazione per circa due o tre minuti.
Abilitazione del Segnale Orario
- Accedere alla modalità Allarme.
- Premere (B) o (D) per visualizzare la schermata del segnale orario ([SIG]).

- Premere (A) per alternare il segnale orario tra abilitato (on) e disabilitato (off).
- [SIG] viene visualizzato mentre il segnale orario è abilitato.

Disattivazione di un Allarme o del Segnale Orario
Per impedire che un allarme o il segnale orario suonino, eseguire i passaggi seguenti per disattivarli.
- Per far suonare di nuovo un allarme o il segnale orario, riattivarli.
Nota
- Gli indicatori vengono visualizzati mentre uno qualsiasi degli allarmi o il segnale orario è attivato.
- Gli indicatori applicabili non vengono visualizzati mentre tutti gli allarmi sono disattivati e/o il segnale orario è disattivato.
![CASIO - G-SHOCK GA-2200 - Disattivazione di un Allarme o del Segnale Orario Passaggio 1 Disattivazione di un Allarme o del Segnale Orario Passaggio 1]()
- Accedere alla modalità Allarme.
- Utilizzare (B) e (D) per scorrere gli allarmi
- (da [AL1] a [AL5]) e le schermate del segnale orario ([SIG]) fino a visualizzare quello che si desidera disattivare.

- Premere (A) per disattivare l'allarme visualizzato o il segnale orario.
- Ogni pressione di (A) commuta tra ON e OFF.
- La disattivazione di tutti gli allarmi e del segnale orario fa sì che [ALM] e [SIG] scompaiano dal display.

Nota
- Se [ALM] rimane visualizzato sul display, significa che almeno un allarme è ancora attivo. Per disattivare tutti gli allarmi, ripetere i passaggi 2 e 3 finché l'indicatore [ALM] non è più visualizzato.
Cronometro
Il cronometro misura il tempo trascorso in unità di 1/100 di secondo per la prima ora e in unità di 1 secondo dopo, fino a 24 ore.

Misurazione del Tempo Trascorso
- Accedere alla modalità Cronometro.
- Utilizzare le operazioni seguenti per misurare il tempo trascorso.

- Il tempo trascorso viene visualizzato in unità di 1/100 di secondo per la prima ora della misurazione. Dopo la prima ora, il tempo trascorso viene visualizzato in unità di un secondo.

- Premere (B) per azzerare il cronometro.
Misurazione di un Tempo Intermedio
- Accedere alla modalità Cronometro.
- Utilizzare le operazioni seguenti per misurare il tempo trascorso.
- Premendo (B) viene visualizzato il tempo trascorso dall'inizio di una gara fino al momento in cui è stato premuto il pulsante (tempo intermedio).

- Il tempo trascorso viene visualizzato in unità di 1/100 di secondo per la prima ora della misurazione. Dopo la prima ora, il tempo trascorso viene visualizzato in unità di un secondo.

- Premere (B) per azzerare il cronometro.
Cronometraggio dei Primi e Secondi Classificati
- Accedere alla modalità Cronometro.
- Utilizzare le operazioni seguenti per misurare il tempo trascorso.

*1 Visualizza il tempo del primo classificato.
*2 Visualizza il tempo del secondo classificato.
- Il tempo trascorso viene visualizzato in unità di 1/100 di secondo per la prima ora della misurazione. Dopo la prima ora, il tempo trascorso viene visualizzato in unità di un secondo.

- Premere (B) per azzerare il cronometro.
Conto alla Rovescia
Il timer esegue il conto alla rovescia da un'ora di inizio specificata dall'utente. Un segnale acustico suona quando viene raggiunta la fine del conto alla rovescia.

Impostazione dell'Ora di Inizio del Conto alla Rovescia
L'ora di inizio del conto alla rovescia può essere impostata in unità di 1 secondo fino a 24 ore.
- Se è in corso un'operazione di conto alla rovescia del timer, reimpostare il timer sull'ora di inizio corrente prima di eseguire questa operazione.
- Accedere alla Modalità Conto alla Rovescia.
- Tenere premuto (A) per almeno due secondi. Rilasciare il pulsante quando l'impostazione dell'ora inizia a lampeggiare.
Questo fa sì che la cifra delle ore lampeggi.
- Questa è la modalità di impostazione. Le lancette si spostano automaticamente per facilitare la visualizzazione del display e di altri indicatori.

- Utilizzare (B) e (D) per modificare l'impostazione delle ore del conto alla rovescia.
- Tenendo premuto (B) o (D) si scorrono le impostazioni ad alta velocità.
- Premere (C).
Questo fa sì che le cifre dei minuti lampeggino.

- Utilizzare (B) e (D) per modificare l'impostazione dei minuti.
- Premere (C).
Questo fa sì che le cifre dei secondi lampeggino.

- Utilizzare (B) e (D) per modificare l'impostazione dei secondi.
- Premere (A) per completare l'operazione di impostazione.
Nota
- L'impostazione di un'ora di inizio di [0:00 00] eseguirà un conto alla rovescia di 24 ore.
- Mentre l'impostazione è in corso, l'orologio uscirà automaticamente dall'operazione di impostazione dopo circa due o tre minuti di inattività.
Utilizzo del Conto alla Rovescia
- Accedere alla Modalità Conto alla Rovescia.

- Utilizzare le operazioni seguenti per eseguire un'operazione di conto alla rovescia.

- Un segnale acustico suonerà per 10 secondi per avvisare quando viene raggiunta la fine di un conto alla rovescia.
- È possibile reimpostare un conto alla rovescia in pausa alla sua ora di inizio, premendo (B).
- Premere un qualsiasi pulsante per interrompere il tono.
Regolazione Allineamento Lancette
Forte magnetismo o urti possono far sì che l'ora indicata dalle lancette analogiche diventi diversa dall'ora sul display digitale. Se ciò accade, regolare l'allineamento delle lancette.
Regolazione dell'Allineamento delle Lancette
- Accedere alla modalità Ora corrente.
- Tenere premuto (A) per almeno cinque secondi. Rilasciare il pulsante quando [SUB] inizia a lampeggiare.
Questo abilita la regolazione dell'allineamento della lancetta della modalità.

- Se la lancetta della modalità non è allineata con le ore 6, utilizzare (B) e (D) per allinearla.
- Tenendo premuto (B) o (D) si scorrono le impostazioni ad alta velocità.
- Premere (C).
Questo abilita la regolazione delle lancette delle ore e dei minuti.

- Se le lancette delle ore e dei minuti non sono sulle ore 12, utilizzare (B) e (D) per allinearle.
- Premere (A) per completare l'operazione di impostazione.
Altre Impostazioni
Questa sezione spiega altre impostazioni dell'orologio che è possibile configurare.
Abilitazione del Tono di Operazione dei Pulsanti
Utilizzare la procedura seguente per abilitare o disabilitare il tono che suona quando si preme un pulsante.
- Accedere alla modalità Ora corrente.
- Tenere premuto (A) per almeno due secondi. Rilasciare il pulsante quando il nome della città natale attualmente selezionata appare sul display.
- Questa è la modalità di impostazione. Le lancette si spostano automaticamente per facilitare la visualizzazione del display e di altri indicatori.

- Premere (C) nove volte.
Questo fa sì che [KEY♪] o [MUTE] lampeggino sul display.

- Utilizzare (B) e (D) per selezionare [KEY♪] o [MUTE].
[KEY♪]: Tono di operazione abilitato.
[MUTE]: Tono di operazione silenziato.

- Premere (A) per uscire dalla schermata di impostazione.
Nota
- Mentre l'impostazione è in corso, l'orologio uscirà automaticamente dall'operazione di impostazione dopo circa due o tre minuti di inattività.
- Si noti che i toni di allarme e conto alla rovescia suoneranno comunque anche se il tono di operazione è silenziato.
Altre informazioni
Questa sezione fornisce informazioni non operative che è anche necessario conoscere. Consultare queste informazioni secondo necessità.
Tabella delle città


- Le informazioni nella tabella sopra sono aggiornate a luglio 2020.
- I fusi orari possono cambiare e i differenziali UTC possono variare rispetto a quelli mostrati nella tabella sopra.
Specifiche
Precisione a temperatura normale:
±15 secondi al mese
Cronometraggio:
Analogico
Ora, minuto (si muove ogni 20 secondi)
Digitale
Ora, minuto, secondo, mese, giorno, giorno della settimana
a.m./p.m.(P)/cronometraggio 24 ore
Calendario automatico completo (2000 al 2099) Ora legale
Ora mondiale:
48 città (31 fusi orari) e fuso
orario universale coordinato (UTC)
Ora legale
Scambio ora locale
Cronometro:
Unità di misurazione
1/100 di secondo (prima ora)
1 secondo (dopo la prima ora)
Capacità di misurazione: 23:59'59" (24 ore)
Funzioni di misurazione:
Tempo trascorso, tempo cumulativo, tempi parziali, tempi dei classificati al 1° e 2° posto
Timer:
Unità di misurazione: 1 secondo
Intervallo di misurazione: 24 ore
Unità di impostazione tempo: 1 secondo
Intervallo di impostazione tempo: da 1 secondo a 24 ore. Segnale acustico di 10 secondi al termine del conto alla rovescia
Allarme:
Allarmi orari
Numero di allarmi 5
Unità di impostazione
Ore, minuti
Durata del suono dell'allarme: 10 secondi
Segnale orario: Beep ogni ora
Luce LED doppia:
Luce LED quadrante: Super Illuminator, bagliore residuo, durata illuminazione selezionabile (circa 1,5 secondi o 3 secondi)
Retroilluminazione LED LCD: Super Illuminator, bagliore residuo, durata illuminazione selezionabile (circa 1,5 secondi o 3 secondi)
Altro:
Tono di funzionamento ON/ OFF (attivo/disattivo); spostamento lancette
Alimentazione:
SR726W x 2
Durata della batteria: Circa 3 anni
Condizioni:
Allarme: Una volta (10 secondi)/giorno
Illuminazione: Una volta (1,5 secondi)/giorno
Le specifiche sono soggette a modifiche senza preavviso.
Risoluzione dei problemi
Indicatori e ora attuale
Q1 Non so in quale modalità si trovi l'orologio
È possibile determinare la modalità attuale controllando la posizione della lancetta della modalità. Utilizzare (C) per navigare tra le modalità.

Q2 Perché l'ora attuale indicata dall'orologio è sbagliata di una certa quantità di tempo (nove ore, tre ore e 15 minuti, ecc.)?
L'impostazione della città non è corretta. Selezionare l'impostazione corretta.
Q3 L'ora attuale indicata dall'orologio è sbagliata di un'ora o 30 minuti.
L'impostazione dell'ora legale non è corretta. Selezionare l'impostazione corretta.
Q4 L'ora indicata dalle lancette è diversa dall'ora digitale.
Un forte magnetismo o un impatto possono causare il disallineamento delle lancette. Regolare l'allineamento delle lancette.
Ora mondiale
Q1 L'ora di una città dell'Ora Mondiale non è corretta.
L'impostazione dell'ora legale (ora solare/ora legale) è sbagliata.
Allarme
Q1. L'allarme non suona.
L'impostazione dell'allarme è attiva? In caso contrario, attivarla per far suonare l'allarme.
Altro
Q1 Non riesco a trovare le informazioni di cui ho bisogno qui.
Visitare il sito web qui sotto. https://world.casio.com/support/

Riferimenti
Scarica manuale
Qui puoi scaricare la versione completa in PDF del manuale, può contenere ulteriori istruzioni di sicurezza, informazioni sulla garanzia, regole FCC, ecc.
Scarica CASIO G-SHOCK GA-2200 - Manuale dell'orologio analogico-digitale
