Jablotron JA-60N - Сымсыз әмбебап детектор нұсқаулығы

Кіріспе
JA-60N магниттік есік детекторы магнитпен жабдықталған. Магниттің қозғалысы детектордағы ішкі сенсорды іске қосады. Ол жедел немесе кешіктірілген бұзушылық дабылын іске қоса алады, сонымен қатар кіріктірілген бүлдіру сенсорлары бар. Сыртқы сенсорларға арналған кірістер бар.
JA-60N деректердің жоғары деңгейдегі қауіпсіздігімен күрделі радиобайланыс хаттамасын пайдаланады. Детектор толық қадағалау үшін жүйеге өз жағдайын үнемі хабарлап, тұрақты түрде автоматты түрде тестілеу жасайды. Автоматты тестілеу режимі тестілеуді жеңілдетеді.
Техникалық сипаттамалар
| Қуат | 3 V - 2 x AAA батареясы 1.5V |
| Батареяның қызмет ету мерзімі | шамамен 1 жыл |
| Жұмыс диапазоны | макс. 100 м (ашық жер) |
| Кіріктірілген сенсор | магниттік рид контактісі |
| Сыртқы сенсор кірістері | INP & TMP (теңдестірілген ілмектер) |
| Сәйкестігі | RTTE директивасы EN 50131-1 2-дәреже |
| Жұмыс ортасы | II класс (үй ішінде пайдалану, -10-дан +40°C-қа дейін) |

Жинақтың мазмұны: детектор, магнит, 4 бұранда, 2 x AAA батареясы
Орнату
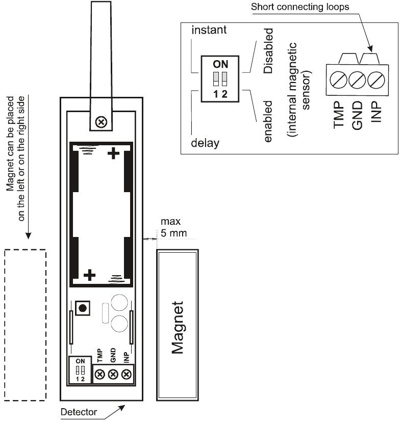
Есік немесе терезенің ашылуын немесе жабылуын анықтау үшін детектор магнитпен жабдықталған. Магниттің қозғалысы детектордағы ішкі сенсорды іске қосады.
- Детектордың төменгі бөлігіндегі болтты басу арқылы детектордың қақпағын ашыңыз.
- Электроника мен батареялар қақпақтың ішінде орналасқан.
- Төменгі бөлікті бұрандаларды пайдаланып қабырғаға немесе есік немесе терезенің жақтауына бекітіңіз.
- Антеннаның тік (жоғары немесе төмен қарап тұрғанына) көз жеткізіңіз.
- Магнитті бұрандалармен есік немесе терезенің қозғалмалы бөлігіне бекітіңіз және оның қақпағын кигізіңіз. Есік жабылған кезде детектор мен магнит арасындағы саңылау 5 мм-ден кең болмауы керек.
- Магнитті детектордың оң немесе сол жағына орнатудың еш айырмашылығы жоқ
![jablotron - JA-60N - Орнату Орнату]()
-
детектор да, магнит те тікелей металл бетіне бекітілмеуі керек. Егер басқа таңдау болмаса, детектор мен магниттің астына қалыңдығы 5 мм немесе одан да көп оқшаулағыш төсем (пластик, ағаш және т.б.) пайдаланылуы керек. - Есіктің ашылуына жүйенің реакциясы лездік (ON (қосулы) күйі) немесе кешіктірілген (1 күйі) болуын таңдау үшін DIP қосқышы №1-ді пайдаланыңыз.
- Егер сіз кіріс терминалдарын (TMP & INP) пайдаланбасаңыз, олар қысқа қосылатын ілмектермен GND терминалына қосылуы керек және DIP қосқышы №2 2 күйінде қалуы керек.
- JA-60N детекторды ашық және батареялары орнатылмаған күйде қалдырыңыз.
JA-60N-мен сыртқы сенсорларды пайдалану
JA-60N детекторын шығыстарында контактілері бар сыртқы детекторларды қосу үшін пайдалануға болады. Мысалы, оны бірнеше есіктерді немесе терезелерді қорғау үшін пайдалануға болады. JA-60N-нің кіріктірілген магниттік сенсорын да өшіруге болады (DIP қосқышының нөмірі 2 ON (қосулы) күйіне) және содан кейін JA-60N тек сыртқы сенсорларға арналған интерфейс ретінде жұмыс істейді. Екі кіріс ілмегі (TMP & INP терминалдары) GND терминалынан ажыратылған кезде іске қосылады.
INP – бұл кіріс іске қосылған кезде (GND-ден ажыратылған), JA-60N кіріктірілген магниттік сенсор іске қосылғандай ақпаратты жібереді. Жүйенің реакциясын DIP қосқышының нөмірі 1 арқылы таңдауға болады (ON (қосулы)= лездік немесе 1= кешіктірілген).
TMP – бұл кіріс іске қосылған кезде (GND-ден ажыратылған), құрылғы кіріктірілген бүлдіру сенсоры іске қосылғандай ақпаратты жібереді.
Теңдестірілген ілмектер – INP & TMP кірістерін жоғары қауіпсіздік үшін теңдестірілген ілмек кірістері ретінде де пайдалануға болады. Егер сіз ілмектің соңына (INP немесе TMP) 10k соңындағы резисторды орнатсаңыз, JA-60N бұл жағдайды автоматты түрде таниды және осы сәттен бастап ол кедергінің өзгеруіне әсер етеді (өзгерулер ±30% немесе одан да көп кірісті іске қосады).

Детекторды жүйеге тіркеу
Детекторды тіркеу үшін тіркеу режиміне қалай кіру керектігін білу үшін қабылдағыш құрылғының (басқару панелі) орнату нұсқаулығын қараңыз. Детекторға екі AAA батареясын орнатыңыз (полярлық детекторда белгіленген) және оны ашық қалдырыңыз. Батареялар орнатылғаннан кейін детектор тіркеу сигналын жасайды.
Детекторды тестілеу
Детектордың қақпағын бекітіңіз және осы сәттен бастап детектор 5 минут бойы тестілеу режимінде болады және детектордың жарықдиоды әрбір іске қосылуды көрсетеді. Қақпақ жабылғаннан кейін бес минуттан соң детектор автоматты түрде қалыпты режимге өтеді және оның жарықдиодты индикаторы өшіріледі (батарея қуатын үнемдеу функциясы). Қажет болса, қосымша 5 минутқа тестілеу режимін қалпына келтіру үшін детектордың қақпағын ашып, жабыңыз.
Ескертпе: егер сіз DIP қосқышының параметрін өзгертсеңіз, жүйе детектордың қақпағы жабылғаннан кейін жаңа параметрді қабылдайды.
Детектордың қалыпты жұмыс режимі
Детектор қалыпты жұмыс режимінде батарея қуатын үнемдейді. Ол жарықдиодымен іске қосылуды көрсетпейді, бірақ әрбір іске қосылу тек жүйеге беріледі. Детектор өзін-өзі тұрақты түрде тексереді және толық қадағалау үшін жүйеге өз жағдайын хабарлайды.
Импульстік режим – қалыпты режимде, лездік реакция орнатылған кезде, детектор жүйеге есіктің күйі туралы тұрақты түрде хабарлайды (ашық немесе жабық). Егер батареяны орнату кезінде бүлдіру қосқышы басылып тұрса, детектор импульстік режимде болады, тек есіктің ашылуы ғана беріледі. Бұл режим батареяның қызмет ету мерзімін ұзартады, бірақ қарулану кезінде ашық есікті көрсету опциясын өшіреді. Кешіктірілген реакция орнатылған кезде, детектор тек импульстік режимде жұмыс істейді.
Батареяны тексеру және ауыстыру
Детектор батареяларының жағдайын автоматты түрде тексереді. Егер оның батареяларын ауыстыру қажет болса, детектор жүйеге жаңа батареялардың қажеттілігі туралы хабарлайды. Бұл режимде детектор қалыпты жұмыс істейді, бірақ әрбір іске қосылу оның жарықдиодының жыпылықтауымен көрсетіледі. Осылайша батареяларды ауыстыру қажет екенін тануға болады. Батареяның заряды аз екендігі көрсетілсе, оны мүмкіндігінше тезірек (бір апта ішінде) ауыстыру керек.
Батареяларды ауыстырмас бұрын, қабылдағышты (басқару панелін) детекторды ашуға мүмкіндік беретін режимге (User (Пайдаланушы) немесе Programming (Бағдарламалау) режимі) қою керек.
Ауыстыру үшін тек жоғары сапалы сілтілік AAA батареяларын пайдаланыңыз. Жаңа батареяларды орнатқаннан кейін детектор тестілеу режимінде болады және әрбір іске қосылу детектордың жарықдиодымен көрсетіледі. Қақпақ жабылғаннан кейін бес минуттан соң детектор автоматты түрде қалыпты режимге өтеді және оның жарықдиодты индикаторы өшіріледі (батарея қуатын үнемдеу функциясы).
Нұсқаулықты жүктеп алу
Мұнда нұсқаулықтың толық pdf нұсқасын жүктеп алуға болады, онда қосымша қауіпсіздік нұсқаулары, кепілдік туралы ақпарат, FCC ережелері және т.б. болуы мүмкін.
Jablotron JA-60N - Сымсыз әмбебап детектор нұсқаулығы жүктеп алу
