Manual do INVERSOR DE EMERGÊNCIA LED GREENLUX II

INTRODUÇÃO
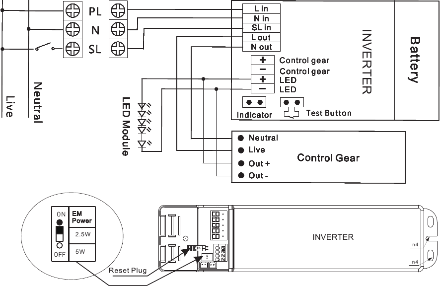
- A corrente de saída do driver de LED está abaixo de 4.0A.
![GREENLUX - INVERSOR DE EMERGÊNCIA LED II - Corrente de saída - Passo 1 Corrente de saída - Passo 1]()
- A corrente de saída do driver de LED está acima de 4.0A.
![GREENLUX - INVERSOR DE EMERGÊNCIA LED II - Corrente de saída - Passo 2 Corrente de saída - Passo 2]()
CLASSIFICAÇÃO E ATRIBUIÇÃO
Módulo de emergência para uso com luminárias LED alimentadas por corrente constante. Projetado para luminárias LED à prova de poeira ou similares Não SELV com uma tensão de alimentação de 50-160VDC. Não é projetado para luminárias LED de alta intensidade. O produto é projetado para utilizar o driver de LED separado existente na instalação da luminária, onde não é necessário interromper o circuito de LED. A unidade pode ser instalada como unidade mantida ou não mantida e permite que a mesma luminária LED seja usada para operação normal e de emergência. O módulo inclui bateria de 1500mAh. A potência de saída do módulo pode ser controlada por dipps em 2,5W, 5W. O tempo de operação de emergência depende da potência de saída selecionada (2,5W = min 1,5h, 5W = min 3h). O fluxo luminoso das luminárias no modo de emergência depende da potência de saída selecionada. O produto possui proteção contra descarga, sobrecarga e curto-circuito.
EXPLICAÇÃO DOS SINAIS E SÍMBOLOS UTILIZADOS

S1 Tensão nominal, frequência.
S2 Potência nominal de saída.
S3 Corrente nominal.
S4 Conformidade com a norma EN 61347-2-7.
S5 Dispositivo de controle independente
S6 Proteção de segunda classe contra choque elétrico.
S7 Tipo de bateria
S8 (IP20) >12.5 mm Dedos ou ferramentas e objetos de tamanho similar. Não protegido contra entrada de água.
S9 Fator de potência.
S10 Use apenas em ambientes internos.
S11 Cumpre os requisitos da avaliação de conformidade CE para aplicação segura na União Europeia.
S12 Cumpre os requisitos da diretiva RoHS (Restrição de Substâncias Perigosas) de acordo com os regulamentos da UE.
O1-O2 Consulte a seção PROTEÇÃO AMBIENTAL.
INSTRUÇÕES DE SEGURANÇA / MONTAGEM / INSTALAÇÃO
- Antes de iniciar a instalação, familiarize-se com o manual.
- Durante a montagem e instalação, é necessário seguir os procedimentos nos desenhos.
- A instalação e a avaliação de aplicabilidade para as condições específicas devem ser realizadas por pessoal devidamente qualificado.
- O produto não pode ser instalado na superfície ou perto de materiais ou objetos inflamáveis, combustíveis, etc. É necessário seguir as medidas de proteção contra incêndio.
- O produto não pode ser usado em um ambiente com gás, biogás, vapores químicos, produtos químicos e condições similares que afetem a segurança, a funcionalidade do produto e a proteção contra incêndio.
- Proteja o produto do calor excessivo, principalmente durante a montagem no teto sob o telhado, ou contra superaquecimento devido ao efeito de outros aquecedores, ventilação, bombas, etc.
- O produto não se destina ao uso em ambientes com alta umidade - por exemplo, em piscinas, saunas, banheiras de hidromassagem, spas e similares.
- O produto é adequado para montagem em superfícies inflamáveis (a superfície não inflama, por exemplo, concreto, gesso, metal) normalmente inflamáveis (o ponto de inflamação é pelo menos igual a 200°C quando não há amolecimento ou deformação devido à temperatura, por exemplo, madeira e materiais de madeira, com uma espessura superior a 2 mm).
- Qualquer operação durante a instalação, operação, ajuste ou manutenção do módulo e da bateria deve ser realizada após desconectar a fonte de alimentação. É necessário evitar a possível conexão da fonte de alimentação por outra pessoa.
- Antes da primeira utilização, é necessário certificar-se de que a fixação mecânica, a conexão elétrica e as condições de uso estão em ordem.
INSTRUÇÕES DE OPERAÇÃO / MANUTENÇÃO
- O produto requer inspeção periódica de funcionalidade e operação de acordo com os regulamentos e leis associadas ao local e forma de uso. É necessário cumprir os requisitos regulamentares para documentação de luminárias de emergência.
- O produto pode ser aquecido a uma temperatura de operação mais alta. O produto não deve ser coberto e o superaquecimento da temperatura de operação afeta outra fonte de calor.
- O produto não deve ser usado com a tampa rachada ou quebrada ou sem ela. É necessário substituir imediatamente a tampa rachada. Se a tampa não estiver fixa, o módulo deve ser desconectado da rede e não utilizado.
- Acessórios para limpeza. Não use agentes químicos que perturbem o material do módulo.
BATERIA
- A substituição da bateria é necessária assim que o módulo não atender mais aos requisitos de tempo de operação nominal.
- Para substituição, devem ser usadas baterias do mesmo tipo e parâmetros (LiFePO4, 1500mAh, 6,4V, carregamento I/U 200mA/ 6,4V).
- Após substituir a bateria por uma nova, é necessário marcá-la na etiqueta com a data de comissionamento.
- O carregamento total da bateria é alcançado após 24 horas de carregamento.
- Não descarte as baterias usadas no fluxo de lixo normal, mas entregue-as no ponto de coleta de baterias.
TESTE
- Na alimentação CA - a luz indicadora está verde.
- Depois de pressionar o botão de teste (testar), a fonte de alimentação principal é interrompida, a luz indicadora para de iluminar, a luz de emergência é ligada.
- Quando o botão de teste (testar) é liberado, a bateria é recarregada e a luz indicadora fica verde.
- Se isso não funcionar no teste (testar), verifique se a fiação está correta.
PROTEÇÃO AMBIENTAL / INSTRUÇÕES PARA USO DO PRODUTO
O1 Preste atenção à limpeza, proteção ambiental e gestão de resíduos.
O2 A designação do produto deve ser apresentada para fins de descarte gerenciado - coleta de equipamentos elétricos e eletrônicos. Esses produtos não devem ser descartados junto com lixo comum ou outro, sob pena de multa. Esses produtos podem ser prejudiciais ao meio ambiente e à saúde humana e exigem outras formas de processamento, especialmente por meio de reciclagem ou descarte. Produtos com esta marcação devem ser entregues em um ponto de coleta de equipamentos elétricos e eletrônicos. Informações sobre os pontos de coleta desses produtos são fornecidas pelas autoridades locais ou vendedores desse tipo de mercadoria. Quando sua vida útil terminar, o equipamento também pode ser entregue ao vendedor ao comprar um novo produto, desde que a quantidade devolvida não seja maior que a quantidade comprada para o mesmo tipo de equipamento.
Nenhuma alteração ou modificação técnica é aceitável. Caso contrário, todas as responsabilidades são transferidas para a pessoa que realizar tais alterações. O não cumprimento deste manual pode causar incêndio, queimaduras, choque elétrico, lesões físicas e outros danos materiais ou imateriais. O fornecedor não é responsável de forma alguma pelas consequências do não cumprimento das recomendações fornecidas por meio deste manual, incluindo montagem ou instalação inadequada, operação, manutenção e supervisão insuficientes durante o uso ou outras consequências - entre outros, o local e o método de uso. Recomendamos que você guarde este manual.

Baixar manual
Aqui você pode baixar a versão completa em PDF do manual, ela pode conter instruções de segurança adicionais, informações de garantia, regras da FCC, etc.
Baixar Manual do INVERSOR DE EMERGÊNCIA LED GREENLUX II

