Jensen CAR1013 - Manual do Recetor de Media
- 1 Preparação
- 2 Rotação do ecrã
- 3 Diagrama de cablagem de entradas/saídas
- 4 Localizações dos controlos
- 5 Funcionamento geral
- 6 Funcionamento do áudio
- 7 Funcionamento do sintonizador AM/FM
- 8 Funcionamento USB
- 9 Compatibilidade de média
- 10 Funcionamento Bluetooth
- 11 Definições de orientação de condução
- 12 Funcionamento do Apple CarPlay
- 13 Funcionamento do Android Auto
- 14 Entrada RCA Traseira
- 15 Funcionamento da Câmara Frontal e Traseira
- 16 Ajustar a Imagem do Ecrã da Câmara Frontal e Traseira
- 17 Funcionamento da Entrada SWC
- 18 Dicas de Instalação do PAC SWI-RC
- 19 Resolução de Problemas
- 20 Especificações
- 21 Notas de segurança
- 22 Garantia limitada de três anos
- 23 Referências
- 24 Descarregar manual
- 25 Em Outros Idiomas

Preparação

Guia de instalação
Preparação para a instalação

Conteúdo da embalagem
- Unidade principal
- Manga de montagem para 1 DIN
- Chaves de remoção
- Kit de parafusos
- Manga do chassis para instalação de 2 DIN
- Anel de acabamento
- Chicote de fios
- Microfone
- Antena GPS (apenas para CarPlay e Android Auto)
Instalação
Antes de começar
- Consulte um técnico qualificado para obter instruções. Recomendamos sempre a instalação profissional.
- Desligue o terminal negativo da bateria.
- Remova o anel de acabamento da unidade (se instalado).
- Insira as chaves de remoção e remova a manga de montagem do recetor.
Nota: A maioria dos veículos requer um kit de instalação, um chicote de fios e/ou um adaptador de antena (todos vendidos separadamente) para instalar corretamente a unidade principal no veículo.
Instalar a manga de montagem e o anel de acabamento

- Instale a manga de montagem num kit do painel (vendido separadamente) ou na abertura do painel, dobrando as patilhas para fixar a manga de montagem.
- Ligue o chicote de fios, o microfone e a antena ao chassis do rádio.
- Encaixe o anel de acabamento no lugar, certificando-se de que a área entalhada está na parte inferior.
- Deslize o recetor para dentro da manga de montagem para fixar.
Ligar o LCD ao chassis

Para ligar o LCD à unidade, empurre cuidadosamente o conector do LCD para dentro do chassis do recetor até ouvir um clique, conforme mostrado acima.
Remover o LCD do chassis
- Mantenha premidos os dois botões de libertação
- Puxe suavemente o painel de visualização para a frente
Instalar a manga do chassis de 2 DIN
- Fixe a manga do chassis de 2 DIN utilizando (4) parafusos M2.5*4
![]()
OU
- Instale a manga do chassis de montagem de 2 DIN na parte superior do chassis (mostrado acima) ou na parte inferior do chassis (mostrado abaixo).
![]()
Instalar os suportes laterais de montagem
Os suportes de montagem mostrados abaixo ou o kit de montagem do veículo opcional não estão incluídos

Instale os suportes de montagem no chassis do rádio ou na manga do chassis de 2 DIN, dependendo da opção de montagem escolhida, conforme mostrado no Passo n.º 1 à esquerda.

Instalação concluída
Rotação do ecrã

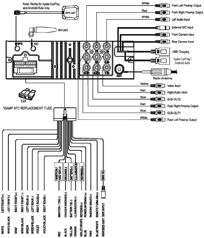
Diagrama de cablagem de entradas/saídas

Nota:
Ao substituir um fusível, certifique-se de que utiliza o tipo e a amperagem corretos. A utilização de um fusível incorreto pode causar danos. A unidade utiliza (1) fusível mini ATC de 15 amp localizado no conector de alimentação.
Entrada da câmara traseira
Uma câmara de visão traseira (não incluída) pode ser utilizada com a entrada da câmara.
Localizações dos controlos

O ecrã do rádio apresenta as seguintes funções e visualizações:
- Botão de ativação por voz
- Fonte/Início
- Alimentação/Volume/Silêncio
- Repor
- Botão Anterior
- Botão Seguinte
Funcionamento geral
| Ligar/Desligar | Prima momentaneamente para ligar a unidade. Prima sem soltar para desligar a unidade. |
| Volume | Rode o botão do volume para aumentar ou diminuir o nível do volume. |
| Silêncio | Prima momentaneamente MUTE para silenciar o áudio. Prima momentaneamente MUTE novamente para regressar ao volume selecionado anteriormente. Rodar o botão do volume enquanto o volume está silenciado também cancelará a função de silêncio. |
| Modo | Prima SOURCE para percorrer os seguintes modos de funcionamento: Rádio/Telefone BT/Áudio BT/Apple CarPlay/Android Auto/USB/Câmara/EQ/AV/Definições. Nota: Os modos de funcionamento também podem ser acedidos selecionando o ícone correspondente no menu principal. |
| Menu principal | ![]() Prima o ícone no canto superior esquerdo do ecrã para apresentar o menu principal do OSD. Prima os ícones Rádio/Telefone BT/Áudio BT/Apple CarPlay/Android Auto/USB/Câmara/EQ/AV/Definições para selecionar a fonte pretendida. |
| Entrada A/V | Ligue dispositivos externos à entrada A/V traseira RCA Tipo A. |
| USB | Ligue uma pen USB à entrada USB traseira. |
| Repor | Para resolver um funcionamento anormal ou se a unidade estiver inoperacional, prima o botão RESET (REPOR) localizado no painel frontal, conforme mostrado na secção Localizações dos controlos. A unidade reporá o processador principal para as definições predefinidas. Nota: Utilize a ponta de uma caneta para aceder ao botão de repor e restaurar as definições de software predefinidas de fábrica. |

No ecrã do menu principal, selecione Configuração para aceder ao menu Definições e selecione entre oito categorias representadas pelos ícones à esquerda do ecrã: Geral, Áudio, Ecrã, Wi-Fi, Bluetooth, Câmara, Região e Versão. Selecione a categoria e ajuste qualquer uma das opções disponíveis utilizando o ecrã tátil.
Geral:
- Idioma: Selecione entre inglês e espanhol.
- Fuso horário: Selecione o fuso horário pretendido.
- Data e hora: Ajuste o dia, mês, ano, hora, minuto e formato.
- Horário de verão: Ligue ou desligue.
- Tom de aviso sonoro: Ligue ou desligue.
- Atraso de desligar: Selecione 1 segundo, 2 segundos, 3 segundos ou Desligado.
- Predefinição de fábrica: Reponha a unidade para as definições predefinidas de fábrica.
- Condução pela direita: Ligue ou desligue. Quando o item está desligado, está no modo de condução pela esquerda e, quando o item está ligado, está no modo de condução pela direita. A definição predefinida é Desligado (modo de condução pela esquerda).
Áudio:
- Equilíbrio/Atenuação - Selecione para ajustar as definições de equilíbrio/atenuação.
- Subwoofer - Ligue/desligue o controlo do subwoofer.
- Frequência do subwoofer- Selecione a frequência do subwoofer.
- Nível do subwoofer - Selecione o subwoofer 0-14 (7 é o predefinido).
- EQ - Selecione para ajustar as definições de EQ.
- Intensidade - Selecione para ligar ou desligar a funcionalidade de intensidade.
- Volume predefinido - Selecione para ajustar as definições de volume predefinidas.
- Nível da fonte - Selecione para ajustar as definições de nível da fonte.
Ecrã:
- Controlo da iluminação - Selecione para ligar ou desligar o controlo da iluminação.
- Nível de cinzentos e brilho - Ajuste as definições de nível de cinzentos e brilho para o dia e a noite.
- LED - Selecione uma cor para as luzes dos botões LED.
- Animação LED - Selecione para ligar ou desligar a animação LED.
- Papel de parede - Selecione uma das três opções de papel de parede.
Wi-Fi: Ligue/desligue o Wi-Fi, reponha a palavra-passe ou veja a lista de dispositivos.
Bluetooth: Ligue/desligue o Bluetooth, a ligação automática e a resposta automática, veja o nome do dispositivo e limpe os nomes e números da lista telefónica.
Câmara: Ligue/desligue a câmara frontal e traseira, inverta as visualizações da câmara, ligue/desligue a assistência ao estacionamento, ajuste as definições da assistência ao estacionamento e ajuste o atraso da visão traseira.
Rádio: Ajuste a região e ligue/desligue o TA e o AF.
Versão: Veja as informações da versão.
Funcionamento do áudio

Menus de ajuste de áudio
No ecrã Definições, prima o ícone do equalizador (ver n.º 3 em Controlos no ecrã) para ajustar o equalizador (controlo de tom de 10 bandas e 7 definições de EQ predefinidas), o som surround e os controlos de atenuação/equilíbrio,
Funcionamento do sintonizador AM/FM

| Funcionamento do rádio | No menu principal, toque no ícone do rádio para selecionar o modo de sintonizador AM/FM. |
| Prima para regressar ao ecrã do menu principal. |
| Prima para percorrer três bandas FM e duas bandas AM. |
| Prima para alternar entre a sintonização local ou à distância. |
| Prima para analisar todas as predefinições sintonizáveis na banda atual e reproduzi-las durante 3 segundos cada. |
| Prima para sintonizar automaticamente para uma frequência mais baixa. |
| Prima para apresentar o teclado. |
| Prima para sintonizar automaticamente para uma frequência mais alta. |
| Prima para procurar e armazenar automaticamente as seis estações mais fortes na banda atual. É possível armazenar um total de 18 estações FM e 12 estações AM. |
| Prima para aceder e ajustar as definições de áudio. |
| Para armazenar uma estação como predefinição na banda atual, sintonize a estação pretendida, prima sem soltar o número predefinido pretendido para armazenar. Prima qualquer botão predefinido para recuperar e iniciar a reprodução dessa estação. (Mantenha este botão premido durante alguns segundos e este alternará entre AS e PS) |
Funcionamento USB

| USB | No menu principal, toque no ícone USB no ecrã principal. |
| Prima para regressar ao ecrã do menu principal. |
| Apresenta a fonte que está a ser reproduzida atualmente. |
| Prima para voltar ao ecrã anterior. |
| Apresenta os números de ficheiro atuais/totais. |
| Apresenta as informações disponíveis sobre o ficheiro atual. |
| Apresenta o tempo decorrido/restante na faixa atual. |
| Prima para aceder e ajustar as definições de áudio. |
| Prima para avançar para a música seguinte |
| Prima para reproduzir aleatoriamente todas as faixas na pasta atual e novamente para reproduzir aleatoriamente todas as faixas. Prima novamente para sair do modo aleatório. |
| Prima para pausar ou retomar a reprodução. |
| Prima para regressar ao início da faixa atual. |
| Prima para repetir a faixa atual e ajustar para repetir todas as faixas na pasta atual. Prima novamente para sair do modo de repetição. |
Compatibilidade de média
| Tipo de ficheiro | MP3 | ||
| Sistema de ficheiros | FAT | FAT 12 | X |
| FAT 16/FAT 32 | | ||
| Extensão de ficheiro | .mp3/.MP3/.Mp3/.mP3/.flac/ogg | | |
| .rmp/.m4a | X | ||
| Formato MPEG | MPEG 1 | | |
| MPEG 2 | | ||
| MPEG 2.5 | | ||
| Frequência de amostragem | MPEG 1 | 32/44.1/48kHz | |
| MPEG 2 | 12/16/22.05/24kHz | ||
| MPEG 2.5 | 8/11.025/12kHz | ||
| Taxa de bits | MPEG 1 | 32 ~ 320kbps | |
| MPEG 2 | 8 ~ 160kbps | ||
| MPEG 2.5 | 8 ~ 160kbps | ||
| Outras informações | Profundidade do diretório | Ilimitado | |
| Comprimento do nome do ficheiro | 32 bytes | ||
| Número total de ficheiros | 2000 ficheiros | ||
| Número total de pastas | 200 pastas | ||
| Número de ficheiros através da pasta | 2000 ficheiros | ||
| MP3 ID3 TAG | ver.1.x | | |
| ver.2.x | | ||
| Título, Artista, Álbum | | ||
Notas:
- Devido ao avanço tecnológico contínuo, algumas unidades flash USB podem ser incompatíveis com esta unidade.
| Compatibilidade de média | Os seguintes tipos de ficheiros não são compatíveis:
|
| Ordem de reprodução | A sequência de reprodução de MP3 começa na pasta raiz do dispositivo USB. Quaisquer pastas vazias ou pastas que não incluam ficheiros MP3 são ignoradas. |
| Formatos de gravação compatíveis | Normas ISO9660:
|
| Notas | Alguns ficheiros podem não ser reproduzidos ou exibidos corretamente, dependendo das taxas de amostragem e das taxas de bits. Para obter melhores resultados, utilize as seguintes definições ao ripar ficheiros MP3: taxa de bits constante de 128 kbps ou superior frequência de amostragem de 44,1 kHz ou superior |
Funcionamento Bluetooth


| Antes de utilizar o Bluetooth | Antes de poder utilizar um dispositivo Bluetooth para fazer chamadas em modo mãos-livres ou transmitir áudio, este tem de ser autenticado. Isto também é conhecido como "emparelhar" um dispositivo. |
| Emparelhar um novo dispositivo | A unidade transmite constantemente o sinal de emparelhamento quando não existem dispositivos atualmente conectados. Conclua a sequência de emparelhamento a partir do seu dispositivo Bluetooth. Consulte o manual do proprietário do seu dispositivo para obter mais detalhes. O nome do dispositivo é "CAR1013". A unidade pode estar em qualquer modo de funcionamento quando o emparelhamento é efetuado. Em alguns telefones, o emparelhamento pode ter de ser efetuado mais do que uma vez. |
| Conectar | A unidade principal irá conectar-se automaticamente ao último dispositivo conectado quando a função de conexão estiver definida como Auto connect On (Conexão automática ligada). Se a função de conexão estiver definida como Auto Connect Off (Conexão automática desligada), a unidade principal não se conectará automaticamente a nenhum dispositivo. |
| Telefone Bluetooth | A partir do menu principal, toque em Bluetooth no ecrã. O ícone Bluetooth aparecerá sempre que um dispositivo Bluetooth estiver conectado. |
| Prima para voltar ao ecrã do menu principal. |
| Prima para exibir o teclado. |
| Prima para exibir a lista de contactos. |
| Prima para exibir a lista de chamadas recentes. |
| Prima para exibir a lista de dispositivos. |
| Exibe o número de telefone à medida que é marcado. |
| Prima para retroceder ao marcar um número de telefone. |
| Prima para conectar uma chamada. |
| Utilize o Teclado telefónico para introduzir um número de telefone. |
| Prima para terminar uma chamada em curso ou rejeitar uma chamada recebida. |
| Prima para ligar ou desligar a voz do microfone. |
| Prima para introduzir um número de telefone. |
| Prima para transferir áudio entre a unidade e o telemóvel. |
| Prima o ícone para voltar ao início da faixa atual. |
| Prima o ícone para pausar ou retomar a reprodução. |
| Toque no ícone para avançar para a música seguinte. |
| Prima para transferir áudio entre a unidade e o telemóvel. |
Definições de orientação de condução

Para melhorar a experiência de condução, o CAR1013 permite ao utilizador configurar o Apple CarPlay e o Android Auto para veículos com volante à esquerda (LHD) ou com volante à direita (RHD).
Para selecionar a configuração desejada, selecione LHD ou RHD no menu Settings (Definições).
Nota: Se alterar a definição para o modo Right Hand Drive (Volante à direita) ou Left Hand Drive (Volante à esquerda) enquanto o telefone estiver conectado ao recetor, desligue o telefone do recetor e volte a conectá-lo.
As opções de configuração resultantes são apresentadas abaixo:

Funcionamento do Apple CarPlay
O Apple CarPlay é uma interface inteligente para iPhone, que lhe permite controlar por voz (através da Siri) aplicações de música, navegação, telefone e mensagens, reduzindo significativamente a distração do condutor.
![]() | Telefone - Utilize a Siri para fazer chamadas, devolver chamadas perdidas, ouvir mensagens de correio de voz e ver o identificador de chamadas no ecrã do recetor. |
![]() | Mensagens - Peça à Siri para enviar, ler e responder a mensagens de texto. Esta operação em modo mãos-livres minimiza a distração e permite-lhe manter as mãos no volante e os olhos na estrada. |
![]() | Música - Aceda à música por artista, música, lista de reprodução e muito mais através do ecrã tátil do recetor ou através da Siri. O recetor espelhará o ecrã do iPhone com informações sobre o artista e a faixa. |
![]() | Mapas - Utilize a Siri para solicitar direções passo a passo, pesquisando por endereço ou pontos de interesse. O Apple Maps será espelhado no ecrã, incluindo informações de trânsito e tempo estimado até ao destino. |
Dispositivos compatíveis
Fabricado para modelos de iPhone:
iPhone 13 mini, iPhone 13, iPhone 13 Pro, iPhone 13 Pro Max, iPhone 12 mini, iPhone 12, iPhone 12 Pro, iPhone 12 Pro Max, iPhone 11 Plus, iPhone 11, iPhone XS Max, iPhone XS, iPhone XR, iPhone X, iPhone 8, iPhone 8 Plus, iPhone 7, iPhone 7 Plus, iPhone 6, iPhone 6S
Iniciar o Apple CarPlay
Descrição da conexão sem fios do CarPlay.
- Entre na interface do utilizador principal e clique em BT Phone (Telefone BT) para entrar na interface Bluetooth;
- Clique em Refresh (Atualizar) para procurar o Bluetooth nas proximidades, clique em Pair (Emparelhar) para corresponder ao Bluetooth;
- Abra o WLAN do iPhone para se conectar ao carro, após a conexão ser bem-sucedida, o ícone do Apple CarPlay na lista de dispositivos aparecerá e a conexão do Apple CarPlay será bem-sucedida;
- Entre na interface do Apple CarPlay, clique nas funções de Phone (Telefone)/ Music (Música)/Map (Mapa)/Information (Informações)/etc.
Nota: Por motivos de segurança, as funcionalidades do Apple CarPlay são limitadas durante a condução e variam consoante cada aplicação com Apple CarPlay ativado. As funções disponíveis são determinadas por cada fornecedor de aplicações individual. Para mais informações, visite www.apple.com/ios/carplay.
Nota: Algumas funções do iPhone podem ser ilegais durante a condução no seu local. Certifique-se de que está familiarizado com as leis locais e estaduais relativas a dispositivos móveis. Em caso de dúvida, pare e estacione o seu veículo antes de utilizar qualquer dispositivo.
Quando o menu Apple CarPlay é exibido, o botão home no canto inferior esquerdo funciona como o botão home no seu iPhone.
Prima sem soltar para invocar a Siri e iniciar os seus comandos de voz.
A qualquer momento durante o funcionamento do Apple CarPlay, pode premir este botão momentaneamente para regressar ao ecrã do menu principal do Apple CarPlay.

Prima qualquer botão Application (Aplicação) no menu principal do Apple CarPlay para aceder diretamente a essa operação. A barra de ferramentas no lado esquerdo do ecrã exibe a hora, a intensidade do sinal e os atalhos para as aplicações mais populares - Phone (Telefone), Music (Música) e Navigation (Navegação) - para que possam ser acedidas de forma rápida e fácil sem regressar ao menu principal.
A controlar o Apple CarPlay
Os seguintes controlos básicos irão operar muitas funcionalidades padrão do Apple CarPlay.
![]() | Touch (Toque) - Prima brevemente a opção desejada. |
![]() | Swipe (Deslizar) - Deslize brevemente na direção desejada. |
![]() | Drag (Arrastar) - Prima, mantenha premido e arraste para o local desejado. |
A sair do Apple CarPlay
Desconectar o seu iPhone irá sair automaticamente do modo Apple CarPlay. Para sair do modo Apple CarPlay enquanto o seu telefone ainda está conectado, prima momentaneamente o botão Power/Volume (Alimentação/Volume) e o menu principal da unidade será exibido.
Funcionamento do Android Auto
O Android Auto traz as aplicações mais úteis para o ecrã do seu telefone ou para o ecrã do seu carro compatível, num formato que facilita a manutenção do foco principal na condução. Pode controlar itens como navegação e mapas, chamadas e mensagens de texto, e música.
Google Assistant
Com o Google Assistant no Android Auto, pode manter os olhos na estrada e as mãos no volante enquanto usa a voz para ajudá-lo no seu dia a dia. Basta dizer "Ok Google" ou, em carros compatíveis, pressionar longamente o botão de controlo de voz no volante.
Navegação
Obtenha alertas de trânsito em tempo real para evitar perigos, armadilhas de velocidade e encontrar o percurso mais rápido. Ou faça uma pausa e encontre algo para comer pelo caminho.
Chamadas e Mensagens
O Google Assistant permite que se mantenha conectado enquanto conduz. O seu Assistant pode ajudá-lo a ligar para números de telefone dos seus contactos, conversar com as suas aplicações favoritas, ler as suas mensagens em voz alta e responder por texto, mantendo as mãos no volante.
Dispositivos Compatíveis
O Android Auto requer que a aplicação Android Auto do Google Play esteja instalada num smartphone Android com Android Lollipop 5.0 ou superior.
Certos usos do smartphone podem não ser legais enquanto conduz na sua jurisdição, pelo que deve estar ciente e obedecer a quaisquer restrições desse tipo. Em caso de dúvida quanto a uma função específica, realize-a apenas quando o carro estiver estacionado. Nenhuma funcionalidade deve ser usada, a menos que seja seguro fazê-lo nas condições de condução que está a enfrentar.
A iniciar o Android Auto
Descrição da ligação Android Auto sem fios.
- Aceda à IU principal e clique em BT Phone para aceder à interface Bluetooth;
- Clique em Refresh (Atualizar) para pesquisar o Bluetooth próximo. É melhor ligar a WLAN do seu telefone antes de se conectar ao Bluetooth, caso contrário, a conexão falhará;
- Clique em Pair (Emparelhar) para corresponder ao Bluetooth, então haverá uma notificação para selecionar as configurações e selecionar o seu telemóvel, e a conexão Android Auto será bem-sucedida;
- Aceda à interface Android Auto, clique nas funções de Telefone/Música/Mapa/Informações/etc.
Nota: Quando o dispositivo para Android Auto está conectado a esta unidade, o dispositivo também está conectado via Bluetooth ao mesmo tempo. Se já estiverem emparelhados cinco dispositivos, a mensagem a confirmar se pretende apagar o dispositivo registado é exibida. Se quiser apagar o dispositivo, toque em [Agree] (Concordar). Se quiser apagar outro dispositivo, toque em [BT Settings] (Definições de BT) e apague os dispositivos manualmente.
Nota: Se o Android Auto estiver ligado durante uma chamada num telemóvel que não seja o dispositivo compatível com Android Auto, a conexão Bluetooth mudará para o dispositivo compatível com Android Auto após a chamada.
A utilizar o Android Auto
O ecrã inicial do Android Auto exibe informações personalizadas, como o tempo até ao seu destino, lembretes, chamadas recentes, mensagens recebidas, a música que está a ouvir e os cartões do Google Now.
Quando o menu Android Auto é exibido, pode dizer "OK Google" ou selecionar o microfone no canto superior direito para falar com o Google.

- Aplicações Recentes
- Google Assistant
- Google Maps
- YouTube
- Phone
- Settings
A sair do Android Auto
Para sair do Android Auto, pressione o botão Exit (Sair). Desconectar o seu telefone Android sairá automaticamente do modo Android Auto.
Entrada RCA Traseira
A/V IN
Conecte uma fonte de áudio/vídeo opcional na entrada RCA (traseira).
Ajuste o volume na fonte de áudio externa conforme necessário (se conectado à saída de auscultadores do dispositivo).
Funcionamento da Câmara Frontal e Traseira
(Opcional)

| A utilizar as Câmaras | Conecte uma câmara opcional à entrada da Câmara frontal ou traseira. Consulte o diagrama de cablagem para obter detalhes. |
| Seleção Automática | A unidade selecionará automaticamente o modo de câmara quando conectado ao circuito da lâmpada de marcha-atrás. Toque no ícone CAMERA (CÂMARA) no Menu Principal (quando ativado) para selecionar o modo de câmara. Nota: O modo manual é para câmaras dedicadas que estão conectadas ao fio de ignição de 12VDC+ e estão sempre ligadas durante a condução, não se destina a câmaras que estão conectadas à luz de marcha-atrás do veículo. |
Ajustar a Imagem do Ecrã da Câmara Frontal e Traseira

Se as suas câmaras frontal ou traseira parecerem ter uma imagem invertida no ecrã do rádio, aceda à secção Câmara no menu Definições para inverter a imagem da câmara. Para fazer isto, alterne a função "Rear Camera View Reverse" (Inverter Visualização da Câmara Traseira) ou "Front Camera View Reverse" (Inverter Visualização da Câmara Frontal) para corrigir o ângulo de visualização da(s) câmara(s).
Funcionamento da Entrada SWC
A interface SWC incorporada é compatível com os módulos de controlo do volante PAC.
O PAC SWI-RC é recomendado. Um adaptador de terceiros deve ser usado para que o CAR1013 seja compatível com quaisquer controlos do volante. Os seguintes controlos estão disponíveis para a maioria dos veículos.
|
|
|
|
|
|
| |
|
|
|
Nota: Nem todas as funções do volante OE podem ser suportadas pelo CAR1013.
Dicas de Instalação do PAC SWI-RC
- Defina "Radio Select Switch" (Interruptor de Seleção de Rádio). Defina o SWI-RC para a posição 7 - "Pioneer/Other/Sony".
- Para programar, use a ordem de mapeamento de funções de rádio Pioneer/Sony/Other para unidades Jensen.
- Ao programar o SWI-RC, se uma função não for suportada (ou não for desejada), então a função DEVE ser ignorada de acordo com as instruções do PAC SWI-RC.
- A função SWC DEVE ser programada na ordem correta de acordo com as instruções de mapeamento de funções de rádio do PAC SWI-RC.
| Ordem da Função | Mapeamento da Função | SWI-RC (Referência de 3,3VDC) | |
| Pino Central (Anel) Tensão (Seleção da Função) | Tensão do Pino da Ponta | ||
| 1 | Preset Up/Down | L 0,0 V | 1,54/1,81 |
| 2 | Mode | H 3,3 V | 0,6 |
| 3 | Seek + / Track + | H 3,3 v | 1,54 |
| 4 | Seek - / Track - | H 3,3 v | 1,81 |
| 5 | Mute | H 3,3 v | 1,01 |
| 6 | Volume + | H 3,3 v | 2,07 |
| 7 | Volume - | H 3,3 v | 2,32 |
| 8 | Band | H 3,3 v | 2,73 |
| 9 | BT Talk | L 0,0 V | 0,60 |
| 10 | BT End | L 0,0 V | 1,01 |
Resolução de Problemas
| Geral | ||
| Problema | Causa | Ação |
A unidade não liga/sem energia | Fio amarelo não conectado ou tensão incorreta Fio vermelho não conectado ou tensão incorreta | Verifique as conexões para a tensão adequada (11~16VDC) |
| Fio preto não conectado | Verifique a conexão à terra | |
| Fusível queimado | Substitua o(s) fusível(eis) | |
A unidade tem energia, mas não tem som | Fios dos altifalantes não conectados | Verifique as conexões nos altifalantes |
| Um ou mais fios dos altifalantes a tocar uns nos outros ou a tocar na terra do chassis | Isole todos os fios desencapados dos altifalantes uns dos outros e da terra do chassis | |
A unidade queima o fusível | Fio amarelo ou vermelho a tocar na terra do chassis | Verifique se há fios entalados |
| Fios dos altifalantes a tocar na terra do chassis | Verifique se há fios entalados | |
| Classificação incorreta do fusível | Use fusíveis com a classificação correta | |
A unidade tem áudio, mas não tem vídeo | Circuito de segurança do travão de estacionamento não conectado Travão de estacionamento não aplicado | Verifique as conexões no travão de estacionamento Aplique o travão de estacionamento |
O controlo remoto IR não funciona | Bateria descarregada | Substitua a bateria |
Registe o Seu Produto
Registe o seu produto online em www.jensenmobile.com.
Especificações
| Sintonizador de FM | Gama de sintonização: 87,5 MHz-107,9 MHz Sensibilidade utilizável: 10 dBf Sensibilidade de silenciamento de 50 dB: 20 dBf Separação estéreo a 1 kHz: 38 dB Resposta de frequência: 30 Hz-13 kHz |
| Sintonizador AM | Gama de sintonização: 530 kHz-1710 kHz Sensibilidade utilizável: 24 uV Resposta de frequência: 30 Hz-2,3 kHz |
| USB Traseiro | Compatibilidade: USB 2.0 de Alta Velocidade Classe USB: Classe de armazenamento em massa |
| Monitor | Tamanho do painel: Medição diagonal de 10,1" Ângulo de visão (cima/baixo/esquerda/direita): 50/70/70/70 Resolução: 1024 (H) x 600 (V) Brilho (cd/m 2 ): 500 Rácio de contraste: 500:1 Píxeis: 1 152 000 |
| Geral | Impedância de saída do altifalante: 4 ohms Tensão de saída de linha: 2 volts RMS Impedância de saída de linha: 200 ohms Dimensões do chassis: 7" X 4,1" X 2" (L x P x A) |
O design e as especificações estão sujeitos a alterações sem aviso prévio.
Especificações do Padrão de Energia CEA-2006
(referência: 14,4 VDC +/- 0,2 V, 20 Hz~20 kHz)
Potência de Saída: 16 Watts RMS x 4 canais a 4 ohms e < 1% THD+N
Relação Sinal/Ruído: 80 dBA (referência: 1 watt em 4 ohms)
Notas de segurança
Esta é uma funcionalidade de segurança para evitar distrações ao condutor. As funções de vídeo no painel só funcionarão quando o veículo estiver estacionado e o travão de estacionamento acionado. É ilegal na maioria das jurisdições que o condutor veja vídeos enquanto o veículo está em movimento.
O AVISO DE SEGURANÇA serve como um lembrete para conduzir de forma responsável e segura enquanto utiliza o seu telemóvel ou qualquer aplicação compatível com esta unidade.
Recomenda-se vivamente que a sua unidade Jensen seja instalada por um instalador profissional ou por um revendedor autorizado.
Este produto destina-se apenas a ser utilizado em veículos com terra negativo de 12 V CC.
Para evitar danos ou lesões:
- Certifique-se de que a unidade está bem ligada à terra ao chassis do veículo.
- Não remova as coberturas superior ou inferior da unidade.
- Não instale a unidade num local exposto à luz solar direta, calor excessivo ou à possibilidade de salpicos de água.
- Não sujeite a unidade a choques excessivos.
- Ao substituir um fusível, utilize apenas um novo com a classificação correta. A utilização de um fusível com a classificação errada pode causar o mau funcionamento da unidade.
- Para evitar curto-circuitos ao substituir um fusível, desligue primeiro o chicote de cabos.
- Utilize apenas o hardware e o chicote de cabos fornecidos.
- Se tiver problemas durante a instalação, consulte o seu revendedor Jensen mais próximo.
- Se a unidade apresentar um mau funcionamento, reinicie-a conforme descrito. Se o problema persistir, consulte o seu revendedor Jenses mais próximo ou ligue para o apoio técnico através do número 1-888-921-4088.
- Para limpar o monitor, limpe apenas com um pano de silicone seco ou outro pano macio. Não utilize um pano rígido ou solventes, como diluente de tinta e álcool, pois estes podem riscar a superfície do painel e/ou remover a impressão.
- Quando a temperatura da unidade desce (como no inverno), o cristal líquido no interior do ecrã torna-se mais escuro do que o habitual. O brilho normal regressa após a unidade estar em utilização durante algum tempo.
- Ao prolongar a ignição, a bateria ou a cablagem de terra, certifique-se de que utiliza cablagem de nível automóvel com um mínimo de AWG 16 ou superior para evitar quedas de tensão.
- Não toque no fluido de cristal líquido se o LCD estiver danificado ou partido. O fluido de cristal líquido pode ser perigoso para a sua saúde ou fatal. Se o fluido de cristal líquido do LCD entrar em contacto com o seu corpo ou roupa, lave-o imediatamente com sabão.
Após a instalação deste monitor/reprodutor de multimédia ("unidade") num veículo, o condutor do veículo não deve operar esta unidade assistindo a vídeos ou jogando videojogos durante a condução. O não cumprimento desta instrução pode levar à distração do condutor, o que pode resultar em ferimentos graves ou morte dos ocupantes do veículo ou de pessoas fora do veículo e/ou em danos materiais.
Vários estados proíbem a instalação de monitores/reprodutores de multimédia se o ecrã for visível a partir do banco do condutor. Se residir numa jurisdição que tenha promulgado tal lei, esta unidade não deve ser instalada de forma a que o ecrã seja visível a partir do banco do condutor. Ao instalar esta unidade na consola/painel de instrumentos frontal, a unidade deve ser posicionada de forma a que fique virada apenas para o banco do passageiro da frente. O não cumprimento desta instrução pode levar à distração do condutor, o que pode resultar em ferimentos graves ou morte dos ocupantes do veículo ou de pessoas fora do veículo e/ou em danos materiais.
Esta unidade foi concebida para que possa ser operada apenas quando o veículo estiver em "P" (estacionado) e o travão de estacionamento estiver totalmente acionado. Para este efeito, esta unidade inclui uma funcionalidade de bloqueio do travão de estacionamento que impede o funcionamento da unidade se o veículo não estiver em "P" e/ou o travão de estacionamento não estiver totalmente acionado. Ao instalar esta unidade, o instalador deve ligar o fio de deteção do travão de estacionamento ao mecanismo do travão de estacionamento para tornar a funcionalidade de bloqueio do travão de estacionamento operacional. NÃO ligue simplesmente o fio de deteção do travão de estacionamento a uma parte metálica do veículo. A instalação incorreta da funcionalidade de bloqueio do travão de estacionamento pode levar à distração do condutor, o que pode resultar em ferimentos graves ou morte dos ocupantes do condutor ou de pessoas fora do veículo e/ou em danos materiais.
Assim que a funcionalidade de bloqueio do travão de estacionamento estiver instalada, o proprietário/utilizador não deve tentar perturbar/neutralizar a funcionalidade de bloqueio do travão de estacionamento por
- acionar parcialmente o travão de estacionamento e/ou
- adquirir/utilizar qualquer dispositivo ou unidade concebida para enviar os sinais de travão necessários para a unidade.
O não cumprimento destas instruções pode levar à distração do condutor, o que pode resultar em ferimentos graves ou morte dos ocupantes do condutor ou de pessoas fora do veículo e/ou em danos materiais.
Ao operar esta unidade, mantenha o nível de volume da unidade suficientemente baixo para que os ocupantes do veículo possam ouvir sons relacionados com o trânsito, tais como veículos policiais e de emergência. O não cumprimento desta instrução pode levar à distração do condutor, o que pode resultar em ferimentos graves ou morte dos ocupantes do veículo e/ou em danos materiais.
Garantia limitada de três anos
Para obter mais informações e a localização do centro de assistência autorizado mais próximo, contacte-nos através de um dos seguintes métodos:
- Ligue-nos gratuitamente para o número (888) 921-4088
(De segunda a sexta-feira, das 9:00 às 17:00, hora de Nova Iorque) - Envie-nos um e-mail para cs@jensenmobile.com
Apoio ao Cliente
1-888-921-4088
(De segunda a sexta-feira, das 9h às 17h EST)
Visite https://www.jensenmobile.com
Referências
Descarregar manual
Aqui pode descarregar a versão completa em PDF do manual, ela pode conter instruções de segurança adicionais, informações de garantia, regras da FCC, etc.
Descarregar Jensen CAR1013 - Manual do Recetor de Media


para ligar a unidade. Prima sem soltar para desligar a unidade. 
no canto superior esquerdo do ecrã para apresentar o menu principal do OSD. Prima os ícones Rádio/Telefone BT/Áudio BT/Apple CarPlay/Android Auto/USB/Câmara/EQ/AV/Definições para selecionar a fonte pretendida.
para voltar ao início da faixa atual.
para pausar ou retomar a reprodução.
para avançar para a música seguinte.





