Sony CDX-GT610UI - Installazione e connessioni del lettore di compact disc FM/AM
- 1 Informazioni sulla sicurezza
- 2 Elenco delle parti
- 3 Esempio di connessione
- 4 Schema di collegamento
- 5 Precauzioni
- 6 Rimozione del collare di protezione e della staffa
- 7 Esempio di montaggio
- 8 Montaggio dell'unità in una giapponese
- 9 Come staccare e attaccare il pannello frontale
- 10 Avviso se l'accensione della propria auto non ha la posizione ACC
- 11 Pulsante RESET
- 12 Scarica manuale
- 13 In altre lingue

Informazioni sulla sicurezza
- Questa unità è progettata solo per il funzionamento a terra negativa (terra) a 12 V CC.
- Non mettere i cavi sotto una vite o incastrati in parti mobili (ad es. guide del sedile).
- Prima di effettuare i collegamenti, spegnere l'accensione dell'auto per evitare cortocircuiti.
- Collegare i cavi di alimentazione giallo e rosso solo dopo aver collegato tutti gli altri cavi.
- Portare tutti i cavi di terra (terra) a un punto di terra (terra) comune.
- Assicurarsi di isolare i cavi allentati e non collegati con nastro isolante per sicurezza.
- L'uso di strumenti ottici con questo prodotto aumenterà il rischio per gli occhi.
Note sul cavo di alimentazione (giallo)
- Quando si collega questa unità in combinazione con altri componenti stereo, la potenza nominale del circuito dell'auto collegato deve essere superiore alla somma del fusibile di ciascun componente.
- Quando nessun circuito dell'auto ha una potenza nominale sufficientemente alta, collegare l'unità direttamente alla batteria.
iPod è un marchio di Apple Computer, Inc., registrato negli Stati Uniti e in altri paesi.
Elenco delle parti

- I numeri nell'elenco corrispondono a quelli nelle istruzioni.
- La staffa 1 e il collare di protezione 4 sono fissati all'unità prima della spedizione. Prima di montare l'unità, utilizzare le chiavi di rilascio 3 per rimuovere la staffa 1 e il collare di protezione 4 dall'unità. Per i dettagli, vedere "Rimozione del collare di protezione e della staffa (4)" sul retro del foglio.
- Conservare le chiavi di rilascio 3 per un uso futuro poiché sono necessarie anche per rimuovere l'unità dalla propria auto.
Attrezzatura utilizzata nelle illustrazioni (non fornita)

Maneggiare la staffa 1 con cura per evitare di ferirsi le dita.

Nota
Prima dell'installazione, assicurarsi che i fermi su entrambi i lati della staffa 1 siano piegati verso l'interno di 2 mm (3/32 pollici). Se i fermi sono diritti o piegati verso l'esterno, l'unità non sarà installata saldamente e potrebbe saltare fuori.
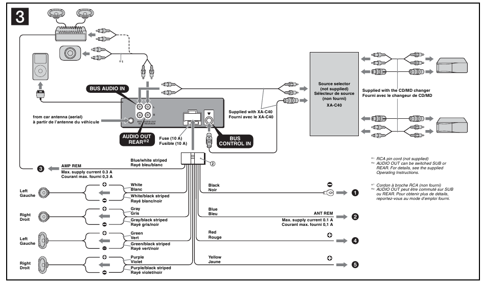
Esempio di connessione

Note (2-A)
- Assicurarsi di collegare il cavo di terra (terra) prima di collegare l'amplificatore.
- L'allarme suonerà solo se viene utilizzato l'amplificatore integrato.
Suggerimento (2-B-b)
Per collegare due o più cambia CD/MD, è necessario il selettore di sorgente XA-C40 (non fornito).
Note sul sintonizzatore radio satellitare (2-C)
- Questa unità non supporta l'XMDSON100.
- Non è possibile collegare due o più sintonizzatori radio satellitari (XM/SIRIUS) all'XA-C40 contemporaneamente.
- Quando si utilizza un sintonizzatore radio satellitare, assicurarsi di collegarlo al terminale INPUT 1 dell'XA-C40.
Schema di collegamento

- A una superficie metallica dell'auto
Collegare prima il cavo di terra (terra) nero, quindi collegare i cavi di alimentazione giallo e rosso. - Al cavo di controllo dell'antenna (aerea) motorizzata o al cavo di alimentazione del booster dell'antenna (aerea)
Note:
- Non è necessario collegare questo cavo se non è presente un'antenna (aerea) motorizzata o un booster dell'antenna (aerea), oppure con un'antenna (aerea) telescopica ad azionamento manuale.
- Quando la propria auto ha un'antenna (aerea) FM/AM integrata nel vetro posteriore/laterale, vedere "Note sui cavi di controllo e di alimentazione".
- A AMP REMOTE IN di un amplificatore di potenza opzionale
Questo collegamento è solo per amplificatori. Il collegamento di qualsiasi altro sistema potrebbe danneggiare l'unità. - Al terminale di alimentazione +12 V che viene alimentato nella posizione accessoria dell'interruttore di accensione
Note
- Se non è presente una posizione accessoria, collegare al terminale di alimentazione +12 V (batteria) che viene alimentato in ogni momento.
Assicurarsi di collegare prima il cavo di terra (terra) nero a una superficie metallica dell'auto. - Quando la propria auto ha un'antenna (aerea) FM/AM integrata nel vetro posteriore/laterale, vedere "Note sui cavi di controllo e di alimentazione".
- Al terminale di alimentazione +12 V che viene alimentato in ogni momento
Assicurarsi di collegare prima il cavo di terra (terra) nero a una superficie metallica dell'auto.
Note sui cavi di controllo e di alimentazione
- Il cavo di controllo dell'antenna (aerea) motorizzata (blu) fornisce +12 V CC quando si accende il sintonizzatore.
- Quando la propria auto ha un'antenna (aerea) FM/AM integrata nel vetro posteriore/laterale, collegare il cavo di controllo dell'antenna (aerea) motorizzata (blu) o il cavo di alimentazione accessorio (rosso) al terminale di alimentazione del booster dell'antenna (aerea) esistente. Per i dettagli, consultare il proprio rivenditore.
- Un'antenna (aerea) motorizzata senza una scatola relè non può essere utilizzata con questa unità.
Collegamento di mantenimento della memoria
Quando il cavo di alimentazione giallo è collegato, l'alimentazione verrà sempre fornita al circuito di memoria anche quando l'interruttore di accensione è spento.
Note sul collegamento degli altoparlanti
- Prima di collegare gli altoparlanti, spegnere l'unità.
- Utilizzare altoparlanti con un'impedenza da 4 a 8 ohm e con capacità di gestione della potenza adeguate per evitare danni.
- Non collegare i terminali degli altoparlanti al telaio dell'auto né collegare i terminali degli altoparlanti di destra con quelli dell'altoparlante di sinistra.
- Non collegare il cavo di terra (terra) di questa unità al terminale negativo (–) dell'altoparlante.
- Non tentare di collegare gli altoparlanti in parallelo.
- Collegare solo altoparlanti passivi. Il collegamento di altoparlanti attivi (con amplificatori integrati) ai terminali degli altoparlanti potrebbe danneggiare l'unità.
- Per evitare malfunzionamenti, non utilizzare i cavi degli altoparlanti integrati installati nella propria auto se l'unità condivide un cavo negativo (–) comune per gli altoparlanti destro e sinistro.
- Non collegare i cavi degli altoparlanti dell'unità tra loro.
Note sul collegamento
- Se l'altoparlante e l'amplificatore non sono collegati correttamente, sul display viene visualizzato "FAILURE" (ERRORE). In questo caso, assicurarsi che l'altoparlante e l'amplificatore siano collegati correttamente.
- Un altro iPod non può essere collegato tramite l'XA-110IP.
Precauzioni
- Scegliere con cura la posizione di installazione in modo che l'unità non interferisca con le normali operazioni di guida.
- Evitare di installare l'unità in aree soggette a polvere, sporco, vibrazioni eccessive o temperature elevate, come alla luce diretta del sole o vicino ai condotti del riscaldamento.
- Utilizzare solo l'hardware di montaggio in dotazione per un'installazione sicura e protetta.
Regolazione dell'angolo di montaggio
Regolare l'angolo di montaggio a meno di 45°.
Rimozione del collare di protezione e della staffa
Prima di installare l'unità, rimuovere il collare di protezione 4 e la staffa 1 dall'unità.


- Rimuovere il collare di protezione 4.
- Inserire le chiavi di rilascio 3 insieme al collare di protezione 4.
- Estrarre le chiavi di rilascio 3 per rimuovere il collare di protezione 4.
- Rimuovere la staffa 1.
- Inserire entrambe le chiavi di rilascio 3 insieme tra l'unità e la staffa 1 finché non scattano.
- Tirare giù la staffa 1, quindi tirare su l'unità per separarla.
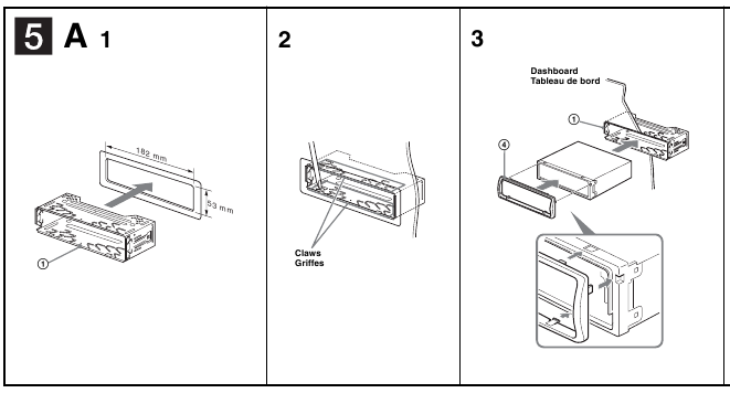
Esempio di montaggio


5-A Installazione nel cruscotto
Note
- Piegare questi artigli verso l'esterno per una vestibilità aderente, se necessario (5-A-2).
- Assicurarsi che i 4 fermi sul collare di protezione 4 siano correttamente inseriti nelle fessure dell'unità (5-A-3).
5-B Installazione di iPod
- Assicurarsi che l'iPod sia posizionato in un luogo in cui la guida non sia ostacolata, come il vano portaoggetti dell'auto, ecc.
- La lunghezza del cavo del connettore dock è di 1,25 m. Installare l'iPod entro la portata del cavo del connettore dock.
Montaggio dell'unità in una giapponese
Potrebbe non essere possibile installare questa unità in alcune marche di auto giapponesi. In tal caso, consultare il proprio rivenditore Sony.


Nota
Per evitare malfunzionamenti, installare solo con le viti in dotazione 5.
Come staccare e attaccare il pannello frontale
Prima di installare l'unità, staccare il pannello frontale.


7-A Per staccare
Prima di staccare il pannello frontale, assicurarsi di premere
.
Premere
, e tirarlo verso di sé.
7-B Per attaccare
Inserire la parte A del pannello frontale con la parte B dell'unità, come illustrato, e spingere il lato sinistro in posizione finché non scatta.
Avviso se l'accensione della propria auto non ha la posizione ACC
Assicurarsi di impostare la funzione Auto Off (Spegnimento automatico). Per i dettagli, vedere le istruzioni per l'uso fornite.
L'unità si spegnerà completamente e automaticamente nel tempo impostato dopo lo spegnimento dell'unità, il che impedisce lo scaricamento della batteria.
Se non si imposta la funzione Auto Off (Spegnimento automatico), tenere premuto
finché il display non scompare ogni volta che si spegne l'accensione.
Pulsante RESET
Quando l'installazione e i collegamenti sono completati, assicurarsi di premere il pulsante RESET con una penna a sfera, ecc., dopo aver staccato il pannello frontale.


Scarica manuale
Qui puoi scaricare la versione completa in PDF del manuale, può contenere ulteriori istruzioni di sicurezza, informazioni sulla garanzia, regole FCC, ecc.
Scarica Sony CDX-GT610UI - Installazione e connessioni del lettore di compact disc FM/AM