Sony CDX-GT20W, CDX-GT10W - Manuale di installazione/collegamento del lettore di compact disc FM/AM
- 1 Avvertenze
- 2 Elenco delle parti
- 3 Esempio di collegamento
- 4 Schema di collegamento
- 5 Precauzioni
- 6 Rimozione del collare di protezione e della staffa
- 7 Esempio di montaggio
- 8 Montaggio dell'unità in un veicolo giapponese
- 9 Come staccare e attaccare il pannello frontale
- 10 Avvertenza se l'accensione dell'auto non ha la posizione ACC
- 11 Pulsante RESET
- 12 Scarica manuale
- 13 In altre lingue

Avvertenze
- Questa unità è progettata per il solo funzionamento a 12 V CC con massa negativa.
- Non far passare i cavi sotto una vite o farli incastrare in parti in movimento (es. binario del sedile).
- Prima di effettuare i collegamenti, spegnere l'accensione dell'auto per evitare cortocircuiti.
- Collegare i cavi di alimentazione giallo e rosso solo dopo che tutti gli altri cavi sono stati collegati.
- Collegare tutti i cavi di massa a un punto di massa comune.
- Assicurarsi di isolare tutti i cavi sciolti e non collegati con nastro isolante per sicurezza.
- L'uso di strumenti ottici con questo prodotto aumenterà il rischio per gli occhi.
Note sul cavo di alimentazione (giallo)
- Quando si collega questa unità in combinazione con altri componenti stereo, la potenza nominale del circuito dell'auto collegato deve essere superiore alla somma dei fusibili di ciascun componente.
- Se nessun circuito dell'auto ha una potenza nominale sufficientemente alta, collegare l'unità direttamente alla batteria.
Apparecchiature utilizzate nelle illustrazioni (non fornite)

Elenco delle parti

- I numeri nell'elenco corrispondono a quelli nelle istruzioni.
- La staffa
e il collare di protezione
sono attaccati all'unità prima della spedizione. Prima di montare l'unità, utilizzare le chiavi di sblocco
per rimuovere la staffa
e il collare di protezione
dall'unità. Per i dettagli, vedere "Rimozione del collare di protezione e della staffa (
)" sul lato opposto del foglio. - Conservare le chiavi di sblocco
per un uso futuro, poiché sono necessarie anche se si rimuove l'unità dall'auto.
Maneggiare la staffa
con cautela per evitare di ferirsi le dita.

Nota
Prima dell'installazione, assicurarsi che i fermi su entrambi i lati della staffa
siano piegati verso l'interno di 2 mm (3/32 in). Se i fermi sono dritti o piegati verso l'esterno, l'unità non sarà installata saldamente e potrebbe saltare via.
Esempio di collegamento

Note (
-B)
- Assicurarsi di collegare il cavo di massa prima di collegare l'amplificatore.
- L'allarme suonerà solo se viene utilizzato l'amplificatore integrato.
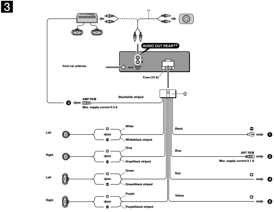
Schema di collegamento

* 1 Cavo RCA (non fornito)
* 2 L'USCITA AUDIO può essere impostata su SUB o POSTERIORE. Per i dettagli, consultare le Istruzioni per l'uso fornite.
- A una superficie metallica dell'auto
Collegare prima il cavo di massa nero, quindi collegare i cavi di alimentazione giallo e rosso. - Al cavo di controllo dell'antenna motorizzata o al cavo di alimentazione dell'amplificatore di antenna
Note
- Non è necessario collegare questo cavo se non è presente un'antenna motorizzata o un amplificatore d'antenna, o con un'antenna telescopica a funzionamento manuale.
- Se la propria auto è dotata di antenna FM/AM integrata nel vetro posteriore/laterale, vedere "Note sui cavi di controllo e di alimentazione".
- All'AMP REMOTE IN di un amplificatore di potenza opzionale
Questo collegamento è solo per amplificatori. Il collegamento di qualsiasi altro sistema potrebbe danneggiare l'unità. - Al terminale di alimentazione +12 V che è alimentato in posizione accessori dell'interruttore della chiave di accensione
Note
- Se non è presente la posizione accessori, collegare al terminale di alimentazione +12 V (batteria) che è sempre alimentato.
Assicurarsi di collegare prima il cavo di massa nero a una superficie metallica dell'auto. - Se la propria auto è dotata di antenna FM/AM integrata nel vetro posteriore/laterale, vedere "Note sui cavi di controllo e di alimentazione".
- Al terminale di alimentazione +12 V che è sempre alimentato
Assicurarsi di collegare prima il cavo di massa nero a una superficie metallica dell'auto.
Note sui cavi di controllo e di alimentazione
- Il cavo di controllo dell'antenna motorizzata (blu) fornisce +12 V CC quando si accende il sintonizzatore.
- Se la propria auto è dotata di antenna FM/AM integrata nel vetro posteriore/laterale, collegare il cavo di controllo dell'antenna motorizzata (blu) o il cavo di ingresso alimentazione accessori (rosso) al terminale di alimentazione dell'amplificatore d'antenna esistente. Per i dettagli, consultare il proprio rivenditore.
- Un'antenna motorizzata senza scatola relè non può essere utilizzata con questa unità.
Collegamento mantenimento memoria
Quando il cavo di alimentazione giallo è collegato, l'alimentazione sarà sempre fornita al circuito di memoria anche quando l'interruttore di accensione è spento.
Note sul collegamento degli altoparlanti
- Prima di collegare gli altoparlanti, spegnere l'unità.
- Utilizzare altoparlanti con un'impedenza da 4 a 8 ohm e con adeguate capacità di gestione della potenza per evitarne il danneggiamento.
- Non collegare i terminali degli altoparlanti al telaio dell'auto, né collegare i terminali degli altoparlanti destri con quelli dell'altoparlante sinistro.
- Non collegare il cavo di massa di questa unità al terminale negativo (–) dell'altoparlante.
- Non tentare di collegare gli altoparlanti in parallelo.
- Collegare solo altoparlanti passivi. Il collegamento di altoparlanti attivi (con amplificatori integrati) ai terminali degli altoparlanti potrebbe danneggiare l'unità.
- Per evitare malfunzionamenti, non utilizzare i cavi degli altoparlanti integrati nell'auto se l'unità condivide un cavo negativo (–) comune per gli altoparlanti destro e sinistro.
- Non collegare tra loro i cavi degli altoparlanti dell'unità.
Nota sul collegamento
Se l'altoparlante e l'amplificatore non sono collegati correttamente, sul display appare "FAILURE" (GUASTO). In questo caso, assicurarsi che l'altoparlante e l'amplificatore siano collegati correttamente.
Precauzioni
- Scegliere attentamente la posizione di installazione in modo che l'unità non interferisca con le normali operazioni di guida.
- Evitare di installare l'unità in aree soggette a polvere, sporco, vibrazioni eccessive o alte temperature, come alla luce solare diretta o vicino a condotti di riscaldamento.
- Utilizzare solo l'hardware di montaggio fornito per un'installazione sicura e salda.
Regolazione dell'angolo di montaggio
Regolare l'angolo di montaggio a meno di 45°.
Rimozione del collare di protezione e della staffa
Prima di installare l'unità, rimuovere il collare di protezione
e la staffa
dall'unità.
- Rimuovere il collare di protezione
.
- Inserire le chiavi di sblocco
insieme al collare di protezione
. - Estrarre le chiavi di sblocco
per rimuovere il collare di protezione
.
- Inserire le chiavi di sblocco
- Rimuovere la staffa
.
- Inserire entrambe le chiavi di sblocco
tra l'unità e la staffa
finché non scattano. - Tirare giù la staffa
, quindi tirare su l'unità per separarle.
- Inserire entrambe le chiavi di sblocco
Esempio di montaggio
Installazione nel cruscotto

Note
- Piegare questi artigli verso l'esterno per un montaggio stretto, se necessario (
-2).
![Sony - CDX-GT20W - Installazione nel cruscotto - Fase 2 Installazione nel cruscotto - Fase 2]()
- Assicurarsi che i 4 fermi sul collare di protezione
siano correttamente inseriti nelle fessure dell'unità (
-3).
![Sony - CDX-GT20W - Installazione nel cruscotto - Fase 3 Installazione nel cruscotto - Fase 3]()
Montaggio dell'unità in un veicolo giapponese


Potrebbe non essere possibile installare questa unità in alcune marche di auto giapponesi. In tal caso, consultare il proprio rivenditore Sony.
Nota
Per prevenire malfunzionamenti, installare solo con le viti fornite
.
Come staccare e attaccare il pannello frontale
Prima di installare l'unità, staccare il pannello frontale.
-A Per staccare

Prima di staccare il pannello frontale, assicurarsi di premere
.
Premere
, e tirarlo verso di sé per rimuoverlo.
-B Per attaccare

Inserire la parte
del pannello frontale con la parte
dell'unità, come illustrato, e spingere il lato sinistro in posizione finché non scatta.
Avvertenza se l'accensione dell'auto non ha la posizione ACC
Dopo aver spento l'accensione, assicurarsi di premere e tenere premuto
sull'unità finché il display non si spegne.
In caso contrario, il display non si spegne e ciò provoca lo scaricamento della batteria.
Pulsante RESET
Una volta completata l'installazione e i collegamenti, assicurarsi di premere il pulsante RESET con una penna a sfera, ecc., dopo aver staccato il pannello frontale.


Scarica manuale
Qui puoi scaricare la versione completa in PDF del manuale, può contenere ulteriori istruzioni di sicurezza, informazioni sulla garanzia, regole FCC, ecc.
sono attaccati all'unità prima della spedizione. Prima di montare l'unità, utilizzare le chiavi di sblocco
per rimuovere la staffa
)" sul lato opposto del foglio.
insieme al collare di protezione
.
per rimuovere il collare di protezione
.
-2).
