Manuali i gjeneratorit inverter Predator 8750 Watt, 57480

Siguria
Ruaje këtë manual. Mbajeni këtë manual për paralajmërimet dhe masat paraprake të sigurisë, montimin, funksionimin, inspektimin, mirëmbajtjen dhe procedurat e pastrimit. Shkruani numrin serial të produktit në fund të manualit pranë diagramit të montimit (ose muajin dhe vitin e blerjes nëse produkti nuk ka numër). Mbajeni këtë manual dhe faturën në një vend të sigurt dhe të thatë për referencë të ardhshme.
Përdorimi i një gjeneratori brenda mund t'ju VRASË NË MINUTA.
Shkarkimi i gjeneratorit përmban monoksid karboni. Ky është një helm që nuk mund ta shihni ose nuhasni.

ASNJËHERË mos e përdorni brenda një shtëpie ose garazhi, EDHE NËSE dyert dhe dritaret janë të hapura.

Përdorni vetëm JASHTË dhe larg nga dritaret, dyert dhe ventilimet.
Lexoni këtë material përpara se të përdorni këtë produkt. Mosrespektimi i kësaj mund të rezultojë në lëndime serioze. RUAJE KËTË MANUAL.
Kur të çpaketohet, sigurohuni që produkti të jetë i plotë dhe i padëmtuar. Nëse ndonjë pjesë mungon ose është e thyer, ju lutemi telefononi në 1-888-866-5797 sa më shpejt të jetë e mundur.
| SIMBOLET DHE PËRKUFIZIMET E PARALAJMËRIMIT | |
| Ky është simboli i paralajmërimit të sigurisë. Përdoret për t'ju paralajmëruar për rreziqet e mundshme të lëndimeve personale. Bindjuni të gjitha mesazheve të sigurisë që ndjekin këtë simbol për të shmangur lëndime ose vdekje të mundshme. | |
| Tregon një situatë të rrezikshme e cila, nëse nuk shmanget, do të rezultojë në vdekje ose lëndim serioz. | |
| Tregon një situatë të rrezikshme e cila, nëse nuk shmanget, mund të rezultojë në vdekje ose lëndim serioz. | |
| Tregon një situatë të rrezikshme e cila, nëse nuk shmanget, mund të rezultojë në lëndim të lehtë ose të moderuar. | |
![]() | Adresohen praktikat që nuk lidhen me lëndime personale. |
UDHËZIME TË RËNDËSISHME PËR SIGURINË
RUAJINI KËTO UDHËZIME
Ky manual përmban udhëzime të rëndësishme që duhen ndjekur gjatë instalimit dhe mirëmbajtjes së gjeneratorit dhe çdo baterie.
Masat paraprake të vendosjes
- Kjo njësi duhet të instalohet në mënyrë që hyrja të jetë e kufizuar vetëm për personelin e kualifikuar të shërbimit, të cilët janë udhëzuar për arsyet e kufizimeve të aplikuara në vendndodhje dhe për çdo masë paraprake që duhet të merret. Hyrja do të bëhet përmes përdorimit të një vegle të veçantë, ose kyç dhe çelës, ose mjete të tjera sigurie dhe do të kontrollohet nga autoriteti përgjegjës për vendndodhjen.
- Karburanti i benzinës dhe avujt janë të ndezshëm dhe potencialisht shpërthyes. Përdorni procedurat e duhura të ruajtjes dhe trajtimit të karburantit. Mos ruani karburant ose materiale të tjera të ndezshme afër.
- Mbani afër disa shuarës zjarri të klasit ABC.
- Funksionimi i këtij pajisjeje mund të krijojë shkëndija që mund të ndezin zjarre rreth bimësisë së thatë. Mund të kërkohet një arrestues shkëndijash. Operatori duhet të kontaktojë agjencitë lokale të zjarrfikësve për ligjet ose rregulloret që lidhen me kërkesat e parandalimit të zjarrit.
- Vendoseni dhe përdorni vetëm në një sipërfaqe të sheshtë, të niveluar dhe të ajrosur mirë.
- Të gjitha lidhjet dhe kanalet nga gjeneratori në ngarkesë duhet të instalohen vetëm nga elektricistë të trajnuar dhe të licencuar, dhe në përputhje me të gjitha kodet dhe standardet elektrike lokale, shtetërore dhe federale përkatëse, dhe rregullore të tjera ku është e zbatueshme.
- Lidhjet për energjinë rezervë në një sistem elektrik ndërtese duhet të bëhen nga një elektricist i kualifikuar. Lidhja duhet të izolojë energjinë e gjeneratorit nga energjia e shërbimeve dhe duhet të jetë në përputhje me të gjitha ligjet dhe kodet elektrike në fuqi.
- Një çelës transferimi duhet të instalohet nga një elektricist i licencuar në përputhje me të gjitha ligjet dhe kodet elektrike në fuqi.
- Vishni syze sigurie të miratuara nga ANSI, doreza pune të rënda dhe maskë pluhuri/respirtor gjatë instalimit.
- Përdorni vetëm lubrifikantët dhe karburantin e rekomanduar në këtë manual.
- Lidhjet e pahijshme në një sistem elektrik ndërtese mund të lejojnë që rryma elektrike nga gjeneratori të kthehet në linjat e shërbimeve. Një kthim i tillë mund të elektrizojë punëtorët e kompanisë së shërbimeve ose të tjerët që kontaktojnë linjat gjatë një ndërprerjeje të energjisë, dhe gjeneratori mund të shpërthejë, digjet ose të shkaktojë zjarre kur energjia e shërbimeve të rikthehet. Konsultohuni me kompaninë e shërbimeve dhe një elektricist të kualifikuar nëse keni ndërmend të përdorni gjeneratorin për energji rezervë.
- Mos e përdorni gjeneratorin përpara tokëzimit. Gjeneratori duhet të jetë i tokëzuar në përputhje me të gjitha kodet dhe standardet elektrike përkatëse përpara përdorimit.
- Instaloni alarm(e) monoksidi karboni me rezervë baterie në ndërtesat aty pranë sipas udhëzimeve të prodhuesit.
Masa paraprake gjatë përdorimit
![]()
RREZIK NGA MONOKSIDI I KARBONIT
Përdorimi i një gjeneratori brenda mund t'ju VRASË NË MINUTA.
Shkarkimi i gjeneratorit përmban monoksid karboni. Ky është një helm që nuk mund ta shihni ose nuhasni.
![]()
KURRË mos e përdorni brenda një shtëpie ose garazhi, EDHE NËSE dyert dhe dritaret janë të hapura.
![]()
Përdoreni vetëm JASHTË dhe larg dritareve, dyerve dhe hapjeve të ajrimit.- MBYLLJA E MONOKSIDIT TË KARBONIT
PËR TË PARANDALUAR LËNDIME SERIOZE DHE VDEKJE NGA INHALIMI I MONOKSIDIT TË KARBONIT: Sensori i Monoksidit të Karbonit është vetëm një shtresë shtesë mbrojtjeje. Mos e përdorni Gjeneratorin në asnjë zonë ose situatë që do të lejojë grumbullimin e monoksidit të karbonit.
- DRITË E KUQE QË PULSON: Nivele të rrezikshme të gazit monoksid karboni janë grumbulluar dhe gjeneratori do të fiket. Largohuni menjëherë derisa zona të jetë ajrosur. Zhvendoseni Gjeneratorin në një zonë të ajrosur mirë përpara përdorimit.
- DRITË E VERDHË QË PULSON: Defekt i sensorit të monoksidit të karbonit. Sensori ka nevojë për servis. Mos e përdorni Gjeneratorin derisa sensori të funksionojë siç duhet. Për pyetje teknike, ju lutemi telefononi në 1-888-866-5797.
SHËNIM: Drita e verdhë pulson një herë pas fillimit për të treguar kalimin e vetë-kontrollit dhe funksionon normalisht.
Sensori i Monoksidit të Karbonit duhet të servisohet vetëm nga një teknik i kualifikuar për ta rikthyer në cilësimet origjinale. Mos e modifikoni ose ndërhyni në sensorin e Monoksidit të Karbonit. Mos ndjekja e këtyre udhëzimeve mund të rezultojë në vdekje ose lëndim serioz për shkak të mosfunksionimit të sensorit të Monoksidit të Karbonit.
- Mos përdorni kurrë një gjenerator brenda, duke përfshirë garazhet, bodrumet, hapësirat e zvarritjes dhe hambarët. Hapja e dyerve dhe dritareve ose përdorimi i ventilatoreve NUK do të parandalojë grumbullimin e monoksidit të karbonit në shtëpi.
- Kur përdorni gjeneratorë, mbajini ato jashtë dhe larg dyerve, dritareve dhe hapjeve të ajrimit për të shmangur nivelet toksike të monoksidit të karbonit nga grumbullimi brenda.
- Nëse filloni të ndiheni të sëmurë, të trullosur ose të dobët gjatë përdorimit të një gjeneratori, shkoni menjëherë në ajër të pastër. Monoksidi i karbonit nga gjeneratorët mund të çojë shpejt në paaftësi të plotë dhe vdekje.
- Mbajini fëmijët larg pajisjeve, veçanërisht gjatë funksionimit.
- Mbajini të gjithë spektatorët të paktën gjashtë metra larg motorit gjatë funksionimit.
- Mos e prekni motorin gjatë përdorimit. Lëreni motorin të ftohet pas përdorimit.
- Mos ruani kurrë karburant ose materiale të tjera të ndezshme pranë motorit.
- Rrezik zjarri! Mos e mbushni rezervuarin e gazit ndërsa motori është duke punuar. Mos e përdorni nëse është derdhur benzinë. Pastroni benzinën e derdhur përpara se të ndizni motorin. Mos e përdorni pranë dritës pilot ose flakës së hapur.
- Nëse produkti i lidhur funksionon në mënyrë jonormale ose jashtëzakonisht ngadalë, ndaloni menjëherë përdorimin e Gjeneratorit si burim energjie. Lexoni dhe zbatoni gjithmonë manualin e udhëzimeve të produktit që do të furnizohet me energji, për t'u siguruar që ai mund të furnizohet me energji në mënyrë të sigurt dhe efikase nga një gjenerator portativ.
- Përpara se të lidhni një pajisje ose kordon rryme me Gjeneratorin: Sigurohuni që ai të jetë në gjendje të mirë pune. Pajisjet ose kordonët e rrymës me defekt mund të krijojnë një potencial për goditje elektrike.
- Mos e kaloni vlerësimin maksimal të energjisë të Gjeneratorit. Sigurohuni që vlerësimi total elektrik i të gjitha veglave ose pajisjeve të lidhura në Gjenerator në të njëjtën kohë të mos e kalojë atë të Gjeneratorit. Kontrolloni që rritja e ndezjes të mos jetë përtej kufirit të Gjeneratorit. Nivelet e energjisë midis vlerësimit dhe maksimumit mund të përdoren për jo më shumë se 30 minuta.
- Shmangni mbingarkesën thelbësore që do të aktivizojë ndërprerësin. Kalimi i kufirit kohor për funksionimin me fuqi maksimale ose mbingarkesa e lehtë e Gjeneratorit mund të mos e fikë ndërprerësin ose mbrojtësin e qarkut, por do të shkurtojë jetën e shërbimit të Gjeneratorit.
- Mos u përpiqni të lidhni ose shkëputni lidhjet e ngarkesës ndërsa qëndroni në ujë, ose në tokë të lagur ose të njomë.
- Mos prekni pjesët e energjizuara elektrikisht të Gjeneratorit dhe kabllot ose përcjellësit ndërlidhës me ndonjë pjesë të trupit ose me ndonjë objekt përcjellës jo të izoluar.
- Lidheni Gjeneratorin vetëm me një ngarkesë ose sistem elektrik (120 volt ose 240 volt) që është i pajtueshëm me karakteristikat elektrike dhe kapacitetet e vlerësuara të Gjeneratorit.
- MASA PARAPRAKE PËR GFCI
Testoni prizat e Ndërprerësit të Qarkut të Gabimit Tokësor (GFCI) përpara çdo përdorimi si më poshtë:- Shkëputni të gjitha pajisjet nga Gjeneratori.
- Ndizni motorin.
- Shtypni butonin Test në prizë për të aktivizuar pajisjen GFCI.
- Butoni Reset duhet të zgjatet, duke ndërprerë energjinë elektrike në prizë.
- Nëse testi i mësipërm dështon, mos e përdorni prizën derisa të riparohet ose zëvendësohet.
- Shtypni butonin Reset për përdorim.
Referojuni Tokëzimit.
- Izoloni të gjitha lidhjet dhe telat e shkëputur.
- Mbrohuni nga goditja elektrike. Parandaloni kontaktin e trupit me sipërfaqe të tokëzuara si tuba, radiatorë, soba dhe frigoriferë.
- Përdorni vetëm një mjet të përshtatshëm transporti dhe pajisje ngritëse me kapacitet të mjaftueshëm mbajtës peshe kur transportoni Gjeneratorin.
- Sigurojeni Gjeneratorin në automjetet e transportit për të parandaluar rrotullimin, rrëshqitjen dhe animin e veglës.
- Aplikimet industriale duhet të ndjekin kërkesat e OSHA-s.
- Mos e lini Gjeneratorin pa mbikëqyrje kur është duke punuar. Fikeni Gjeneratorin (dhe hiqni çelësat e sigurisë, nëse ka) përpara se të largoheni nga zona e punës.
- Motori i Gjeneratorit mund të prodhojë nivele të larta zhurme. Ekspozimi i zgjatur ndaj niveleve të zhurmës mbi 85 dBA është i rrezikshëm për dëgjimin. Vishni gjithmonë mbrojtje për veshët kur përdorni ose punoni rreth motorit me gaz ndërsa ai është duke punuar.
- Vishni syze sigurie të miratuara nga ANSI, mbrojtje për dëgjimin dhe maskë/respirator pluhuri të miratuar nga NIOSH gjatë përdorimit.
- Personat me stimulues kardiak duhet të konsultohen me mjekun e tyre përpara përdorimit. Fusha elektromagnetike në afërsi të një stimuluesi kardiak mund të shkaktojë ndërhyrje ose dështim të stimuluesit kardiak. Kujdes duhet të tregohet kur jeni afër magnetos së motorit ose ndezësit me tërheqje.
- Përdorni vetëm aksesorë që rekomandohen nga Harbor Freight Tools për modelin tuaj. Aksesorët që mund të jenë të përshtatshëm për një pajisje mund të bëhen të rrezikshëm kur përdoren në një pajisje tjetër.
- Mos e përdorni në atmosfera shpërthyese, si p.sh. në prani të lëngjeve, gazeve ose pluhurit të ndezshëm. Motorët me benzinë mund të ndezin pluhurin ose avujt.
- Mbajini objekte përcjellëse të tokëzuara, si p.sh. veglat, larg pjesëve dhe lidhjeve elektrike të ekspozuara të tensionuara për të shmangur shkëndijat ose harkun. Këto ngjarje mund të ndezin avujt ose avujt.
- Qëndroni vigjilentë, shikoni se çfarë po bëni dhe përdorni mendjen e shëndoshë kur përdorni këtë pajisje. Mos e përdorni këtë pajisje kur jeni të lodhur ose nën ndikimin e drogës, alkoolit ose ilaçeve.
- Vishuni siç duhet. Mos vishni rroba të gjera ose bizhuteri. Mbajeni flokët, rrobat dhe dorezat larg pjesëve lëvizëse. Rrobat e gjera, bizhuteritë ose flokët e gjatë mund të kapen në pjesët lëvizëse.
- Pjesët, veçanërisht komponentët e sistemit të shkarkimit, nxehen shumë gjatë përdorimit. Qëndroni larg pjesëve të nxehta.
- Mos e mbuloni Gjeneratorin ose motorin e tij gjatë funksionimit.
- Mbajeni Gjeneratorin, motorin e tij dhe zonën përreth të pastër në çdo kohë. Mbajeni gjeneratorin të paktën 5 metra larg objekteve të djegshme.
- Mos pini duhan, ose mos lejoni shkëndija, flakë ose burime të tjera ndezjeje rreth pajisjeve, veçanërisht kur furnizoheni me karburant.
- Përdorni Gjeneratorin, aksesorët, etj., në përputhje me këto udhëzime dhe në mënyrën e synuar për llojin e veçantë të pajisjes, duke marrë parasysh kushtet e punës dhe punën që do të kryhet. Përdorimi i pajisjes për operacione të ndryshme nga ato të synuara mund të rezultojë në një situatë të rrezikshme.
- Mos e përdorni Gjeneratorin me rrjedhje të njohura në sistemin e karburantit të motorit.
- Kur ndodhin derdhje të karburantit ose vajit, ato duhet të pastrohen menjëherë. Asgjësoni lëngjet dhe materialet e pastrimit sipas çdo kodi dhe rregulloreje lokale, shtetërore ose federale. Ruani leckat e vajit në një enë metalike të mbuluar me ajrim në fund.
- Mbajini duart dhe këmbët larg pjesëve lëvizëse. Mos u zgjatni mbi ose përtej Gjeneratorit gjatë funksionimit.
- Përpara përdorimit, kontrolloni për keqdrejtim ose lidhje të pjesëve lëvizëse, thyerje të pjesëve dhe çdo gjendje tjetër që mund të ndikojë në funksionimin e Gjeneratorit. Nëse është dëmtuar, bëni servisimin e Gjeneratorit përpara përdorimit. Shumë aksidente shkaktohen nga pajisjet e mirëmbajtura keq.
- Përdorni gjeneratorin e duhur për aplikimin. Mos e modifikoni gjeneratorin ose motorin e tij dhe mos e përdorni gjeneratorin për një qëllim për të cilin nuk është i destinuar.
- Kordoni zgjatues - Sigurohuni që kordoni juaj zgjatues të jetë në gjendje të mirë. Kur përdorni një kordon zgjatues, sigurohuni që të përdorni një të mjaftueshëm të rëndë për të mbajtur rrymën që do të tërheqë produkti juaj. Një kordon zgjatues i vogël do të shkaktojë një rënie në tensionin e linjës që rezulton në humbje të energjisë dhe mbinxehje.
Tabela më poshtë tregon madhësinë e saktë të kordonit për t'u përdorur në varësi të gjatësisë së kordonit dhe vlerësimit të amperit të pllakës së emrit. Nëse keni dyshime, përdorni matësin tjetër më të rëndë. Sa më i vogël të jetë numri i matësit, aq më i rëndë është kordoni.
| MATËSI MINIMAL I REKOMANDUAR I TELIT PËR KORDONËT ZGJATUES | |||||
| RRYSMA (AMpS) | Ngarkesa @ 120V (WATTS) | Ngarkesa @ 240V (WATTS) | 0 ~ 50 ft | 50 ~ 75 ft | 75 ~ 100 ft |
| 2 | 240 | 480 | 18 AWG | ||
| 4 | 480 | 960 | 18 AWG | 16 AWG | |
| 6 | 720 | 1440 | 18 AWG | 16 AWG | 14 AWG |
| 8 | 960 | 1920 | 16 AWG | 12 AWG | |
| 10 | 1200 | 2400 | 16 AWG | 14 AWG | 12 AWG |
| 15 | 1800 | 3600 | 14 AWG | 12 AWG | 10 AWG |
| 20 | 2400 | 4800 | 12 AWG | 10 AWG | |
| 25 | 3000 | 6000 | 12 AWG | 10 AWG | 8 AWG |
| 30 | 3600 | 7200 | 10 AWG | 8 AWG | |
| 35 | 4200 | 8400 | 8 AWG | 6 AWG | |
| 40 | 4800 | 9600 | 6 AWG | ||
Masa paraprake të shërbimit
- Përpara shërbimit, mirëmbajtjes ose pastrimit:
- Shkëputni të gjitha pajisjet nga gjeneratori.
- Kthejeni çelësin e motorit në pozicionin "OFF" (fikur).
- Lëreni motorin të ftohet plotësisht.
- Shkëputni terminalin negativ (-) të baterisë.
- Më pas, hiqni kapakun e shkëndijës nga shkëndija.
- Mbani të gjitha mbrojtëset e sigurisë në vend dhe në gjendje të mirë pune. Mbrojtëset e sigurisë përfshijnë shkarkuesin, pastruesin e ajrit, mbrojtëset mekanike dhe mburojat e nxehtësisë, ndër mbrojtëset e tjera.
- Sigurohuni që çelësi i motorit të jetë në pozicionin "OFF" (fikur) përpara se të lëvizni gjeneratorin dhe përpara se të kryeni ndonjë procedurë shërbimi, mirëmbajtjeje ose pastrimi në njësi.
- Mbani të gjitha pajisjet elektrike të pastra dhe të thata. Zëvendësoni çdo tel atje ku izolimi është i plasaritur, i prerë, i gërryer ose i dëmtuar ndryshe. Zëvendësoni terminalet që janë të konsumuara, të zbardhura ose të ndryshkura. Mbani terminalet të pastra dhe të shtrënguara.
- Mos ndryshoni ose rregulloni asnjë pjesë të pajisjes ose motorit të saj që është vulosur nga prodhuesi ose shpërndarësi. Vetëm një teknik shërbimi i kualifikuar mund të rregullojë pjesët që mund të rrisin ose zvogëlojnë shpejtësinë e rregulluar të motorit.
- Vishni syze sigurie të miratuara nga ANSI, doreza pune të rënda dhe maskë/respirator pluhuri gjatë shërbimit.
- Mbani etiketat dhe pllakat e emrave në pajisje. Këto mbajnë informacione të rëndësishme. Nëse janë të palexueshme ose mungojnë, kontaktoni Harbor Freight Tools për një zëvendësim.
- Bëni që pajisja të servisohet nga një person i kualifikuar riparimi duke përdorur vetëm pjesë zëvendësuese identike. Kjo do të sigurojë që siguria e pajisjes të mbahet. Mos provoni ndonjë procedurë shërbimi ose mirëmbajtjeje që nuk shpjegohet në këtë manual ose ndonjë procedurë për të cilën nuk jeni i sigurt për aftësinë tuaj për ta kryer në mënyrë të sigurt ose korrekte.
- Ruani pajisjet jashtë mundësive të fëmijëve.
- Ndiqni mirëmbajtjen e planifikuar të motorit dhe pajisjeve.
Mbrojtja GFCI:
Ky gjenerator është i pajisur me dy priza 3-Prong, duplex 120 V ground fault circuit interrupter (GFCI). Këto dalje ofrojnë mbrojtje shtesë nga rreziku i goditjes elektrike. Nëse bëhet e nevojshme zëvendësimi i prizave, përdorni vetëm pjesë zëvendësuese identike që përfshijnë mbrojtjen GFCI.
Rimbushja me karburant:
- Mos e rimbushni rezervuarin e karburantit ndërsa motori është duke punuar ose është i nxehtë.
- Mos pini duhan ose mos lejoni shkëndija, flakë ose burime të tjera ndezjeje rreth pajisjes, veçanërisht kur rimbushni karburantin.
- PËR TË PARANDALUAR RRJEDHJEN E KARBURANTIT DHE RREZIKUN E ZJARRIT, Mos e mbushni tepër me karburant. Mbusheni me karburant sipas informacionit të nivelit të karburantit poshtë tabelës së specifikimeve për modelin tuaj.
- Mos e mbushni rezervuarin e karburantit deri në majë. Lini pak hapësirë që karburanti të zgjerohet sipas nevojës.
- Rimbushni karburantin vetëm në një zonë të ajrosur mirë.
- Fshini çdo karburant të derdhur dhe lëreni tepricën të avullohet përpara se të ndizni motorin. Për të parandaluar ZJARRIN, mos e ndizni motorin ndërsa era e karburantit varet në ajër.
Shërbimi i baterisë:
- Servisimi i baterive duhet të kryhet ose të mbikëqyret nga personel i njohur me bateritë dhe masat paraprake të kërkuara. Mbani personelin e paautorizuar larg baterive.
- Kur zëvendësoni baterinë, përdorni llojin e mëposhtëm të baterisë: 12 V, 1.6 A h Lithium Iron Phosphate (LiFEPO4).
Mos e hidhni baterinë ose bateritë në zjarr. Bateria është e aftë të shpërthejë. Hidhni ose ricikloni siç duhet bateritë e vjetra.
Mos e hapni ose gjymtoni baterinë. Elektroliti i lëshuar dihet se është i dëmshëm për lëkurën dhe sytë dhe është toksik.
Një bateri paraqet një rrezik të rrymës së lartë të qarkut të shkurtër. Masat paraprake të mëposhtme duhet të respektohen kur punohet me bateri:- Hiqni orët, unazat ose sende të tjera metalike.
- Përdorni mjete me doreza të izoluara.
- Mos vendosni mjete ose pjesë metalike mbi bateri.
RUANI KËTO UDHËZIME.
Përshkrimi Funksional
Specifikimet
| Gjenerator | Dalja | 120 / 240 V AC, 60 Hz, 58.3 / 29.2 A, 1 Fazë 7,000 Vatë të vazhdueshme (8,750 Vatë maksimale fillestare) 12VDC, 8.3A 5V USB, 3.1A | |
| Bateria për ndezje elektrike | 12V, 1.6AH Litium Hekur Fosfat (LiFEPO4) | ||
| Priza Elektrike | Dy 3-gojëshe, dupleks NEMA #5-20 120 V GFCI Një 4-gojëshe, NEMA #L14-30 twistlock 120 V / 240 V Një Dalje DC 12 V DC 2X Porta USB-A | ||
| Motor | Zhvendosja | 420 cc | |
| Tipi i Motorit | Cilindër i vetëm horizontal 4 taktesh OHV | ||
| Sistemi i Ftohjes | Ftohje me ajër të detyruar | ||
| Karburanti | Tipi | 87+ oktan benzinë pa plumb e trajtuar me stabilizues | |
| Kapaciteti | 5.9 Gallonë | ||
| Vaj Motorri | Tipi SAE | 10W – 30 mbi 32°F 5W – 30 në 32°F ose poshtë | |
| Kapaciteti | 1.1 Kuart | ||
| Buji | Tipi | Torch F6RTC, ose ekuivalent | |
| Hapësira | 0.028" – 0.031" | ||
| Hapësira e Valvulës Hyrëse/Dalëse | 0.0019' - 0.0039' | ||
| Koha e Punës @ 25% ngarkesë | 15.1 orë | ||
| Vëllimi Operacional | 75 dB @ 21 ft., pa ngarkesë | ||
Sistemi i kontrollit të emetimeve për Motorin e këtij Gjeneratori është i garantuar për standardet e vendosura nga Agjencia e Mbrojtjes së Mjedisit të SHBA-së dhe nga Bordi i Burimeve Ajrore të Kalifornisë (i njohur gjithashtu si CARB). Për informacionin e garancisë, referojuni faqeve të fundit të këtij manuali.
Komponentët dhe Kontrollet

Në vijim janë përshkrimet e kontrolleve në panelin e energjisë. Gjeneratori juaj ka fole për të furnizuar me energji produktet tuaja me ndërprerës qarku për të mbrojtur rrjedhën e tensionit.
- Çelësi i Motorit: Përdoret për të ndezur dhe fikur Motorin.
![]()
- Priza AC: Gjeneratori përmban disa Priza AC për të furnizuar me energji veglat dhe pajisjet.
- 3-gojëshe, dupleks prizë 120 volt GFCI (NEMA #5-20)
![]()
- 4-gojëshe, twistlock, prizë 120/240 volt (NEMA #L14-30)
![]()
PËR TË PARANDALUAR LËNDIME SERIOZE: Lidhni veglat dhe pajisjet vetëm në Prizën (120 volt ose 240 volt) që është e pajtueshme me karakteristikat elektrike dhe kapacitetet e vlerësuara të veglave dhe pajisjeve që përdoren.
- 3-gojëshe, dupleks prizë 120 volt GFCI (NEMA #5-20)
- Ndërprerësit e Qarkut: Ndërprerësi i qarkut e mbron Gjeneratorin nga mbingarkesa. Vlerësimi i ndërprerësit dhe ngarkesa që ai mbron janë shënuar pranë ndërprerësit. Nëse ndonjë nga Ndërprerësit e Qarkut fiket, Gjeneratori do të ndalojë prodhimin e energjisë elektrike. Nëse ndodh kjo, shkëputni të gjitha ngarkesat nga Gjeneratori. Pastaj, kthejeni Ndërprerësin e Qarkut të fikur në pozicionin ON (ndezur) dhe ri-lidhni ngarkesat gradualisht. SHËNIM: Për Ndërprerësit e Qarkut të tipit shtytës, prisni disa minuta që të ftohen para se të rindizni.
![]()
![]()
- Priza 12 VDC: Priza 12 VDC siguron një burim energjie për artikujt 12 volt DC.
- Terminali i Tokëzimit: Përpara çdo përdorimi, vendosni lidhjen e telit të tokëzimit (nuk përfshihet) në Terminalin e Tokëzimit për të tokëzuar siç duhet Gjeneratorin. Referojuni Tokëzimit për udhëzime mbi tokëzimin e Gjeneratorit.
![]()
- Ekrani Dixhital: Shtypni Butonin e Modalitetit për të kaluar nëpër funksionet e Ekranit:
- Tensioni (Shfaq U + leximin e tensionit. Shembull: "U240")
- Frekuenca (Shfaq F + leximin e frekuencës. P.sh.: "F60")
- Koha e funksionimit të sesionit aktual
- Koha totale (e akumuluar) e funksionimit
Shënim: Çdo 50 orë, një kujtesë mirëmbajtjeje që pulson do të shfaqet në ekran (P050, P100, P150, etj.). Për të pastruar një kujtesë mirëmbajtjeje, shtypni dhe mbani shtypur Butonin e Modalitetit për 5 sekonda.
Konfigurimi/Montimi Fillestar i Veglave
Lexoni të GJITHË seksionin e INFORMACIONIT TË RËNDËSISHËM TË SIGURISË në fillim të këtij manuali, duke përfshirë të gjithë tekstin nën nëntitujt aty para konfigurimit ose përdorimit të këtij produkti.
PËR TË PARANDALUAR LËNDIME SERIOZE:
Operoni vetëm me një arrestues shkëndijash të instaluar siç duhet. Funksionimi i këtij pajisjeje mund të krijojë shkëndija që mund të ndezin zjarre rreth bimësisë së thatë. Mund të kërkohet një arrestues shkëndijash. Operatori duhet të kontaktojë agjencitë lokale të zjarrit për ligjet ose rregulloret që lidhen me kërkesat e parandalimit të zjarrit.
Në lartësi të mëdha, karburatori, rregullatori dhe çdo pjesë tjetër e motorit që kontrollon raportin karburant-ajër do të duhet të rregullohen nga një mekanik i kualifikuar për të lejuar përdorimin efikas në lartësi të mëdha dhe për të parandaluar dëmtimin e motorit dhe çdo pajisjeje tjetër të përdorur me këtë produkt.
Shënim: Për informacion shtesë në lidhje me pjesët e listuara në faqet e mëposhtme, referojuni Diagramit të Montimit pranë fundit të këtij manuali.
Montimi i Kompletit të Rrotave
Instaloni kompletin e rrotave të përfshirë duke ndjekur udhëzimet e përfshira me të.
Instalimi i Rrotave
- Shpaketoni dhe identifikoni të gjitha pjesët.
- Rrëshqisni Boshtin (11a) në njërën anë të kornizës së kompresorit dhe siguroni Dadon (14a) në vend. Përsëriteni në anën tjetër të kornizës.
![]()
- Rrëshqisni një Rondelë (10a), një Rrotë (12a) dhe një Rondelë tjetër (13a) në një Bosht dhe siguroni Dadon (9a) në vend. Përsëriteni në Boshtin tjetër.
![]()
Instalimi i Këmbëve
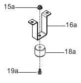
- Siguroni Këmbën (18a) në fund të Mbështetëses së Këmbës (16a) me një Bulon (19a) dhe Dado (15a).
![]()
- Duke punuar në fundin e kundërt të Kornizës nga rrotat, rreshtoni vrimat në kornizë me një Mbështetëse Këmbe (16a) dhe siguroni në vend me dy Bulona (17a) dhe Dado (15a). Përsëriteni me mbështetësen tjetër të këmbës.
![]()
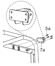
Instalimi i Dorezës
- Hiqni Bulonin (6a) që mban Dorezën (4a) në Sediljen e Dorezës (7a) përpara se të instaloni Sediljen e Dorezës.
![]()
- Duke mbajtur Sediljen e Dorezës siç tregohet në të djathtë, rreshtoni vrimat e Sediljes së Dorezës (7a) me vrimat në kornizën e gjeneratorit në të njëjtën anë si Këmbët.
![]()
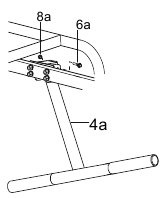
- Sigurojeni në vend me katër Bulona (5a).
- Rreshtoni Dorezën (4a) me vrimat në Sediljen e Dorezës dhe sigurojeni në vend me Bulonin (6a) dhe Dadon (8a).
![]()
- Përdorni Kunjin (2a) për të siguruar dorezën në pozicionin e ngritur ose të ulur.
![]()
Udhëzime për Konfigurimin e Baterisë
Të gjithë gjeneratorët mund të ndizen duke përdorur metodën e tërheqjes. Ky Gjenerator kërkon instalimin e një baterie për të përdorur veçorinë e ndezjes elektrike. Lidhni baterinë me motorin e Gjeneratorit:
- Hiqni kapakët e terminaleve nga bateria, nëse janë instaluar.
- Lidhni lidhësin e kabllit pozitiv (të kuq) nga motori në Terminalin Pozitiv në bateri. Lidhni kabllon në mënyrë të sigurt për të parandaluar shkëputjen dhe qarqet e shkurtra.
- Lidhni lidhësin e kabllit negativ (të zi) në terminalin negativ të baterisë.
Tokëzimi
Gjeneratori duhet të jetë i tokëzuar siç duhet përpara përdorimit. Bëjeni njësinë të tokëzohet nga një elektricist i kualifikuar nëse nuk jeni i kualifikuar për ta bërë këtë. Për të tokëzuar Gjeneratorin, lidhni një tel tokëzimi #6 AWG (nuk përfshihet) nga Terminali i Tokëzimit në Panelin e Kontrollit në një shufër tokëzimi (nuk përfshihet) që është futur të paktën 24 inç thellë në tokë. Shufra e tokëzimit duhet të jetë një shufër bakri ose bronzi (elektrodë) e futur në tokë, e cila mund të tokëzojë siç duhet Gjeneratorin.
Shënim: Ka një përcjellës të përhershëm midis modulit inverter të gjeneratorit portativ (Përcjellësi Neutral) dhe kornizës.
Hiqni Mbajtëset e Transportit
Për të mbrojtur Gjeneratorin gjatë transportit, Mbajtëset e Transportit janë instaluar midis Motorit dhe Kornizës. Këto mbajtëse DUHET TË HIQEN PARA se të shtoni vaj ose benzinë në Gjenerator.
VËREJTJE: MOS u përpiqni ta ndizni Gjeneratorin pa hequr fillimisht Mbajtëset e Transportit. Dëmtimi i Gjeneratorit si rezultat i mos heqjes së Mbajtëseve do të anulojë garancinë.
- PARA se të mbushni Motorin me vaj ose benzinë, anoni Gjeneratorin në fundin e tij të tërheqjes. Anoni mbi kutinë e kartonit të sheshtë në të cilën erdhi Gjeneratori ose sipërfaqe tjetër mbrojtëse në mënyrë që të mos gërvishtni Kornizën.
- Hiqni Bulonat nga Mbajtëset gri të Transportit. Bulonat dhe Mbajtëset e Transportit mund të hidhen.
![Predator - 57480 - Hiqni Mbajtëset e Transportit Hiqni Mbajtëset e Transportit]()
- Anoni Gjeneratorin drejt.
Funksionimi në Lartësi të Madhe mbi 3000 këmbë
PËR TË PARANDALUAR LËNDIME SERIOZE NGA ZJARRI:
Ndiqni udhëzimet në një zonë të ajrosur mirë larg burimeve të ndezjes. Nëse motori është i nxehtë nga përdorimi, fikeni motorin dhe prisni që të ftohet përpara se të vazhdoni. Mos pini duhan.
VËREJTJE Garancia anulohet nëse nuk bëhen rregullimet e nevojshme për përdorim në lartësi të madhe. Në lartësi të mëdha, karburatori, rregullatori dhe çdo pjesë tjetër e motorit që kontrollon raportin karburant-ajër do të duhet të rregullohen nga një mekanik i kualifikuar për të lejuar përdorimin efikas në lartësi të madhe dhe për të parandaluar dëmtimin e motorit dhe çdo pajisjeje tjetër të përdorur me këtë produkt. Sistemi i karburantit në këtë motor mund të ndikohet nga funksionimi në lartësi më të mëdha. Funksionimi i duhur mund të sigurohet duke instaluar një komplet lartësie në lartësi më të larta se 3000 ft. mbi nivelin e detit. Në lartësi mbi 8000 ft, motori mund të përjetojë performancë të zvogëluar, madje edhe me xhikon kryesore të duhur. Funksionimi i këtij motori pa kompletin e duhur të lartësisë të instaluar mund të rrisë emetimet e motorit dhe të zvogëlojë ekonominë e karburantit dhe performancën. Komplet duhet të instalohet nga një mekanik i kualifikuar.
- Fikeni motorin.
- Mbyllni valvulën e karburantit.
- Vendosni një tas poshtë filxhanit të karburantit për të kapur çdo karburant të derdhur.
Filxhani i karburatorit mund të ketë gaz në të, i cili do të rrjedhë pas heqjes së bulonit. - Zhbllokoni bulonin që mban filxhanin e karburantit.
- Hiqni bulonin, Vulën e Bulonit, filxhanin e karburantit, Vulën e Filxhanit të Karburantit dhe Xhikon Kryesore nga trupi i montimit të karburatorit. Kërkohet një kaçavidë karburatori (nuk përfshihet) për të hequr dhe instaluar Xhikon Kryesore.
Shënim: Tuba e përzierjes mbahet në vend nga Xhiku Kryesore dhe mund të bjerë kur të hiqet. Nëse bie, zëvendësojeni në të njëjtin orientim përpara se të zëvendësoni Xhikon Kryesore. - Zëvendësoni Xhikon Kryesore me Xhikon Kryesore zëvendësuese të nevojshme për intervalin tuaj të lartësisë (pjesa 1a ose 2a). Shënim: Vula e Filxhanit të Karburantit dhe Vula e Bulonit mund të dëmtohen gjatë heqjes dhe duhet të zëvendësohen me ato të reja nga kompleti.
- Zëvendësoni Vulën e Filxhanit të Karburantit (4a), filxhanin e karburantit, Vulën e Bulonit (3a) dhe bulonin. Shtrëngoni në vend.
VËREJTJE: Mos e kryqëzoni bulonin kur e shtrëngoni. Shtrëngoni me gisht fillimisht dhe më pas përdorni një çelës për t'u siguruar që buloni është filetuar siç duhet. - Fshini çdo karburant të derdhur dhe lëreni tepricën të avullohet përpara se të ndizni motorin. Për të parandaluar ZJARRIN, mos e ndizni motorin ndërsa era e karburantit varet në ajër.
Lista e pjesëve të Kompletit të Lartësisë së Madhe - A
| Pjesa | Përshkrimi | Sasia |
| 1a | Xhiku Kryesore 3000-6000 ft. | 1 |
| 2a | Xhiku Kryesore 6000-8000 ft. | 1 |
| 3a | Vula e Bulonit | 1 |
| 4a | Vula e Filxhanit të Karburantit | 1 |

Udhëzime për përdorimin
Lexoni të GJITHË seksionin e INFORMACIONIT TË RËNDËSISHËM TË SIGURISË në fillim të këtij manuali, duke përfshirë të gjithë tekstin nën nëntitujt atje, përpara konfigurimit ose përdorimit të këtij produkti.
Inspektoni veglën përpara përdorimit, duke kërkuar pjesë të dëmtuara, të lira dhe që mungojnë. Nëse gjenden ndonjë problem, mos e përdorni veglën derisa të riparohet.
Kontrollet para fillimit të gjeneratorit
Inspektoni motorin dhe pajisjet, duke kërkuar pjesë të dëmtuara, të lira dhe që mungojnë përpara konfigurimit dhe fillimit. Nëse gjenden ndonjë problem, mos e përdorni pajisjen derisa të rregullohet siç duhet.
Kontrollimi dhe mbushja e vajit të motorit
Garancia juaj është e PAVLEFSHME nëse karteri i motorit nuk është mbushur siç duhet me vaj përpara çdo përdorimi. Përpara çdo përdorimi, kontrolloni nivelin e vajit. Mos e vini në punë motorin me pak ose aspak vaj motori. Vënia në punë e motorit me pak ose aspak vaj motori DO TË dëmtojë përgjithmonë motorin.
- Sigurohuni që motori të jetë ndalur dhe të jetë në nivel.
- Mbyllni valvulën e karburantit.
- Pastroni majën e shufres matëse dhe zonën përreth saj. Hiqni shufren matëse duke e filetuar në drejtim të kundërt të akrepave të orës dhe fshijeni me një leckë të pastër pa fije.
![Predator - 57480 - Kontrollet para fillimit të gjeneratorit Kontrollet para fillimit të gjeneratorit]()
- Fusni përsëri shufren matëse pa e filetuar dhe hiqeni për të kontrolluar nivelin e vajit. Niveli i vajit duhet të jetë deri në nivelin e plotë siç tregohet më sipër.
- Nëse niveli i vajit është në ose nën shenjën e ulët, shtoni llojin e duhur të vajit derisa niveli i vajit të jetë në nivelin e duhur. Vaji SAE 10W-30 rekomandohet për përdorim të përgjithshëm. (Grafiku i shkallës së viskozitetit SAE në seksionin e shërbimit tregon viskozitetet e tjera që duhen përdorur në temperatura mesatare të ndryshme.)
- Filetoni shufren matëse përsëri në drejtim të akrepave të orës.
Mos e vini në punë motorin me shumë pak vaj. Motori do të dëmtohet përgjithmonë.
Kontrollimi dhe mbushja e karburantit

PËR TË PARANDALUAR LËNDIME SERIOZE NGA ZJARRI:
Mbushni rezervuarin e karburantit në një zonë të ajrosur mirë larg burimeve të ndezjes. Nëse motori është i nxehtë nga përdorimi, fikeni motorin dhe prisni që të ftohet përpara se të shtoni karburant. Mos pini duhan.
- Pastroni kapakun e karburantit dhe zonën përreth tij.
- Shkruani dhe hiqni kapakun e karburantit.
- Nëse është e nevojshme, mbushni rezervuarin e karburantit deri në rreth 1 inç nën grykën e mbushjes me benzinë pa plumb 87 oktanësh ose më të lartë që është trajtuar me një aditiv stabilizues karburanti. Ndiqni rekomandimet e prodhuesit të stabilizuesit të karburantit për përdorim.
Shënim: Mos përdorni benzinë që përmban më shumë se 10% etanol (E10). Mos përdorni etanol E85.
Shënim: Mos përdorni benzinë që është ruajtur në një enë metalike karburanti ose një enë të ndyrë karburanti. Mund të shkaktojë hyrjen e grimcave në karburator, duke ndikuar në performancën e motorit dhe/ose duke shkaktuar dëme. - Pastaj zëvendësoni kapakun e karburantit.
- Fshini çdo karburant të derdhur dhe lëreni tepricën të avullohet përpara se të ndizni motorin. Për të parandaluar ZJARRIN, mos e ndizni motorin ndërsa era e karburantit varet në ajër.
Përdorimi i gjeneratorit
Përpara se të ndizni motorin e gjeneratorit
Përpara se të ndizni motorin:
- Ndiqni udhëzimet e konfigurimit për të përgatitur gjeneratorin.
- Shkëputni të gjitha ngarkesat nga gjeneratori.
- Inspektoni gjeneratorin dhe motorin.
- Mbushni motorin me sasinë dhe llojin e duhur të karburantit dhe vajit të trajtuar me stabilizues.
Procedura bazë e përdorimit të gjeneratorit -
Shikoni faqet e mëposhtme për udhëzime specifike
- Kontrolloni që gjeneratori të mund të përballojë fuqinë e nevojshme për të fuqizuar produktet tuaja.
- Ndizni motorin dhe lëreni motorin dhe gjeneratorin të punojnë dhe të ngrohen për pesë minuta pas fillimit pa ngarkesë elektrike.
- Me motorin në punë, provoni prizat GFCI përpara çdo përdorimi si më poshtë:
- Shtypni butonin Test në prizë për të aktivizuar pajisjen GFCI.
- Butoni Reset duhet të zgjatet, duke ndërprerë energjinë elektrike në prizë.
- Nëse testi i mësipërm dështon, mos e përdorni prizën derisa të riparohet ose zëvendësohet.
- Shtypni butonin Reset për përdorim.
![]()
- Lidhni produktet.
- Kur të keni mbaruar përdorimin e gjeneratorit, shkëputni të gjitha ngarkesat elektrike.
Shënim: Mos lejoni që gjeneratori të mbarojë karburantin me ngarkesa të lidhura. - Fikeni motorin.
- Lëreni gjeneratorin dhe motorin e tij të ftohen plotësisht. Pastaj ruani njësinë në një vend të pastër, të thatë dhe të sigurt, larg fëmijëve dhe personave të tjerë të paautorizuar.
Pasi të ndizni motorin, lëreni të punojë pa ngarkesë për pesë minuta pa ngarkesë pas çdo fillimi, në mënyrë që motori të stabilizohet.
Periudha e thyerjes:
- Thyerja e motorit do të ndihmojë në sigurimin e funksionimit të duhur të pajisjes dhe motorit.
- Periudha e thyerjes do të zgjasë rreth 25 orë përdorim. MOS e kaloni 75% të kapacitetit të vlerësuar të gjeneratorit gjatë kësaj periudhe.
- Ndryshoni vajin e motorit pas kësaj periudhe.
Nën kushte normale funksionimi, mirëmbajtja e mëvonshme ndjek orarin e shpjeguar në seksionin e MIRËMBAJTJES.
Ndizja e motorit
- Për të ndezur një motor të ftohtë, tërhiqeni pullën e mbytësit jashtë në pozicionin START (fillo). Për të rindezur një motor të ngrohtë, lëreni pullën e mbytësit në pozicionin RUN (puno).
![]()
- Hapni valvulën e karburantit.
![]()
- Vendoseni çelësin ESC në pozicionin e fikur.
- Për FILLIM MANUAL
- Kthejeni çelësin e motorit në ON (ndezur).
![]()
- Kapni lirshëm dorezën e filluesit të motorit dhe tërhiqeni ngadalë disa herë për të lejuar që benzina të rrjedhë në karburatorin e motorit. Pastaj tërhiqeni butësisht dorezën e filluesit derisa të ndjeni rezistencë. Lëreni kabllon të tërhiqet plotësisht dhe më pas tërhiqeni shpejt. Përsëriteni derisa të ndizet motori.
Shënim: Mos lejoni që doreza e filluesit të kthehet prapa kundër motorit. Mbajeni ndërsa tërhiqet në mënyrë që të mos godasë motorin.
![]()
Kthejeni çelësin e motorit në START (fillo).
![]()
Shënim: Për të zgjatur jetën e filluesit, përdorni cikle të shkurtra fillimi (maksimumi 5 sekonda). Pastaj prisni një minutë përpara se të provoni të filloni përsëri. - Kthejeni çelësin e motorit në ON (ndezur).
- Lëreni motorin të punojë për disa sekonda. Pastaj, nëse pulla e mbytësit është në pozicionin CHOKE (mbytës), zhvendoseni pullën e mbytësit shumë ngadalë në pozicionin e tij RUN (puno).
![]()
Shënim: Zhvendosja e pullës së mbytësit shumë shpejt mund të bllokojë motorin.
Lëreni motorin të punojë pa ngarkesë për pesë minuta pa ngarkesë pas çdo fillimi, në mënyrë që motori të stabilizohet.
NDALIMI I MONOKSIDIT TË KARBONIT
PËR TË PARANDALUAR LËNDIME SERIOZE DHE VDEKJE NGA INHALIMI I MONOKSIDIT TË KARBONIT: Sensori i monoksidit të karbonit është vetëm një shtresë shtesë mbrojtjeje. Mos e përdorni gjeneratorin në asnjë zonë ose situatë që do të lejojë grumbullimin e monoksidit të karbonit.
- DRITA E KUQE QË NDRIÇON:
Nivele të rrezikshme të gazit monoksid karboni janë grumbulluar dhe gjeneratori do të fiket. Largohuni menjëherë derisa zona të jetë ajrosur. Zhvendoseni gjeneratorin në një zonë të ajrosur mirë përpara funksionimit.
- DRITA E VERDHË QË NDRIÇON:
Defekt i sensorit të monoksidit të karbonit. Sensori ka nevojë për servis. Mos e përdorni gjeneratorin derisa sensori të funksionojë siç duhet. Për pyetje teknike, ju lutemi telefononi në 1-888-866-5797.
SHËNIM: Drita e verdhë ndriçon një herë pas fillimit për të treguar kalimin e vetëkontrollit dhe funksionon normalisht.
Sensori i monoksidit të karbonit duhet të servisohet vetëm nga një teknik i kualifikuar për ta rikthyer në cilësimet origjinale. Mos e modifikoni ose ndërhyni në sensorin e monoksidit të karbonit. Mosrespektimi i këtyre udhëzimeve mund të rezultojë në vdekje ose lëndim të rëndë për shkak të mosfunksionimit të sensorit të monoksidit të karbonit.
Lidhja e ngarkesave elektrike
Njiheni me kontrollet e motorit, panelin e energjisë dhe mënyrën e ndezjes së motorit përpara se të përdorni gjeneratorin. Llogaritni fuqinë e produkteve që do të përdorni me gjeneratorin dhe verifikoni që gjeneratori mund të përballojë ngarkesën totale.

Lidhni vetëm priza të lidhura siç duhet me gjeneratorin. Një prizë që është bashkuar në një kordon tjetër mund të jetë e rrezikshme. Vetëm një elektricist i kualifikuar duhet të lidhë një prizë në një kordon.
Asnjëherë mos e kaloni kapacitetin e vlerësuar për këtë gjenerator, pasi dëmtimi serioz i gjeneratorit dhe/ose pajisjeve, veglave dhe pajisjeve mund të rezultojë nga një mbingarkesë. Kërkesat e fuqisë fillestare dhe të funksionimit duhet të llogariten gjithmonë kur përputhet kapaciteti i fuqisë së këtij gjeneratori me pajisjen, veglën ose pajisjen.
Përdorni prizën DC12 V për të furnizuar me energji pajisjet 12 V DC.
PËR TË PARANDALUAR LËNDIME SERIOZE: Mos i karikoni bateritë pa një kontrollues të duhur karikimi. Mos e mbingarkoni.
- Lidhni fillimisht artikujt që kërkojnë më shumë fuqi.
- Lidhni më pas pajisjet, veglat dhe pajisjet me ngarkesë "induktive". Ngarkesat induktive janë vegla të vogla dore dhe disa pajisje të vogla.
- Lidhni çdo dritë më pas.
- Pajisjet, veglat dhe pajisjet e ndjeshme ndaj tensionit duhet të jenë të fundit që lidhen me gjeneratorin. Futni artikuj të ndjeshëm ndaj tensionit si televizorë, DVD player, mikrovalë dhe telefona pa tela në një mbrojtës të tensionit të listuar nga UL (nuk përfshihet). Më pas, lidhni mbrojtësin e tensionit në gjenerator.
Moslidhja dhe funksionimi i pajisjeve, veglave dhe pajisjeve në këtë sekuencë mund të shkaktojë dëme në gjenerator, pajisje, vegla dhe pajisje dhe do të anulojë garancinë e këtij gjeneratori.
Shënim: Nëse shpejtësia e motorit ose tensioni luhatet me një ngarkesë nën vatet e funksionimit të gjeneratorit, zhvendoseni levën e mbytësit të motorit në pozicionin "HALF-CHOKE" ("GJYSMË-MBYTJE").
NËSE ÇDO ÇELËS I RRJETIT ELEKTRIK E ÇKYÇ, KONTROLLONI SA VIJON:

- Sigurohuni që TË GJITHË çelësat e rrjetit elektrik të rivendosen përpara se të ndizni përsëri gjeneratorin.
- Rregulloni prizat në mënyrë që ngarkesat të ndahen nëpër qarqet e prizave.
Për të arritur prodhimin e vlerësuar nga gjeneratori, shpërndani ngarkesat nëpër priza.
Llogaritja e fuqisë totale të pajisjeve të përdorura me gjeneratorin
Përpara se të përdorni gjeneratorin, kontrolloni që produktet që dëshironi të futni në njësi të jenë nën vlerësimet e fuqisë së vlerësuar dhe maksimale të gjeneratorit. Përdorni tabelën e llogaritjes së fuqisë më poshtë dhe vatet e listuara në produktet tuaja, për të ndihmuar në llogaritjen e shumave të shumëfishta të fuqisë.
Për të përdorur tabelën:
- Mblidhni vatet e funksionimit për të gjitha artikujt që dëshironi të përdorni në çdo kohë të caktuar
- Sigurohuni që kjo total të jetë nën 7,000 vatet e funksionimit të gjeneratorit.
- Gjeni vatet e vetme më të larta fillestare për artikujt e zgjedhur dhe shtojini në total.
- Sigurohuni që kjo total të jetë nën 8,750 vatet maksimale fillestare të gjeneratorit.
- Futni dhe ndizni produktet nga fuqia më e madhe në më të voglën.
Tabela e llogaritjes së fuqisë
| Pajisjet | Vatet e funksionimit |
| Vatet totale të funksionimit (duhet të jenë më pak se 7,000) | |
| Vatet më të mëdha shtesë të ndezjes | |
| Vatet totale të ndezjes të nevojshme për të gjitha ngarkesat (duhet të jenë më pak se 8,750) |
Shembull

Një gjenerator që vlerësohet më shumë se vatet maksimale fillestare minimale të kërkuara do të zgjasë shumë më gjatë se një gjenerator që furnizon vetëm vatet e sakta të nevojshme.
Për të llogaritur fuqinë
Voltët dhe amperët mund të shumëzohen së bashku për të marrë vat (volt x amper = vat).
Për të llogaritur vatet shtesë të ndezjes
(Nëse nuk janë të listuara)
Për pajisjet me motor: Përdorni sasinë e vlerësuar të vateve si një vlerësim të vateve shtesë të ndezjes. Për shumicën e dritave ose ngrohësve: nuk ka vat shtesë të ndezjes.
Grafikët e vlerësimit të fuqisë
Shënim: Vatet e listuara më poshtë janë vlerësime vetëm për atë lloj pajisjeje. Kontrolloni vatet e pllakës së emrit në të gjitha ngarkesat përpara se të lidheni me gjeneratorin.
| URGJENCË | ||
| Pajisja | Vatet e funksionimit | Vatet shtesë të ndezjes |
| Frigorifer/Ngrirës | 700 | 1500 |
| Radio | 100 | 0 |
| VENDPUNISHTE | ||
| Pajisja | Vatet e funksionimit | Vatet shtesë të ndezjes |
| Kompresor ajri - 1/2 HP | 1000 | 1000 |
| Sharrë tavoline - 10" | 1700 | 1300 |
| Letër zmerile - 3" | 1200 | 1200 |
| Trapan dore - 1/2" | 600 | 600 |
| Dritë pune halogjene | 1000 | 0 |
| Sharrë reciproke | 900 | 900 |
| KOHË E LIRË | ||
| Pajisja | Vatet e funksionimit | Vatet shtesë të ndezjes |
| Radio AM/FM | 100 | 0 |
| Zgarë elektrike | 1700 | 0 |
| Pompë fryrëse | 50 | 100 |
| CD/DVD Player | 100 | 0 |
| Ventilator kutie - 20" | 200 | 200 |
| Aparat kafeje | 600 | 0 |
| SHTËPIAKE | ||
| Pajisja | Vatet e funksionimit | Vatet shtesë të ndezjes |
| Kompjuter me monitor | 800 | 0 |
| Tharëse elektrike rrobash | 5500 | 500 |
| Soba elektrike | 2100 | 0 |
| Ngrohës elektrik uji | 2000 | 0 |
| Llamba - 100 vat | 100 | 0 |
| Mikrovalë - 1000 vat | 1000 | 200 |
| Pompë gropash - 1/2 HP | 1000 | 1100 |
| Televizor | 400 | 0 |
| Makinë larëse | 1100 | 1100 |
| Pompë pusi - 1/2 HP | 1000 | 1000 |
| LËNDINË & BASHKË | ||
| Pajisja | Vatet e funksionimit | Vatet shtesë të ndezjes |
| Prerëse gardhesh | 400 | 400 |
| Lars presionit | 1200 | 1200 |
| Kosë lëndine | 1200 | 1200 |
| Prerës anësh | 1000 | 1000 |
| NGROHJE & FTOHJE | ||
| Pajisja | Vatet e funksionimit | Vatet shtesë të ndezjes |
| AC qendrore - 10,000 BTU | 1500 | 1500 |
| Ventilator furre - 1/2 HP | 900 | 1400 |
| Ngrohës hapësire | 1800 | 0 |
| AC dritareje - 10,000 BTU | 1200 | 600 |
Ndalimi i motorit në një urgjencë
- Për të ndaluar motorin në një urgjencë, fikeni çelësin e motorit ("Engine Switch").
![]()
NJOFTIM: Fikja e gjeneratorit nën ngarkesë mund të dëmtojë gjeneratorin dhe pajisjet e bashkangjitura.
Ndalimi i Motorit në Kushte Normale
- Para se të fikni Motorin, fikni të gjitha ngarkesat elektrike, pastaj shkëputni ato.
![]()
- Kthejeni Çelësin ESC në pozicionin e fikur (off).
![]()
- Fikeni Çelësin e Motorit (Engine Switch off).
![]()
- Mbyllni Valvulën e Karburantit (Fuel Valve).
Udhëzime për Mirëmbajtjen nga Përdoruesi
Procedurat që nuk shpjegohen specifikisht në këtë manual duhet të kryhen vetëm nga një teknik i kualifikuar.
PËR TË PARANDALUAR LËNDIME SERIOZE NGA FUNKSIONIMI AKSIDENTAL: Kthejeni çelësin e ndezjes (power Switch) të gjeneratorit në pozicionin "OFF" (fikur), prisni që motori të ftohet dhe shkëputni kapakun e shkëndijës para se të kryeni ndonjë procedurë inspektimi, mirëmbajtjeje ose pastrimi.
PËR TË PARANDALUAR LËNDIME SERIOZE NGA DËMTIMI I PAJISJEVE: Mos përdorni pajisje të dëmtuara. Nëse shfaqet zhurmë, dridhje jonormale ose tym i tepërt, korrigjoni problemin para përdorimit të mëtejshëm. Ndiqni të gjitha udhëzimet e servisit në këtë manual. Motori mund të dështojë në mënyrë kritike nëse nuk servisohet siç duhet.
Shumë procedura mirëmbajtjeje, duke përfshirë çdo gjë që nuk është detajuar në këtë manual, do të duhet të kryhen nga një teknik i kualifikuar për siguri. Nëse keni ndonjë dyshim në lidhje me aftësinë tuaj për të servisuar në mënyrë të sigurt pajisjen ose motorin, bëni që një teknik i kualifikuar ta servisojë pajisjen në vend të kësaj.
Pastrimi, Mirëmbajtja dhe Lubrifikimi
Shënim: Ky orar mirëmbajtjeje është menduar vetëm si një udhëzues i përgjithshëm. Nëse performanca ulet ose nëse pajisja funksionon në mënyrë të pazakontë, kontrolloni menjëherë sistemet. Nevojat e mirëmbajtjes së çdo pjese të pajisjes do të ndryshojnë në varësi të faktorëve të tillë si cikli i punës, temperatura, cilësia e ajrit, cilësia e karburantit dhe faktorë të tjerë.
Shënim: Procedurat e mëposhtme janë shtesë ndaj kontrolleve dhe mirëmbajtjes së rregullt të shpjeguara si pjesë e funksionimit të rregullt të motorit dhe pajisjeve.
| Procedura | Para Çdo Përdorimi | Çdo muaj ose çdo 20 orë përdorimi | Çdo 3 muaj ose 50 orë përdorimi | Çdo 6 muaj ose 100 orë përdorimi | Çdo vit ose çdo 300 orë përdorimi | Çdo 2 vjet |
| Fshijeni pjesën e jashtme të motorit | ![]() | ![]() | ![]() | ![]() | ![]() | ![]() |
| Kontrolloni nivelin e vajit të motorit | ![]() | ![]() | ![]() | ![]() | ![]() | ![]() |
| Kontrolloni pastruesin e ajrit | ![]() | ![]() | ![]() | ![]() | ![]() | |
| Kontrolloni kupën e depozitimit | ![]() | ![]() | ![]() | ![]() | ||
| Ndryshoni vajin e motorit | ![]() | ![]() | ![]() | ![]() | ||
| Pastroni/zëvendësoni pastruesin e ajrit | * | ![]() | ![]() | ![]() | ||
| Kontrolloni dhe pastroni shkëndijën | ![]() | ![]() | ![]() | |||
| ** | ** | ||||
| Zëvendësoni linjën e karburantit nëse është e nevojshme | ** |
* Servisimi më shpesh kur përdoret në zona me pluhur.
** Këto artikuj duhet të servisohen nga një teknik i kualifikuar.
Kontrollimi dhe Mbushja e Karburantit

PËR TË PARANDALUAR LËNDIME SERIOZE NGA ZJARRI: Mbushni rezervuarin e karburantit në një zonë të ajrosur mirë larg burimeve të ndezjes. Nëse motori është i nxehtë nga përdorimi, fikeni motorin dhe prisni që të ftohet para se të shtoni karburant. Mos pini duhan.
- Pastroni kapakun e karburantit (Fuel Cap) dhe zonën përreth tij.
- Shkruani dhe hiqni kapakun e karburantit (Fuel Cap).
Shënim: Mos përdorni benzinë që përmban më shumë se 10% etanol (E10). Mos përdorni etanol E85.
Shënim: Mos përdorni benzinë që është ruajtur në një enë karburanti metalike ose një enë karburanti të ndyrë. Mund të shkaktojë hyrjen e grimcave në karburator, duke ndikuar në performancën e motorit dhe/ose duke shkaktuar dëme.
- Nëse është e nevojshme, mbushni rezervuarin e karburantit (Fuel Tank) deri në rreth 1 inç nën grykën e mbushjes me benzinë të pa plumbuar me 87 oktan ose më të lartë që është trajtuar me një aditiv stabilizues karburanti. Ndiqni rekomandimet e prodhuesit të stabilizuesit të karburantit për përdorim.
- Zëvendësoni kapakun e karburantit (Fuel Cap).
- Fshini çdo karburant të derdhur dhe lëreni tepricën të avullohet para se të ndizni motorin. Për të parandaluar ZJARRIN, mos e ndizni motorin ndërsa era e karburantit varet në ajër.
Ndryshimi i Vajit të Motorit
Vaji është shumë i nxehtë gjatë funksionimit dhe mund të shkaktojë djegie. Prisni që motori të ftohet para se të ndryshoni vajin.
- Sigurohuni që motori të jetë ndalur dhe të jetë i niveluar.
- Mbyllni valvulën e karburantit (Fuel Valve).
- Vendosni një enë kullimi (nuk përfshihet) poshtë tapës së kullimit të karterit.
- Hiqni tapën e kullimit dhe, nëse është e mundur, anojeni paksa karterin për të ndihmuar në kullimin e vajit. Ricikloni vajin e përdorur.
- Zëvendësoni tapën e kullimit dhe shtrëngojeni.
- Pastroni pjesën e sipërme të shufres matëse (Dipstick) dhe zonën përreth saj. Hiqni shufren matëse (Dipstick) duke e filetuar në drejtim të kundërt të akrepave të orës dhe fshijeni me një leckë të pastër pa fije.
![Predator - 57480 - Ndryshimi i Vajit të Motorit Ndryshimi i Vajit të Motorit]()
- Shtoni llojin e duhur të vajit derisa niveli i vajit të jetë në nivelin e plotë. Vaji SAE 10W-30 rekomandohet për përdorim të përgjithshëm.
Shënim: Mos e filetoni shufren matëse (dipstick) kur kontrolloni nivelin e vajit.
Grafiku i klasës së viskozitetit SAE tregon viskozitete të tjera për t'u përdorur në temperatura mesatare të ndryshme.
Klasat e Viskozitetit SAE
![]()
- Filetoni shufren matëse (dipstick) përsëri në drejtim të akrepave të orës.
Mos e ndizni motorin me shumë pak vaj. Motori do të dëmtohet përgjithmonë.
Mirëmbajtja e Elementit të Filtrit të Ajrit
- Hiqni kapakun e filtrit të ajrit dhe elementët e filtrit të ajrit dhe kontrolloni për papastërti. Pastroni siç përshkruhet më poshtë.
- Pastrimi:
- Për elementët e filtrit "letër": Për të parandaluar lëndimin nga pluhuri dhe mbeturinat, vishni syze sigurie të miratuara nga ANSI, maskë/respirator pluhuri të miratuar nga NIOSH dhe doreza pune të rënda. Në një zonë të ajrosur mirë larg spektatorëve, përdorni ajër të kompresuar për të nxjerrë pluhurin nga filtri i ajrit. Nëse kjo nuk e pastron filtrin, zëvendësojeni atë.
- Për elementët e filtrit shkumë: Lani elementin në ujë të ngrohtë dhe detergjent të butë disa herë. Shpëlajeni. Shtrydhni ujin e tepërt dhe lëreni të thahet plotësisht. Zhytni shkurtimisht filtrin në vaj të lehtë, pastaj shtrydhni vajin e tepërt.
- Instaloni filtrin e pastruar. Sigurojeni kapakun e pastruesit të ajrit (Air Cleaner Cover) para përdorimit.
Mirëmbajtja e shkëndijës
- Shkëputni kapakun e shkëndijës nga fundi i spinës. Pastroni mbeturinat nga rreth shkëndijës.
- Duke përdorur një çelës shkëndije, hiqni shkëndijën.
- Inspektoni shkëndijën: Nëse elektroda është e vajosur, pastrojeni duke përdorur një leckë të pastër dhe të thatë. Nëse elektroda ka depozita mbi të, lustrojeni duke përdorur letër zmerile. Nëse izoluesi i bardhë është i plasaritur ose i copëtuar, shkëndija duhet të zëvendësohet.
NJOFTIM: Përdorimi i një shkëndije të pasaktë mund të dëmtojë motorin. Shihni grafikun e specifikimeve për gjeneratorin tuaj për llojin dhe hendekun e kërkuar. - Kur instaloni një shkëndijë të re, rregulloni hendekun e spinës sipas specifikimit në grafikun e specifikimeve. Mos e lëvizni kundër elektrodës, shkëndija mund të dëmtohet.
- Instaloni shkëndijën e re ose shkëndijën e pastruar në motor. Stili i guarnicionit: Shtrëngoni me gisht derisa guarnicioni të kontaktojë kokën e cilindrit, pastaj rreth 1/2-2/3 kthesë më shumë. Stili pa guarnicion: Shtrëngoni me gisht derisa spina të kontaktojë kokën, pastaj rreth 1/16 kthesë më shumë.
NJOFTIM: Shtrëngoni siç duhet shkëndijën. Nëse është e lirshme, shkëndija do të bëjë që motori të mbinxehet. Nëse shtrëngohet shumë, filetot në bllokun e motorit do të dëmtohen. - Aplikoni mbrojtësin dielektrik të çizmes së shkëndijës (nuk përfshihet) në fund të shkëndijës dhe ri-bashkangjitni telin në mënyrë të sigurt.
Magazinimi
Kur pajisja do të qëndrojë e papërdorur për më shumë se 20 ditë, përgatiteni motorin për ruajtje si më poshtë:
- PASTRIMI:
Prisni që motori të ftohet, pastaj pastroni motorin me leckë të thatë. NJOFTIM: Mos pastroni duke përdorur ujë. Uji gradualisht do të hyjë në motor dhe do të shkaktojë dëme nga ndryshku. Aplikoni një shtresë të hollë vaji parandalues ndryshku në të gjitha pjesët metalike. - KARBURANTI:
Trajtimi i benzinës/Kullimi i rezervuarit të karburantit
Për të mbrojtur rezervuarin e karburantit gjatë ruajtjes, mbushni rezervuarin me benzinë të freskët që është trajtuar me një aditiv stabilizues karburanti. Ndiqni rekomandimet e prodhuesit të stabilizuesit të karburantit për përdorim. Referojuni Kontrollit dhe Mbushjes së Karburantit. Benzina e vjetëruar që nuk është trajtuar me stabilizues paraprakisht duhet të kullohet në mënyrë të sigurt dhe të mos kalojë nëpër motor.
![]()
PËR TË PARANDALUAR LËNDIME SERIOZE NGA ZJARRI:
Mbushni rezervuarin në një zonë të ajrosur mirë larg burimeve të ndezjes. Nëse motori është i nxehtë nga përdorimi, fikeni motorin dhe prisni që të ftohet para se të shtoni karburant. Mos pini duhan.
Kullimi i karburatorit
Pasi të keni mbyllur valvulën e karburantit (Fuel Valve), vendosni një enë të përshtatshme poshtë karburatorit dhe hiqni me kujdes bulonën e kullimit nga fundi i tasit të karburatorit, duke lejuar që karburanti të kullojë plotësisht. Zëvendësoni bulonën e kullimit pas kullimit.
Për të parandaluar lëndime serioze dhe zjarr, mbyllni valvulën e karburantit (Fuel Valve) para se të kulloni karburatorin.
LUBRIFIKIMI:
- Ndryshoni vajin e motorit.
- Pastroni zonën rreth shkëndijës. Hiqni shkëndijën dhe derdhni një lugë gjelle vaj motori në cilindër nëpër vrimën e shkëndijës.
- Zëvendësoni shkëndijën, por lëreni kapakun e shkëndijës të shkëputur.
- Tërhiqeni dorezën e ndezësit (Starter Handle) për të shpërndarë vajin në cilindër. Ndaloni pas një ose dy rrotullimesh kur të ndjeni që pistoni fillon goditjen e kompresimit (kur filloni të ndjeni rezistencë).
- ZONA E RUAJTJES:
Mbulojeni dhe ruajeni në një zonë të thatë, të niveluar dhe të ajrosur mirë, larg fëmijëve. Zona e ruajtjes duhet të jetë gjithashtu larg burimeve të ndezjes, siç janë ngrohësit e ujit, tharëset e rrobave dhe furrat. Shmangni ekspozimin e drejtpërdrejtë ndaj shiut dhe rrezeve të diellit.
NJOFTIM: Gjatë periudhave të zgjatura të ruajtjes, motori duhet të ndizet çdo 3 muaj dhe të lejohet të funksionojë për 15 – 20 minuta ose garancia është E PAVLEFSHME. - PAS RUAJTJES:
Para se të ndizni motorin gjatë ose pas ruajtjes, mbani në mend se benzina e patrajtuar do të përkeqësohet shpejt. Kulloni rezervuarin e karburantit dhe ndërroni në karburant të freskët nëse benzina e patrajtuar ka qëndruar për një muaj, nëse benzina e trajtuar ka qëndruar përtej periudhës kohore të rekomanduar të stabilizuesit të karburantit ose nëse motori nuk ndizet.
Zgjidhja e problemeve
| Problemi | Shkaqet e mundshme | Zgjidhjet e mundshme |
Motori nuk ndizet | LIDHUR ME KARBURANTIN:
| LIDHUR ME KARBURANTIN:
|
LIDHUR ME NDEZJEN (SHKËNDIJËN):
| LIDHUR ME NDEZJEN (SHKËNDIJËN):
| |
LIDHUR ME KOMPRESIONIN:
| LIDHUR ME KOMPRESIONIN:
| |
Motori ndalon kur është nën ngarkesë të rëndë |
|
|
Motori shpërthen |
|
|
Motori ndalon papritmas |
|
|
Motori troket |
|
|
Motori shpërthen prapa |
|
|
Produkti nuk ka energji |
|
|
| Produkti fillon të funksionojë në mënyrë jonormale. |
|
|
Ndiqni të gjitha masat paraprake të sigurisë sa herë që diagnostikoni ose servisni pajisjen ose motorin.
Për pyetje teknike, ju lutemi telefononi në 1-888-866-5797.
Vizitoni faqen tonë të internetit në: http://www.harborfreight.com
Dërgoni një email në mbështetjen tonë teknike në: productsupport@harborfreight.com
Dërgoni një email në mbështetjen tonë për motorin në: predator@harborfreight.com
Copyright © 2020 nga Harbor Freight Tools ®. Të gjitha të drejtat e rezervuara. Asnjë pjesë e këtij manuali ose ndonjë vepër arti e përfshirë këtu nuk mund të riprodhohet në asnjë formë ose formë pa pëlqimin e shprehur me shkrim të Harbor Freight Tools. Diagramet brenda këtij manuali mund të mos jenë vizatuar proporcionalisht. Për shkak të përmirësimeve të vazhdueshme, produkti aktual mund të ndryshojë pak nga produkti i përshkruar këtu. Mjetet e nevojshme për montim dhe servis mund të mos përfshihen.

Referencat
Shkarko manual
Këtu mund të shkarkoni versionin e plotë pdf të manualit, ai mund të përmbajë udhëzime shtesë sigurie, informacione garancioni, rregulla FCC, etj.
Shkarko Manuali i gjeneratorit inverter Predator 8750 Watt, 57480


































