Kenwood XR600-1 - D класты моно күшейткіштің нұсқаулығы

Қауіпсіздік шаралары
Жарақаттануды немесе өртті болдырмау үшін келесі қауіпсіздік шараларын сақтаңыз:
- Бұл өнімді орнату және сымдарды қосу дағдылар мен тәжірибені қажет етеді. Қауіпсіздік үшін орнату және сымдарды қосу жұмыстарын кәсіби мамандарға тапсырыңыз.
- Тұтану, аккумулятор немесе жерге қосу сымдарын ұзартқан кезде, сымның тозуын және сым жабынының зақымдалуын болдырмау үшін міндетті түрде автомобильдік сымдарды немесе 14 mm2 (AWG 6) - 21 mm2 (AWG 4) диапазонындағы басқа сымдарды пайдаланыңыз.
- Қысқа тұйықталуды болдырмау үшін құрылғының ішіне ешқашан металл заттарды (мысалы, тиындар немесе металл құралдар) салмаңыз немесе қалдырмаңыз.
- Егер құрылғыдан түтін немесе жағымсыз иіс шыға бастаса, дереу қуатты өшіріп, Kenwood дилеріне хабарласыңыз.
- Құрылғыны пайдалану кезінде оған тимеңіз, себебі құрылғының беті қызып кетуі мүмкін және тиген жағдайда күйікке әкелуі мүмкін.
Құрылғының зақымдалуын болдырмау үшін келесі қауіпсіздік шараларын сақтаңыз:
- Құрылғының теріс жерге қосылған 12V DC қуат көзіне қосылғанына көз жеткізіңіз.
- Құрылғының үстіңгі немесе астыңғы қақпақтарын ашпаңыз.
- Құрылғыны тікелей күн сәулесіне немесе шамадан тыс ыстыққа немесе ылғалға ұшырайтын жерге орнатпаңыз. Сондай-ақ, шаңның көп болуы немесе судың шашырау ықтималдығы бар жерлерден аулақ болыңыз.
- Сақтандырғышты ауыстырған кезде тек белгіленген қуаттылығы бар жаңа сақтандырғышты пайдаланыңыз. Дұрыс емес қуаттылығы бар сақтандырғышты пайдалану құрылғының дұрыс жұмыс істемеуіне әкелуі мүмкін.
- Сақтандырғышты ауыстырған кезде қысқа тұйықталуды болдырмау үшін алдымен сымдарды ажыратыңыз.
ЕСКЕРТПЕ
- Егер орнату кезінде қиындықтар туындаса, Kenwood дилеріне хабарласыңыз.
- Егер құрылғы дұрыс жұмыс істемейтін сияқты болса, Kenwood дилеріне хабарласыңыз.
Құрылғыны тазалау
Егер алдыңғы панель кірлесе, қуатты өшіріп, панельді құрғақ силикон шүберекпен немесе жұмсақ шүберекпен сүртіңіз.
Панельді қатты шүберекпен немесе бояуды сұйылтқыш және спирт сияқты ұшқыш еріткіштермен дымқылданған шүберекпен сүртпеңіз. Олар панельдің бетін сызып тастауы және/немесе индикатор әріптерінің түсіп қалуына әкелуі мүмкін.
Аккумулятордың зарядының төмендеуін болдырмау үшін
Құрылғы қозғалтқышты қоспай ACC ON (қосулы) күйінде пайдаланылса, ол аккумулятордың зарядын азайтады. Қозғалтқышты іске қосқаннан кейін пайдаланыңыз.
Қорғау функциясы
Қорғау функциясы келесі жағдайларда іске қосылады:
Бұл құрылғы осы құрылғыны және динамиктерді болуы мүмкін әртүрлі апаттардан немесе мәселелерден қорғауға арналған қорғау функциясымен жабдықталған.
Қорғау функциясы іске қосылған кезде қуат индикаторы өшеді және күшейткіш жұмысын тоқтатады.
- Динамик сымы қысқа тұйықталуы мүмкін болғанда.
- Динамик шығысы жерге тигенде.
- Құрылғы дұрыс жұмыс істемегенде және динамик шығысына тұрақты ток сигналы жіберілгенде.
- Ішкі температура жоғары болғанда және құрылғы жұмыс істемей қалғанда.
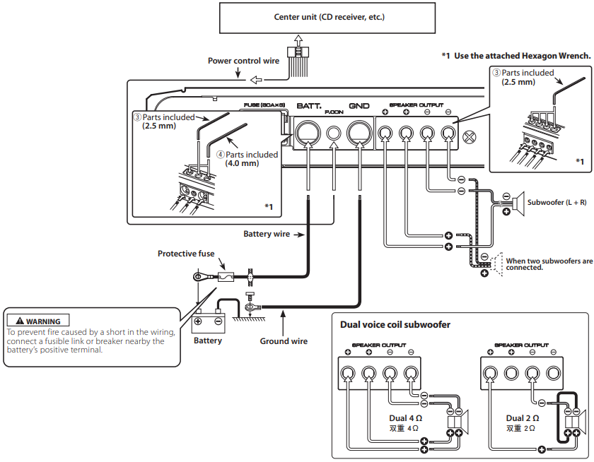
Сымдарды қосу
- Бұл құрылғыға арналған аккумулятор сымын тікелей аккумулятордан алыңыз. Егер ол көліктің сымдар жинағына қосылса, ол сақтандырғыштардың жанып кетуіне және т.б. әкелуі мүмкін.
- Егер қозғалтқыш жұмыс істеп тұрғанда динамиктерден ызылдаған дыбыс естілсе, әрбір аккумулятор сымына желілік шу сүзгісін (қосымша) қосыңыз.
- Сымның темір тақтаның шетіне тікелей тиюіне жол бермеңіз, ол үшін тығыздағыштарды пайдаланыңыз.
- Жерге қосу сымын аккумулятордың теріс (-) ұшына электр тогын өткізетін автомобиль шассиінің металл бөлігіне қосыңыз. Жерге қосу сымы қосылмаған болса, қуатты қоспаңыз.
- Аккумулятордың жанындағы қуат сымына міндетті түрде қорғаныш сақтандырғышты орнатыңыз. Қорғаныш сақтандырғыш құрылғының сақтандырғыш сыйымдылығымен бірдей немесе сәл үлкенірек болуы керек. • Қуат сымы мен жерге қосу үшін көлік түріндегі (өртке қарсы) қуат сымын пайдаланыңыз. (14 mm2 (AWG 6) - 21 mm2 (AWG 4) диапазонындағы қуат сымын пайдаланыңыз).
- Егер бірнеше қуат күшейткіші пайдаланылатын болса, әрбір күшейткіштің жалпы максималды тогынан үлкен ток өткізу қабілеті бар қуат көзінің сымын және қорғаныш сақтандырғышты пайдаланыңыз.
Динамиктерді таңдау
- Күшейткіштің шығыс қуатынан кішірек кіріс қуаты бар динамиктерді пайдалану түтін шығаруға немесе жабдықтың істен шығуына әкеледі.
- Кедергісі 2Ω немесе одан жоғары динамиктерді пайдаланыңыз. Егер бірнеше динамиктер жинағы пайдаланылатын болса, динамиктердің біріктірілген кедергісін есептеңіз, содан кейін күшейткішке қолайлы динамиктерді қосыңыз.
![Kenwood - XR600-1 - Calculating the combined impedance Calculating the combined impedance]()
<Мысал>
Орнату
Аксессуарлар
| 1 | ![]() Өздігінен бұрап кіретін бұрандалар | 4 |
| 2 | ![]() Алты қырлы кілт | 1 |
| 3 | ![]() Алты қырлы кілт | 1 |
| 4 | ![]() Алты қырлы кілт | 1 |

Орнату тәртібі
Қолданбаларға сәйкес мүмкін болатын параметрлер мен қосылымдардың үлкен алуан түрлілігі болғандықтан, дұрыс параметрді және қосылымды таңдау үшін нұсқаулықты жақсылап оқып шығыңыз.
- Тұтану кілтін алып, қысқа тұйықталуды болдырмау үшін аккумулятордың теріс
ұшын ажыратыңыз. - Құрылғыны мақсатты пайдалануға сәйкес орнатыңыз.
- Беткі қабатын алыңыз.
- Құрылғылардың кіріс және шығыс сымдарын қосыңыз.
- Динамик сымдарын қосыңыз.
- Қуат сымын, қуатты басқару сымын және жерге қосу сымын осы ретпен қосыңыз.
- Құрылғыға орнату фитингтерін орнатыңыз.
- Құрылғыны бекітіңіз.
- Беткі қабатын бекітіңіз.
- Аккумулятордың теріс
ұшын қосыңыз.
- Төмендегі жерлерге орнатпаңыз;
(Тұрақсыз жер, жүргізуге кедергі келтіретін жер, су болатын жер, шаңды жер, ыстық жер, тікелей күн сәулесі түсетін жер, ыстық ауа тиетін жер) - Құрылғыны кілемнің астына орнатпаңыз. Әйтпесе, жылу жиналып, құрылғы зақымдалуы мүмкін.
- Бұл құрылғыны жылу оңай таралатын жерге орнатыңыз.
Орнатылғаннан кейін құрылғының үстіне ешқандай зат қоймаңыз. - Күшейткіштің беткі температурасы пайдалану кезінде қызып кетеді. Күшейткішті адамдар, шайырлар және ыстыққа сезімтал басқа заттар онымен жанаспайтын жерге орнатыңыз.
- Орындықтың астында, жүксалғыштың ішінде немесе көліктегі басқа жерде тесік жасаған кезде, қарама-қарсы жағында бензин багы, тежеу құбыры немесе сымдар жинағы сияқты қауіпті ештеңе жоқ екенін тексеріңіз және сызаттар немесе басқа зақымданулардың пайда болуына жол бермеуге тырысыңыз.
- Басқару тақтасының, артқы науаның немесе қауіпсіздік жастығының қауіпсіздік бөліктерінің жанына орнатпаңыз.
- Көлікке орнату құрылғыны жүргізуге кедергі келтірмейтін жерге мықтап бекітуі керек. Егер құрылғы соққыдан түсіп кетіп, адамға немесе қауіпсіздік бөлігіне тисе, жарақатқа немесе апатқа әкелуі мүмкін.
- Құрылғыны орнатқаннан кейін тежеу шамдары, бұрылыс шамдары және әйнек тазалағыштар сияқты электр жабдықтарының қалыпты жұмыс істейтініне көз жеткізіңіз.
Қосылым

Күшейткіш шығысы мен динамик ұштарында жақсы электрлік байланыс жасауға ерекше назар аудару керек.
Нашар немесе бос қосылымдар күшейткіш бере алатын өте жоғары қуатқа байланысты ұштарда ұшқынның пайда болуына немесе жануына әкелуі мүмкін.
- Егер дыбыс қалыпты шықпаса, дереу қуатты өшіріп, қосылымдарды тексеріңіз.
- Кез келген қосқыштың параметрін өзгертпес бұрын қуатты өшіруді ұмытпаңыз.
- Егер сақтандырғыш жанып кетсе, сымдарды қысқа тұйықталуға тексеріңіз, содан кейін сақтандырғышты дәл осындай номиналды сақтандырғышпен ауыстырыңыз.
- Ешбір қосылмаған сымдар немесе қосқыштар көлік корпусына тиіп тұрмағанын тексеріңіз. Қысқа тұйықталуды болдырмау үшін қосылмаған сымдардан немесе қосқыштардан қақпақтарды шешпеңіз.
- Динамик сымдарын тиісті динамик қосқыштарына бөлек қосыңыз. Динамиктің теріс сымын бөлісу немесе динамик сымдарын көліктің металл корпусына тұйықтау бұл құрылғының істен шығуына әкелуі мүмкін.
- Орнатудан кейін тежегіш шамдарының, бұрылыс көрсеткіштерінің және әйнек тазалағыштардың дұрыс жұмыс істейтінін тексеріңіз.
Қысқа тұйықталуды болдырмау үшін тұтану кілтін алып тастаңыз және батареяның теріс
ұшын ажыратыңыз.
Қуат сымы мен динамик сымының қосылымы

Сымдардағы қысқа тұйықталудан туындаған өртті болдырмау үшін батареяның оң ұшының жанына балқытылатын сілтеме немесе ажыратқыш қосыңыз.
RCA кабелінің қосылымдары

Қорғасын ұштары туралы
- Сымның қалыңдығы
Сіз келесі қалыңдықтағы сымдарды пайдалана аласыз:
| Батарея сымы және жерге тұйықтау сымы | AWG 4 – AWG 6 |
| Динамик сымы | AWG 8 – AWG 16 |
- Сымды тазалаңыз
Сым қабығында (винилден жасалған оқшаулағыш және т.б.) сымның ұшынан 10-13 мм қашықтықта кесік жасаңыз, содан кейін қабықтың қажетсіз бөлігін бұрау арқылы алып тастаңыз. - Сымды орнатыңыз
Берілген алтыбұрышты кілтті пайдаланып бұранданы босатыңыз. Сымның өткізгішін терминал тесігіне салыңыз, содан кейін бұранданы қатайтыңыз.
![Kenwood - XR600-1 - Қорғасын ұштары туралы - Сымды орнату Қорғасын ұштары туралы - Сымды орнату]()
Ақаулықтарды жою нұсқаулығы
Сіздің құрылғыңыздағы ақаулық болып көрінген нәрсе шамалы қате жұмыс істеудің немесе дұрыс емес сымдардың нәтижесі болуы мүмкін.
Қызмет көрсетуге қоңырау шалмас бұрын, алдымен ықтимал мәселелерді шешу үшін келесі кестені қараңыз.
| МӘСЕЛЕ | МҮМКІН СЕБЕП | ШЕШІМІ |
Дыбыс жоқ(Бір жағынан дыбыс жоқ.)(Сақтандырғыш жанып кеткен.) |
|
|
Шығыс деңгейі тым аз (немесе тым үлкен) |
|
|
Дыбыс сапасы нашар(Дыбыс бұрмаланған.) |
|
|
Басқару элементтері

Жіңішке мұрынды қысқыштың ұшын саңылауға салыңыз, сақтандырғышты ұстап, тартып шығарыңыз.
- Сақтандырғыш (30 A x 3)
ЕСКЕРТПЕ
Егер сіз дүкеніңізден және т.б. көрсетілген сыйымдылықтағы сақтандырғышты таба алмасаңыз, Kenwood дилеріне хабарласыңыз. - Батарея терминалы (BATT.)
- Қуатты басқару терминалы (P.CON)
Құрылғыны қосу/өшіруді басқарады (ON/OFF).
ЕСКЕРТПЕ
Құрылғының қуатын басқарады. Оны барлық жүйелермен қосуды ұмытпаңыз. - Жерге тұйықтау терминалы (GND)
- ДИНАМИК ШЫҒЫС терминалдары
Бұл құрылғы 2 Ом минималды кедергісі бар динамиктерді қабылдағандықтан, осы терминалдарға 2 Ом немесе одан жоғары кедергісі бар динамиктерді қосыңыз. - LINE IN терминалы
- LINE OUT терминалы
Желілік кіріс терминалынан енгізілген сигнал шығарылады. - КІРІС СЕЗІМТАЛДЫҒЫН басқару
Бұл басқаруды осы құрылғымен қосылған орталық блоктың алдын ала шығыс деңгейіне сәйкес орнатыңыз.
ЕСКЕРТПЕ
Алдын ала шығыс деңгейі үшін орталық блоктың нұсқаулығындағы <Техникалық сипаттамаларға> сілтеме жасаңыз. - BASS BOOST LEVEL басқару
Өтелетін төмен жиілік деңгейін орнатады. - LPF FREQUENCY басқару
Бұл басқару осы құрылғыдан шығарылатын жиілік жолағын реттейді. - Қуат индикаторы
Қуат қосылған кезде қуат индикаторы жанады.
Техникалық сипаттамалар
Техникалық сипаттамалар ескертусіз өзгертілуі мүмкін.
| Аудио бөлімі | ||
| Номиналды қуат шығысы (+B = 14.4V) | ||
| (4 Ω) (20 Hz – 200 Hz, ≤ 1.0% THD) | 400 W × 1 | |
| (2 Ω) (100 Hz, ≤ 1.0% THD) | 600 W × 1 | |
| Динамик кедергісі | 4 Ω (2 Ω – 8 Ω рұқсат етілген) | |
| Жиілік реакциясы (+0, –1 dB) | 20 Hz – 200 Hz | |
| Кіріс сезімталдығы (RCA). | 0.2 V – 5.0 V | |
| Сигналдың шуға қатынасы | 100 dB | |
| Кіріс кедергісі | 10 kΩ | |
| Төмен жиілікті сүзгінің жиілігі (-24 dB/oct.) | 50 Hz – 200 Hz (өзгермелі) | |
| Bass Boost Control (40 Hz) | 0 – +18 dB (өзгермелі) | |
| Жалпы | ||
| Жұмыс кернеуі | 14.4 V (11 – 16 V рұқсат етілген) | |
| Ток тұтыну. | 46 A | |
| Өлшемдері (W × H × D) | 220 × 35 × 169 mm | |
| Салмақ | 1.6 kg | |

Нұсқаулықты жүктеп алу
Мұнда нұсқаулықтың толық pdf нұсқасын жүктеп алуға болады, онда қосымша қауіпсіздік нұсқаулары, кепілдік туралы ақпарат, FCC ережелері және т.б. болуы мүмкін.
Kenwood XR600-1 - D класты моно күшейткіштің нұсқаулығы жүктеп алу






жақсылап тексеріп, оларды дұрыс қосыңыз.