Manual do Toro SnowMaster, SnowMax

Introdução
Este manual de serviço foi escrito expressamente para técnicos de serviço TORO® e LAWN-BOY®. A The Toro Company se esforçou ao máximo para tornar as informações neste manual completas e corretas.
Assume-se conhecimento básico de segurança na oficina e habilidades mecânicas/elétricas. A Tabela de Conteúdo lista os sistemas e os tópicos relacionados abordados neste manual.
O soprador de neve SnowMaster® e SnowMax® é abordado neste manual. O manual também pode ser especificado para uso em produtos de modelos posteriores.
Devido ao design compacto, as peças foram removidas para fins fotográficos quando necessário.
Esperamos que você considere este manual uma valiosa adição à sua oficina de serviço. Se você tiver alguma dúvida ou comentário sobre este manual, entre em contato conosco no seguinte endereço:
The Toro Company Residential Contractor Service Training Department 8111 Lyndale Avenue South Bloomington, MN 55420
A The Toro Company reserva-se o direito de alterar as especificações do produto neste manual sem aviso prévio.
CHASSI
Manípulos e controles

- Manípulo superior
- Manípulo inferior
- Manípulo Personal Pace®
- Cabo de transmissão
- Cabo superior do rotor
- Cabo inferior do rotor
Toda a folga deve ser removida do cabo de tração antes que o cabo seja fixado. O cabo de transmissão deve ser ajustado de modo que 2,50 ± 0,05 pol. do conduíte se projete além da âncora do cabo. As rodas traseiras devem girar livremente tanto para frente quanto para trás sem o acionamento do Personal Pace® e devem travar com o acionamento do Personal Pace®.
O cabo do rotor deve ser ajustado de modo que 1,00 ± 0,05 pol. do conduíte se projete além da âncora do cabo. Certifique-se de que haja folga no cabo após o ajuste para garantir que o freio ainda funcione.
Motor

- Motor
- Polia do motor
Aplique uma leve camada de antiaderente ao virabrequim do motor, antes de instalar a polia do motor.
Aplique Loctite® 243 nas roscas dos pinos de montagem do motor.
As ranhuras da polia, item 2, precisam estar secas e livres de óleo, antiaderente ou outros lubrificantes.
Aperte o parafuso da polia do motor com um torque de 170 ± 15 pol-lbs (19,5 ± 1,7 Nm). Ao inspecionar o torque adequado, o torque deve ser verificado imediatamente antes que o Loctite® 243 endureça.
Conjunto do condutor

- Condutor inferior
- Guia do condutor
- Suporte do tubo de suporte do condutor
- Pilar do condutor
- Engrenagem do condutor
- Condutor
- Manípulo do condutor
- Tampa da mola
- Mola de extensão
- Revestimento superior esquerdo
- Revestimento inferior direito
- Ejetor da carcaça
- Anel do condutor
Conjunto do condutor

- Condutor inferior
- Guia do condutor
- Pilar do condutor
- Engrenagem do condutor
- Condutor
- Anel do condutor
- Montagem do condutor da engrenagem
- Engrenagem frontal
- Tampa do condutor da engrenagem
- Revestimento superior esquerdo
- Revestimento inferior direito
- Ejetor da carcaça
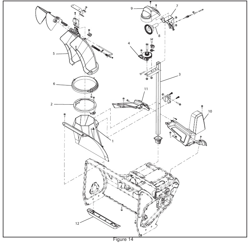
Remoção e substituição do condutor e do revestimento (Figuras 13 e 14)
Remoção
- Remova os revestimentos superiores direito (item 11) e esquerdo (item 10).
- Remova o parafuso e a porca que prendem o pilar do condutor (Figura 13) (item 4). Remova o pilar e o conjunto do condutor.
OBSERVAÇÃO: É necessário remover a haste de encaixe rápido e a braçadeira do cabo defletor na lateral da estrutura nos modelos QS antes de remover o conjunto do condutor. - Remova os parafusos que prendem o condutor inferior (item 1) ao ejetor da carcaça (item 12).
- Incline a unidade para frente. Remova os parafusos inferiores do condutor inferior (item 1) (Figura 15).
![Toro - SnowMaster - Remoção do condutor e do revestimento Remoção do condutor e do revestimento]()
- Remova o condutor inferior (item 1) da unidade.
Substituição
- Instale o condutor inferior (item 1). Instale os parafusos inferiores do condutor inferior e os parafusos que prendem o condutor inferior ao ejetor da carcaça (item 12). Aperte os parafusos com um torque de 25 a 35 pol-lbs (2,8 a 4 Nm) (Figura 16).
![Toro - SnowMaster - Substituição do condutor e do revestimento - Etapa 1 Substituição do condutor e do revestimento - Etapa 1]()
- Instale o pilar do condutor (item 3) e o conjunto do condutor. Aplique um torque de 60 pol-lbs (7 Nm) (Figura 17).
OBSERVAÇÃO: É necessário inserir a haste de encaixe rápido e a braçadeira do cabo defletor na lateral da estrutura nos modelos QS antes de instalar o conjunto do condutor.
![Toro - SnowMaster - Substituição do condutor e do revestimento - Etapa 2 Substituição do condutor e do revestimento - Etapa 2]()
- Instale os revestimentos superiores direito (item 11) e esquerdo (item 10). Aperte os parafusos com um torque de 25 a 35 pol-lbs (2,8 a 4 Nm).
Remoção e substituição da correia
Remoção
- Remova os parafusos que fixam a tampa da correia e remova a tampa (Figura 18).
![Toro - SnowMaster - Remoção da correia - Etapa 1 Remoção da correia - Etapa 1]()
- Desengate a presilha da mola do freio e remova a presilha e a mola.
- Remova o parafuso da polia do rotor e puxe a polia do rotor para fora (Figura 19).
![Toro - SnowMaster - Remoção da correia - Etapa 2 Remoção da correia - Etapa 2]()
- Solte a correia da polia do eixo intermediário, remova a polia do rotor e a correia.
Substituição
- Comece passando a correia sobre a polia do eixo intermediário. Passe a correia sob a polia tensora e entre as abas no braço da embreagem do rotor. Passe a correia sobre a polia do rotor (Figura 20).
![Toro - SnowMaster - Substituição da correia - Etapa 1 Substituição da correia - Etapa 1]()
- Deslize a polia do rotor no eixo do rotor. Aplique Loctite® 243 no parafuso, instale a arruela e o parafuso. Aperte com um torque de 96 pol-lbs (11 Nm) (Figura 21).
![Toro - SnowMaster - Substituição da correia - Etapa 2 Substituição da correia - Etapa 2]()
- Instale a tampa da correia. Aperte o parafuso com um torque de 60 a 80 pol-lbs (7 a 9 Nm).
OBSERVAÇÃO: Combine a orientação da polia do rotor com a imagem acima para evitar colocar a polia do rotor ao contrário.
Rotor e acionamento do rotor

- Suporte central do rotor
- Pá
Aplique um torque de 60 a 80 pol-lbs (7 a 9 Nm)
Aplique um torque de 40 a 60 pol-lbs (4 a 7 Nm)
As pás, item B, devem ser montadas com os orifícios indicadores de desgaste nas posições mostradas, quando vistas de frente.
Aperte primeiro o parafuso central ao montar as pás do rotor. Aplique um torque de 45 a 55 pol-lbs.
Certifique-se de que o conjunto do rotor gire livremente após ser completamente instalado na estrutura. O rotor não pode entrar em contato com a estrutura ou com a superfície do solo.
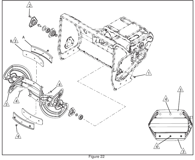
Remoção e substituição do rotor (Figura 22)
Remoção
- Remova a tampa da correia e remova a correia e a polia do rotor conforme descrito em "Remoção e substituição da correia".
- Remova os três parafusos da parte de trás da polia do rotor.
![Toro - SnowMaster - Remoção do rotor - Etapa 1 Remoção do rotor - Etapa 1]()
- No lado oposto, remova os três parafusos da tampa do rolamento.
- Remova o parafuso do rolamento. Remova o rolamento e o retentor do rolamento, a arruela de borracha e a arruela de encosto.
![Toro - SnowMaster - Remoção do rotor - Etapa 2 Remoção do rotor - Etapa 2]()
- Deslize o rotor para um lado e remova-o.
Substituição
- Certifique-se de que a arruela de encosto, o rolamento e o retentor do rolamento estejam no eixo do rotor no lado da correia de acionamento. Insira-o no orifício do rotor. Insira o rotor pelo outro lado do orifício do rotor.
![Toro - SnowMaster - Substituição do rotor - Etapa 1 Substituição do rotor - Etapa 1]()
- Insira a arruela de encosto, o retentor do rolamento e o rolamento. Instale o parafuso. Aplique um torque de 30 ft-lbs (40 Nm) no parafuso.
![Toro - SnowMaster - Substituição do rotor - Etapa 2 Substituição do rotor - Etapa 2]()
- Instale a arruela de borracha e a tampa do rolamento. Certifique-se de que a arruela de borracha esteja posicionada corretamente antes de instalar a tampa do rolamento. Aperte os parafusos com um torque de 40 a 60 pol-lbs (4,6 a 7 Nm).
- Instale os parafusos que ficam atrás da polia do rotor. Aperte com um torque de 60 a 80 pol-lbs (7 a 9 Nm).
- Instale a correia do rotor e a tampa da correia conforme descrito em "Remoção e substituição da correia".
Transmissão, tração e pneu

- Transmissão
- Placa de suporte do eixo intermediário
- Roldana tensora de tração
- Polia do eixo intermediário
- Polia tensora
- Correia
- Eixo intermediário
- Suporte do rolamento da transmissão
A mola deve ser montada na ranhura do braço da roldana tensora de tração e no orifício na placa de suporte do eixo intermediário.
Certifique-se de que o braço tensor gire livremente após a montagem.
Os conjuntos de pneu e roda devem ser montados de modo que o piso do pneu esteja na direção correta.
Monte os itens na placa de suporte do eixo intermediário. Em seguida, passe o conjunto do eixo intermediário através do rolamento no lado esquerdo da estrutura e, em seguida, monte a polia do eixo intermediário do rotor no eixo intermediário. Instale o suporte do rolamento da transmissão depois que o conjunto do eixo intermediário for apertado na placa do lado esquerdo. Certifique-se de que a polia e o eixo girem livremente após a montagem.
Remoção e substituição do cabo da transmissão Figura 27)
Remoção
- Remova a carenagem superior LH. Remova a tampa da correia.
- Remova a extremidade do cabo do seu retentor (Figura 28).
![Toro - SnowMaster - Remoção do cabo da transmissão - Etapa 1 Remoção do cabo da transmissão - Etapa 1]()
- Remova o parafuso de dentro da tampa da correia (Figura 29).
![Toro - SnowMaster - Remoção do cabo da transmissão - Etapa 2 Remoção do cabo da transmissão - Etapa 2]()
- Remova os dois parafusos que prendem o cabo ao chassi (Figura 30).
![Toro - SnowMaster - Remoção do cabo da transmissão - Etapa 3 Remoção do cabo da transmissão - Etapa 3]()
- Remova o cabo da mola.
Substituição
- Coloque a extremidade em laço do cabo na mola (Figura 31).
![Toro - SnowMaster - Substituição do cabo da transmissão - Etapa 1 Substituição do cabo da transmissão - Etapa 1]()
- Instale os dois parafusos que prendem o cabo ao chassi. Aperte os parafusos com um torque de 60-80 in-lbs. (7-9 Nm) (Figura 32).
![Toro - SnowMaster - Substituição do cabo da transmissão - Etapa 2 Substituição do cabo da transmissão - Etapa 2]()
- Insira o parafuso através dos orifícios dos parafusos de dentro da tampa da correia no suporte. Aperte os parafusos com um torque de 60-80 in-lbs. (7-9 Nm) (Figura 33).
![Toro - SnowMaster - Substituição do cabo da transmissão - Etapa 3 Substituição do cabo da transmissão - Etapa 3]()
- Insira a extremidade do cabo em seu retentor (Figura 34).
![Toro - SnowMaster - Substituição do cabo da transmissão - Etapa 4 Substituição do cabo da transmissão - Etapa 4]()
- Instale a carenagem superior LH e a tampa da correia. Aperte os parafusos da carenagem com um torque de 25-35 in-lbs. (2,8-4 Nm). Aperte os parafusos da tampa com um torque de 60-80 in.-lbs. (7-9 Nm).
Remoção da transmissão
Remoção
- Remova a carenagem superior. Remova o parafuso que prende a tampa superior da correia (Figura 35).
![Toro - SnowMaster - Remoção da transmissão - Etapa 1 Remoção da transmissão - Etapa 1]()
- Incline o soprador para frente, apoiando a carcaça da broca em um tapete protetor. Remova os fixadores que prendem a tampa inferior da correia no lugar. Remova a tampa (Figura 36).
![Toro - SnowMaster - Remoção da transmissão - Etapa 2 Remoção da transmissão - Etapa 2]()
- Remova a mola do tensor.
- Remova as rodas dos eixos.
- Deslize a transmissão para a direita. Passe a correia sobre a polia (Figura 37).
![Toro - SnowMaster - Remoção da transmissão - Etapa 3 Remoção da transmissão - Etapa 3]()
- Remova a correia da polia da cambota (Figura 38).
![Toro - SnowMaster - Remoção da transmissão - Etapa 4 Remoção da transmissão - Etapa 4]()
- Deslize a correia para fora.
- Remova os parafusos que fixam os rolamentos e os retentores do eixo de transmissão à carcaça (Figura 39).
![Toro - SnowMaster - Remoção da transmissão - Etapa 5 Remoção da transmissão - Etapa 5]()
- Deslize a transmissão para a direita até que o eixo do lado esquerdo saia da carcaça. Levante a transmissão para cima e para fora. Desconecte o cabo de tração (Figura 40).
![Toro - SnowMaster - Remoção da transmissão - Etapa 6 Remoção da transmissão - Etapa 6]()
Remoção da polia
Remoção
- Remova a transmissão da unidade. Remova os dois parafusos da polia.
![Toro - SnowMaster - Remoção da polia - Etapa 1 Remoção da polia - Etapa 1]()
- Usando um punção, bata no pino para retirá-lo da polia.
![Toro - SnowMaster - Remoção da polia - Etapa 2 Remoção da polia - Etapa 2]()
- Deslize a polia de volta no eixo.
![Toro - SnowMaster - Remoção da polia - Etapa 3 Remoção da polia - Etapa 3]()
- Usando um extrator, puxe o rolamento para fora do eixo. Remova a polia.
![Toro - SnowMaster - Remoção da polia - Etapa 4 Remoção da polia - Etapa 4]()
Substituição
- Limpe o eixo de qualquer resíduo ou ferrugem. Deslize a nova polia para dentro do eixo.
![Toro - SnowMaster - Substituição da polia - Etapa 1 Substituição da polia - Etapa 1]()
- Bata na polia para colocá-la na posição
![Toro - SnowMaster - Substituição da polia - Etapa 2 Substituição da polia - Etapa 2]()
- Alinhe os orifícios da polia com o orifício no eixo.
![Toro - SnowMaster - Substituição da polia - Etapa 3 Substituição da polia - Etapa 3]()
- Insira um punção no pino da polia.
![Toro - SnowMaster - Substituição da polia - Etapa 4 Substituição da polia - Etapa 4]()
- Insira a transmissão em uma morsa ou braçadeira para criar uma superfície sólida para a polia repousar.
![Toro - SnowMaster - Substituição da polia - Etapa 5 Substituição da polia - Etapa 5]()
- Coloque o rolamento no eixo. Usando um espaçador, bata o rolamento no lugar até que a pista interna do rolamento esteja nivelada com o eixo.
![Toro - SnowMaster - Substituição da polia - Etapa 6 Substituição da polia - Etapa 6]()
- Remova o punção de aperto. Insira o novo pino.
![Toro - SnowMaster - Substituição da polia - Etapa 7 Substituição da polia - Etapa 7]()
- Instale os parafusos na polia para fixar o pino na posição.
![Toro - SnowMaster - Substituição da polia - Etapa 8 Substituição da polia - Etapa 8]()
- A instalação da polia e do rolamento está concluída.
![]()
Rotor e acionamento do rotor

- Conj. da polia do rotor
- Conj. da embreagem do rotor
- Polia tensora plana
- Polia do eixo intermediário do rotor
- Correia V Poly
- Mola de extensão
Lubrifique o braço tensor, em ambos os lados ao redor do orifício de articulação com graxa.
A mola deve ser montada conforme mostrado, ela deve passar pela ranhura e pelo orifício no clipe de mola.
O cubo da polia estendida deve ser montado em direção ao rotor.
Certifique-se de que o braço tensor gire livremente após a montagem.
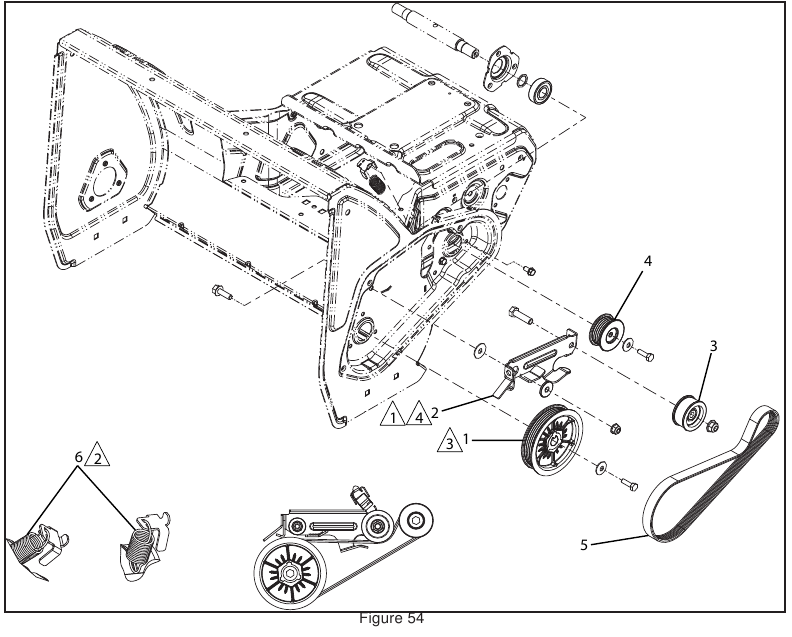
Remoção e substituição do eixo intermediário (Figura 54)
Remoção
- Remova as tampas da correia, a correia e a transmissão da unidade.
- Coloque uma chave de fenda ou ferramenta similar através do orifício no eixo intermediário (Figura 55).
![Toro - SnowMaster - Remoção do eixo intermediário - Passo 1 Remoção do eixo intermediário - Passo 1]()
- Remova o parafuso que prende a polia do eixo intermediário/rotor (item 4). Remova a polia (Figura 56).
![Toro - SnowMaster - Remoção do eixo intermediário - Passo 3 Remoção do eixo intermediário - Passo 3]()
- Dentro da carcaça, remova os parafusos que prendem a outra polia do eixo intermediário (item 4). Remova a polia (Figura 57).
![Toro - SnowMaster - Remoção do eixo intermediário - Passo 3 Remoção do eixo intermediário - Passo 3]()
- Remova os três parafusos de retenção do rolamento de dentro da carcaça da correia (Figura 58).
![Toro - SnowMaster - Remoção do eixo intermediário - Passo 4 Remoção do eixo intermediário - Passo 4]()
- Remova os três parafusos de retenção do rolamento da lateral da carcaça. Remova o retentor do rolamento (Figura 59).
![Toro - SnowMaster - Remoção do eixo intermediário - Passo 5 Remoção do eixo intermediário - Passo 5]()
- Afrouxe o parafuso do braço tensor. Mova o tensor para fora do caminho (Figura 60).
![Toro - SnowMaster - Remoção do eixo intermediário - Passo 6 Remoção do eixo intermediário - Passo 6]()
- Deslize a placa de suporte do eixo intermediário para a direita e remova (Figura 61).
![Toro - SnowMaster - Remoção do eixo intermediário - Passo 7 Remoção do eixo intermediário - Passo 7]()
Substituição
- Deslize o eixo intermediário, a arruela de encosto, o rolamento e o retentor do rolamento para dentro do chassi, através do orifício na tampa da correia (Figura 62).
![Toro - SnowMaster - Substituição do eixo intermediário - Passo 1 Substituição do eixo intermediário - Passo 1]()
- Deslize a placa de suporte do eixo intermediário, a arruela de encosto, o rolamento e o retentor do rolamento para o eixo intermediário dentro da carcaça (Figura 63).
![Toro - SnowMaster - Substituição do eixo intermediário - Passo 2 Substituição do eixo intermediário - Passo 2]()
- Instale os parafusos de montagem. Aperte com um torque de 96 pol.-lbs. (11 Nm).
- Deslize o braço tensor de volta para a posição. Aperte com um torque de 30 pés-lbs. (40 Nm) (Figura 66).
![Toro - SnowMaster - Substituição do eixo intermediário - Passo 3 Substituição do eixo intermediário - Passo 3]()
- Insira uma chave de fenda ou ferramenta similar no orifício no eixo intermediário. Instale a polia do eixo intermediário/rotor. Aplique Loctite® 243 no parafuso. Aperte com um torque de 96 pol.-lbs. (11 Nm) (Figura 64).
![Toro - SnowMaster - Substituição do eixo intermediário - Passo 4 Substituição do eixo intermediário - Passo 4]()
- Instale a outra polia do eixo intermediário. Aperte com um torque de 96 pol.-lbs. (11 Nm). Instale o retentor inferior do rolamento. Aperte com um torque de 96 pol.-lbs. (11 Nm) (Figura 65).
![Toro - SnowMaster - Substituição do eixo intermediário - Passo 5 Substituição do eixo intermediário - Passo 5]()
Substituição da transmissão
Substituição
- Instale o cabo de tração (Figura 67).
![Toro - SnowMaster - Substituição da transmissão - Passo 1 Substituição da transmissão - Passo 1]()
- Deslize os rolamentos e os retentores do rolamento nos eixos de transmissão. Insira o eixo lateral esquerdo através do orifício na carcaça e coloque o eixo lateral direito na fenda do eixo (Figura 68).
![Toro - SnowMaster - Substituição da transmissão - Passo 2 Substituição da transmissão - Passo 2]()
- Deslize os suportes do rolamento para a carcaça e instale os parafusos de montagem. Aperte o parafuso com um torque de 96 pol.-lbs. (11 Nm) (Figura 69).
![Toro - SnowMaster - Substituição da transmissão - Passo 3 Substituição da transmissão - Passo 3]()
- Deslize a correia de transmissão para cima através da carcaça e ao redor da polia inferior (Figura 70).
![Toro - SnowMaster - Substituição da transmissão - Passo 4 Substituição da transmissão - Passo 4]()
- Passe a correia da maneira correta e instale a correia na polia do virabrequim (Figura 71).
![Toro - SnowMaster - Substituição da transmissão - Passo 5 Substituição da transmissão - Passo 5]()
- Instale a mola tensora. Verifique o roteamento e a tensão corretos da correia (Figura 72).
![Toro - SnowMaster - Substituição da transmissão - Passo 6 Substituição da transmissão - Passo 6]()
- Instale as tampas da correia e instale todos os parafusos de montagem.
- Instale as rodas. Adicione antiaderente para travar as rodas.
- Substitua todas as proteções, a correia de transmissão e a tampa.
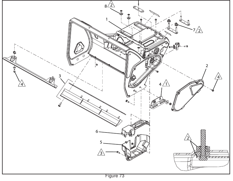
Estrutura principal

- Estrutura
- Tampa da correia
- Conjunto do raspador.
- Conjunto do patim.
- Tampa inferior da correia
- Tampa superior da correia
- Virola inferior (2x)
- Virola superior (2x)
Para montar os patins, item D, na altura correta com os pneus e o raspador instalados e o produto na superfície da alavanca. Coloque um espaçador de 0,2 pol. de espessura sob o raspador. Posicione o patim de modo que ele esteja apoiado no chão, aperte os fixadores enquanto segura o patim para evitar que ele gire.
A virola inferior deve ser montada de modo que o corpo se estenda através da estrutura. A virola superior deve ser montada ao redor da virola inferior. Nenhuma das virolas pode ser comprimida durante a montagem.
Aperte com um torque de 25-35 pol.-lbs. (2,9-4 Nm)
Aperte com um torque de 60-80 pol.-lbs. (7-9 Nm)
Remoção e substituição do raspador (Figura 73)
Remoção
- Remova os seis parafusos que prendem o raspador (Figura 73, item 3) à carcaça (Figura 74).
![Toro - SnowMaster - Remoção do raspador Remoção do raspador]()
Substituição
- Instale o novo raspador e aperte os parafusos com um torque de 96 pol.-lbs. (11 Nm)
Remoção e substituição da pá
Remoção
- Remova os três parafusos que prendem a pá ao rotor (Figura 75).
![Toro - SnowMaster - Remoção da pá Remoção da pá]()
Substituição
- Insira a nova pá atrás do suporte central. Instale as novas pás, aperte primeiro o parafuso central. Aperte os parafusos com um torque de 45-55 pol.-lbs. (5,2-6,3 Nm) (Figura 76). Consulte a Figura 3.
![Toro - SnowMaster - Substituição da pá Substituição da pá]()
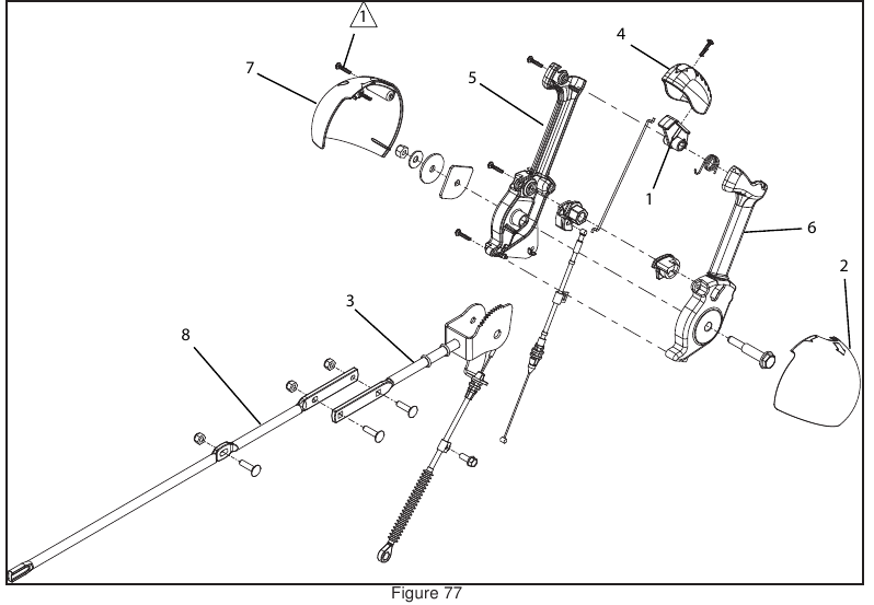
Quickstick

- Gatilho da trava
- Tampa da alavanca do condutor LH
- Haste de controle do condutor
- Tampa da alavanca
- Alavanca de controle do condutor RH
- Alavanca de controle do condutor LH
- Tampa da alavanca do condutor RH
- Haste do condutor
Aperte com um torque de 5-10 pol.-lbs. (0,5-1,1 Nm)
Ajustando o Quick Stick
- Certifique-se de que a alça do Quick Stick esteja na posição central.
- Remova os dois parafusos que prendem a tampa frontal (Figura 78).
![Toro - SnowMaster - Ajustando o Quick Stick - Passo 1 Ajustando o Quick Stick - Passo 1]()
- Afrouxe os dois parafusos que prendem a engrenagem do condutor ao suporte do condutor do Quick Stick (Figura 79).
![Toro - SnowMaster - Ajustando o Quick Stick - Passo 2 Ajustando o Quick Stick - Passo 2]()
- Desencaixe o trinco e puxe para trás a engrenagem frontal/ suporte da engrenagem do condutor. Gire o condutor até que ele fique voltado para a frente. (Figura 80).
![Toro - SnowMaster - Ajustando o Quick Stick - Passo 3 Ajustando o Quick Stick - Passo 3]()
- Depois que o ajuste estiver definido, aperte os dois parafusos que prendem o suporte do condutor da engrenagem ao suporte do condutor do quick stick para 50-60 in-lbs. (5,7-6,9 Nm).
- Usando o quick stick, certifique-se de que o condutor gire totalmente para a esquerda e para a direita.
- Instale a tampa superior. Aperte os parafusos com um torque de 6-10 in-lbs. (7- 1,1 Nm).
INFORMAÇÕES DE SEGURANÇA
Informações gerais
Este símbolo significa AVISO ou INSTRUÇÃO DE SEGURANÇA PESSOAL - leia a instrução, pois ela tem a ver com sua segurança. O não cumprimento da instrução pode resultar em ferimentos pessoais ou até mesmo morte.
Este manual destina-se apenas como um manual de serviço e reparo. As instruções de segurança aqui fornecidas são para solução de problemas, serviço e reparo dos sopradores de neve Toro SnowMaster ® e SnowMax ®. Os manuais do operador do SnowMaster contêm informações de segurança e dicas de operação para práticas operacionais seguras. Os manuais do operador estão disponíveis através da sua fonte de peças Toro ou:
The Toro Company Publications Department 8111 Lyndale Avenue South Bloomington, MN 55420
Pense na segurança em primeiro lugar
Evite o acionamento inesperado do motor... Sempre desligue o motor e desconecte o(s) fio(s) da vela de ignição antes de limpar, ajustar ou reparar.
Evite lacerações e amputações... Mantenha-se afastado de todas as peças móveis sempre que o motor estiver funcionando. Trate todas as peças que normalmente se movem como se estivessem se movendo sempre que o motor estiver funcionando ou tiver potencial para ligar.
Evite queimaduras... Não toque no motor, no silenciador ou em outros componentes que possam aumentar a temperatura durante a operação, enquanto a unidade estiver funcionando ou logo após ter funcionado.
Evite incêndios e explosões... Evite derramar combustível e nunca fume ao trabalhar com qualquer tipo de combustível ou lubrificante. Limpe imediatamente qualquer combustível ou óleo derramado. Nunca remova a tampa do combustível ou adicione combustível quando o motor estiver funcionando. Sempre use recipientes aprovados e rotulados para armazenar ou transportar combustível e lubrificantes.
Evite asfixia... Nunca opere um motor em uma área confinada sem ventilação adequada.
Evite ferimentos causados por baterias... O ácido da bateria é venenoso e pode causar queimaduras. Evite o contato com a pele, os olhos e as roupas. Os gases da bateria podem explodir. Mantenha cigarros, faíscas e chamas longe da bateria.
Evite ferimentos devido a peças inferiores... Use apenas peças de equipamento originais para garantir que os critérios de segurança importantes sejam atendidos.
Evite ferimentos a espectadores... Sempre limpe a área de espectadores antes de ligar ou testar equipamentos motorizados.
Evite ferimentos devido a projéteis... Sempre limpe a área de galhos, pedras ou qualquer outro detrito que possa ser recolhido e lançado pelo equipamento motorizado.
Evite modificações... Nunca altere ou modifique nenhuma peça, a menos que seja um procedimento aprovado pela fábrica.
Evite operação insegura... Sempre teste o sistema de intertravamento de segurança após fazer ajustes ou reparos na máquina. Consulte a seção Elétrica neste manual para obter mais informações.
ESPECIFICAÇÕES E MANUTENÇÃO
Especificações de Torque
Os valores de torque de fixador recomendados estão listados nas tabelas a seguir. Para aplicações críticas, conforme determinado pela Toro, o torque recomendado ou um torque exclusivo para a aplicação é claramente identificado e especificado no manual de serviço.
Estas especificações de torque para a instalação e aperto de fixadores devem ser aplicadas a todos os fixadores que não tenham um requisito específico identificado no manual de serviço. Os seguintes fatores devem ser considerados ao aplicar o torque: limpeza do
fixador, uso de um selante de rosca (por exemplo, Loctite de lubrificação no fixador, presença de um recurso de torque predominante, dureza da superfície sob a cabeça do fixador ou condição semelhante que afete a instalação.
Conforme observado nas tabelas a seguir, os valores de torque devem ser reduzidos em 25% para fixadores lubrificados para obter a mesma tensão de um fixador seco. Os valores de torque também podem ter que ser reduzidos quando o fixador é rosqueado em alumínio ou latão. O valor de torque específico deve ser determinado com base na resistência do material de alumínio ou latão, tamanho do fixador, comprimento do engate da rosca, etc.
O método padrão de verificação do torque deve ser realizado marcando uma linha no fixador (cabeça ou porca) e na peça de acoplamento, depois retroceda o fixador 1/4 de volta. Meça o torque necessário para apertar o fixador até que as linhas se alinhem.
Identificação do Fixador

Parafusos e parafusos da série em polegadas
- Grau 1 e 2
- Grau 5
- Grau 8

Parafusos e parafusos métricos
- Classe 8.8
- Classe 10.9
Valores de torque padrão (polegadas)

Valores de torque padrão (fixadores métricos)
| Tamanho da rosca | Parafusos de classe 8.8 | Parafusos de classe 10.9 | ||
| M5 X 0,8 | 57 ± 5 in-lb | 644 ± 68 N-cm | 78 ± 8 in-lb | 881 ± 90 N-cm |
| M6 X 1,0 | 96 ± 10 in-lb | 1085 ± 113 N-cm | 133 ± 14 in-lb | 1503 ± 158 N-cm |
| M8 X 1,25 | 19 ± 2 ft-lb | 26 ± 3 N-m | 28 ± 3 ft-lb | 38 ± 4 N-m |
| M10 X 1,5 | 38 ± 4 ft-lb | 52 ± 5 N-m | 54 ± 6 ft-lb | 73 ± 8 N-m |
| M12 X 1,75 | 66 ± 7 ft-lb | 90 ± 10 N-m | 93 ± 10 ft-lb | 126 ± 14 N-m |
| M16 X 2,0 | 166 ± 15 ft-lb | 225 ± 23 N-m | 229 ± 23 ft-lb | 310 ± 31 N-m |
| M20 X 2,5 | 325 ± 33 ft-lb | 440 ± 45 N-m | 450 ± 36 ft-lb | 610 ± 62 N-m |
NOTA EM POLEGADAS/MÉTRICAS: reduza os valores de torque listados na tabela acima em 25% para fixadores lubrificados. Fixadores lubrificados são definidos como roscas revestidas com um lubrificante, como óleo, grafite ou selante de rosca, como Loctite
NOTA EM POLEGADAS/MÉTRICAS: os valores de torque podem ter que ser reduzidos ao instalar fixadores em alumínio ou latão rosqueado. O valor de torque específico deve ser determinado com base no tamanho do fixador, na resistência do material de alumínio ou base, no comprimento do engate da rosca, etc.
NOTA EM POLEGADAS/MÉTRICAS: os valores de torque nominais listados acima para fixadores de grau 5 e 8 são baseados em 75% da carga de prova mínima especificada na SAE J429. A tolerância é de aproximadamente ± 10% do valor de torque nominal. As porcas de altura fina incluem porcas de fixação.
NOTA MÉTRICA: os valores de torque nominais listados acima são baseados em 75% da carga de prova mínima especificada na SAE J1199. A tolerância é de aproximadamente ± 10% do valor de torque nominal. As porcas de altura fina incluem porcas de fixação.
Outras especificações de torque
Parafusos de fixação de aço SAE grau 8
Parafusos de corte de rosca (aço galvanizado)
| Tipo 1, Tipo 23 ou Tipo F | |
| Tamanho da rosca | Torque de linha de base* |
| Nº 6 - 32 UNC | 20 ± 5 in-lb |
| Nº 8 - 32 UNC | 30 ± 5 in-lb |
| Nº 10 - 24 UNC | 38 ± 7 in-lb |
| 1/4 - 20 UNC | 85 ± 15 in-lb |
| 5/16 - 18 UNC | 110 ± 20 in-lb |
| 3/8 - 16 UNC | 200 ± 100 in-lb |
| Tamanho da rosca | Torque recomendado | |
| Cabeça quadrada | Soquete sextavado | |
| 1/4 - 20 UNC | 140 ± 20 in-lb | 73 ± 12 in-lb |
| 5/16 - 18 UNC | 215 ± 35 in-lb | 145 ± 20 in-lb |
| 3/8 - 16 UNC | 35 ± 10 ft-lb | 18 ± 3 ft-lb |
| 1/2 - 13 UNC | 75 ± 15 ft-lb | 50 ± 10 ft-lb |
Parafusos de roda e porcas de roda
| Tamanho da rosca | Torque recomendado** | |
| 7/16 - 20 UNF Grau 5 | 65 ± 10 ft-lb | 88 ± 14 N-m |
| 1/2 - 20 UNF Grau 5 | 80 ± 10 ft-lb | 108 ± 14 N-m |
| M12 X 1,25 Classe 8.8 | 80 ± 10 ft-lb | 108 ± 14 N-m |
| M12 X 1,5 Classe 8.8 | 80 ± 10 ft-lb | 108 ± 14 N-m |
** Para rodas de aço e fixadores não lubrificados.
Parafusos de corte de rosca (aço galvanizado)
| Tamanho da rosca | Roscas por polegada | Torque de linha de base* | |
| Tipo A | Tipo B | ||
| Nº 6 | 18 | 20 | 20 ± 5 in-lb |
| Nº 8 | 15 | 18 | 30 ± 5 in-lb |
| Nº 10 | 12 | 16 | 38 ± 7 in-lb |
| Nº 12 | 11 | 14 | 85 ± 15 in-lb |
* O tamanho do orifício, a resistência do material, a espessura do material e o acabamento devem ser considerados ao determinar valores de torque específicos. Todos os valores de torque são baseados em fixadores não lubrificados.
Fatores de conversão
| in-lb x 11,2985 = N-cm | N-cm x - 0,08851 = in-lb 88 ± 14 N-m |
| ft-lb x 1,3558 = N-m | N-cm x 0,73776 = ft-lb 108 ± 14 N-m |
Conversões de Unidades Americanas para Métricas
| Para converter | Em | Multiplicar por | |
| Medida Linear | Milhas Jardas Pés Pés Polegadas Polegadas Polegadas | Quilômetros Metros Metros Centímetros Metros Centímetros Milímetros | 1,609 0,9144 0,3048 30,48 0,0254 2,54 25,4 |
| Área | Milhas Quadradas Pés Quadrados Polegadas Quadradas Acres | Quilômetros Quadrados Metros Quadrados Centímetros Quadrados Hectares | 2,59 0,0929 6,452 0,4047 |
| Volume | Jardas Cúbicas Pés Cúbicos Polegadas Cúbicas | Metros Cúbicos Metros Cúbicos Centímetros Cúbicos | 0,7646 0,02832 16,39 |
| Peso | Toneladas (Curtas) Libras Onças | Toneladas Métricas Quilogramas Gramas | 0,9078 0,4536 28,3495 |
| Pressão | Libras/Pol.² | Quilopascal | 6,895 |
| Trabalho | Pés-libras Pés-libras Polegadas-libras | Newton-Metros Quilograma-Metros Quilograma-Centímetros | 1,356 0,1383 1,152144 |
| Volume Líquido | Quartos Galões | Litros Litros | 0,9463 3,785 |
| Fluxos de Líquido | Galões/Minuto | Litros/Minuto | 3,785 |
| Temperatura | Fahrenheit | Celsius |
|
Equivalentes e Conversões
Equivalentes Decimais e em Milímetros

Manutenção
Observação: Determine os lados esquerdo e direito da máquina a partir da posição normal de operação.
Cronograma(s) de Manutenção Recomendado(s)
| Intervalo do Serviço de Manutenção | Procedimento de Manutenção |
| Após a primeira hora |
|
| Após as primeiras 2 horas |
|
| Antes de cada utilização ou diariamente |
|
| A cada 100 horas |
|
| Anualmente |
|
| Anualmente ou antes do armazenamento |
|
Segurança da Manutenção
Leia as seguintes precauções de segurança antes de realizar qualquer manutenção na máquina:
- Antes de realizar qualquer manutenção, serviço ou ajuste, pare o motor e retire a chave. Se forem necessários reparos maiores, entre em contato com um Revendedor de Serviço Autorizado.
- Verifique todos os fixadores em intervalos frequentes para verificar se estão devidamente apertados para garantir que a máquina esteja em condições seguras de funcionamento.
- Mantenha ou substitua as etiquetas de segurança e instruções, conforme necessário.
- Não altere as configurações do regulador no motor.
- Adquira apenas peças e acessórios de reposição genuínos da Toro.
Verificação do Nível do Óleo do Motor
Intervalo de Serviço: Antes de cada utilização ou diariamente
- Remova a vareta medidora, limpe-a e, em seguida, insira totalmente a vareta medidora sem enroscá-la.
- Remova a vareta medidora e verifique o nível do óleo.
- Se o nível do óleo estiver abaixo da marca de cheio na vareta medidora (Figura 1), adicione óleo.
- Se o nível do óleo estiver acima da marca de Cheio, drene o excesso de óleo até que o nível do óleo esteja na marca de Cheio.

- Nível baixo de óleo — adicione óleo
- Nível correto de óleo
Verificação e Ajuste das Sapatas
Intervalo de Serviço: Verifique anualmente as sapatas para garantir que a fresa não entre em contato com a superfície pavimentada. Ajuste as sapatas conforme necessário para compensar o desgaste (Figura 2).

- Placa de 5 mm (3/16 polegadas)
- Chão
- Afrouxe os parafusos da sapata.
- Deslize uma placa de 5 mm (3/16 polegadas) sob o raspador.
Observação: A utilização de uma placa mais fina resultará em um raspador mais agressivo. Uma placa mais espessa resultará em um raspador menos agressivo. - Abaixe as sapatas até o chão.
Observação: Certifique-se de que as sapatas estejam niveladas no chão. - Aperte os parafusos da sapata.
![]()
Inspeção das Bordas de Arremesso
Intervalo de Serviço: Anual — Inspecione as bordas de arremesso e solicite que um Revendedor de Serviço Autorizado substitua as bordas de arremesso e o raspador, se necessário.
Antes de cada sessão, inspecione as bordas de arremesso quanto ao desgaste. Quando uma borda de arremesso estiver gasta até o orifício do indicador de desgaste, solicite que um Revendedor de Serviço Autorizado substitua as bordas de arremesso (Figura 3).

- O orifício do indicador de desgaste está intacto; não é necessário substituir as bordas de arremesso.
- O orifício do indicador de desgaste está exposto; substitua ambas as bordas de arremesso.
Troca do Óleo do Motor
Intervalo de Serviço: Após as primeiras 2 horas Anualmente
Ligue o motor por alguns minutos antes de trocar o óleo para aquecê-lo. O óleo quente flui melhor e transporta mais contaminantes.
- Mova a máquina para uma superfície nivelada.
- Coloque uma bandeja de drenagem de óleo sob o bujão de drenagem de óleo, remova o bujão de drenagem de óleo e incline a máquina para trás e drene o óleo usado na bandeja de drenagem de óleo (Figura 4).
- Bujão de drenagem de óleo
- Depois de drenar o óleo usado, retorne a máquina para a posição de operação.
- Instale o bujão de drenagem de óleo e aperte-o firmemente.
- Limpe ao redor da tampa de enchimento de óleo.
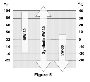
- Use a Figura 5 abaixo para selecionar a melhor viscosidade do óleo para a faixa de temperatura externa esperada:
Modelo Enchimento máximo 36001, 36002, 38710, 38711 0,5 L (16,9 oz) 36003, 38712 0,7 L (23,7 oz) Tipo de óleo: óleo detergente automotivo com uma classificação de serviço API de SJ, SL ou superior.
![]()

- Nível baixo de óleo — adicione óleo
- Nível correto de óleo
Substituição da Vela de Ignição
Intervalo de Serviço: A cada 100 horas — Substitua a vela de ignição.
Substituir a vela de ignição enquanto o motor está quente pode resultar em queimaduras.
Aguarde até que o motor esfrie para substituir a vela de ignição.
Use uma vela de ignição Toro ou equivalente (Champion® RN9YC ou NGK BPR6ES).
- Remova a bota (Figura 7).
![Toro - SnowMaster - Substituição da Vela de Ignição Substituição da Vela de Ignição]()
- Limpe ao redor da base da vela de ignição.
- Remova e descarte a vela de ignição antiga. Observação: Você precisará de uma extensão de chave de catraca para remover a vela de ignição.
- Defina a folga entre os eletrodos em uma nova vela de ignição em 0,76 mm (0,030 polegadas) (Figura 8).
- 0,76 mm (0,030 polegadas)
Ajuste do Cabo da Fresa
Intervalo de Serviço: Após as primeiras 2 horas
Anualmente
Se a correia de transmissão escorregar ou chiar sob carga pesada, ajuste o cabo da fresa.
- Afrouxe a porca na braçadeira inferior do cabo, mas não a remova (Figura 9).
- Porca
- Cabo
- Conector
- Mola
- Puxe o cabo para cima para remover alguma folga (Figura 9).
Não remova toda a folga do cabo. Remover toda a folga do cabo impedirá que a fresa pare corretamente. - Mantenha o cabo no lugar e aperte a porca (Figura 9).
Ajuste do Cabo da Transmissão
Intervalo de Serviço: Após as primeiras 2 horas
Anualmente
Se as rodas pararem facilmente ou se as rodas acionarem sem acionar a alça de autopropulsão, ajuste o cabo da transmissão.
- . Afrouxe a porca na braçadeira superior do cabo, mas não a remova (Figura 10).
- Porca
- Cabo
- Puxe o cabo para baixo para remover a maior parte da folga no cabo (Figura 10).
Não remova toda a folga do cabo. Remover toda a folga do cabo pode fazer com que as rodas engatem sem acionar a alça de autopropulsão. - Aperte a porca (Figura 10).
Verificação da Pressão dos Pneus
Intervalo de Serviço: Anualmente
Defina a pressão dos pneus igualmente em ambos os pneus entre 103 e 137 kPa (15 e 20 psi).
Armazenamento
Armazenando o soprador de neve
- Os vapores de gasolina são altamente inflamáveis, explosivos e perigosos se inalados. Se você armazenar a máquina em uma área com uma chama exposta, os vapores de gasolina podem inflamar e causar uma explosão.
- Não armazene a máquina em uma casa (área de estar), porão ou qualquer outra área onde possam existir fontes de ignição, como aquecedores de água e de ambiente, secadoras de roupa, fornos e outros aparelhos semelhantes.
- Não incline a máquina para trás com combustível no tanque de combustível; caso contrário, o combustível pode vazar da máquina.
- No último reabastecimento da temporada, adicione estabilizador de combustível ao combustível novo, conforme indicado pelo fabricante do motor.
- Ligue o motor por 10 minutos para distribuir o combustível condicionado pelo sistema de combustível.
- Pare o motor, deixe-o esfriar e esvazie o tanque de combustível ou ligue o motor até que ele pare.
- Ligue o motor e deixe-o funcionar até parar.
- Afogue ou prepare o motor, ligue-o uma terceira vez e deixe-o funcionar até que não ligue.
- Drene o combustível do carburador através do parafuso de drenagem do carburador em um recipiente de gasolina aprovado.
- Descarte o combustível não utilizado de forma adequada. Recicle-o de acordo com os códigos locais ou use-o em seu automóvel.
- Enquanto o motor ainda estiver quente, troque o óleo do motor.
- Remova a vela de ignição.
- Espirre 2 colheres de chá de óleo no orifício da vela de ignição.
- Instale a vela de ignição com a mão e, em seguida, aperte-a com um torque de 27 a 30 N-m (20 a 22 ft-lb).
- Com a chave de ignição na posição Off (desligado), puxe o motor de partida de recuo lentamente para distribuir o óleo no interior do cilindro.
- Limpe a máquina.
- Retoque as superfícies lascadas com tinta disponível em um revendedor de serviços autorizado. Lixe as áreas afetadas antes de pintar e use um preventivo de ferrugem para evitar que as peças de metal enferrujem.
- Aperte quaisquer fixadores soltos. Repare ou substitua quaisquer peças danificadas.
- Cubra a máquina e guarde-a em um local limpo e seco, fora do alcance das crianças. Deixe o motor esfriar antes de guardá-lo em qualquer compartimento.
Baixar manual
Aqui você pode baixar a versão completa em PDF do manual, ela pode conter instruções de segurança adicionais, informações de garantia, regras da FCC, etc.
Baixar Manual do Toro SnowMaster, SnowMax































































