Mwongozo wa Acer CBA242Y
- 1 KUFUNGA
- 2 KUAMBATISHA/KUONDOA MSINGI
- 3 REKEBISHO LA NAFASI YA SKRINI
- 4 KUUNGANISHA KAMBA YA UMEME
- 5 TAHADHARI YA USALAMA
- 6 USAFI WA KIFUATILIAJI CHAKO
- 7 KUOKOA NGUVU
- 8 DDC
- 9 MGAAWO WA PINI YA KIUNGANISHI
- 10 Jedwali la Kawaida la Muda
- 11 USAKINISHAJI
- 12 UDHIBITI WA MTUMIAJI
- 13 UTATUZI WA MATATIZO
- 14 Vidokezo maalum kuhusu vifuatilizi vya LCD
- 15 Habari kwa usalama na faraja yako
- 16 Pakua mwongozo
- 17 Katika Lugha Nyingine
KUFUNGA
Tafadhali hakikisha vitu vifuatavyo vipo unapofungua kisanduku, na uhifadhi vifaa vya kufungia iwapo utahitaji kusafirisha au kubeba kifuatiliaji siku zijazo.

KUAMBATISHA/KUONDOA MSINGI
Kumbuka: Ondoa kifuatiliaji na msingi wa kifuatiliaji kutoka kwenye kifungashio chake. Weka kifuatiliaji kwa uangalifu kikiwa kimeelekezwa chini kwenye eneo thabiti -- tumia kitambaa ili kuepuka kukwaruza skrini.

- Ambatisha mkono wa stendi na msingi kwenye kifuatiliaji, kama inavyoonyeshwa.
- Hakikisha kwamba msingi umebanwa kwa nguvu kwenye mkono wa stendi ya kifuatiliaji.
Kumbuka: Iwapo unaweka kwa kutumia kifaa cha kupachika ukutani, inashauriwa utumie kifaa cha kupachika cha VESA (100mm x 100mm) chenye skrubu za M4 x 10 (L) mm ili kurekebisha kifuatiliaji chako ukutani
REKEBISHO LA NAFASI YA SKRINI
Ili kuboresha nafasi bora ya kutazama, unaweza kurekebisha urefu/mwelekeo/mzunguko/mzunguko wa kifuatiliaji.
- Mwelekeo
Tafadhali angalia kielelezo hapa chini kwa mfano wa kiwango cha mwelekeo.
Ni kwenye sehemu ya juu zaidi tu ndipo digrii 20 za kuegemea zinaweza kutolewa kwa pembe ya mwinuko.
![]()
- Rekebisho la Urefu
Baada ya kubonyeza sehemu ya juu ya kifuatiliaji kisha unaweza kurekebisha urefu wa kifuatiliaji.
![Acer - CBA242Y - Rekebisho la Nafasi ya Skrini - Hatua ya 1 Rekebisho la Nafasi ya Skrini - Hatua ya 1]()
- Mzunguko wa Kifuatiliaji
Kabla ya kuzungusha onyesho, liinue hadi sehemu ya juu na kisha ulisukume nyuma hadi kiwango cha juu zaidi. Zungusha hadi kifuatiliaji kisimame kwenye 90°.
![Acer - CBA242Y - Rekebisho la Nafasi ya Skrini - Hatua ya 2 Rekebisho la Nafasi ya Skrini - Hatua ya 2]()
- Mzunguko
Ukiwa na msingi uliojengewa ndani, unaweza kuzungusha kifuatiliaji kwa pembe ya kutazama iliyo rahisi zaidi.
![Acer - CBA242Y - Rekebisho la Nafasi ya Skrini - Hatua ya 3 Rekebisho la Nafasi ya Skrini - Hatua ya 3]()
KUUNGANISHA KAMBA YA UMEME
- Hakikisha kwanza kwamba kamba ya umeme unayotumia ni aina sahihi inayohitajika kwa eneo lako.
- Kifuatiliaji hiki kina usambazaji wa umeme wa aina zote ambao huruhusu uendeshaji katika eneo la volteji la 100/120V AC au 220/240 V AC. Hakuna rekebisho la mtumiaji linalohitajika.
- Chomeka ncha moja ya kamba ya umeme kwenye ingizo la AC, na uchomeke ncha nyingine kwenye plagi ya AC.
- Kwa kitengo kinachotumia kwenye 120 V AC:
Tumia Seti ya Kamba Iliyoorodheshwa na UL, waya ya Aina ya SVT na plagi iliyokadiriwa 10 A/125 V. - Kwa kitengo kinachotumia kwenye 220/240 V AC (nje ya U.S.):
Tumia Seti ya Kamba inayojumuisha kamba ya H05VV-F na plagi iliyokadiriwa 10 A, 250 V. Seti ya kamba inapaswa kuwa na vibali vinavyofaa vya usalama kwa nchi ambayo vifaa vitawekwa. - Tafadhali thibitisha mfumo wa usambazaji katika usakinishaji wa jengo utatoa kivunja saketi kilichokadiriwa 120/240 V,20 A (kiwango cha juu zaidi).
TAHADHARI YA USALAMA
- Epuka kuweka kifuatiliaji, au kitu kingine chochote kizito, kwenye kamba ya umeme ili kuepuka uharibifu wa kebo.
- Usionyeshe kifuatiliaji kwenye mvua, unyevu mwingi au vumbi.
- Usifunike nafasi za uingizaji hewa au fursa za kifuatiliaji. Weka kifuatiliaji kila wakati mahali ambapo kuna uingizaji hewa wa kutosha.
- Epuka kuweka kifuatiliaji dhidi ya mandharinyuma angavu au mahali ambapo mwanga wa jua au vyanzo vingine vya mwanga vinaweza kuakisiwa kwenye uso wa kifuatiliaji. Weka kifuatiliaji chini kidogo ya usawa wa macho.
- Shughulikia kwa uangalifu wakati wa kusafirisha kifuatiliaji.
- Usishangaze au kukwaruza skrini, kwani skrini ni dhaifu.
- Ili kuzuia uharibifu wa kifuatiliaji, usinyanyue kifuatiliaji kwa msingi wake.
USAFI WA KIFUATILIAJI CHAKO
Tafadhali fuata kwa uangalifu miongozo iliyo hapa chini wakati wa kusafisha kifuatiliaji.
- Ondoa kifuatiliaji kila wakati kabla ya kusafisha.
- Tumia kitambaa laini kufuta kwa upole skrini na sehemu ya mbele ya kabati na pande.
- USINYOLEE KAMWE AU KUMIMINA KIOEVU CHOCHOTE MOJA KWA MOJA KWENYE SKRINI AU KESI.
- TAFADHALI USITUMIE USAFISHAJI WOWOTE WA AMMONIA AU ALKOHOLI KWENYE SKRINI YA ONYESHO LA LCD AU KESI.
- Acer haitawajibika kwa uharibifu unaotokana na matumizi ya visafishaji vyovyote vya amonia au vile vya alkoholi.
KUOKOA NGUVU
Kifuatiliaji kitaendeshwa hadi kwenye hali ya "Kuokoa Nguvu" kwa ishara ya udhibiti kutoka kwa kidhibiti cha onyesho, kama inavyoonyeshwa na LED ya nguvu ya rangi ya kaharabu.
| Hali | Mwanga wa LED |
| IMEWASHWA | Samawati |
| Hali ya Kuokoa Nguvu | Kaharaba |
Hali za kuokoa nguvu zitawekwa hadi ishara ya udhibiti itakapogunduliwa au kibodi au kipanya kimewashwa. Muda wa kupona kutoka hali ya ZIMA Inayotumika kurudi kwenye hali ya IMEWASHWA ni takriban sekunde 3.
DDC
Ili kufanya usakinishaji wako iwe rahisi, kifuatiliaji kina uwezo wa Kuchomeka na Kucheza na mfumo wako ikiwa mfumo wako pia unaauni itifaki ya DDC. DDC (Display Data Channel) ni itifaki ya mawasiliano ambayo kifuatiliaji huarifu kiotomatiki mfumo mkuu kuhusu uwezo wake, kwa mfano, maazimio yanayotumika na muda unaolingana. Kifuatiliaji kinaauni kiwango cha DDC2B.
MGAAWO WA PINI YA KIUNGANISHI
Kebo ya Mawimbi ya Onyesho la Rangi yenye Pini 15

| NAMBA YA PINI. | MAELEZO |
| 1. | Nyekundu |
| 2. | Kijani |
| 3. | Samawati |
| 4. | Ardhi ya Kifuatiliaji |
| 5. | Rejesho la DDC |
| 6. | Ardhi ya R |
| 7. | Ardhi ya G |
| 8. | Ardhi ya B |
| 9. | +5V |
| 10. | Ardhi ya Mantiki |
| 11. | Ardhi ya Kifuatiliaji |
| 12. | Data ya Mfululizo ya DDC |
| 13. | H-Sawazisha |
| 14. | V-Sawazisha |
| 15. | Saa ya Mfululizo ya DDC |
Kebo ya Mawimbi ya Onyesho la Rangi yenye Pini 19

| PINI | Maana |
| 1. | TMDS Data2+ |
| 2. | Ngao ya TMDS Data2 |
| 3. | TMDS Data2- |
| 4. | TMDS Data1+ |
| 5. | Ngao ya TMDS Data1 |
| 6. | TMDS Data1- |
| 7. | TMDS Data0+ |
| 8. | Ngao ya TMDS Data0 |
| 9. | TMDS Data0- |
| 10. | Saa ya TMDS+ |
| 11. | Ngao ya Saa ya TMDS |
| 12. | Saa ya TMDS- |
| 13. | CEC |
| 14. | Imehifadhiwa (N.C. kwenye kifaa) |
| 15. | SCL |
| 16. | SDA |
| 17. | Ardhi ya DDC/CEC |
| 18. | Nguvu ya +5V |
| 19. | Tambua Plagi Moto |
Jedwali la Kawaida la Muda
| Modi | Azimio | ||
| 1 | VGA | 640 x 480 | 60 Hz |
| 2 | VGA | 640 x 480 | 72 Hz |
| 3 | VGA | 640 x 480 | 75 Hz |
| 4 | MAC | 640 x 480 | 66.66 Hz |
| 5 | VESA | 720 x 400 | 70 Hz |
| 6 | SVGA | 800 x 600 | 56 Hz |
| 7 | SVGA | 800 x 600 | 60 Hz |
| 8 | SVGA | 800 x 600 | 72 Hz |
| 9 | SVGA | 800 x 600 | 75 Hz |
| 10 | MAC | 832 x 624 | 74.55 Hz |
| 11 | XGA | 1024 x 768 | 60 Hz |
| 12 | XGA | 1024 x 768 | 70 Hz |
| 13 | XGA | 1024 x 768 | 75 Hz |
| 14 | MAC | 1152 x 870 | 75 Hz |
| 15 | VESA | 1152 x 864 | 75 Hz |
| 16 | VESA | 1280 x 960 | 60 Hz |
| 17 | SXGA | 1280 x 1024 | 60 Hz |
| 18 | SXGA | 1280 x 1024 | 75 Hz |
| 19 | VESA | 1280 x 720 | 60 Hz |
| 20 | WXGA | 1280 x 800 | 60 Hz |
| 21 | WXGA+ | 1440 x 900 | 60 Hz |
| 22 | WSXGA+ | 1680 x 1050 | 60 Hz |
| 23 | UXGA | 1920 x 1080 | 60 Hz |
| 24 | UXGA | 1920 x 1080 | 75 Hz |
Note: HDMI is purposely supporting the AMD FreeSync technology and target AMD graphics solutions. For other GPUs, please contact the graphics card manufactures whether they can support or not.
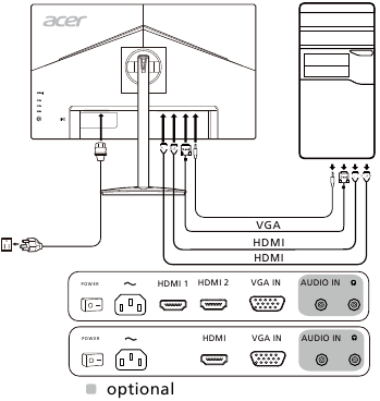
USAKINISHAJI
Ili kusakinisha kifuatilizi kwenye mfumo wako mkuu, tafadhali fuata hatua zilizopewa hapa chini:
-
- Unganisha Kebo ya Video
- Hakikisha kuwa kifuatilizi na kompyuta zimezimwa.
- Unganisha kebo ya VGA kwenye kompyuta.
- Unganisha Kebo ya HDMI (Modeli ya ingizo la HDMI pekee)
- Hakikisha kuwa kifuatilizi na kompyuta zimezimwa.
- Unganisha kebo ya HDMI kwenye kompyuta.
- Unganisha Kebo ya Video
- Unganisha Kebo ya Sauti (Si lazima)
- Ingiza kebo ya umeme ya kifuatilizi kwenye bandari ya umeme iliyo nyuma ya kifuatilizi.
- Chomeka nyaya za umeme za kompyuta yako na kifuatilizi chako kwenye plagi ya umeme iliyo karibu.
![Acer - CBA242Y - Usakinishaji Usakinishaji]()
Note: Adjustment of the volume control as well as the equalizer to other settings than the center position may increase the ear-/headphones output voltage and therefore the sound pressure level.
UDHIBITI WA MTUMIAJI
Udhibiti Msingi

| Na. | Kitu | Maelezo |
| 1 | Kitufe cha kuwasha/kiashiria | Huwasha/huzima kifuatiliaji. Bluu huonyesha kimewashwa. Njano huonyesha hali ya kusubiri/kuokoa nishati. |
| 2 | Vitufe vya njia ya mkato 1, 2 | Bonyeza ili kuamilisha kitendakazi cha njia ya mkato iliyobainishwa na mtumiaji. |
| 3 | Kitufe cha ingizo | Bonyeza ili kubadilisha vyanzo vya ingizo. |
| 4 | Kitufe cha Navi/Sawa | Bonyeza ili kuamilisha menyu ya OSD, kisha utumie kama kitufe cha mwelekeo ili kuangazia kitendakazi unachotaka. Bonyeza tena ili kuingiza uteuzi. |
Kurekebisha mipangilio ya OSD
Kumbuka: Maudhui yafuatayo ni ya marejeleo ya jumla pekee. Uainishaji halisi wa bidhaa unaweza kutofautiana.
OSD (onyesho kwenye skrini) inaweza kutumika kurekebisha mipangilio ya Kifuatiliaji chako cha LCD. Bonyeza kitufe cha MENU ili kufungua OSD. Unaweza kutumia OSD kurekebisha ubora wa picha, nafasi ya OSD na mipangilio ya jumla. Kwa mipangilio ya hali ya juu, tafadhali rejelea ukurasa ufuatao:
Ukurasa Mkuu
Kitendakazi chaguo-msingi cha vitufe 1 na 2 ni Modi na Mwangaza. Unaweza kutumia kitendakazi cha Ugavi wa Kitufe cha Njia ya Mkato kuweka vitufe hivi kwenye vitendakazi unavyopendelea.

- Modi
- Mwangaza
- Ingizo
- Menyu
Kurekebisha Modi
Kutoka ukurasa wowote wa kitendakazi, bonyeza
ili kufungua udhibiti wa Modi na uchague wasifu uliofafanuliwa na mtumiaji wa kutumia (tafadhali tazama sehemu ya Ukurasa wa Kitendakazi kwa habari zaidi).

Kurekebisha Mwangaza
Fungua udhibiti wa Mwangaza na uchague mpangilio wa mwangaza kwa kutumia kitufe cha Navi/Sawa. Unapomaliza, bonyeza kitufe cha Navi/Sawa ili uondoke.

Kuchagua Ingizo
Fungua udhibiti wa Ingizo na uchague ingizo unalotaka. Unaweza pia kubadilisha chanzo Kiotomatiki Kuwashwa au Kuzimwa. Unapomaliza, tumia kitufe cha Navi/Sawa ili uondoke.

Ukurasa wa Kitendakazi
Fungua ukurasa wa Kitendakazi ili kuchagua kitendakazi cha menyu, na urekebishe mipangilio unayotaka kwa kutumia kitufe cha Navi/Sawa. Unapomaliza, bonyeza
ili uondoke. Unaweza pia kubonyeza
kutoka ukurasa wowote wa kitendakazi ili kuchagua Modi unayopendelea.
Kurekebisha Picha

- Bonyeza kitufe cha MENU ili kufungua OSD.
- Kwa kutumia kitufe cha Navi/Sawa, chagua Picha kutoka kwa OSD. Kisha uende kwenye mpangilio unaotaka kubadilisha.
- Tumia kitufe cha Navi/Sawa ili kuchagua mpangilio.
- Mwangaza: Rekebisha mwangaza kutoka 0 hadi 100.
Kumbuka: Hurekebisha uwiano kati ya vivuli vyepesi na vyeusi. - Tofauti: Rekebisha utofauti kutoka 0 hadi 100.
Kumbuka: Huweka kiwango cha tofauti kati ya maeneo mepesi na meusi. - Mwanga wa Bluu: Chuja mwanga wa bluu kwa kurekebisha uwiano tofauti wa kuonyesha Mwanga wa Bluu - 80%, 70%, 60%, 50% .
Kumbuka: Thamani za juu zaidi huruhusu mwanga wa bluu zaidi kupita. Kwa ulinzi bora zaidi, chagua thamani ya chini zaidi. - Nyongeza Nyeusi: Hii huongeza ukubwa wa viwango vya rangi nyeusi vya onyesho– nyeusi zitakuwa si nyeusi sana. Kadiri kiwango kinavyokuwa juu, ndivyo nyongeza inavyokuwa juu.
- ACM: Washa au Zima ACM. Chaguo-msingi ni Zima.
- Teknolojia ya Usharpi Mkuu inaweza kuiga picha za ubora wa juu kwa kuongeza msongamano wa pikseli wa chanzo asili. Inaweza kufanya picha ziwe kali na wazi zaidi.
- Nafasi ya mlalo (aina ya ingizo la Analogi pekee): Rekebisha nafasi ya mlalo kutoka 0 hadi 100.
- Nafasi ya wima (aina ya ingizo la Analogi pekee): Rekebisha nafasi ya wima kutoka 0 hadi 100.
- Lenga (aina ya ingizo la Analogi pekee): Rekebisha lengo kutoka 0 hadi 100.
- Saa (aina ya ingizo la Analogi pekee): Rekebisha saa kutoka 0 hadi 100.
Kurekebisha Rangi

- Bonyeza kitufe cha MENU ili kufungua OSD.
- Kwa kutumia kitufe cha Navi/Sawa, chagua Rangi kutoka kwa OSD. Kisha uende kwenye mpangilio unaotaka kubadilisha.
- Tumia kitufe cha Navi/Sawa ili kuchagua mpangilio.
- Hali ya Gamma hukuruhusu kurekebisha sauti ya mwangaza. Thamani chaguo-msingi ni 2.2 (thamani sanifu ya Windows).
- Halijoto ya rangi: Chaguo-msingi ni joto. Unaweza kuchagua Baridi, Joto, Kawaida, Mwanga wa Bluu au Mtumiaji.
- Modi: Chagua modi unayopendelea.
- Modi ya sRGB ni ya kupata uwakilishi bora wa ulinganishaji wa rangi na kifaa cha pembeni, kama vile DSC au vichapishi.
- Hali ya Mzururishaji: Washa au Zima hali ya mzururishaji.
- Rangi ya Mhimili-6: Rekebisha rangi nyekundu, kijani, bluu, njano, magenta na samawati.
- Shiba ya Mhimili-6: Rekebisha shiba nyekundu, kijani, bluu, njano, magenta na samawati.
Kurekebisha Sauti (Miundo Teule)

- Bonyeza kitufe cha MENU ili kufungua OSD.
- Kwa kutumia kitufe cha Navi/Sawa, chagua Sauti kutoka kwa OSD. Kisha uende kwenye mpangilio unaotaka kubadilisha.
- Tumia kitufe cha Navi/Sawa ili kuchagua mpangilio.
- Sauti: Rekebisha sauti.
- Nyamazisha: Chagua Washa au Zima.
Kurekebisha Utendaji

- Bonyeza kitufe cha MENU ili kufungua OSD.
- Kwa kutumia kitufe cha Navi/Sawa, chagua Utendaji kutoka kwa OSD. Kisha uende kwenye mpangilio unaotaka kubadilisha.
- Tumia kitufe cha Navi/Sawa ili kuchagua mpangilio.
- Endesha Zaidi: Chagua Zima, Kawaida, au Kupita Kiasi.
Kumbuka:- Ikiwa FreeSync imewashwa "ON", basi uteuzi wa Endesha Zaidi umewekwa kwenye "Normal" (Kawaida) kiotomatiki
- Ikiwa FreeSync imezimwa "OFF", basi mtumiaji anaweza kuweka Endesha Zaidi kwa mojawapo ya mipangilio mitatu ikiwa ni pamoja na: (a) Kupita Kiasi (b) Kawaida (c) Zima
- FreeSync: Chagua Washa au Zima. FreeSync inapatikana kwa kadi za picha zinazotumika za AMD pekee.
- Nambari ya kiwango cha kuburudisha: Onyesha kiwango cha sasa cha kuburudisha cha paneli kwenye skrini.
- VRB: VRB inapokuwa Kupita Kiasi au Kawaida, VRB hutoa picha inayobadilika iliyo kali na wazi zaidi; chaguo-msingi ni Zima.
- VRB haiauni Modi ya PIP/PBP na Modi ya HDR. (Miundo teule)
- VRB inapokuwa Kupita Kiasi au Kawaida, FreeSync huzimwa kiotomatiki.
- VRB itaathiri mwangaza wa yafuatayo: Nembo, Sehemu ya Kulenga, Ujumbe na Aikoni ya Ingizo.
- Kitendakazi cha VRB kinategemea kiwango cha juu zaidi cha kuburudisha cha kifuatiliaji. Kwa vifuatiliaji vinavyotumia hadi 75 Hz, VRB inapatikana wakati kiwango cha kuburudisha kimewekwa hadi 75 Hz pekee.
Kurekebisha OSD

- Bonyeza kitufe cha MENU ili kufungua OSD.
- Kwa kutumia kitufe cha Navi/Sawa, chagua OSD kutoka kwa OSD. Kisha uende kwenye mpangilio unaotaka kubadilisha.
- Tumia kitufe cha Navi/Sawa ili kuchagua mpangilio.
- Lugha: Weka lugha ya menyu ya OSD.
- Muda wa kumalizika wa OSD: Rekebisha ucheleweshaji kabla ya kuzima menyu ya OSD.
- Uwazi: Chagua uwazi wa menyu ya OSD. Uwazi unaweza kuwa 0% (ZIMA), 20%, 40%, 60%, au 80%.
- Funga OSD: Kitendakazi cha Funga OSD kinatumika kuzuia kitufe cha OSD kubonyezwa kwa bahati mbaya. Ili kuondoa ujumbe wa Funga OSD, bonyeza na ushikilie kitufe cha Navi/Sawa mfululizo kwa sekunde 3 hadi ujumbe utoweke. Ikiwa ujumbe wa Funga OSD unasalia, tafadhali angalia ikiwa kitufe cha Navi/Sawa kimekwama.
Kurekebisha Mfumo

- Bonyeza kitufe cha MENU ili kufungua OSD.
- Kwa kutumia kitufe cha Navi/Sawa, chagua Mfumo kutoka kwa OSD. Kisha uende kwenye mpangilio unaotaka kurekebisha.
- Tumia kitufe cha Navi/Sawa ili kuchagua mpangilio.
- Ingizo: Chagua chanzo kutoka kwa chanzo cha ingizo kinachopatikana.
- Chanzo Kiotomatiki: Tafuta kiotomatiki vyanzo vya ingizo vinavyopatikana.
- Ugavi wa Kitufe cha Njia ya Mkato: Chagua kitendakazi cha Kitufe cha Njia ya Mkato 1 au Kitufe cha Njia ya Mkato 2.
- Modi Pana: Unaweza kuchagua kipengele gani cha skrini unatumia. Chaguo ni Kamili na Kipengele.
- DDC/CI: Huruhusu mipangilio ya kifuatiliaji kuwekwa kupitia programu kwenye Kompyuta.
- Kiwango cha Weusi cha HDMI: Unaweza kuchagua kiwango cha weusi chini ya chanzo cha HDMI. Chaguo ni Kawaida na Chini.
- Modi ya Kuanza Haraka: Washa kifuatiliaji haraka.
Habari za bidhaa

- Kutoka ukurasa wowote wa kitendakazi, bonyeza
ili kufungua ukurasa wa Habari. - Rudisha Mipangilio Yote: Rudisha mipangilio yote kwa chaguo-msingi za kiwandani.
UTATUZI WA MATATIZO
Kabla ya kutuma kifuatilizi chako cha LCD kwa huduma, tafadhali angalia orodha ya utatuzi wa matatizo hapa chini ili uone ikiwa unaweza kujitambua tatizo.
Modi ya VGA
| Matatizo | Hali ya Sasa | Suluhisho |
| Hakuna Picha | LED IMEWASHWA |
|
| LED IMEZIMWA |
| |
| ||
| LED inaonyesha rangi ya kaharabu |
| |
| ||
| Picha Isiyo ya Kawaida | Picha Isiyo Imara |
|
| Onyesho linakosekana, kuhama katikati, au dogo sana au kubwa sana katika ukubwa wa onyesho |
| |
| ||
| ||
| Sauti Isiyo ya Kawaida (Muundo wa Ingizo la Sauti pekee) (Si Lazima) | Hakuna sauti, au kiwango cha sauti ni cha chini sana |
|
|
Modi ya HDMI
| Matatizo | Hali ya Sasa | Suluhisho |
| Hakuna Picha | LED IMEWASHWA |
|
| LED IMEZIMWA |
| |
| ||
| LED inaonyesha rangi ya kaharabu |
| |
| ||
| Sauti Isiyo ya Kawaida (Muundo wa Ingizo la Sauti pekee) (Si Lazima) | Hakuna sauti, au kiwango cha sauti ni cha chini sana |
|
|
Vidokezo maalum kuhusu vifuatilizi vya LCD
Yafuatayo ni ya kawaida kwa kifuatilizi cha LCD na hayaonyeshi tatizo.
- Kutokana na asili ya mwanga wa fluorescent, skrini inaweza kupepesa wakati wa matumizi ya awali. Zima swichi ya umeme na kisha uwashe tena ili kuhakikisha kwamba upepesaji unatoweka.
- Unaweza kupata mwangaza usio sawa kidogo kwenye skrini kulingana na muundo wa eneo-kazi unaotumia.
- Skrini ya LCD ina pikseli 99.99% au zaidi zinazofanya kazi. Inaweza kujumuisha dosari za 0.01% au chini kama vile pikseli iliyokosekana au pikseli iliyoangazwa kila wakati.
- Kutokana na asili ya skrini ya LCD, picha ya skrini iliyotangulia inaweza kubaki baada ya kubadilisha picha, wakati picha hiyo hiyo inaonyeshwa kwa saa kadhaa. Katika kesi hii, skrini inarejeshwa polepole kwa kubadilisha picha au kuzima swichi ya umeme kwa saa chache.
- Kifuatilizi cha Acer kimekusudiwa kwa video na onyesho la kuona la taarifa iliyopatikana kutoka kwa vifaa vya kielektroniki.
Habari kwa usalama na faraja yako
Maagizo ya usalama
Soma maagizo haya kwa makini. Weka hati hii kwa marejeleo ya baadaye. Fuata maonyo na maagizo yote yaliyowekwa alama kwenye bidhaa.
Kusafisha kifuatilia chako
Tafadhali fuata miongozo hii kwa makini unaposafisha kifuatilia:
- Daima chomoa kifuatilia kabla ya kusafisha.
- Tumia kitambaa laini kuifuta skrini na sehemu ya mbele na pande za kabati.
Kuunganisha/kukata kifaa
Zingatia miongozo ifuatayo unapoingiza na kukata umeme kutoka kwa kifuatilia cha LCD:
- Hakikisha kifuatilia kimeambatanishwa kwenye msingi wake kabla ya kuunganisha waya ya umeme kwenye kituo cha umeme cha AC.
- Hakikisha kifuatilia cha LCD na kompyuta zote zimezimwa kabla ya kuunganisha kebo yoyote au kuchomoa waya ya umeme.
- Ikiwa mfumo una vyanzo vingi vya nishati, kata nishati kutoka kwa mfumo kwa kuchomoa nyaya zote za umeme kutoka kwa vifaa vya umeme.
Ufikivu
Hakikisha kuwa kituo cha umeme unachochomeka waya ya umeme kinafikiwa kwa urahisi na kiko karibu iwezekanavyo na opereta wa kifaa. Unapohitaji kukata umeme kutoka kwa kifaa, hakikisha umechomoa waya ya umeme kutoka kwa kituo cha umeme.
Usikilizaji salama
Ili kulinda usikivu wako, fuata maagizo haya.
- Ongeza sauti hatua kwa hatua hadi uweze kuisikia wazi na kwa raha na bila upotoshaji.
- Baada ya kuweka kiwango cha sauti, usiongeze baada ya masikio yako kuzoea.
- Punguza muda wa kusikiliza muziki kwa sauti kubwa.
- Epuka kuongeza sauti ili kuzuia mazingira yenye kelele.
- Punguza sauti ikiwa huwezi kuwasikia watu wakiongea karibu nawe.
- Usitumie bidhaa hii karibu na maji.
- Usiweke bidhaa hii kwenye gari, stendi au meza isiyo thabiti. Ikiwa bidhaa itaanguka, inaweza kuharibiwa vibaya.
- Nafasi na fursa hutolewa kwa uingizaji hewa ili kuhakikisha utendakazi wa kuaminika wa bidhaa na kuilinda kutokana na joto kupita kiasi. Fursa hizi hazipaswi kuzuiwa au kufunikwa. Fursa hazipaswi kuzuiwa kwa kuweka bidhaa kwenye kitanda, sofa, zulia au uso mwingine sawa. Bidhaa hii haipaswi kuwekwa karibu na au juu ya radiator au rejista ya joto, au katika usakinishaji uliojengwa isipokuwa uingizaji hewa ufaao utatolewa.
- Usiwahi kusukuma vitu vya aina yoyote kwenye bidhaa hii kupitia nafasi za kabati kwani zinaweza kugusa pointi za voltage hatari au sehemu fupi ambazo zinaweza kusababisha moto au mshtuko wa umeme. Kamwe usimwage kioevu cha aina yoyote juu au ndani ya bidhaa.
- Ili kuepuka uharibifu wa vipengele vya ndani na kuzuia uvujaji wa betri, usiweke bidhaa kwenye uso unaotetemeka.
- Kamwe usiitumie chini ya mazingira ya michezo, mazoezi, au mazingira yoyote yanayotetemeka ambayo yanaweza kusababisha mkondo mfupi usiotarajiwa au kuharibu vifaa vya ndani.
Kutumia nguvu za umeme
- Bidhaa hii inapaswa kuendeshwa kutoka kwa aina ya nguvu iliyoonyeshwa kwenye lebo ya kuashiria. Ikiwa huna uhakika wa aina ya nguvu inayopatikana, wasiliana na muuzaji wako au kampuni ya umeme ya eneo lako.
- Usiruhusu chochote kupumzika kwenye waya ya umeme. Usiweke bidhaa hii mahali ambapo watu watatembea kwenye waya.
- Ikiwa waya ya upanuzi inatumiwa na bidhaa hii, hakikisha kuwa ukadiriaji wa jumla wa ampere wa vifaa vilivyochomekwa kwenye waya ya upanuzi hauzidi ukadiriaji wa ampere ya waya ya upanuzi. Pia, hakikisha kwamba ukadiriaji wa jumla wa bidhaa zote zilizochomekwa kwenye kituo cha ukuta hauzidi ukadiriaji wa fuse.
- Usipakie kupita kiasi kituo cha umeme, ukanda au kipokezi kwa kuchomeka vifaa vingi sana. Mzigo wa jumla wa mfumo haupaswi kuzidi 80% ya ukadiriaji wa mzunguko wa tawi. Ikiwa vipande vya nguvu vinatumiwa, mzigo haupaswi kuzidi 80% ya ukadiriaji wa ingizo la ukanda wa nguvu.
- Waya ya umeme ya bidhaa hii ina plagi ya waya tatu iliyo na msingi. Plagi inafaa tu katika kituo cha umeme kilicho na msingi. Hakikisha kituo cha umeme kimewekwa msingi vizuri kabla ya kuingiza plagi ya waya ya umeme. Usiingize plagi kwenye kituo cha umeme kisicho na msingi. Wasiliana na fundi wako wa umeme kwa maelezo.
Pini ya kutuliza ni kipengele cha usalama. Kutumia kituo cha umeme ambacho hakijawekwa msingi vizuri kunaweza kusababisha mshtuko wa umeme na/au jeraha.
Kumbuka: Pini ya kutuliza pia hutoa ulinzi mzuri kutoka kwa kelele zisizotarajiwa zinazozalishwa na vifaa vingine vya umeme vilivyo karibu ambavyo vinaweza kuingilia utendaji wa bidhaa hii. - Tumia bidhaa tu na seti ya waya ya usambazaji wa umeme iliyotolewa. Ikiwa unahitaji kuchukua nafasi ya seti ya waya ya umeme, hakikisha kuwa waya mpya ya umeme inakidhi mahitaji yafuatayo: aina inayoweza kutenganishwa, iliyoorodheshwa na UL/CSA iliyoidhinishwa, aina ya SPT-2, iliyokadiriwa kiwango cha chini cha 7 A 125 V, imeidhinishwa na VDE au sawa na hiyo, urefu wa juu wa mita 4.5 (futi 15).
Kuhudumia bidhaa
Usijaribu kuhudumia bidhaa hii mwenyewe, kwani kufungua au kuondoa vifuniko kunaweza kukuweka wazi kwa pointi za voltage hatari au hatari zingine. Rejelea huduma zote kwa wafanyakazi wa huduma waliohitimu.
Chomoa bidhaa hii kutoka kwa kituo cha ukuta na uelekeze huduma kwa wafanyakazi wa huduma waliohitimu wakati:
- waya ya umeme au plagi imeharibiwa, kukatwa au kuchakaa
- kioevu kilimwagika kwenye bidhaa
- bidhaa ilifunuliwa na mvua au maji
- bidhaa imeangushwa au kesi imeharibiwa
- bidhaa inaonyesha mabadiliko tofauti katika utendaji, kuonyesha hitaji la huduma
- bidhaa haifanyi kazi kawaida baada ya kufuata maagizo ya uendeshaji
Kumbuka: Rekebisha tu udhibiti ule ambao umefunikwa na maagizo ya uendeshaji, kwani marekebisho yasiyofaa ya udhibiti mwingine yanaweza kusababisha uharibifu na mara nyingi itahitaji kazi kubwa na fundi aliyehitimu ili kurejesha bidhaa katika hali ya kawaida.
Mazingira yanayoweza kulipuka
Zima kifaa chako katika eneo lolote lenye angahewa inayoweza kulipuka na utii alama na maagizo yote. Angahewa inayoweza kulipuka ni pamoja na maeneo ambayo kwa kawaida unashauriwa kuzima injini ya gari lako. Cheche katika maeneo kama hayo zinaweza kusababisha mlipuko au moto na kusababisha jeraha la mwili au hata kifo. Zima kifaa karibu na pampu za gesi katika vituo vya huduma. Zingatia vizuizi juu ya matumizi ya vifaa vya redio katika ghala za mafuta, maeneo ya kuhifadhi na kusambaza; mimea ya kemikali; au ambapo shughuli za ulipuaji zinaendelea. Maeneo yenye angahewa inayoweza kulipuka mara nyingi huwekwa alama, lakini sio kila wakati. Ni pamoja na chini ya staha kwenye boti, vifaa vya kuhamisha au kuhifadhi kemikali, magari yanayotumia gesi ya petroli iliyoyeyushwa (kama vile propane au butane), na maeneo ambayo hewa ina kemikali au chembe kama vile nafaka, vumbi au poda za chuma.
Maelezo ya ziada ya usalama
Kifaa chako na nyongeza zake zinaweza kuwa na sehemu ndogo. Ziweke mbali na watoto wadogo.
Taarifa ya pikseli ya LCD
Kitengo cha LCD kinatolewa na mbinu za utengenezaji wa usahihi wa hali ya juu. Hata hivyo, baadhi ya pikseli zinaweza kufyatua kimakosa mara kwa mara au kuonekana kama nukta nyeusi au nyekundu. Hii haina athari kwa picha iliyorekodiwa na haimaanishi utendakazi mbaya.
Bidhaa hii imesafirishwa ikiwa imewezeshwa kwa usimamizi wa nguvu:
- Washa modi ya Kulala ya onyesho ndani ya dakika 15 za kutokuwa na shughuli za mtumiaji.
- Washa modi ya Kulala ya kompyuta ndani ya dakika 30 za kutokuwa na shughuli za mtumiaji.
Vidokezo na habari kwa matumizi mazuri
Watumiaji wa kompyuta wanaweza kulalamika kuhusu uchovu wa macho na maumivu ya kichwa baada ya matumizi ya muda mrefu. Watumiaji pia wako katika hatari ya kuumia kimwili baada ya saa nyingi za kufanya kazi mbele ya kompyuta. Vipindi virefu vya kazi, mkao mbaya, tabia mbaya za kazi, msongo wa mawazo, hali duni za kazi, afya ya kibinafsi na mambo mengine huongeza sana hatari ya kuumia kimwili.
Matumizi yasiyo sahihi ya kompyuta yanaweza kusababisha ugonjwa wa handaki ya carpal, tendonitis, tenosynovitis au matatizo mengine ya musculoskeletal. Dalili zifuatazo zinaweza kuonekana kwenye mikono, mikono, mikono, mabega, shingo au mgongo:
- kufa ganzi, au hisia ya kuungua au kuuma
- kuuma, kuumwa au kulia
- maumivu, uvimbe au mpigo
- ugumu au kubana
- baridi au udhaifu
Ikiwa una dalili hizi, au usumbufu mwingine wowote unaojirudia au unaoendelea na/au maumivu yanayohusiana na matumizi ya kompyuta, wasiliana na daktari mara moja na uarifu idara ya afya na usalama ya kampuni yako.
Sehemu ifuatayo inatoa vidokezo vya matumizi mazuri zaidi ya kompyuta.
Kupata eneo lako la starehe
Tafuta eneo lako la starehe kwa kurekebisha pembe ya kutazama ya kifuatilia, ukitumia kiegemeo cha miguu, au kuinua urefu wako wa kukaa ili kufikia faraja ya juu zaidi. Zingatia vidokezo vifuatavyo:
- jiepushe na kukaa muda mrefu sana katika mkao mmoja uliowekwa
- epuka kulegea mbele na/au kuegemea nyuma
- simama na tembea mara kwa mara ili kuondoa mkazo kwenye misuli ya mguu wako
Kutunza maono yako
Saa ndefu za kutazama, kuvaa miwani isiyo sahihi au lenzi za mawasiliano, mng'ao, mwanga mwingi wa chumba, skrini zisizo na umakini, fonti ndogo sana na maonyesho yenye utofauti mdogo yanaweza kusisitiza macho yako. Sehemu zifuatazo zinatoa mapendekezo ya jinsi ya kupunguza uchovu wa macho.
Macho
- Pumzisha macho yako mara kwa mara.
- Ipe macho yako mapumziko ya kawaida kwa kuangalia mbali na kifuatilia na kuzingatia nukta ya mbali.
- Piga mswaki mara kwa mara ili kuzuia macho yako kukauka.
Onyesho
- Weka onyesho lako safi.
- Weka kichwa chako katika kiwango cha juu kuliko makali ya juu ya onyesho ili macho yako yaelekeze chini unapoangalia katikati ya onyesho.
- Rekebisha mwangaza wa onyesho na/au utofautishaji kwa kiwango kizuri kwa usomaji wa maandishi ulioimarishwa na uwazi wa picha.
- Ondoa mng'ao na mawazo kwa:
- kuweka onyesho lako kwa njia ambayo upande unaelekea dirishani au chanzo chochote cha mwanga
- kupunguza mwanga wa chumba kwa kutumia mapazia, vivuli au vipofu
- kutumia taa ya kazi
- kubadilisha pembe ya kutazama ya onyesho
- kutumia kichujio cha kupunguza mng'ao
- kutumia visor ya onyesho, kama vile kipande cha kadibodi kilichoenea kutoka makali ya juu ya mbele ya onyesho
- Epuka kurekebisha onyesho lako kwa pembe ya kutazama isiyo ya kawaida.
- Epuka kuangalia vyanzo vya mwanga angavu, kama vile madirisha yaliyo wazi, kwa muda mrefu.
Kuendeleza tabia nzuri za kazi
Tengeneza tabia zifuatazo za kazi ili kufanya matumizi yako ya kompyuta kuwa ya kupumzika na yenye tija zaidi:
- Chukua mapumziko mafupi mara kwa mara na mara nyingi.
- Fanya mazoezi ya kunyoosha.
- Pumua hewa safi mara nyingi iwezekanavyo.
- Fanya mazoezi mara kwa mara na udumishe mwili wenye afya.
Pakua mwongozo
Hapa unaweza kupakua toleo kamili la pdf la mwongozo, linaweza kujumuisha maelekezo ya ziada ya usalama, taarifa za udhamini, sheria za FCC, n.k.
Pakua Mwongozo wa Acer CBA242Y




