Manual de la serie Thetford C502-C, C502-X, C503-L, C500

Introducción
Generalidades
Este es el manual de instalación para Thetford C502-C, C502-X y C503-L. El manual está dirigido a instaladores cualificados que instalarán el sistema de inodoro en una caravana o autocaravana. Lea atentamente la información y las instrucciones y sígalas estrictamente para instalar el sistema de inodoro de forma segura y correcta. Lea también las advertencias del manual del usuario antes de probar el sistema de inodoro después de la instalación. Este documento es la versión 90100/0924-V03 del manual de instalación. Nuestra política es de desarrollo y mejora continuos. Las especificaciones e ilustraciones pueden cambiar después de la publicación. Por favor, visite www.thetford.com para obtener la versión más reciente.
Símbolos
Los siguientes símbolos pueden utilizarse en este manual:
Riesgo de lesiones graves y/o daños.
Riesgo de lesiones moderadas y/o daños.
Atención. Información importante.
Nota. Información adicional.
Vídeo. Vídeo de instrucciones adicional disponible.
Capacidad de servicio
El instalador de los productos Thetford es responsable de la correcta instalación de acuerdo con las instrucciones de instalación de Thetford para garantizar la funcionalidad y la capacidad de servicio del producto. En términos de capacidad de servicio, esto significa que un distribuidor o un socio de servicio autorizado de Thetford debe poder retirar y volver a instalar el producto Thetford dentro del tiempo permitido según la lista de tiempos de Thetford, utilizando herramientas y equipos estándar. Esto es para reclamar cualquier garantía durante el período de garantía después de la fecha de compra. En caso de cualquier consulta sobre este tema, se puede contactar con un representante de servicio local de Thetford para obtener asistencia adicional relacionada con la instalación del producto.
Códigos de designación, dibujos y modelos
Cada producto tiene un código de identificación específico, el código de designación. El código de designación se puede encontrar en la placa de datos. Consulte Servicio y preguntas para conocer la ubicación de la placa de datos. Las diferentes posiciones del código representan diferentes variaciones del inodoro. En estas instrucciones, la designación se utilizará como referencia.
Tabla 1: Ejemplo de designación C50 2 X – N 062 R 21 X 01
| C50 | 2 | X | – N | 062 | R | 75 | X | 01 |
| Tipo de suministro de agua | Versión | Color | Dirección de deslizamiento del depósito de residuos | Tipo de túnel | Tipo de indicación de nivel |
Tabla 2: Dibujos y modelos disponibles
| Designación | Descripción | Dibujo 2D | Archivo 3D |
| C50xx – x xxx L 75 x xx | C500 izquierdo - cubierta estética recta - túnel de 103 mm | LE973 | LE748 |
| C50x x – x xxx R 75 x xx | C500 derecho - cubierta estética recta - túnel de 103 mm | LE973 | LE749 |
| C50x x – x xxx L 74 x xx | C500 izquierdo - cubierta estética curvada - túnel de 103 mm | LE746 | LE750 |
| C50x x – x xxx R 74 x xx | C500 derecho - cubierta estética curvada - túnel de 103 mm | LE746 | LE751 |
| C50xx – x xxx L 76 x xx | C500 izquierdo - cubierta estética curvada - túnel de 145,5 mm | LE832 | LE877 |
| C50x x – x xxx R 76 x xx | C500 derecho - cubierta estética curvada - túnel de 145,5 mm | LE832 | LE878 |
| C50x x – x xxx L 77 x xx | C500 izquierdo - cubierta estética recta - túnel deslizante de 103 mm | LE831 | LE748 |
| C50x x – x xxx R 77 x xx | C500 derecho - cubierta estética recta - túnel deslizante de 103 mm | LE831 | LE749 |
| N/A | Depósito de residuos | LE753 | LE752 |
Los dibujos 2D constan de las dimensiones del producto y las posiciones de los tornillos.
Los dibujos 2D están disponibles bajo petición, los archivos 3D solo están disponibles para el constructor profesional.
Especificaciones técnicas
Tabla 3: Especificaciones eléctricas
| Artículo | Descripción/especificación |
| Tensión de funcionamiento | 10–15 V (la fuente de alimentación debe ser capaz de suministrar 3 A a la tensión nominal) |
| Conexión | C502-C / C502-X: conector de 2 polos C503-L: conector de 2 polos + 2 conectores de 1 polo (contactos libres de potencial) |
| Posición del cableado en la carcasa de la lengüeta | ![]() |
| Conector de 2 polos en el inodoro | TYCO/AMP 180908 |
| Contraparte del conector de 2 polos | TYCO/AMP 180907 |
| Conector de 1 polo en el inodoro | TYCO/AMP 180916 |
| Contraparte del conector de 1 polo | TYCO/AMP 925324 |
| Grosor | 0,5 mm 2 |
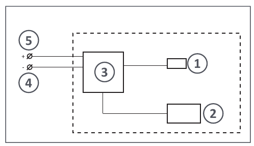
Tabla 4: Diagrama de cableado C502-C

- Bomba
- Controlador
- PCB principal
- Negro
- Rojo
Tabla 5: Diagrama de cableado C502-X

- Bomba
- Sensor de agua
- Controlador
- PCB principal
- Negro
- Rojo
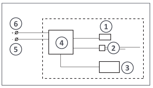
Tabla 6: Diagrama de cableado C503-L

- Válvula
- Controlador
- PCB principal
- Relé
- COM púrpura
- Gris NO
- Negro
- Rojo
Tabla 7: Capacidades y peso
| C502-C | C502-X | C503-L | |
| Peso en vacío | 9,5 kg | 9,5 kg | 9,6 kg |
| Capacidad del depósito de residuos | 19,7 L | 19,7 L | 19,7 L |
| Indicación de nivel del depósito de residuos | 1 nivel | 3 niveles | 3 niveles |
| Capacidad del depósito de agua de descarga | 16,5 L | 16,5 L | - |
| Indicación de nivel del depósito de agua de descarga | - | 3 niveles | - |
Tabla 8: Suministro de agua C503-L
| Diámetro | Interior: 10 mm Exterior: 16 mm |
| Longitud y posición | 400 mm desde el lateral del inodoro![]() |
| Presión necesaria de la bomba remota en la entrada del inodoro | Mín. 0,4 bar a 5,2 l/min Máx. 0,8 bar a 8 l/min |
| Presión máxima permitida en la manguera | Europa: 4 bar AUS/China/EE. UU.: 8 bar |
Cumpla con la presión requerida para la bomba remota en la entrada del inodoro para asegurar una descarga correcta. Si la presión es demasiado alta, instale un limitador de caudal.
Embalaje
Tabla 9: Embalaje
| Tipo de embalaje | Embalaje en palés |
| Cantidad de inodoros en un palé | 6 (2x3) |
| Altura máxima de apilamiento | 3 palés de altura |
| Tamaño del palé | 1200 x 800 mm |

Solo transporte el inodoro por las empuñaduras de la parte superior del banco (1). No transporte el inodoro por el túnel (2) ni por la cubierta estética (3).
Deje la cinta verde y la lámina azul durante la manipulación y el montaje. Retírelas solo después de la instalación.
Antes de la instalación
Contenido de la caja
Para el electrodoméstico empaquetado en una sola pieza, compruebe el contenido:
- Un electrodoméstico de inodoro
- Manual de instalación (este manual)
Si falta algo, póngase en contacto con su distribuidor.
Dimensiones del baño
Las dimensiones siguientes son aplicables a los inodoros utilizados con una puerta de servicio. Cuando utilice una puerta a ras, añada 2,5 mm a las dimensiones indicadas con un *.


- Las otras dimensiones:
![Thetford - Serie C500 - Dimensiones del baño - Parte 3 Dimensiones del baño - Parte 3]()
- El ángulo pared-suelo:
![Thetford - Serie C500 - Dimensiones del baño - Parte 4 Dimensiones del baño - Parte 4]()
- La distancia a la pared exterior:
![Thetford - Serie C500 - Dimensiones del baño - Parte 5 Dimensiones del baño - Parte 5]()
- El espacio disponible debajo del inodoro:
![Thetford - Serie C500 - Dimensiones del baño - Parte 6 Dimensiones del baño - Parte 6]()
(*) Dependiendo del modelo. Consulte las dimensiones de los distintos modelos, más arriba en este capítulo.
Prepare el baño
Consulte los códigos de designación, los dibujos y los modelos para ver los dibujos de las dimensiones de los recortes.
El grosor de la pared debe estar entre 23 mm y 39 mm para una puerta de servicio o entre 28 mm y 40 mm para una puerta a ras. Póngase en contacto con Thetford si el grosor de la pared del vehículo está fuera de este rango.
- Cree un recorte en la pared posterior para la brida del túnel.
![Thetford - Serie C500 - Prepare el baño - Paso 1 Prepare el baño - Paso 1]()
- Cree los recortes de pared para la puerta de servicio o la puerta a ras.
- Instale la puerta de servicio o la puerta a ras.
- Para obtener más instrucciones, consulte las instrucciones de instalación de la puerta.
Cuando utilice una puerta a ras, debe crear un recorte adicional en la pared posterior para la brida en el interior del marco.
![Thetford - Serie C500 - Prepare el baño - Paso 2 Prepare el baño - Paso 2]()
- Monte el soporte de pared.
Hasta el 30 % de la fuerza vertical aplicada al inodoro se puede transferir como una carga horizontal a la conexión del soporte de pared.
El soporte de pared se vende por separado.
![Thetford - Serie C500 - Prepare el baño - Paso 3 Prepare el baño - Paso 3]()
- Instale un plato de ducha, si corresponde.
![Thetford - Serie C500 - Prepare el baño - Paso 4 Prepare el baño - Paso 4]()
- Conecte el inodoro al soporte de pared.
Deje la cinta verde y la lámina azul durante la manipulación y el montaje. Retírelas solo después de la instalación.
![Thetford - Serie C500 - Prepare el baño - Paso 5 Prepare el baño - Paso 5]()
- Solo para C50xx x xxx x 76 x xx: despliegue el túnel y asegúrelo con 4 tornillos.
![Thetford - Serie C500 - Prepare el baño - Paso 6 Prepare el baño - Paso 6]()
- Si lo desea, monte el inodoro al suelo con cuatro tornillos.
Los tornillos son suministrados por Thetford. Si no se utilizan estos, utilice tornillos de acero inoxidable.
Par de apriete requerido: 1,2 ± 0,3 Nm para un suelo de madera contrachapada.
El par de apriete puede variar si el suelo está hecho de un material diferente.
![Thetford - Serie C500 - Prepare el baño - Paso 7 Prepare el baño - Paso 7]()
Asegúrese de que el sello de la pared esté colocado correctamente.

Instalación
Lea las instrucciones aplicables en el capítulo Seguridad primero.
Asegúrese de que el gabinete esté preparado correctamente, consulte Antes de la instalación para ello.
- Prepare el baño para el electrodoméstico.
- Coloque el electrodoméstico sobre el soporte.
Asegúrese de que el electrodoméstico esté ubicado correctamente en el espacio designado y de que el sello de la pared esté colocado correctamente.
- Asegúrese de que todos los sujetadores estén apretados con la cantidad correcta de par de apriete.
- C503-L solamente: conecte la manguera de agua.
![Thetford - Serie C500 - Instalación - Paso 1 Instalación - Paso 1]()
- Conecte el suministro eléctrico.
![Thetford - Serie C500 - Instalación - Paso 2 Instalación - Paso 2]()
![]()
- Retire la cinta verde y la lámina azul.
Después de la instalación
Lea las instrucciones aplicables en el capítulo Seguridad primero.
Comprobaciones visuales y funcionales
Compruebe si:
- Se han retirado todos los materiales de embalaje.
- El sello de la pared está colocado correctamente.
- El inodoro descarga correctamente.
- La indicación de nivel funciona.
- Todas las tuberías y conexiones no tienen fugas.
- Es posible drenar completamente el sistema de agua para evitar daños por heladas.
- El tanque de retención de residuos se puede quitar y volver a colocar.
- Las puertas se abren y cierran correctamente.
- Las puertas son impermeables después de la instalación.
- Los cables eléctricos no están pellizcados ni dañados.
- Los cables eléctricos no están cerca de fuentes de calor (como la placa de cocina, el horno o el calentador) y fuentes de ignición.
- Los conectores eléctricos están asentados correctamente.
Servicio y preguntas
Lea las instrucciones aplicables en el capítulo Seguridad primero.
Servicio
Antes de comenzar cualquier trabajo de servicio, desconecte el electrodoméstico del suministro eléctrico.
Todo el servicio debe ser realizado por una persona competente aprobada.
Preguntas
Si tiene preguntas sobre su producto, piezas, accesorios o servicios autorizados, visite www.thetford.com.
Si se pone en contacto con un Centro de servicio local autorizado en su país, proporcione los detalles del modelo y el número de serie, además de la fecha de compra. La placa de datos se puede encontrar en la base del inodoro.


Seguridad
General
Riesgo de lesiones graves por quemaduras, explosión, aplastamiento, electrocución, asfixia e intoxicación o daños al producto.
- No modifique este aparato, a menos que la modificación esté autorizada y sea realizada por el fabricante o su agente.
- Si el aparato no se instala de acuerdo con las leyes, reglamentos, normas y estándares nacionales y europeos, esto anulará la garantía y puede dar lugar a un enjuiciamiento penal.
- Utilice el equipo de protección personal correcto durante la instalación. Siga también las normas de seguridad aplicables.
- Solo los profesionales cualificados y certificados pueden instalar el aparato y conectar sus componentes eléctricos.
Instalación
Riesgo de lesiones graves por quemaduras, explosión, aplastamiento, electrocución, asfixia e intoxicación o daños al producto.
- No instale este inodoro en una cabina interior fija u otras aplicaciones de vivienda. Este inodoro está hecho para su uso en aplicaciones de RV y remolcables.
- Para evitar un peligro debido a la inestabilidad del aparato, debe fijarse de acuerdo con las instrucciones.
- El inodoro debe instalarse de forma que permita un fácil acceso para el mantenimiento y las reparaciones.
- No instale el inodoro directamente sobre la alfombra. Coloque el inodoro sobre un panel de metal o madera que se extienda por todo el ancho y la profundidad del inodoro.
- No taladre, corte ni utilice una fuerza excesiva en las paredes del inodoro, excepto para atornillar las posiciones predefinidas. Esto puede dañar el aparato.
- Al instalar el aparato, asegúrese de que los cables no queden atrapados o dañados.
- Instale las conexiones eléctricas de forma que los cables no puedan entrar en contacto con piezas calientes o afiladas.
- Dirija los cables lejos del aparato y de otras fuentes de calor.
- No permita que los cables cuelguen sueltos en el compartimento.
- Nunca cambie de posición ni modifique los componentes electrónicos a menos que se indique lo contrario en este manual.
- Utilice únicamente piezas y materiales originales y aprobados.
Eléctrico
Riesgo de lesiones graves por quemaduras, explosión, aplastamiento, electrocución, asfixia e intoxicación o daños al producto.
- Asegúrese de que la instalación y los materiales utilizados cumplen con la legislación y las normativas más recientes sobre instalaciones eléctricas en el país de uso.
- Las conexiones eléctricas deben cumplir con la norma EN60335.
- Observe la polaridad para evitar daños al aparato y/o a otros aparatos conectados al circuito de 12 V CC: - +12V CC o el cable positivo es de color rojo. - -12V CC o cable negativo o de tierra, es de color negro o blanco.
- No coloque múltiples tomas de corriente portátiles o fuentes de alimentación portátiles en la parte trasera del aparato.
Puesta en marcha
No encienda el aparato sin antes realizar las comprobaciones visuales y funcionales.
Referencias
Descargar manual
Aquí puedes descargar la versión completa en pdf del manual, puede contener instrucciones de seguridad adicionales, información de garantía, reglas de la FCC, etc.
Descargar Manual de la serie Thetford C502-C, C502-X, C503-L, C500















