ONKYO MCA1120 - Manual de utilizare pentru amplificatorul cu mixare mono

Caracteristici
- 1 x 120W la 4 ohmi, pentru utilizare comercială și industrială
- Compatibil Lo-Z (8/4/2 ohmi) / Hi-Z (70/100V)
- BluetoothⓇ / Intrare pe panoul frontal pentru player portabil
- 4 intrări (2 Linie, 2 Microfon) și 1 ieșire
- "Priority Ducker" (atenuare prioritară) și "Feedback Suppressor" (supresor de feedback) pentru microfon
- "Priority muting" (dezactivare prioritară) cu comutator PTT
- "Dynamic Loudness" (intensitate dinamică) și "Leveler" (nivelator) pentru BGM (muzică de fundal) confortabil
- EQ prestabilit și HPF (filtru trece-înalt) pentru difuzoare
- Configurare realizată local de pe panoul din spate
- Extensibil cu amplificatorul de putere opțional PCA1120
- Montabil în rack 1U (cu IRK-44-3 opțional)
Conținutul pachetului
- Unitatea principală
- Manual de instrucțiuni (acest document)
- Cablu de alimentare AC
- Informații de siguranță
- Euroblocuri cu 5 pini (3)
- Card de garanție
Acest produs este destinat utilizării comerciale/profesionale. Ar trebui să fie instalat doar de un tehnician specializat.
Exemple de configurare a sistemului
Consultați site-ul web pentru conexiuni detaliate.
Exemplul A
Utilizare independentă a MCA1120 ca sistem de muzică de fundal (BGM) și paging.

Exemplul B
Extinderea sistemului folosind PCA1120 (x2 prezentate) și difuzoare suplimentare.

În această configurație cu mai multe camere și tipuri de difuzoare, MCA1120 controlează volumul general al sistemului, în timp ce nivelul volumului fiecărui PCA1120 poate fi ajustat pentru camera sa.
Exemplul C
(IMAGINEA NU ESTE AFISATA)
Controlul unui subwoofer pasiv cu PCA1120.
PCA1120 are setări de crossover încorporate pentru această aplicație.
Pași de configurare și operare

Panoul din spate al MCA1120

- Intrare AC ( IEC C13, 100V-240V 50/60 Hz) (⇒ vezi Pasul 5)
- Terminale SPEAKER OUT (Euroblock)
NOTĂ
Este important să citiți "Pasul 2: Conectarea difuzoarelor" înainte de a încerca să utilizați acest terminal.
CONFIGURAREA INCORECTĂ POATE DUCE LA DEFECȚIUNI SAU INCENDIU. (⇒ vezi Pasul 2) - Terminal pentru controler de volum de la distanță (Euroblock)
Utilizați pentru conectarea unui controler de volum disponibil comercial. (⇒ vezi Opțiunea 2) - Terminale de intrare MIC 2 / LINE 3 (Euroblock)
Utilizați pentru conectarea unui dispozitiv de nivel Mic sau de nivel Linie. (⇒ vezi Pasul 4) - Terminal de mutare manuală pentru intrarea MIC 1 (Euroblock)
Utilizați pentru conectarea unui comutator Push-to-Talk pentru paging cu mutare prioritară. (⇒ vezi Pasul 4) - Terminale de intrare MIC 1 (Euroblock)
Utilizați pentru conectarea unui microfon cu fir. (⇒ vezi Pasul 4)
Pentru sistemele de microfoane fără fir, utilizați terminalul MIC 2 / LINE 3. - Terminal PRE OUT (RCA Mono)
Aceasta este o ieșire de linie variabilă legată de volumul principal (Master Volume).
Utilizați această ieșire pentru a vă conecta la amplificatorul de expansiune PCA1120, ca în Exemplul B. (⇒ vezi Opțiunea 1 pentru configurare) - Terminale de intrare LINE 2 (RCA Stereo)
Utilizați pentru a conecta un player extern, cum ar fi CD, Music Streamer, etc. (⇒ vezi Pasul 3) - IR IN (3.5mm Mini, Mono / 2-poli) Pentru utilizare cu un controler infraroșu extern.
- RS232 (3.5mm Mini, Stereo / 3-Poli)
Pentru utilizare cu un controler extern sau pentru programarea EQ personalizată (Custom EQ).
Pentru a preveni deteriorarea, deconectați cablul de alimentare când introduceți/scoateți cablul RS232. - Comutatoare DIP
Consultați Pasul 1 pentru instrucțiuni despre cum să setați comutatoarele DIP.
Setări comutatoare DIP
- Pasul 1-A: [ SET UP ] Comutatoare de configurare inițială
Setările incorecte vă pot deteriora echipamentul.
Configurați cu atenție pentru a asigura o funcționare sigură.
Modificările setărilor comutatorului DIP nu se vor aplica până când unitatea nu este repornită prin scoaterea cablului de alimentare AC pentru o perioadă și reintroducerea acestuia.
#1 [ Keylock ]
Blochează comenzile panoului frontal, cu excepția butonului de alimentare (Power) și a volumului principal (Master Volume).
![Onkyo - MCA1120 - Comutatoare de configurare inițială - #1 [ Keylock ] Comutatoare de configurare inițială - #1 [ Keylock ]](http://static-data.manualslib.tech/pdf/pdf3/11/1043/104246-onkyo/images/onkyo-mca1120-initial-setup-switches-1-keylock-89fe3.png)
#2 [ Auto Standby ]
MCA1120 intră automat în starea de standby după două ore când nu există semnal audio și nicio operațiune.
![Onkyo - MCA1120 - Comutatoare de configurare inițială - #2 [ Auto Standby ] Comutatoare de configurare inițială - #2 [ Auto Standby ]](http://static-data.manualslib.tech/pdf/pdf3/11/1043/104246-onkyo/images/onkyo-mca1120-initial-setup-switches-2-auto-standby-a5cee.png)
NOTĂ: Auto Standby nu funcționează când Bluetooth este conectat.
#3, 4 [ Auto Power On ]
Când un semnal audio este detectat pe intrarea selectată în timpul Standby-ului, alimentarea este pornită automat.
![Onkyo - MCA1120 - Comutatoare de configurare inițială - #3, 4 [ Auto Power On ] Comutatoare de configurare inițială - #3, 4 [ Auto Power On ]](http://static-data.manualslib.tech/pdf/pdf3/11/1043/104246-onkyo/images/onkyo-mca1120-initial-setup-switches-3-4-auto-power-on-45e86.png)
#5 [ Volume Control ]
Selectați ce tip de controler de volum extern opțional: Control volum (Volume Control) (10kΩ、tip curbă B), sau Sistem de telecomandă cu infraroșu (Infrared Remote System).
![Onkyo - MCA1120 - Comutatoare de configurare inițială - #5 [ Volume Control ] Comutatoare de configurare inițială - #5 [ Volume Control ]](http://static-data.manualslib.tech/pdf/pdf3/11/1043/104246-onkyo/images/onkyo-mca1120-initial-setup-switches-5-volume-control-64109.png)
#6 [ MIC 2 / LINE 3 ]
Alegeți între setarea de intrare MIC (Mono) sau LINE (Stereo).
![Onkyo - MCA1120 - Comutatoare de configurare inițială - #6 [ MIC 2 / LINE 3 ] Comutatoare de configurare inițială - #6 [ MIC 2 / LINE 3 ]](http://static-data.manualslib.tech/pdf/pdf3/11/1043/104246-onkyo/images/onkyo-mca1120-initial-setup-switches-6-mic-2-line-3-4e4ec.png)
#7 [ MIC 2 AMP ]
Dacă comutatorul #6 este setat pe MIC 2, selectați între On (Nivel Mic) sau Off (Nivel Linie).
![Onkyo - MCA1120 - Comutatoare de configurare inițială - #7 [ MIC 2 AMP ] Comutatoare de configurare inițială - #7 [ MIC 2 AMP ]](http://static-data.manualslib.tech/pdf/pdf3/11/1043/104246-onkyo/images/onkyo-mca1120-initial-setup-switches-7-mic-2-amp-02482.png)
#8 [ SPEAKER OUT ]
Selectați Hi-Z sau Lo-Z în funcție de specificațiile difuzorului dvs.
![Onkyo - MCA1120 - Comutatoare de configurare inițială - #8 [ SPEAKER OUT ] Comutatoare de configurare inițială - #8 [ SPEAKER OUT ]](http://static-data.manualslib.tech/pdf/pdf3/11/1043/104246-onkyo/images/onkyo-mca1120-initial-setup-switches-8-speaker-out-227b4.png)
NOTĂ: Este important să citiți "Pasul 2: Conectarea difuzoarelor" înainte de a seta acest comutator. CONFIGURAREA INCORECTĂ POATE DUCE LA DEFECȚIUNI SAU INCENDIU. (⇒ vezi Pasul 2 pentru detalii)
#9 [ Speaker Lo-Z ]
Dacă comutatorul #8 este setat pe Lo-Z, trebuie să reglați acest comutator în funcție de specificațiile difuzorului dvs.
![Onkyo - MCA1120 - Comutatoare de configurare inițială - #9 [ Speaker Lo-Z ] Comutatoare de configurare inițială - #9 [ Speaker Lo-Z ]](http://static-data.manualslib.tech/pdf/pdf3/11/1043/104246-onkyo/images/onkyo-mca1120-initial-setup-switches-9-speaker-lo-z-e16ea.png)
NOTĂ: Este important să citiți "Pasul 2: Conectarea difuzoarelor" înainte de a seta acest comutator. CONFIGURAREA INCORECTĂ POATE DUCE LA DEFECȚIUNI SAU INCENDIU. (⇒ vezi Pasul 2 pentru detalii)
#10 NU ESTE UTILIZAT
- Pasul 1-B: [ SOUND MODE ] Comutatoare de preferințe de sunet
Instrumente avansate de configurare pentru Paging, EQ și DSP.
SFAT: Aceste modificări de setare sunt instantanee. Nu este necesară repornirea.
#1 [ Mic Ducker ]
Când ducker-ul detectează audio de la MIC 1 și/sau MIC 2 (nu LINE 3), volumul tuturor celorlalte surse de intrare va fi atenuat cu 24dB. Acest lucru este util pentru paging peste muzica de fundal.
![Onkyo - MCA1120 - Comutatoare de preferințe de sunet - #1 [ Mic Ducker ] Comutatoare de preferințe de sunet - #1 [ Mic Ducker ]](http://static-data.manualslib.tech/pdf/pdf3/11/1043/104246-onkyo/images/onkyo-mca1120-sound-preferences-switches-1-mic-ducker-52b2f.png)
Dacă setați #6 [ MIC 2 / LINE 3 ] al comutatorului DIP SET UP la [ MIC 2 ], puteți utiliza această funcție cu două microfoane.
#2 [ Auto Leveler ]
Reglează automat nivelul fiecărui semnal de intrare pentru un volum consistent între surse.
![Onkyo - MCA1120 - Comutatoare de preferințe de sunet - #2 [ Auto Leveler ] Comutatoare de preferințe de sunet - #2 [ Auto Leveler ]](http://static-data.manualslib.tech/pdf/pdf3/11/1043/104246-onkyo/images/onkyo-mca1120-sound-preferences-switches-2-auto-leveler-3a1ae.png)
#3-5 [ HPF (Filtru trece-înalt) ]
Utilizați acest filtru pentru a limita frecvențele joase la terminalele SPEAKER OUT. Comutatoarele DIP setează frecvența de tăiere.
![Onkyo - MCA1120 - Comutatoare de preferințe de sunet - #3-5 [ HPF (Filtru trece-înalt) ] Comutatoare de preferințe de sunet - #3-5 [ HPF (Filtru trece-înalt) ]](http://static-data.manualslib.tech/pdf/pdf3/11/1043/104246-onkyo/images/onkyo-mca1120-sound-preferences-switches-3-5-hpf-high-pass-1269a.png)
NOTĂ: Nu setați pe [ Off ] când utilizați difuzorul Hi-Z sau amplificatorul poate intra în modul de protecție.
#6,7 [ BGM Mode ]
Selectați un mod de sunet (Sound Mode) bazat pe "starea de spirit" intenționată a mediului de ascultare.
![Onkyo - MCA1120 - Comutatoare de preferințe de sunet - #6,7 [ BGM Mode ] Comutatoare de preferințe de sunet - #6,7 [ BGM Mode ]](http://static-data.manualslib.tech/pdf/pdf3/11/1043/104246-onkyo/images/onkyo-mca1120-sound-preferences-switches-6-7-bgm-mode-e16d2.png)
#8-10 [ Preset EQ for Loudspeaker ]
Selectați presetarea EQ pentru tipul dvs. de difuzor (vezi lista de mai jos).
![Onkyo - MCA1120 - Comutatoare de preferințe de sunet - #8-10 [ Preset EQ ] Comutatoare de preferințe de sunet - #8-10 [ Preset EQ ]](http://static-data.manualslib.tech/pdf/pdf3/11/1043/104246-onkyo/images/onkyo-mca1120-sound-preferences-switches-8-10-preset-eq-85acc.png)
Conectarea difuzoarelor
Acordați o atenție deosebită setării/conectării difuzoarelor!
Aceasta poate cauza funcționarea defectuoasă sau incendiu.
- Conectați cablul de alimentare AC în etapa finală. Nu conectați cablul de alimentare AC înainte de această etapă. Aceasta poate cauza șocuri electrice.
- Verificați pinii de conectare ai Euroblock și setările Lo-Z / Hi-Z ale comutatoarelor DIP conform specificațiilor difuzoarelor.
Dacă acestea nu sunt potrivite, pot cauza funcționarea defectuoasă sau incendiu.
- Conexiuni Hi-Z (Impedanță Înaltă)
![Onkyo - MCA1120 - Conexiuni Hi-Z (Impedanță Înaltă) Conexiuni Hi-Z (Impedanță Înaltă)]()
- Setați comutatorul DIP #8 [ SET UP ] [ SPEAKER OUT ] la [ Hi-Z ].
- Conectați terminalul [ 100V ] sau [ 70V ] al SPEAKER OUT la terminalul + de pe difuzoarele dumneavoastră. Apoi, conectați [ COM ] la terminalul ‒ de pe difuzoarele dumneavoastră.
- Nu utilizați terminalele de linie de înaltă impedanță de 70V și 100V în același timp.
- Asigurați-vă că puterea totală nominală de intrare a difuzoarelor conectate este de 120W sau mai mică.
- Conexiuni Lo-Z (Impedanță Scăzută)
![Onkyo - MCA1120 - Conexiuni Lo-Z (Impedanță Scăzută) Conexiuni Lo-Z (Impedanță Scăzută)]()
- Setați comutatorul DIP #8 [ SET UP ] [ SPEAKER OUT ] la [ Lo-Z ].
- Conectați terminalul + al SPEAKER OUT la terminalul + de pe difuzoarele dumneavoastră.
Apoi, conectați - la terminalul ‒ de pe difuzoarele dumneavoastră.
- Nu conectați difuzoarele Lo-Z la terminalele Hi-Z.
- Când conectați mai multe difuzoare, asigurați-vă că impedanța totală este mai mare decât valoarea setării #9 [ Speaker Lo-Z ] a comutatorului DIP SET UP.
Conectarea playerelor externe
Semnalele stereo sunt amestecate intern în mono.
- Conexiune LINE 1
Consultați secțiunea "panoul frontal" de pe spate. - Conexiune LINE 2
- Conectați playerul extern la terminalele LINE 2 cu cablul RCA.
Puteți utiliza fie terminalul L, fie terminalul R pentru ieșirea playerului monoaural.
- Conectați playerul extern la terminalele LINE 2 cu cablul RCA.
- Conexiune LINE 3
![Onkyo - MCA1120 - Conectarea playerelor externe - Conexiune LINE 3 Conectarea playerelor externe - Conexiune LINE 3]()
- Setați comutatorul DIP #6 [ SET UP ] [ MIC 2 / LINE 3 ] la [ LINE 3 ].
Dacă această setare lipsește, semnalul în fază (melodia, linia de bas etc.) nu va ieși. - Conectați ieșirea externă player la terminalul LINE 3 cu Euroblock.
Puteți utiliza fie terminalul L, fie terminalul R pentru ieșirea playerului monoaural.
Conectarea microfoanelor
- Mic Ducker și Feedback Suppressor pot fi utilizate cu MIC 1/2.
- Conectați microfonul cu funcție de paging la MIC 1 și microfonul wireless la MIC 2.
- Deoarece nu există alimentare fantomă, utilizați un microfon condensator alimentat cu baterii.
- Microfonul dinamic normal poate fi utilizat cu oricare dintre intrările MIC 1/2.
- Conexiune MIC 1
![Onkyo - MCA1120 - Conectarea microfoanelor - Conexiune MIC 1 Conectarea microfoanelor - Conexiune MIC 1]()
(Microfon cu contact
Contact fără tensiune
Curent de scurtcircuit: 3 mA sau mai puțin
Tensiune de circuit deschis: DC 24 V sau mai puțin
NOTĂ:
H (Fierbinte, +),
C (Rece, -),
E (Pământ, GND)
Folosind un fir ecranat cu 2 nuclee
De la microfon
Folosind un singur nucleu fir ecranat
De la microfon
Scurtcircuitați terminalele
între [C] și [E])
- Conectați ieșirea microfonului la terminalul MIC 1 cu Euroblock.
- Dacă este necesar, conectați firul ecranat PTT fir ecranat fir ecranat (Push-To-Talk) comutatorul pentru paging De la microfon De la microfon la terminalele MANUAL MUTE [+] / [-]
Puteți dezactiva sunetul de intrare, altul decât MIC 1, în timp ce apăsați comutatorul PTT.
(Funcția de paging)
-
Conexiune MIC 2
![Onkyo - MCA1120 - Conectarea microfoanelor - Conexiune MIC 2 Conectarea microfoanelor - Conexiune MIC 2]()
- Setați comutatorul DIP #6 [ SET UP ] [ MIC 2 / LINE 3 ] la [ MIC 2 ].
- Utilizați comutatorul DIP #7 [ SET UP ] [ MIC2 AMP ] pentru a selecta între [ On ] (Mic level) (Nivel microfon) sau [ Off ] (Line Level) (Nivel linie).
Dacă utilizați un microfon wireless, această selecție ar trebui să se bazeze pe nivelul de ieșire al unității receptorului microfonului. - Conectați ieșirea microfonului la terminalul MIC 2 cu Euroblock.
Pentru metoda de conectare a firului ecranat, consultați secțiunea despre Conexiunea MIC 1.
Conectarea cablului de alimentare

- Conectați cablul de alimentare CA furnizat la intrarea CA și conectați-l la priza CA.
Opțiunea 1: Extinderea difuzoarelor cu PCA1120

- Conectați terminalul PRE OUT al MCA1120 și terminalul LINE IN (L sau R) al PCA1120 cu cablul RCA monoaural.
- Urmați manualul de instrucțiuni al PCA1120, setați comutatorul DIP și conectați difuzorul.
- Pentru o extindere suplimentară, conectați-vă la un alt PCA1120 în serie de la terminalul LINE OUT al PCA1120.
Avantajele combinării MCA1120 cu unul sau mai multe PCA1120.
- Se pot adăuga zone suplimentare pentru difuzoare (vezi Exemplul B).
- Un subwoofer pasiv poate fi adăugat la sistem (vezi Exemplul C).
- Atât MCA1120, cât și PCA1120 includ Preset EQ și HPF independente, permițându-vă să adaptați sunetul fiecărei zone de difuzoare.
- Controlul volumului principal MCA1120 poate fi utilizat pentru a regla volumul general al sistemului pentru toate zonele, deoarece terminalul său PRE OUT este variabil. În această aplicație, setați controlul volumului PCA1120 în poziția centrală (ora 12). Alternativ, puteți regla fiecare volum PCA1120 independent.
Opțiunea 2: Controlul volumului de la distanță
- Controlul volumului de la distanță prin potențiometru de 10kΩ. Volumul de la distanță și funcția de volum principal sunt în serie. Dacă oricare dintre ele este la minimum, nu va exista sunet.
![Onkyo - MCA1120 - Opțiunea 2 : Controlul volumului de la distanță Opțiunea 2 : Controlul volumului de la distanță]()
- Setați la [ Volume Control(10kΩ) ] (Controlul volumului (10kΩ)) din #5 [ Volume Control ] (Controlul volumului) al comutatorului SET UP DIP.
- Conectați volumul extern (10kΩ, curbă B) la terminalul Remote Volume Controller cu Euroblock.
Instalarea amplificatorului
Nu blocați orificiile de ventilație.
Dacă utilizați echipamentul la un nivel mai ridicat pentru o perioadă lungă de timp, circuitul de protecție poate fi activat de temperatura ridicată și sunetul poate scădea.
-
Montare în rack
- Scoateți cele patru picioare de pe partea inferioară a unității.
![Onkyo - MCA1120 - Instalarea amplificatorului - Montare în rack Instalarea amplificatorului - Montare în rack]()
- Atașați suporturile de montare în rack IRK-44-3, consultând manualul de instrucțiuni.
- Instalați unitatea în sistemul dvs. de rack.
- Stivuirea amplificatoarelor
Când stivuiți amplificatoare fără a utiliza un dulap, păstrați suficient spațiu de la suprafața superioară a unității.
Nu scoateți picioarele pentru ventilația aerului.
![Onkyo - MCA1120 - Instalarea amplificatorului - Stivuirea amplificatoarelor Instalarea amplificatorului - Stivuirea amplificatoarelor]()
Deoarece unele piese, cum ar fi ventilatoarele de răcire, sunt piese consumabile, este necesar să înlocuiți piesele în funcție de deteriorare.
Pentru înlocuire, vă rugăm să contactați magazinul de unde ați achiziționat sau serviciul Onkyo.
Specificații

*1: MIC 2 și LINE 3 sunt intrări exclusive. Se poate utiliza doar una.
| Bluetooth & USB | |
| Sistem de comunicare | Version5.0 |
| Raza de comunicare | Max. 10m (Aproximativ linie de vizibilitate) |
| Alimentare USB | 5V/2.1A (Nu pentru redare audio) |
| General | |
| Temperatură de funcționare | 0 - 40 ℃ @ Fără condensare |
| Alimentare | AC100 - 240V(50/60 Hz) |
| Consum de energie | 215W @ Putere nominală, 10W @ Ralanti |
| Dimensiuni | 1 RU înălțime (fără picioare), jumătate de rack lățime |
| 8.5 W x 2.2 H x 12.6 D [ inch ](fără picioare 1.75H) | |
| 215 W x 55 H x 319 D [ mm ](fără picioare 44.5H) | |
| Greutate produs | 3.6kg(7.9lbs) |
| Opțiune | Amplificator de putere: PCA1120 |
| Kit de montare în rack: IRK-44-3 | |
Specificațiile și caracteristicile pot fi modificate fără notificare.
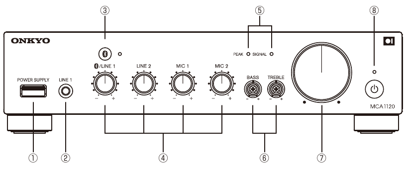
Panoul frontal MCA1120

- Terminal de alimentare USB (5V / 2.1A)
- Terminale de intrare LINE 1 (Mini 3.5mm, Stereo)
Conectați un player audio portabil, o tabletă etc..
NOTĂ: Când conectați un dispozitiv la intrarea LINE 1 în timpul redării Bluetooth, sunetul Bluetooth se oprește și va fi redat sunetul LINE 1. - [
] Buton / Indicator Bluetooth
Conectați un dispozitiv compatibil Bluetooth, cum ar fi un player audio portabil, o tabletă etc.
În timpul modului de asociere, indicatorul clipește. Când indicatorul este aprins, dispozitivul este conectat.
NOTĂ: Când conectați un dispozitiv prin Bluetooth în timp ce intrarea LINE 1 este utilizată, sunetul de intrare LINE 1 se va opri și va fi redat sunetul Bluetooth. - Volum de intrare LINE 1(Bluetooth) / LINE 2 / MIC 1 / MIC 2 (LINE 3)
Pentru a regla fiecare nivel de intrare.
Pentru a regla nivelul LINE 3, utilizați butonul pentru MIC 2. - Indicator SIGNAL / PEAK
Indicator SIGNAL (SEMNAL)
Se aprinde când nivelul de ieșire al difuzorului devine în jur de - 46 dB sau mai mult din ieșirea nominală.
Este posibil să nu se aprindă când nivelul de ieșire este scăzut. Nu este o defecțiune. Clipește când este dezactivat sunetul (muted). (Funcția de dezactivare a sunetului se face numai prin IR IN sau RS232. Această unitate nu are această operație.)
Indicator PEAK (VÂRF)
Se aprinde când nivelul de ieșire al difuzorului atinge vârful (în jur de - 3 dB de la ieșirea nominală).
Dacă se aprinde continuu, sunetul poate fi distorsionat. Reduceți volumul dacă este necesar. - BASS / TREBLE (JOASE / ÎNALTE)
Puteți regla BASS (frecvență joasă) și TREBLE (frecvență înaltă) de la -10 dB la +10 dB. Utilizați o șurubelniță mică etc. . - Volum principal (Master Volume)
Reglați nivelul de ieșire la difuzor și la mufa PRE OUT. Rotirea spre dreapta va crește volumul. Dacă adăugați PCA1120, puteți crește sau micșora volumul sistemului cu acest buton. - [
] Buton / Indicator de alimentare (Power Button)
Comutați alimentarea în modul Standby / On (Pornit). Indicatorul se aprinde după cum urmează.
Standby (Așteptare) - Roșu
On (Pornit) - Verde
Funcționare BluetoothⓇ
Puteți reda muzică fără fir pe un dispozitiv compatibil Bluetooth, cum ar fi un player audio portabil, o tabletă etc. Terminalul USB POWER SUPPLY (ALIMENTARE USB) furnizează energie dispozitivelor compatibile USB.
(Când conexiunea wireless Bluetooth nu funcționează, conectați firul la LINE 1.)
- Asociere (Pairing)
- În timp ce unitatea este pornită, apăsați butonul Bluetooth.
Indicatorul clipește și această unitate intră în modul de asociere. - Activați (porniți) funcția Bluetooth a dispozitivului sursă (tabletă etc.) și apoi selectați "Onkyo MCA1120 XXXXXX".
Dacă se solicită o parolă, introduceți "0000".
Când asocierea este finalizată, indicatorul se aprinde constant.
Pentru a conecta un alt dispozitiv Bluetooth, repetați de la pasul 1. Această unitate poate stoca maximum opt dispozitive.
- În timp ce unitatea este pornită, apăsați butonul Bluetooth.
- Redare (Playing Back)
- În timp ce unitatea este pornită, realizați o conexiune Bluetooth a unei tablete etc. și a acestei unități.
- Redați fișiere muzicale.
- Creșteți volumul tabletei etc..
Când conectați un dispozitiv la terminalul de intrare LINE 1 în timpul conexiunii Bluetooth, sunetul Bluetooth se oprește și va fi redat sunetul LINE 1.
Marca verbală și siglele BluetoothⓇ sunt mărci comerciale înregistrate deținute de Bluetooth SIG, Inc.
Reglarea volumului

Reglați volumul total și nivelul de mixare al playerelor externe și al microfoanelor.
- Setați volumul de intrare (Input Volume) în poziția centrului (ora 12) conectat la dispozitivul sursă extern utilizat de principal.
- Păstrați celelalte volume de intrare la minimum.
- Redați BGM-ul și reglați volumul principal (master volume) la volumul optim.
- Cu volumul principal decis în pasul 3 fixat, în timp ce redați sunet de la alte dispozitive și microfoane, creșteți treptat fiecare volum de intrare pentru a echilibra volumul.
- Dacă volumul este scăzut chiar dacă celălalt volum de intrare este maximizat în pasul 4, reduceți ușor volumul de intrare în pasul 1 și repetați de la pasul 2.
Depanare

Informații mai detaliate despre "Depanare" (Troubleshooting) sunt postate pe web.
Dacă simptomele nu se îmbunătățesc chiar dacă vă referiți la ele, vă rugăm să contactați serviciul Onkyo.

Keio Kanda Suda-cho Bldg. 8F, 2-5 Kanda Sudacho, Chiyoda-ku, Tokyo 101-0041 Japonia
Tipărit în Malaezia
©ODS Corporation toate drepturile rezervate.
<U.S.A.>
18 Park Way, Upper Saddle River, N.J. 07458, U.S.A.
Tel: 800-225-1946, 201-818-9200 Fax: 201-785-2650
http://www.onkyoinstallation.com
<Germania>
Gutenbergstrasse 3, 82178 Puchheim, Germania Tel: +49-8142-4401-0 Fax: +49-8142-4208-213
https://www.eu.onkyo.com
<PRC>
302, Building 1, 20 North Chaling Rd., Xuhui District, Shanghai, China 200032,
Tel: +86-21-52131366 Fax: +86-21-52130396
http://www.cn.onkyo.com

Referințe
Descărcați manualul
Aici puteți descărca versiunea completă pdf a manualului, aceasta poate conține instrucțiuni suplimentare de siguranță, informații despre garanție, reguli FCC etc.
Descărcați ONKYO MCA1120 - Manual de utilizare pentru amplificatorul cu mixare mono







