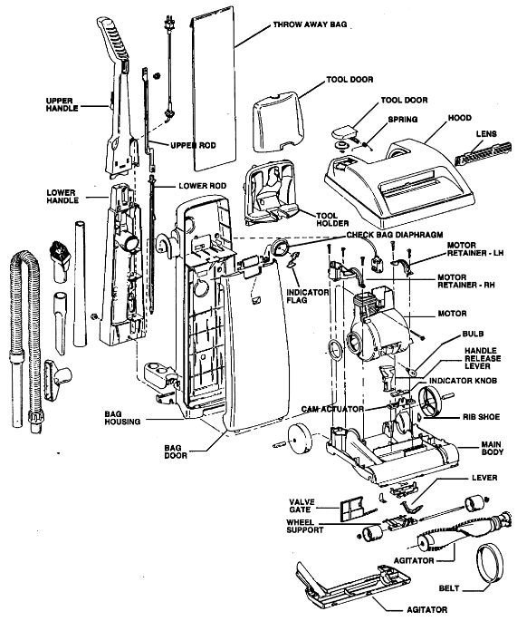
Mwongozo wa Maytag LEGACY, LEGACY II, DIMENSION, DIRT FINDER
Muhtasari wa Legacy/Legacy II

Legacy - Muhtasari wa Mfuko Mgumu

Muhtasari wa DImension

Muhtasari wa Dirt Finder

Jumla
Vinyozi hivi vilivyo wima ni vinyozi vyepesi vilivyo wima ambavyo vina injini za ubora wa juu za kompyuta, usafishaji wa pande mbili, vifungashio vya kamba vya kutoa haraka na zana za usafishaji za ubadilishaji wa juu.
Miundo yote ina marekebisho ya urefu ya moja kwa moja ambayo pua ina uhuru wa kuelea juu na chini kwenye kapeti. Miundo hii pia ina udhibiti wa urefu wa gurudumu la mbele ili kupunguza urefu wa chini wa pua ambayo inaruhusu mtumiaji kuchagua mpangilio sahihi wa utendakazi bora kwenye aina mbalimbali za kapeti.
Miundo ya Legacy na Legacy II hutumia mifuko ya aina ya "A" inayoweza kutupwa ya kujaza juu.
Dimension/Dirt Finder hutumia mifuko ya aina ya "Z" inayoweza kutupwa ya kujaza juu.
Mifuko ya kuchuja midogo inapatikana kwa miundo yote miwili.
Uendeshaji
Visafishaji hivi hufanya kazi kwa kanuni ya Mfumo wa Hewa Chafu, yaani, hewa chafu hupita kupitia eneo la injini (feni) kabla ya kufikia mfuko.

Kama inavyoonyeshwa, hewa na uchafu huvutwa kupitia nyumba ya kichochezi iliyoundwa na kuelekezwa kwenye eneo la injini. Kisha feni huendesha hewa na uchafu juu ya njia ya mpini na kuingia kwenye mfuko wa kutupa.
Vitengo vya Legacy vinadhibitiwa na swichi ya kuwasha/kuzima iliyo upande wa kitengo. (Mchoro A)
Vitengo vya Legacy II, Dimension na Dirt Finder vinadhibitiwa na swichi ya kuwasha/kuzima iliyo mbele ya mpini wa juu.(Mchoro B)

Kichochezi cha kurekebisha urefu wa kapeti kina mipangilio minne ya kusafisha kapeti na moja ya ubadilishaji wa zana ya juu.

Ni muhimu kwamba kitengo kiwe katika mpangilio sahihi (kapeti - kwa kusafisha sakafu, na zana za kusafisha wakati wa kutumia hose na zana). Hii itahakikisha utendaji bora.
Hose ya zana ya kusafisha inashikamana na kitengo kupitia mlango wa zana uliopo juu ya kofia. Hewa inaelekezwa kwenye hose kwa kurekebisha kitufe cha udhibiti wa pua kwenye nafasi ya zana ya kusafisha.

Lango la vali hufanya kazi kwa kushirikiana na kichochezi cha kurekebisha urefu. Wakati kichochezi kiko katika mojawapo ya mipangilio minne ya kapeti lango la vali liko wazi. Kila haigusani na lango la vali.

Kichochezi kinaposogezwa hadi kwenye nafasi ya zana za kusafisha kila hufunga kwenye lango na kulitelezesha ili kuzima uvutaji kwenye tundu la kichochezi.

Kumbuka: Vielelezo hivi vinaonyeshwa bila sahani ya chini au mkusanyiko wa gurudumu mahali pake.
Kipengele cha Dirt Finder:
Mfumo ulioingizwa wa Dirt Finder huendeshwa na betri ya kawaida ya alkali ya 9V. Betri iko kwenye kishikilia ndani ya sehemu ya mfuko.
Saketi huwashwa wakati swichi ya kuwasha/kuzima ya kisafishaji imewashwa. Swichi tofauti iliyowekwa kwenye nyumba ya mfuko huendeshwa na ubavu ulioinuliwa kwenye fimbo ya swichi ya juu.
Maikrofoni, iliyo karibu na mfereji wa uchafu, hutambua uchafu unaopiga bomba na kuashiria bodi ya mzunguko ambayo inadhibiti taa.
Taa ya kijani inaashiria safi na nyekundu chafu.
Ni muhimu kutambua kwamba unapowasha kitengo taa nyekundu itawashwa. Baada ya sekunde chache taa nyekundu itazimika na taa ya kijani itawashwa. Kitendaji hiki hukujulisha kuwa kipengele cha Dirt Finder kiko tayari. Ikiwa muundo huu wa taa hautokei angalia sehemu ya utatuzi wa maagizo haya.
Kutenganisha
Miundo yenye mlango wa mfuko ruka hadi sehemu ya B.
- Mfuko wa nje (Miundo ya Legacy na Legacy II)
![]()
- Toa msaada wa koti ya juu kutoka kwa kamba ya mfuko (Mchoro 1).
![]()
- Toa klipu za kuhifadhi mfuko wa nje (Legacy - 2 za juu, 2 za chini; Legacy II - 2 za juu, vichupo 2 vya chini viko lakini havijafungwa)... shika eneo la usaidizi wa kola ya kiambatisho cha mfuko na uvute nje. (Mchoro 2)
![]()
- Ondoa boli na nati ya mpini (Mchoro 3 & 4).
![]()
![]()
- Ondoa mfuko wa nje.
Kumbuka: Kusanya tena kwa mpangilio wa kurudi nyuma.
Mbavu za uhifadhi/mwongozo kwenye usaidizi wa koti ya chini lazima zioane na mbavu za uhifadhi/mwongozo kwenye mpini wa chini. (Mchoro 5A).

Kumbuka: Vitengo visivyo na mlango wa mfuko ruka hadi Sehemu ya D.
- Nyumba ya mfuko (Legacy II na Dimension) Nyumba ya mfuko/Saketi ya Dirt Finder (Dirt Finder)
- Ondoa mlango wa mfuko.
- Vuta latch ya mlango wa mfuko mbele na uondoe mlango kutoka kwa kisafishaji (Mchoro 5B).
![]()
- Vuta latch ya mlango wa mfuko mbele na uondoe mlango kutoka kwa kisafishaji (Mchoro 5B).
- Ondoa mfuko wa kutupa.
- Ondoa nyumba ya mfuko.
- Toa vichupo viwili vilivyo ndani ya nyumba ya mfuko iliyo juu ya bomba la uchafu (Mchoro 5C)
![]()
- Toa vichupo viwili vilivyo ndani ya nyumba ya mfuko iliyo juu ya bomba la uchafu (Mchoro 5C)
Kumbuka: Kwenye miundo ya Dimension/Dirt Finder, mlango wa zana na kishikilia lazima viondolewe ili kufikia vichupo.
Ili kuondoa mlango/kishikilia zana.
- Fungua bawaba kwenye msingi wa mlango (inapohitajika kuondoa (Mchoro 5D).
![]()
- Ondoa skrubu ya kupachika kishikilia zana (iliyopo kwenye tundu la skrubu chini ya brashi ya kusafisha vumbi).
- Inua nje pande zote mbili za kishikilia zana ili kutoa vichupo na uzungushe kishikilia nje ya nafasi (Mchoro 5E).
- Inua nyumba ya mfuko nje ya bracket ya nyumba ya mfuko iliyo kwenye mpini wa chini. (Mchoro 5F)
![]()
- Inua nyumba ya mfuko nje ya bracket ya nyumba ya mfuko iliyo kwenye mpini wa chini. (Mchoro 5F)
- Saketi ya Dirt Finder
Katika hatua hii unaweza kufikia saketi ya utafutaji wa uchafu. Saketi hii imewekwa kwenye nyumba ya mfuko. Mchoro 5G ni mtazamo wa kata unaoonyesha nafasi ya vipengele na swichi kutoka nyuma ya nyumba ya mfuko.
![]()
![]()
- Swichi
- Tenganisha nyaya na uvute swichi nje ya nyumba ya mfuko.
- Bodi ya Mzunguko
- Ondoa skrubu za nyumba.
- Vuta bodi ya mzunguko nje ya nyumba na utenganishe nyaya.
Kumbuka: Utoaji wa umeme tuli kwenye bodi ya mzunguko unaweza kuharibu kipengele. Unapoondoa bodi ya mzunguko kutoka kwa mfuko maalum wa kuzuia tuli, tahadhari zifuatazo zinapaswa kuchukuliwa.
- Epuka kuchajiwa kwa tuli wakati wa kushughulikia bodi. Mhudumu anapaswa kujiweka chini ikiwezekana.
- Bodi ya mzunguko inapaswa kushughulikiwa na ukingo wa nje au kuzama kwa joto la chuma pekee.
- USIGUSE alama za chuma (saketi) chini ya bodi ya mzunguko.
- Maikrofoni
Maikrofoni imewekwa kwenye nyumba ya mfuko juu ya ufunguzi wa mfereji wa uchafu (Mchoro 5H).
Ili kuondoa:
- Shika nyaya za maikrofoni karibu na msingi wa maikrofoni na uvute taratibu maikrofoni nje ya kiti.
- Tenganisha nyaya kwenye bodi (Mchoro 5I)
![]()
Kumbuka: Ni muhimu unaporejesha maikrofoni kuisukuma kwa uthabiti maikrofoni kwenye kiti kwenye nyumba ya mfuko. Pia, badilisha mkanda wa umeme na uweke kama inavyoonyeshwa kwenye Mchoro 5H. Hii itahakikisha utendaji bora wa maikrofoni.

- Bracket ya nyumba ya mfuko
- Ondoa boli na nati ya mpini.
- Ondoa bracket kwa kuitelezesha kutoka kwa reli zilizopunguzwa zilizopo kwenye mpini wa chini. (Mchoro 5J).
![]()
- Kifuniko cha usaidizi wa koti (miundo ya Legacy, Legacy II yenye kisambaza harufu)
- Ondoa kisambaza harufu.
- Tafuta na uachilie vichupo viwili vya kuhifadhi kifuniko ndani ya koti. (Mchoro 6).
![]()
- Ondoa kifuniko.
- Usaidizi wa Koti - Juu (Miundo ya Legacy, Legacy II isiyo na kisambaza harufu).
- Toa vichupo 6 vya kuhifadhi ndani ya usaidizi wa koti ya juu na utenganishe kola ya mfuko wa nje kutoka kwa usaidizi wa koti. (Mchoro 7).
![]()
- Usaidizi wa Koti - Chini
- Toa vichupo 6 vya kuhifadhi ndani ya usaidizi wa koti ya chini na utenganishe kola ya mfuko wa nje kutoka kwa usaidizi wa koti. (Mchoro 8)
![]()
- Rack ya zana (Miundo ya Legacy, Legacy II)
- Ondoa zana.
- Ondoa hose.
- Zungusha hose katika mwelekeo kinyume na mshale wa kiashiria na uondoe hose. (Mchoro 9)
![]()
- Zungusha hose katika mwelekeo kinyume na mshale wa kiashiria na uondoe hose. (Mchoro 9)
- Ondoa nyumba ya mfuko (inapohitajika)
- Ondoa skrubu ya kuhifadhi iliyo nyuma ya mpini na uondoe rack. (Mchoro 10).
![]()
Kwa mpangilio sahihi wa rack ya zana wakati wa kuunganisha tena, ambatisha Notch A ya rack kwenye ubavu A wa mpini. (Mchoro 11).

- Kamba ya kiambatisho - mpini wa juu/chini - fimbo ya udhibiti wa swichi
Koti au nyumba ya mfuko, rack ya zana na nati na boli ya mpini zikiondolewa, mpini unaweza kutenganishwa kwa kushika na kuvuta juu kutoka kwa mkusanyiko wa injini.
Kuwa mwangalifu usiiweke mkusanyiko wa mpini chini kwenye fimbo ya swichi iliyo wazi kwenye msingi wa mpini. Hii inaweza kuharibu fimbo.

- Ondoa kamba ya kiambatisho.
- Telezesha kinga ya kamba na kiunganishi nje ya mpini unaporejesha, hakikisha kuwa umepanga mshale kwenye kinga ya kamba na ubonyeze groove kwenye kinga ya kamba kwenye slot kwenye mpini.
![]()
Bonyeza kamba mahali pake kwenye noti tatu zilizoonyeshwa hapa chini.
![]()
Weka kiunganishi kwenye mpini huku upande wa "JUU" ukionekana.
![]()
- Telezesha kinga ya kamba na kiunganishi nje ya mpini unaporejesha, hakikisha kuwa umepanga mshale kwenye kinga ya kamba na ubonyeze groove kwenye kinga ya kamba kwenye slot kwenye mpini.
- Tenganisha mpini.
- Tenganisha kwa kushika nusu zote mbili na kuzivuta kando. (Mchoro 12)
![]()
- Tenganisha kwa kushika nusu zote mbili na kuzivuta kando. (Mchoro 12)
- Ondoa fimbo ya udhibiti wa swichi kutoka kwa mpini wa chini.
Ubavu wa chini wa fimbo ya udhibiti wa swichi umepunguzwa kama inavyoonyeshwa kwenye Mchoro 13. Utabo huu lazima uinuliwe ili kuondoa ubavu wa usaidizi kwenye mpini wa chini (Mchoro 13) ili kuwezesha kuondolewa.
![]()
KUMBUKA: Mkusanyiko wa mpini wa chini wa Legacy II wa mapema unajumuisha mfumo muhimu wa muffler. Mfumo huu una louver ya muffler, povu ya muffler na kifuniko cha muffler. Vipengee hivi vyote vimeambatishwa kwa kudumu kwenye mpini wa chini kwa hivyo ikiwa tatizo linalohusiana na mfumo litatokea mkusanyiko kamili wa mpini wa chini lazima ubadilishwe. Mpini huu wenye muffler haupatikani tena katika huduma.
- Mkusanyiko wa Mpini wa Juu -
Mpini wa juu huwekwa kama mikusanyiko tu.
Vipengele vinavyoweza kuhudumiwa ni kamba ya mfuko na chemchemi kwenye miundo isiyo na mifuko ngumu.
Ili kuhudumia kamba ya mfuko.
- Ondoa mshiko wa mpini kutoka kwa mpini wa juu kwa kutoa kichupo cha kuhifadhi kofia ya mpini. (Mchoro 14)
![]()
Chemchemi ya kamba ya mfuko imehifadhiwa kwenye mpini wa juu na sasa inaweza kuondolewa kwa kushirikiana na kamba ya mfuko (Mchoro 15)
![]()
- Kofia
- Ondoa kitufe cha kiashiria cha marekebisho ya urefu (kinafaa kwa msuguano). (Mchoro 16)
![]()
- Geuza kisafishaji na uondoe vichupo 4 vya kuhifadhi kofia. (Mchoro 17).
![]()
- Ondoa kofia.
Kumbuka: Mlinzi wa samani huundwa kwenye kofia na hauwezi kubadilishwa.
Mkusanyiko wa mlango wa ulaji hewa.
Ondoa mkusanyiko wa mlango kwa kuufungua kutoka kwa bosi za locator ndani ya kofia.
Vipengele vyote vya mkusanyiko wa mlango vilivyoorodheshwa vinaweza kubadilishwa.

Lenzi/paneli ya taa
Lenzi na/au paneli za taa zinaweza kuondolewa kwa kulegeza vichupo vya kubakiza kama inavyoonyeshwa. (Mchoro 18)

- Taa
- Ondoa kofia.
- Ondoa balbu kwa kuivuta moja kwa moja kutoka kwenye soketi; sukuma balbu mpya ndani ya soketi hadi ifunge mahali pake.
![]()
- Bamba la chini
- Weka bisibisi kwenye nafasi ya RH na uondoe bamba la chini.
![]()
- Kichochezi - ukanda
- Ondoa bamba la chini.
- Ondoa kofia.
- Ondoa ukanda kutoka kwenye shati la injini.
- Tega kichochezi na ukanda nje ya nyumba.
![]()
Kumbuka: Wakati wa kuunganisha tena ukanda, fuata mchoro kwenye mwili mkuu kwa mwelekeo sahihi.
Kwa maelekezo kuhusu kichochezi, angalia sehemu ya kichochezi.
- Usaidizi wa gurudumu la mbele/magurudumu/lever
- Ondoa bamba la chini.
- Achilia chemchemi ya kiendeshi cha cam kutoka kwa bosi anayebakiza msaidizi wa gurudumu la mbele na uondoe kwa kuivuta nje ya mfuko wa kubakiza wa mwili mkuu. (Mchoro 20)
![]()
- Zungusha mkusanyiko juu na uondoe kutoka kwenye kitengo.
Kwenye vitengo vya Legacy, utakumbana na mojawapo ya mipangilio miwili ya magurudumu iliyoonyeshwa hapa chini. (Mchoro 21,22)
Muundo wa Awali
Miundo iliyotengenezwa kabla ya 4/8/91 lever iliyo katika kingo ya nje ya usaidizi.

Muundo wa Hivi Karibuni
Miundo iliyotengenezwa baada ya 4/8/91 lever iliyo katikati ya katikati ya usaidizi.

Lever ya hivi karibuni itapatikana katika huduma kwa matumizi kwenye usaidizi wa mitindo yote miwili na ni mbadala ya kuingizwa.

Usaidizi wa gurudumu la muundo wa awali haupatikani tena katika huduma. Kuboresha kitengo kutoka kwa usaidizi wa mtindo wa awali hadi wa hivi karibuni itahitaji uingizwaji wa mwili mkuu.
Magurudumu
Ondoa magurudumu kutoka kwa usaidizi kwa kutoa kibakiza gurudumu kutoka kwa shati na kutelezesha shati nje ya usaidizi.
Kumbuka: Badilisha vibakiza gurudumu mara tu vinapoondolewa kwenye shati.

Lever Ondoa lever kwa kuifungua kutoka kwenye usaidizi.

- Lango la vali
- Ondoa bamba la chini.
- Telezesha lango la vali nje ya nyumba (Mchoro 23).
![]()
Kumbuka: Kwenye vitengo vya muundo wa hivi karibuni, mwili mkuu umerekebishwa ili lango la vali "lifunge" mahali pake na libakizwe kwenye mwili mkuu.
- Cam/kiendeshi cha cam cha marekebisho ya urefu wa pua
- Ondoa bamba la chini.
- Ondoa lango la vali.
- Ondoa usaidizi wa gurudumu la mbele.
- Ondoa kofia.
- Achilia vichupo 2 vya kubakiza cam vya marekebisho ya urefu wa pua (Mchoro 24)
- Tenganisha cam na kiendeshi cha cam cha marekebisho ya urefu wa pua.
![]()
Chemchemi kwenye cam inaweza kubadilishwa.
- Magurudumu ya nyuma
- Achilia shati la gurudumu la nyuma kutoka kwa nafasi za kubakiza za mwili mkuu. (Mchoro 25)
![]()
Kumbuka: Mwili mkuu lazima ulegezwe upande mmoja au mwingine wa magurudumu ya nyuma huku ukivuta shati la gurudumu la nyuma juu na kisha upande mwingine wa gurudumu la nyuma ili kuwezesha uondoaji.
- Lever ya kutolewa kwa mpini
- Ondoa kofia.
- Shusha mpini hadi mahali pake pa chini kabisa.
- Achilia mchomo wa shati la lever ya mpini kutoka kwa nafasi za kubakiza za mwili mkuu. (Mchoro 26).
![]()
- Mkusanyiko wa injini
- Ondoa mpini.
- Ondoa kofia.
- Achilia ukanda kutoka kwenye shati la injini.
- Ondoa kibakiza injini nusu ya kulia na nusu ya kushoto.
![]()
- Inua injini kutoka kwenye mwili mkuu. Angalia muhuri kwenye njia ya kuingilia kwenye chumba cha feni. Muhuri huu unafaa kwa msuguano na huteleza nje ya nyumba.
Injini (Angalia mtazamo uliolipuka)
Huduma ya injini
Vipengele vinavyoweza kuhudumiwa vimeorodheshwa kwenye mchoro ulio hapo juu. Kushindwa kwa sehemu yoyote ambayo haijaorodheshwa kunahitaji uingizwaji wa injini nzima.
Feni
- Ondoa balbu ya taa kwa kuivuta moja kwa moja kutoka kwenye soketi.
- Ondoa skrubu nne ambazo zinabakiza chumba cha feni kwenye mkusanyiko wa kofia ya mwisho wa injini.
- Ondoa mkusanyiko wa kofia ya mwisho wa injini kwa kuitelezesha kutoka kwenye chumba cha feni na mkusanyiko wa nyumba ya injini.
- Ondoa muhuri wa mfereji ulioumbwa kwa kuitelezesha kutoka kwenye nyumba.
![]()
- Inua chumba cha feni na uondoe feni (nyuzi za LH)
Kwa wakati huu, umevunja muhuri wa rangi ya lateksi kati ya nyumba ya injini na kifuniko cha chumba cha feni. Ni muhimu kwamba mkanda wa alumini uwekwe mahali pake kama inavyoonyeshwa hapa chini.

Mkusanyiko wa kishikilia brashi ya injini
(Inabadilishwa kama mkusanyiko ambao unajumuisha brashi na kishikilia injini)
- Ondoa skrubu nne ambazo zinabakiza chumba cha feni kwenye mkusanyiko wa kofia ya mwisho wa injini.
- Telezesha chumba cha feni na mkusanyiko wa nyumba ya injini nje ya mkusanyiko wa kofia ya mwisho wa injini.
- Shika mikusanyiko ya kishikilia brashi ya injini kwa koleo na uitelezeshe nje ili kutoa muunganisho wa terminali.
Baada ya kuunganisha tena mikusanyiko mipya ya kishikilia brashi ya injini, weka vishikilia na uvitelezeshe mahali pake kuhakikisha muunganisho wa terminali ya uga na uendelee kuingiza hadi visimame.
Usishike nje ya kishikilia brashi na koleo kwani inaweza kuharibu kishikilia na kusababisha brashi ya kaboni kushikamana.

Swichi ya kuwasha/kuzima
- Ondoa feni.
- Ondoa vishikilia brashi.
- Ondoa armature.
- Ondoa mkusanyiko wa uga
- Ondoa blade ya terminali ya swichi/kamba ya kiambatisho.
![Maytag - LEGACY - Swichi ya kuwasha/kuzima Swichi ya kuwasha/kuzima]()
![]()
- Ondoa risasi ya upepo wa uga kutoka kwenye terminali ya swichi kwa kufungua muunganisho.
![]()
- Ondoa swichi kwa kulegeza vichupo vya shinikizo la swichi na kuifungua swichi nje ya kishikilia.
![]()
Kumbuka: Wakati wa kusakinisha swichi mpya, risasi ya upepo wa uga lazima ifungwe kwa usalama kwenye terminali sahihi ya swichi.
Orodha ya ukaguzi wa utatuzi
Legacy/Legacy II/Dimension/Dirt Finder
Ifuatayo ni mwongozo wa kusaidia katika kubaini asili ya tatizo ambalo miundo hii inaweza kuletwa kwa huduma.
| TATIZO | SABABU INAYOWEZEKANA | SULUHISHO INAYOWEZEKANA |
|
|
|
|
|
|
|
|
|
|
|
|
|
|
|
|
|
|
Sehemu hii inashughulikia matatizo yanayohusiana na kipengele cha Dirt Finder katika kitengo cha Dirt Finder.
| TATIZO | SABABU INAYOWEZEKANA | SULUHISHO INAYOWEZEKANA |
|
|
|
|
|
|
|
| |
Pakua mwongozo
Hapa unaweza kupakua toleo kamili la pdf la mwongozo, linaweza kujumuisha maelekezo ya ziada ya usalama, taarifa za udhamini, sheria za FCC, n.k.
Pakua Mwongozo wa Maytag LEGACY, LEGACY II, DIMENSION, DIRT FINDER








































