GIGABYTE GA-AX370-Gaming 5 - Motherboard Manual

GA-AX370-Gaming 5 Motherboard Layout

Box Contents
- GA-AX370-Gaming 5 motherboard
- Motherboard driver disk
- User's Manual
- Quick Installation Guide
- Four SATA cables
- Two Velcro Cable Ties
- I/O Shield
- One GC-SLI2P bridge connector
- One RGB (RGBW) LED strip extension cable
- One G Connector
- Two thermistor cables
* The box contents above are for reference only and the actual items shall depend on the product package you obtain.
The box contents are subject to change without notice.
Hardware Installation
Installation Precautions
The motherboard contains numerous delicate electronic circuits and components which can become damaged as a result of electrostatic discharge (ESD). Prior to installation, carefully read the user's manual and follow these procedures:
- Prior to installation, make sure the chassis is suitable for the motherboard.
- Prior to installation, do not remove or break motherboard S/N (Serial Number) sticker or warranty sticker provided by your dealer. These stickers are required for warranty validation.
- Always remove the AC power by unplugging the power cord from the power outlet before installing or removing the motherboard or other hardware components.
- When connecting hardware components to the internal connectors on the motherboard, make sure they are connected tightly and securely.
- When handling the motherboard, avoid touching any metal leads or connectors.
- It is best to wear an electrostatic discharge (ESD) wrist strap when handling electronic components such as a motherboard, CPU or memory. If you do not have an ESD wrist strap, keep your hands dry and first touch a metal object to eliminate static electricity.
- Prior to installing the motherboard, please have it on top of an antistatic pad or within an electrostatic shielding container.
- Before connecting or unplugging the power supply cable from the motherboard, make sure the power supply has been turned off.
- Before turning on the power, make sure the power supply voltage has been set according to the local voltage standard.
- Before using the product, please verify that all cables and power connectors of your hardware components are connected.
- To prevent damage to the motherboard, do not allow screws to come in contact with the motherboard circuit or its components.
- Make sure there are no leftover screws or metal components placed on the motherboard or within the computer casing.
- Do not place the computer system on an uneven surface.
- Do not place the computer system in a high-temperature or wet environment.
- Turning on the computer power during the installation process can lead to damage to system components as well as physical harm to the user.
- If you are uncertain about any installation steps or have a problem related to the use of the product, please consult a certified computer technician.
- If you use an adapter, extension power cable, or power strip, ensure to consult with its installation and/or grounding instructions.
Product Specifications
CPU |
|
Chipset |
|
Memory |
|
Onboard Graphics |
|
Audio |
|
LAN |
|
Expansion Slots |
|
Storage Interface |
|
Multi-Graphics Technology |
|
USB |
|
Internal Connectors |
|
Back Panel Connectors |
|
I/O Controller |
|
Hardware Monitor |
|
BIOS |
|
Unique Features |
|
Bundled Software |
|
Operating System |
|
Form Factor |
|
(Note) Actual support may vary by CPU.
* GIGABYTE reserves the right to make any changes to the product specifications and product-related information without prior notice.
Installing the CPU
Read the following guidelines before you begin to install the CPU:
- Make sure that the motherboard supports the CPU. (Go to GIGABYTE's website for the latest CPU support list.)
- Always turn off the computer and unplug the power cord from the power outlet before installing the CPU to prevent hardware damage.
- Locate the pin one of the CPU. The CPU cannot be inserted if oriented incorrectly. (Or you may locate the notches on both sides of the CPU and alignment keys on the CPU socket.)
- Apply an even and thin layer of thermal grease on the surface of the CPU.
- Do not turn on the computer if the CPU cooler is not installed, otherwise overheating and damage of the CPU may occur.
- Set the CPU host frequency in accordance with the CPU specifications. It is not recommended that the system bus frequency be set beyond hardware specifications since it does not meet the standard requirements for the peripherals. If you wish to set the frequency beyond the standard specifications, please do so according to your hardware specifications including the CPU, graphics card, memory, hard drive, etc.
Installing the CPU
Locate the pin one (denoted by a small triangle) of the CPU socket and the CPU.

Installing the Memory
- Make sure that the motherboard supports the memory. It is recommended that memory of the same capacity, brand, speed, and chips be used. (Go to GIGABYTE's website for the latest supported memory speeds and memory modules.)
- Always turn off the computer and unplug the power cord from the power outlet before installing the memory to prevent hardware damage.
- Memory modules have a foolproof design. A memory module can be installed in only one direction. If you are unable to insert the memory, switch the direction.
Dual Channel Memory Configuration
This motherboard provides four memory sockets and supports Dual Channel Technology. After the memory is installed, the BIOS will automatically detect the specifications and capacity of the memory. Enabling Dual Channel memory mode will double the original memory bandwidth. The four memory sockets are divided into two channels and each channel has two memory sockets as following:
Channel A: DDR4_2, DDR4_4
Channel B: DDR4_1, DDR4_3
Please visit GIGABYTE's website for support lists of CPU, memory modules, SSDs, M.2, and U.2 devices.

Please visit the Support\Utility List page on GIGABYTE's website to download the latest version of apps.

Dual Channel Memory Configurations Table:
| DDR4_4 | DDR4_2 | DDR4_3 | DDR4_1 | |
| Two Modules | - - | DS/SS | - - | DS/SS |
| DS/SS | - - | DS/SS | - - | |
| Four Modules | DS/SS | DS/SS | DS/SS | DS/SS |
(SS=Single-Sided, DS=Double-Sided, "- -"=No Memory)
Due to CPU limitations, read the following guidelines before installing the memory in Dual Channel mode.
- Dual Channel mode cannot be enabled if only one memory module is installed.
- When enabling Dual Channel mode with two or four memory modules, it is recommended that memory of the same capacity, brand, speed, and chips be used and installed in the same colored sockets. For optimum performance, when enabling Dual Channel mode with two memory modules, we recommend that you install them in the DDR4_1 and DDR4_2 sockets.
Installing an Expansion Card
Read the following guidelines before you begin to install an expansion card:
- Make sure the motherboard supports the expansion card. Carefully read the manual that came with your expansion card.
- Always turn off the computer and unplug the power cord from the power outlet before installing an expansion card to prevent hardware damage.
Back Panel Connectors

- PS/2 Keyboard/Mouse Port
Use this port to connect a PS/2 mouse or keyboard. - USB 3.1 Gen 1 Port
The USB 3.1 Gen 1 port supports the USB 3.1 Gen 1 specification and is compatible to the USB 2.0 specification. You can connect a USB DAC to this port or use this port for USB devices. - USB 3.1 Gen 1 Port
The USB 3.1 Gen 1 port supports the USB 3.1 Gen 1 specification and is compatible to the USB 2.0 specification. Use this port for USB devices. - HDMI Port
![]()
The HDMI port is HDCP compliant and supports Dolby TrueHD and DTS HD Master Audio formats. It also supports up to 192 KHz/24bit 8-channel LPCM audio output. You can use this port to connect your HDMI-supported monitor. The maximum supported resolution is 4096x2160@24 Hz, but the actual resolutions supported are dependent on the monitor being used.
![]()
After installing the HDMI device, make sure to set the default sound playback device to HDMI. (The item name may differ depending on your operating system.)
Please visit GIGABYTE's website for details on hardware installation.
![]()
- USB 3.1 Gen 2 Type-A Port (Red)
The USB 3.1 Gen 2 Type-A port supports the USB 3.1 Gen 2 specification and is compatible to the USB 3.1 Gen 1 and USB 2.0 specification. Use this port for USB devices. - USB Type-C ™ Port
The reversible USB port supports the USB 3.1 Gen 2 specification and is compatible to the USB 3.1 Gen 1 and USB 2.0 specification. Use this port for USB devices. - RJ-45 LAN Port (LAN2)
The Gigabit Ethernet LAN port provides Internet connection at up to 1 Gbps data rate. The following describes the states of the LAN port LEDs.
![]()
Connection/Speed LED:
Activity LED:State Description Orange 1 Gbps data rate Green 100 Mbps data rate Off 10 Mbps data rate State Description Blinking Data transmission or receiving is occurring Off No data transmission or receiving is occurring -
RJ-45 LAN Port (LAN1)
The Gigabit Ethernet LAN port provides Internet connection at up to 1 Gbps data rate. The following describes the states of the LAN port LEDs.
![]()
Connection/Speed LED:State Description Orange 1 Gbps data rate Green 100 Mbps data rate Off 10 Mbps data rate Activity LED:
State Description Blinking Data transmission or receiving is occurring On No data transmission or receiving is occurring -
Center/Subwoofer Speaker Out
Use this audio jack to connect center/subwoofer speakers in a 5.1/7.1-channel audio configuration. -
Rear Speaker Out
This jack can be used to connect rear speakers in a 4/5.1/7.1-channel audio configuration. -
Optical S/PDIF Out Connector
This connector provides digital audio out to an external audio system that supports digital optical audio. Before using this feature, ensure that your audio system provides an optical digital audio in connector. -
Line In
The line in jack. Use this audio jack for line in devices such as an optical drive, walkman, etc. -
Line Out
The line out jack. This jack supports audio amplifying function. For better sound quality, it is recommended that you connect your headphone/speaker to this jack (actual effects may vary by the device being used). Use this audio jack for a headphone or 2-channel speaker. This jack can be used to connect front speakers in a 4/5.1/7.1-channel audio configuration. -
Mic In
The Mic in jack.

- To enable or configure the audio amplifying function for the Line out jack, please access the HD Audio Manager application.
- If you want to install a Side Speaker, you need to retask either the Line in or Mic in jack to be Side Speaker out using the HD Audio Manager application.
- Please visit GIGABYTE's website for more audio software information.
- When removing the cable connected to a back panel connector, first remove the cable from your device and then remove it from the motherboard.
- When removing the cable, pull it straight out from the connector. Do not rock it side to side to prevent an electrical short inside the cable connector.
Onboard Buttons, Switches and LEDs
BIOS Switches and BIOS LED Indicators
The BIOS switch (BIOS_SW) allows users to easily select a different BIOS for boot up or overclocking, helping to reduce BIOS failure during overclocking. The DualBIOS™ (SB) switch allows for enabling or disabling of the _ DualBIOS™ function. The LED indicator (MBIOS_LED/BBIOS_LED) shows which BIOS is active.
BIOS_SW
![]() | 1: Main BIOS (Boot from the main BIOS) |
![]() | 2: Backup BIOS (Boot from the backup BIOS) |
SB
![]() | 1: Dual BIOS |
![]() | 2: Single BIOS |
BIOS LED Indicators:
MBIOS_LED (The main BIOS is active)
BBIOS_LED (The backup BIOS is active)
CPU/VGA/DRAM/BOOT (Status LEDs)
The status LEDs show whether the CPU, graphics card, memory, and operating system are working properly after system power-on. If the CPU/VGA/DRAM LED is on, that means the corresponding device is not working normally; if the BOOT LED is on, that means you haven't entered the operating system yet.

CPU: CPU status LED
VGA: Graphics card status LED
DRAM: Memory status LED
BOOT: Operating system status LED
Quick Buttons
This motherboard has 3 quick buttons: power button, reset button and clear CMOS button. The power button and reset button allow users to quickly turn on/off or reset the computer in an open-case environment when they want to change hardware components or conduct hardware testing. Use this button to clear the BIOS configuration and reset the CMOS values to factory defaults when needed.
PW_SW: Power Button
RST_SW: Reset Button
CMOS_SW: Clear CMOS Button
- Always turn off your computer and unplug the power cord from the power outlet before clearing the CMOS values.
- NOTE: Do not use the clear CMOS button when the system is on, or the system may shutdown and data loss or damage may occur.
- After system restart, go to BIOS Setup to load factory defaults (select Load Optimised Defaults) or manually configure the BIOS settings (refer to Chapter "BIOS Setup," for BIOS configurations).
OC Button
The OC button helps enthusiasts and overclockers not only get the most performance from their hardware, but also the absolute most enjoyable OC experience.
OC Button: Press this button to load the most optimised GIGABYTE overclocking configuration for your hardware.
Internal Connectors

- ATX_12V
- ATX
- CPU_FAN
- SYS_FAN1/2/3/4
- CPU_OPT
- SYS_FAN5_PUMP/SYS_FAN6_PUMP
- EC_TEMP1/EC_TEMP2
- LED_C1
- LED_C2
- SATA EXPRESS
- SATA3 0/1/2/3/4/5/6/7
- U2_32G
- M2F_32G
- F_PANEL
- F_AUDIO
- SPDIF_O
- F_USB30_1/F_USB30_2
- F_USB1/F_USB2
- TPM
- BAT
- CLR_CMOS
Read the following guidelines before connecting external devices:
- First make sure your devices are compliant with the connectors you wish to connect.
- Before installing the devices, be sure to turn off the devices and your computer. Unplug the power cord from the power outlet to prevent damage to the devices.
- After installing the device and before turning on the computer, make sure the device cable has been securely attached to the connector on the motherboard.
1/2) ATX_12V/ATX (2x4 12V Power Connector and 2x12 Main Power Connector)
With the use of the power connector, the power supply can supply enough stable power to all the components on the motherboard. Before connecting the power connector, first make sure the power supply is turned off and all devices are properly installed. The power connector possesses a foolproof design. Connect the power supply cable to the power connector in the correct orientation. The 12V power connector mainly supplies power to the CPU. If the 12V power connector is not connected, the computer will not start.

To meet expansion requirements, it is recommended that a power supply that can withstand high power consumption be used (500W or greater). If a power supply is used that does not provide the required power, the result can lead to an unstable or unbootable system.

| Pin No. | Definition | Pin No. | Definition |
| 1 | GND (Only for 2x4-pin 12V) | 5 | +12V (Only for 2x4-pin 12V) |
| 2 | GND (Only for 2x4-pin 12V) | 6 | +12V (Only for 2x4-pin 12V) |
| 3 | GND | 7 | +12V |
| 4 | GND | 8 | +12V |

| Pin No. | Definition | Pin No. | Definition |
| 1 | 3.3V | 13 | 3.3V |
| 2 | 3.3V | 14 | -12V |
| 3 | GND | 15 | GND |
| 4 | +5V | 16 | PS_ON (soft On/Off) |
| 5 | GND | 17 | GND |
| 6 | +5V | 18 | GND |
| 7 | GND | 19 | GND |
| 8 | Power Good | 20 | NC |
| 9 | 5VSB (stand by +5V) | 21 | +5V |
| 10 | +12V | 22 | +5V |
| 11 | +12V (Only for 2x12-pin ATX) | 23 | +5V (Only for 2x12-pin ATX) |
| 12 | 3.3V (Only for 2x12-pin ATX) | 24 | GND (Only for 2x12-pin ATX) |
3/4) CPU_FAN/SYS_FAN1/2/3/4 (Fan Headers)
All fan headers on this motherboard are 4-pin. Most fan headers possess a foolproof insertion design. When connecting a fan cable, be sure to connect it in the correct orientation (the black connector wire is the ground wire). The speed control function requires the use of a fan with fan speed control design. For optimum heat dissipation, it is recommended that a system fan be installed inside the chassis.

| Pin No. | Definition |
| 1 | GND |
| 2 | Voltage Speed Control |
| 3 | Sense |
| 4 | PWM Speed Control |
- CPU_OPT (Water Cooling CPU Fan Header)
The fan header is 4-pin and possesses a foolproof insertion design. Most fan headers possess a foolproof insertion design. When connecting a fan cable, be sure to connect it in the correct orientation (the black connector wire is the ground wire). The speed control function requires the use of a fan with fan speed control design.
Pin No. Definition 1 GND 2 Voltage Speed Control 3 Sense 4 PWM Speed Control
- SYS_FAN5_PUMP/SYS_FAN6_PUMP (System Fan/Water Cooling Pump Headers)
The fan/pump headers are 4-pin. Most fan headers possess a foolproof insertion design. When connecting a fan cable, be sure to connect it in the correct orientation (the black connector wire is the ground wire). The speed control function requires the use of a fan with fan speed control design. For optimum heat dissipation, it is recommended that a system fan be installed inside the chassis. The headers also provides speed control for a water cooling pump, refer to Chapter "BIOS Setup," "M.I.T.," for more information
Pin No. Definition 1 GND 2 Voltage Speed Control 3 Sense 4 PWM Speed Control
- Be sure to connect fan cables to the fan headers to prevent your CPU and system from overheating. Overheating may result in damage to the CPU or the system may hang.
- These fan headers are not configuration jumper blocks. Do not place a jumper cap on the headers.
- EC_TEMP1/EC_TEMP2 (Temperature Sensor Headers)
Connect the thermistor cables to the headers for temperature detection.
Pin No. Definition 1 SENSOR IN 2 GND
- LED_C1 (CPU Cooler LED Strip/RGB LED Strip Extension Cable Header)
The header can be used to connect a CPU cooler LED strip or a standard 5050 RGB LED strip (12V/G/R/B), with maximum power rating of 2A (12V) and maximum length of 2m.
Pin No. Definition 1 12V 2 G 3 R 4 B
Connecting the CPU cooler LED strip:
Connect the connector of the CPU cooler LED strip (marked with an arrow) to Pin 1 (12V) of this header.
Connecting the standard LED strip: Connect one end of the RGB LED strip extension cable to the header and the other end to your RGB LED strip. The black wire (marked with a triangle on the plug) of the extension cable must be connected to Pin 1 (12V) of this header. The 12V pin (marked with an arrow) on the other end of the extension cable must be lined up with the 12V of the LED strip. Be careful with the connection orientation of the LED strip; incorrect connection may lead to the damage of the LED strip.

- LED_C2 (RGB (RGBW) LED Strip Extension Cable Header)
The header can be used to connect a standard 5050 RGB (RGBW) LED strip (12V/G/R/B/W), with maximum power rating of 2A (12V) and maximum length of 2m.
Connect one end of the RGB (RGBW) LED strip extension cable to the header and the other end to your RGB (RGBW) LED strip. The black wire (marked with a triangle on the plug) of the extension cable must be connected to Pin 1 (12V) of this header. The 12V pin (marked with an arrow) on the other end of the extension cable must be lined up with the 12V of the LED strip. Be careful with the connection orientation of the LED strip; incorrect connection may lead to the damage of the LED strip.
Pin No. Definition 1 12V 2 G 3 R 4 B 5 W Before installing the devices, be sure to turn off the devices and your computer. Unplug the power cord from the power outlet to prevent damage to the devices.
![]()
For how to turn on/off the lights of the RGB (RGBW) LED strip, refer to the instructions on in Chapter "BIOS Setup."
- SATA EXPRESS (SATA Express Connectors)
Each SATA Express connector supports a single SATA Express device.
![]()
- SATA3 0/1/2/3/4/5/6/7 (SATA 6Gb/s Connectors)
The SATA connectors conform to SATA 6Gb/s standard and are compatible with SATA 3Gb/s and SATA 1.5Gb/s standard. Each SATA connector supports a single SATA device. The AMD Chipset supports RAID 0, RAID 1, and RAID 10. Refer to Chapter "Configuring a RAID Set," for instructions on configuring a RAID array.
Pin No. Definition 1 GND 2 TXP 3 TXN 4 GND 5 RXN 6 RXP 7 GND
- U2_32G (U.2 Connector)
The U.2 connector supports a single U.2 device.
![]()
- M2F_32G (M.2 Socket 3 Connector)
The M.2 connector supports M.2 SATA SSDs and M.2 PCIe SSDs and supports SATA RAID configuration through the AMD Chipset. Please note that an M.2 PCIe SSD cannot be used to create a RAID array. to Chapter "Configuring a RAID Set," for instructions on configuring a RAID array.
- Use a screw driver to unfasten the screw and nut from the motherboard. Locate the proper mounting hole for the M.2 SSD to be installed and then screw the nut first.
- Slide the M.2 SSD into the connector at an angle.
- Press the M.2 SSD down and then secure it with the screw.
![]()
Select the proper hole for the M.2 SSD to be installed and refasten the screw and nut.
Installation Notices for the M2F_32G and SATA Connectors:
Due to the limited number of lanes provided by the Chipset, the availability of the SATA connectors may be affected by the type of devices installed in the M2F_32G connector. The M2F_32G connector shares bandwidth with the SATA3 3 connector. Refer to the following table for details.
| Type of M.2 SSD/Connector | SATA3 0 | SATA3 1 | SATA3 2 | SATA3 3 | SATA3 4 | SATA3 5 | SATA3 6 | SATA3 7 |
| M.2 SATA SSD | ![]() | | ![]() | ![]() | ![]() | ![]() | ![]() | ![]() |
| M.2 PCIe x4 SSD* | ![]() | ![]() | ![]() | ![]() | ![]() | ![]() | ![]() | ![]() |
| M.2 PCIe x2 SSD | ![]() | ![]() | ![]() | ![]() | ![]() | ![]() | ![]() | ![]() |
| No M.2 SSD Installed | ![]() | ![]() | ![]() | ![]() | ![]() | ![]() | ![]() | ![]() |
: Available,
: Not available
* For AMD Ryzen ™ processor only.
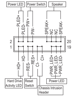
- F_PANEL (Front Panel Header)
Connect the power switch, reset switch, speaker, chassis intrusion switch/sensor and system status indicator on the chassis to this header according to the pin assignments below. Note the positive and negative pins before connecting the cables.
- PLED/PWR_LED (Power LED, Yellow/Purple):
System Status LED S0 On S3/S4/S5 Off Connects to the power status indicator on the chassis front panel. The LED is on when the system is operating. The LED is off when the system is in S3/S4 sleep state or powered off (S5).
- PW (Power Switch, Red): Connects to the power switch on the chassis front panel. You may configure the way to turn off your system using the power switch (refer to Chapter "BIOS Setup," "Power," for more information).
- SPEAK (Speaker, Orange): Connects to the speaker on the chassis front panel. The system reports system startup status by issuing a beep code. One single short beep will be heard if no problem is detected at system startup.
- HD (Hard Drive Activity LED, Blue): Connects to the hard drive activity LED on the chassis front panel. The LED is on when the hard drive is reading or writing data.
- RES (Reset Switch, Green): Connects to the reset switch on the chassis front panel. Press the reset switch to restart the computer if the computer freezes and fails to perform a normal restart.
- CI (Chassis Intrusion Header, Gray): Connects to the chassis intrusion switch/sensor on the chassis that can detect if the chassis cover has been removed. This function requires a chassis with a chassis intrusion switch/sensor.
- NC (Orange): No Connection.
![]()
The front panel design may differ by chassis. A front panel module mainly consists of power switch, reset switch, power LED, hard drive activity LED, speaker and etc. When connecting your chassis front panel module to this header, make sure the wire assignments and the pin assignments are matched correctly.
- F_AUDIO (Front Panel Audio Header)
The front panel audio header supports Intel High Definition audio (HD) and AC'97 audio. You may connect your chassis front panel audio module to this header. Make sure the wire assignments of the module connector match the pin assignments of the motherboard header. Incorrect connection between the module connector and the motherboard header will make the device unable to work or even damage it.
![]()
For HD Front Panel Audio:
For AC'97 Front Panel Audio:Pin No. Definition 1 MIC2_L 2 GND 3 MIC2_R 4 NC 5 LINE2_R 6 Sense 7 FAUDIO_JD 8 No Pin 9 LINE2_L 10 Sense Pin No. Definition 1 MIC 2 GND 3 MIC Power 4 NC 5 Line Out (R) 6 NC 7 NC 8 No Pin 9 Line Out (L) 10 NC
![]()
- The front panel audio header supports HD audio by default.
- Audio signals will be present on both of the front and back panel audio connections simultaneously.
- Some chassis provide a front panel audio module that has separated connectors on each wire instead of a single plug. For information about connecting the front panel audio module that has different wire assignments, please contact the chassis manufacturer.
- PLED/PWR_LED (Power LED, Yellow/Purple):
- SPDIF_O (S/PDIF Out Header)
This header supports digital S/PDIF Out and connects a S/PDIF digital audio cable (provided by expansion cards) for digital audio output from your motherboard to certain expansion cards like graphics cards and sound cards. For example, some graphics cards may require you to use a S/PDIF digital audio cable for digital audio output from your motherboard to your graphics card if you wish to connect an HDMI display to the graphics card and have digital audio output from the HDMI display at the same time. For information about connecting the S/PDIF digital audio cable, carefully read the manual for your expansion card.
Pin No. Definition 1 SPDIFO 2 GND
- F_USB30_1/F_USB30_2 (USB 3.1 Gen 1 Headers)
The headers conform to USB 3.1 Gen 1 and USB 2.0 specification and can provide two USB ports. For purchasing the optional 3.5" front panel that provides two USB 3.1 Gen 1 ports, please contact the local dealer.
Pin No. Definition Pin No. Definition 1 VBUS 11 D2+ 2 SSRX1- 12 D2- 3 SSRX1+ 13 B S S GND 4 GND 14 SSTX2+ 5 SSTX1- 15 SSTX2- 6 SSTX1+ 16 GND 7 GND 17 SSRX2+ 8 D1- 18 SSRX2- 9 D1+ 19 VBUS 10 NC 20 S No Pin
- F_USB1/F_USB2 (USB 2.0/1.1 Headers)
The headers conform to USB 2.0/1.1 specification. Each USB header can provide two USB ports via an optional USB bracket. For purchasing the optional USB bracket, please contact the local dealer.
Pin No. Definition Pin No. Definition 1 Power (5V) 6 USB DY+ 2 Power (5V) 7 GND 3 USB DX- 8 GND 4 USB DY- 9 No Pin 5 USB DX+ 10 NC - Do not plug the IEEE 1394 bracket (2x5-pin) cable into the USB 2.0/1.1 header.
- Prior to installing the USB bracket, be sure to turn off your computer and unplug the power cord from the power outlet to prevent damage to the USB bracket.
- TPM (Trusted Platform Module Header)
You may connect a TPM (Trusted Platform Module) to this header.
Pin No. Definition Pin No. Definition 1 LCLK 11 LAD0 2 GND 12 GND 3 LFRAME 13 NC 4 No Pin 14 NC 5 LRESET 15 SB3V 6 NC 16 SERIRQ 7 LAD3 17 GND 8 LAD2 18 NC 9 VCC3 19 NC 10 LAD1 20 NC
- BAT (Battery)
The battery provides power to keep the values (such as BIOS configurations, date, and time information) in the CMOS when the computer is turned off. Replace the battery when the battery voltage drops to a low level, or the CMOS values may not be accurate or may be lost.
You may clear the CMOS values by removing the battery:
- Turn off your computer and unplug the power cord.
- Gently remove the battery from the battery holder and wait for one minute. (Or use a metal object like a screwdriver to touch the positive and negative terminals of the battery holder, making them short for 5 seconds.)
- Replace the battery.
- Plug in the power cord and restart your computer. S F
- Always turn off your computer and unplug the power cord before replacing the battery.
- Replace the battery with an equivalent one. Danger of explosion if the battery is replaced with an incorrect model.
- Contact the place of purchase or local dealer if you are not able to replace the battery by yourself or uncertain about the battery model.
- When installing the battery, note the orientation of the positive side (+) and the negative side (-) B_ _ of the battery (the positive side should face up).
- Used batteries must be handled in accordance with local environmental regulations.
- CLR_CMOS (Clear CMOS Jumper)
Use this jumper to clear the BIOS configuration and reset the CMOS values to factory defaults. To clear the CMOS values, use a metal object like a screwdriver to touch the two pins for a few seconds.![]()
Open: Normal ![]()
Short: Clear CMOS Values - Always turn off your computer and unplug the power cord from the power outlet before clearing the CMOS values.
- After system restart, go to BIOS Setup to load factory defaults (select Load Optimized Defaults) or manually configure the BIOS settings (refer to Chapter "BIOS Setup," for BIOS configurations).
BIOS Setup
BIOS (Basic Input and Output System) records hardware parameters of the system in the CMOS on the motherboard. Its major functions include conducting the Power-On Self-Test (POST) during system startup, saving system parameters and loading operating system, etc. BIOS includes a BIOS Setup program that allows the user to modify basic system configuration settings or to activate certain system features. When the power is turned off, the battery on the motherboard supplies the necessary power to the CMOS to keep the configuration values in the CMOS. To access the BIOS Setup program, press the <Delete> key during the POST when the power is turned on. To upgrade the BIOS, use either the GIGABYTE Q-Flash or @BIOS utility.
- Q-Flash allows the user to quickly and easily upgrade or back up BIOS without entering the operating system.
- @BIOS is a Windows-based utility that searches and downloads the latest version of BIOS from the Internet and updates the BIOS.
- Because BIOS flashing is potentially risky, if you do not encounter problems using the current version of BIOS, it is recommended that you not flash the BIOS. To flash the BIOS, do it with caution. Inadequate BIOS flashing may result in system malfunction.
- It is recommended that you not alter the default settings (unless you need to) to prevent system instability or other unexpected results. Inadequately altering the settings may result in system's failure to boot. If this occurs, try to clear the CMOS values and reset the board to default values. (Refer to the "Load Optimised Defaults" section in this chapter or introductions of the battery/clear CMOS jumper in Chapter "Hardware Installation" for how to clear the CMOS values.)
Startup Screen
The following startup Logo screen will appear when the computer boots.
(Sample BIOS Version: D5)

There are two different BIOS modes as follows and you can use the <F2> key to switch between the two modes. The Classic Setup mode provides detailed BIOS settings. You can press the arrow keys on your keyboard to move among the items and press <Enter> to accept or enter a sub-menu. Or you can use your mouse to select the item you want. Easy Mode allows users to quickly view their current system information or to make adjustments for optimum performance. In Easy Mode, you can use your mouse to move through configuration items.

- When the system is not stable as usual, select the Load Optimized Defaults item to set your system to its defaults.
- The BIOS Setup menus described in this chapter are for reference only and may differ by BIOS version.
M.I.T.

Whether the system will work stably with the overclock/overvoltage settings you made is dependent on your overall system configurations. Incorrectly doing overclock/overvoltage may result in damage to CPU, chipset, or memory and reduce the useful life of these components. This page is for advanced users only and we recommend you not to alter the default settings to prevent system instability or other unexpected results. (Inadequately altering the settings may result in system's failure to boot. If this occurs, clear the CMOS values and reset the board to default values.)
- Advanced Frequency Settings
Host Clock Value
Displays the current operating Host Clock frequency.
CPU Clock Ratio
Allows you to alter the clock ratio for the installed CPU. The adjustable range is dependent on the CPU being installed.
CPU Frequency
Displays the current operating CPU frequency. - Advanced CPU Core Settings
CPU Clock Ratio, CPU Frequency
The settings above are synchronous to those under the same items on the Advanced Frequency Settings menu.
Core Performance Boost Ratio (Note)
Allows you alter the ratio for the CPB. The adjustable range is dependent on the CPU being installed. (Default: Auto)
Core Performance Boost (Note)
Allows you to determine whether to enable the Core Performance Boost (CPB) technology, a CPU performance-boost technology. (Default: Auto)
Turbo Performance Boost Ratio (Note)
Allows you to determine whether to improve CPU performance. (Default: Disabled)
AMD Cool&Quiet function
EnabledLets the AMD Cool'n'Quiet driver dynamically adjust the CPU clock and VID to reduce heat output from your computer and its power consumption. (Default)
DisabledDisables this function.
SVM Mode
Virtualisation enhanced by Virtualisation Technology will allow a platform to run multiple operating systems and applications in independent partitions. With Virtualisation, one computer system can function as multiple virtual systems. (Default: Enabled)
C6 Mode (Note 1)
A llows you to determine whether to let the CPU enter C6 mode in system halt state. When enabled, the CPU core frequency will be reduced during system halt state to decrease power consumption. The C6 state is a more enhanced power-saving state than C1. (Default: Enabled)
Global C-state Control (Note 1)
Allows you to determine whether to let the CPU enter C states. When enabled, the CPU core frequency will be reduced during system halt state to decrease power consumption. (Default: Enabled)
SMT Mode (Note 1)
Allows you to enable or disable the CPU Simultaneous Multi-Threading technology. This feature only works for operating systems that support multi-processor mode. Auto lets the BIOS automatically configure this setting. (Default: Auto)
Downcore Control (Note 1)
Allows you to select the number of CPU cores to enable (the number of CPU cores may vary by CPU). Auto lets the BIOS automatically configure this setting. (Default: Auto)
Extreme Memory Profile (X.M.P.) (Note 2)
Allows the BIOS to read the SPD data on XMP memory module(s) to enhance memory performance when enabled.
DisabledDisables this function. (Default)
Profile1 Uses Profile 1 settings.
Profile2 (Note 2)Uses Profile 2 settings.
System Memory Multiplier
Allows you to set the system memory multiplier. Auto sets memory multiplier according to memory SPD data. (Default: Auto)
Memory Frequency (MHz)
The first memory frequency value is the normal operating frequency of the memory being used; the second is the memory frequency that is automatically adjusted according to the System Memory Multiplier settings. -
Advanced Memory Settings
Extreme Memory Profile (X.M.P.) (Note 2) , System Memory Multiplier, Memory Frequency(Mhz)
The settings above are synchronous to those under the same items on the Advanced Frequency Settings menu.
Memory Timing Mode
Manual and Advanced Manual allows the Channel Interleaving, Rank Interleaving, and memory timing settings below to be configurable. Options are: Auto (default), Manual, Advanced Manual.
Profile DDR Voltage
When using a non-XMP memory module or Extreme Memory Profile (X.M.P.) is set to Disabled, the value is displayed according to your memory specification. When Extreme Memory Profile (X.M.P.) is set to Profile1 or Profile2, the value is displayed according to the SPD data on the XMP memory.
Channel Interleaving
Enables or disables memory channel interleaving. Enabled allows the system to simultaneously access different channels of the memory to increase memory performance and stability. (Default: Auto)
Rank Interleaving
Enables or disables memory rank interleaving. Enabled allows the system to simultaneously access different ranks of the memory to increase memory performance and stability. (Default: Auto) -
Channel A/B Memory Sub Timings
This sub-menu provides memory timing settings for each channel of memory. The respective timing setting screens are configurable only when Memory Timing Mode is set to Manual or Advanced Manual. Note: Your system may become unstable or fail to boot after you make changes on the memory timings. If this occurs, please reset the board to default values by loading optimised defaults or clearing the CMOS values. -
Advanced Voltage Settings
This sub-menu allows you to set CPU, chipset and memory voltages. -
PC Health Status
Reset Case Open Status
DisabledKeeps or clears the record of previous chassis intrusion status. (Default)
EnabledClears the record of previous chassis intrusion status and the Case Open field will show "No" at next boot.
Case Open
Displays the detection status of the chassis intrusion detection device attached to the motherboard CI header. If the system chassis cover is removed, this field will show "Yes", otherwise it will show "No". To clear the chassis intrusion status record, set Reset Case Open Status to Enabled, save the settings to the CMOS, and then restart your system.
CPU Vcore/CPU VDDP/CPU VDD18/DDRVtt A/B/DRAM Channel A/B Voltage/DDRVpp A/B/+3.3V/+5V/CHIPSET Core/+12V/VCORE SOC
Displays the current system voltages. -
Miscellaneous Settings
PCIe Slot Configuration
Allows you to set the operation mode of the PCI Express slots to Gen 1, Gen 2, or Gen 3. Actual operation mode is subject to the hardware specification of each slot. Auto lets the BIOS automatically configure this setting. (Default: Auto)
3DMark01 Enhancement
Allows you to determine whether to enhance some legacy benchmark performance. (Default: Disabled) -
Smart Fan 5 Settings
Monitor
Allows you to select a target to monitor and to make further adjustment. (Default: CPU FAN)
Fan Speed Control
Allows you to determine whether to enable the fan speed control function and adjust the fan speed.
NormalAllows the fan to run at different speeds according to the temperature. You can adjust the fan speed with System Information Viewer based on your system requirements. (Default)
SilentAllows the fan to run at slow speeds.
ManualAllows you to control the fan speed in the curve graph.
Full SpeedAllows the fan to run at full speeds.
Fan Control Use Temperature Input
Allows you to select the reference temperature for fan speed control.
Temperature Interval
Allows you to select the temperature interval for fan speed change.
Fan/Pump Control Mode
Auto | Lets the BIOS automatically detect the type of fan/pump installed and sets the optimal control mode. (Default) |
Voltage | Voltage mode is recommended for a 3-pin fan/pump. |
PWM | PWM mode is recommended for a 4-pin fan/pump. |
Temperature
Displays the current temperature of the selected target area.
Fan Speed
Displays current fan/pump speeds.
Temperature Warning Control
Sets the warning threshold for temperature. When temperature exceeds the threshold, BIOS will emit warning sound. Options are: Disabled (default), 60º C/140º F, 70º C/158º F, 80º C/176º F, 90º C/194º F.
Fan/Pump Fail Warning
Allows the system to emit warning sound if the fan/pump is not connected or fails. Check the fan/pump condition or fan/pump connection when this occurs. (Default: Disabled)
(Note) This item is present only when you install a CPU that supports this feature.
(Note 1) This item is present only when you install a CPU that supports this feature.
(Note 2) This item is present only when you install a CPU and a memory module that support this feature.
System

This section provides information on your motherboard model and BIOS version. You can also select the default language used by the BIOS and manually set the system time.
System Language
Selects the default language used by the BIOS.
System Date
Sets the system date. The date format is week (read-only), month, date, and year. Use <Enter> to switch between the Month, Date, and Year fields and use the <Page Up> or <Page Down> key to set the desired value.
System Time
Sets the system time. The time format is hour, minute, and second. For example, 1 p.m. is 13:00:00. Use <Enter> to switch between the Hour, Minute, and Second fields and use the <Page Up> or <Page Down> key to set the desired value.
Access Level
Displays the current access level depending on the type of password protection used. (If no password is set, the default will display as Administrator.) The Administrator level allows you to make changes to all BIOS settings; the User level only allows you to make changes to certain BIOS settings but not all.
BIOS

Boot Option Priorities
Specifies the overall boot order from the available devices. Removable storage devices that support GPT format will be prefixed with "UEFI:" string on the boot device list. To boot from an operating system that supports GPT partitioning, select the device prefixed with "UEFI:" string. Or if you want to install an operating system that supports GPT partitioning such as Windows 7 64-bit, select the optical drive that contains the Windows 7 64-bit installation disk and is prefixed with "UEFI:" string.
Hard Drive/CD/DVD ROM Drive/Floppy Drive/Network Device BBS Priorities
Specifies the boot order for a specific device type, such as hard drives, optical drives, floppy disk drives, and devices that support Boot from LAN function, etc. Press <Enter> on this item to enter the submenu that presents the devices of the same type that are connected. This item is present only if at least one device for this type is installed.
Bootup NumLock State
Enables or disables Numlock feature on the numeric keypad of the keyboard after the POST. (Default: On)
Security Option
Specifies whether a password is required every time the system boots, or only when you enter BIOS Setup. After configuring this item, set the password(s) under the Administrator Password/User Password item.
Setup | A password is only required for entering the BIOS Setup program. |
System | A password is required for booting the system and for entering the BIOS Setup program. (Default) |
Full Screen LOGO Show
Allows you to determine whether to display the GIGABYTE Logo at system startup. Disabled skips the GIGABYTE Logo when the system starts up. (Default: Enabled)
Fast Boot
Enables or disables Fast Boot to shorten the OS boot process. Ultra Fast provides the fastest bootup speed. (Default: Disabled)
SATA Support
All Sata Devices | All SATA devices are functional in the operating system and during the POST. |
Last Boot HDD Only | Except for the previous boot drive, all SATA devices are disabled before the OS boot process completes. (Default) |
This item is configurable only when Fast Boot is set to Enabled or Ultra Fast.
VGA Support
Allows you to select which type of operating system to boot.
Auto | Enables legacy option ROM only. |
EFI Driver | Enables EFI option ROM. (Default) |
This item is configurable only when Fast Boot is set to Enabled or Ultra Fast.
USB Support
Disabled | All USB devices are disabled before the OS boot process completes. |
Full Initial | All USB devices are functional in the operating system and during the POST. (Default) |
Partial Initial | Part of the USB devices are disabled before the OS boot process completes. |
This item is configurable only when Fast Boot is set to Enabled. This function is disabled when Fast Boot is set to Ultra Fast.
PS2 Devices Support
Disabled | All PS/2 devices are disabled before the OS boot process completes. |
Enabled | All PS/2 devices are functional in the operating system and during the POST. (Default) |
This item is configurable only when Fast Boot is set to Enabled. This function is disabled when Fast Boot is set to Ultra Fast.
NetWork Stack Driver Support
Disabled | Disables booting from the network. (Default) |
Enabled | Enables booting from the network. |
This item is configurable only when Fast Boot is set to Enabled or Ultra Fast.
Windows 10 Features
Allows you to select the operating system to be installed. (Default: Other OS)
CSM Support
Enables or disables UEFI CSM (Compatibility Support Module) to support a legacy PC boot process.
Enabled | Enables UEFI CSM. (Default) |
Disabled | Disables UEFI CSM and supports UEFI BIOS boot process only. |
This item is configurable only when Windows 10 Features is set to Windows 10 or Windows 10 WHQL.
LAN PXE Boot Option ROM
Allows you to select whether to enable the legacy option ROM for the LAN controller. (Default: Disabled) This item is configurable only when CSM Support is set to Enabled.
Storage Boot Option Control
Allows you to select whether to enable the UEFI or legacy option ROM for the storage device controller.
Disabled | Disables option ROM. |
UEFI Only | Enables UEFI option ROM only. |
Legacy Only | Enables legacy option ROM only. (Default) |
This item is configurable only when CSM Support is set to Enabled.
Other PCI Device ROM Priority
Allows you to select whether to enable the UEFI or Legacy option ROM for the PCI device controller other than the LAN, storage device, and graphics controllers.
Disabled | Disables option ROM. |
UEFI Only | Enables UEFI option ROM only. (Default) |
Legacy Only | Enables legacy option ROM only. |
This item is configurable only when CSM Support is set to Enabled.
Network Stack
Disables or enables booting from the network to install a GPT format OS, such as installing the OS from the Windows Deployment Services server. (Default: Disabled)
Ipv4 PXE Support
Enables or disables IPv4 PXE Support. This item is configurable only when Network Stack is enabled.
Ipv4 HTTP Support
Enables or disables HTTP boot support for IPv4. This item is configurable only when Network Stack is enabled.
Ipv6 PXE Support
Enables or disables IPv6 PXE Support. This item is configurable only when Network Stack is enabled.
Ipv6 HTTP Support
Enables or disables HTTP boot support for IPv6. This item is configurable only when Network Stack is enabled.
Administrator Password
Allows you to configure an administrator password. Press <Enter> on this item, type the password, and then press <Enter>. You will be requested to confirm the password. Type the password again and press <Enter>. You must enter the administrator password (or user password) at system startup and when entering BIOS Setup. Differing from the user password, the administrator password allows you to make changes to all BIOS settings.
User Password
Allows you to configure a user password. Press <Enter> on this item, type the password, and then press <Enter>. You will be requested to confirm the password. Type the password again and press <Enter>. You must enter the administrator password (or user password) at system startup and when entering BIOS Setup. However, the user password only allows you to make changes to certain BIOS settings but not all. To cancel the password, press <Enter> on the password item and when requested for the password, enter the correct one first. When prompted for a new password, press <Enter> without entering any password. Press <Enter> again when prompted to confirm. NOTE: Before setting the User Password, be sure to set the Administrator Password first.
Peripherals

AMD CPU fTPM
Enables or disables the TPM 2.0 function integrated in the AMD CPU. (Default: Enabled)
LED_C Connect
Enables or disables the lights of the RGB (RGBW) LED strip connected to the LED_C2 header on the motherboard. (Default: Enabled)
RGB Fusion
Allows you to set the LED lighting mode for the motherboard.
Off | Disables this function. |
Pulse Mode | All LEDs simultaneously fade in and fade out. |
Color Cycle | All LEDs simultaneously cycle through a full spectrum of colours. |
Static Mode | All LEDs emit a single colour. (Default) |
Flash Mode | All LEDs simultaneously flash on and off. |
Legacy USB Support
Allows USB keyboard/mouse to be used in MS-DOS. (Default: Enabled)
XHCI Hand-off
Determines whether to enable XHCI Hand-off feature for an operating system without XHCI Hand-off support. (Default: Enabled)
EHCI Hand-off
Determines whether to enable EHCI Hand-off feature for an operating system without EHCI Hand-off support. (Default: Disabled)
Port 60/64 Emulation
Enables or disables emulation of I/O ports 64h and 60h. This should be enabled for full legacy support for USB keyboards/mice in MS-DOS or in operating system that does not natively support USB devices. (Default: Disabled)
USB Mass Storage Driver Support
Enables or disables support for USB storage devices. (Default: Enabled)
USB Storage Devices
Displays a list of connected USB mass storage devices. This item appears only when a USB storage device is installed.
DAC-UP 2 Rear USB 3.0 (Output Voltage of USB 3.1 Gen 1 Ports on the Back Panel)
Allows you to increase the output voltage of the USB 3.1 Gen 1 ports on the back panel (the ones below the PS/2 keyboard/mouse port) to strengthen the stability of your USB device(s).
Normal | Keeps the original output voltage. (Default) |
Disable USB bus power | Disables the power of the USB connectors. High-end audio players may connect their own external USB power source. |
Voltage Compensation +0.1V | Adds 0.1V to the original output voltage. |
Voltage Compensation +0.2V | Adds 0.2V to the original output voltage. |
Voltage Compensation +0.3V | Adds 0.3V to the original output voltage. |
DAC-UP 2 Front USB 3.0_1 (Output Voltage of USB Ports Provided by the Onboard F_USB30_1 Connector)
Allows you to increase the output voltage of the USB ports provided by the onboard F_USB30_1 connector to strengthen the stability of your USB device(s).
Normal | Keeps the original output voltage. (Default) |
Disable USB bus power | Disables the power of the USB connectors. High-end audio players may connect their own external USB power source. |
Voltage Compensation +0.1V | Adds 0.1V to the original output voltage. |
Voltage Compensation +0.2V | Adds 0.2V to the original output voltage. |
Voltage Compensation +0.3V | Adds 0.3V to the original output voltage. |
DAC-UP 2 Front USB 3.0_2 (Output Voltage of USB Ports Provided by the Onboard F_USB30_2 Connector)
Allows you to increase the output voltage of the USB ports provided by the onboard F_USB30_2 connector to strengthen the stability of your USB device(s).
Normal | Keeps the original output voltage. (Default) |
Disable USB bus power | Disables the power of the USB connectors. High-end audio players may connect their own external USB power source. |
Voltage Compensation +0.1V | Adds 0.1V to the original output voltage. |
Voltage Compensation +0.2V | Adds 0.2V to the original output voltage. |
Voltage Compensation +0.3V | Adds 0.3V to the original output voltage. |
- Trusted Computing
Enables or disables Trusted Platform Module (TPM). - NVMe Configuration
Displays information on your M.2 NVME PCIe SSD if installed. - OffBoard SATA Controller Configuration
Displays information on your M.2 PCIe SSD if installed.
Chipset

IOMMU
Enables or disables AMD IOMMU support. (Default: Auto)
Integrated Graphics (Note)
Enables or disables the onboard graphics function.
Auto | The BIOS will automatically enable or disable the onboard graphics depending on the graphics card being installed. (Default) |
Disabled | Disables the onboard graphics. |
UMA Frame Buffer Size (Note)
This item is configurable only when Integrated Graphics is set to Force. Frame buffer size is the total amount of system memory allocated solely for the onboard graphics controller. MS-DOS, for example, will use only this memory for display. Options are: Auto (default), 32M, 64M, 128M, 256M, 512M, 1G, 2G.
SATA Mode
Enables or disables RAID for the SATA controllers integrated in the Chipset or configures the SATA controllers to AHCI mode.
RAID | Enables RAID for the SATA controller. |
AHCI | C onfigures the SATA controllers to AHCI mode. Advanced Host Controller Interface (AHCI) is an interface specification that allows the storage driver to enable advanced Serial ATA features such as Native Command Queuing and hot plug. (Default) |
Chipset SATA Port Enable
Enables or disables the integrated SATA controllers. (Default: Enabled)
Chipset SATA Port 0/1/2/3/4/5/6/7
Enables or disables each SATA port.
(Note) This item is present only when you install a CPU that supports this feature.
Power

AC BACK
Determines the state of the system after the return of power from an AC power loss.
Memory | The system returns to its last known awake state upon the return of the AC power. |
Always On | The system is turned on upon the return of the AC power. |
Always Off | The system stays off upon the return of the AC power. (Default) |
Power On By Keyboard
Allows the system to be turned on by a PS/2 keyboard wake-up event.
Note: To use this function, you need an ATX power supply providing at least 1A on the +5VSB lead.
Disabled | Disables this function. (Default) |
Password | Set a password with 1~5 characters to turn on the system. |
Keyboard 98 | Press POWER button on the Windows 98 keyboard to turn on the system. |
Any key | Press any key to turn on the system. |
Power On Password
Set the password when Power On By Keyboard is set to Password. Press <Enter> on this item and set a password with up to 5 characters and then press <Enter> to accept. To turn on the system, enter the password and press <Enter>.
Note: To cancel the password, press <Enter> on this item. When prompted for the password, press <Enter> again without entering the password to clear the password settings.
Power On By Mouse
Allows the system to be turned on by a PS/2 mouse wake-up event.
Note: To use this function, you need an ATX power supply providing at least 1A on the +5VSB lead.
Disabled | Disables this function. (Default) |
Move | Move the mouse to turn on the system. |
Double Click | Double click on left button on the mouse to turn on the system. |
ErP
Determines whether to let the system consume least power in S5 (shutdown) state. Note: When this item is set to Enabled, the following functions will become unavailable: Resume by Alarm, PME event wake up, power on by mouse, power on by keyboard, and wake on LAN.
Soft-Off by PWR-BTTN
Configures the way to turn off the computer in MS-DOS mode using the power button.
Instant-Off | Press the power button and then the system will be turned off instantly. (Default) |
Delay 4 Sec. | Press and hold the power button for 4 seconds to turn off the system. If the power button is pressed for less than 4 seconds, the system will enter suspend mode. |
Resume by Alarm
Determines whether to power on the system at a desired time. (Default: Disabled) If enabled, set the date and time as following:
Wake up day: Turn on the system at a specific time on each day or on a specific day in a month.
Wake up hour/minute/second: Set the time at which the system will be powered on automatically.
Note: When using this function, avoid inadequate shutdown from the operating system or removal of the AC power, or the settings may not be effective.
Wake on LAN
Enables or disables the wake on LAN function. (Default: Enabled)
High Precision Event Timer
Enables or disables High Precision Event Timer (HPET) in the operating system. (Default: Enabled)
Save & Exit

Save & Exit Setup
Press <Enter> on this item and select Yes. This saves the changes to the CMOS and exits the BIOS Setup program. Select No or press <Esc> to return to the BIOS Setup Main Menu.
Exit Without Saving
Press <Enter> on this item and select Yes. This exits the BIOS Setup without saving the changes made in BIOS Setup to the CMOS. Select No or press <Esc> to return to the BIOS Setup Main Menu.
Load Optimised Defaults
Press <Enter> on this item and select Yes to load the optimal BIOS default settings. The BIOS defaults settings help the system to operate in optimum state. Always load the Optimised defaults after updating the BIOS or after clearing the CMOS values.
Boot Override
Allows you to select a device to boot immediately. Press <Enter> on the device you select and select Yes to confirm. Your system will restart automatically and boot from that device.
Save Profiles
This function allows you to save the current BIOS settings to a profile. You can create up to 8 profiles and save as Setup Profile 1~ Setup Profile 8. Press <Enter> to complete. Or you can select Select File in HDD/FDD/USB to save the profile to your storage device.
Load Profiles
If your system becomes unstable and you have loaded the BIOS default settings, you can use this function to load the BIOS settings from a profile created before, without the hassles of reconfiguring the BIOS settings. First select the profile you wish to load and then press <Enter> to complete. You can select Select File in HDD/FDD/USB to input the profile previously created from your storage device or load the profile automatically created by the BIOS, such as reverting the BIOS settings to the last settings that worked properly (last known good record).
Configuring a RAID Set
RAID Levels
| RAID 0 | RAID 1 | RAID 10 | |
| Minimum Number of Hard Drives | ≥2 | 2 | 4 |
| Array Capacity | Number of hard drives * Size of the smallest drive | Size of the smallest drive | (Number of hard drives/2) * Size of the smallest drive |
| Fault Tolerance | No | Yes | Yes |
Before you begin, please prepare the following items:
- At least two SATA hard drives or M.2 SATA SSD. (To ensure optimal performance, it is recommended that you use two hard drives with identical model and capacity).
- A Windows setup disk.
- Motherboard driver disk.
- A USB thumb drive.
Configuring SATA Controllers
- Installing hard drives
Install the hard drives/SSDs in the SATA/M.2 connectors on the motherboard. Then connect the power connectors from your power supply to the hard drives. - Configuring SATA controller mode in BIOS Setup
Make sure to configure the SATA controller mode correctly in system BIOS Setup.
Steps:- Turn on your computer and press <Delete> to enter BIOS Setup during the POST (Power-On Self-Test). Under Chipset, ensure Chipset SATA Port Enable are enabled. Set SATA Mode to RAID. Then save the settings and restart your computer.
- If you want to configure UEFI RAID, follow the steps in "C-1." To enter the legacy RAID ROM, save the settings and exit BIOS Setup. Refer to "C-2" for more information.
![]()
The BIOS Setup menus described in this section may differ from the exact settings for your motherboard. The actual BIOS Setup menu options you will see shall depend on the motherboard you have and the BIOS version.
- .
- UEFI RAID Configuration
Only Windows 10 64-bit supports UEFI RAID configuration.
Step:- In BIOS Setup, go to BIOS and set Windows 10 Features to Windows 10 and CSM Support to Disabled. Save the changes and exit BIOS Setup.
- After the system reboot, enter BIOS Setup again. Then enter the Peripherals\RAIDXpert2 Configuration Utility sub-menu.
- On the RAIDXpert2 Configuration Utility screen, press <Enter> on Array Management to enter the Create Array screen. Then, select a RAID level. RAID levels supported include RAID 0, RAID 1, and RAID 10 (the selections available depend on the number of the hard drives being installed). Next, press <Enter> on Select Physical Disks to enter the Select Physical Disks screen.
- On the Select Physical Disks screen, select the hard drives to be included in the RAID array and set them to Enabled. Next, use the down arrow key to move to Apply Changes and press <Enter>. Then return to the previous screen and set the Array Size, Array Size Unit, Read Cache Policy and Write Cache Policy.
- After setting the capacity, move to Create Array and press <Enter> to begin.
- After completing, you'll be brought back to the Array Management screen. Under Manage Array Properties you can see the new RAID volume and information on RAID level, array name, array capacity, etc.
- Configuring Legacy RAID ROM
Enter the legacy RAID BIOS setup utility to configure a RAID array. Skip this step and proceed with the installation of Windows operating system for a non-RAID configuration. Step:
- UEFI RAID Configuration
- After the POST memory test begins and before the operating system boot begins, look for a message which says "Press <Ctrl-R> to Configure". Press <Ctrl> + <R> to enter the RAID BIOS setup utility.
- To create a new array, press <Enter> on the Create Array option.
- The selection bar will move to the Disks section on the right of the screen. Select the hard drives to be included in the RAID array. Use the up or down arrow key to select a hard drive and press <Insert>. The selected hard drive will be shown in green. To use all of the hard drives, simply press <A> to select all. Then press <Enter> and the selection bar will move to the User Input section on the left bottom of the screen.
- First, select a RAID mode and press <Enter>. The selections available depend on the number of the hard drives being installed. Then follow the on-screen instructions to specify the array size. You can select All available space to use the maximum size allowed or use the up or down arrow key to adjust the size and press <Enter>.
- Select a caching mode. Options include Read/Write, Read Only, and None. Then press <Enter> to proceed.
- Finally, a message which says "Confirm Creation of Array" will appear. Press <C> to confirm or <Esc> to return to the previous screen.
- When completed, you will see the new array on the main screen. To exit the RAID BIOS utility, press <Esc> and then press <C> to confirm.
(Note) Refer to "Internal Connectors," for the installation notices for the M.2 and SATA connectors.
Installing the SATA RAID/AHCI Driver and Operating System
With the correct BIOS settings, you are ready to install the operating system.
Installing the Operating System
As some operating systems already include SATA RAID/AHCI driver, you do not need to install separate RAID/ AHCI driver during the Windows installation process. After the operating system is installed, we recommend that you install all required drivers from the motherboard driver disk using "Xpress Install" to ensure system performance and compatibility. If the operating system to be installed requires that you provide additional SATA RAID/AHCI driver during the OS installation process, please refer to the steps below:
- Copy the Hw10 folder under the \Boot folder in the driver disk to your USB thumb drive.
- Boot from the Windows setup disk and perform standard OS installation steps. When the screen requesting you to load the driver appears, select Browse.
- Insert the USB thumb drive and then browse to the location of the driver. The locations of the drivers are as follows: \Hw10\RAID\x64
- Select AMD-RAID Bottom Device first and click Next to load the driver. Then select AMD-RAID Controller and click Next to load the driver. Finally, continue the OS installation.
Please visit GIGABYTE's website for details on configuring a RAID array.

Drivers Installation

- Before installing the drivers, first install the operating system. (The following instructions use Windows 10 as the example operating system.)
- After installing the operating system, insert the motherboard driver disk into your optical drive. Click on the message "Tap to choose what happens with this disc" on the top-right corner of the screen and select "Run Run.exe." (Or go to My Computer, double-click the optical drive and execute the Run.exe program.)
"Xpress Install" will automatically scan your system and then list all of the drivers that are recommended to install. You can click the Xpress Install button and "Xpress Install" will install all of the selected drivers. Or click the arrow
icon to individually install the drivers you need.

Please visit GIGABYTE's website for more software information.

Please visit GIGABYTE's website for details on configuring the audio software.

Debug LED Codes
Regular Boot
| Code | Description |
| 10 | PEI Core is started. |
| 11 | Pre-memory CPU initialisation is started. |
| 12~14 | Reserved. |
| 15 | Pre-memory North-Bridge initialisation is started. |
| 16~18 | Reserved. |
| 19 | Pre-memory South-Bridge initialisation is started. |
| 1A~2A | Reserved. |
| 2B~2F | Memory initialisation. |
| 31 | Memory installed. |
| 32~36 | CPU PEI initialisation. |
| 37~3A | IOH PEI initialisation. |
| 3B~3E | PCH PEI initialisation. |
| 3F~4F | Reserved. |
| 60 | DXE Core is started. |
| 61 | NVRAM initialisation. |
| 62 | Installation of the PCH runtime services. |
| 63~67 | CPU DXE initialisation is started. |
| 68 | PCI host bridge initialisation is started. |
| 69 | IOH DXE initialisation. |
| 6A | IOH SMM initialisation. |
| 6B~6F | Reserved. |
| 70 | PCH DXE initialisation. |
| 71 | PCH SMM initialisation. |
| 72 | PCH devices initialisation. |
| 73~77 | PCH DXE initialisation (PCH module specific). |
| 78 | ACPI Core initialisation. |
| 79 | CSM initialisation is started. |
| 7A~7F | Reserved for AMI use. |
| 80~8F | Reserved for OEM use (OEM DXE initialisation codes). |
| 90 | Phase transfer to BDS (Boot Device Selection) from DXE. |
| 91 | Issue event to connect drivers. |
| 92 | PCI Bus initialisation is started. |
| 93 | PCI Bus hot plug initialisation. |
| 94 | PCI Bus enumeration for detecting how many resources are requested. |
| 95 | Check PCI device requested resources. |
| 96 | Assign PCI device resources. |
| 97 | Console Output devices connect (ex. Monitor is lighted). |
| 98 | Console input devices connect (ex. PS2/USB keyboard/mouse are activated). |
| 99 | Super IO initialisation. |
| 9A | USB initialisation is started. |
| 9B | Issue reset during USB initialisation process. |
| 9C | Detect and install all currently connected USB devices. |
| 9D | Activated all currently connected USB devices. |
| 9E~9F | Reserved. |
| A0 | IDE initialisation is started. |
| A1 | Issue reset during IDE initialisation process. |
| A2 | Detect and install all currently connected IDE devices. |
| A3 | Activated all currently connected IDE devices. |
| A4 | SCSI initialisation is started. |
| A5 | Issue reset during SCSI initialisation process. |
| A6 | Detect and install all currently connected SCSI devices. |
| A7 | Activated all currently connected SCSI devices. |
| A8 | Verify password if needed. |
| A9 | BIOS Setup is started. |
| AA | Reserved. |
| AB | Wait user command in BIOS Setup. |
| AC | Reserved. |
| AD | Issue Ready To Boot event for OS Boot. |
| AE | Boot to Legacy OS. |
| AF | Exit Boot Services. |
| B0 | Runtime AP installation begins. |
| B1 | Runtime AP installation ends. |
| B2 | Legacy Option ROM initialisation. |
| B3 | System reset if needed. |
| B4 | USB device hot plug-in. |
| B5 | PCI device hot plug. |
| B6 | Clean-up of NVRAM. |
| B7 | Reconfigure NVRAM settings. |
| B8~BF | Reserved. |
| C0~CF | Reserved. |
S3 Resume
| Code | Description |
| E0 | S3 Resume is started (called from DXE IPL). |
| E1 | Fill boot script data for S3 resume. |
| E2 | Initialises VGA for S3 resume. |
| E3 | OS S3 wake vector call. |
Recovery
| Code | Description |
| F0 | Recovery mode will be triggered due to invalid firmware volume detection. |
| F1 | Recovery mode will be triggered by user decision. |
| F2 | Recovery is started. |
| F3 | Recovery firmware image is found. |
| F4 | Recovery firmware image is loaded. |
| F5~F7 | Reserved for future AMI progress codes. |
Error
| Code | Description |
| 50~55 | Memory initialisation error occurs. |
| 56 | Invalid CPU type or speed. |
| 57 | CPU mismatch. |
| 58 | CPU self test failed or possible CPU cache error. |
| 59 | CPU micro-code is not found or micro-code update is failed. |
| 5A | Internal CPU error. |
| 5B | Reset PPI is failed. |
| 5C~5F | Reserved. |
| D0 | CPU initialisation error. |
| D1 | IOH initialisation error. |
| D2 | PCH initialisation error. |
| D3 | Some of the Architectural Protocols are not available. |
| D4 | PCI resource allocation error. Out of Resources. |
| D5 | No Space for Legacy Option ROM initialisation. |
| D6 | No Console Output Devices are found. |
| D7 | No Console Input Devices are found. |
| D8 | It is an invalid password. |
| D9~DA | Can't load Boot Option. |
| DB | Flash update is failed. |
| DC | Reset protocol is failed. |
| DE~DF | Reserved. |
| E8 | S3 resume is failed. |
| E9 | S3 Resume PPI is not found. |
| EA | S3 Resume Boot Script is invalid. |
| EB | S3 OS Wake call is failed. |
| EC~EF | Reserved. |
| F8 | Recovery PPI is invalid. |
| <F9> | Recovery capsule is not found. |
| FA | Invalid recovery capsule. |
| FB~FF | Reserved. |

Contact Us
GIGA-BYTE TECHNOLOGY CO., LTD.
Address: No.6, Baoqiang Rd., Xindian Dist., New Taipei City 231, Taiwan
TEL: +886-2-8912-4000, FAX: +886-2-8912-4005
Tech. and Non-Tech. Support (Sales/Marketing): http://esupport.gigabyte.com
WEB address (English): http://www.gigabyte.com
WEB address (Chinese): http://www.gigabyte.tw
- GIGABYTE eSupport
To submit a technical or non-technical (Sales/Marketing) question, please link to: http://esupport.gigabyte.com
![GIGABYTE - GA-AX370-Gaming 5 - eSupport eSupport]()
Identifying Your Motherboard Revision
The revision number on your motherboard looks like this: "REV: X.X." For example, "REV: 1.0" means the revision of the motherboard is 1.0. Check your motherboard revision before updating motherboard BIOS, drivers, or when looking for technical information.
Example:

For more product details, please visit GIGABYTE's website.

Copyright
© 2017 GIGA-BYTE TECHNOLOGY CO., LTD. All rights reserved. The trademarks mentioned in this manual are legally registered to their respective owners.

References
Download manual
Here you can download full pdf version of manual, it may contain additional safety instructions, warranty information, FCC rules, etc.
Download GIGABYTE GA-AX370-Gaming 5 - Motherboard Manual
































