Pioneer MVH-MS512BS - Hurtigstartguide for digital mediemottaker for marine bruk
- 1 Introduksjon
- 2 Før du begynner
- 3 Tilkoblinger
- 4 Installasjon
- 5 Installere mikrofonen
- 6 Grunnleggende bruk
- 7 Oppsettsoperasjon
- 8 Avbryte demonstrasjonsskjermen (DEMO OFF)
- 9 Tuner-operasjon
- 10 USB/iPhone/AUX-operasjon
- 11 Bluetooth-tilkobling
- 12 Bluetooth-telefon
- 13 Opprette en tilkobling med Pioneer Smart Sync
- 14 Forberedelse for SiriusXM satellittradiotjeneste
- 15 Referanser
- 16 Last ned manual
- 17 På andre språk
Introduksjon
Hvis båtens tenning ikke har en ACC-posisjon, lagres ikke alle innstillinger i minnet. For å lagre, ta av frontpanelet eller vent til enheten slår seg helt av i 10 sekunder etter at du har slått den av ved å trykke og holde SRC/OFF (når [ON] er valgt i [PW SAVE]), og slå deretter av tenningen.
Denne veiledningen er ment å veilede deg gjennom de grunnleggende funksjonene til denne enheten. For detaljer, se denne produktets bruksanvisning, som du kan finne her: https://www.pioneerelectronics.com/PUSA/Support
Se bruksanvisningen for instruksjoner om hvordan du slår av demonstrasjonsvisningen (DEMO OFF).
Før du begynner
For å sikre riktig bruk, vennligst les gjennom denne veiledningen og bruksanvisningen før du bruker dette produktet. Det er spesielt viktig at du leser og overholder ADVARSELer og FORSIKTIG i denne veiledningen. Oppbevar veiledningen på et trygt og tilgjengelig sted for fremtidig referanse.
| FCC ID: EW4C95
Denne senderen må ikke plasseres eller brukes sammen med noen annen antenne eller sender. |
Endringer eller modifikasjoner utført uten riktig autorisasjon kan ugyldiggjøre brukerens rett til å bruke utstyret.
Merk
Dette utstyret er testet og funnet å overholde grensene for en digital enhet i klasse B, i henhold til del 15 av FCC-reglene. Disse grensene er utformet for å gi rimelig beskyttelse mot skadelig interferens i en boliginstallasjon. Dette utstyret genererer, bruker og kan utstråle radiofrekvensenergi, og hvis det ikke installeres og brukes i samsvar med instruksjonene, kan det forårsake skadelig interferens på radiokommunikasjon. Det er imidlertid ingen garanti for at interferens ikke vil oppstå i en bestemt installasjon. Hvis dette utstyret forårsaker skadelig interferens på radio- eller TV-mottak, som kan fastslås ved å slå utstyret av og på, oppfordres brukeren til å prøve å korrigere interferensen ved å utføre ett eller flere av følgende tiltak:
- Orienter eller flytt mottakerantennen.
- Øk avstanden mellom utstyret og mottakeren.
- Koble utstyret til et uttak på en annen krets enn den som mottakeren er koblet til.
- Rådfør deg med forhandleren eller en erfaren radio/TV-tekniker for hjelp.
| FEDERAL COMMUNICATIONS COMMISSION SUPPLIER'S DECLARATION OF CONFORMITY (SAMSVARSERKLÆRING FRA LEVERANDØR TIL FEDERAL COMMUNICATIONS COMMISSION) Product Name: MARINE DIGITAL MEDIA RECEIVER (DIGITAL MEDIEMOTTAKER FOR MARINE BRUK) Model Number: MVH-MS512BS Responsible Party Name: PIONEER ELECTRONICS (USA) INC. SERVICE SUPPORT DIVISION Address: 2050 W. 190TH STREET, SUITE 100 TORRANCE, CA 90504, U.S.A. Phone: 1-800-421-1404 URL: http://www.pioneerelectronics.com |
Sikkerheten til ørene dine er i dine hender
Få mest mulig ut av utstyret ditt ved å spille det på et trygt nivå – et nivå som lar lyden komme tydelig gjennom uten irriterende støy eller forvrengning, og viktigst av alt, uten å påvirke din sensitive hørsel. Lyd kan være villedende.
Over tid tilpasser hørselens "komfortnivå" seg til høyere lydvolum, så det som høres "normalt" ut kan faktisk være høyt og skadelig for hørselen din. Beskytt deg mot dette ved å stille inn utstyret ditt på et trygt nivå FØR hørselen din tilpasser seg.
ETABLER ET TRYGT NIVÅ:
- Sett volumkontrollen på en lav innstilling.
- Øk lyden sakte til du kan høre den komfortabelt og tydelig, uten forvrengning.
- Når du har etablert et komfortabelt lydnivå, still inn hjulet og la det stå der.
SØRG FOR Å OVERHOLDE FØLGENDE RETNINGSLINJER:
- Ikke skru opp volumet så høyt at du ikke kan høre hva som er rundt deg.
- Vær forsiktig eller avbryt bruken midlertidig i potensielt farlige situasjoner.
- Ikke bruk hodetelefoner mens du kjører en motorbåt; bruk av hodetelefoner kan skape en trafikkfare og er ulovlig i mange områder.
- Ikke forsøk å installere eller utføre service på dette produktet selv. Installasjon eller service av dette produktet av personer uten opplæring og erfaring i elektronisk utstyr og biltilbehør kan være farlig og kan utsette deg for risiko for elektrisk støt, personskade eller andre farer.
- Ikke forsøk å betjene enheten mens du kjører båten. Sørg for å stoppe båten på et trygt sted før du prøver å bruke kontrollene på enheten.
- Ikke la denne enheten komme i kontakt med fuktighet og/eller væsker. Elektrisk støt kan oppstå. Skade på denne enheten, røyk og overoppheting kan også oppstå ved kontakt med væsker.
- La enheten kjøle seg ned før du bruker den hvis båten din har ligget i direkte sollys.
- Ikke la det avtakbare frontpanelet ligge i direkte sollys, da dette kan føre til funksjonsfeil på grunn av overoppheting.
- Bruk av denne enheten etter at hendene dine har vært i kontakt med sjøvann kan forårsake rust eller funksjonsfeil. Vask hendene grundig med rent vann før bruk.
- Hold alltid volumet lavt nok til å høre lyder utenfra.
- Dette produktet er evaluert i moderate og tropiske klimaforhold under Audio, video and similar electronic apparatus - Safety requirements, IEC 60065.
Ettersalgsservice for Pioneer-produkter
Kontakt den autoriserte Pioneer-forhandleren du kjøpte denne enheten fra, eller et autorisert Pioneer-servicefirma for ettersalgsservice eller spørsmål du måtte ha om produktet. Du kan kontakte Pioneer direkte som følger:
Ikke send enheten din inn for reparasjon uten å kontakte Pioneer først. Enheter som sendes uten et returautorisasjonsnummer vil bli avvist.
I USA og CANADA:
Pioneer Electronics (USA) Inc.
CUSTOMER SUPPORT DIVISION (KUNDESTØTTEAVDELINGEN)
P.O. Box 1760
Long Beach, CA 90801-1760
800-421-1404
https://www.pioneerelectronics.com/PUSA/AboutPioneer/Contact+Us
For garantiinformasjon, se det begrensede garantibladet som følger med denne enheten.
Tilkoblinger
I det følgende representerer "NW" nettverksmodus og "STD" representerer standardmodus. I henhold til tilkoblingene du har etablert, endre høyttalermodus til standardmodus (STD) eller nettverksmodus (NW).
- Hvis båtens tenning ikke har en ACC-posisjon: Sørg for å sette [PW SAVE] til [ON] (for detaljer, se bruksanvisningen). Enheten vil automatisk slå seg helt av etter at enheten er slått av for å forhindre batteridrenering. Ellers trykker du og holder inne SRC/OFF til skjermen slås av hver gang du slår av tenningen.
- Når du bruker 4-kanals høyttalerutgang, bruk høyttalere med en effekt på 50 W (maksimal inngangseffekt) eller høyere og mellom 4 Ω til 8 Ω (impedansverdi). Ikke bruk 1 Ω til 3 Ω høyttalere med denne enheten uavhengig av antall kanaler.
- Når du bruker en 2 Ω subwoofer med den bakre høyttalerutgangen, bruk høyttalere med en effekt på 70 W eller høyere.
* Se tilkoblinger for en tilkoblingsmetode. - Den svarte kabelen er jord. Når du installerer denne enheten eller effektforsterkeren (selges separat), må du sørge for å koble til jordledningen først. Forsikre deg om at jordledningen er riktig koblet til en metalldel av båtens karosseri. Jordledningene til en effektforsterker, denne enheten og andre enheter må hver for seg kobles til båten med forskjellige skruer. Hvis skruen for jordledningen løsner eller faller ut, kan det føre til brann, røykutvikling eller funksjonsfeil.
To enheter koblet til båten separat (jordledninger)
![Pioneer - MVH-MS512BS - Connections - Step 1 Connections - Step 1]()
*1 Ikke levert for denne enheten
- Når denne enheten er installert i en båt uten en ACC-posisjon (tilbehør) på tenningsbryteren, kan manglende tilkobling av den røde kabelen til terminalen som registrerer drift av tenningsnøkkelen føre til batteridrenering.
![Pioneer - MVH-MS512BS - Connections - Step 2 Connections - Step 2]()
- Bruk denne enheten kun med et 12-volts batteri og negativ jording. Unnlatelse av å gjøre dette kan føre til brann eller funksjonsfeil.
-
For å forhindre kortslutning, overoppheting eller funksjonsfeil, må du følge instruksjonene nedenfor.
-
Koble fra den negative polen på batteriet før installasjon.
-
Fest ledningene med kabelklemmer eller tape. Vikle tape rundt ledninger som kommer i kontakt med metalldeler for å beskytte ledningene.
-
Plasser alle kabler vekk fra bevegelige deler, som girspaken og seteskinnene.
-
Plasser alle kabler vekk fra varme steder, for eksempel i nærheten av varmeapparatets utløp.
-
Ikke koble den gule kabelen til batteriet ved å føre den gjennom hullet til motorrommet.
-
Dekk til alle frakoblede kabelkontakter med isolasjonstape.
-
Ikke forkort noen kabler.
-
Kutt aldri isolasjonen på strømkabelen til denne enheten for å dele strømmen med andre enheter. Kabelens strømkapasitet er begrenset.
-
Bruk en sikring med foreskrevet verdi.
-
Koble aldri den negative høyttalerkabelen direkte til jord.
-
Bruk aldri negative kabler fra flere høyttalere sammen.
-
- Når denne enheten er på, sendes kontrollsignaler gjennom den blå/hvite kabelen. Koble denne kabelen til systemets fjernkontroll til en ekstern effektforsterker eller båtens automatiske antennerelé-kontrollterminal (maks. 300 mA 12 V DC). Hvis båten er utstyrt med en glassantenne, kobler du den til antenneforsterkerens strømforsyningsterminal.
- Koble aldri den blå/hvite kabelen til strømterminalen til en ekstern effektforsterker. Koble den heller aldri til strømterminalen til den automatiske antennen. Hvis du gjør det, kan det føre til batteridrenering eller funksjonsfeil.
- Det grafiske symbolet
plassert på produktet betyr likestrøm.
Denne enheten

- Mikrofon 3 m (9 ft. 10-1/8 in.) (ikke vanntett)
- SiriusXM Connect Vehicle Tuner-inngang
- Strømledning inngang
- Mikrofoninngang
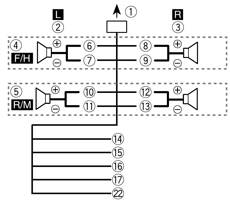
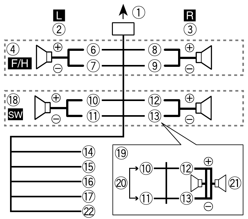
- Bakre utgang (STD) eller mellomtoneutgang (NW)
- Fremre utgang (STD) eller høy toneutgang (NW)
- Antenneinngang
- Sikring (10 A)
- Kablet fjernkontrollinngang
Pioneer maritim kablet fjernkontroll (CD-ME300) kan bare kobles til (selges separat). - Subwoofer-utgang
- SiriusXM Connect Vehicle Tuner (selges separat)
Strømledning
Utfør disse tilkoblingene når du ikke kobler en bakre høyttaler eller mellomtonehøyttalerledning til en subwoofer.

Utfør disse tilkoblingene når du bruker en subwoofer uten den valgfrie forsterkeren.

I tilfellet ovenfor vil to 4 Ω subwoofere koblet parallelt representere en 2 Ω belastning.
- Til strømledningsinngang
- Venstre
- Høyre
- Fremre høyttaler (STD) eller høy tonehøyttaler (NW)
- Bakre høyttaler (STD) eller mellomtonehøyttaler (NW)
- Hvit
- Hvit/svart
- Grå
- Grå/svart
- Grønn
- Grønn/svart
- Fiolett
- Fiolett/svart
- Svart (chassisjord)
Koble til et felles jordingspunkt. - Gul
Koble til den konstante 12 V-forsyningsterminalen. - Rød
Koble til terminalen som styres av tenningsbryteren (12 V DC). - Blå/hvit
Koble til systemkontrollterminalen til effektforsterkeren eller den automatiske antennerelé-kontrollterminalen (maks. 300 mA 12 V DC). - Subwoofer (4 Ω)
- Når du bruker en subwoofer på 2 Ω, må du sørge for å koble subwooferen til de fiolette og fiolett/svarte ledningene på denne enheten. Ikke koble noe til de grønne og grønn/svarte ledningene.
- Ikke brukt.
- Subwoofer (4 Ω) × 2
- Oransje/hvit
Koble til båtens belysningssignal.
Effektforsterker
(selges separat)
Utfør disse tilkoblingene når du bruker en valgfri forsterker.

- Systemfjernkontroll
Koble til blå/hvit kabel. - Effektforsterker (selges separat)
- Koble til med RCA-kabler (selges separat)
- Til bakre utgang (STD) eller mellomtoneutgang (NW)
- Bakre høyttaler (STD) eller mellomtonehøyttaler (NW)
- Til fremre utgang (STD) eller høy toneutgang (NW)
- Fremre høyttaler (STD) eller høy tonehøyttaler (NW)
- Til subwoofer-utgang
- Subwoofer
Installasjon
- Til kunde:
Dette produktet inkluderer en radiosender. I henhold til UNECE-regulativ nr. 10 kan båtprodusenter stille spesifikke betingelser for installasjon av radiosendere i båter. Vennligst sjekk båtens bruksanvisning eller kontakt produsenten eller din båtforhandler før du installerer denne enheten.
- Velg nøye et tørt monteringssted der enheten ikke kommer i kontakt med vann/væsker, da dette kan forårsake intern skade.
- Ikke SAE J1171 eller UL-1500 sertifisert; Installert enhet må isoleres fra bensin-drivstoffkilde i samsvar med 33 CFR §183.410
- Tenningsbeskyttelse og instruksjoner fra båtprodusenten.
- Sjekk alle tilkoblinger og systemer før endelig installasjon.
- Ikke bruk uautoriserte deler, da dette kan føre til funksjonsfeil.
- Ikke installer denne enheten der:
- den kan forstyrre driften av båten.
- den kan forårsake personskade på en passasjer som følge av en plutselig stopp.
- Installer denne enheten vekk fra varme steder, for eksempel nær varmeapparatets utløp.
- Optimal ytelse oppnås når enheten er installert i en vinkel på mindre enn 60°.
![]()
- Når du installerer, for å sikre riktig varmespredning når du bruker denne enheten, sørg for at du lar det være god plass bak bakpanelet og pakk eventuelle løse kabler slik at de ikke blokkerer ventilene.
![Pioneer - MVH-MS512BS - Installasjon Installasjon]()
DIN-monteringsinstallasjon
- Sett inn den medfølgende monteringsrammen i dashbordpanelet.
- Fest monteringsrammen ved å bruke en skrutrekker til å bøye metallflikene (90°) på plass.
- Dashbordpanel
- Monteringsramme
- Sørg for at enheten er installert sikkert på plass.
Når du ikke bruker den medfølgende monteringsrammen
- Juster hullene på monteringsbraketten med hullene på sidene av enheten for å feste braketten.
![]()
- Skru inn en skrue på hver side for å holde enheten på plass.
- Skru (5 mm × 9 mm, ikke levert med produktet)
- Monteringsbrakett
- Dashbordpanel eller konsoll
Fjerne enheten (installert med den medfølgende monteringsrammen)
- Fjern dekorringen.
- Dekorring
- Hakket flik
- Å frigjøre frontpanelet gir lettere tilgang til dekorringen.
- Når du fester dekorringen igjen, pek siden med den hakkete fliken ned.
- Sett de medfølgende uttrekksnøklene inn i begge sider av enheten til de klikker på plass.
- Trekk enheten ut av dashbordpanelet.
![Pioneer - MVH-MS512BS - Removing the unit - Step 2 Removing the unit - Step 2]()
For å sikre frontpanelet
Frontpanelet kan sikres med den medfølgende skruen.

- Skrue
Installere mikrofonen
Mikrofonen bør plasseres rett foran båtføreren i en passende avstand for å fange opp stemmen tydelig.
Velg monteringsstedet nøye for å unngå intern skade ved at vann kommer inn i mikrofonen.
Områder som er utsatt for vannsprut bør unngås.
Det er ekstremt farlig å la mikrofonledningen vikle seg rundt rattstammen eller girspaken. Sørg for å installere mikrofonen på en slik måte at den ikke hindrer driften. Det anbefales å bruke kabelklemmer (selges separat) for å ordne ledningen.
- Skyv mikrofonbasen for å løsne den fra mikrofonklipset.
- Mikrofon
- Mikrofonklips
- Mikrofonbase
- Installer mikrofonen som følger.
- Dobbeltsidig tape
- Klemme (selges separat)
Grunnleggende bruk
MVH-MS512BS

Om hovedmenyen
Du kan justere forskjellige innstillinger i hovedmenyen.
- Trykk på M.C.-hjulet for å vise hovedmenyen.
- Vri på M.C.-hjulet for å velge en av kategoriene nedenfor, og trykk deretter for å bekrefte.
- FUNCTION-innstillinger (funksjonsinnstillinger)
- AUDIO-innstillinger (lydinnstillinger)
- SYSTEM-innstillinger (systeminnstillinger)
- ILLUMINATION-innstillinger (belysningsinnstillinger)
- MIXTRAX-innstillinger (MIXTRAX-innstillinger)
- Vri på M.C.-hjulet for å velge alternativene, og trykk deretter for å bekrefte.
Ofte brukte operasjoner
| Formål | Operasjon |
| Slå på strømmen | Trykk på SRC/OFF for å slå på strømmen. Trykk og hold inne SRC/OFF for å slå av strømmen. |
| Juster volumet | Vri på M.C.-hjulet. |
| Velg en kilde | Trykk på SRC/OFF gjentatte ganger. |
| Endre skjerminformasjonen | Trykk på DISP gjentatte ganger. |
| Gå tilbake til forrige skjerm/liste | Trykk på BAND/ . |
| Gå tilbake til normal skjerm fra menyen | Trykk og hold inne BAND/ . |
| Endre skjermens lysstyrke | Trykk og hold inne BAND/ . |
| Øk bassnivået | Trykk på BASS.
|
Oppsettsoperasjon
Når du vrir tenningsbryteren til PÅ etter installasjon, vises oppsettmenyen på skjermen.
Ikke bruk enheten i standardmodus når et høyttalersystem for nettverksmodus er koblet til enheten. Ikke bruk enheten i nettverksmodus når et høyttalersystem for standardmodus er koblet til enheten. Dette kan forårsake skade på høyttalerne.
- Vri på M.C.-hjulet for å velge alternativene, og trykk deretter for å bekrefte.
For å fortsette til neste menyalternativ, må du bekrefte valget ditt.Menyelement Beskrivelse LANGUAGE (språk)
[ENG](engelsk),
[ESP](spansk),
[FRA] (kanadisk fransk)Velg språket for å vise tekstinformasjonen fra en komprimert lydfil. CLOCK SET (klokkeinnstilling) Still inn klokken. - Vri på M.C.-hjulet for å justere timen, og trykk deretter for å bekrefte. Indikatoren flyttes automatisk til minuttinnstillingen.
- Vri på M.C.-hjulet for å justere minuttet, og trykk deretter for å bekrefte.
SPEAKER MODE (høyttalermodus)
[STANDARD],
[NETWORK] (nettverk)Bytt mellom to driftsmoduser: 2-veis nettverksmodus (NETWORK) og standardmodus (STANDARD) i henhold til tilkoblingene du har opprettet. Etter å ha valgt riktig modus, vri på M.C.-hjulet for å velge [YES] (ja), og trykk deretter for å bekrefte. - Du kan ikke fullføre oppsettmenyen uten å stille inn [SPEAKER MODE] (høyttalermodus).
- [QUIT:YES] (avslutt:ja) vises.
For å gå tilbake til det første elementet i oppsettmenyen, vri på M.C.-hjulet for å velge [QUIT:NO] (avslutt:nei), og trykk deretter for å bekrefte. - Trykk på M.C.-hjulet for å bekrefte innstillingene.
Avbryte demonstrasjonsskjermen (DEMO OFF)
- Trykk på M.C.-hjulet for å vise hovedmenyen.
- Vri på M.C.-hjulet for å velge [SYSTEM] (system), og trykk deretter for å bekrefte.
- Vri på M.C.-hjulet for å velge [DEMO OFF] (demo av), og trykk deretter for å bekrefte.
- Vri på M.C.-hjulet for å velge [YES] (ja), og trykk deretter for å bekrefte.
Tuner-operasjon
Motta forhåndsinnstilte stasjoner
- Trykk på SRC/OFF for å velge [RADIO] (radio).
- Trykk på BAND/
for å velge bånd.
[FM1]
[FM2]
[FM3]
[AM] - Trykk på en nummerknapp (1/
til 6/
).
Beste stasjoners minne (BSM)
- Etter å ha valgt bånd, trykk på M.C.-hjulet for å vise hovedmenyen.
- Vri på M.C.-hjulet for å velge [FUNCTION] (funksjon), og trykk deretter for å bekrefte.
- Vri på M.C.-hjulet for å velge [BSM], og trykk deretter for å bekrefte.
For å lagre stasjoner manuelt
- Mens du er innstilt på stasjonen du vil lagre, trykk og hold inne en av nummerknappene (1/
til 6/
) til den slutter å blinke.
USB/iPhone®/AUX-operasjon
(iPhone-kilde er ikke tilgjengelig når [USB MTP] er satt til [ON] (på) i SYSTEM-innstillingene.)
USB/iPhone
- Åpne USB-portdekselet.
- Koble til USB-enheten/iPhone ved hjelp av en passende kabel.
MTP-tilkobling
En enhet installert med Android OS 4.0 eller de fleste senere versjoner kan kobles til enheten via MTP ved hjelp av kabelen som følger med enheten. Avhengig av den tilkoblede enheten, OS-versjonen eller antall filer i enheten, kan det imidlertid hende at lydfiler/sanger ikke kan spilles av via MTP.
MERK
Hvis du bruker en MTP-tilkobling, må [USB MTP] være satt til [ON] (på) i SYSTEM-innstillingene.
AUX
- Sett stereominipluggen inn i AUX-inngangskontakten.
- Trykk på SRC/OFF for å velge [AUX IN] (AUX-inngang) som kilde.
Bluetooth-tilkobling
Opptil to Bluetooth-mobilenheter kan kobles til samtidig.
- Slå på Bluetooth-funksjonen på enheten.
- Velg enhetsnavnet som vises på enhetens skjerm.
- Forsikre deg om at det samme 6-sifrede nummeret vises på denne enheten og enheten.
- Velg [YES] (ja).
Bluetooth-telefon
Grunnleggende operasjoner
| Formål | Operasjon |
| Svar på et innkommende anrop | Trykk på en hvilken som helst knapp når et anrop mottas. |
| Avslutt en samtale | Trykk på . |
| Avvis et innkommende anrop | Trykk og hold inne når et anrop mottas. |
Aktivere stemmegjenkjenningsmodus
- Trykk og hold inne
og snakk deretter inn i mikrofonen for å legge inn talekommandoer.
For å avslutte stemmegjenkjenningsmodus, trykk på BAND/
.
Opprette en tilkobling med Pioneer Smart Sync
Pioneer Smart Sync er applikasjonen som intelligent bringer kart, meldinger og musikk sammen.

Ikke forsøk å bruke applikasjonen mens du kjører. Sørg for å stoppe båten på et trygt sted før du prøver å bruke kontrollene på applikasjonen.
- Gå inn i SYSTEM-menyen (se "Om hovedmenyen").
- Vri på M.C.-hjulet for å velge [APP CONTROL] (appkontroll), og trykk deretter for å bekrefte.
- Vri på M.C.-hjulet for å velge en av nedenstående.
- Velg [WIRED] (kablet) for USB-tilkoblingen.
- Velg [BLUETOOTH] for Bluetooth-tilkoblingen.
- Vri på M.C.-hjulet for å velge [AUTO APP CONN] (automatisk apptilkobling), og trykk deretter for å bekrefte.
- Vri på M.C.-hjulet for å velge [ON] (på), og trykk deretter for å bekrefte.
- Koble denne enheten til mobilenheten via USB eller Bluetooth. Pioneer Smart Sync på iPhone/Android-enheten starter automatisk.
MERK
Uavhengig av om [AUTO APP CONN] (automatisk apptilkobling)-innstillingen er satt til [ON] (på) eller [OFF] (av), kan du også gjøre følgende for å starte Pioneer Smart Sync.
- For andre enheter enn en USB-tilkoblet Android-enhet, trykk på SRC/OFF for å velge en hvilken som helst kilde og trykk og hold inne M.C.-hjulet.
- For iPhone, start Pioneer Smart Sync på mobilenheten.
Forberedelse for SiriusXM satellittradiotjeneste
- Trykk på SRC/OFF for å velge [SIRIUSXM].
- Trykk på
for å velge kanal 0.
Radio-ID-en vises på skjermen.
I tillegg er Radio-ID-en plassert på undersiden av SiriusXM Connect Vehicle Tuner.
MERK
Radio-ID-en inkluderer ikke bokstavene I, O, S eller F. - Aktiver SiriusXM-tjenesten online eller via telefon.
For amerikanske abonnementer:- Besøk www.siriusxm.com/activatenow
- Ring SiriusXM Listener Care på 1-866-635-2349
For kanadiske abonnementer: - Besøk www.siriusxm.ca/activatexm
Ring 1-877-438-9677
- [SUBSCRIPTION UPDATED] (ABONNEMENT OPPDATERT) vises på skjermen når din SiriusXM Connect Vehicle Tuner er abonnert på.
Trykk på en vilkårlig tast for å fjerne aktiveringsmeldingen.
(Serienummer)
Serienummeret er plassert på undersiden av denne enheten. Sørg for å registrere dette nummeret på det vedlagte garantikortet før enheten installeres.

Referanser
| Pioneer Electronics USA
Pioneer USA, Car Stereo, Speakers, Home Theater, Navigation, DJ | Pioneer Electronics USA
Contact Us | Pioneer Electronics USA
Activate Now | SiriusXM
Get the plan that's right for you | SiriusXM Canada
Last ned manual
Her kan du laste ned fullstendig pdf-versjon av manualen, den kan inneholde ytterligere sikkerhetsinstruksjoner, garantiinformasjon, FCC-regler, etc.
Last ned Pioneer MVH-MS512BS - Hurtigstartguide for digital mediemottaker for marine bruk


plassert på produktet betyr likestrøm.



.
for å velge bånd.
[FM2]
.
når et anrop mottas.
og snakk deretter inn i mikrofonen for å legge inn talekommandoer.
for å velge kanal 0.