Gigabyte Z790 AORUS ELITE AX - LGA1700 ATX Motherboards Manual Rev. 1001
- 1 Identifikace revize vaší základní desky
- 2 Představení produktu
-
3
Instalace hardwaru
- 3.1 Bezpečnostní opatření při instalaci
- 3.2 Specifikace produktu
- 3.3 Instalace CPU a chladiče CPU
- 3.4 Instalace paměti
- 3.5 Instalace rozšiřující karty
- 3.6 Konektory zadního panelu
- 3.7 Integrovaná tlačítka, body měření napětí a LED diody
-
3.8
Interní konektory
- 3.8.1 ATX_12V_2X4_1/ATX_12V_2X4_2/ATX (napájecí konektory 2x4 12V a hlavní napájecí konektor 2x12)
- 3.8.2 CPU_FAN/SYS_FAN1/2/3 (konektory ventilátorů)
- 3.8.3 SYS_FAN4_PUMP (konektor systémového ventilátoru/čerpadla vodního chlazení)
- 3.8.4 CPU_OPT (konektor ventilátoru CPU pro vodní chlazení)
- 3.8.5 LED_C1/LED_C2 (konektory RGB LED pásků)
- 3.8.6 D_LED1/D_LED2 (adresovatelné konektory LED pásků)
- 3.8.7 SATA3 2 ①②/3 ①②/4/5/6/7 (konektory SATA 6 Gb/s)
- 3.8.8 M2A_CPU/M2P_SB/M2Q_SB/M2M_SB (konektory M.2 Socket 3)
- 3.8.9 F_PANEL (konektor předního panelu)
- 3.8.10 F_AUDIO (konektor zvuku na předním panelu)
- 3.8.11 F_U32C (konektor USB Type-C s podporou USB 3.2 Gen 2)
- 3.8.12 F_U32 (konektor USB 3.2 Gen 1)
- 3.8.13 F_USB1/F_USB2 (konektory USB 2.0/1.1)
- 3.8.14 SPI_TPM (konektor Trusted Platform Module)
- 3.8.15 THB_C1/THB_C2 (konektory přídavné karty Thunderbolt)
- 3.8.16 CLR_CMOS (propojka Clear CMOS)
- 3.8.17 BAT (baterie)
- 3.8.18 RST (resetovací propojka)
- 4 Nastavení systému BIOS
- 5 Instalace operačního systému a ovladačů
- 6 Konfigurace sady RAID
- 7 Odmítnutí odpovědnosti
- 8 Reference
- 9 Stáhnout návod
- 10 V jiných jazycích

Tato příručka je určena pro modely základních desek:
- Z790 AORUS ELITE AX
- Z790 AORUS ELITE
- Z790 A ELITE AX DDR4 (Z790 AORUS ELITE AX DDR4)
- Z790 A ELITE DDR4 (Z790 AORUS ELITE DDR4)
Identifikace revize vaší základní desky
Číslo revize na vaší základní desce vypadá takto: "REV: X.X." Například "REV: 1.0" znamená, že revize základní desky je 1.0. Před aktualizací systému BIOS, ovladačů nebo při hledání technických informací zkontrolujte revizi základní desky.
Příklad:

Představení produktu
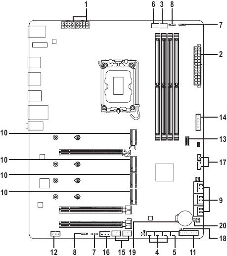
Rozložení základní desky

- Pouze pro Z790 AORUS ELITE AX.

- Pouze pro Z790 AORUS ELITE AX DDR4.
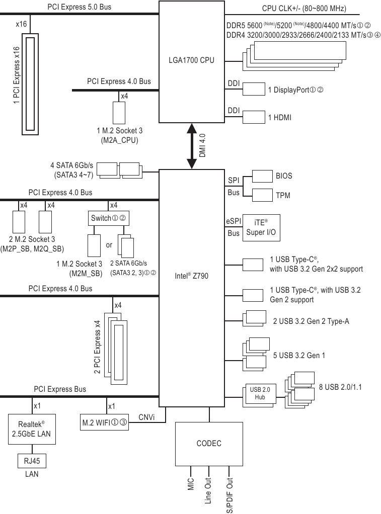
Blokové schéma základní desky

(Poznámka) Skutečná podpora se může lišit v závislosti na procesoru.
- Pouze pro Z790 AORUS ELITE AX.
- Pouze pro Z790 AORUS ELITE.
- Pouze pro Z790 AORUS ELITE AX DDR4.
- Pouze pro Z790 AORUS ELITE DDR4.
Instalace hardwaru
Bezpečnostní opatření při instalaci
Základní deska obsahuje mnoho citlivých elektronických obvodů a součástí, které se mohou poškodit v důsledku elektrostatického výboje (ESD). Před instalací si pečlivě přečtěte uživatelskou příručku a postupujte podle následujících postupů:
- Před instalací se ujistěte, že je šasi vhodné pro základní desku.
- Před instalací neodstraňujte ani nepoškozujte nálepku S/N (sériové číslo) základní desky ani záruční nálepku poskytnutou vaším prodejcem. Tyto nálepky jsou vyžadovány pro ověření záruky.
- Před instalací nebo demontáží základní desky nebo jiných hardwarových komponent vždy odpojte napájení střídavým proudem vytažením napájecího kabelu ze zásuvky.
- Při připojování hardwarových komponent k interním konektorům na základní desce se ujistěte, že jsou pevně a bezpečně připojeny.
- Při manipulaci se základní deskou se nedotýkejte kovových vodičů nebo konektorů.
- Při manipulaci s elektronickými součástkami, jako je základní deska, CPU nebo paměť, je nejlepší nosit antistatický náramek (ESD). Pokud nemáte náramek ESD, mějte ruce suché a nejprve se dotkněte kovového předmětu, abyste eliminovali statickou elektřinu.
- Před instalací základní desky ji umístěte na antistatickou podložku nebo do elektrostatického stínícího kontejneru.
- Před připojením nebo odpojením napájecího kabelu ze základní desky se ujistěte, že je napájecí zdroj vypnutý.
- Před zapnutím napájení se ujistěte, že bylo napájecí napětí nastaveno podle místní normy napětí.
- Před použitím produktu ověřte, zda jsou připojeny všechny kabely a napájecí konektory vašich hardwarových komponent.
- Abyste zabránili poškození základní desky, nedovolte, aby se šrouby dostaly do kontaktu s obvodem základní desky nebo jejími součástmi.
- Ujistěte se, že na základní desce nebo uvnitř počítačové skříně nejsou žádné zbytky šroubů nebo kovových součástí.
- Neumisťujte počítačový systém na nerovný povrch.
- Neumisťujte počítačový systém do prostředí s vysokou teplotou nebo vlhkostí.
- Zapnutí napájení počítače během procesu instalace může vést k poškození součástí systému a také k fyzickému poškození uživatele.
- Pokud si nejste jisti některým z instalačních kroků nebo máte problém související s používáním produktu, obraťte se na certifikovaného technika počítačů.
- Pokud používáte adaptér, prodlužovací napájecí kabel nebo rozvodku, ujistěte se, že jste se seznámili s jeho instalačními a/nebo uzemňovacími pokyny.
Specifikace produktu




- Pouze pro Z790 AORUS ELITE AX.
- Pouze pro Z790 AORUS ELITE.
- Pouze pro Z790 AORUS ELITE AX DDR4.
- Pouze pro Z790 AORUS ELITE DDR4.
* Společnost GIGABYTE si vyhrazuje právo provádět jakékoli změny ve specifikacích produktu a informacích souvisejících s produktem bez předchozího upozornění.
👉 Navštivte webové stránky společnosti GIGABYTE, kde najdete seznamy podporovaných procesorů, paměťových modulů, SSD a zařízení M.2.
https://www.gigabyte.com/Motherboard/Z790-AORUS-ELITE-AX-rev-10?m=dl#support-dlvv
https://www.gigabyte.com/Motherboard/Z790-AORUS-ELITE-rev-10?m=dl#support-dl
https://www.gigabyte.com/Motherboard/Z790-AORUS-ELITE-AX-DDR4-rev-10?m=dl#support-dl
https://www.gigabyte.com/Motherboard/Z790-AORUS-ELITE-DDR4-rev-10?m=dl#support-dl
👉 Navštivte stránku SLUŽBY/PODPORA\Nástroj na webových stránkách společnosti GIGABYTE a stáhněte si nejnovější verzi aplikací.
https://www.gigabyte.com/Support/Utility/Motherboard?m=ut
Instalace CPU a chladiče CPU
Před zahájením instalace CPU si přečtěte následující pokyny:
- Ujistěte se, že základní deska podporuje CPU.
(Nejnovější seznam podporovaných procesorů najdete na webových stránkách společnosti GIGABYTE.) - Před instalací CPU vždy vypněte počítač a odpojte napájecí kabel ze zásuvky, abyste zabránili poškození hardwaru.
- Najděte pin jedna CPU. CPU nelze vložit, pokud je nesprávně orientován. (Nebo můžete najít zářezy na obou stranách CPU a zarovnávací klíče na patici CPU.)
- Naneste rovnoměrnou a tenkou vrstvu teplovodivé pasty na povrch CPU.
- Nezapínejte počítač, pokud není nainstalován chladič CPU, jinak může dojít k přehřátí a poškození CPU.
- Nastavte frekvenci hostitele CPU v souladu se specifikacemi CPU. Nedoporučuje se nastavovat frekvenci systémové sběrnice nad rámec specifikací hardwaru, protože nesplňuje standardní požadavky na periferie. Pokud si přejete nastavit frekvenci nad rámec standardních specifikací, proveďte to prosím podle specifikací vašeho hardwaru, včetně CPU, grafické karty, paměti, pevného disku atd.
Poznámka k orientaci CPU
Všimněte si zarovnávacích klíčů na patici CPU základní desky a zářezů na CPU.

Před vložením CPU neodstraňujte kryt patice CPU. Může automaticky vyskočit z zátěžové desky po vložení CPU a zavření zátěžové desky.
👉 Podrobnosti o instalaci hardwaru najdete na webových stránkách společnosti GIGABYTE.
http://www.gigabyte.com/WebPage/210/quick-guide.html?m=sw
Instalace CPU
Při správné instalaci CPU do patice CPU základní desky postupujte podle následujících kroků.
- Jemně stiskněte páčku páky patice CPU dolů a od patice.
- Zcela zvedněte aretační páku patice CPU.
- Pomocí jazýčku prstu na straně kovové zátěžové desky zvedněte kovovou zátěžovou desku s připevněným plastovým ochranným krytem.
- Držte CPU prsty za okraje. Zarovnejte značku pin jedna CPU (trojúhelník) s rohem pin jedna patice CPU (nebo můžete zarovnat zářezy CPU s klíči pro zarovnání patice) a jemně vložte CPU do polohy.
![Gigabyte - Z790 AORUS ELITE AX - Instalace CPU - krok 2 Instalace CPU - krok 2]()
- Ujistěte se, že je CPU správně nainstalován, a poté zavřete zátěžovou desku. Plastový ochranný kryt vyskočí, stačí jej odstranit. Zajistěte páku pod její aretační jazýček, abyste dokončili instalaci CPU.
* Pokud CPU není nainstalován, vždy vyměňte plastový ochranný kryt, abyste chránili patici CPU.
Nepokoušejte se násilím zajistit aretační páku patice CPU, pokud CPU není správně nainstalován, protože by došlo k poškození CPU a patice CPU.
Instalace chladiče CPU
Po instalaci CPU nezapomeňte nainstalovat chladič CPU. (Skutečný proces instalace se může lišit v závislosti na použitém chladiči CPU. Podívejte se do uživatelské příručky k vašemu chladiči CPU.)
- Naneste rovnoměrnou a tenkou vrstvu teplovodivé pasty na povrch nainstalovaného CPU.
![]()
- Umístěte chladič na CPU a zarovnejte čtyři tlačné kolíky skrz otvory pro kolíky na základní desce. Zatlačte na tlačné kolíky diagonálně.
![Gigabyte - Z790 AORUS ELITE AX - Instalace chladiče CPU Instalace chladiče CPU]()
- Nakonec připojte napájecí konektor chladiče CPU k patici ventilátoru CPU (CPU_FAN) na základní desce.
Instalace paměti
Před zahájením instalace paměti si přečtěte následující pokyny:
- Ujistěte se, že základní deska podporuje paměť. Doporučuje se používat paměť se stejnou kapacitou, značkou, rychlostí a čipy. (Nejnovější podporované rychlosti paměti a paměťové moduly najdete na webových stránkách společnosti GIGABYTE.)
- Před instalací paměti vždy vypněte počítač a odpojte napájecí kabel ze zásuvky, abyste zabránili poškození hardwaru.
- Paměťové moduly mají zabezpečenou konstrukci. Paměťový modul lze nainstalovat pouze jedním směrem. Pokud nemůžete paměť vložit, přepněte směr.
Konfigurace paměti Dual Channel
Tato základní deska poskytuje čtyři patice pro paměť a podporuje technologii Dual Channel. Po instalaci paměti BIOS automaticky rozpozná specifikace a kapacitu paměti. Povolení režimu paměti Dual Channel zdvojnásobí původní šířku pásma paměti.
Čtyři patice paměti jsou rozděleny do dvou kanálů a každý kanál má dvě patice paměti, jak následuje:
- Kanál A: DDR5_A1
/DDR4_A1
, DDR5_A2
/DDR4_A2 ![]()
- Kanál B: DDR5_B1
/DDR4_B1
, DDR5_B2
/DDR4_B2 ![]()
* Doporučená konfigurace paměti Dual Channel:
DDR5_A1 ![]() DDR4_A1 | DDR5_A2 ![]() DDR4_A2 | DDR5_B1 ![]() DDR4_B1 | DDR5_B2 ![]() DDR4_B2 | |
| 2 Moduly | - - | DS/SS | - - | DS/SS |
| 4 Moduly | DS/SS | DS/SS | DS/SS | DS/SS |
(SS=Jednostranný, DS=Oboustranný, "- -"=Žádná paměť)
Kvůli omezením CPU si před instalací paměti v režimu Dual Channel přečtěte následující pokyny.
- Režim Dual Channel nelze povolit, pokud je nainstalován pouze jeden paměťový modul.
- Při povolování režimu Dual Channel se dvěma nebo čtyřmi paměťovými moduly se doporučuje používat paměť se stejnou kapacitou, značkou, rychlostí a čipy.
![Gigabyte - Z790 AORUS ELITE AX - Konfigurace paměti Dual Channel Konfigurace paměti Dual Channel]()
Při instalaci jednoho paměťového modulu doporučujeme nainstalovat jej do patice DDR5_A2
/ DDR4_A2
.
- Pouze pro Z790 AORUS ELITE AX.
- Pouze pro Z790 AORUS ELITE.
- Pouze pro Z790 AORUS ELITE AX DDR4.
- Pouze pro Z790 AORUS ELITE DDR4.
Instalace rozšiřující karty
Před instalací rozšiřující karty si přečtěte následující pokyny:
- Ujistěte se, že základní deska podporuje rozšiřující kartu. Pečlivě si přečtěte příručku, která byla dodána s vaší rozšiřující kartou.
- Před instalací rozšiřující karty vždy vypněte počítač a odpojte napájecí kabel ze zásuvky, abyste zabránili poškození hardwaru.
Při instalaci rozšiřující karty do rozšiřujícího slotu postupujte podle níže uvedených kroků.
- Najděte rozšiřující slot, který podporuje vaši kartu. Odstraňte kovový kryt slotu ze zadního panelu skříně.
- Zarovnejte kartu se slotem a zatlačte na kartu, dokud nebude zcela usazena ve slotu.
![Gigabyte - Z790 AORUS ELITE AX - Instalace rozšiřující karty Instalace rozšiřující karty]()
- Ujistěte se, že je rozšiřující karta zcela usazena ve slotu.
- Upevněte kovový držák karty k zadnímu panelu skříně šroubem.
- Po instalaci všech rozšiřujících karet nasaďte kryt(y) skříně.
- Zapněte počítač. V případě potřeby přejděte do nastavení BIOS, proveďte požadované změny systému BIOS pro vaše rozšiřující karty.
- Nainstalujte ovladač dodaný s rozšiřující kartou ve vašem operačním systému.
Konektory zadního panelu

- Port USB 2.0/1.1
Port USB podporuje specifikaci USB 2.0/1.1. Použijte tento port pro zařízení USB. - Konektory antény SMA (2T2R)
Použijte tento konektor pro připojení antény.
Utáhněte antény ke konektorům antény a poté antény správně namiřte pro lepší příjem signálu. - Port USB 3.2 Gen 2 Type-A (červený)
Port USB 3.2 Gen 2 podporuje specifikaci USB 3.2 Gen 2 a je kompatibilní se specifikacemi USB 3.2 Gen 1 a USB 2.0. Použijte tento port pro zařízení USB. - Port USB 3.2 Gen 2 Type-A (červený) (Port Q-Flash Plus)
Port USB 3.2 Gen 2 podporuje specifikaci USB 3.2 Gen 2 a je kompatibilní se specifikacemi USB 3.2 Gen 1 a USB 2.0. Použijte tento port pro zařízení USB. Před použitím Q-Flash Plus (poznámka) se ujistěte, že jste nejprve vložili USB flash disk do tohoto portu. - DisplayPort
![]()
DisplayPort poskytuje vysoce kvalitní digitální obraz a zvuk a podporuje obousměrný přenos zvuku. DisplayPort může podporovat mechanismy ochrany obsahu HDCP 2.3. Tento port můžete použít k připojení monitoru podporujícího DisplayPort. Poznámka: Technologie DisplayPort může podporovat maximální rozlišení 4096x2304@60 Hz, ale skutečné podporované rozlišení závisí na používaném monitoru. - Port HDMI
Port HDMI je kompatibilní s HDCP 2.3 a podporuje formáty Dolby TrueHD a DTS HD Master Audio. Podporuje také až 192 kHz/24bitový 7.1kanálový audio výstup LPCM. Tento port můžete použít k připojení monitoru podporujícího HDMI. Maximální podporované rozlišení je 4096x2160@60 Hz, ale skutečné podporované rozlišení závisí na používaném monitoru.
Po instalaci zařízení DisplayPort/HDMI se ujistěte, že jste nastavili výchozí zařízení pro přehrávání zvuku na DisplayPort/HDMI. (Název položky se může lišit v závislosti na vašem operačním systému.) - Port USB 3.2 Gen 1
Port USB 3.2 Gen 1 podporuje specifikaci USB 3.2 Gen 1 a je kompatibilní se specifikací USB 2.0. Použijte tento port pro zařízení USB. - Port USB Type-C®
Reverzibilní port USB podporuje specifikaci USB 3.2 Gen 2x2 a je kompatibilní se specifikacemi USB 3.2 Gen 2, USB 3.2 Gen 1 a USB 2.0. Použijte tento port pro zařízení USB. - Port RJ-45 LAN
Gigabitový ethernetový port LAN poskytuje připojení k internetu s rychlostí přenosu dat až 2,5 Gb/s. Následuje popis stavů LED diod portu LAN.
![Gigabyte - Z790 AORUS ELITE AX - Port RJ-45 LAN Port RJ-45 LAN]()
- Line Out/Front Speaker Out
Výstupní konektor linky. - Mic In/Rear Speaker Out
Vstupní konektor mikrofonu. - Optický konektor S/PDIF Out
Tento konektor poskytuje digitální audio výstup do externího audio systému, který podporuje digitální optický zvuk. Před použitím této funkce se ujistěte, že váš audio systém poskytuje optický digitální audio vstupní konektor.
- Pouze pro Z790 AORUS ELITE AX.
- Pouze pro Z790 AORUS ELITE.
- Pouze pro Z790 AORUS ELITE AX DDR4.
(Poznámka) Chcete-li povolit funkci Q-Flash Plus, přejděte na stránku "Unique Features" (Jedinečné funkce) na webových stránkách společnosti GIGABYTE, kde najdete další informace.
Konfigurace audio konektorů:
| Konektor | Sluchátka/ 2-kanálový | 4-kanálový | 5.1-kanálový | 7.1-kanálový |
Line Out/Front Speaker Out | ✓ | ✓ | ✓ | ✓ |
Mic In/Rear Speaker Out | ✓ | ✓ | ✓ | |
| Front Panel Line Out/Side Speaker Out | ✓ | |||
| Front Panel Mic In/Center/Subwoofer Speaker Out | ✓ | ✓ |
Funkci audio konektoru můžete změnit pomocí audio softwaru. Chcete-li nakonfigurovat 7.1kanálový zvuk, přejděte do audio softwaru a proveďte nastavení zvuku.
👉 Podrobnosti o konfiguraci audio softwaru najdete na webových stránkách společnosti GIGABYTE.
https://www.gigabyte.com/WebPage/697/realtek897-audio.html
- Při odpojování kabelu připojeného ke konektoru zadního panelu nejprve odpojte kabel od zařízení a poté jej odpojte od základní desky.
- Při odpojování kabelu jej vytáhněte přímo z konektoru. Nekývejte s ním ze strany na stranu, aby nedošlo ke zkratu uvnitř konektoru kabelu.
Integrovaná tlačítka, body měření napětí a LED diody
RST_SW (tlačítko Reset)
Tlačítko reset (RST_SW) umožňuje uživatelům rychle zapnout/vypnout počítač v prostředí s otevřenou skříní, když chtějí změnit hardwarové komponenty nebo provést testování hardwaru.

Tlačítko reset vám poskytuje několik funkcí, které můžete použít. Chcete-li tlačítko přemapovat na provádění různých úloh, přejděte na stránku "BIOS Setup" (Nastavení systému BIOS) na webových stránkách společnosti GIGABYTE a vyhledejte "RST_SW (MULTIKEY)" pro více informací.
CLR_SW (tlačítko Clear CMOS)
Toto tlačítko použijte k vymazání konfigurace systému BIOS a resetování hodnot CMOS na výchozí tovární nastavení, když je to nutné.

- Před použitím tlačítka Clear CMOS vždy vypněte počítač a odpojte napájecí kabel ze zásuvky.
- Nepoužívejte tlačítko Clear CMOS, když je systém zapnutý, jinak se může systém vypnout a může dojít ke ztrátě dat nebo poškození.
- Po restartování systému přejděte do nastavení systému BIOS a načtěte výchozí tovární nastavení (vyberte možnost Load Optimized Defaults (Načíst optimalizovaná výchozí nastavení)) nebo ručně nakonfigurujte nastavení systému BIOS (další informace najdete na stránce "BIOS Setup" (Nastavení systému BIOS) na webových stránkách společnosti GIGABYTE).
QFLASH_PLUS (tlačítko Q-Flash Plus)
Q-Flash Plus vám umožňuje aktualizovat systém BIOS, když je systém vypnutý (stav vypnutí S5). Uložte nejnovější verzi systému BIOS na USB flash disk, zapojte jej do vyhrazeného portu a poté můžete systém BIOS automaticky flashovat pouhým stisknutím tlačítka Q-Flash Plus. QFLED bude blikat, když se spustí činnosti odpovídající a flashující systém BIOS, a přestane blikat po dokončení hlavního flashování systému BIOS.
Chcete-li povolit funkci Q-Flash Plus, přejděte na stránku "Unique Features" (Jedinečné funkce) na webových stránkách společnosti GIGABYTE, kde najdete další informace.
Stavové LED diody
Stavové LED diody ukazují, zda po zapnutí systému správně funguje procesor CPU, paměť, grafická karta a operační systém. Pokud svítí LED dioda CPU/DRAM/VGA, znamená to, že odpovídající zařízení nefunguje normálně; pokud svítí LED dioda BOOT, znamená to, že jste ještě nevstoupili do operačního systému.

CPU: Stavová LED dioda CPU
DRAM: Stavová LED dioda paměti
VGA: Stavová LED dioda grafické karty
BOOT: Stavová LED dioda operačního systému
Interní konektory

- ATX_12V_2X4_1/ATX_12V_2X4_2
- ATX
- CPU_FAN
- SYS_FAN1/2/3
- SYS_FAN4_PUMP
- CPU_OPT
- LED_C1/LED_C2
- D_LED1/D_LED2
- SATA3 2
/3
/4/5/6/7 - M2A_CPU/M2P_SB/M2Q_SB/M2M_SB
- F_PANEL
- F_AUDIO
- F_U32C
- F_U32
- F_USB1/F_USB2
- SPI_TPM
- THB_C1/THB_C2
- CLR_CMOS
- BAT
- RST
Před připojením externích zařízení si přečtěte následující pokyny:
- Nejprve se ujistěte, že jsou vaše zařízení kompatibilní s konektory, které chcete připojit.
- Před instalací zařízení se ujistěte, že jste zařízení a počítač vypnuli. Odpojte napájecí kabel ze zásuvky, abyste předešli poškození zařízení.
- Po instalaci zařízení a před zapnutím počítače se ujistěte, že je kabel zařízení bezpečně připojen ke konektoru na základní desce.
- Pouze pro Z790 AORUS ELITE AX.
- Pouze pro Z790 AORUS ELITE.
ATX_12V_2X4_1/ATX_12V_2X4_2/ATX (napájecí konektory 2x4 12V a hlavní napájecí konektor 2x12)
Pomocí napájecího konektoru může napájecí zdroj dodávat dostatek stabilního napájení všem komponentům na základní desce. Před připojením napájecího konektoru se nejprve ujistěte, že je napájecí zdroj vypnutý a všechna zařízení jsou správně nainstalována. Napájecí konektor má zabezpečenou konstrukci. Připojte napájecí kabel ke konektoru napájení ve správné orientaci.
12V napájecí konektor napájí hlavně CPU. Pokud není 12V napájecí konektor připojen, počítač se nespustí.
Pro splnění požadavků na rozšíření se doporučuje použít napájecí zdroj, který vydrží vysokou spotřebu energie (500 W nebo více). Pokud je použit napájecí zdroj, který neposkytuje požadovaný výkon, může to vést k nestabilnímu nebo nespustitelnému systému.

CPU_FAN/SYS_FAN1/2/3 (konektory ventilátorů)
Všechny konektory ventilátorů na této základní desce jsou 4pinové. Většina konektorů ventilátorů má zabezpečenou konstrukci pro zasunutí. Při připojování kabelu ventilátoru jej připojte ve správné orientaci (černý vodič konektoru je zemnicí vodič). Funkce řízení otáček vyžaduje použití ventilátoru s konstrukcí řízení otáček. Pro optimální odvod tepla se doporučuje instalovat systémový ventilátor uvnitř šasi.

SYS_FAN4_PUMP (konektor systémového ventilátoru/čerpadla vodního chlazení)
Konektor ventilátoru/čerpadla je 4pinový a má zabezpečenou konstrukci pro zasunutí. Většina konektorů ventilátorů má zabezpečenou konstrukci pro zasunutí. Při připojování kabelu ventilátoru jej připojte ve správné orientaci (černý vodič konektoru je zemnicí vodič). Funkce řízení otáček vyžaduje použití ventilátoru s konstrukcí řízení otáček. Pro optimální odvod tepla se doporučuje instalovat systémový ventilátor uvnitř šasi. Konektor také poskytuje regulaci otáček pro čerpadlo vodního chlazení. Navštivte stránku "BIOS Setup" (Nastavení systému BIOS) na webových stránkách společnosti GIGABYTE a vyhledejte "Smart Fan 6" pro více informací.

- Ujistěte se, že jste připojili kabely ventilátoru ke konektorům ventilátoru, abyste zabránili přehřátí procesoru a systému. Přehřátí může způsobit poškození procesoru nebo se systém může zablokovat.
- Tyto konektory ventilátoru nejsou konfigurační propojovací bloky. Na konektory neumisťujte propojovací krytku.
CPU_OPT (konektor ventilátoru CPU pro vodní chlazení)
Konektor ventilátoru je 4pinový a má zabezpečenou konstrukci pro zasunutí. Většina konektorů ventilátorů má zabezpečenou konstrukci pro zasunutí. Při připojování kabelu ventilátoru jej připojte ve správné orientaci (černý vodič konektoru je zemnicí vodič). Funkce řízení otáček vyžaduje použití ventilátoru s konstrukcí řízení otáček.
LED_C1/LED_C2 (konektory RGB LED pásků)
Tyto konektory lze použít k připojení standardního 5050 RGB LED pásku (12 V/G/R/B) s maximálním příkonem 2 A (12 V) a maximální délkou 2 m.

Připojte svůj RGB LED pásek ke konektoru. Napájecí pin (označený trojúhelníkem na zástrčce) LED pásku musí být připojen k pinu 1 (12 V) tohoto konektoru. Nesprávné připojení může vést k poškození LED pásku.
Informace o tom, jak zapnout/vypnout světla LED pásku, naleznete na stránce "Unique Features" (Unikátní funkce) na webových stránkách společnosti GIGABYTE.
Před instalací zařízení se ujistěte, že jste zařízení a počítač vypnuli. Odpojte napájecí kabel ze zásuvky, abyste předešli poškození zařízení.
D_LED1/D_LED2 (adresovatelné konektory LED pásků)
Tyto konektory lze použít k připojení standardního 5050 adresovatelného LED pásku s maximálním příkonem 5 A (5 V) a maximálním počtem 1000 LED diod.

Připojte svůj adresovatelný LED pásek ke konektoru. Napájecí pin (označený trojúhelníkem na zástrčce) LED pásku musí být připojen k pinu 1 adresovatelného konektoru LED pásku. Nesprávné připojení může vést k poškození LED pásku.
Informace o tom, jak zapnout/vypnout světla LED pásku, naleznete na stránce "Unique Features" (Unikátní funkce) na webových stránkách společnosti GIGABYTE.
Před instalací zařízení se ujistěte, že jste zařízení a počítač vypnuli. Odpojte napájecí kabel ze zásuvky, abyste předešli poškození zařízení.
SATA3 2 ①②/3 ①②/4/5/6/7 (konektory SATA 6 Gb/s)
Konektory SATA odpovídají standardu SATA 6 Gb/s a jsou kompatibilní se standardy SATA 3 Gb/s a SATA 1,5 Gb/s. Každý konektor SATA podporuje jediné zařízení SATA. Čipová sada Intel® podporuje RAID 0, RAID 1, RAID 5 a RAID 10. Pokyny pro konfiguraci pole RAID naleznete na stránce "Configuring a RAID Set" (Konfigurace sady RAID) na webových stránkách společnosti GIGABYTE.

Chcete-li povolit funkci hot-plugging pro porty SATA, navštivte stránku "BIOS Setup" (Nastavení systému BIOS) na webových stránkách společnosti GIGABYTE a vyhledejte "SATA Configuration" (Konfigurace SATA), kde naleznete více informací.
- Pouze pro Z790 AORUS ELITE AX.
- Pouze pro Z790 AORUS ELITE.
M2A_CPU/M2P_SB/M2Q_SB/M2M_SB (konektory M.2 Socket 3)
Existují dva typy M.2 SSD: M.2 SATA SSD a M.2 PCIe SSD. Ujistěte se, že jste ověřili, který typ M.2 SSD je podporován paticí M.2, kterou chcete použít. Vezměte prosím na vědomí, že M.2 PCIe SSD nelze použít k vytvoření sady RAID ani s M.2 SATA SSD, ani s pevným diskem SATA. Pokyny ke konfiguraci pole RAID naleznete na stránce "Konfigurace sady RAID" na webových stránkách společnosti GIGABYTE.

Chcete-li správně nainstalovat M.2 SSD do konektoru M.2, postupujte podle následujících kroků.
Krok 1:
Chcete-li získat přístup ke slotu M.2, který chcete použít, povolte šrouby na chladiči základní desky diagonálně a chladič odstraňte. Najděte správný montážní otvor pro instalaci M.2 SSD a poté nejprve nainstalujte klip M.2 EZ-Latch Plus.
Pokud chcete nainstalovat M.2 SSD do otvoru 110 mm, který již má distanční sloupek chladiče základní desky, nezapomeňte nejprve odstranit klip EZ-Latch Plus a pomocí šroubu chladiče základní desky zajistěte chladič a SSD.
Krok 2:
Odstraňte ochrannou fólii z termální podložky na konektoru M.2. Zasuňte M.2 SSD do konektoru M.2 pod úhlem.
Krok 3:
Zatlačte na přední konec M.2 SSD a ujistěte se, že je M.2 SSD zajištěn klipem M.2 EZ-Latch Plus. Odstraňte ochrannou fólii ze spodní části chladiče základní desky a poté vraťte chladič zpět a diagonálně utáhněte šrouby.
* Typy M.2 SSD podporované jednotlivými konektory M.2:
| M.2 PCIe x4 SSD | M.2 PCIe x2 SSD | M.2 SATA SSD | |
| M2A_CPU | ✓ | ✓ | x |
| M2P_SB | ✓ | ✓ | x |
| M2Q_SB | ✓ | ✓ | x |
| M2M_SB | ✓ | ✓ | ✓ |
👉 Podrobnosti o používání M.2 EZ-Latch Plus naleznete na webových stránkách společnosti GIGABYTE.
Instalace M.2 SSD: https://www.gigabyte.com/WebPage/920/M2-latchplus.html
Vyjmutí M.2 SSD: https://www.gigabyte.com/WebPage/921/removeM2.html
* Konstrukce chladiče základní desky se může u jednotlivých modelů lišit.
Upozornění k instalaci konektorů M.2 a SATA
:
Dostupnost konektorů SATA může být ovlivněna typem zařízení nainstalovaného v paticích M.2. Konektor M2M_SB sdílí šířku pásma s konektorem SATA3 2, 3. Podrobnosti naleznete v následující tabulce.

- Pouze pro Z790 AORUS ELITE AX.
- Pouze pro Z790 AORUS ELITE.
F_PANEL (konektor předního panelu)
Připojte vypínač, resetovací spínač, reproduktor, spínač/senzor vniknutí do šasi a indikátor stavu systému na šasi k tomuto konektoru podle níže uvedeného přiřazení pinů. Před připojením kabelů si všimněte kladných a záporných pinů.

- PLED/PWR_LED (Power LED):
Připojuje se k indikátoru stavu napájení na předním panelu šasi. LED dioda svítí, když je systém v provozu. LED dioda nesvítí, když je systém v režimu spánku S3/S4 nebo je vypnutý (S5).Stav systému LED S0 Svítí S3/S4/S5 Nesvítí - PW (vypínač):
Připojuje se k vypínači na předním panelu šasi. Můžete nakonfigurovat způsob vypnutí systému pomocí vypínače (navštivte stránku "Nastavení BIOSu" na webových stránkách společnosti GIGABYTE a vyhledejte "Soft-Off by PWR-BTTN", kde najdete další informace). - SPEAK (reproduktor):
Připojuje se k reproduktoru na předním panelu šasi. Systém hlásí stav spouštění systému pomocí pípnutí. Pokud při spouštění systému nebyl zjištěn žádný problém, uslyšíte jedno krátké pípnutí. - HD (LED dioda aktivity pevného disku):
Připojuje se k LED diodě aktivity pevného disku na předním panelu šasi. LED dioda svítí, když pevný disk čte nebo zapisuje data. - RES (resetovací spínač):
Připojuje se k resetovacímu spínači na předním panelu šasi. Stisknutím resetovacího spínače restartujete počítač, pokud počítač zamrzne a nepodaří se provést normální restart. - CI (konektor pro vniknutí do šasi):
Připojuje se ke spínači/senzoru vniknutí do šasi na šasi, který dokáže zjistit, zda byl sejmut kryt šasi. Tato funkce vyžaduje šasi se spínačem/senzorem vniknutí do šasi. - NC: Bez připojení.
Konstrukce předního panelu se může u jednotlivých šasi lišit. Modul předního panelu se skládá hlavně z vypínače, resetovacího spínače, LED diody napájení, LED diody aktivity pevného disku, reproduktoru atd. Při připojování modulu předního panelu šasi k tomuto konektoru se ujistěte, že přiřazení vodičů a přiřazení pinů odpovídají správně.
F_AUDIO (konektor zvuku na předním panelu)
Konektor zvuku na předním panelu podporuje High Definition audio (HD). K tomuto konektoru můžete připojit zvukový modul předního panelu šasi. Ujistěte se, že přiřazení vodičů konektoru modulu odpovídají přiřazení pinů konektoru základní desky. Nesprávné připojení konektoru modulu a konektoru základní desky způsobí, že zařízení nebude fungovat, nebo jej dokonce poškodí.
Některé šasi poskytují zvukový modul předního panelu, který má oddělené konektory na každém vodiči namísto jediné zástrčky. Informace o připojení zvukového modulu předního panelu, který má různá přiřazení vodičů, získáte od výrobce šasi.
F_U32C (konektor USB Type-C® s podporou USB 3.2 Gen 2)
Konektor odpovídá specifikaci USB 3.2 Gen 2 a může poskytovat jeden port USB.
F_U32 (konektor USB 3.2 Gen 1)
Konektor odpovídá specifikaci USB 3.2 Gen 1 a USB 2.0 a může poskytovat dva porty USB. Chcete-li zakoupit volitelný 3,5" přední panel, který poskytuje dva porty USB 3.2 Gen 1, kontaktujte místního prodejce.

F_USB1/F_USB2 (konektory USB 2.0/1.1)
Konektory odpovídají specifikaci USB 2.0/1.1. Každý konektor USB může poskytovat dva porty USB prostřednictvím volitelného držáku USB. Chcete-li zakoupit volitelný držák USB, kontaktujte místního prodejce.

Před instalací držáku USB se ujistěte, že jste vypnuli počítač a odpojili napájecí kabel ze zásuvky, abyste zabránili poškození držáku USB.
SPI_TPM (konektor Trusted Platform Module)
K tomuto konektoru můžete připojit SPI TPM (Trusted Platform Module).

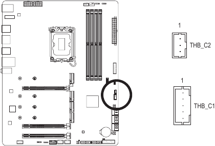
THB_C1/THB_C2 (konektory přídavné karty Thunderbolt™)
Konektory se používají k připojení přídavné karty GIGABYTE Thunderbolt™.


Podporuje přídavnou kartu Thunderbolt™.
CLR_CMOS (propojka Clear CMOS)
Pomocí této propojky vymažete konfiguraci systému BIOS a resetujete hodnoty CMOS na výchozí tovární nastavení. Chcete-li vymazat hodnoty CMOS, dotkněte se obou pinů kovovým předmětem, například šroubovákem, na několik sekund.

- Před vymazáním hodnot CMOS vždy vypněte počítač a odpojte napájecí kabel ze zásuvky.
- Po restartu systému přejděte do nastavení systému BIOS a načtěte výchozí tovární nastavení (vyberte možnost Load Optimized Defaults) nebo ručně nakonfigurujte nastavení systému BIOS (navštivte stránku "Nastavení systému BIOS" na webových stránkách společnosti GIGABYTE, kde najdete další informace).
BAT (baterie)
Baterie zajišťuje napájení, aby se hodnoty (jako konfigurace BIOSu, datum a čas) v CMOS uchovaly i po vypnutí počítače. Baterii vyměňte, když napětí baterie klesne na nízkou úroveň, jinak hodnoty CMOS nemusí být přesné nebo se mohou ztratit.

Hodnoty CMOS můžete vymazat vyjmutím baterie:
- Vypněte počítač a odpojte napájecí kabel.
- Jemně vyjměte baterii z držáku baterie a počkejte jednu minutu. (Nebo použijte kovový předmět, například šroubovák, a dotkněte se kladného a záporného pólu držáku baterie, čímž je na 5 sekund zkratujete.)
- Vyměňte baterii.
- Zapojte napájecí kabel a restartujte počítač.
- Před výměnou baterie vždy vypněte počítač a odpojte napájecí kabel.
- Baterii vyměňte za ekvivalentní. Pokud baterii vyměníte za nesprávný model, může dojít k poškození vašich zařízení.
- Pokud si nejste jisti modelem baterie nebo si ji nemůžete sami vyměnit, kontaktujte prodejce nebo místního prodejce.
- Při instalaci baterie dbejte na orientaci kladné strany (+) a záporné strany (-) baterie (kladná strana by měla směřovat nahoru).
- S použitými bateriemi je nutné nakládat v souladu s místními předpisy na ochranu životního prostředí.
RST (resetovací propojka)
Resetovací propojku (RST) lze připojit k resetovacímu spínači na předním panelu šasi. Stisknutím resetovacího spínače restartujte počítač, pokud počítač zamrzne a nelze jej normálně restartovat.

Resetovací propojka vám poskytuje několik funkcí. Chcete-li tlačítko přemapovat a provádět různé úkoly, přejděte na stránku "BIOS Setup" webu společnosti GIGABYTE a vyhledejte "RST_SW (MULTIKEY)" pro více informací.
Nastavení systému BIOS
BIOS (Basic Input and Output System) zaznamenává hardwarové parametry systému do CMOS na základní desce. Mezi jeho hlavní funkce patří provedení testu Power-On Self-Test (POST) při spuštění systému, ukládání parametrů systému a načítání operačního systému atd. BIOS obsahuje program BIOS Setup, který uživateli umožňuje upravit základní nastavení konfigurace systému nebo aktivovat určité funkce systému.
Když je vypnuto napájení, baterie na základní desce dodává potřebnou energii do CMOS, aby se hodnoty konfigurace v CMOS udržely.
Pro přístup do programu BIOS Setup stiskněte klávesu <Delete> během testu POST, když je zapnuto napájení.
Chcete-li aktualizovat systém BIOS, použijte nástroj GIGABYTE Q-Flash nebo Q-Flash Plus.
- Q-Flash umožňuje uživateli rychle a snadno aktualizovat nebo zálohovat systém BIOS bez nutnosti vstupu do operačního systému.
- Q-Flash Plus umožňuje aktualizovat systém BIOS, když je systém vypnutý (stav vypnutí S5). Uložte nejnovější systém BIOS na USB flash disk a zapojte jej do vyhrazeného portu a poté můžete systém BIOS automaticky aktualizovat jednoduchým stisknutím tlačítka Q-Flash Plus.
Pokyny k používání nástrojů Q-Flash a Q-Flash Plus naleznete na stránce "Unique Features" (Jedinečné funkce) na webových stránkách společnosti GIGABYTE a vyhledejte "BIOS Update Utilities" (Nástroje pro aktualizaci systému BIOS).
- Protože aktualizace systému BIOS je potenciálně riziková, pokud nenarazíte na problémy s používáním aktuální verze systému BIOS, doporučujeme systém BIOS neaktualizovat. Pokud chcete systém BIOS aktualizovat, postupujte opatrně. Nedostatečná aktualizace systému BIOS může vést k poruše systému.
- Doporučuje se neměnit výchozí nastavení (pokud to není nutné), aby se zabránilo nestabilitě systému nebo jiným neočekávaným výsledkům. Nedostatečná změna nastavení může vést k selhání spuštění systému. Pokud k tomu dojde, zkuste vymazat hodnoty CMOS a resetovat desku na výchozí hodnoty.
- Informace o vymazání hodnot CMOS naleznete v kapitolách o baterii/propojce pro vymazání CMOS/tlačítku v kapitole Instalace hardwaru nebo přejděte na stránku "BIOS Setup" (Nastavení systému BIOS) na webových stránkách společnosti GIGABYTE a vyhledejte "Load Optimized Defaults" (Načíst optimalizovaná výchozí nastavení).
👉 Podrobné informace o konfiguraci systému BIOS naleznete na webových stránkách společnosti GIGABYTE.
https://www.gigabyte.com/WebPage/928/intel700-bios.html
Úvodní obrazovka
Při spuštění počítače se zobrazí následující úvodní obrazovka s logem.

Funkční klávesy
<DEL>: BIOS SETUP\Q-FLASH
Stisknutím klávesy <Delete> vstoupíte do nastavení systému BIOS nebo získáte přístup k nástroji Q-Flash v nastavení systému BIOS.
<F12>: BOOT MENU
Boot Menu (Bootovací nabídka) umožňuje nastavit první spouštěcí zařízení bez nutnosti vstupu do nastavení systému BIOS. V Boot Menu (Bootovací nabídce) použijte klávesu šipka nahoru <
> nebo klávesu šipka dolů <↓> pro výběr prvního spouštěcího zařízení, poté stiskněte <Enter> pro potvrzení. Systém se spustí z tohoto zařízení okamžitě.
Poznámka: Nastavení v Boot Menu (Bootovací nabídce) je účinné pouze jednou. Po restartování systému bude pořadí spouštění zařízení stále založeno na nastavení systému BIOS.
<END>: Q-FLASH
Stisknutím klávesy <End> získáte přímý přístup k nástroji Q-Flash, aniž byste museli nejprve vstoupit do nastavení systému BIOS.
Instalace operačního systému a ovladačů
Instalace operačního systému
Se správným nastavením systému BIOS jste připraveni k instalaci operačního systému.
Chcete-li nainstalovat operační systém na svazek RAID, musíte nejprve během procesu instalace operačního systému nainstalovat ovladač Intel® RST VMD Controller. Postupujte podle následujících kroků:
Krok 1:
Přejděte na webové stránky společnosti GIGABYTE, přejděte na webovou stránku modelu základní desky, stáhněte si soubor Intel SATA Preinstall driver (Ovladač Intel SATA Preinstall) na stránce Support\Download\SATA RAID/AHCI (Podpora\Stahování\SATA RAID/AHCI), rozbalte soubor a zkopírujte soubory na USB flash disk.
Krok 2:
Spusťte systém z instalačního disku Windows a proveďte standardní kroky instalace operačního systému. Když se zobrazí obrazovka s výzvou k načtení ovladače, vyberte Browse (Procházet).
Krok 3:
Vložte USB flash disk a poté přejděte do umístění ovladače. Když se zobrazí obrazovka, jak je uvedeno níže, vyberte Intel RST VMD Controller 467F a klikněte na Next (Další) pro načtení ovladače a pokračování v instalaci operačního systému.

Instalace ovladačů
Po instalaci operačního systému se v pravém dolním rohu plochy zobrazí dialogové okno s dotazem, zda chcete stáhnout a nainstalovat ovladače a aplikace GIGABYTE prostřednictvím GIGABYTE Control Center (GCC). Kliknutím na Install (Nainstalovat) pokračujte v instalaci. (V nastavení systému BIOS se ujistěte, že Settings\Gigabyte Utilities Downloader Configuration\Gigabyte Utilities Downloader (Nastavení\Konfigurace stahovače nástrojů Gigabyte\Stahovač nástrojů Gigabyte) je nastaveno na Enabled (Povoleno).)

Když se zobrazí dialogové okno Licenční smlouva s koncovým uživatelem, stiskněte <Accept> (Přijmout) pro instalaci GIGABYTE Control Center (GCC). Na obrazovce GIGABYTE CONTROL CENTER vyberte ovladače a aplikace, které chcete nainstalovat, a klikněte na Install (Nainstalovat).

Před instalací se ujistěte, že je systém připojen k internetu.
👉 Další informace o softwaru naleznete na webových stránkách společnosti GIGABYTE.
https://www.gigabyte.com/WebPage/926/intel700-app.html
👉 Další informace o odstraňování problémů naleznete na webových stránkách společnosti GIGABYTE.
https://www.gigabyte.com/WebPage/351/faq.html
Konfigurace sady RAID
Úrovně RAID
| RAID 0 | RAID 1 | RAID 5 | RAID 10 | |
| Minimální počet pevných disků | ≥2 | 2 | ≥3 | 4 |
| Kapacita pole | Počet pevných disků * Velikost nejmenšího disku | Velikost nejmenšího disku | (Počet pevných disků -1) * Velikost nejmenšího disku | (Počet pevných disků/2) * Velikost nejmenšího disku |
| Odolnost proti chybám | Ne | Ano | Ano | Ano |
Než začnete, připravte si následující položky
Tato základní deska podporuje RAID 0, RAID 1, RAID 5 a RAID 10. Před konfigurací pole RAID si připravte správný počet pevných disků, jak je uvedeno v tabulce výše.
- Pevné disky SATA nebo SSD. Pro zajištění optimálního výkonu se doporučuje používat dva pevné disky se stejným modelem a kapacitou.
- Instalační disk Windows.
- Počítač připojený k internetu.
- USB flash disk.

- Upozorňujeme, že disk M.2 PCIe SSD nelze použít k vytvoření sady RAID s pevným diskem SATA.
- Informace o instalaci konektorů M.2 a SATA naleznete v části "Internal Connectors" (Interní konektory) v uživatelské příručce.
👉 Podrobné informace o konfiguraci pole RAID naleznete na webových stránkách společnosti GIGABYTE.
https://www.gigabyte.com/WebPage/927/intel700-raid.html
Odmítnutí odpovědnosti
Informace v této příručce jsou chráněny autorskými zákony a jsou majetkem společnosti GIGABYTE. Společnost GIGABYTE může provádět změny ve specifikacích a funkcích v této příručce bez předchozího upozornění. Žádná část této příručky nesmí být reprodukována, kopírována, překládána, přenášena nebo publikována v jakékoli formě nebo jakýmikoli prostředky bez předchozího písemného svolení společnosti GIGABYTE.
- Podrobné informace o produktu naleznete v uživatelské příručce.
- Pro rychlé nastavení produktu se podívejte do Stručné instalační příručky na webových stránkách společnosti GIGABYTE.
https://download.gigabyte.com/FileList/Manual/mb_manual_quick-guide_am5.pdf?m=sw
Informace týkající se produktu naleznete na našich webových stránkách: https://www.gigabyte.com
Další podrobnosti o produktu naleznete na webových stránkách společnosti GIGABYTE.
https://www.gigabyte.com/Motherboard/Z790-AORUS-ELITE-AX-rev-10?m=ma#kf
https://www.gigabyte.com/Motherboard/Z790-AORUS-ELITE-rev-10?m=ma#kf
https://www.gigabyte.com/Motherboard/Z790-AORUS-ELITE-AX-DDR4-rev-10?m=ma#kf
https://www.gigabyte.com/Motherboard/Z790-AORUS-ELITE-DDR4-rev-10?m=ma#kf

Společnost GIGABYTE sníží spotřebu papíru, aby splnila povinnosti globálního občana. Také, aby se snížily dopady na globální oteplování, jsou obalové materiály tohoto produktu recyklovatelné a opakovaně použitelné. Společnost GIGABYTE s vámi spolupracuje na ochraně životního prostředí.
Autorská práva
© 2023 GIGA-BYTE TECHNOLOGY CO., LTD. Všechna práva vyhrazena.
Ochranné známky uvedené v této příručce jsou zákonně registrovány příslušným vlastníkům.
Reference
Z790 AORUS ELITE AX (rev. 1.0) Key Features | Motherboard - GIGABYTE Global
Z790 AORUS ELITE (rev. 1.0) Key Features | Motherboard - GIGABYTE Global
Z790 AORUS ELITE AX DDR4 (rev. 1.x) Key Features | Motherboard - GIGABYTE Global
Z790 AORUS ELITE DDR4 (rev. 1.0) Key Features | Motherboard - GIGABYTE Global
Utility | Service / Support - GIGABYTE GlobalGIGABYTE Quick-Guide
GIGABYTE Global
Z790 AORUS ELITE AX (rev. 1.0) Key Features | Motherboard - GIGABYTE Global
Z790 AORUS ELITE (rev. 1.0) Key Features | Motherboard - GIGABYTE Global
Z790 AORUS ELITE AX DDR4 (rev. 1.x) Key Features | Motherboard - GIGABYTE Global
Z790 AORUS ELITE DDR4 (rev. 1.0) Key Features | Motherboard - GIGABYTE Global
Z790 AORUS ELITE AX (rev. 1.0) Key Features | Motherboard - GIGABYTE Global
Z790 AORUS ELITE (rev. 1.0) Key Features | Motherboard - GIGABYTE Global
Z790 AORUS ELITE AX DDR4 (rev. 1.x) Key Features | Motherboard - GIGABYTE Global
Z790 AORUS ELITE DDR4 (rev. 1.0) Key Features | Motherboard - GIGABYTE Global
Utility | Service / Support - GIGABYTE GlobalGIGABYTE Realtek Audio
M.2 EZ-Latch PLUS
Remove M.2
GIGABYTE Intel 700 Series BIOS Setup
Stáhnout návod
Zde si můžete stáhnout úplnou verzi návodu ve formátu pdf, může obsahovat další bezpečnostní pokyny, informace o záruce, pravidla FCC atd.
Stáhnout Gigabyte Z790 AORUS ELITE AX - LGA1700 ATX Motherboards Manual Rev. 1001





Utáhněte antény ke konektorům antény a poté antény správně namiřte pro lepší příjem signálu.
Po instalaci zařízení DisplayPort/HDMI se ujistěte, že jste nastavili výchozí zařízení pro přehrávání zvuku na DisplayPort/HDMI. (Název položky se může lišit v závislosti na vašem operačním systému.)
Line Out/Front Speaker Out
Mic In/Rear Speaker Out