Roland KC-550/KC-350 - Manuale dell'Amplificatore per Tastiere

Introduzione
Queste sezioni forniscono informazioni importanti riguardanti il corretto funzionamento dell'unità. Inoltre, per essere certi di aver compreso bene ogni funzionalità fornita dalla nuova unità, il manuale dell'utente deve essere letto integralmente. Il manuale deve essere conservato e tenuto a portata di mano come riferimento utile.
Prima di utilizzare questa unità, leggere attentamente le sezioni intitolate:
- ISTRUZIONI IMPORTANTI PER LA SICUREZZA
- UTILIZZO DELL'UNITÀ IN SICUREZZA
- NOTE IMPORTANTI
Caratteristiche Principali
- Questo amplificatore monitor-speaker è progettato per fornire un suono di alta qualità per una varietà di sorgenti, tra cui tastiere digitali e moduli sonori.
- I sistemi di altoparlanti a due vie degli amplificatori sono costituiti da un altoparlante da 38 cm (15 pollici) (nel KC-550; il KC-350 include un altoparlante da 30 cm [12 pollici]) e un horn/tweeter. Questi amplificatori sono dotati anche di un'elevata potenza in uscita, con il KC-550 che eroga 180 watt e il KC-350 120 watt.
- La sezione di ingresso presenta un mixer stereo a quattro canali. Il CH 1 è dotato di un connettore XLR oltre a supportare l'ingresso microfonico.
- Il CH 4 include un interruttore di selezione che consente di scegliere la destinazione per l'uscita. Questa caratteristica completa le funzioni di monitor.
- Il KC-550/KC-350 è dotato di un equalizzatore a tre bande. Inoltre, se combinato con l'interruttore SHAPE, sono possibili ancora più variazioni timbriche.
- Dispone di un jack SUBWOOFER OUT, che consente il collegamento di un subwoofer amplificato per la riproduzione di bassi ancora più impressionanti.
- Fornito di un jack AUX IN di tipo RCA phono, che facilita il collegamento di dispositivi come lettori CD e MD.
- Dotato di uscite di linea, che lo rendono comodo da collegare a un mixer o registratore esterno.
- Dotato di funzione STEREO LINK. La riproduzione stereo è abilitata semplicemente collegando due unità KC-550 o KC-350 con un singolo cavo audio (tipo phone).
Descrizioni dei Pannelli
Sezione di Controllo

- CONTROLLO CANALE
Il mixaggio stereo a 4 canali è offerto dai controlli CHANNEL CONTROL (CONTROLLO CANALE).
* Quando si utilizza nella configurazione "Stereo Link", fare riferimento a "Stereo Link" (p. 12).
CH 1, CH 2, CH 3
Questi regolano i livelli di volume per CH 1, CH 2 e CH 3.
CH 1 accetta l'ingresso microfonico.
CH 4
Questo regola il livello di volume per CH 4.
CH 4 include un interruttore di selezione che consente di scegliere la destinazione per l'uscita.
OUTPUT SEL (selezione uscita) Switch
Questo interruttore seleziona la combinazione di uscite—cuffie, altoparlanti e uscite di linea—a cui vengono inviati i segnali in ingresso a CH 4.
![]()
![]()
L'uscita è attraverso le cuffie e gli altoparlanti interni. Nessun segnale viene emesso verso l'uscita di linea (Line Out).
![]()
L'uscita è solo attraverso le cuffie. Nessun segnale viene emesso verso gli altoparlanti interni e l'uscita di linea (Line Out).
![]()
L'uscita è attraverso le cuffie, gli altoparlanti interni e l'uscita di linea (Line Out).
* L'interruttore OUTPUT SEL (selezione uscita) è utile in situazioni come le seguenti.
: Selezionare questa posizione quando si desidera ascoltare click guida o una drum machine (ad esempio) attraverso le cuffie, senza uscita verso gli altoparlanti interni o esterni.
: Questa può essere una funzione utile quando si desidera utilizzare l'amplificatore come monitor di ritorno durante un'esibizione dal vivo.
Questo è efficace per prevenire il rumore di loop che può verificarsi a volte, come quando l'ingresso CH 4 e l'uscita di linea (Line Out) sul KC-550/KC-350 sono entrambi collegati a un mixer.
: Utilizzare CH 4 allo stesso modo di CH 1 fino a CH 3.
PHONES (CUFFIE)
Manopola PHONES VOLUME (VOLUME CUFFIE)
Questa manopola regola il volume delle cuffie.
* La manopola PHONES VOLUME (VOLUME CUFFIE) influisce solo sull'uscita delle cuffie.
PHONES (CUFFIE) Jack
Questo è per il collegamento delle cuffie.
* Gli altoparlanti dell'amplificatore funzionano anche quando le cuffie sono collegate.
* Prima di collegare o scollegare le cuffie, assicurarsi di posizionare la manopola PHONES VOLUME (VOLUME CUFFIE) su 0.
* Il MASTER CONTROL (CONTROLLO MASTER) (Equalizzatore, interruttore SHAPE (FORMA) e manopola VOLUME) non influisce sull'uscita delle cuffie.
- MASTER CONTROL (CONTROLLO MASTER)
EQUALIZER (EQUALIZZATORE)
Il KC-550/KC-350 è dotato di un equalizzatore a tre bande.
LOW (BASSI) Knob
Questo regola il tono della gamma dei bassi.
MIDDLE (MEDI) Knob
Questo regola il tono della gamma media.
HIGH (ACUTI) Knob
Questo regola il tono della gamma degli acuti.
* L'equalizzatore (controllato con le manopole LOW (BASSI), MIDDLE (MEDI) e HIGH (ACUTI)) influisce solo sull'uscita da SUBWOOFER OUT e sugli altoparlanti.
SHAPE (FORMA) Switch
Quando è acceso, fornisce un aumento nelle gamme superiori e inferiori.
Può essere comodamente utilizzato per migliorare la qualità del suono a bassi volumi o per dare al suono un maggiore senso di chiarezza.
* L'interruttore SHAPE (FORMA) influisce solo sull'uscita degli altoparlanti.
VOLUME Knob
Questo regola il livello di volume totale dell'altoparlante interno dell'unità. Anche l'uscita SUBWOOFER OUT viene modificata.
* La manopola VOLUME non influisce sulle uscite di linea (line outs). - POWER (ALIMENTAZIONE) Indicator
Questo indicatore si accende quando l'unità è accesa. - POWER (ALIMENTAZIONE) Switch
Questo accende e spegne l'alimentazione.
* Se è necessario spegnere completamente l'alimentazione, spegnere prima l'interruttore POWER (ALIMENTAZIONE), quindi scollegare il cavo di alimentazione dalla presa di corrente. Fare riferimento a "Alimentazione".
* Prima di accendere o spegnere l'alimentazione, assicurarsi di posizionare la manopola VOLUME su 0.
* Questa unità è dotata di un circuito di protezione. È necessario un breve intervallo (pochi secondi) dopo l'accensione prima che l'unità funzioni normalmente.
* Fare riferimento per l'ordine in cui accendere e spegnere l'alimentazione dei dispositivi collegati.
Pannello Jack

INGRESSO CANALE
- CH 1 Input Jacks (Jack di Ingresso CH 1)
Oltre a un jack standard, questo canale è dotato di un connettore XLR bilanciato, utile per il collegamento di microfoni. Utilizzare questo per il collegamento di microfoni, tastiere, moduli sonori e altri dispositivi.
Sono accettati livelli di ingresso che vanno dall'ingresso microfonico (-50 dBu) al livello di linea (-20 dBu). - CH 2, CH 3 and CH 4 Input Jacks (Jack di Ingresso CH 2, CH 3 e CH 4)
Utilizzare questi per il collegamento di tastiere, moduli sonori e altri dispositivi.
Accettano ingresso a livello di linea (-20 dBu).
È possibile selezionare l'uscita per i segnali in ingresso a CH 4. - LINE OUT (USCITA DI LINEA)
LINE OUT (USCITA DI LINEA) Jacks
(I connettori di tipo XLR sono presenti solo sul KC-550)
Collegare un mixer o un dispositivo di registrazione a una (o entrambe) di queste coppie di uscite. Esistono due tipi di connettori: un tipo XLR e un jack phone TRS da 1/4" sbilanciato sul KC550. Il jack phone TRS da 1/4" è di tipo sbilanciato. Utilizzare quello appropriato per l'apparecchiatura che si sta collegando. Questo jack di uscita fornisce un'uscita a livello di linea di +4 dBu.
Se si effettua una connessione mono, collegare al jack phone L (MONO).
* MASTER CONTROL (CONTROLLO MASTER) (equalizzatore, interruttore SHAPE (FORMA) e manopola VOLUME) non influisce su LINE OUT (USCITA DI LINEA). - GND LIFT Switch (Interruttore GND LIFT) (solo KC-550)
Questo seleziona se i jack LINE OUT (USCITA DI LINEA) di tipo XLR sono collegati a terra o meno.
Se si riscontrano problemi di rumore che sono possibilmente causati da un loop di terra, provare a cambiare la posizione dell'interruttore per alleviare il problema. - STEREO LINK
La riproduzione stereo è abilitata semplicemente collegando due unità KC-550 o KC-350 con un singolo cavo audio (tipo phone).
* Per i dettagli sulla funzione Stereo Link, fare riferimento a "Stereo Link".
STEREO LINK OUT (USCITA STEREO LINK) Jack
Collegare questo jack al jack STEREO LINK IN (INGRESSO STEREO LINK) su un KC-550/KC-350 sub (L) quando si utilizza una configurazione Stereo Link.
Questo jack di uscita fornisce un'uscita a livello di linea di 0 dBu.
Quando un cavo è collegato al jack STEREO LINK OUT (USCITA STEREO LINK), i segnali di ingresso del canale destro vengono emessi dagli altoparlanti interni. I segnali di ingresso del canale sinistro vengono emessi dal jack STEREO LINK OUT (USCITA STEREO LINK) all'altro KC-550/KC-350.
STEREO LINK IN (INGRESSO STEREO LINK) Jack
Collegare questo jack al jack STEREO LINK OUT (USCITA STEREO LINK) sull'unità principale (R) (l'altro KC-550/KC-350) quando si utilizza una configurazione Stereo Link.
Questo accetta un ingresso di livello di 0 dBu.
Solo i segnali di ingresso STEREO LINK IN (INGRESSO STEREO LINK) vengono emessi dagli altoparlanti interni.
Descrizioni dei Pannelli - SUBWOOFER OUT (USCITA SUBWOOFER) Jack
Questo consente di riprodurre bassi ancora più potenti collegando un subwoofer amplificato.
Fornisce un'uscita a gamma completa, a un livello di uscita di +4 dBu.
È possibile utilizzare le manopole MASTER CONTROL (CONTROLLO MASTER) (LOW (BASSI), MIDDLE (MEDI), HIGH (ACUTI) e VOLUME) per regolare il tono e il livello del volume.
* L'interruttore SHAPE (FORMA) non influisce su SUBWOOFER OUT (USCITA SUBWOOFER). - AUX IN (INGRESSO AUX) Jacks
Questi sono jack di ingresso di tipo RCA phono. Si utilizzano per collegare apparecchiature come lettori CD e MD e farli suonare insieme alle apparecchiature collegate a CH 1 fino a CH 4. Accettano un ingresso di livello di -10 dBu.
* Per regolare il livello del volume delle apparecchiature collegate ai jack AUX IN (INGRESSO AUX), utilizzare i controlli su tali apparecchiature.
Collega il tuo KC-550/KC-350
Fai riferimento al seguente schema e collega il KC-550/KC-350 all'apparecchiatura esterna che stai utilizzando.

Ecco un esempio di configurazione che sfrutta appieno le funzioni di mixer e monitor del KC550/KC-350.
Un microfono è collegato a CH 1, che accetta un ingresso a livello microfonico. Collega una tastiera, un registratore o un altro dispositivo di generazione del suono agli ingressi CH 2, CH 3 e CH 4.
Le uscite di linea del KC-550 includono sia connettori di tipo XLR che jack da 1/4". Inoltre, entrambi i tipi possono essere utilizzati contemporaneamente.
* Per prevenire malfunzionamenti e/o danni agli altoparlanti o ad altri dispositivi, abbassa sempre il volume e spegni l'alimentazione di tutti i dispositivi prima di effettuare qualsiasi collegamento.
Imposta tutte le manopole del volume dei canali del KC-550/KC-350 (CH 1, CH 2, CH 3 e CH 4) così come la manopola del VOLUME a zero.
* L'assegnazione dei pin per i connettori di tipo XLR è mostrata di seguito. Prima di effettuare qualsiasi collegamento, assicurati che questa assegnazione dei pin sia compatibile con quella di tutti gli altri tuoi dispositivi.

- GND
- HOT
- COLD
* Quando vengono utilizzati cavi di collegamento con resistori, il livello del volume dell'apparecchiatura collegata agli ingressi (CH 1 fino a CH 4, AUX IN e STEREO LINK IN) potrebbe essere basso.
Se ciò accade, utilizza cavi di collegamento che non contengono resistori, come quelli della serie Roland PCS.
* Potrebbe verificarsi un effetto Larsen a seconda della posizione dei microfoni rispetto agli altoparlanti. Questo può essere risolto:
- Cambiando l'orientamento del microfono.
- Ricollocando il microfono a una distanza maggiore dagli altoparlanti.
- Abbassando i livelli del volume.
Accensione e spegnimento
Una volta completati i collegamenti, accendi i tuoi vari dispositivi nell'ordine specificato. Accendendo i dispositivi nell'ordine sbagliato, rischi di causare malfunzionamenti e/o danni agli altoparlanti e ad altri dispositivi.
* Prima di spegnere l'alimentazione, abbassa il volume su ciascuno dei dispositivi nel tuo sistema e quindi SPEGNI i dispositivi nell'ordine inverso rispetto a quello in cui sono stati accesi.
- Assicurati che tutti i controlli del volume sul KC-550/KC350 e sui dispositivi collegati siano impostati su 0.
- Accendi tutti i dispositivi collegati ai jack di ingresso del KC-550/KC350 (CH 1 fino a CH 4 e AUX IN).
- Accendi il KC-550/KC-350.
- Accendi qualsiasi apparecchiatura collegata ai jack LINE OUT o SUBWOOFER OUT del KC-550/KC350.
- Regola i livelli del volume per i dispositivi.
* Questa unità è dotata di un circuito di protezione. È necessario un breve intervallo (alcuni secondi) dopo l'accensione prima che l'unità funzioni normalmente. Per proteggere da suoni improvvisi e forti, assicurati sempre di avere il livello del volume abbassato prima di accendere l'alimentazione. Anche con il volume completamente abbassato, potresti comunque sentire un po' di suono quando l'alimentazione viene accesa, ma questo è normale e non indica un malfunzionamento.
* Se devi spegnere completamente l'alimentazione, prima spegni l'interruttore POWER (alimentazione), quindi scollega il cavo di alimentazione dalla presa di corrente. Fai riferimento a "Power Supply" (Alimentazione).
Informazioni sulle impostazioni del livello del volume
Per ottenere un suono ottimale dal KC-550/KC-350 durante l'esecuzione, imposta il volume come descritto di seguito.
- Aziona le manopole del volume da CH 1 a CH 4 per regolare il livello del volume per CH 1 fino a CH 4.
![Roland - KC-550 - Informazioni sulle impostazioni del livello del volume Informazioni sulle impostazioni del livello del volume]()
Regola il bilanciamento del volume per CH 1 fino a CH 4 in questo momento.
* Per regolare il livello del volume dell'apparecchiatura collegata ai jack AUX IN, utilizza i controlli su tale apparecchiatura. - Regola le manopole LOW (BASSI), MIDDLE (MEDI) e HIGH (ALTI) per ottenere la qualità del suono desiderata.
- Utilizza la manopola VOLUME per regolare il livello del volume complessivo.
![]()
* Se il suono è distorto, abbassa le manopole del volume da CH 1 a CH 4, la manopola VOLUME e/o le manopole del volume per i dispositivi collegati ai jack di ingresso (CH 1 fino a CH 4 e AUX IN).
Stereo Link
La riproduzione stereo è abilitata semplicemente collegando due unità KC-550 o KC-350 con un singolo cavo audio (tipo telefono). Questa funzione è chiamata "Stereo Link". Poiché la sezione di controllo del canale è progettata per accettare segnali stereo, il collegamento delle sorgenti sonore è necessario solo all'unità principale, consentendo così di controllare centralmente i volumi dei canali sull'unità principale. I segnali del canale destro vengono emessi dagli altoparlanti nell'unità principale, mentre i segnali del canale sinistro vengono emessi dagli altoparlanti nell'unità secondaria (l'altro KC-550/KC-350).

Connections (Collegamenti)
Quando si utilizza una configurazione Stereo Link, collega tutte le apparecchiature periferiche all'unità principale. Non collegare a nessun jack di ingresso/uscita sull'unità secondaria diverso da STEREO LINK IN.
* Prima di effettuare i collegamenti, assicurati che l'impostazione del volume della manopola VOLUME per entrambi gli amplificatori sia impostata su "0".
Switching the power on or off (Accensione o spegnimento)
Una volta completati i collegamenti, accendi i tuoi vari dispositivi nell'ordine specificato. Accendendo i dispositivi nell'ordine sbagliato, rischi di causare malfunzionamenti e/o danni agli altoparlanti e ad altri dispositivi.
- Accendi i dispositivi collegati a CH 1 fino a CH 4.
- Accendi l'amplificatore principale KC-550/KC-350.
- Accendi l'amplificatore secondario KC-550/KC-350.
- Accendi i dispositivi collegati a LINE OUT o SUBWOOFER OUT.
- Regola i livelli del volume su tutti i dispositivi.
Prima di spegnere l'alimentazione, abbassa il volume su ciascuno dei dispositivi nel tuo sistema, quindi SPEGNI i dispositivi nell'ordine inverso rispetto a quello utilizzato per accenderli.
About the Volume and Tone Settings (Informazioni sulle impostazioni del volume e del tono)
Regola i livelli del volume principale (R) e secondario (L) separatamente utilizzando le rispettive manopole VOLUME.
* Puoi impostare l'equalizzatore di ciascuna unità (manopole LOW, MIDDLE e HIGH), l'interruttore SHAPE, la manopola VOLUME e le impostazioni MAIN (R) e SUB (L) in modo indipendente.
Fondamentalmente, dovrebbero essere impostati nelle stesse posizioni, ma puoi regolarli individualmente in base alle esigenze di una particolare configurazione.
Uso corretto delle rotelle
Il KC-550 è dotato di rotelle, che ne facilitano il trasporto.
Attaching and Removing the Casters (Fissaggio e rimozione delle rotelle)
Puoi fissare o rimuovere le rotelle come mostrato nella figura seguente.
Assicurati di rimuovere tutte le rotelle quando un movimento accidentale potrebbe essere pericoloso, ad esempio quando si imposta il KC-550/KC-350 sul palco o quando lo si trasporta in un veicolo.
Questo è un pezzo di equipaggiamento pesante. Per prevenire lesioni causate dal ribaltamento o dalla caduta dell'unità, due o più persone dovrebbero lavorare insieme quando si trasporta l'unità.
Se le rotelle sono state fissate all'amplificatore, assicurati che venga utilizzato solo su una superficie stabile e livellata.

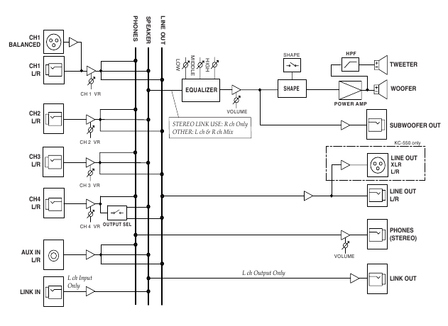
Diagramma a blocchi

Specifiche Principali
KC-550:
SPECIFICHE DELL'AMPLIFICATORE PER TASTIERA CON MIXAGGIO STEREO
Potenza Nominale in Uscita
180 W
Livello Nominale di Ingresso (1 kHz)
| Channel 1 (MIC/LINE): | -50 – -20 dBu |
| Channel 2–4 (LINE): | -20 dBu |
| STEREO LINK INPUT: | 0 dBu |
| AUX IN: | -10 dBu |
Livello Nominale di Uscita (1 kHz)
| LINE OUT (tipo XLR, tipo Phone) | +4 dBu |
| STEREO LINK OUTPUT: | 0 dBu |
| SUBWOOFER OUT: | +4 dBu |
* 0 dBu = 0.775 Vrms
Altoparlanti
38 cm (15 pollici) x 1
Tweeter x 1
Controlli
CHANNEL CONTROL (controllo canale)
CH 1
VOLUME Knob (manopola del volume)
CH 2
VOLUME Knob (manopola del volume)
CH 3
VOLUME Knob (manopola del volume)
CH 4
VOLUME Knob (manopola del volume)
OUTPUT SELECT Switch (selettore di uscita)
PHONES VOLUME Knob (manopola del volume delle cuffie)
MASTER CONTROL (controllo master)
EQUALIZER (equalizzatore)
LOW Knob (manopola dei bassi)
MIDDLE Knob (manopola dei medi)
HIGH Knob (manopola degli alti)
SHAPE Switch (interruttore forma)
VOLUME Knob (manopola del volume)
POWER Switch (interruttore di alimentazione)
GND LIFT Switch (interruttore di sollevamento della terra)
Indicatore
POWER (alimentazione)
Connettori
CH 1 INPUT Jack (tipo XLR)
CH 1–4 INPUT L (MONO) Jacks (jack da 1/4")
CH 1–4 INPUT R Jacks (jack da 1/4")
LINE OUT L (MONO) Jacks (tipo XLR, jack da 1/4")
LINE OUT R Jacks (tipo XLR, jack da 1/4")
AUX IN Jacks (tipo RCA phono)
SUBWOOFER OUT Jack (jack da 1/4")
STEREO LINK OUT Jack (jack da 1/4")
STEREO LINK IN Jack (jack da 1/4")
PHONES Jack (jack stereo da 1/4")
Alimentazione
AC 117 V, AC 230 V, AC 240 V
Consumo di Corrente
135 W
Dimensioni
590 (L) x 445 (P) x 590 (A) mm
23-1/4 (L) x 17-9/16 (P) x 23-1/4 (A) pollici (incluse le rotelle)
590 (L) x 445 (P) x 536 (A) mm
20-1/4 (L) x 21-5/16 (P) x 21-1/8 (A) pollici (escluse le rotelle)
Peso
34.0 kg
75 lbs
Accessori
Owner's Manual (manuale d'uso)
Casters (rotelle)
* Nell'interesse del miglioramento del prodotto, le specifiche e/o l'aspetto di questa unità sono soggetti a modifiche senza preavviso.
KC-350:
SPECIFICHE DELL'AMPLIFICATORE PER TASTIERA CON MIXAGGIO STEREO
Potenza Nominale in Uscita
120 W
Livello Nominale di Ingresso (1 kHz)
| Channel 1 (MIC/LINE): | -50– -20 dBu |
| Channel 2--4 (LINE): | -20 dBu |
| STEREO LINK INPUT: | 0 dBu |
| AUX IN: | -10 dBu |
Livello Nominale di Uscita (1 kHz)
| LINE OUT (tipo Phone): | +4 dBu |
| STEREO LINK OUTPUT: | 0 dBu |
| SUBWOOFER OUT: | +4 dBu |
* 0 dBu = 0.775 Vrms
Altoparlanti
30 cm (12 pollici) x 1
Tweeter x 1
Controlli
CHANNEL CONTROL (controllo canale)
CH1
VOLUME Knob (manopola del volume)
CH2
VOLUME Knob (manopola del volume)
CH3
VOLUME Knob (manopola del volume)
CH4
VOLUME Knob (manopola del volume)
OUTPUT SELECT Switch (selettore di uscita)
PHONES VOLUME Knob (manopola del volume delle cuffie)
MASTER CONTROL (controllo master)
EQUALIZER (equalizzatore)
LOW Knob (manopola dei bassi)
MIDDLE Knob (manopola dei medi)
HIGH Knob (manopola degli alti)
SHAPE Switch (interruttore forma)
VOLUME Knob (manopola del volume) POWER Switch (interruttore di alimentazione)
Indicatore
POWER (alimentazione)
Connettori
CH 1 INPUT Jack (tipo XLR)
CH 1–4 INPUT L (MONO) Jacks (jack da 1/4")
CH 1–4 INPUT R Jacks (jack da 1/4")
LINE OUT L (MONO) Jack (jack da 1/4")
LINE OUT R Jack (jack da 1/4")
AUX IN Jacks (tipo RCA phono)
SUBWOOFER OUT Jack (jack da 1/4")
STEREO LINK OUT Jack (jack da 1/4")
STEREO LINK IN Jack (jack da 1/4")
PHONES Jack (jack stereo da 1/4")
Alimentazione
AC 117 V, AC 230 V, AC 240 V
Consumo di Corrente
100 W
Dimensioni
490 (L) x 385 (P) x 470 (A) mm
19-5/16 (L) x 15-3/16 (P) x 18-9/16 (A) pollici
Peso
24.5 kg
54 lbs 1 oz
Accessori
Owner's Manual (manuale d'uso)
* Nell'interesse del miglioramento del prodotto, le specifiche e/o l'aspetto di questa unità sono soggetti a modifiche senza preavviso.
Copyright © 2003 ROLAND CORPORATION
Tutti i diritti riservati. Nessuna parte di questa pubblicazione può essere riprodotta in alcuna forma senza il permesso scritto di ROLAND CORPORATION.

Scarica manuale
Qui puoi scaricare la versione completa in PDF del manuale, può contenere ulteriori istruzioni di sicurezza, informazioni sulla garanzia, regole FCC, ecc.
Scarica Roland KC-550/KC-350 - Manuale dell'Amplificatore per Tastiere



: Selezionare questa posizione quando si desidera ascoltare click guida o una drum machine (ad esempio) attraverso le cuffie, senza uscita verso gli altoparlanti interni o esterni.
