Mwongozo wa Toro SnowMaster 724 / 824 QXE
- 1 Utangulizi
- 2 Usalama
- 3 Usanidi
- 4 Muhtasari wa Bidhaa
- 5 Uendeshaji
-
6
Matengenezo
-
6.1
Ratiba Zinazopendekezwa za Matengenezo
- 6.1.1 Usalama wa Matengenezo
- 6.1.2 Kuangalia Kiwango cha Mafuta ya Injini
- 6.1.3 Kuangalia na Kurekebisha Skidi
- 6.1.4 Kukagua Kingo za Kurusha
- 6.1.5 Kubadilisha Mafuta ya Injini
- 6.1.6 Kubadilisha Plagi ya Cheche
- 6.1.7 Kurekebisha Kebo ya Auger
- 6.1.8 Kurekebisha Kebo ya Usambazaji
- 6.1.9 Kuangalia Shinikizo la Tairi
- 6.2 Hifadhi
-
6.1
Ratiba Zinazopendekezwa za Matengenezo
- 7 Marejeleo
- 8 Pakua mwongozo
- 9 Katika Lugha Nyingine

Utangulizi
Mashine hii imekusudiwa kutumiwa na wamiliki wa makazi. Imeundwa kwa ajili ya kuondoa theluji kutoka kwenye nyuso zilizotandazwa, kama vile njia za kuingia na barabara za pembeni, na nyuso zingine kwa ajili ya usafiri kwenye mali za makazi au biashara. Haijakusudiwa kuondoa vifaa vingine isipokuwa theluji, wala haijaundwa kwa ajili ya kusafisha nyuso za changarawe.
Soma taarifa hii kwa makini ili ujifunze jinsi ya kuendesha na kutunza mashine yako vizuri na kuepuka majeraha na uharibifu wa mashine. Una jukumu la kuendesha mashine vizuri na kwa usalama.
Unaweza kuwasiliana na Toro moja kwa moja kupitia www.Toro.com kwa taarifa kuhusu mashine na vifaa, usaidizi wa kupata muuzaji, au kusajili mashine yako.
Wakati wowote unapohitaji huduma, vipuri halisi vya Toro, au taarifa za ziada, wasiliana na Muuzaji Aliyeidhinishwa wa Huduma au Huduma kwa Wateja ya Toro na uwe na nambari za mfumo na seriali za mashine yako tayari. Mchoro 1 unaonyesha mahali nambari za mfumo na seriali zilipo kwenye mashine. Andika nambari hizo katika nafasi iliyoandaliwa.

Mchoro 1
- Mahali pa nambari za mfumo na seriali
Mwongozo huu unaeleza hatari zinazoweza kutokea na una jumbe za usalama zinazotambulishwa na alama ya tahadhari ya usalama
(),
ambayo inaashiria hatari ambayo inaweza kusababisha majeraha makubwa au kifo ikiwa hufuati tahadhari zinazopendekezwa.
Mwongozo huu unatumia maneno 2 kuangazia taarifa.
Muhimu huangazia taarifa maalum za kimakanika na
Kumbuka inasisitiza taarifa za jumla zinazostahili uangalifu maalum.
Kwa mifumo iliyo na nguvu iliyoainishwa, nguvu halisi ya injini ilipimwa maabara na mtengenezaji wa injini kulingana na SAE J1940. Jinsi ilivyosanidiwa ili kukidhi mahitaji ya usalama, utoaji, na uendeshaji, nguvu halisi ya farasi ya injini kwenye darasa hili la mashine ya kurusha theluji itakuwa chini sana.
CALIFORNIA
Onyo la Pendekezo la 65
Moshi wa injini kutoka kwa bidhaa hii una kemikali zinazojulikana na Jimbo la
California kusababisha saratani, kasoro za kuzaliwa, au madhara mengine ya uzazi.
Usalama
- Soma na uelewe yaliyomo kwenye mwongozo kabla ya kuwasha injini. Hakikisha kwamba kila mtu anayetumia bidhaa hii anajua jinsi ya kutumia bidhaa na anaelewa maonyo.
- Usiweke mikono au miguu yako karibu na vipengele vinavyosonga kwenye mashine.
- Usiendeshe mashine bila vilinda vyote na vifaa vingine vya kinga vya usalama vikiwa vimewekwa na vinafanya kazi kwenye mashine.
- Jiepushe na nafasi yoyote ya kutolea. Weka watazamaji umbali salama kutoka kwa mashine.
- Weka watoto nje ya eneo la uendeshaji na chini ya uangalizi wa makini wa mtu mzima anayewajibika isipokuwa opereta. Usiruhusu watoto kuendesha mashine kamwe.
- Zima mashine kabla ya kuhudumia, kujaza mafuta, au kutoa vizuizi.
Vibandiko vya Usalama na Maelekezo
Kumbuka: Vibandiko vya usalama na maelekezo viko karibu na maeneo ya hatari inayoweza kutokea. Badilisha vibandiko vilivyoharibika.

- Kiendeshi cha auger—finya lever ili kuwezesha; achilia lever ili kuzima.
- Onyo—soma Mwongozo wa Opereta.
- Hatari ya kukata/kukatwa kwa mkono au mguu, auger—jiepushe na sehemu zinazohamia; weka vilinda na ngao zote mahali pake; zima injini na usubiri auger isimame kabla ya kuacha mashine; ondoa ufunguo na usome Mwongozo wa Opereta kabla ya kufanya matengenezo.
- Hatari ya kitu kilichorushwa—weka watazamaji mbali.
- Kiendeshi cha kujisukuma—sukuma chini kwenye mpini ili kuwezesha kiendeshi cha kujisukuma.

- Hatari ya kukata/kukatwa kwa mkono au mguu, auger—usiweke mkono wako kwenye mtelezo; ondoa ufunguo wa kuwasha na usome maelekezo kabla ya kuhudumia au kufanya matengenezo.

- Ingiza ufunguo.
- Washa injini mara 3.
- Weka choki.
- Vuta kamba ya kianzisha.
- Mara tu injini inapoanza kufanya kazi, zima choki.
Usanidi
Sehemu Zilizoachwa Huru
Tumia chati iliyo hapa chini ili kuthibitisha kuwa sehemu zote zimesafirishwa.
| Utaratibu | Maelezo | Idadi | Matumizi |
| 1 | Hakuna sehemu zinazohitajika | – | Fungua mpini. |
| 2 |
|
| Sakinisha mtelezo wa kutolea. |
Kufungua Mpini
Hakuna Sehemu Zinazohitajika
Utaratibu
Hakikisha kwamba nyaya hazijabanwa wakati wa kufungua mpini.

Mchoro 3
Kusakinisha Mtelezo wa Kutolea
Sehemu zinazohitajika kwa utaratibu huu:
| 1 | Boti (1/4–20 X 1–1/2 inchi) |
| 1 | Nati ya kufunga (1/4–20 inchi) |
| 3 | Boti ya gari (1/4–20 x 1 inchi) |
| 3 | Nati ya kufunga (1/4–20 inchi) |
| 1 | Skurubu (1/4–20 X 5/8 inchi) |
Utaratibu
- Ingiza nguzo ya mtelezo kupitia bracket kwenye msingi wa mashine na uilinde kwa kutumia boti na nati ya kufunga (Mchoro 4)
![Toro - SnowMaster 724 QXE - Usanidi - Kusakinisha Mtelezo wa Kutolea - Hatua ya 1 Usanidi - Kusakinisha Mtelezo wa Kutolea - Hatua ya 1]()
Mchoro 4- Nguzo ya mtelezo
- Boti (1/4–20 X 1–1/2 inchi)
- Nati ya kufunga (1/4–20 inchi)
- Bracket
- Kusanya fimbo ya mtelezo na uilinde nyaya (Mchoro 5).
![Toro - SnowMaster 724 QXE - Usanidi - Kusakinisha Mtelezo wa Kutolea - Hatua ya 2 Usanidi - Kusakinisha Mtelezo wa Kutolea - Hatua ya 2]()
Mchoro 5- Fimbo ya mtelezo
- Boti ya gari (1/4–20 x 1 inchi)
- Nati ya kufunga (1/4–20 inchi)
- Klipu ya kebo
- Skurubu (1/4–20 X 5/8 inchi)
Kujaza Injini na Mafuta
Hakuna Sehemu Zinazohitajika
Utaratibu
Mashine yako inakuja na mafuta kwenye injini.
| Mfumo | Ujazaji wa juu zaidi |
| 36002 | 0.54 L (18 fl oz) |
| 36003 | 0.7 L (24 fl oz) |
Aina ya mafuta: mafuta ya sabuni ya magari yenye uainishaji wa huduma ya API wa SJ, SL, au zaidi.
Tumia Mchoro 6 hapa chini ili kuchagua mnato bora wa mafuta kwa kiwango cha joto cha nje kinachotarajiwa:

Mchoro 6
- Sogeza mashine kwenye uso ulio sawa.
- Safi karibu na kifuniko cha kujaza mafuta.
- Angalia kiwango cha mafuta na uongeze mafuta ikiwa ni lazima.
Kumbuka: Usikaze kijiti cha kupimia wakati wa kuangalia kiwango cha mafuta.

Mchoro 7
- Kiwango cha chini cha mafuta—ongeza mafuta
- Kiwango sahihi cha mafuta
Muhtasari wa Bidhaa

Mchoro 8
- Lever ya auger
- Kifuniko cha tangi la mafuta
- Kijiti cha kupimia
- Skidi
- Auger
- Kikwaruzo
- Mtelezo wa kutolea
- Kielekezi cha mtelezo
- Kidhibiti cha mtelezo wa kutolea cha Quick Stick®
- Mpini wa juu

Mchoro 9
- Kifuniko cha tangi la mafuta
- Kianzisha
- Ufunguo wa kuwasha
- Choki
- Kianzisha cha kurudisha nyuma
- Plagi ya kianzisha cha umeme
- Kitufe cha kianzisha cha umeme
Uendeshaji
Usalama Kabla ya Uendeshaji
- Tumia kamba za ziada na vipokezi kama ilivyobainishwa na mtengenezaji kwa mashine zote zenye injini za kuanzisha umeme.
- Usitumie mashine bila kuvaa mavazi ya kutosha ya majira ya baridi. Epuka mavazi yaliyolegea ambayo yanaweza kunaswa na sehemu zinazohamia. Vaa viatu visivyoteleza ambavyo vitaboresha msingi kwenye nyuso za kuteleza.
- Daima linda macho wakati wa operesheni au wakati wa kufanya marekebisho au ukarabati ili kulinda macho yako dhidi ya vitu vya kigeni ambavyo mashine inaweza kurusha.
- Kagua eneo kwa ukamilifu ambapo utatumia mashine na uondoe mikeka yote ya milango, sledi, mbao, waya na vitu vingine vya kigeni.
- Ikiwa ngao, kifaa cha usalama au kibandiko kimeharibika, hakisomeki au kimepotea, kirekebishe au ubadilishe kabla ya kuanza operesheni. Pia, kaza vifungo vyovyote vilivyolegea.
Kujaza Tangi la Mafuta

Mchoro 10
- Usijaze juu ya chini ya shingo ya tangi la mafuta.
- Kwa matokeo bora, tumia tu petroli safi, mpya (chini ya siku 30), isiyo na risasi yenye ukadiriaji wa oktani wa 87 au zaidi (njia ya ukadiriaji ya (R+M)/2).
- Ethanoli: Petroli iliyo na hadi 10% ya ethanoli (gasoholi) au 15% ya MTBE (methyl tertiary butyl ether) kwa ujazo inakubalika. Ethanoli na MTBE si sawa. Petroli iliyo na 15% ya ethanoli (E15) kwa ujazo haijaidhinishwa kwa matumizi. Kamwe usitumie petroli iliyo na zaidi ya 10% ya ethanoli kwa ujazo, kama vile E15 (ina 15% ya ethanoli), E20 (ina 20% ya ethanoli) au E85 (ina 85% ya ethanoli). Kutumia petroli ambayo haijaidhinishwa kunaweza kusababisha matatizo ya utendaji na/au uharibifu wa injini ambao huenda usifunikwe chini ya udhamini.
- Usitumie petroli iliyo na methanol.
- Usihifadhi mafuta kwenye tangi la mafuta au vyombo vya mafuta wakati wa majira ya baridi isipokuwa utumie kibadilishaji mafuta.
- Usiongeze mafuta kwenye petroli.
Ili kupunguza matatizo ya kuanzisha, ongeza kibadilishaji mafuta kwenye mafuta msimu wote, ukiichanganya na petroli iliyo chini ya siku 30.
Kuangalia Kiwango cha Mafuta ya Injini
Rejelea Kujaza Injini na Mafuta.
Wakati wa Uendeshaji
Usalama
- Vile vile vinavyozunguka vya auger vinaweza kuumiza vidole au mikono. Kaa nyuma ya vipini na mbali na ufunguzi wa kutolea maji wakati wa kuendesha mashine. Weka uso wako, mikono, miguu na sehemu nyingine yoyote ya mwili wako au mavazi mbali na sehemu zinazohamia au zinazozunguka.
- Kamwe usielekeze utokaji kuelekea watu au maeneo ambayo uharibifu wa mali unaweza kutokea.
- Tumia tahadhari ili kuepuka kuteleza au kuanguka. Daima hakikisha msingi wako, na ushikilie vipini kwa nguvu. Tembea; usikimbie kamwe.
- Tumia tahadhari kubwa wakati wa kufanya kazi kwenye miteremko.
- Kamwe usitumie mashine bila mwonekano mzuri au mwanga.
- Angalia nyuma na utumie uangalifu wakati wa kuendesha gari nyuma na mashine.
- Wakati hauelekezi theluji kikamilifu, ondoa nguvu kwa vile vya rotor.
- Tumia kamba za ziada na vipokezi kama ilivyobainishwa na mtengenezaji kwa mashine zote zenye injini za kuanzisha umeme.
- Usijaribu kusafisha theluji kutoka kwa uso wa changarawe au jiwe lililokandamizwa. Bidhaa hii imekusudiwa kutumiwa tu kwenye nyuso zilizowekwa lami.
- Usitumie mashine kwenye paa.
- Kamwe usijaribu kufanya marekebisho yoyote wakati injini inafanya kazi (isipokuwa inapendekezwa haswa na mtengenezaji).
- Kaa macho kwa hatari zilizofichwa au trafiki.
- Baada ya kugonga kitu cha kigeni, zima injini, ondoa ufunguo wa kuwasha, kagua mashine kwa ukamilifu kwa uharibifu wowote na urekebishe uharibifu kabla ya kuanza na kuendesha mashine.
- Ikiwa mashine inapaswa kuanza kutetemeka isivyo kawaida, zima injini na uangalie mara moja sababu.
- Usitumie injini ndani ya nyumba, isipokuwa wakati wa kuanzisha injini na kwa kusafirisha mashine ndani au nje ya jengo. Fungua milango ya nje; moshi wa kutolea nje ni hatari.
- Usipakie uwezo wa mashine kupita kiasi kwa kujaribu kusafisha theluji kwa kiwango cha haraka sana.
- Kamwe usiguse injini au kishindo cha moto.
- Kagua kwa ukamilifu kamba ya umeme kabla ya kuiingiza kwenye chanzo cha umeme. Ikiwa kamba imeharibiwa, usitumie kuanzisha mashine. Badilisha kamba iliyoharibiwa mara moja. Chomoa kamba ya umeme wakati wowote hauanzishi mashine.
Kuanzisha Injini
Kumbuka: Ingiza kikamilifu ufunguo ili kuanzisha injini. Nafasi ya katikati haitaanzisha injini.
Kutumia Kianzishi cha Kurudisha Nyuma

Mchoro 11
Kutumia Kianzishi cha Umeme

Mchoro 12
Kushirikisha Auger

Mchoro 13
Kuondoa Auger
Ili kuondoa auger, achilia lever ya auger.
Kujiendesha Mashine
Ili kuendesha gari la kujiendesha, tembea tu na mikono yako kwenye mpini wa juu na viwiko vyako pembeni, na mashine itaendana na wewe kiotomatiki (Mchoro 14).

Mchoro 14
Kumbuka: Unaweza kujiendesha mashine na auger ikiwa imeshirikishwa au imeondolewa.
Kuzima Injini
Ili kuzima injini, ondoa ufunguo kutoka kwa kuwasha au songa ufunguo hadi nafasi ya katikati.
Kuendesha Quick Stick®
Kumbuka: Kisu cha samawati lazima kibonyezwe kikamilifu ili kutoa latch na kuendesha Quick Stick®.

Mchoro 15
Kufungua Chute ya Utoaji
Ikiwa auger/impeller inafanya kazi lakini hakuna theluji inayotoka kwenye chute ya utoaji, chute ya utoaji inaweza kuwa imefungwa.
Kamwe usitumie mikono yako kusafisha chute ya utoaji iliyofungwa. Hii inaweza kusababisha majeraha ya kibinafsi.
- Ukiwa bado katika nafasi ya uendeshaji, achilia mpini wa kujiendesha.
- Shiriki auger.
- Sukuma chini mpini ili kuinua sehemu ya mbele ya mashine sentimita chache (inchi) kutoka kwa lami, kisha inua vipini haraka ili kugonga sehemu ya mbele ya mashine kwenye lami.
- Ondoa auger.
- Rudia hatua ya 1 hadi 4, ikiwa ni lazima, hadi mkondo wa theluji utoke kwenye chute ya utoaji.
Kumbuka: Ikiwa huwezi kufungua chute ya utoaji kwa kugonga sehemu ya mbele ya mashine, zima injini, subiri sehemu zote zinazohamia zisimame na utumie kifaa cha kusafisha theluji (hakijajumuishwa); kamwe usitumie mkono wako.
Kufungua chute ya utoaji kwa kugonga sehemu ya mbele ya mashine kwenye lami kunaweza kusababisha skidi kusogea. Rekebisha skidi na kaza boliti za skidi kwa usalama; rejelea Kuangalia na Kurekebisha Skidi.
Vidokezo vya Uendeshaji
Auger inaweza kurusha mawe, vinyago na vitu vingine vya kigeni na kusababisha majeraha makubwa ya kibinafsi kwa opereta au kwa watazamaji.
- Weka eneo litakaloondolewa bila vitu vyote ambavyo vile vya rotor vinaweza kuchukua na kurusha.
- Weka watoto na wanyama wa kipenzi mbali na eneo la operesheni.
- Ondoa theluji haraka iwezekanavyo baada ya kuanguka.
- Ikiwa mashine haijiendeshi mbele kwenye nyuso za kuteleza au kwenye theluji nyingi, sukuma mbele kwenye mpini, lakini ruhusu mashine ifanye kazi kwa kasi yake yenyewe.
- Pishana kila upana ili kuhakikisha uondoaji kamili wa theluji.
- Toa theluji chini ya upepo inapowezekana.
Baada ya Uendeshaji
Usalama
- Kamwe usihifadhi mashine na mafuta kwenye tangi la mafuta ndani ya jengo ambapo vyanzo vya kuwasha vipo, kama vile hita za maji moto, hita za nafasi au vikaushio vya nguo. Ruhusu injini ipoe kabla ya kuhifadhi kwenye uzio wowote.
- Wakati wa kuhifadhi mashine kwa zaidi ya siku 30, rejelea sehemu ya Hifadhi kwa maelezo muhimu.
Kuzuia Kuganda baada ya Matumizi
- Acha injini iende kwa dakika chache ili kuzuia sehemu zinazohamia kuganda. Zima injini, subiri sehemu zote zinazohamia zisimame na uondoe barafu na theluji kutoka kwenye mashine.
- Safisha theluji na barafu yoyote kutoka kwenye msingi wa chute.
- Zungusha chute ya utoaji kushoto na kulia ili kuiondoa kutoka kwa mkusanyiko wowote wa barafu.
- Ukiwa na ufunguo wa kuwasha katika nafasi ya ZIMA, vuta mpini wa kuanzisha kwa kurudisha nyuma mara kadhaa au unganisha kamba ya umeme kwenye chanzo cha umeme na mashine na ubonyeze kitufe cha kuanzisha umeme mara moja ili kuzuia kianzishi cha kurudisha nyuma na/au kianzishi cha umeme kuganda.
- Katika hali ya theluji na baridi, baadhi ya vidhibiti na sehemu zinazohamia zinaweza kuganda. Usitumie nguvu nyingi unapotarajia kuendesha vidhibiti vilivyoganda. Ikiwa una shida kuendesha kidhibiti au sehemu yoyote, anza injini na uiruhusu iende kwa dakika chache.
- Usitumie kidhibiti cha chute kujaribu kusogeza chute ya utoaji iliyoganda. Shikilia chini kisu cha samawati na utumie mikono yako kuzungusha chute.
- Kusafirisha mashine katika trela au gari iliyo wazi kunaweza kusababisha vidhibiti au chute ya utoaji kuganda.
Matengenezo
Kumbuka: Amua pande za kushoto na kulia za mashine kutoka kwa nafasi ya kawaida ya uendeshaji.
Ratiba Zinazopendekezwa za Matengenezo
| Kipindi cha Huduma ya Matengenezo | Utaratibu wa Matengenezo |
| Baada ya saa ya kwanza |
|
| Baada ya saa 2 za kwanza |
|
| Kabla ya kila matumizi au kila siku |
|
| Kila saa 100 |
|
| Kila mwaka |
|
| Kila mwaka au kabla ya kuhifadhi |
|
Usalama wa Matengenezo
Soma tahadhari zifuatazo za usalama kabla ya kufanya matengenezo yoyote kwenye mashine:
- Kabla ya kufanya matengenezo, huduma, au marekebisho yoyote, simamisha injini na uondoe ufunguo. Ikiwa matengenezo makubwa yanahitajika, wasiliana na Muuzaji wa Huduma Aliyeidhinishwa.
- Angalia vifungo vyote mara kwa mara kwa kubana ipasavyo ili kuhakikisha mashine iko katika hali salama ya kufanya kazi.
- Dumisha au ubadilishe lebo za usalama na maelekezo, kama inavyohitajika.
- Usibadilishe mipangilio ya gavana kwenye injini.
- Nunua sehemu na vifaa vya kubadilisha vya Toro halisi pekee.
Kuangalia Kiwango cha Mafuta ya Injini
Kipindi cha Huduma: Kabla ya kila matumizi au kila siku
- Ondoa kijiti cha kupimia, kifute kisafishe, kisha uingize kikamilifu kijiti cha kupimia bila kukishika.
- Ondoa kijiti cha kupimia na uangalie kiwango cha mafuta.
- Ikiwa kiwango cha mafuta kiko chini ya alama ya Ongeza kwenye kijiti cha kupimia (Mchoro 16), ongeza mafuta. Rejelea Kujaza Injini na Mafuta.
- Ikiwa kiwango cha mafuta kiko juu ya alama ya Kamili (Mchoro 16), toa mafuta ya ziada hadi kiwango cha mafuta kiwe kwenye alama ya Kamili kwenye kijiti cha kupimia; rejelea Kujaza Injini na Mafuta.
![]()
Mchoro 16
- Kiwango cha chini cha mafuta—ongeza mafuta
- Kiwango sahihi cha mafuta
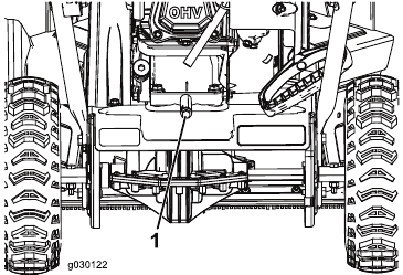
Kuangalia na Kurekebisha Skidi
Kipindi cha Huduma: Kila mwaka
Angalia skidi ili kuhakikisha kwamba auger haigusi uso uliowekwa lami. Rekebisha skidi inavyohitajika ili kulipia uvaaji (Mchoro 17).

Mchoro 17
- Bodi ya mm 5 (inchi 3/16)
- Ardhi
- Legeza boliti za skidi.
- Telezesha bodi ya mm 5 (inchi 3/16) chini ya kikwaruzo.
Kumbuka: Kutumia bodi nyembamba zaidi kutasababisha kikwaruzo chenye nguvu zaidi. Bodi nene zaidi itasababisha kikwaruzo kisicho na nguvu sana.
- Shusha skidi chini.
Kumbuka: Hakikisha skidi zimelala bapa chini.
- Kaza boliti za skidi.
Kukagua Kingo za Kurusha
Kipindi cha Huduma: Kila mwaka—Kagua kingo za kurusha na uwe na Muuzaji wa Huduma Aliyeidhinishwa abadilishe kingo za kurusha na kikwaruzo ikiwa ni lazima.
Kabla ya kila kipindi, kagua kingo za kurusha kwa uvaaji. Wakati ukingo wa kurusha umeisha hadi kwenye shimo la kiashiria cha uvaaji, weka Muuzaji wa Huduma Aliyeidhinishwa abadilishe kingo za kurusha (Mchoro 18).

Mchoro 18
- Shimo la kiashiria cha uvaaji bado liko sawa; hauitaji kubadilisha kingo za kurusha.
- Shimo la kiashiria cha uvaaji limeonekana; badilisha kingo zote mbili za kurusha.
Kubadilisha Mafuta ya Injini
Kipindi cha Huduma: Baada ya saa 2 za kwanza
Kila mwaka
Endesha injini kwa dakika chache kabla ya kubadilisha mafuta ili kuipasha moto. Mafuta ya moto hutiririka vizuri zaidi na hubeba uchafu zaidi.
- Sogeza mashine kwenye uso ulio sawa.
- Weka sufuria ya kukimbia mafuta chini ya plagi ya kukimbia mafuta, ondoa plagi ya kukimbia mafuta, na uinamishe mashine nyuma na umimine mafuta yaliyotumika kwenye sufuria ya kukimbia mafuta (Mchoro 19).
![Toro - SnowMaster 724 QXE - Matengenezo - Kubadilisha Mafuta ya Injini - Hatua ya 1 Matengenezo - Kubadilisha Mafuta ya Injini - Hatua ya 1]()
Mchoro 19- Plagi ya kukimbia mafuta
- Baada ya kumwaga mafuta yaliyotumika, rudisha mashine kwenye nafasi ya uendeshaji.
- Sakinisha plagi ya kukimbia mafuta na uikaze kwa usalama.
- Safisha karibu na kofia ya kujaza mafuta.
- Tumia Mchoro 20 hapa chini ili kuchagua mnato bora wa mafuta kwa kiwango cha halijoto ya nje kinachotarajiwa:
![]()
Mchoro 20
| Mfumo | Ujazaji wa juu |
| 36002 | 0.54 L (18 fl oz) |
| 36003 | 0.7 L (24 fl oz) |
Aina ya mafuta: mafuta ya sabuni ya magari yenye uainishaji wa huduma ya API ya SJ, SL, au ya juu zaidi.

Mchoro 21
- Kiwango cha chini cha mafuta—ongeza mafuta
- Kiwango sahihi cha mafuta
Kubadilisha Plagi ya Cheche
Kipindi cha Huduma: Kila saa 100—Badilisha plagi ya cheche.
Kubadilisha plagi ya cheche wakati injini ni moto kunaweza kusababisha kuungua.
Subiri hadi injini ipoe ili kubadilisha plagi ya cheche.
Tumia plagi ya cheche ya Toro au sawa (Champion® RN9YC au NGK BPR6ES).
- Ondoa buti (Mchoro 22).
![Toro - SnowMaster 724 QXE - Matengenezo - Kubadilisha Plagi ya Cheche Matengenezo - Kubadilisha Plagi ya Cheche]()
Mchoro 22 - Safisha karibu na msingi wa plagi ya cheche.
- Ondoa na utupe plagi ya cheche ya zamani.
Kumbuka: Utahitaji kiendelezi cha wrench ya ratchet ili kuondoa plagi ya cheche.
- Weka pengo kati ya elektrodi kwenye plagi mpya ya cheche kwa mm 0.76 (inchi 0.030) (Mchoro 23).
![]()
Mchoro 23- mm 0.76 (inchi 0.030)
Kurekebisha Kebo ya Auger
Kipindi cha Huduma: Baada ya saa 2 za kwanza
Kila mwaka
Ikiwa ukanda wa gari unateleza au kulia chini ya mzigo mzito, rekebisha kebo ya auger.
- Legeza nati kwenye clamp ya chini ya kebo, lakini usiondoe (Mchoro 24).
![Toro - SnowMaster 724 QXE - Matengenezo - Kurekebisha Auger Matengenezo - Kurekebisha Kebo ya Auger]()
Mchoro 24- Nati
- Kebo
- Kiunganishi
- Spring
- Vuta kebo juu ili kuondoa ulaini fulani 24).
Usiondoe ulaini wote kutoka kwa kebo. Kuondoa ulaini wote kutoka kwa kebo kutazuia auger kusimama vizuri. - Shikilia kebo mahali pake na kaza nati (Mchoro 24).
Kurekebisha Kebo ya Usambazaji
Kipindi cha Huduma: Baada ya saa 2 za kwanza
Kila mwaka
Ikiwa magurudumu yanakwama kwa urahisi, au ikiwa magurudumu yanaendesha bila kuwashirikisha mpini wa kujisukuma, rekebisha kebo ya usambazaji.
- Legeza nati kwenye clamp ya juu ya kebo, lakini usiondoe (Mchoro 25).
![Toro - SnowMaster 724 QXE - Matengenezo - Kurekebisha Kebo ya Usambazaji Matengenezo - Kurekebisha Kebo ya Usambazaji]()
Mchoro 2 5- Nati
- Kebo
- Vuta kebo chini ili kuondoa ulaini mwingi kwenye kebo (Mchoro 25).
Usiondoe ulaini wote kutoka kwa kebo. Kuondoa ulaini wote kutoka kwa kebo kunaweza kusababisha magurudumu kuingia bila kuwashirikisha mpini wa kujisukuma. - Kaza nati (Mchoro 25).
Kuangalia Shinikizo la Tairi
Kipindi cha Huduma: Kila mwaka
Weka shinikizo la tairi sawa katika matairi yote mawili kati ya kPa 103 na 137 (psi 15 na 20).
Hifadhi
Kuhifadhi Kitupa theluji
- Moshi wa petroli huwaka sana, hulipuka, na ni hatari ikiwa utavuta. Ikiwa unahifadhi mashine katika eneo lenye miali ya moto, moshi wa petroli unaweza kuwaka na kusababisha mlipuko.
- Usihifadhi mashine katika nyumba (eneo la kuishi), basement, au eneo lingine lolote ambapo vyanzo vya kuwaka vinaweza kuwepo, kama vile maji ya moto na hita za nafasi, viyoyozi vya nguo, tanuru, na vifaa vingine kama hivyo.
- Usiiinamishe mashine nyuma ikiwa kuna mafuta kwenye tanki la mafuta; vinginevyo, mafuta yanaweza kuvuja kutoka kwa mashine.
- Wakati wa kuongeza mafuta mara ya mwisho ya msimu, ongeza kiimarishaji cha mafuta kwenye mafuta mapya kama inavyoelekezwa na mtengenezaji wa injini.
- Endesha injini kwa dakika 10 ili kusambaza mafuta yaliyorekebishwa kupitia mfumo wa mafuta.
- Simamisha injini, iruhusu ipoe, na uchuje tanki la mafuta au endesha injini hadi isimame.
- Anzisha injini na uiendeshe hadi isimame.
- Bana au washa injini, ianzishe mara ya tatu, na uendeshe injini hadi isianzishe.
- Mimina mafuta kwenye kabureta kupitia boli ya kukimbia kabureta kwenye chombo cha mafuta kilichoidhinishwa.
- Tupa mafuta ambayo hayajatumiwa vizuri. Yarejeshe kwa mujibu wa kanuni za mitaa, au yatumie katika gari lako.
- Wakati injini bado ni ya joto, badilisha mafuta ya injini. Rejelea Kubadilisha Mafuta ya Injini.
- Ondoa plagi ya cheche.
- Piga vijiko 2 vya mafuta kwenye shimo la plagi ya cheche.
- Sakinisha plagi ya cheche kwa mkono na kisha uikweme hadi 27–30 N-m (20–22 ft-lb).
- Ukiwa na ufunguo wa kuwasha katika nafasi ya Zima, vuta kianzishi cha kurudisha nyuma polepole ili kusambaza mafuta ndani ya silinda.
- Safisha mashine.
- Gusa nyuso zilizokatwa na rangi inayopatikana kutoka kwa Muuzaji wa Huduma Aliyeidhinishwa. Mchanga maeneo yaliyoathirika kabla ya kupaka rangi, na utumie kizuia kutu ili kuzuia sehemu za chuma zisipate kutu.
- Kaza vifungo vyovyote vilivyolegea. Rekebisha au ubadilishe sehemu zozote zilizoharibika.
- Funika mashine na uihifadhi mahali safi, kavu pasipoweza kufikiwa na watoto. Ruhusu injini ipoe kabla ya kuihifadhi katika eneo lolote lililofungwa.
Jisajili katika www.Toro.com.
Marejeleo
Pakua mwongozo
Hapa unaweza kupakua toleo kamili la pdf la mwongozo, linaweza kujumuisha maelekezo ya ziada ya usalama, taarifa za udhamini, sheria za FCC, n.k.
Pakua Mwongozo wa Toro SnowMaster 724 / 824 QXE








