Pioneer AVH-W4400NEX vadovas
-
1
Jungtis
- 1.1 Svarbios apsaugos priemonės
- 1.2 Atsargumo priemonės prieš prijungiant sistemą
- 1.3 Prieš įdiegdami šį gaminį
- 1.4 Kad išvengtumėte žalos
- 1.5 Galinis skydelis (pagrindiniai gnybtai)
- 1.6 Maitinimo laidas
- 1.7 Garsiakalbių laidai
- 1.8 Maitinimo stiprintuvas (parduodamas atskirai)
- 1.9 Kamera
- 1.10 Išorinis vaizdo komponentas
- 1.11 "High Speed HDMI" pritvirtinimas
- 1.12 Galinis ekranas
- 2 Įdiegimas
- 3 Svarbi informacija apie saugą
- 4 Atsisiųsti instrukciją
- 5 Kitomis kalbomis

Jungtis
Atsargumo priemonės
Jūsų naujas gaminys ir šis vadovas
- Nenaudokite šio gaminio, jokių programų ar galinio vaizdo kameros parinkties (jei įsigijote), jei tai nukreips jūsų dėmesį nuo saugaus transporto priemonės valdymo. Visada laikykitės saugaus vairavimo taisyklių ir visų galiojančių eismo taisyklių. Jei kyla sunkumų naudojant šį gaminį, sustokite, pastatykite transporto priemonę saugioje vietoje ir įjunkite stovėjimo stabdį prieš atlikdami reikiamus pakeitimus.
- Nemontuokite šio gaminio ten, kur jis gali (i) trukdyti vairuotojo matomumui, (ii) pabloginti bet kurios transporto priemonės valdymo sistemos arba saugos funkcijų, įskaitant oro pagalves, avarinio signalo mygtukus, veikimą arba (iii) pabloginti vairuotojo gebėjimą saugiai valdyti transporto priemonę. Kai kuriais atvejais šio gaminio gali būti neįmanoma įdiegti dėl transporto priemonės tipo arba transporto priemonės vidaus formos.
Svarbios apsaugos priemonės
„Pioneer“ nerekomenduoja patiems įdiegti šio gaminio. Šis gaminys skirtas tik profesionaliam montavimui. Rekomenduojame, kad šį gaminį nustatytų ir įdiegtų tik įgaliotas „Pioneer“ aptarnavimo personalas, turintis specialų apmokymą ir patirtį mobiliosios elektronikos srityje. NIEKADA PATYS NETVARKYKITE ŠIO GAMINIO.
Įdiegę arba prižiūrėdami šį gaminį ir jo jungiamuosius laidus, galite patirti elektros šoką ar kitus pavojus, taip pat galite sugadinti šį gaminį, kuriam garantija netaikoma.
Atsargumo priemonės prieš prijungiant sistemą
Nesiimkite jokių veiksmų, kad sugadintumėte arba išjungtumėte stovėjimo stabdžio blokavimo sistemą, kuri yra įdiegta jūsų apsaugai. Stovėjimo stabdžio blokavimo sistemos sugadinimas arba išjungimas gali sukelti rimtų sužalojimų arba mirtį.
- Sutvirtinkite visus laidus kabelių spaustukais arba elektros juosta. Neleiskite, kad liktų atvirų laidų.
- Nejunkite geltono šio gaminio laido tiesiai prie transporto priemonės akumuliatoriaus. Jei laidas yra tiesiogiai prijungtas prie akumuliatoriaus, variklio vibracija ilgainiui gali pažeisti izoliaciją toje vietoje, kur laidas eina iš keleivių salono į variklio skyrių. Jei geltono laido izoliacija nutrūksta dėl kontakto su metalinėmis dalimis, gali įvykti trumpasis jungimas, kuris gali sukelti didelį pavojų.
- Ypač pavojinga leisti kabeliams apsivynioti aplink vairo kolonėlę arba pavarų perjungimo svirtį. Būtinai sumontuokite šį gaminį, jo kabelius ir laidus taip, kad jie netrukdytų vairuoti.
- Įsitikinkite, kad kabeliai ir laidai netrukdys jokioms judančioms transporto priemonės dalims ir neįsipainios į jas, ypač į vairą, pavarų perjungimo svirtį, stovėjimo stabdį, slankiojančius sėdynių bėgius, duris arba bet kurį transporto priemonės valdiklį.
- Neklokite laidų ten, kur jie bus veikiami aukštos temperatūros. Jei izoliacija įkaista, laidai gali būti pažeisti, dėl to gali įvykti trumpasis jungimas arba gedimas ir negrįžtamai sugadintas gaminys.
- Netrumpinkite jokių laidų. Jei tai padarysite, apsaugos grandinė (saugiklio laikiklis, saugiklio rezistorius arba filtras ir t. t.) gali tinkamai neveikti.
- Niekada nemaitinkite kitų elektroninių gaminių, nupjaudami šio gaminio maitinimo laido izoliaciją ir įjungdami laidą. Laido srovės stiprumas bus viršytas, todėl jis perkaista.
Prieš įdiegdami šį gaminį
- Naudokite šį įrenginį tik su 12 voltų akumuliatoriumi ir neigiamu įžeminimu. Jei to nepadarysite, galite sukelti gaisrą arba gedimą.
- Kad išvengtumėte trumpojo jungimo elektros sistemoje, prieš montuodami būtinai atjunkite (–) akumuliatoriaus laidą.
Kad išvengtumėte žalos
- Naudokite garsiakalbius, kurių galia viršija 50 W (maksimali įėjimo galia) ir yra nuo 4 Ω iki 8 Ω (varžos vertė). Nenaudokite 1 Ω iki 3 Ω garsiakalbių šiam gaminiui.
- Juodas laidas yra įžemintas. Montuodami šį įrenginį arba maitinimo stiprintuvą (parduodamas atskirai), pirmiausia įsitikinkite, kad prijungėte įžeminimo laidą. Užtikrinkite, kad įžeminimo laidas būtų tinkamai prijungtas prie metalinių automobilio korpuso dalių. Maitinimo stiprintuvo ir šio įrenginio arba bet kurio kito įrenginio įžeminimo laidas turi būti prijungtas prie automobilio atskirai skirtingais varžtais. Jei įžeminimo laido varžtas atsilaisvina arba iškrenta, tai gali sukelti gaisrą, dūmus arba gedimą.
![Pioneer - AVH-W4400NEX - Kad išvengtumėte žalos - 1 žingsnis Kad išvengtumėte žalos - 1 žingsnis]()
*1 Nepateikiamas šiam įrenginiui - Keisdami saugiklį, būtinai naudokite tik tokio paties nominalo saugiklį, kaip nurodyta ant šio gaminio.
- Atjungdami jungtį, traukite pačią jungtį. Netraukite už laido, nes galite jį ištraukti iš jungties.
- Šio gaminio negalima montuoti transporto priemonėje, kurios uždegimo jungiklis neturi ACC (priedo) padėties.
![Pioneer - AVH-W4400NEX - Kad išvengtumėte žalos - 2 žingsnis Kad išvengtumėte žalos - 2 žingsnis]()
- Kad išvengtumėte trumpojo jungimo, uždenkite atjungtą laidą izoliacine juosta. Ypač svarbu izoliuoti visus nenaudojamus garsiakalbių laidus, kurie, palikti neuždengti, gali sukelti trumpąjį jungimą.
- Norėdami prijungti maitinimo stiprintuvą ar kitus įrenginius prie šio gaminio, žiūrėkite prijungiamo gaminio vadovą.
- Grafinis simbolis
ant gaminio reiškia nuolatinę srovę.
Pranešimas dėl mėlyno / balto laido
- Kai uždegimo jungiklis įjungtas (ACC ON), valdymo signalas išvedamas per mėlyną / baltą laidą. Prijunkite prie išorinio maitinimo stiprintuvo sistemos nuotolinio valdymo terminalo, automatinės antenos relės valdymo terminalo arba antenos stiprintuvo maitinimo valdymo terminalo (maks. 300 mA 12 V DC). Valdymo signalas išvedamas per mėlyną / baltą laidą, net jei garso šaltinis išjungtas.
Kai šis gaminys veikia [Power OFF] (išjungimo) režimu, valdymo signalas taip pat išjungiamas. Jei [Power OFF] (išjungimo) režimas atšaukiamas, valdymo signalas vėl išvedamas ir antena ištraukiama naudojant automatinę antenos funkciją (jei antena naudojama). Būkite atsargūs, kad ištraukta antena nesiliestų su kliūtimis.
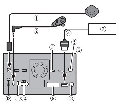
Galinis skydelis (pagrindiniai gnybtai)

- GPS antena 3,55 m (11 pėdų 8 col.)
- Mikrofonas 3 m (9 pėdų 10-1/8 col.)
- iDatalink adapterio įvestis Žr. instrukcijų vadovą, skirtą
- „iDataLink“ adapteriui (parduodamas atskirai). RGB kabelis (pridedamas prie navigacijos sistemos)
- SiriusXM Connect Vehicle Tuner Žr. instrukcijų vadovą, skirtą SiriusXM Connect Vehicle Tuner (parduodamas atskirai).
- Šis gaminys
- „Pioneer“ navigacijos sistema Kreipkitės į pardavėją ir teiraukitės apie prijungiamą navigacijos įrenginį.
- Antenos lizdas
- AV kabelis IN/OUT
- Maitinimo šaltinis
- Saugiklis (10 A)
- Laidinė nuotolinio valdymo pulto įvestis Galima prijungti laidinio nuotolinio valdymo adapterį (parduodamas atskirai).
PASTABA
Prieš naudodami ir (arba) prijungdami iDatalink Maestro adapterį, pirmiausia turėsite įrašyti „Maestro“ modulį su atitinkama transporto priemonės ir galvos bloko programine įranga. Įrenginio numerį, kurio reikia aktyvinimui, galite rasti toliau pateiktoje informacijoje (žr. naudojimo vadovą):
- Etiketė ant šio gaminio pakuotės
- Etiketė ant šio gaminio
- [Firmware Information] (programinės įrangos informacija) ekranas
Maitinimo laidas
NETINKAMAS PRIJUNGIMAS GALI SUŽEISTI ARBA PADARYTI RIMTŲ SUŽALOJIMŲ, ĮSKAITANT ELEKTROS SMŪGĮ, IR TRIKDYTI TRANSPORTO PRIEMONĖS ANTIUŽRAKTO STABDŽIŲ SISTEMOS, AUTOMATINĖS PAVARŲ DĖŽĖS IR SPIDOMETRO RODMENŲ VEIKIMĄ.

- Į maitinimo šaltinį
- Maitinimo laidas
- Geltonas Į gnybtą, kuriam tiekiama energija nepriklausomai nuo uždegimo jungiklio padėties.
- Raudonas Į elektros gnybtą, valdomą uždegimo jungikliu (12 V DC) ON/OFF
- Oranžinė / balta
Į apšvietimo jungiklio gnybtą.
- Juodas (įžeminimas) Į transporto priemonės (metalinį) korpusą.
- Violetinė / balta Iš dviejų laidų, prijungtų prie galinio žibinto, prijunkite tą, kuriame įtampa pasikeičia, kai pavarų perjungimo svirtis yra REVERSE (R) padėtyje. Šis prijungimas leidžia įrenginiui pajusti, ar automobilis juda į priekį, ar atgal.
- Rožinė Automobilio greičio signalo įvestis
- Mėlyna / balta Prijunkite prie maitinimo stiprintuvo sistemos valdymo gnybto (maks. 300 mA 12 V DC).
- Šviesiai žalia Naudojama stovėjimo stabdžio ON/OFF būsenai aptikti. Šis laidas turi būti prijungtas prie maitinimo šaltinio pusės
- stovėjimo stabdžio jungiklio. Maitinimo šaltinio pusė
- Stovėjimo stabdžio jungiklis
- Įžeminimo pusė
PASTABA
Greičio aptikimo grandinės padėtis ir stovėjimo stabdžio jungiklio padėtis skiriasi priklausomai nuo transporto priemonės modelio. Norėdami gauti daugiau informacijos, kreipkitės į įgaliotąjį „Pioneer“ atstovą arba montavimo specialistą.
Garsiakalbių laidai

Atlikite šiuos sujungimus, kai naudojate žemų dažnių garsiakalbį be papildomo stiprintuvo.

- Į maitinimo šaltinį
- Maitinimo laidas
- Kairė
- Dešinė
- Priekinis garsiakalbis (STD) arba aukšto dažnio garsiakalbis (NW)
- Galinis garsiakalbis (STD) arba vidutinio dažnio garsiakalbis (NW)
- Baltas
- Baltas/juodas
- Pilkas
- Pilkas/juodas
- Žalias
- Žalias/juodas
- Violetinis
- Violetinis/juodas
- Žemų dažnių garsiakalbis (4 Ω)
- Kai naudojate 2 Ω žemų dažnių garsiakalbį, būtinai prijunkite žemų dažnių garsiakalbį prie šio įrenginio violetinių ir violetinių/juodų laidų. Nejunkite nieko prie žalių ir žalių/juodų laidų.
- Nenaudojamas.
- Žemų dažnių garsiakalbis (4 Ω) × 2
PASTABOS
- Kai prie šio produkto vietoj galinio garsiakalbio prijungiamas žemų dažnių garsiakalbis, pradiniame nustatyme pakeiskite galinės išvesties nustatymą. Šio produkto žemų dažnių garsiakalbio išvestis yra monofoninė.
Išsamesnės informacijos ieškokite naudojimo vadove. - Naudodami dviejų garsiakalbių sistemą, nejunkite nieko prie garsiakalbių laidų, kurie nėra prijungti prie garsiakalbių.
Maitinimo stiprintuvas (parduodamas atskirai)
Kai naudojamas šis sujungimas, garsiakalbių laidai nenaudojami.

- Žemų dažnių garsiakalbio išvestis (SUBWOOFER OUTPUT) 23 cm (9 col.) (STD)
Žemo dažnio išvestis (NW) - RCA kabelis (parduodamas atskirai)
- Maitinimo stiprintuvas
- Priekinė išvestis (FRONT OUTPUT) 15 cm (5–7/8 col.) (STD)
Aukšto dažnio išvestis (NW) - Galinė išvestis (REAR OUTPUT) 15 cm (5–7/8 col.) (STD)
Vidutinio dažnio išvestis (NW) - Geltonas/juodas (MUTE)
Jei naudojate įrangą su nutildymo funkcija, prijunkite šį laidą prie tos įrangos garso nutildymo laido. Jei ne, palikite garso nutildymo laidą be jokių jungčių. - Šis produktas
- Sistemos nuotolinio valdymo pultas
Prijunkite prie mėlyno/balto kabelio (maks. 300 mA 12 V DC). - Galinis garsiakalbis (STD)
Vidutinio dažnio garsiakalbis (NW) - Priekinis garsiakalbis (STD)
Aukšto dažnio garsiakalbis (NW) - Žemų dažnių garsiakalbis (STD)
Žemo dažnio garsiakalbis (NW)
PASTABA
Pasirinkite tinkamą garsiakalbio režimą tarp standartinio režimo (STD) ir tinklo režimo (NW). Išsamesnės informacijos ieškokite naudojimo vadove.
iPod/iPhone ir išmanusis telefonas
PASTABOS
- Išsamesnės informacijos apie tai, kaip prijungti išorinį įrenginį naudojant atskirai parduodamą kabelį, ieškokite kabelio vadove.
- Išsamesnės informacijos apie iPhone prijungimą, veikimą ir suderinamumą ieškokite naudojimo vadove.
- Išsamesnės informacijos apie išmaniojo telefono prijungimą ir veikimą ieškokite naudojimo vadove.
Identifikavimo etikečių pritvirtinimas prie USB laidų
Prieš montuodami šį gaminį transporto priemonėje, pritvirtinkite identifikavimo etiketes prie USB laidų (tiekiamų ir parduodamų atskirai).
- Prijunkite USB laidus prie USB prievadų 1 ir 2 šio gaminio gale.
- Pritvirtinkite identifikavimo etiketes, atitinkančias kiekvieną prievadą, prie USB laidų, kaip parodyta toliau. Pritvirtinkite "Port 1 Apple CarPlay" etiketę prie USB laido, prijungto prie USB prievado 1.
Pritvirtinkite "Port 2 Android Auto" etiketę prie USB laido, prijungto prie USB prievado 2.
![]()
iPod/iPhone
Jungimas per USB prievadą

- USB prievadas 1
- USB kabelis 1,5 m (4 pėdų 11 col.)
- USB sąsajos kabelis, skirtas iPod/iPhone (CD- IU52) (parduodamas atskirai)
- iPhone
Išmanusis telefonas ("Android™" įrenginys)
Jungimas per USB prievadą

- USB prievadas 2
- USB kabelis (pridedamas prie CD-MU200)
- USB - micro USB kabelis (Type USB A -micro USB B) (pridedamas prie CD-MU200)
- Išmanusis telefonas
Kamera
Kai naudojate galinio vaizdo kamerą, galinio vaizdo vaizdas automatiškai perjungiamas iš vaizdo įrašo perkeliant pavarų perjungimo svirtį į ATBULINĘ (R) padėtį. Camera View (kameros vaizdo) režimas taip pat leidžia patikrinti, kas yra už jūsų, vairuojant.
NAUDOKITE ĮĖJIMĄ TIK ATBULINEI ARBA VEIDRODINIO VAIZDO GALINIO VAIZDO KAMERAI. KITAS NAUDOJIMAS GALI SUŽALOJIMO ARBA SUGADINTI.
- Ekrano vaizdas gali atrodyti apverstas.
- Su galinio vaizdo kamera galite stebėti priekabas arba važiuoti atbuline eiga į ankštą stovėjimo vietą. Nenaudokite pramogų tikslais.
- Objektai galiniame vaizde gali atrodyti arčiau arba toliau nei iš tikrųjų.
- Viso ekrano vaizdų, rodomų važiuojant atbuline eiga arba tikrinant transporto priemonės galą, vaizdo sritis gali šiek tiek skirtis

- Šis produktas
- Maitinimo šaltinis
- Maitinimo laidas
- Violetinė/balta (REVERSE-GEAR SIGNAL INPUT)
- Rudas (REAR VIEW CAMERA IN) 23 cm (9 col.)
- Geltonas (VIDEO INPUT) 23 cm (9 col.)
- Galinio vaizdo kamera (ND-BC8) (parduodama atskirai)
- Į vaizdo išvestį
- RCA kabelis (pridedamas prie ND-BC8)
- RCA kabelis (parduodamas atskirai)
- Peržiūros kamera (parduodama atskirai)
PASTABOS
- Prie rudo kabelio prijunkite tik galinio vaizdo kamerą. Nejunkite jokios kitos įrangos.
- Norint naudoti galinio vaizdo kameras, reikia atlikti tam tikrus tinkamus nustatymus. Išsamesnės informacijos ieškokite naudojimo vadove.
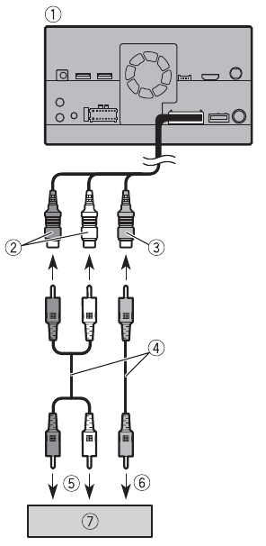
Išorinis vaizdo komponentas
AV įvesties naudojimas

- Šis produktas
- Raudonas, baltas (AUDIO INPUT) 23 cm (9 col.)
- Geltonas (VIDEO INPUT) 23 cm (9 col.)
- RCA kabelis (parduodamas atskirai)
- Į garso įvestį
- Į vaizdo įvestį
- Išorinis vaizdo komponentas (parduodamas atskirai)
PASTABA
Norint naudoti išorinį vaizdo komponentą, reikia atlikti tinkamą nustatymą. Išsamesnės informacijos ieškokite naudojimo vadove.
AUX įvesties naudojimas

- Šis produktas
- Mini lizdo AV kabelis (CD-RM10) (parduodamas atskirai)
- AUX įvestis (AUX IN) 15 cm (5–7/8 col.)
- Geltonas
- Raudonas, baltas
- RCA kabeliai (parduodami atskirai)
- Į vaizdo išvestį
- Į garso išvestis
- Išorinis vaizdo komponentas (parduodamas atskirai)
PASTABA
Norint naudoti išorinį vaizdo komponentą, reikia atlikti tinkamą nustatymą. Išsamesnės informacijos ieškokite naudojimo vadove.
Būtinai naudokite mini lizdo AV kabelį (CDRM10) (parduodamą atskirai) laidams. Jei naudojate kitus kabelius, laidų padėtis gali skirtis, todėl vaizdai ir garsai bus trikdomi.
| |
| |
L: Kairysis garso įrašas (baltas)
R: Dešinysis garso įrašas (raudonas)
V: Vaizdas (geltonas)
G: Įžeminimas
HDMI įvesties naudojimas

- Šis produktas
- HDMI prievadas
- "High Speed HDMI®" kabelis (parduodamas atskirai)
- HDMI įrenginys (parduodamas atskirai)
PASTABA
Kai prijungiate "High Speed HDMI®" kabelį, naudokite fiksavimo raištį, kad tvirtai jį pritvirtintumėte.
"High Speed HDMI"® pritvirtinimas
Prijungdami išorinį įrenginį "High Speed HDMI®" kabeliu, būtinai pritvirtinkite "High Speed HDMI®" kabelį fiksavimo raišteliu.
- Įkiškite "High Speed HDMI®" kabelį į HDMI prievadą.
- Apvyniokite fiksavimo raištelį aplink kabliuką virš HDMI prievado ir "High Speed HDMI®" kabelį, tada priveržkite jį, kad pritvirtintumėte "High Speed HDMI®" kabelį.
- Kabliukas
- Fiksavimo raištelis
- "High Speed HDMI®" kabelis
Nepriveržkite fiksavimo raištelio daugiau nei reikia.
Galinis ekranas

- Šis produktas
- Galinis garso išvestis (R. AUDIO OUT)
- Geltona (REAR MONITOR OUTPUT) 30 cm (11-7/8 in.)
- Mini kontaktinis kištuko kabelis (parduodamas atskirai)
- RCA kabeliai (parduodami atskirai)
- Į garso įvestį
- Į vaizdo įvestį
- Galinis ekranas su RCA įvesties lizdais (parduodamas atskirai)
NIEKADA nemontuokite galinio ekrano tokioje vietoje, kurioje vairuotojas galėtų žiūrėti vaizdo įrašą, o keleiviai galinėse sėdynėse galėtų žiūrėti vaizdo įrašo šaltinį.
Įdiegimas
Atsargumo priemonės prieš įdiegiant
- Niekada neįdiekite šio produkto vietose, kuriose arba tokiu būdu, kad:
- Staigaus transporto priemonės sustojimo atveju galėtų sužaloti vairuotoją ar keleivius.
- Gali trukdyti vairuotojui valdyti transporto priemonę, pvz., ant grindų priešais vairuotojo sėdynę arba šalia vairo ar pavarų perjungimo svirties.
- Kad užtikrintumėte tinkamą įdiegimą, būtinai naudokite pateiktas dalis nurodytu būdu. Jei su šiuo produktu nepateikiamos jokios dalys, naudokite suderinamas dalis nurodytu būdu, kai tik jūsų pardavėjas patikrins dalies suderinamumą. Jei naudojamos kitos nei pateiktos ar suderinamos dalys, jos gali pažeisti vidines šio produkto dalis arba gali atsilaisvinti ir produktas gali atsiskirti.
- Ypač pavojinga leisti kabeliams apsivynioti aplink vairo kolonėlę arba pavarų perjungimo svirtį. Būtinai įdiekite šį produktą, jo laidus ir laidus taip, kad jie netrukdytų vairuoti.
- Įsitikinkite, kad laidai negali įstrigti duryse arba sėdynės slankiojimo mechanizme, dėl ko gali įvykti trumpasis jungimas.
- Įdiegę šį produktą, patvirtinkite tinkamą kitos transporto priemonės įrangos funkciją.
- Neįdiekite šio produkto ten, kur jis gali (i) užstoti vairuotojo matomumą, (ii) pabloginti bet kurios transporto priemonės veikimo sistemos ar saugos funkcijas, įskaitant oro pagalves, avarinio signalo mygtukus arba
(iii) pabloginti vairuotojo gebėjimą saugiai valdyti transporto priemonę. - Niekada neįdiekite šio produkto priešais arba šalia vietos prietaisų skydelyje, durelėse ar stulpelyje, iš kurios išsiskleistų viena iš jūsų transporto priemonės oro pagalvių. Norėdami sužinoti apie priekinių oro pagalvių išskleidimo sritį, žr. transporto priemonės savininko vadovą.
Prieš diegiant
- Pasitarkite su artimiausiu pardavėju, jei montuojant reikia gręžti skyles ar kitaip modifikuoti transporto priemonę.
- Prieš galutinai įdiegdami šį gaminį, laikinai prijunkite laidus, kad įsitikintumėte, jog jungtys yra teisingos ir sistema veikia tinkamai.
- Neįdiekite šio gaminio tokioje padėtyje, kur LCD skydelio atidarymą užstoja bet kokios kliūtys, pvz., pavarų perjungimo svirtis. Prieš montuodami šį gaminį, įsitikinkite, kad palikote pakankamai vietos, kad LCD skydelis netrukdytų pavarų perjungimo svirčiai, kai jis visiškai atidarytas. Tai gali trukdyti pavarų perjungimo svirčiai arba sukelti šio gaminio mechanizmo gedimą.
Montavimo pastabos
- Nemontuokite šio gaminio vietose, kuriose yra aukšta temperatūra arba drėgmė, pavyzdžiui:
- Vietos šalia šildytuvo, ventiliacijos angos arba oro kondicionieriaus.
- Vietos, kuriose yra tiesioginiai saulės spinduliai, pavyzdžiui, ant prietaisų skydelio.
- Vietos, kur gali patekti lietaus, pavyzdžiui, šalia durų arba ant transporto priemonės grindų.
- Sumontuokite šį gaminį horizontaliai ant paviršiaus, kurio tolerancija yra nuo 0 iki 30 laipsnių (5 laipsniai į kairę arba į dešinę). Netinkamas įrenginio montavimas, kai paviršius pakreiptas daugiau nei šios tolerancijos, padidina klaidų tikimybę transporto priemonės vietos rodinyje ir gali sumažinti ekrano našumą.
![]()
- Montuodami, kad užtikrintumėte tinkamą šilumos išsklaidymą naudojant šį įrenginį, įsitikinkite, kad už galinio skydelio paliekate daug vietos ir apvyniokite visus palaidus laidus, kad jie neužstotų ventiliacijos angų.
![Pioneer - AVH-W4400NEX - Montavimo pastabos Montavimo pastabos]()
Montavimas naudojant varžtų skyles šone
- Šio gaminio tvirtinimas prie gamyklinio radijo montavimo laikiklio.
Padėkite šį gaminį taip, kad jo varžtų skylės būtų sulygiuotos su laikiklio varžtų skylėmis, ir priveržkite varžtus trijose vietose kiekvienoje pusėje.
Naudokite arba santvaros galvutės varžtus, arba lygaus paviršiaus varžtus, atsižvelgiant į laikiklio varžtų skylių formą.

- Gamyklinis radijo montavimo laikiklis
- Jei skląstis trukdo montuoti, galite jį atlenkti.
- Prietaisų skydelis arba konsolė
- Santvaros galvutės varžtas arba lygaus paviršiaus varžtas
Būtinai naudokite su šiuo gaminiu pateiktus varžtus.
GPS antenos montavimas
Nenupjaukite GPS antenos laido, kad jį sutrumpintumėte, arba nenaudokite ilginamojo laido, kad jį pailgintumėte. Antenos kabelio pakeitimas gali sukelti trumpąjį jungimą arba gedimą ir nepataisomai sugadinti šį gaminį.
Montavimo pastabos
- Antena turi būti sumontuota ant lygaus paviršiaus, kur radijo bangos būtų kuo mažiau blokuojamos. Radijo bangų antena negali priimti, jei blokuojamas signalas iš palydovo.
![]()
- Prietaisų skydelis
- Galinė lentyna
- Montuodami GPS anteną transporto priemonės viduje, būtinai naudokite su sistema pateiktą metalinį lakštą. Jei jis nenaudojamas, priėmimo jautrumas bus prastas.
- Nepjaukite priedų metalinio lakšto. Tai sumažintų GPS antenos jautrumą.
- Išimdami GPS anteną, būkite atsargūs ir netraukite už antenos laido. Laidas gali atsiskirti.
- Nedažykite GPS antenos, nes tai gali turėti įtakos jos veikimui.
Montuojant anteną transporto priemonės viduje (ant prietaisų skydelio arba galinės lentynos)
Nemontuokite GPS antenos virš jokių jutiklių ar ventiliacijos angų ant transporto priemonės prietaisų skydelio, nes tai gali trukdyti tinkamai veikti tokiems jutikliams ar ventiliacijos angoms ir gali pakenkti GPS antenos po metaliniu lakštu gebėjimui tinkamai ir saugiai pritvirtinti prie prietaisų skydelio.

- GPS antena
- Metalinis lakštas
Nulupkite apsauginį lakštą ant galo. - Dvipusė lipni juosta
- Gnybtai
Naudokite gnybtus, kad prireikus pritvirtintumėte laidą transporto priemonės viduje.
PASTABOS
- Pritvirtinkite metalinį lakštą ant kuo lygesnio paviršiaus, kur GPS antena būtų nukreipta į langą.
- Pritvirtinkite GPS anteną ant metalinio lakšto naudodami dvipusę lipnią juostą.
- Metalinis lakštas turi stiprius klijus, kurie, jį pašalinus, gali palikti žymę ant paviršiaus.
- Pritvirtindami metalinį lakštą, nepjaustykite jo į mažus gabalus.
- Kai kuriuose modeliuose naudojamas lango stiklas, kuris neleidžia signalams iš GPS palydovų praeiti. Tokiuose modeliuose sumontuokite GPS anteną transporto priemonės išorėje.
Mikrofono montavimas
- Sumontuokite mikrofoną tokioje vietoje, kur jo kryptis ir atstumas nuo vairuotojo leistų lengviausiai užfiksuoti vairuotojo balsą.
- Prieš prijungdami mikrofoną, būtinai išjunkite (ACC OFF (ACC išjungtas)) gaminį.
- Priklausomai nuo transporto priemonės modelio, mikrofono kabelio ilgis gali būti per trumpas, kai montuojate mikrofoną ant saulės skydelio. Tokiais atvejais sumontuokite mikrofoną ant vairo kolonėlės.
Montavimas ant saulės skydelio
- Įstatykite mikrofono laidą į griovelį.
- Mikrofono laidas
- Griovelis
- Pritvirtinkite mikrofono spaustuką prie saulės skydelio.
- Mikrofono spaustukas
- Gnybtai
Naudokite atskirai parduodamus gnybtus, kad prireikus pritvirtintumėte laidą transporto priemonės viduje.
Sumontuokite mikrofoną ant saulės skydelio, kai jis yra pakeltoje padėtyje. Jis negali atpažinti vairuotojo balso, jei saulės skydelis yra nuleistoje padėtyje.
Montavimas ant vairo kolonėlės
- Atskirkite mikrofono pagrindą nuo mikrofono spaustuko, slinkdami mikrofono pagrindą, tuo pačiu paspausdami skirtuką.
- Skirtukas
- Mikrofono pagrindas
- Sumontuokite mikrofoną ant vairo kolonėlės.
- Dvipusė lipni juosta
- Gnybtai
Naudokite atskirai parduodamus gnybtus, kad prireikus pritvirtintumėte laidą transporto priemonės viduje.
PASTABA
Sumontuokite mikrofoną ant vairo kolonėlės, laikydami jį atokiau nuo vairo.
Mikrofono kampo reguliavimas
Galima reguliuoti mikrofono kampą.

Svarbi informacija apie saugą
Galinio matomumo sistemos (atsarginės kameros) yra privalomos tam tikrose naujose transporto priemonėse, parduodamose JAV ir Kanadoje. JAV taisyklės pradėtos taikyti pagal dvejų metų įgyvendinimo etapą 2016 m. gegužės 1 d., o JAV ir Kanada reikalauja, kad visose tokiose transporto priemonėse, pagamintose 2018 m. gegužės 1 d. arba vėliau, būtų įrengtos galinio matomumo sistemos. Transporto priemonių, kuriose įrengtos reikalavimus atitinkančios galinio matomumo sistemos, savininkai neturėtų montuoti ar naudoti šio gaminio taip, kad pakeistų ar išjungtų tos sistemos atitiktį galiojančioms taisyklėms. Jei nesate tikri, ar jūsų transporto priemonėje yra galinio matomumo sistema, kuriai taikomos JAV ar Kanados taisyklės, susisiekite su transporto priemonės gamintoju arba pardavėju.
Jei jūsų transporto priemonėje yra reikalavimus atitinkanti atsarginė kamera, kuri rodo atsarginį vaizdą per gamyklinį imtuvą, nenaudokite Pioneer imtuvo, nebent jis būtų prijungtas prie tos pačios kameros, kaip ir gamyklinė atsarginė kamera, ir rodytų tą patį vaizdą. Norint prisijungti prie gamyklinės atsarginės kameros, reikės adapterio, parduodamo atskirai. Ne visas transporto priemones galima prijungti. Dėl montavimo variantų, specifinių jūsų transporto priemonei, kreipkitės į kvalifikuotą profesionalų montuotoją.
Atsisiųsti instrukciją
Čia galite atsisiųsti visą pdf instrukcijos versiją, kurioje gali būti papildomų saugos instrukcijų, garantijos informacijos, FCC taisyklių ir kt.
Atsisiųsti Pioneer AVH-W4400NEX vadovas


ant gaminio reiškia nuolatinę srovę.


