Sony BRAVIA KDL-48W600B / KDL-48W590B / KDL-48W580B / KDL-40W600B - brukerveiledning
- 1 BRAVIA Full HDTV-opplevelse
- 2 Komme i gang
- 3 Bruke BRAVIA TV-en
- 4 Se etter instruksjoner i den elektroniske bruksanvisningen (i-Manual)
- 5 Feilsøking
- 6 Slik vedlikeholder du BRAVIA TV-en
- 7 Spesifikasjoner
- 8 Installere TV-en på veggen
- 9 Installere TV-en mot en vegg eller et lukket område
- 10 Sikkerhetsinformasjon
- 11 Referanser
- 12 Last ned manual
- 13 På andre språk
BRAVIA® Full HDTV-opplevelse
Takk for at du valgte Sony! Din nye BRAVIA® TV åpner døren til «Full HDTV-opplevelse». Dette dokumentet hjelper deg med å få mest mulig ut av TV-en.
Ta deg tid til å registrere TV-en din på:
U.S.A.: http://productregistration.sony.com
Canada: http://www.sony.ca/registration
Fire trinn til en Full HD-opplevelse
Sett, kilde, lyd og oppsett.
- Sett
Nå som du har tatt det beste valget innen LED-bakgrunnsbelyst LCD TV-teknologi, må du sørge for å fjerne alt tilbehørsinnhold fra emballasjen før du setter opp TV-en. - Kilde
For å oppleve de fantastiske detaljene på din BRAVIA TV, trenger du tilgang til HD-programmering.- Oppgrader signal- eller innholdskilden til HD (high-definition) ved å kontakte din HD-tjenesteleverandør.
- Motta HD-sendinger over luften med en HD-kvalitetsantenne koblet direkte til baksiden av TV-en.
Besøk http://www.antennaweb.org for mer informasjon om antennevalg og oppsett. - Oppdag rikdommen av underholdning som nå er tilgjengelig på superhøy oppløsning Blu-ray Disc™-spiller og annet Sony HD-utstyr.
- Lyd
Fullfør HD-opplevelsen med et BRAVIA Sync™-surroundlydsystem eller A/V-mottaker fra Sony. - Oppsett
Installer TV-en og koble til kildene dine. For å sikre høyest mulig kvalitet for HD-opplevelsen din, bruk Sony HDMI-kabler (High-Definition Multimedia Interface).
For å lære mer om HDTV, besøk:
U.S.A.: http://www.sony.com/HDTV
Canada: http://www.sony.ca/hdtv
Denne TV-en viser alle videoinngangssignaler i en oppløsning på 1920 punkter × 1080 linjer.
Følgende diagram viser HD- (high-definition) og SD-videoformater (standard-definition) som støttes av BRAVIA TV-inngangene dine.

- *For detaljer om støttede formater, se «Spesifikasjoner» i denne håndboken.
- *For støttede PC-formater, se i-Manual.
Om denne håndboken (bruksanvisning)
Denne håndboken forklarer hvordan du setter opp TV-en. For mer informasjon om hvordan du bruker BRAVIA TV-en din, se «Elektronisk håndbok».
For mer informasjon, trykk på i-MANUAL-knappen

Bilder og illustrasjoner som brukes i denne håndboken kan avvike fra det faktiske skjermbildet.
Komme i gang
Kontrollere tilbehøret
Fjernkontroll (1)*1
AAA-batterier (2)
Strømledning (1)
AC-adapter (1)
Kabelholder (3)
Bordstativ (1)*2
Festeskruer for bordstativ (M5 × 20) (2)
Bruksanvisning (denne håndboken) og andre dokumenter
Veggfesteadaptertilbehør
- *Se modellnavnet trykt på fjernkontrollen.
- *Montering av bordstativet er nødvendig. Se det medfølgende heftet for bordstativet for å montere bordstativet.
Sette batterier i fjernkontrollen

- Fjern beskyttelsesarket.
- Skyv dekselet for å åpne det.
Retningslinjer for fjernkontrollen
- Rett fjernkontrollen direkte mot IR-sensoren på TV-en.
- Sørg for at ingen objekter blokkerer banen mellom fjernkontrollen og IR-sensoren på TV-en.
![Illustrasjon av IR-sensoren på TV-en]()
- Lysstoffrør kan forstyrre fjernkontrollen. Prøv å slå av lysstoffrørene.
- Hvis du har problemer med fjernkontrollen, sett inn batteriene på nytt eller bytt dem, og sørg for at de er satt inn riktig.
Før du konfigurerer TV-en
Noen TV-modeller leveres med en separat bordstativ slik at du kan montere TV-en på en vegg med en gang. Se s"Montere TV-en på veggen" hvis du vil montere TV-en på en vegg. Hvis du ikke monterer TV-en på veggen, må du feste bordstativet. Du trenger en stjerneskrutrekker (ikke medfølgende) og de medfølgende skruene for å fullføre oppgaven. Se etter den medfølgende instruksjonsbrosjyren for bordstativ.
Husk å vurdere følgende når du konfigurerer TV-en:
- Koble fra alle kabler når du bærer TV-en.
- Bær TV-en med tilstrekkelig antall personer. Større TV-er krever to eller flere personer.
- Riktig plassering av hendene når du bærer TV-en, er svært viktig for sikkerheten og for å unngå skader.
![]()
- Sørg for at TV-en har tilstrekkelig ventilasjon.
- For best bildekvalitet må du ikke utsette skjermen for direkte belysning eller sollys.
- Unngå å installere TV-en i et rom med reflekterende vegg- og gulvmaterialer.
- Unngå å flytte TV-en fra et kaldt område til et varmt område. Plutselige romtemperatursvingninger kan føre til fuktighetskondensering. Dette kan føre til at TV-en viser dårlig bilde og/eller dårlig farge. Hvis dette skjer, la fuktigheten fordampe helt før du slår på TV-en.
- Sørg for at det ikke er noen gjenstander foran TV-en.
![]()
Feste bordstativet
Se den medfølgende brosjyren for bordstativ for riktig feste.
- Ikke legg press på LCD-panelet eller rammen rundt skjermen.
- Vær forsiktig så du ikke klemmer hendene eller strømledningen når du installerer TV-en på bordstativet.
- Fest bordstativet til TV-en.
![Sony - BRAVIA KDL-48W600B - Feste bordstativet – trinn 1 Feste bordstativet – trinn 1]()
- Fest TV-en til bordstativet med de medfølgende skruene.
![Sony - BRAVIA KDL-48W600B - Feste bordstativet – trinn 2 Feste bordstativet – trinn 2]()
- Hvis du bruker en elektrisk skrutrekker, still inn dreiemomentet på ca. 1,5 N·m {15 kgf·cm}.
Fjerne bordstativet fra TV-en
For å fjerne bordstativet fra TV-en, fjern skruene som er festet i trinn 2.
- Ikke fjern bordstativet av andre grunner enn for å installere tilhørende tilbehør på TV-en.
- Når du fjerner bordstativet fra TV-en, legger du skjermen med forsiden ned på en stabil arbeidsflate som er større enn TV-en.
- For å unngå å skade overflaten på LCD-skjermen må du sørge for å legge en myk klut på arbeidsflaten.
- Sørg for at TV-en er vertikal før du slår den på. For å unngå ujevn bildeuniformitet må du ikke slå på TV-en med LCD-panelet vendt ned.
- Når du fester bordstativet igjen, må du feste skruene (som tidligere er fjernet) til de originale hullene på baksiden av TV-en.
Bunte sammen strømadapteren
- Du kan bunte sammen strømadapteren som et valgfritt trinn. Ikke bunte den sammen av andre grunner enn for å veggmontere TV-en.
- Sørg for at etiketten vender utover når du buntet sammen strømadapteren.
![Sony - BRAVIA KDL-48W600B - Bunte sammen strømadapteren Bunte sammen strømadapteren]()
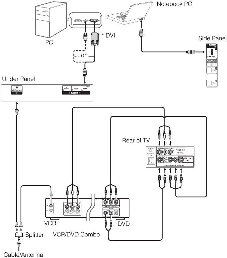
Koble til TV-en
- Bruk en antennekabelkontakt som ikke er tykkere enn 14 mm.
- Når du kobler kabelen til kabelen/antennen, må du kun stramme til med fingeren. Hvis du strammer til for mye, kan det skade TV-en.
- Før du flytter TV-en, må du koble fra alle kablene som er koblet til TV-en for å unngå å skade TV-en når den flyttes.
- Bruk en HDMI-kabelkontakt innenfor 12 mm (tykkelse) × 21 mm (bredde).
- For mer informasjon om tilkoblinger, se i-Manualen.
Vist med en set-top-boks med HDMI-tilkobling

Anbefaling for en F-type plugg
Utstikket av den indre ledningen fra tilkoblingsdelen må være mindre enn 1,5 mm.

(Referansetegning for en F-type plugg)
Vist med en set-top-boks med KOMPONENT-tilkobling

Kabelsystem eller VHF/UHF-antennesystem

Vist med MHL-enhet med MHL-tilkobling

TV-en lader samtidig den MHL-kompatible tilkoblede enheten mens den spiller av foto-/musikk-/videofiler. Du kan bruke TV-fjernkontrollen til å kontrollere den tilkoblede MHL-kompatible enheten.
- Hvis Auto Input Change (MHL) (Automatisk inngangsendring (MHL)) er satt til On (På), bytter TV-en automatisk til HDMI IN 1/MHL fra annen inngang når MHL-kompatibel enhet er koblet til HDMI IN 1/MHL-kontakt. Tilgjengeligheten av Auto Input Change (MHL) (Automatisk inngangsendring (MHL)) avhenger av om den MHL-kompatible enheten kan støtte denne funksjonen.
- Hvis Charge MHL during Power Off (Lad MHL under strøm av) er satt til On (På), kan du fortsette å lade den MHL-kompatible enheten selv når TV-en er i standby-modus.
Vist med HD BRAVIA® Sync™ Basic Connection

- * Betyr en BRAVIA Sync-kompatibel enhet.
- * Den optiske tilkoblingen er bare nødvendig for A/V-mottakere som ikke støtter ARC (Audio Return Channel). Sett høyttalerinnstillingene til lyd ut, trykk på HOME (HJEM), og velg deretter
Settings > (Innstillinger >)
Sound > Speakers > Audio System. (Lyd > Høyttalere > Lydsystem.)
Still inn HDMI CEC-innstillingene på TV-en og AV-mottakeren for å tillate systemlydkontroll for ARC-tilkoblinger.
Vist med HD Basic Connection med hjemmekinosystem

* Den optiske tilkoblingen er bare nødvendig for hjemmekinosystemer som ikke støtter ARC (Audio Return Channel) når du kobler til med HDMI. Sett høyttalerinnstillingene til lyd ut, trykk på HOME (HJEM), og velg deretter
Settings > (Innstillinger >)
Sound > Speakers > Audio System. (Lyd > Høyttalere > Lydsystem.)
Still inn HDMI CEC-innstillingene på TV-en og AV-mottakeren for å tillate systemlydkontroll for ARC-tilkoblinger.
Vist med HD Basic Connection med hjemmekinosystem

* Den optiske tilkoblingen er bare nødvendig for hjemmekinosystemer som ikke støtter ARC (Audio Return Channel) når du kobler til med HDMI. Sett høyttalerinnstillingene til lyd ut, trykk på HOME (HJEM), og velg deretter
Settings > (Innstillinger >)
Sound > Speakers > Audio System. (Lyd > Høyttalere > Lydsystem.)
Still inn HDMI CEC-innstillingene på TV-en og AV-mottakeren for å tillate systemlydkontroll for ARC-tilkoblinger.
Vist med PC-tilkobling med SD VCR/DVD

* DVI støtter ikke lydsignaler. Koble lydutgangen på PC-en til PC-høyttalerne eller en A/V-mottaker for å lytte til lyd fra PC-en.
Sikre TV-en
Sony anbefaler på det sterkeste å ta forholdsregler for å forhindre at TV-en velter. Usikrede TV-er kan velte og føre til materielle skader, alvorlige personskader eller til og med død.
Forhindre at TV-en velter
- Fest TV-en til en vegg og/eller et stativ.
- Ikke la barn leke eller klatre på møbler og TV-er.
- Unngå å plassere eller henge gjenstander på TV-en.
- Installer aldri TV-en på:
- glatte, ustabile og/eller ujevne overflater.
- møbler som lett kan brukes som trinn, for eksempel en kommode.
- Installer TV-en der den ikke kan trekkes, dyttes eller veltes.
- Før alle strømledninger og tilkoblingskabler slik at de ikke er tilgjengelige for nysgjerrige barn.
Anbefalte tiltak for å sikre TV-en
Vurder følgende tiltak når du fester TV-en til et stativ (ikke medfølgende).
- Sikre stativet for TV-en.
Sørg for at stativet tåler vekten av TV-en. Bruk to vinkeljern (ikke medfølgende) for å sikre stativet. For hvert vinkeljern bruker du riktig maskinvare til å:- Fest den ene siden av vinkeljernet til veggstenderen.
- Fest den andre siden til stativet.
![Sony - BRAVIA KDL-48W600B - Sikre TV-en – trinn 1 Sikre TV-en – trinn 1]()
- Sikre TV-en til stativet.
Bruk den valgfrie maskinvaren som er oppført som følger (ikke medfølgende):- M6 maskinskrue (skrudd inn i TV-ens bakdeksel)
- En skrue eller lignende (fest den til stativet)
- Tau eller kjetting (sterk nok til å bære vekten av TV-en). Sørg for at det ikke er slakk i tauet eller kjettingen.
![Sony - BRAVIA KDL-48W600B - Sikre TV-en – trinn 2 Sikre TV-en – trinn 2]()
Lengden på M6-maskinskruen varierer avhengig av tauets eller kjettingens diameter. Se illustrasjonen nedenfor.
![]()
- Forankre TV-en til veggen ved hjelp av bolter, vegganker og kjetting (eller tau).
Ankerbolter (M6) (ikke medfølgende)
![Sony - BRAVIA KDL-48W600B - Sikre TV-en – trinn 3 Sikre TV-en – trinn 3]()
- TV-en leveres med skruer festet til baksiden av TV-en, avhengig av TV-modellen. (De er festet i skruehullene for veggmontering.) Sørg for å fjerne de to øverste skruene før du forankrer TV-en til en vegg.
- Å sikre TV-en til stativet uten å sikre TV-en og stativet til veggen gir minimal beskyttelse mot at TV-en velter. For ytterligere beskyttelse må du følge de tre anbefalte tiltakene.
Bunte sammen kablene
- Ikke bunte strømledningen sammen med andre kabler.
![Sony - BRAVIA KDL-48W600B - Bunte sammen kablene Bunte sammen kablene]()
Koble TV-en til Internett
Når du kobler denne TV-en til Internett, kan du glede deg over flere funksjoner. For detaljer om funksjonene, se i-Manualen.
- Du må inngå en avtale med en Internett-leverandør for å koble til Internett.
Forberede et kablet nettverk

- For LAN-tilkoblinger, bruk en kategori 7-kabel (ikke medfølgende).
Forberede en Wi-Fi-tilkobling
Den innebygde Wi-Fi-enheten lar deg få tilgang til Internett og hjemmenettverket ditt. Med denne funksjonen kan du koble til et trådløst nettverk og nyte fordelene med nettverk i et kabelfritt miljø. Før du konfigurerer Wi-Fi-funksjonen på TV-en, må du konfigurere en trådløs ruter (aksesspunkt).

Kjøre det første oppsettet

- Fullfør kabeltilkoblingene før du fortsetter med Initial Setup (Første oppsett).
Koble strømledningen til strømadapteren og koble DC-kabelen til DC IN 19,5 V-terminalen. Koble deretter strømadapteren til nærmeste stikkontakt.
- Mens du holder TV-en, plugger du DC-pluggen til strømadapteren inn i DC IN 19,5 V-terminalen på TV-en til du kjenner et låseklikk.
- Trykk på
på TV-en.
LED-indikatoren lyser grønt. Når du slår på TV-en for første gang, vises språkmenyen på skjermen. - Trykk på
for å velge et element, og trykk deretter på
.
Følg instruksjonene på skjermen.
![]()
- Konfigurer Internett-tilkoblingen ved å velge Wi-Fi eller Wired LAN (Kablet LAN). Hvis du ikke skal bruke nettverksfunksjonene til TV-en, eller for å konfigurere senere, velger du Skip (Hopp over).
- TV-en vil automatisk oppdage og konfigurere nettverket når en kablet tilkobling er gjort før det første oppsettet.
- For kunder som trenger å konfigurere nettverkstilkoblingen sin med en statisk IP-adresse og/eller en proxy-server, velger du Skip (Hopp over). Etter å ha fullført det første oppsettet, trykker du på HOME (HJEM), og velger deretter
Settings > (Innstillinger >)
Network > Network Setup > Set up network connection > Expert. (Nettverk > Nettverkskonfigurasjon > Konfigurer nettverkstilkobling > Ekspert.) - Hvis du bruker WEP-sikkerhet, velger du Wi-Fi > Connect by scan list. (Wi-Fi > Koble til via skannliste.) Velg deretter nettverksnavnet (SSID) du vil koble til. Hvis du ikke finner det nødvendige nettverksnavnet, velger du [Manual Entry] ([Manuell inntasting]) og trykker på
for å skrive inn nettverksnavnet. - For å utføre Network Setup (Nettverkskonfigurasjon) senere, trykk på HOME (HJEM), og velg deretter
Settings > (Innstillinger >)
Network > Network Setup. (Nettverk > Nettverkskonfigurasjon.) - TV-en vil automatisk søke etter en programvareoppdatering etter at nettverket er konfigurert og vil prøve å oppdage regionen din automatisk.
- Skann etter tilgjengelige kanaler ved hjelp av TV-ens innebygde tuner ved å velge Built-in Tuner (Innebygd tuner) > Auto (Automatisk). Hvis du skal bruke en kabelboks eller satellittmottaker og ikke ønsker å bruke TV-ens innebygde tuner, velger du Set Top Box (Dekoder). Hvis du ikke ønsker å bruke TV-ens innebygde tuner eller en dekoder, velger du Skip (Hopp over).
Se på TV
- Slå på TV-en.
Trykk på
på TV-en eller POWER på fjernkontrollen for å slå på TV-en.
![]()
- Velg en TV-kanal eller velg en inngang.
![Sony - BRAVIA KDL-48W600B - Se på TV Se på TV]()
Slik velger du digitale kanaler
Bruk 0-9 og
. For eksempel, for å gå inn på kanal 2.1:
Trykk på
,
og
, og trykk deretter på
.
Bruke fjernkontrollen

Ofte brukte knapper
- Fargeknapper
Når fargeknappene er tilgjengelige, vises en bruksanvisning på skjermen. - DISPLAY
Viser kanalnummer, programdetaljer og klokken. - GUIDE
Viser den digitale programguiden.
(Bare for et antennesignal, og tilgjengeligheten avhenger av TV-modell/region/land) - SUBTITLE/CC
Du kan slå på/av teksting/undertekster.
Bruke BRAVIA TV-en
Oppdage innhold du liker (Discover)
Du kan bruke Discover til å søke etter innhold (som TV-programmer, Internett-innhold osv.). Innhold som vises i Discover, varierer avhengig av TV-modell/region/land.
- Trykk på DISCOVER.
![]()
- Trykk på
for å velge ønsket kategori.
![]()
- Trykk på
for å velge ønsket element, og trykk deretter på
.
Det valgte innholdet vises.
Kos deg med sosiale nettverk mens du ser på TV (sosial visning)
Sosial visning gir fordelene med sosiale nettverk til TV-opplevelsen din. Trykk på SOCIAL VIEW for å kose deg med å chatte med venner mens du ser på TV. De tilgjengelige funksjonene i sosial visning kan variere avhengig av TV-modell/region/land. Du trenger en bredbånds Internett-tilkobling. Hvis du vil ha mer informasjon, kan du se «Koble TV-en til Internett».
Gå deretter til Network Setup og følg instruksjonene på skjermen for å koble TV-en til Internett.

- Du må kanskje oppdatere TV-ens programvare for å bruke denne funksjonen. Trykk på HOME, velg
Help >
Customer Support > Software Update.
Velge forskjellig innhold og verktøy (Hjem-meny)
Velg ønsket kategori øverst i Hjem-menyen. Du kan spille av innhold ved å velge miniatyrbildet i en underkategori. Du kan også bruke funksjoner (som innstillingsendring) ved å velge ikonet.
- Trykk på HOME.
![]()
- Trykk på
for å velge ønsket kategori, og trykk deretter på
.
![]()
- Trykk på
, og trykk deretter på
for å velge ønsket underkategori.
Når markøren flyttes forbi venstre/høyre kant av underkategorien, vises neste underkategori (hvis det er mer enn én underkategori).
![]()
- Velg miniatyrbildet av ønsket innhold.
Innholdet spilles av.
Velge forskjellig innhold
Kategoriene er tilgjengelige avhengig av TV-modell/region/land.
Channel | Du kan vise listen over digitalt kringkastet innhold og miniatyrbilder av direktesendinger og fremtidige sendinger. Du kan også endre kringkastingssystemet ved å bruke Channel List nederst i Hjem-menyen. |
Movies | Du kan se filmer fra leverandører av online filmtjenester, tilkoblede USB-enheter eller hjemmenettverket ditt. |
Album | Du kan vise bilder fra leverandører av online tjenester, tilkoblede USB-enheter eller hjemmenettverket ditt. |
Music | Du kan spille av musikk fra leverandører av online musikktjenester, tilkoblede USB-enheter eller hjemmenettverket ditt. |
Apps | Du kan starte applikasjoner. Miniatyrbilder av utvalgte applikasjoner (Featured) og dine favorittapplikasjoner (My Apps) vises. Hvis du vil vise alle applikasjoner, velger du All Apps nederst i Hjem-menyen. |
Velge et verktøy
Verktøyene er tilgjengelige avhengig av TV-modell/region/land.
Search![]() | Du kan legge inn et nøkkelord for å søke etter innhold. Du kan også velge nøkkelord som er søkt etter tidligere. |
Inputs![]() | Du kan velge en inndataenhet som er koblet til TV-en. |
Media Server![]() | Du kan velge en medieserver (f.eks. USB-flashstasjon, hjemmenettverk) for å bla gjennom innholdet ved hjelp av mediebrowseren. |
Settings![]() | Du kan endre TV-innstillinger (f.eks. Picture & Display, Sound, Channel). |
Help![]() | Du kan vise informasjon om selvdiagnostikk og kundestøtte. Du kan også få tilgang til i-Manual. |
Network Status![]() | Du kan vise nettverkstilkoblingsstatusen. |
Se etter instruksjoner i den elektroniske bruksanvisningen (i-Manual)
Bruksanvisninger er innebygd i BRAVIA TV-en og kan vises på skjermen.
Hvis du vil vite mer om TV-funksjonene, kan du få tilgang til i-Manual med et knappetrykk.

- Trykk på i-MANUAL.
![]()
- Velg et element.
- Trykk på
for å velge et element.
![]()
- Trykk på
for å velge et element, og trykk deretter på
.
![]()
* Hvis et pilmerke vises, trykker du på
gjentatte ganger for å vise flere elementer.
Siden for det valgte elementet vises.
![]()
- Trykk på
- Du kan bla gjennom sidene ved hjelp av
. Trykk på RETURN for å gå tilbake til forrige side.
Lagre sider som ofte vises (bokmerke)
Du kan lagre sider som ofte vises, for enkel tilgang når som helst.
- Slik lagrer du en side
Når du viser siden du vil bokmerke, trykker du på den røde knappen på fjernkontrollen.
![]()
- Slik får du tilgang til den bokmerkede siden
Når du viser i-Manual, trykker du på den blå knappen på fjernkontrollen for å vise bokmerkelisten. Trykk på
for å velge ønsket element, og trykk deretter på
.
![]()
- Trykk på RETURN for å gå tilbake til forrige skjermbilde.
- Slik fjerner du et bokmerke
Når den bokmerkede siden vises, trykker du på den røde knappen på fjernkontrollen.
Feilsøking
Når LED-indikatoren blinker rødt, teller du hvor mange ganger den blinker (intervallet er tre sekunder).
Hvis LED-indikatoren blinker rødt, tilbakestiller du TV-en ved å koble strømledningen fra TV-en i to minutter, og deretter slå på TV-en.
Hvis problemet vedvarer, kontakter du Sonys kundestøtte (informasjon på forsiden) med antallet ganger LED-indikatoren blinker rødt (intervallet er tre sekunder). Trykk på
på TV-en for å slå den av, koble strømledningen fra stikkontakten og kontakt Sonys kundestøtte.
Når LED-indikatoren ikke blinker, kontroller du følgende elementer.
Du kan også se «Feilsøking» i i-Manual eller utføre selvdiagnose ved å velge
Help >
Customer Support > Self Diagnostics. Hvis problemet vedvarer, kontakter du Sonys kundestøtte (informasjon på forsiden).
| Condition | Explanation/Solution |
| Det er ikke noe bilde (skjermen er mørk) og ingen lyd. |
|
| Noen programmer kan ikke innstilles. |
|
| Fjernkontrollen fungerer ikke. |
|
| Passordet for Parental Lock er glemt. |
|
| TV-en og omgivelsene blir varme. |
|
| Slik tilbakestiller du TV-en til fabrikkinnstillinger |
|
| Frossen lyd eller video, en tom skjerm, eller TV-en svarer ikke på TV- eller fjernkontrollknapper. |
|
![]() og HOME-knappene finnes ikke på TV-en. |
|
Slik vedlikeholder du BRAVIA TV-en
Sikkerhet er svært viktig. Les og følg sikkerhetsdokumentasjonen (sikkerhetsheftet) som følger med separat.
Koble TV-en og annet tilkoblet utstyr fra stikkontakten før du begynner å rengjøre TV-en.
- Tørk forsiktig av LCD-skjermen med en myk klut.
![]()
- Gjenstridige flekker kan fjernes med en klut som er lett fuktet med en mild såpeoppløsning og varmt vann.
- Hvis du bruker en kjemisk forbehandlet klut, må du følge instruksjonene som er angitt på pakken.
- Spray aldri vann eller vaskemiddel direkte på TV-apparatet. Det kan dryppe til bunnen av skjermen eller utvendige deler og komme inn i TV-apparatet, og kan forårsake skade på TV-apparatet.
![]()
- Bruk aldri sterke løsemidler som tynner, alkohol eller bensin til rengjøring.
- Ikke koble TV-en til stikkontakten før fuktigheten fra rengjøringen har fordampet.
TV-en bør også plasseres på en stabil overflate for å hindre at den velter. Hvis du har små barn eller kjæledyr hjemme, må du kontrollere regelmessig for å sikre at TV-en er godt festet.
Spesifikasjoner
| System | |||
| TV-system | NTSC: Amerikansk TV-standard ATSC (8VSB terrestrial): ATSC-kompatibel 8VSB QAM på kabel: ANSI/SCTE 07 2000 (Inkluderer ikke CableCARD-funksjonalitet) | ||
| Kanaltildekning | Analog terrestrisk: 2–69/Digital terrestrisk: 2–69 Analog kabel: 1–135/Digital kabel: 1–135 | ||
| Panelsystem | LCD-panel (Liquid Crystal Display), LED-bakgrunnsbelysning | ||
| Høyttalerutgang | 8 W + 8 W | ||
| Trådløs teknologi | Protokoll IEEE802.11a/b/g/n | ||
| Inn-/utgangskontakter | |||
| KABEL/ANTENNE | 75-ohm ekstern terminal for RF-innganger | ||
VIDEO IN 1 | Video/lyd-inngang (phono-kontakter) | ||
COMPONENT IN VIDEO IN 2 | YPBPR (Component Video): 1080p (60 Hz), 1080i (60 Hz), 720p (60 Hz), 480p, 480i Lydinngang (phono-kontakter) Videoinngang (felles phono-pinne med Y-inngang) | ||
| HDMI IN 1/2/3/4 | Video: 1080p (30, 60 Hz), 1080/24p, 1080i (60 Hz), 720p (30, 60 Hz), 720/24p, 480p, 480i, PC-formater Lyd: 5.1-kanals lineær PCM: 32, 44,1 og 48 kHz, 16, 20 og 24 bits, Dolby Digital ARC (Audio Return Channel) (kun HDMI IN 2) | ||
| MHL (felles med HDMI IN 1) | Video: 1080p (30 Hz), 1080/24p, 1080i (60 Hz), 720p (30, 60 Hz), 720/24p, 480p, 480i Lyd: 5.1-kanals lineær PCM: 32, 44,1 og 48 kHz, 16, 20 og 24 bits, Dolby Digital | ||
AUDIO OUT/ | Lydutgang (stereo minijack) Hodetelefonkontakt (støtter subwooferutgang) | ||
DIGITAL AUDIO OUT(OPTISK) | Digital optisk kontakt (tokanals lineær PCM, Dolby Digital) | ||
LAN | 10BASE-T/100BASE-TX-kontakt (Tilkoblingshastigheten kan variere avhengig av nettverksmiljøet. 10BASE-T/100BASE-TX-kommunikasjonshastighet og kommunikasjonskvalitet er ikke garantert for denne TV-en.) | ||
| USB/DLNA | Se i-Manual for støttede formater. | ||
| AC-adapterinngang (DC 19,5 V) | ||
| Annet | |||
| Medfølgende tilbehør | Se "Kontrollere tilbehøret". | ||
| Ekstra tilbehør | Kamera og mikrofonenhet: CMU-BR200/CMU-BR100 Trådløs subwoofer: SWF-BR100 MHL-kabel: DLC-MB10/DLC-MB20/DLC-MC20 | ||
| Driftstemperatur | 32 ºF – 104 ºF (0 ºC – 40 ºC) | ||
| Modellnavn KDL- | 48W600B 48W590B | 48W580B | |
| Strøm og annet | |||
| Strømkrav | 19,5 V DC med AC-adapter Klassifisering: Inngang 110 V – 240 V AC, 50/60 Hz (USA/Canada 120 V AC, 60 Hz) | ||
| Strømforbruk | i bruk | 75 W | |
| i standby | Mindre enn 0,4 W med 120 V AC og mindre enn 0,5 W med 240 V AC | ||
| Skjermstørrelse* (tommer målt diagonalt) | 47,6 tommer (48-klasse) | ||
| Skjermoppløsning | 1 920 punkter (horisontalt) × 1 080 linjer (vertikalt) | ||
| Mål* | med fot (mm) (tommer) | 1 086 × 675 × 181 42 7/8 × 26 5/8 × 7 1/4 | 1 086 × 674 × 196 42 7/8 × 26 5/8 × 7 3/4 |
| uten fot (mm) (tommer) | 1 086 × 646 × 90 42 7/8 × 25 1/2 × 3 5/8 | ||
| hullmønster for veggmontering (mm) | 300 × 200 | ||
| skruestørrelse for veggmontering (mm) | M6 (lengde: se diagrammet nedenfor.) | ||
| Vekt* | med fot (kg)/(lb.) | 10,3/22,7 | 10,2/22,5 |
| uten fot (kg)/(lb.) | 9,9/21,9 | 9,9/21,9 | |
| Modellnavn KDL- | 40W600B 40W590B | 40W580B | |
| Strøm og annet | |||
| Strømkrav | 19,5 V DC med AC-adapter Klassifisering: Inngang 110 V – 240 V AC, 50/60 Hz (USA/Canada 120 V AC, 60 Hz) | ||
| Strømforbruk | i bruk | 75 W | |
| i standby | Mindre enn 0,4 W med 120 V AC og mindre enn 0,5 W med 240 V AC | ||
| Skjermstørrelse* (tommer målt diagonalt) | 40 tommer | ||
| Skjermoppløsning | 1 920 punkter (horisontalt) × 1 080 linjer (vertikalt) | ||
| Mål* | med fot (mm) (tommer) | 926 × 584 × 162 36 1/2 × 23 × 6 1/2 | 926 × 584 × 175 36 1/2 × 23 × 7 |
| uten fot (mm) (tommer) | 926 × 556 × 89 36 1/2 × 22 × 3 5/8 | ||
| hullmønster for veggmontering (mm) | 300 × 200 | ||
| skruestørrelse for veggmontering (mm) | M6 (lengde: se diagrammet nedenfor.) | ||
| Vekt* | med fot (kg)/(lb.) | 7,9/17,5 | 7,8/17,2 |
| uten fot (kg)/(lb.) | 7,4/16,3 | 7,4/16,3 | |
* Skjermstørrelse, mål og vekt er omtrentlige verdier.
- Tilgjengeligheten av ekstra tilbehør avhenger av land/region/TV-modell/lager.
- Design og spesifikasjoner kan endres uten varsel.
- Dette TV-apparatet har MHL 2.
Installere TV-en på veggen
Til kunder
Tilstrekkelig kompetanse er nødvendig for å installere dette produktet. Pass på at du setter bort installeringen til Sony-forhandlere eller autoriserte entreprenører, og vær spesielt oppmerksom på sikkerheten under installeringen. Sony er ikke ansvarlig for skader eller skade som er forårsaket av feil håndtering eller feil installering, eller installering av andre enn det spesifiserte produktet. Dine lovfestede rettigheter (hvis noen) påvirkes ikke.
Til Sony-forhandlere og entreprenører
Tilstrekkelig kompetanse er nødvendig for å installere dette produktet. Sørg for å lese denne bruksanvisningen grundig for å utføre installasjonsarbeidet på en sikker måte. Sony er ikke ansvarlig for skader eller skade som er forårsaket av feil håndtering eller feil installering.
TV-en din kan monteres på en vegg ved hjelp av et veggmonteringsadapter (følger med TV-en) rett ut av esken som den er pakket i. Hvis bordstativet er festet til TV-en, kan det hende at TV-en må løsne bordstativet. se «Løsne bordstativet fra TV-en». Klargjør TV-en for veggmonteringsadapteren før du kobler til kabler.
Av hensyn til produktbeskyttelse og sikkerhet anbefaler Sony på det sterkeste at du bruker veggmonteringsadapteren (som følger med TV-en) som er utviklet for TV-en din, og at installeringen utføres av en Sony-forhandler eller autorisert entreprenør.
- Følg instruksjonene i denne håndboken for å installere veggmonteringsadapteren. Tilstrekkelig kompetanse er nødvendig for å installere denne TV-en, spesielt for å finne ut hvor sterk veggen er for å tåle vekten av TV-en.
- Sørg for å bruke skruene som følger med veggmonteringsadapteren når du fester monteringskroken til TV-en.
De medfølgende skruene er utformet som angitt i illustrasjonen når de måles fra monteringsflaten på monteringskroken.
Skruenes diameter og lengde varierer avhengig av veggmonteringsadaptermodellen. Bruk av andre skruer enn de som følger med, kan føre til interne skader på TV-en eller føre til at den faller ned osv.
![]()
- Sørg for å oppbevare ubrukte skruer og bordstativet på et trygt sted til du er klar til å feste bordstativet. Hold skruene borte fra små barn.
- Les sikkerhetsheftet som følger med, for ytterligere sikkerhetsinformasjon.
- Se «Sikkerhetsinformasjon» og «Forholdsregel» på VEGGMONTERINGSADAPTER før du utfører installasjonen av veggmonteringsadapteren.
- Plasser TV-en med skjermen ned på en flat og stabil overflate dekket med en tykk og myk klut som er større enn TV-en, når du fester monteringskroken eller når du fjerner bordstativet fra TV-en for å unngå å skade overflaten på LCD-skjermen.
Veggmonteringsadapter
- Klargjør nødvendige elementer.
Tilbehør til veggmonteringsadapter (følger med)
![]()
- Sørg for at veggen har nok plass til TV-en og er i stand til å bære en vekt på minst fire ganger TV-ens vekt.
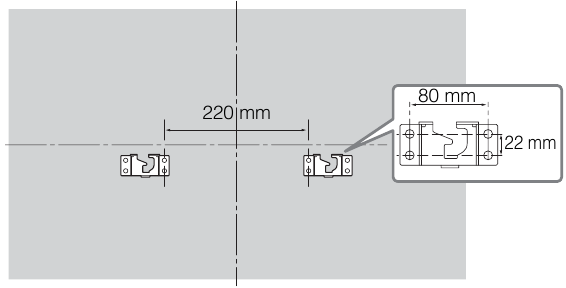
Se følgende tabell om hvordan du installerer TV-en på veggen. Se side 31-32 (Spesifikasjoner) for TV-ens vekt.
Enhet: tommer (mm) Modellnavn KDL- Skjermdimensjoner Skjermsenterdimensjon Lengde for montering ![]()
![]()
![]()
![]()
![]()
48W600B,
48W590B,
48W580B42 7/8
(1,086)25 ½
(646)2 ½
(61)10 ¾
(273)5 ¾
(144)40W600B,
40W590B,
40W580B36 ½
(926)22
(556)21/32
(16)10 7/8
(274)5 ¾
(143)- Tallene i tabellen kan variere litt avhengig av installasjonen.
- Lag et merke på papirmalen
som indikerer midten av skjermen for TV-en din.
![Sony – BRAVIA KDL-48W600B – Veggmonteringsadapter – Trinn 2 Veggmonteringsadapter – Trinn 2]()
- Fest papirmalen
på veggen og bor hull i henhold til nummereringen på papirmalen
ved hjelp av en elektrisk drill.
![Sony – BRAVIA KDL-48W600B – Veggmonteringsadapter – Trinn 3 Veggmonteringsadapter – Trinn 3]()
- Fjern papirmalen
fra veggen. - Fest veggmonteringsbasen
riktig til veggen ved hjelp av skruer (8 mm i diameter, ikke inkludert).
![Sony – BRAVIA KDL-48W600B – Veggmonteringsadapter – Trinn 4 Veggmonteringsadapter – Trinn 4]()
- Fest trinser
til TV-en ved hjelp av de medfølgende skruene
. Fest avstandsstykkene
til hullene som er angitt med trekantmerkene
. Fest deretter båndet
ved hjelp av den medfølgende skruen
.
![Sony – BRAVIA KDL-48W600B – Veggmonteringsadapter – Trinn 5 Veggmonteringsadapter – Trinn 5]()
- Sørg for å koble til og bunte kablene før du installerer TV-en på veggen.
- Bunt sammen AC-adapteren ved hjelp av kabelholderne (følger med TV-en). Pass på at etiketten vender utover når du buntet sammen AC-adapteren.
![Sony – BRAVIA KDL-48W600B – Veggmonteringsadapter – Trinn 6 Veggmonteringsadapter – Trinn 6]()
- Installer TV-en på veggen. Bekreft at trinsene
er godt festet i veggmonteringsbasen
. Fest deretter båndet
til veggen ved hjelp av en skrue (5 mm i diameter, ikke inkludert).
![Sony – BRAVIA KDL-48W600B – Veggmonteringsadapter – Trinn 7 Veggmonteringsadapter – Trinn 7]()
Dimensjoner på hullposisjonene på veggen
Gi følgende informasjon til de autoriserte entreprenørene hvis nødvendig.
Bruk skruer (8 mm i diameter, ikke inkludert) for å installere veggmonteringsbasen
på veggen. Sørg for å bruke den medfølgende papirmalen
som viser den faktiske posisjonen til veggmonteringsbasen
for enkel installasjon.

Installere TV-en mot en vegg eller et lukket område
Sørg for at TV-en din har tilstrekkelig ventilasjon. La det være nok plass rundt TV-en som vist på illustrasjonen.
Installert med stativ

Installert på veggen

Installer aldri TV-en som følger:

- Utilstrekkelig ventilasjon kan føre til overoppheting av TV-en og kan forårsake skade på TV-en eller forårsake brann.
Sikkerhetsinformasjon
MERK OM AC-ADAPTER
For å redusere risikoen for brann eller elektrisk støt, må du ikke utsette dette apparatet for regn eller fuktighet.
For å forebygge brann eller elektrisk støt må du ikke plassere gjenstander fylt med væske, for eksempel vaser, på apparatet.
Ikke installer dette utstyret i et trangt rom, for eksempel en bokhylle eller lignende.
- Sørg for at AC-strømuttaket er installert i nærheten av utstyret og er lett tilgjengelig.
- Sørg for å bruke den medfølgende AC-adapteren og AC-strømledningen. Hvis ikke, kan det føre til funksjonsfeil.
- Koble AC-adapteren til et lett tilgjengelig AC-strømuttak.
- Ikke spinn AC-strømledningen rundt AC-adapteren. Kjerneledningen kan bli kuttet og/eller det kan forårsake funksjonsfeil på TV-en.
![]()
- Ikke ta på AC-adapteren med våte hender.
- Hvis du oppdager en unormalhet i AC-adapteren, må du koble den fra AC-strømuttaket umiddelbart.
- Settet er ikke koblet fra AC-kilden så lenge det er koblet til AC-strømuttaket, selv om selve settet er slått av.
- Siden AC-adapteren vil bli varm når den brukes over lengre tid, kan du føle deg varm når du berører den for hånd.
Veggmonteringsadapter
Nedenfor vises riktig håndtering av veggmonteringsadapteren. Sørg for å lese denne informasjonen grundig og bruk veggmonteringsadapteren på riktig måte.
Til kunder:
Sørg for å overholde følgende forholdsregler for sikkerhet for å forhindre alvorlig personskade gjennom brann, elektrisk støt, at produktet velter eller at produktet faller.
- Sørg for å sette bort installasjonen til lisensierte entreprenører og hold små barn unna under installasjonen.
- Sørg for å sette bort flytting eller demontering av TV-en til lisensierte entreprenører.
- Ikke fjern skruer osv. etter montering av TV-en.
- Ikke gjør endringer i delene av veggmonteringsadapteren.
- Ikke monter annet utstyr enn det spesifiserte produktet.
- Ikke bruk annen belastning enn TV-en på veggmonteringsadapteren.
- Ikke len deg på eller heng fra TV-en.
- Ikke håndter TV-en med overdreven kraft under rengjøring eller vedlikehold.
Til Sony-forhandlere og entreprenører:
Følgende instruksjoner er kun for Sony-forhandlere og entreprenører. Sørg for å lese sikkerhetsforanstaltningene som er beskrevet nedenfor, og vær spesielt oppmerksom på sikkerheten under installasjon, vedlikehold og kontroll av dette produktet.
- Ikke installer veggmonteringsadapteren på veggflater der hjørnene eller sidene av TV-en stikker ut fra veggflaten.
![]()
- Ikke installer TV-en over eller under et klimaanlegg.
- Sørg for å installere veggmonteringsadapteren sikkert på veggen i henhold til instruksjonene i denne bruksanvisningen. Hvis noen av skruene er løse eller faller ut, kan veggmonteringsadapteren falle ned og forårsake skade eller materielle skader.
![]()
- Sørg for å bruke de medfølgende skruene og festedelene på riktig måte i henhold til instruksjonene i denne bruksanvisningen. Hvis du bruker erstatningsartikler, kan TV-en falle ned og forårsake personskade eller skade på TV-en.
- Sørg for å montere braketten på riktig måte i henhold til den instruerte prosedyren som er forklart i denne bruksanvisningen.
- Sørg for å stramme skruene godt i den angitte posisjonen.
- Vær forsiktig så du ikke utsetter TV-en for støt under installasjonen.
- Sørg for å installere TV-en på en vegg som er både vinkelrett og flat.
- Etter riktig installasjon av TV-en, fest kablene ordentlig.
- Ikke la AC-strømledningen eller tilkoblingskablene bli klemt, da de interne lederne kan bli eksponert og forårsake en kortslutning eller et elektrisk brudd.
![]()
Forsiktighetsregel
VEGGMONTERINGSADAPTER
- Hvis du bruker TV-en som er installert på veggmonteringsadapteren over lengre tid, kan veggen bak eller over TV-en bli misfarget eller tapetet kan løsne, avhengig av veggens materiale.
- Hvis veggmonteringsadapteren fjernes etter at den er installert på veggen, vil skruehullene forbli.
- Ikke bruk veggmonteringsadapteren på et sted der den utsettes for mekaniske vibrasjoner.
For å forhindre elektrisk støt og eksponering for blader, må du ikke bruke denne AC-pluggen med en skjøteledning, stikkontakt eller annet uttak med mindre bladene kan settes helt inn.
- Bruk bare TV-en på DC 19,5 V
(med AC-adapter)
Plassering av identifikasjonsetiketten
Etiketter for TV-modellnummer og strømforsyningsvurdering er plassert på baksiden av TV-en. Etiketter for AC-adapterens modellnummer og serienummer er plassert på undersiden av AC-adapteren.
- Instruksjoner for "Installere TV-en på veggen" er inkludert i denne håndboken.
- Illustrasjonene av fjernkontrollen som brukes i denne håndboken er av RM-YD103 med mindre annet er oppgitt.
- Illustrasjonene som brukes i denne håndboken kan variere avhengig av TV-modellen din.
- Ta vare på denne håndboken for fremtidig referanse.
Sony kundestøtte
U.S.A.:
http://www.sony.com/tvsupport
Canada:
http://www.sony.ca/support
United States 1.800.222.SONY
Canada 1.877.899.SONY
Vennligst ikke returner produktet til butikken
Referanser
Produktregistrering
Sony Canada
AntennaWeb - Antenne Signal Prediction
Sony Televisions | OLED TVs & LED TVsSony Canada
http://www.sony.com/tvsupport
Sony Canada
Last ned manual
Her kan du laste ned fullstendig pdf-versjon av manualen, den kan inneholde ytterligere sikkerhetsinstruksjoner, garantiinformasjon, FCC-regler, etc.
Last ned Sony BRAVIA KDL-48W600B / KDL-48W590B / KDL-48W580B / KDL-40W600B - brukerveiledning











for å velge et element, og trykk deretter på 



for å velge ønsket kategori.
for å velge ønsket element, og trykk deretter på 

, og trykk deretter på 












på fjernkontrollen, trykker du på 
og HOME-knappene finnes ikke på TV-en.


VIDEO IN 1
COMPONENT IN
VIDEO IN 2
AUDIO OUT/
DIGITAL AUDIO OUT
LAN










til TV-en ved hjelp av de medfølgende skruene
. Fest avstandsstykkene
til hullene som er angitt med trekantmerkene
. Fest deretter båndet
ved hjelp av den medfølgende skruen 





